形位公差检测方法
- 格式:doc
- 大小:247.00 KB
- 文档页数:13
一、直线度的检验方法1、将直尺平行地放于测定面,用塞尺测定直尺与被测定物的空隙。
(1)测定面凹时,与直线度相等数值厚度的塞尺不能插入中央的空隙。
(2)测定面凸时,在两端放置与直线度相等数值厚度的塞尺。
2、将杠杆百分表置于测定面,在A点调零,确认到B点。
测定值=最大值-最小值二、平面度的检验方法1、用直尺测定部品平面度测量方法:如图以不包括自重的方法将测量物支撑。
测量范围:测量是将直尺放在整个表面(纵、横、对角线方向)用塞尺(数值与平面度相符)测定。
判定:在所有的地方塞尺应不能通过。
平台或V型块在要求的测量的面上测量。
测定值=最大值-最小值2、线与面的平行度(1)将适合的塞规插入两个基准孔内。
(2)将塞规的两端用平行块(或磁铁)支撑。
(3)将公差的指定面调较至与平台平行,在A点调零,确认到B点。
(4)测定指定面,将读数的最大差(最高点减去最低点)作平行度。
3、面与线的平行度在平台上,使用磁铁支撑基准面整体,测定两个孔到基准面的尺寸,将该尺寸差作平行度。
4、线与线的平行度(1)将适合的塞规插入两个基准孔内。
(2)用平行块(或磁铁)将塞规两端固定。
(3)依照图在0°的位置求出 B与 C的中心偏移(X),并求出在90°回转位置上的 B与 C的中心偏移(Y)。
(4)将求出值用 X2+Y2算,所得值即平行度。
四、垂直度的检验方法1、面与面的垂直度。
(1)将基准面用磁铁与平台平行地支撑。
(2)将百分表从弯曲根部起移动至前端止,将读数的最大差作垂直度。
注:测定是横过l幅所有地方。
2、面与线的垂直度。
(1)在平台上,用磁铁如图支撑测量物;(2)将百分表接触于测量物上,在B点调零,确认到C点。
(3)将百分表接触于测量物上,将其在指示范围内所有地方上下移动。
(4)测定在0°与90°两处进行。
(5)将各读数的最大差用以下公式计算,所得值即垂直度(在0°的读数最大差→X;在90°的读数最大差→Y):垂直度( )= X2+Y23、线与面的垂直度。
1、形位公差的测量技巧零件形位公差有专门的指令计算,用户只需填写相应的参数即可计算出结果,所以关键在于如何准确地测量出各个元素。
这在于平时经验的积累。
一些基础知识很重要,如对称平面的矢量计算,ELE掩码含义,APT、NPT、ACT、EVA、NOM 之间的关系,元素的构造、变换以及坐标系的建立方法等。
l元素的构造元素的构造在实际编程中用得很多。
ELE子类型ACT(实际值)记录了元素的所有信息,如中心坐标,方向等。
要构造元素,必须先初始化一个元素,再赋值这个元素实际值的掩码区域。
元素的构造方法主要有两种:(1)、直接编辑,指令EDTACT可以编辑元素的实际值,但是这种方法违背程序编写“自动”原则。
(2)、PUTVALS、PUTVAL可以在程序中自动加入元素的实际信息,这种方法用得较多。
也可以利用已有的点、线、面构造如CPL****,CAX****等。
l元素的变换变换种类分为两种:坐标系和元素的变换。
变换方法分为两种:平移和旋转在方法上,坐标系和元素的变换没有区别,都是将元素或坐标系平移或旋转某一数值,平移和旋转可以单独使用,也可以同时使用。
只有一种情况不同,就是元素在坐标系之间的转换。
指令TRAOBJ,TRAELE,TRACSY直接将元素变换,也可以先建立变换(BLDTRA,FINDTRA,INVTRA),再执行转换(EXETRA,TRAELE)。
l坐标系的建立一般来说,零件的检测步骤分为:坐标系的建立;根据零件的特点确定元素的测量步骤,并生成元素测量点;按照先后顺序测量各元素,并取适当的CLP点;数据的计算,并打印输出;保存程序。
在三维测量中,坐标系的地位相当重要,不同的建立方法往往结果差别很大。
建立坐标系时必须根据图纸、工艺文件和装配关系等确定第一、第二基准。
BLDCSY 中“空间定向元素”即是第一基准,“平面定向元素”即第二基准,如下面的零件图1、位置度的测量该零件建立坐标系时基准A作为第一基准,基准B作为第二基准,所以在BLDCSY中这样填写:BLDCSY(NAM=CSY,SPA=PLA$A,PLA=LIN$BC,XZ0=CIR$B,YZ0=CIR$B,ZZ0=PLA$A)PLA$A为A平面,CIR$B为孔B,LIN$BC为基准B和任一孔的连线。
外检科检验标准手册检验标准编号SHWJ-001 标准类别形位公差类引用标准GB 1958-80标准种类通用标准序号检测项目检验标准检验手段检验方法示意图1直线度“—”按图纸要求(一)平台、塞尺、刀口尺一、平面类零部件直线度检测方法:1、将零件表面清理干净,去除尖角毛刺。
2、将刀口尺或直尺与被测面直接接触并靠紧,此时平尺与被测面之间的最大间隙即为该检测面的直线度误差。
3、用塞尺检测4、移动刀口尺,按此方法检测若干条素线,取其中最大误差值作为该件的直线度误差。
刀尺塞尺刀尺移动方向被测外检科检验标准手册检验标准编号1 标准类别形位公差类引用标准GB 1958-80标准种类通用标准序号检测项目检验标准检验手段检验方法示意图编制审核审定批准发放日期共页第页1直线度“—”按图纸要求(二)平台、杠杆表、方箱、塞尺二、轴类零部件直线度检测方法:1、将零件表面清理干净,去除尖角毛刺。
2、将被测轴放在平台上,并固定靠紧在方箱底侧;3、用杠杆表在被测素线的全长范围内测量,同时记录检测数值,最大数值与最小数值之差即为该条素线直线度误差。
(或用塞尺直接测量轴与平台之间的最大间隙即可)方箱被测件杠杆表平台外检科检验标准手册检验标准编号1 标准类别形位公差类引用标准GB 1958-80标准种类通用标准序号检测项目检验标准检验手段检验方法示意图4、将轴旋转几个角度,按上述方法测量若干条素线,并计算,取其中最大的误差值,作为被测零部件的直线度误差。
编制审核审定批准发放日期共页第页2一、加工类较小平面检测:1、将零件表面清理干净,去除尖角毛刺。
2、将被测件用可调顶尖支撑在平台上指示表移旋转被测件在整个圆周找平A,B,C三点杠杆表外检科检验标准手册检验标准编号1 标准类别形位公差类引用标准GB 1958-80标准种类通用标准序号检测项目检验标准检验手段检验方法示意图平面度按图纸要求(一)平台、杠杆表、顶尖3、调整顶尖,使被测表面最远的三点A,B,C,与平台平行(利用杠杆表或高度尺使A、B、C三个点的高度相同)。
形位公差国家标准形位公差国家标准,是我国机械制造行业中的重要标准之一。
该标准的制定,有助于规范各种机械零件的生产和加工过程,保证机器的稳定性、可靠性和精度,进一步提高了我国机械制造业的水平和竞争力。
形位公差是区分零件几何状态和位置精度的一种表达方式。
其主要作用是规定机械零件与另一零件相对位置的容许偏差范围,从而保证机械零件的相对定位精度。
形位公差国家标准,主要包括以下方面的内容:一、形位公差系统的种类形位公差系统主要有两种,一种是最大材料条件下的公差系统(MMC系统),另一种是最小材料条件下的公差系统(LMC系统)。
MMC系统是指在公差范围内,零件最大可能材料条件范围内的最大限制尺寸;LMC系统是指在公差范围内,零件最小可能材料条件范围内的最小限制尺寸。
二、形位公差符号形位公差符号是用来表示零件公差的一种标记符号。
国家标准中规定了各种常见零件公差的表示方法和符号,如位置公差、平面度、圆度、直线度、角度等公差。
三、形位公差的计算方法形位公差的计算方法是根据零件的设计图、工艺要求和材料特性而定。
计算方法包括基本公差法、配合公差法、定位公差法等。
其中,基本公差法是计算零件的尺寸公差时最常用的一种方法。
四、形位公差的应用范围形位公差广泛应用于各种机械制造领域,如轴承、齿轮、机床等。
形位公差是保证传动精度、提高产品质量、节约生产成本的重要手段。
五、形位公差的检测方法形位公差的检测是指检测零件的实际公差值是否符合设计要求。
常用的检测方法有测量仪器测量法、对比检测法和三坐标测量法。
六、形位公差的改进方法形位公差的改进是指提高零件精度、缩小公差范围,从而提高产品的质量和可靠性。
常用的改进方法包括选择更高精度的加工设备、材料的优化选择、改进工艺流程等。
总之,形位公差国家标准的制定和实施是我国机械制造行业发展的一个重要标志,对提高机械制造业的质量和竞争力起到了积极的推动作用。
希望未来能够进一步完善该标准体系,提高我国机械制造业的技术水平和创新能力。
外检科检验标准手册检验标准编号SHWJ-001标准类别形位公差类引用标准GB 1958-80 标准种类通用标准序号检测项目检验标准检验手段检验方法示意图1 直线度“—”按图纸要求(一)平台、塞尺、刀口尺一、平面类零部件直线度检测方法:1、将零件表面清理干净,去除尖角毛刺。
2、将刀口尺或直尺与被测面直接接触并靠紧,此时平尺与被测面之间的最大间隙即为该检测面的直线度误差。
3、用塞尺检测刀尺塞尺刀尺移动方向被测件外检科检验标准手册检验标准编号SHWJ-001标准类别形位公差类引用标准GB 1958-80 标准种类通用标准序号检测项目检验标准检验手段检验方法示意图4、移动刀口尺,按此方法检测若干条素线,取其中最大误差值作为该件的直线度误差。
编制审核审定批准发放日期共页第页外检科检验标准手册检验标准编号SHWJ-001标准类别形位公差类引用标准GB 1958-80 标准种类通用标准序号检测项目检验标准检验手段检验方法示意图1 直线度“—”按图纸要求(二)平台、杠杆表、方箱、塞尺二、轴类零部件直线度检测方法:1、将零件表面清理干净,去除尖角毛刺。
2、将被测轴放在平台上,并固定靠紧在方箱底侧;3、用杠杆表在被测素线的全长范围内测量,同时记录检测数值,最大数值与最小数值之差即为该条素线直线度误差。
(或用塞尺直接测量轴与平台之间的最大间隙即可)方箱被测件杠杆表平台指示表移动方旋转被测件在整个圆周方向多次测量外检科检验标准手册检验标准编号SHWJ-001标准类别形位公差类引用标准GB 1958-80 标准种类通用标准序号检测项目检验标准检验手段检验方法示意图4、将轴旋转几个角度,按上述方法测量若干条素线,并计算,取其中最大的误差值,作为被测零部件的直线度误差。
编制审核审定批准发放日期共页第页2(一)平台、杠一、加工类较小平面检测:1、将零件表面清理干净,去除尖角毛刺。
2、将被测件用可调顶尖支撑在平台上找平A,B,C三点杠杆表外检科检验标准手册检验标准编号SHWJ-001标准类别形位公差类引用标准GB 1958-80 标准种类通用标准序号检测项目检验标准检验手段检验方法示意图平面度按图纸要求杆表、顶尖3、调整顶尖,使被测表面最远的三点A,B,C,与平台平行(利用杠杆表或高度尺使A、B、C三个点的高度相同)。
形位公差定义及检测方法一、直线度的定义及检测方法定义:直线度是指零件被测的线要素直不直的程度。
检测方法概述:㈠.将平尺(小零件可用刀口尺)与被测面直接接触并靠紧。
此时平尺与被测面之间的最大间隙即为该检测面的直线度误差。
一般公用检测器具-塞尺。
(图片)按此方法检测若干条素线,取其中最大误差值作为该件的直线度误差。
㈡.将被测件放在平台上,并靠紧方箱或直角尺(或者将被测件放置在等高V型铁上)。
用杠杆表在被测素线的全长范围内测量,同时记录检测数值,最大数值与最小数值之差即为该条素线直线度误差。
(简图):按上述方法测量若干条素线,并计算,取其中最大的误差值,作为被测零部件的直线度误差。
㈢将被测零部件用千斤顶支起,利用杠杆表将被测素线的两端点调整到与平台平行,在被测素线的全长范围内测量,同时记录,读数,最大值与最小值之差即为该素线的直线度误差,按同样方法测量若干条素线,取其中最大的误差值作为该被测件的直线度误差。
㈣综合量规:综合量规的直径等于被测零件的实效尺寸,综合量规必须通过被测零件。
二、平面度定义及检验方法平面度是指零件被测表面的要素平不平得程度。
㈠将被测件用千斤顶支撑在平台上,调整被测表面最远的三点A,B,C,(利用杠杆表或高度尺)使其与平台平行,然后用测头在整个实际表面上进行测量,同时记录读数,其最大与最小读数之差,即为被测件平面度误差。
㈡用刀口尺(小型件)或平尺(较大型件)在整个被测平面上采用“米”字型或栅格型方法进行检测,用塞尺进行检验,取其塞尺最大值为该被测零件得平面度误差。
㈢环类垫圈类零件将被测件的被测面放在平台上,压紧,然后用塞尺检测多处,其塞入的最大值即为该件的平面度误差。
(或者将被测件的被测面用三块等高垫铁在平台上均分支撑,然后用杠杆表在被测面的多处进行检测,取其最大与最小读数的差作为该件的平面度误差。
三、圆度定义及测量方法定义:圆度是指具有圆柱面(包括圆锥面)的零件在同一横剖面内的实际轮廓不圆的程度。
平行度(一)基本概念平行度是表示零件上被测实际要素相对于基准保持等距离的状况。
也就是通常所说的保持平行的程度。
平行度公差是:被测要素的实际方向,与基准相平行的理想方向之间所允许的最大变动量。
也就是图样上所给出的,用以限制被测实际要素偏离平行方向所允许的变动范围。
(二)举例说明面对基准平面的平行度要求是指被测要素与基准要素均为平面。
图a所示要求表示:被测实际表面必须位于距离为工程值0.05mm且平行于基准平面B的两平行平面之间的区域内,如图b所示。
线对基准平面的平行度要求是指被测要素为一直线(轴线),而基准要素为一平面。
图a所示要求表示:Φ20H7孔的实际轴线必须位于距离为公差值0.05mm,且平行于基准平面的两平行平面之间的区域内,如图b所示。
面对基准直线的平行度要求是指被测要素为一平面,基准要素为一直线(轴线)。
图a所示要求表示:被测实际表面必须位于距离为公差值0.08mm,且平行于基准轴线的两平行平面之间的区域内,如图b所示。
线对基准直线的平行度要求是指被测要素和基准要素都是直线(轴线)。
图a所示要求表示:被测轴线应位于,在垂直方向上平行于基准轴线B,且距离为公差值0.02mm的两平行平面之间的区域,如图b所示。
(三)常用检测方法垂直度(一)基本概念垂直度是表示零件上被测要素相对于基准要素,保持正确的90°夹角状况。
也就是通常所说的两要素之间保持正交的程度。
垂直度公差是:被测要素的实际方向,对于基准相垂直的理想方向之间,所允许的最大变动量。
也就是图样上给出的,用以限制被测实际要素偏离垂直方向,所允许的最大变动范围。
(二)举例说明面对基准平面的垂直度要求是指被测要素与基准要素都是平面。
图a所示要求表示:被测实际表面应位于,距离为0.02mm,且垂直于基准平面B的两平行平面之间的区域内,如图b所示。
线对基准平面的垂直度要求是指被测要素为一直线(轴线),基准要素为一平面。
图a所示要求表示:被测实际轴线应在给定的方向上,距离为公差值0.02mm,且垂直于基准平面B的两平行平面之间的区域内,如图b所示。
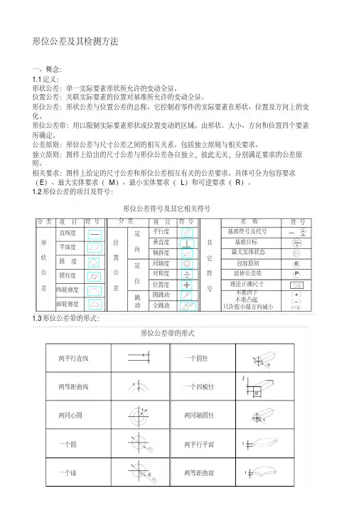
形位公差及其检测方法一、概念:1.1定义:形状公差:单一实际要素形状所允许的变动全量。
位置公差:关联实际要素的位置对基准所允许的变动全量。
形位公差:形状公差与位置公差的总称。
它控制着零件的实际要素在形状、位置及方向上的变化。
形位公差带:用以限制实际要素形状或位置变动的区域。
由形状、大小、方向和位置四个要素所确定。
公差原则:形位公差与尺寸公差之间的相互关系。
包括独立原则与相关要求。
独立原则:图样上给出的尺寸公差与形位公差各自独立,彼此无关,分别满足要求的公差原则。
相关要求:图样上给定的尺寸公差和形位公差相互有关的公差要求。
具体可分为包容要求(E )、最大实体要求(M )、最小实体要求(L )和可逆要求(R )。
1.2形位公差的项目及符号:1.3形位公差带的形式:分 类直线度平面度圆 度圆柱度线轮廓度面轮廓度垂直度平行度倾斜度同轴度对称度位置度圆跳动全跳动分 类项 目符 号项 目符 号名 称符 号形状 公 差位置 公 差定向定位跳动其 它 符 号基准符号及代号基准目标最大实体状态包容原则延伸公差带理论正确尺寸不准凹下不准凸起只许按小端方向减小E P 形位公差符号及其它相关符号ttt球两平行直线两等距曲线两同心圆一个圆一个球一个圆柱一个四棱柱两同轴圆柱两平行平面两等距曲面tt1t2ttt形位公差带的形式二、形状误差与形状公差:项目公差带定义示 例说 明公差带是距离为公差值t的两平行直线之间的区域在给定平面内圆柱表面上的任一素线必须位于轴向平面内,距离为0.02的两平行线之间0.02在给定方向上、当给定一个方向公差带是距离为公差值t 的两平行平面之间的区域棱线必须位于箭头所示方向距离为公差值0.02的两平行平面内0.02、当给定两 个互相垂直的两个方向公差带为截面边长t1*t2的四棱柱内的区域棱线必须位于水平方向距离为公差值0.02,垂直方向距离为0.01的四棱柱内0.010.023、在任意方向 公差带是直径为公差值t 的圆柱面的区域d圆柱体的轴线必须位于直径为公差值0.02的圆柱面内直 线 度平面度公差带是距离为公差值t 的两平行平面之间的区域上表面必须位于距离为公差值0.1的两平行平面内.1圆度公差带是在同一正截面上半径差为公差值t 的两同心圆之间的区域在垂直于轴线的任一正截面上,该圆必须位于半径差为公差值0.02的两同心圆之间项目示 例公差带定义说 明圆柱度公差带是半径差为公差值t 的两同轴圆柱面之间的区域圆柱面必须位于半径差为公差值0.02的两同轴圆柱面之间线轮廓度公差带是包络一系列直径为公差值t 的圆的两包络线之间的区域,该圆圆心应位于理想轮廓上77R2R 10 在平行于正投影面的任一截面上,实际轮廓必须位于包络一系列直径为公差值0.02,且圆心在理想轮廓线上的圆的两包络线之间面轮廓度公差带是包络一系列直径为公差值t 的球的两个包络面之间的区域,诸球球心应位于理想轮廓之上实际轮廓面必须位于包络一系列球的两包络面之间,诸球的直径为公差值0.02,且球心在理想轮廓面上。
一、轴径在单件小批生产中,中低精度轴径的实际尺寸通常用卡尺、千分尺、专用量表等普通计量器具进行检测;在大批量生产中,多用光滑极限量规判断轴的实际尺寸和形状误差是否合格;;高精度的轴径常用机械式测微仪、电动式测微仪或光学仪器进行比较测量,用立式光学计测量轴径是最常用的测量方法。
二、孔径单件小批生产通常用卡尺、内径千分尺、内径规、内径摇表、内测卡规等普通量具、通用量仪;大批量生产多用光滑极限量规;高精度深孔和精密孔等的测量常用内径百分表(千分表)或卧式测长仪(也叫万能测长仪)测量,用小孔内视镜、反射内视镜等检测小孔径,用电子深度卡尺测量细孔(细孔专用)。
三、长度、厚度长度尺寸一般用卡尺、千分尺、专用量表、测长仪、比测仪、高度仪、气动量仪等;厚度尺寸一般用塞尺、间隙片结合卡尺、千分尺、高度尺、量规;壁厚尺寸可使用超声波测厚仪或壁厚千分尺来检测管类、薄壁件等的厚度,用膜厚计、涂层测厚计检测刀片或其他零件涂镀层的厚度;用偏心检查器检测偏心距值,用半径规检测圆弧角半径值,用螺距规检测螺距尺寸值,用孔距卡尺测量孔距尺寸。
四、表面粗糙度借助放大镜、比较显微镜等用表面粗糙度比较样块直接进行比较;用光切显微镜(又称为双管显微镜测量用车、铣、刨等加工方法完成的金属平面或外圆表面;用干涉显微镜(如双光束干涉显微镜、多光束干涉显微镜)测量表面粗糙度要求高的表面;用电动轮廓仪可直接显示Ra0.025~6.3μm 的值;用某些塑性材料做成块状印模贴在大型笨重零件和难以用仪器直接测量或样板比较的表面(如深孔、盲孔、凹槽、内螺纹等)零件表面上,将零件表面轮廓印制印模上,然后对印模进行测量,得出粗糙度参数值(测得印模的表面粗糙度参数值比零件实际参数值要小,因此糙度测量结果需要凭经验进行修正);用激光测微仪激光结合图谱法和激光光能法测量Ra0.01~0.32μm的表面粗糙度。
五、角度1.相对测量:用角度量块直接检测精度高的工件;用直角尺检验直角;用多面棱体测量分度盘精密齿轮、涡轮等的分度误差。
一、轴径在单件小批生产中,中低精度轴径的实际尺寸通常用卡尺、千分尺、专用量表等普通计量器具进行检测;在大批量生产中,多用光滑极限量规判断轴的实际尺寸和形状误差是否合格;;高精度的轴径常用机械式测微仪、电动式测微仪或光学仪器进行比较测量,用立式光学计测量轴径是最常用的测量方法。
二、孔径单件小批生产通常用卡尺、内径千分尺、内径规、内径摇表、内测卡规等普通量具、通用量仪;大批量生产多用光滑极限量规;高精度深孔和精密孔等的测量常用内径百分表(千分表)或卧式测长仪(也叫万能测长仪)测量,用小孔内视镜、反射内视镜等检测小孔径,用电子深度卡尺测量细孔(细孔专用)。
三、长度、厚度长度尺寸一般用卡尺、千分尺、专用量表、测长仪、比测仪、高度仪、气动量仪等;厚度尺寸一般用塞尺、间隙片结合卡尺、千分尺、高度尺、量规;壁厚尺寸可使用超声波测厚仪或壁厚千分尺来检测管类、薄壁件等的厚度,用膜厚计、涂层测厚计检测刀片或其他零件涂镀层的厚度;用偏心检查器检测偏心距值,用半径规检测圆弧角半径值,用螺距规检测螺距尺寸值,用孔距卡尺测量孔距尺寸。
四、表面粗糙度借助放大镜、比较显微镜等用表面粗糙度比较样块直接进行比较;用光切显微镜(又称为双管显微镜测量用车、铣、刨等加工方法完成的金属平面或外圆表面;用干涉显微镜(如双光束干涉显微镜、多光束干涉显微镜)测量表面粗糙度要求高的表面;用电动轮廓仪可直接显示Ra0.025~6.3μm 的值;用某些塑性材料做成块状印模贴在大型笨重零件和难以用仪器直接测量或样板比较的表面(如深孔、盲孔、凹槽、内螺纹等)零件表面上,将零件表面轮廓印制印模上,然后对印模进行测量,得出粗糙度参数值(测得印模的表面粗糙度参数值比零件实际参数值要小,因此糙度测量结果需要凭经验进行修正);用激光测微仪激光结合图谱法和激光光能法测量Ra0.01~0.32μm的表面粗糙度。
五、角度1.相对测量:用角度量块直接检测精度高的工件;用直角尺检验直角;用多面棱体测量分度盘精密齿轮、涡轮等的分度误差。
二、形位公差之同心度测量1.概念同心度(◎):被测要素为圆心(点)、工件的圆孔或轴的轴线时,可视作点而不是线,则它们对基准的同轴度称为同心度,同心必定同轴。
如图:外圆的圆心必须位于直径为公差值Ф0.01且与基准圆心同心的圆内。
2.同心度测量方法目前测量同心度主要有5种方法。
1)游标卡尺针对较简易产品且加工精度要求不高的产品主要采用手动测量(游标卡尺)进行管控。
缺点:测量精度不高,相比较其他测量方法效率低。
2)手动影像测量仪针对加工精度要求比较高且小部分管控的产品主要使用手动影像测量仪。
缺点:手动影像测量仪虽然测量功能强大但它也不能完成自动批量测量。
3)圆度测量仪针对加工精度要求比较高且小部分管控的产品也有采用圆度测量仪去测量。
缺点:圆度测量仪相比较手动影像测量仪功能单一,不能满足全尺寸测量;圆度测量仪检测速度也不如手动影像测量仪。
4)三坐标测量机缺点:三坐标测量机虽然精度很高,但它采用接触式测量,在测量速度上远远不如影像测量仪,三坐标测量机更适合测量三维立体的测量元素。
5)全自动影像测量仪针对加工精度要求高且大批量测量首选全自动影像测量仪。
3.如洋关节臂系列便携式三坐标测量机测量同心度方法概述1)测量时只需用软件中的几何量测量区对应的提取圆功能分别抓取两个圆(圆大时用三、形位公差之平行度测量1.概念平行度(∥):评价平面之间、面线之间、线线之间的平行状态。
一平面(边)相对于另一平面(边)平行的误差最大允许值。
根据定义平行度分为线对线的平行度、线对面的平行度、面对面的平行度、面对线的平行度。
如图:线对面平行公差带是公差值t且平行于基准平面的平行平面之间的区域。
如图:面对面平行度公差带是距离为公差值t且平行于基准面的两平行平面之间的区域。
2.测量方法目前测量平行度主要有3种方法1)圆度测量仪缺点:圆度测量仪主要用于圆环、圆柱等回转体工件的测量,有部分用户也拿它测量平行度。
但碰到多曲面工件时圆度测量仪就不一定能够满足需求。
一、轴径在单件小批生产中,中低精度轴径的实际尺寸通常用卡尺、千分尺、专用量表等普通计量器具进行检测;在大批量生产中,多用光滑极限量规判断轴的实际尺寸和形状误差是否合格;;高精度的轴径常用机械式测微仪、电动式测微仪或光学仪器进行比较测量,用立式光学计测量轴径是最常用的测量方法。
二、孔径单件小批生产通常用卡尺、内径千分尺、内径规、内径摇表、内测卡规等普通量具、通用量仪;大批量生产多用光滑极限量规;高精度深孔和精密孔等的测量常用内径百分表(千分表)或卧式测长仪(也叫万能测长仪)测量,用小孔内视镜、反射内视镜等检测小孔径,用电子深度卡尺测量细孔(细孔专用)。
三、长度、厚度长度尺寸一般用卡尺、千分尺、专用量表、测长仪、比测仪、高度仪、气动量仪等;厚度尺寸一般用塞尺、间隙片结合卡尺、千分尺、高度尺、量规;壁厚尺寸可使用超声波测厚仪或壁厚千分尺来检测管类、薄壁件等的厚度,用膜厚计、涂层测厚计检测刀片或其他零件涂镀层的厚度;用偏心检查器检测偏心距值,用半径规检测圆弧角半径值,用螺距规检测螺距尺寸值,用孔距卡尺测量孔距尺寸。
四、表面粗糙度借助放大镜、比较显微镜等用表面粗糙度比较样块直接进行比较;用光切显微镜(又称为双管显微镜测量用车、铣、刨等加工方法完成的金属平面或外圆表面;用干涉显微镜(如双光束干涉显微镜、多光束干涉显微镜)测量表面粗糙度要求高的表面;用电动轮廓仪可直接显示Ra0.025~6.3μm 的值;用某些塑性材料做成块状印模贴在大型笨重零件和难以用仪器直接测量或样板比较的表面(如深孔、盲孔、凹槽、内螺纹等)零件表面上,将零件表面轮廓印制印模上,然后对印模进行测量,得出粗糙度参数值(测得印模的表面粗糙度参数值比零件实际参数值要小,因此糙度测量结果需要凭经验进行修正);用激光测微仪激光结合图谱法和激光光能法测量Ra0.01~0.32μm的表面粗糙度。
五、角度1.相对测量:用角度量块直接检测精度高的工件;用直角尺检验直角;用多面棱体测量分度盘精密齿轮、涡轮等的分度误差。
形位公差及其检测加工后的零件会有尺寸公差,因而构成零件几何特征的点、线、面的实际形状或相互位置与理想几何体规定的形状和相互位置就存在差异,这种形状上的差异就是形状公差,而相互位置的差异就是位置公差,这些差异统称为形位公差。
一、形位公差形位公差包括形状公差与位置公差,而位置公差又包括定向公差和定位公差。
形状公差是单一实际要素形状所允许的变动全量。
位置公差是关联实际要素的位置对基准所允许的变动全量。
具体包括的内容及公差如下所示:1.形状公差(1)直线度是限制实际直线对理想直线变动量的一项指标。
它是针对直线发生不直而提出的要求。
(2)平面度是限制实际平面对理想平面变动量的一项指标。
它是针对平面发生不平而提出的要求。
(3)圆度是限制实际圆对理想圆变动量的一项指标。
它是对具有圆柱面(包括圆锥面、球面)的零件,在一正截面(与轴线垂直的面)内的圆形轮廓要求。
(4)圆柱度是限制实际圆柱面对理想圆柱面变动量的一项指标。
它控制了圆柱体横截面和轴截面内的各项形状误差,如圆度、素线直线度、轴线直线度等。
圆柱度是圆柱体各项形状误差的综合指标。
(5)线轮廓度是限制实际曲线对理想曲线变动量的一项指标。
它是对非圆曲线的形状精度要求。
(6)面轮廓度符号为上面为一半圆下面加一横,是限制实际曲面对理想曲面变动量的一项指标,它是对曲面的形状精度要求。
2.位置公差(1)定向公差1、平行度(∥) 用来控制零件上被测要素(平面或直线)相对于基准要素(平面或直线)的方向偏离0°的要求,即要求被测要素对基准等距。
2、垂直度(⊥) 用来控制零件上被测要素(平面或直线)相对于基准要素(平面或直线)的方向偏离90°的要求,即要求被测要素对基准成90°。
3、倾斜度(∠) 用来控制零件上被测要素(平面或直线)相对于基准要素(平面或直线)的方向偏离某一给定角度(0°~90°)的程度,即要求被测要素对基准成一定角度(除90°外)。
一、形位公差概念形位公差包括形状公差和位置公差。
任何零件都是由点、线、面构成的,这些点、线、面称为要素。
机械加工后零件的实际要素相对于理想要素总有误差,包括形状误差和位置误差。
这类误差影响机械产品的功能,设计时应规定相应的公差并按规定的标准符号标注在图样上。
20世纪50年代前后,工业化国家就有形位公差标准。
国际标准化组织(ISO)于1969年公布形位公差标准,1978年推荐了形位公差检测原理和方法。
中国于1980年颁布形状和位置公差标准,其中包括检测规定。
形状公差和位置公差简称为形位公差。
加工后的零件不仅有尺寸公差,构成零件几何特征的点、线、面的实际形状或相互位置与理想几何体规定的形状和相互位置还不可避免地存在差异,这种形状上的差异就是形状公差,而相互位置的差异就是位置公差,统称为形位公差。
二、二次元影像仪形位公差1、直线度是限制实际直线对理想直线变动量的一项指标。
它是针对直线发生不直而提出的要求。
2、平面度是限制实际平面对理想平面变动量的一项指标。
它是针对平面发生不平而提出的要求。
3、圆度是限制实际圆对理想圆变动量的一项指标。
它是对具有圆柱面(包括圆锥面、球面)的零件,在一正截面(与轴线垂直的面)内的圆形轮廓要求。
4、圆柱度是限制实际圆柱面对理想圆柱面变动量的一项指标。
它控制了圆柱体横截面和轴截面内的各项形状误差,如圆度、素线直线度、轴线直线度等。
圆柱度是圆柱体各项形状误差的综合指标。
5、平行度用来控制零件上被测要素(平面或直线)相对于基准要素(平面或直线)的方向偏离0°的要求,即要求被测要素对基准等距。
6、垂直度用来控制零件上被测要素(平面或直线)相对于基准要素(平面或直线)的方向偏离90°的要求,即要求被测要素对基准成90°。
7、倾斜度用来控制零件上被测要素(平面或直线)相对于基准要素(平面或直线)的方向偏离某一给定角度(0°~90°)的程度,即要求被测要素对基准成一定角度(除90°外)。
一、直线度的检验方法
1、将直尺平行地放于测定面,用塞尺测定直尺与被测定物的空隙。
1、用直尺测定部品平面度
测量方法:如图以不包括自重的方法将测量物支撑。
1、面与面的平行度
在平台上用V型块全面保持基准平面,用杠杆百分表测量测量面的全表面,在A点调
(3)依照图在0°的位置求出 B与 C的中心偏移(X),并求出在90°回转位置上的
(2)将百分表从弯曲根部起移动至前端止,将读数的最大差作垂直度。
(3)将百分表接触于测量物上,将其在指示范围内所有地方上下移动。
(1)在2个基准孔内插入适合的塞规;在平台上用磁铁将塞规与平台成直角支撑。
(2)将测量面的所有地方用百分表(或高度规)测定,将读数的最大差作垂直度。
五、同轴度的检验方法
1、同轴度的两种基准型式:
(1)指定基准
以零件上给定的一个圆柱面的轴心线为基准,如图☐A对B和☐B对A的数值。
而以A、B两孔的公共轴心线为基准。
A、B两孔对公共轴心线的同轴度误差分别为☐B和☐A。
2、同轴度的测量
(1)指定基准的同轴度误差的测量
如图,以A孔轴心线为基准,测量B孔对A孔的同轴度。
必须在水平和垂直两方向分别进行测量。
(2)公共轴心线为基准的同轴度误差的测
如图,测量A、B两孔轴心线对公共轴心线的同轴度误差。
测量时,首先将被测零件固定在平台上,分别在A、B两孔被测轴心线全长进行测量。
将零件的基准表面放在平台上,用百分表在被测量面移动测量,当百分表上指示的最大与最小读数之差为最小时,此差值为倾斜度误差。
喷漆品质标准1、缺点类型
(1)表面缺点
流漆---喷油后表面有单个或多个如水滴般的漆点.
凝漆---喷油后表面有单个漆团,此漆团与喷点明显不同.
异色---某个区域内涂料不均或其它色纹.
杂质---通常指涂料或空气中杂质在喷漆或烘干期间碰到喷油品.
溢漆---喷到不需要或不得喷到漆的地方.
气泡---涂料未与母材附着.
鱼眼---某个区域固定出现不同的亮度.
橘皮---表面出现橘子皮.
刮伤---母材刮伤喷油后仍可看到或漆面本身的刮伤.
磨痕---指重工的研磨痕,喷油后仍可见到.
喷点---喷油后表面的纹理.
焊痕---焊接所留下的痕迹,喷油后仍可见到.
掉漆---漆面异常脱落,如碰,撞等.
凹凸痕---漆面异常凸起或凹陷.
异物残留---在生产过程中,由于作业疏失,致外物残留工件中,例如: 磁铁,胶,贴纸等.
变形---指不明物造成的外观形状变异.
污渍---一般为加工过程中,不明油渍或污物附着造成.
生锈---母材起化学变化产生锈蚀.
(2)物性
膜厚---最后涂装厚度.
硬度---涂装质地坚固程度.
色差---颜色与标准的偏差.
附着性---涂装与母材之间的结合力.
3、喷油试验
(1)附着力检验
检验工具:喷好漆的产品(可用相同材质废料代替)、刀片、3M胶纸
检验方法:用刀片将产品喷漆面平整的地方划100个小方格,每个方格大小为1mmX1mm。
用3M胶纸粘贴于方格上,粘牢后将胶纸撕开。
判定标准:有1PCS小方格油漆脱落而被胶纸拔起即表明该油漆附着力不符合要求。
(2)硬度检验
检验工具:喷好漆的产品(可用相同材质废料代替)、中华牌2H铅笔
检验方法:将产品放到磅称(或天平)上固定。
铅笔尖部削平,用手紧握铅笔使其与产品表面呈45°角,用笔尖对产品表面施加压力,当磅称(或天平)显示
值增量达1KG时将笔向前推10mm。
在推压过程中始终保持压力为1KG。
判定标准:被铅笔推压的油漆不允许有脱落、开裂、折皱现象。
4、柔韧性检验
检验工具:与产品材质相同的长方形体(喷好漆)
检验方法:用手将长方形体挠曲折弯(折弯时用力要均匀)使弯曲部分直径Ф=15mm ,两边相互平行。
判定标准:观察弯曲部分油漆不允许有脱落、开裂现象。
5、试装孔位
用装所使用的螺丝、螺母、介子等试装孔位。
将螺丝、介子、螺母等上到孔位上,扭力计调到12KGf•CM;用扭力计将螺丝锁紧。
使其承受扭力矩为12 KGf•CM。
将打好螺丝的产品静置15分钟,再将螺丝打开,受螺丝扭矩压力的油漆不允许有脱漆,开裂、折皱等现象。
螺丝、介子
扭矩力为12KGf•CM
不允许有脱漆、开
裂、折皱
6、检验方式
每次喷油前试喷5PCS产品(可用废品代替)做上述检验;
包装前随机抽取5PCS做上述检验。