环境工程专业制图标准
- 格式:pdf
- 大小:143.21 KB
- 文档页数:8
环境工程专业制图标准环境工程到目前为止还没有出台专门的制图标准,这是因为环境工程本身就是一门交叉学科,涉及到的方面很多。
比如说,一项污水治理工程主要涉及到土建、管道等,在制图上一般参考建筑制图标准和给水排水制图标准,而一项大气污染控制工程则主要涉及到设备、管道,在制图上参考机械制图标准更为合适。
为了使图纸的表达方法和形式统一,有利于提高制图效率,以满足设计、施工、存档等要求,根据国家最新发布的相关标准《房屋建筑制图统一标准GB/T 50001-2001》、《给水排水制图标准GB/T 50106-2001》、《机械制图用计算机信息交换制图规则GB/T14665-93》等,环境工程专业的制图应符合相关标准。
由于篇幅的限制,这里只能列出其中有限的少部分,建议读者在进行设计的时候手边常备相关的标准。
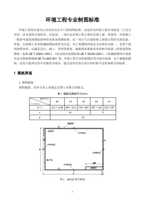
1 图纸界面1.图纸幅面图纸幅面,应符合表1的规定及图1至图3的格式。
表1 幅面及图框尺寸(mm)图1A0-A3横式幅面图2 A0-A3立式幅面图3 A4立式幅面图纸的短边一般不应加长,长边可加长,但应符合国家标准中相应的规定。
在一套工程图纸中应以一种规格图纸为主,尽量避免大小幅面掺杂使用。
2.标题栏与会签栏图纸的标题栏、会签栏及装订边的位置,可参考图1至图3。
标题栏应按图4所示绘制,根据工程需要可以修改其尺寸及分区。
标题栏中应表明工程名称,本张图纸的名称与专业类别及设计单位名称、图号,留有设计人、绘图人、审核人的签名栏和日期栏等。
会签栏应按图5的格式绘制。
它是为各工种负责人签字用的表格,不需会签的图纸可不设会签栏。
图4 标题栏图5 会签栏3.明细栏工程设计施工图和装配图中一般应配置明细栏,其形式及尺寸如图6所示。
栏中的项目可以根据具体情况适当调整。
图6 明细栏2 图线1.图线的宽度分为表2中的几组。
一般A0、A1幅面采用第3组,A2、A3、A4幅面采用第4组。
表2 线宽组(mm)图框和标题栏线,可采用表3的线宽。
环境工程专业制图标准环境工程专业到目前为止还没有出台专门的制图标准,这是因为环境工程本身就是一门交叉学科,涉及到的方面很多。
比如一项污水治理工程主要涉及到土建、管道等,在制图上一般参考建筑制图标准和给水排水制图标准,而一项大气污染控制工程主要涉及到设备、管道等,子、在制图上参考机械制图标准更为合适。
环境工程专业制图应符合国家最新发布的相关标准《房屋建筑制图统一标准GB/T50001—2001》、《给水排水制图标准GB/T50106—2001》、《机械制图用计算机信息交换制图规则GB/T14665—93》。
下面针对制图中经常存有疑问的方面进行简单的介绍。
一、图纸界面(一)图纸幅面图纸幅面,应符合表2-1的规定及图2-1、图2-2和图2-3的格式。
表2-1 幅面及图框尺寸(mm)图纸的短边一般不应加长,长边可加长,但应符合国家标准中的相应规定。
在一套工程图纸中应以一种规格图纸为主,尽量避免不同大小幅面的图纸掺杂使用。
(二) 标题栏与会签栏图纸的标题栏、会签栏及装订边的位置,可参考图2—1~图2—3。
标题栏应按图2-4所示绘制,根据工程需要可以修改其尺寸及分区。
标题栏中应标明工程名称,本张图纸的名称与专业类别及设计单位名称、图号,留有设计人、绘图人、审核人的签名栏和日期栏等。
会签栏应按图2-5的格式绘制。
它是为各工种负责人签字用的表格,不需会签的图纸可不设会签栏。
(三)明细栏工程设计施工图和装配图中一般应配置明细栏,其形式及尺寸如图2-6所示。
栏中的项目可以根据具体情况适当调整。
二、图线(一)图线的宽度分为表2-2中几组。
一般A0、A1幅面采用第三组,A2、A3、A4幅面采用第四组。
表2-2 线宽组(mm)需要微缩的图纸,不宜采用0.18及更细的线宽。
2. 同一张图纸内,各不同线宽中的细线,可统一采用较细的线宽组的细线。
图框和标题栏线,可采用表2-3的线宽。
表2-3 图框、标题栏的线宽(二)图线的线型应按表2-4选用。
《环境工程制图》课程标准课程所属专业:环境工程检测与治理技术课程总学时:80学时本课程标准是《环境工程制图》课程教学组织与实施的基本依据,是在多年工学结合课程实践的基础上逐步完善而成。
课程标准充分贯彻了理论与实践一体化的原则,遵循职业性、规范性、实践性以及“学工一体、校企融合”的指导思想,通过多项循序渐进的学习任务来组织课程内容,采用“教、学、做”相结合的教学方法,在学生完成学习任务的过程中培养训练“综合职业能力”。
一、课程定位《环境工程制图》课程是三年制普通专科环境工程检测与治理技术专业的一门专业技术基础课。
环境工程检测与治理技术专业的毕业生主要从事环境工程施工、环境监测与分析、环境影响评价、环境设施运行管理与维护、环境工程设计等领域的工作。
工程设计思想的表达主要通过工程图样,施工与指导施工的基础之一就是要准确识读工程施工图,环保设施的运行遇有故障,需依据图纸进行设施的管理和判断,换言之,在环境工程专业领域的各项工作中都需要环境工程图样的支撑。
绘图及读图能力是环境监测与技术专业学生有效就业及可持续发展的基础能力。
《环境工程制图》就是引领学生掌握如何绘制、识读环境工程图样的理论和技能的技术基础课程。
在学校学习的过程中,学习《环境工程制图》也为很多后续专业课程,比如《水污染控制工程》、《大气污染控制工程》、《污水处理厂运行管理》、《环境工程施工》、《环保设备》等奠定坚实的基础。
二、课程的教学目标学生在教师示范和指导下,借助相关学习资源——教材、学习任务书、学习网站、参考书等等资料,逐步理解绘图与读图的基本方法,能够在规定时间内完成绘图与读图的学习任务,遵循国家或者行业标准,合理使用手工和计算机工具,具有劳动安全和环境保护意识,能够对自己的学习进行合理正确的评价。
本课程的主要教学目标就是学生能够具备识读和绘制环境工程图样的能力,具体目标如下:①学生能够掌握正投影法的基本原理及其应用,理解各种表达方法的作图原理和规范。
《环境工程制图》课程标准课程所属专业:环境工程检测与治理技术课程总学时:80学时本课程标准是《环境工程制图》课程教学组织与实施的基本依据,是在多年工学结合课程实践的基础上逐步完善而成。
课程标准充分贯彻了理论与实践一体化的原则,遵循职业性、规范性、实践性以及“学工一体、校企融合”的指导思想,通过多项循序渐进的学习任务来组织课程内容,采用“教、学、做”相结合的教学方法,在学生完成学习任务的过程中培养训练“综合职业能力”。
一、课程定位《环境工程制图》课程是三年制普通专科环境工程检测与治理技术专业的一门专业技术基础课。
环境工程检测与治理技术专业的毕业生主要从事环境工程施工、环境监测与分析、环境影响评价、环境设施运行管理与维护、环境工程设计等领域的工作。
工程设计思想的表达主要通过工程图样,施工与指导施工的基础之一就是要准确识读工程施工图,环保设施的运行遇有故障,需依据图纸进行设施的管理和判断,换言之,在环境工程专业领域的各项工作中都需要环境工程图样的支撑。
绘图及读图能力是环境监测与技术专业学生有效就业及可持续发展的基础能力。
《环境工程制图》就是引领学生掌握如何绘制、识读环境工程图样的理论和技能的技术基础课程。
在学校学习的过程中,学习《环境工程制图》也为很多后续专业课程,比如《水污染控制工程》、《大气污染控制工程》、《污水处理厂运行管理》、《环境工程施工》、《环保设备》等奠定坚实的基础。
二、课程的教学目标学生在教师示范和指导下,借助相关学习资源——教材、学习任务书、学习网站、参考书等等资料,逐步理解绘图与读图的基本方法,能够在规定时间内完成绘图与读图的学习任务,遵循国家或者行业标准,合理使用手工和计算机工具,具有劳动安全和环境保护意识,能够对自己的学习进行合理正确的评价。
本课程的主要教学目标就是学生能够具备识读和绘制环境工程图样的能力,具体目标如下:①学生能够掌握正投影法的基本原理及其应用,理解各种表达方法的作图原理和规范。
精选全文完整版(可编辑修改)《环境工程CAD》教学大纲环境工程CAD教学大纲一、说明1、课程的性质和内容本课程是“环境工程”专业的基础课,计算机绘图是计算机辅助设计( CAD )的基础之一。
设计人员同过创意构思设计出新产品、新工程,需形成加工图或工程图才能付诸生产和施工。
因此,计算机绘图是工程师和设计师从事CAD工作的必备技能。
CAD 技术现在已经成为企业提高创新能力、提高产品开发能力、增强企业适应市场需求的竞争力的一项关键技术。
AutoCAD2016是本校工程类专业学生必修的课程之一。
本课程以AutoCAD2016为基础,讲述了AutoCAD2016的基本知识、基本操作、二维图形绘制、图形编辑图层、图块、图案填充、文字注释、工程标注以及绘图输出等内容。
2、课程的任务和要求本课程的目的和任务就是培养学生利用计算机绘制工程图的能力,掌握AutoCAD2000的基本二维绘图命令,使其具备工程师所应有的基本素质,也为学生后继课程的学习和完成设计制图大型作业提供必要的基础。
本课程是在工科学生学完《画法几何》或《机械制图》后开展的一门专业基础课。
其主要目的是让学生了解计算机辅助设计的主要内容和广阔应用前景,让学生掌握AutoCAD的基本功能和使用方法,为将来从事工程设计、工程施工、产品设计或软件的二次开发打下基础。
全面、详细地介绍AutoCAD 2000的基本功能和使用方法。
内容包括:AutoCAD 2000基本知识,绘制二维图形,图形编辑,显示控制与绘图辅助功能,图层、线型和颜色,块、属性和外部参照,尺寸标注,三维绘图和实体造型,图形图像的输入输出,介绍AutoCAD在本专业的应用情况及相关的应用软件。
3、教学中应注意的问题1)教师在讲授中应贯彻理论联系实际的原则,注重讲练结合,注重基础理论与实际应用,注重培养学生分析问题和解决问题的能力。
除理论讲授外,每节课都有安排实践操作2)教学过程要本着学生为主体的思想,由具体到抽象讲授知识,积极采用启发式教学,引导学生逐步掌握知识和技能,激发学生的学习兴趣,充分调动学生的学习主动性。
环境工程专业制图标准
环境工程到目前为止还没有出台专门的制图标准,这是因为环境工程本身就是一门交叉学科,涉及到的方面很多。
比如说,一项污水治理工程主要涉及到土建、管道等,在制图上一般参考建筑制图标准和给水排水制图标准,而一项大气污染控制工程则主要涉及到设备、管道,在制图上参考机械制图标准更为合适。
为了使图纸的表达方法和形式统一,有利于提高制图效率,以满足设计、施工、存档等要求,根据国家最新发布的相关标准《房屋建筑制图统一标准GB/T 50001-2001》、《给水排水制图标准GB/T 50106-2001》、《机械制图用计算机信息交换制图规则GB/T14665-93》等,环境工程专业的制图应符合相关标准。
由于篇幅的限制,这里只能列出其中有限的少部分,建议读者在进行设计的时候手边常备相关的标准。
1 图纸界面
1.图纸幅面
图纸幅面,应符合表1的规定及图1至图3的格式。
表1 幅面及图框尺寸(mm)
图1A0-A3横式幅面
图2 A0-A3立式幅面
图3 A4立式幅面
图纸的短边一般不应加长,长边可加长,但应符合国家标准中相应的规定。
在一套工程图纸中应以一种规格图纸为主,尽量避免大小幅面掺杂使用。
2.标题栏与会签栏
图纸的标题栏、会签栏及装订边的位置,可参考图1至图3。
标题栏应按图4所示绘制,根据工程需要可以修改其尺寸及分区。
标题栏中应表明工程名称,本张图纸的名称与专业类别及设计单位名称、图号,留有设计人、绘图人、审核人的签名栏和日期栏等。
会签栏应按图5的格式绘制。
它是为各工种负责人签字用的表格,不需会签的图纸可不
设会签栏。
图4 标题栏
图5 会签栏
3.明细栏
工程设计施工图和装配图中一般应配置明细栏,其形式及尺寸如图6所示。
栏中的项目可以根据具体情况适当调整。
图6 明细栏
2 图线
1.图线的宽度
分为表2中的几组。
一般A0、A1幅面采用第3组,A2、A3、A4幅面采用第4组。
表2 线宽组(mm)
线宽比 线宽组
b 2.0 1.4 1.0 0.7 0.5 0.35
0.5b 1.0 0.7 0.5 0.35 0.25 0.18
0.25b 0.5 0.35 0.25 0.18 - -
注:1、需要微缩的图纸,不宜采用0.18mm及更细的线宽。
2、同一张图纸内,各不同线宽中的细线,可统一采用较细的线宽组的细
线。
图框和标题栏线,可采用表3的线宽。
表3 图框线、标题栏线的宽度(mm)
幅面代号 图框线 标题栏外框线标题栏分格线、会签栏线
A0、A1 1.4 0.7 0.35
A2、A3、A4 1.0 0.7 0.35
2.图线的线型
应按表4选用。
表4 线型
给水排水工程图纸的图线线型,可具体参考表5。
表5 给水排水制图采用的线型
3 比例
比例是图形与实物相对应的线性尺寸之比。
比例的大小,是指其比值的大小,如1:50大于1:100。
比例的符号为“:”。
比例应以阿拉伯数字表示,如1:1、1:2、1:100等。
比例宜注写在图名的右侧,字的基准线应取平。
比例的字高宜比图名的字高小一号或两号。
绘图所用的比例,应根据图样的用途与被绘对象的复杂程度,从表6中选用。
表6常用比例
常用 比例
1:1、1:2、1:5、1:10、1:20、1:50、1:100、1:150、1:200、1:500
1:1000、1:2000、1:5000、1:10000、1:20000、1:50000、1:100000、1:200000
可用
比例
1:3、1:4、1:6、1:15、1:25、1:30、1:40、1:60、1:80、1:250、1:300、1:400、1:600给水排水工程图纸的比例,可具体参考表7。
表7 给水排水制图常用比例
名称 比例 备注
区域规划图 区域位置图 1:50000、1:25000、1:10000
1:5000、1:2000
宜与总图专业一致
总平面图 1:1000、1:500、1:300 宜与总图专业一致
管道纵断面图 纵向:1:200、1:100、1:50 横向:1:1000、1:500、1:300
水处理厂(站)平面图 1:500、1:200、1:100
水处理构筑物、设备间、
卫生间、泵房平剖面图
1:100、1:50、1:40、1:30
建筑给排水平面图 1:200、1:150、1:100 宜与建筑专业一致 建筑给排水轴测图 1:150、1:100、1:50 宜与相应图纸一致
详图 1:50、1:30、1:20、1:10、1:5、1:2、1:1、2:1
一般情况下,一个图样应选用一种比例。
根据需要,可选用两种。
比如水处理高程图和管道纵断面图,可对纵向与横向采用不同的组合比例。
水处理流程图可不按比例绘制。
4 字体
图纸上书写的文字、数字或符号等,均应字体端正、笔画清楚、排列整齐、间隔均匀。
数字一般应以斜体字输出,其斜度应是从字的底线逆时针向上倾斜75°。
小数点进行输出时,应占一个字位,并位于中间靠下方。
字母应以斜体字输出。
汉字宜采用长仿宋体矢量字。
汉字的书写,必须符合国务院公布的《汉字简化方案》和有关规定。
标点符号应按其含义正确使用,除省略号和破折号为两个字位外,其余均为一个字位。
字体高度与幅面之间的关系应从表8中选用。
表8 字体高度与幅面的关系(mm)
A0A1A2A3A4
汉字 75 3.5 3.5 3.5
字母与数字55 3.5 3.5 3.5
字体的最小字(词)距、行距、间隔线或基准线与书写字体之间的最小距离,也应符合相应的标准的有关规定,此处不见详细列出。
5 尺寸标注
尺寸,包括尺寸界线、尺寸线、尺寸起止符号和尺寸数字(见图7)。
图7 尺寸的组成
除标高与总平面图上的尺寸以米为单位外,其余一律以毫米为单位。
为使图面清晰,尺寸数字后面一般不注写单位。
尺寸界线一般应与被注长度垂直。
在图形外面用细实线绘出,其一端应离开轮廓线不小于2mm,另一端宜超出尺寸线2~3mm,见图8。
在图形里面则以轮廓线或中线代替。
图8 尺寸界线
尺寸线应与被注长度平行,且必须以细实线绘出,图样本身的任何图线均不得用作尺寸线。
与尺寸界线相交处应适当延长。
尺寸起止符号包括斜线、实心箭头等。
建筑制图多用斜线形式,机械制图则多用箭头形式,见图9左侧。
斜线是用45°中粗线绘制,长度宜为2~3mm,见图9右侧。
半径、直径、角度与弧长的尺寸起止符号,宜用箭头表示。
图9 尺寸起止符号
6 标高的标注。