BEHRINGER(百灵达)EX2200激励器
- 格式:doc
- 大小:2.10 MB
- 文档页数:2
使用说明书M I N IBE A TBE A T 800版本1.1 2005年10月MINIBEAT BEAT8002重要的安全说明注意:为避免触电危险不得取下机器顶盖或后盖。
在机器内部没有用户可修理的部件。
修理工作只允许由具备资格的人员进行。
警告:为避免起火或触电危险,不得使机器遭受雨淋或潮湿,也不得有水溅入或液体滴入机器中。
请您不要把盛了水的物品,如花瓶,放置在机器上。
此符号表示在机壳内部存在未绝缘的危险电压,提醒有触电危险。
此符号提醒注意随同资料中重要的操作和保养说明。
请您阅读使用说明书。
详细安全说明:1) 请您阅读这些说明。
2) 请您妥善保存这些说明。
3) 请您注意所有的警告说明。
4) 请您遵守所有的操作说明。
5) 请您不要在水附近运行此机器。
6) 请您用干布清洁此机器。
7) 请您不要堵塞通风口。
在装入机器时请您注意制造厂的说明。
8) 请您不要将此机器放置在热源附近。
如散热体、炉子或其他产生热量的机器(包括放大器)。
9) 请您绝对不要移去双线插头或有接地插头的安全装置。
双线插头有两个不同宽度的插塞接点。
接地插头有两个插塞接点和第三个接地接点。
较宽的插塞接点或附加的接地接点是用来确保您的安全的。
如果随同供货的插头规格不适合您的插座,请您请电工更换适当的插座。
10) 请您正确铺设电源线,使其不会被踩踏和被尖角损坏。
请您尤其注意, 插头处, 加长电缆和电源线延伸到机器外时必须具备充分的保护。
11) 请您只使用制造厂认为合适的附加机器/配件。
12) 请您只使用制造厂提名的或随同机器一起供货的推车、固定装置、三脚架、支架或桌子。
如果您使用推车,请在移动推车时特别小心,以避免绊倒而造成受伤。
13) 在雷雨时或长期不使用机器时请您将电源插头拔出。
14) 请您只允许具备资格的售后服务人员进行保养工作。
以下情况时有必要进行保养:当机器被损坏时(如电源线或插头损),有物体或液体进入机器内部时,机器受雨淋或潮湿后,机器运行不正常时或掉落在地上后。
Vamp2.0详细使用攻略(转)自从买来Vamp-2以后,我个人觉得Vamp-2还是一款性价比较高的产品,由于也是初次接触,所以有很多不明白的地方,这几天一直在论坛上发帖求助,得到了很多朋友的指点,尤其是大饼博士。
针对Vamp-2的使用方法,我收集了一些网上关于Vamp-2的使用心得,结合这一个星期对Vamp-2的感受,就我个人对Vamp-2的认识,写出来一个操作方法,为那些刚刚接触Vamp-2的朋友提供一些捷径,有不对的地方,还请各位朋友加以更正!首先我们先来认识一下Vamp-2,对于追求优质音色的朋友,应该仔细看一下关于Vamp-2的各种介绍,明白了音箱模拟器和吉他效果器的区别后,就好容易掌握Vamp-2这款产品了。
Behringer(百灵达) Vamp-2是一款音箱模拟器,可模拟出不同品牌、不同种类的吉他专用音箱音色,音色的变化更多的调节都在Vamp-2本身,它可以直接在电脑的麦克风输入上使用,使用耳机即可监听,与效果器不同,Vamp-2本身只模拟了32种经典音箱自有的音色,对于效果方面,它只对音箱音色加以润色,所以,Vamp-2厂方提供的10种常用效果和6种效果组合效果只能独立使用,但是混响效果是可以叠加在这16种效果之上的。
另外,Vamp-2还提供了9种场景的模拟,从极小的房间到宽阔的大厅,Vamp-2都能给我们很标准的混响效果。
顺便说一下,由于电吉他拾音器优劣的不同,从而导致从Vamp-2出来的音色及噪音也不相同,并且,失真开的过大,相对噪音也越大,Vamp-2在降噪功能方面做得很不错,15挡的噪门音选择可将来自吉他本身的噪音和由于失真值过高所产生的噪音降至最低,但是降噪开的越高,对音色的影响也越大。
我用的武器是:Cort kx1f电吉他(2800元)→Behringer Vamp-2(730元)音箱模拟器→Fender frontman 25r音箱(715元),做为业余爱好者,本人觉得5000块钱的设备已经够用了。
B E H R I N G E R(百灵达)E X2200激励器集优异的效果和可调性于一身激励器是一种改善声音音色、提高声音穿透力的信号处理设备。
它将原声中的基波进行选频后送入谐波发生器,制造出该频率的谐皮成分,再将这些高频谐波成分加回到原声中去,以加强原声的谐波量。
由于声音音色是由基波和谐波成分构成的,高频谐波不仅对音色如何起到了决定性作用,其含量多少还决定了声音穿透力的强弱,所以,声音中高频谐波量的增加,必然会使声音的音色和穿透力明显改善。
音色是衡量音响系统音质的一个十分重要依据,音色好的设备,音色纯正且优美动听;反之则听起来乾涩无味。
但在声音录制、处理、放大的转换过程中,由于种种原因,会造成谐波成分的损失;有时音响师也需在对声音谐波量加以调节,以求对声音音色和穿透力进行控制。
所以,激励器是现代音响所必需具备的设备,它的作用是任何频率处理设备所无法替代的。
如均衡器虽然可以提升或衰减某些频率的声音,但它绝对不能创造出某些频率的声音,一旦声音中没有某些频率,均衡器是无能为力、力不从心的,即使提升,结果也只能是增加了噪声。
而激励可以根据需要创造出特定的谐波成分,并将这些谐波成分加到声音中去。
因此,自从七十年代激励器问世以来,得到了广泛的应用,广大音响工作者不断对它提出新的要求,生产厂家也不断改进和完善激励器对音质的修饰和美化的功能。
可以这样说,现代激励器在声音效果和可调性等方面已经达到了一个极高的水平,德国BEHRINGER(百灵达)公司近年来生产的EX2200就是新型激励器的一个很典型的代表。
归结起来,EX2200在以下两方面具有过去其他激励器所无法比拟的优势。
对音色全面处理EX2200可以提高声音的清晰度、可懂性、表现力和表现响度,降低听音疲劳;在立体声放音中,它还能够增加声音图像的立体感、分离度,改善声音的定位和层次感;不但如此,它还具有低音控制功能,用以改变重放低音的软硬度,通过很简单的调节就会使你获得满意的低音效果。
使用说明书版本1.2 2006年1月X E N Y X 1622F X 1832F X 2222F X 2442F XXENYX 1622FX/1832FX/2222FX/2442FX重要的安全说明详细安全说明:1) 请您阅读这些说明。
2) 请您妥善保存这些说明。
3) 请您注意所有的警告说明。
4) 请您遵守所有的操作说明。
5) 请您不要在水附近运行此机器。
6) 请您用干布清洁此机器。
7) 请您不要堵塞通风口。
在装入机器时请您注意制造厂的说明。
8) 请您不要将此机器放置在热源附近。
如散热体、炉子或其他产生热量的机器(包括放大器)。
9) 请您绝对不要移去双线插头或有接地插头的安全装置。
双线插头有两个不同宽度的插塞接点。
接地插头有两个插塞接点和第三个接地接点。
较宽的插塞接点或附加的接地接点是用来确保您的安全的。
如果随同供货的插头规格不适合您的插座,请您请电工更换适当的插座。
10) 请您正确铺设电源线,使其不会被踩踏和被尖角损坏。
请您尤其注意, 插头处, 加长电缆和电源线延伸到机器外时必须具备充分的保护。
11) 请您只使用制造厂认为合适的附加机器/配件。
12) 请您只使用制造厂提名的或随同机器一起供货的推车、固定装置、三脚架、支架或桌子。
如果您使用推车,请在移动推车时特别小心,以避免绊倒而造成受伤。
13) 在雷雨时或长期不使用机器时请您将电源插头拔出。
14) 请您只允许具备资格的售后服务人员进行保养工作。
以下情况时有必要进行保养:当机器被损坏时(如电源线或插头损),有物体或液体进入机器内部时,机器受雨淋或潮湿后,机器运行不正常时或掉落在地上后。
15) 注意! 服务维修只能由具备资格的人员进行。
为了避免触电危险,请不要进行本使用说明书中未说明的任何修理工作。
维修工作只能由具备资格的专业人员进行。
注意:为避免触电危险不得取下机器顶盖或后盖。
在机器内部没有用户可修理的部件。
修理工作只允许由具备资格的人员进行。
V IRTUALIZERPRODSP2024P 操作说明书中文 版本 1.0 2004年十月21.导言您购买的BEHRINGER VIRTUALIZER PRO是一台功能极为强大的多效果处理器,它除了具备顶级的音响效果外,还配备有众多的算法。
尽管DSP2024P有多达71中新开发的效果类型,由于其合乎逻辑的操作界面,其操作仍然简便直观。
DSP2024P的迷人之处不仅仅限于其极佳的音响程序和延迟程序。
VIRTUALIZER PRO除了有经典的唱片音响模拟功能之外,还有通过音乐Pitch Shifter、Tremolo和Rotary Speaker扩充的优异调制效果(如Chorus、Flanger和Phaser)。
采用我们此设备中带有的动力和心理音响这两种算法,您可以不再需要很多其它的附加设备。
最后还要提到的是,除了特殊效果之外,DSP2024P还有一系列的失真和放大音响,其中部分是和Speaker模拟相组合的。
在录音场合下,无需喇叭即可用录音带或硬盘进行最佳录音,这一点无疑会受到吉他手的喜爱。
!为便于您了解设备的各种功能,以下将先向您介绍说明书中所采用的各种专业术语。
在您仔细通读说明书之后,请将其妥善保管,以便今后可以随时查阅。
1.1在您开始之前为保证可靠的运输,VIRTUALIZER PRO在出厂时已经妥善包装。
万一发现其外包装有破损的情况,请您立即检查设备的表面有无可见的损坏。
!在设备有损坏时,请您不要将设备回寄给我们,而务必要首先通知经销商和运输公司,否则您有丧失一切索赔权利的危险性。
!为最佳地在运输途中保护您的VIRTUALIZER PRO,我们建议您将其放在箱子中。
!为避免在存放或运输过程中发生损坏,请您总是采用原始包装。
!请不要让无人照看的小孩玩耍处理器或包装材料。
!对包装材料的处理要符合环保的要求。
VIRTUALIZER PRO需要一可安装19英寸机架的高度。
此外,请您注意另外还要留出约10厘米安装深度供连接处理器的背面接头之用。
百灵达DSP1100P反馈抑制器的使用技巧百灵达DSP1100P反馈抑制器是德国Behringer公司在原来的DSP1100反馈抑制器的基础上改进后生产的,它在保持了原反馈抑制器的功能与特点的基础上,为了提高抗干扰能力,将原来的非平衡连接改成平衡连接,在调整方法上与DSP1100没有任何区别。
功能键介绍(1)FILTER SELECT:滤波器选择。
共有12个滤波器,可以抑制12个频点啸叫。
(2)FILTER MODE:滤波方式。
有OF(关闭)、PA(参量均衡)、AU(自动)和SI(单点)等4种滤波方式。
(3)ENGINE L:左声道工作,指示灯不亮时,左声道处于旁路状态。
(4)ENGINE R:右声道工作,指示灯不亮时,右声道处于旁路状态。
同时按(3)(4),两个指示灯同时亮,此时左右声道都运行,一般采用这种形式。
(5)FREQUENCY:频率。
频率分布为31段、1/3倍频程。
在参量均衡状态,用此键选择所要提升或衰减的声反馈啸叫频率。
(6)FINE:微调。
以1/60倍率程为一级改变频率。
(7)BANDWIDTH:频带宽度。
带通滤波器的滤波频带宽度、调节或变化范围为2—1/60倍频程。
(8)GAIN:增益。
信号的提升或衰减量,调节或变化范围为+16—-48Db。
(9)IN/OUT:旁路。
按一下,绿色指示灯亮时为加参量均衡和反馈抑制;长时间按(两秒以上),绿色指示灯闪亮为不加反馈抑制,但加参量均衡;按一下,绿色指示灯不亮则为不加参量均衡,但加反馈抑制。
(10)STORE:存储。
可以存储10组数据,关机后存储的数据不会丢失。
(11)POWER “电源开关。
(12)调节旋轮:顺时针调,增加参数;逆时针调,减少参数。
连接方法:反馈抑制器的主要作用是抑制由于音箱声音传到话筒而引起的声反馈啸叫,所以必须使它成为话筒信号的唯一和必经之路才能达到完全、有效的抑制声反馈啸叫的目的。
从目前的应用情况看,反馈抑制器的连接方法大致有3种。
国外进口专业音响品牌介绍产地英文名称中文名称主要产品美国QSC QSC 功率放大器 (现在有一些型号的功放已国产了)美国CROWN 皇冠功率放大器(现在有一些型号的功放已国产了)美国CRESTAUIDO 高峰功率放大器美国BGW 必劲敌功率放大器美国COMMUNITY C牌专业音箱(现在已国产了)美国JBL JBL 专业音箱,民用音箱(部分型号的国产了)美国BOSE 博士专业音箱,民用音箱美国BAG END 百利衡专业音箱美国CLAIR BROTHERS 慨亚兄弟专业音箱美国GEMINI 双子星专业DJ设备美国MTX 澎湃专业DJ设备美国NUMARK 露玛专业DJ设备美国SHURE 思雅话筒,无线话筒(部分型号的国产了)美国KV2 音箱功放美国MEYER SOUND 美亚音箱美国ALTEC LANSING 阿尔塔克兰辛音箱美国AMEK 调音台美国EAW 专业音箱美国PEA VEY 百威音箱,调音台,功率放大器,周边设备(部分型号的国产了) 美国EV 艺威音箱,调音台,功率放大器,周边设备,话筒美国SOUNDTECH 声塔音箱,调音台,功率放大器,周边设备美国ANDIOCENTRON 奥迪音箱,调音台,功率放大器,周边设备美国CARVER 卡维音箱,调音台,功率放大器美国SUN 太阳音箱美国GENZ.BENZ 平治音箱美国ROSS 洛斯音箱,调音台,功率放大器美国SONATA 索娜塔音箱,功率放大器,周边设备美国CAH 音箱,调音台,功率放大器,周边设备,无线话筒美国CERWIN-VEGA 史云威格音箱(现在已国产了)美国SOUNDPOWER 声威音箱美国SAMSON 山逊话筒,无线话筒(现在已国产了并且质量效果很差)美国MACKIE 美奇调音台音箱功放周边设备(部分型号的国产了)美国DOD 周边设备美国DIGITECH 数技周边设备美国DBX 周边设备美国XTA 周边设备美国FUBMAN 富民周边设备美国Symetrix 思美周边设备媒体矩阵美国ART 阿特周边设备美国EUPHONIX 调音台美国ALESIS 爱丽丝周边设备美国APHEX 阿飞斯周边设备英国CELESTION 百变龙音箱美国AB 功率放大器周边设备美国CADAC 调音台美国PSL 功率放大器美国RANE 来恩周边设备美国ETC 周边设备美国Lexicon 莱思康效果器LA 周边设备美国NADY 雷迪无线话筒美国KLIPSCH 杰士音箱美国GEM SOUND 知音音箱美国AMPEG 安倍周边设备美国APOGSS 爱宝奇音箱,调音台美国DBAUDIO TECHNIC 音箱美国B-52 音箱美国LEM 音箱美国ARX 周边设备美国AUDIX 话筒(现在已国产了)美国BBE 周边设备美国STANTON 士丹顿DJ设备美国SABINE 赛宾周边设备美国CARVER 功放美国DDA 调音台美国D-R 调音台美国McCauley 美嘉声音箱MASTER 马斯特音箱PAS 音箱美国RENKUS-HEINZ 音箱美国HAFLER 哈福功率放大器韩国INKEL 英桥调音台,功率放大器韩国SAMICK 三益调音台,功率放大器韩国JARGUAR 杰克调音台,音箱英国3G 调音台英国HH 音箱,功率放大器英国C-AUDIO 剑桥功率放大器英国CARLSBRO 卡斯宝音箱,调音台,功率放大器英国SOUNDTRACS 声迹调音台英国SOUNDCRAFT 声艺调音台(部分型号的国产了) 英国STUDIOMASTER 玛斯特调音台英国MARTIN-AUDIO 玛田音箱功放英国TURBOSOUND 特宝声音箱英国TANNOY 天朗音箱英国OHM 奥妙音箱(有国产假货)英国BSS 毕斯周边设备英国POWERSOFT 功放英国STUDIOMASTER 录音大师功放(部分型号的国产了)英国AHB 调音台英国ALLEN HEATH 艾伦赫赛调音台英国AMS NEVE 尼夫调音台英国SSL 调音台英国MIDAS 调音台SOUND PLANNING 调音台英国WOODWORX MAX 猛士音箱法国NEXO 力素音箱法国L-ACOUSTICS 音箱法国APG 音箱日本AUDIO-TECHNICA 铁三角话筒,无线话筒日本YAMAH 雅马哈调音台,音箱,周边设备,功率放大器(部分型号的国产了) 日本TOA 东亚调音台,音箱,周边设备,功率放大器,话筒-日本RAMAH 松下音箱,功率放大器,调音台日本POSTEX 福斯特专业数字录音设备日本REXER 利沙话筒,无线话筒日本VESTA FIRE 威斯特周边设备日本ROLAND 罗兰调音台音箱周边设备日本ZOOM 效果器日本SONY 索尼CD机,录音卡座,DA T数字录音机日本TEAC TASCAM 第一CD机,录音卡座调音台日本JVC 胜利CD机,录音卡座日本PIONEER 先锋CD机,录音卡座日本DENON 天龙CD机,录音卡座日本TECHNICW 乐声录音卡座日本SHARP 夏普投影机日本KENWOOD 健伍CD机,录音卡座日本SANSUI 山水录音卡座日本MARAMTZ 马兰士CD机日本ONKYO 安桥录音卡座中国台湾MASCOT 万事话筒,无线话筒中国台湾GAMMA 嘉玛专业耳机中国台湾CHIAYO 嘉友话筒,无线话筒意大利FBT 调音台,音箱意大利MONTARBO 蒙特宝调音台,音箱,功率放大器意大利RCF 音箱意大利Outline 奥妙音箱荷兰PHILIPS 菲利浦CD机会议系统荷兰PHONIC 丰利调音台,音箱,功率放大器,周边设备(国产了)德国DELL 贝尔调音台,音箱,功率放大器8德国ZECK 赛克调音台FBT 音箱德国DYNACORD 音箱德国SENNHEISER 森海塞尔耳机,话筒,无线话筒德国BEYER 湃雅话筒,无线话筒德国MIKEC 迈特调音台德国H&K 赫尔基娜音箱德国NEUMANN 钮曼话筒德国HK AUDIO 音箱HAFLER 功放机KLIPSCH 杰士音箱KLARK-TEKNIK 周边设备STUDER 思图塔调音台德国SOLTON 诉腾功率放大器德国CRAAFT 佳呼功率放大器-德国MELHARE 麦可功率放大器德国BEHRINGER 百灵达周边设备 (国产了)德国HUGHES KETTNER 豪客音箱丹麦JAMO 尊宝音箱丹麦MACH 美刚音箱丹麦T.C Electronic 效果器西班牙ECLER 艺格功率放大器,调音台西班牙DAS 音箱功放加拿大YORKVILLE 威乐音箱功放调音台加拿大PULSE 普鲁士音箱,功率放大器澳地利AKG 爱克基话筒,无线话筒瑞士STUDER 调音台Accuphase 金嗓子Atoll 珊瑚礁Audiolab 奥迪兰波Avalon Acoustics 盟主Avance 皇冠Amphion 奥菲德尔Audio technica 铁三角AE 爱艺Arcam 雅俊Audioquest 线圣(AQ) Adcom 爱琴Aura 优雅ATC ATCB&W BNWBryston 百士通Bow 丹麦神弓Blueroom 宝龙Bona 宝韵Burmester 柏林之声Bose 博士Credo 君度Creek 朗泉Celestion 百变龙Genesis 坚尼西斯Classeaudio 驾势Copland 柯普兰Canary audio 金丝雀Cambridge 剑桥Cardas 嘉达声(卡达时) cello 大提琴chario 卓力Castle 城堡Caton 金榜Densen 丹麦王子Dali 达尼Denon 天龙Dynaudio 丹拿Energy 能量exposure力宝声Epos 谱诗Eletrocompaniet 音乐之旅Elac 意力Ensemble 瑞宝Gryphon 贵丰Goldmund 高文Genesis 珍尼希斯Heco 汉高Harbeth 雨后初晴Harman-kardon 哈曼卡顿Infinity 燕飞利士Ixos 爱索丝Jadis 捷达士Jamo 尊宝Jmlab 劲浪JBL JBLJeff rowland 杰夫乐林(杰夫罗兰) KEF 极尔峰Koss 高丝Kenwood 健伍Krell 奇力(科来尔)Linn 莲Luxman 力士MBL mblM&K MKMIT MITMordaunt-short 敏特声Meridian 子午线(英国之宝)Myryad 美丽安Monster cable 怪兽Micromega 米格Musical Fiedlity 音乐传真Monitor 猛牌Mclntosh 麦景图Marantz 马兰士Mission 美声Mark levinson 马克莱文森Martin Logan 马丁林根Mirage 米拉奇Naim 铭Narziss 纳尔齐斯Nad 乐庭NBS NBSOnkyo 安桥Onix 欧尼士Oracle 甲古文Panasonic 松下Pass labs 帕斯Pro-ac 贵族Primare 翩美Paradigm 枫韵Pioneer 先锋Plok audio 普罗之声(宝丽声)Philips 飞利浦Quad 国都Rogers 乐爵士Rega 君子Rester 力无敌Rotel 路遥Ruark 威武SONY 索尼Samsung 三星Sonus fabe 世霸spendor 思奔达Sennheiser 森海塞尔Siltech 银彩Straight Wire 忠实Technicw 乐声(松下)TAG McLaren 迈拿伦Transparent 天仙配Teac 第一音响(梯雅克)Thiel 超奥Triangle 三角Tannoy 天朗TaraLabs 超时空TDL 天地乐(线性传输)VDH 范登豪Victor JVC胜利Vifa 威发XLO 志高线Wharfedale 乐富豪westlake 西湖Wadia 怀念(娃迪亚) Wilsonaudio 威信Yamaha 雅马哈YBA YBA__________________ WILSONAUDIO。
ALTO AEX2200双通道听觉激励器概述:AEX2200是新一代的听觉激励器,与过去的激励器相比,AEX2200不仅可以实现人工控制中高频频段的激励和低频段激励,更具有智能化的自动衰减功能,可以利用这个功能衰减在进行激励处理过程中产生的令人不愉快的噪音。
在对音频信号进行激励的同时,还可以利用内部专用的电路处理,实现低频段音乐风格的转变,能满足不同场所对低频的要求。
功能键介绍:前面板1、POWER---电源开关2、BYPASS---直通、接入开关,按下后为直通状态,激励器对输入信号不作任何处理。
3、INPUT LEVEL---输入信号指示灯,指示范围-12分贝到+12分贝,当输入信号过大时,CLIP(削波)指示灯将点亮。
MULTIBAND PROCESSOR(多频段处理器)部分4、SOLO---独奏开关,按下后变为红色,输出的处理后信号中的原始输入信号将被静音,只输出处理后的信号。
5、AUTO REDUCTION---自动衰减处理开关,按下后进入自动处理模式,可以自动进行处理并消除一些不必要的噪声。
不按下这个开关,自动控制部分不对信号进行任何处理,同时所有的效果指示灯将点亮,激励器处于最大处理模式。
6、SENSITIVITY---输入灵敏度控制,转动这个旋钮,可以根据输入信号的强度,对输入信号增益进行控制。
7、EFFECT---效果指示灯,可以实时显示激励器对信号的改变和激励量的大小。
在输入信号处于很低的电平情况下,第一个指示灯仍保持点亮状态。
8、TUNE---频率调谐控制,通过旋转这个旋钮可以调整激励器对于中高频频段的处理范围,也是一个高通滤波器频率调整控制,可以在1kHz---6kHz的范围选择,凡低于选择的频率之下的频带将被切除,不做处理。
9、PROCESS---处理方式控制,通过转动这个旋钮,可以更好的提升高频频段的响度,顺时针旋转为增强方式,逆时针旋转为激励方式,两种方式的不同点在于在提升时的声音的亮度不同,激励方式提升高频的亮度,增强方式提升高频的响度。
Behringer X32 系列即將顛覆一切從2012 年初,Behringer 預告X32 即將問世以來,這一部「五星級配備。
路邊攤價格」的數位音控台就緊緊的吸引了所有人的目光;而在2012 第四季正式上市以來,更是以秋風掃落葉之勢橫掃了市場。
Behringer 所屬的The Music Group 集團,併購了有「PA界勞斯萊斯」稱號的MIDAS 公司,同時將MIDAS 的技術應用在Behringer X32 系列音控台上。
不但讓使用者有了最頂級的聲音音質與使用感受,更以不可思議的低價,讓各路音控好手都能以最親民的價格輕易入手。
在今年(2013)的NAMM Show 中,Behringer 再度出招,推出X32 家族系列產品:X32 COMPACT、X32 PRODUCER、X32 RACK、X32 COREX32 系列均與老大哥X32 同樣由德國Behringer 總公司設計,使用相同的運算程式、MIDAS 設計的麥克風前級與線路配置、能透過Ultranet 接口連接Behringer P-16 系列的分軌監聽系統,也同時都能透過無線網路與iPad、iPhone、iPod Touch 等設備連接以進行無線控制。
X3240 輸入,25-bus,同時適用於現場音控與錄音室32 個MIDAS 設計、參數完全可調整的麥克風前級25 個標準100 mm、全自動推子(包含DAW 軟體控制)16 個XLR 輸出、6 組line in/out、2組耳機監聽與內建對講(Talkback)隱藏式麥克風內建32 in/out 的Firewire/USB 2.0 錄音界面,以及Mackie Control 與HUI 軟體控制模式支援iPad/iPhone App 無線遙控7 吋高解晰度TFT 螢幕,無論白天或夜晚都可清楚操作在LCR 主輸出、6 組matrix bus 與16 個mix bus 都具備完整的 6 段等化器與動態處理器8 組DCA 群組、6 組靜音(Mute)群組內建高品質虛擬效果器(如Lexicon 480L、PCM70、EMT250 以及Quantec QRS...等)機身具備KLARK TEKNIK’技術的AES50 接口,可外接48-ch 的訊號線連接相容於SuperMAC 網路協定的聲音界面Type-A USB 接口可連接外接硬碟或隨身碟,直接進行立體聲錄音,或儲存系統、效果器設定檔Ultranet 接口可連接Behringer P-16 分軌監聽系統,傳輸AES/EBU 數位訊號與MIDI 訊號X32 COMPACT40 輸入,25-bus,同時適用於現場音控與錄音室16 個MIDAS 設計、參數完全可調整的麥克風前級17 個標準100 mm、全自動推子(包含DAW 軟體控制)16 個XLR 輸出、6 組line in/out、2組耳機監聽與內建對講(Talkback)隱藏式麥克風內建32 in/out 的Firewire/USB 2.0 錄音界面,以及Mackie Control 與HUI 軟體控制模式支援iPad/iPhone App 無線遙控7 吋高解晰度TFT 螢幕,無論白天或夜晚都可清楚操作在LCR 主輸出、6 組matrix bus 與16 個mix bus 都具備完整的 6 段等化器與動態處理器8 組DCA 群組、6 組靜音(Mute)群組內建高品質虛擬效果器(如Lexicon 480L、PCM70、EMT250 以及Quantec QRS...等)機身具備KLARK TEKNIK’技術的AES50 接口,可外接48-ch 的訊號線連接相容於SuperMAC 網路協定的聲音界面Type-A USB 接口可連接外接硬碟或隨身碟,直接進行立體聲錄音,或儲存系統、效果器設定檔Ultranet 接口可連接Behringer P-16 分軌監聽系統,傳輸AES/EBU 數位訊號與MIDI 訊號X32 PRODUCER40 輸入,25-bus,同時適用於現場音控與錄音室16 個MIDAS 設計、參數完全可調整的麥克風前級17 個標準100 mm、全自動推子(包含DAW 軟體控制)8 個XLR 輸出、6 組line in/out、2組耳機監聽與內建對講(Talkback)隱藏式麥克風內建32 in/out 的Firewire/USB 2.0 錄音界面,以及Mackie Control 與HUI 軟體控制模式支援iPad/iPhone App 無線遙控5 吋高解晰度TFT 螢幕,無論白天或夜晚都可清楚操作在LCR 主輸出、6 組matrix bus 與16 個mix bus 都具備完整的 6 段等化器與動態處理器8 組DCA 群組、6 組靜音(Mute)群組內建高品質虛擬效果器(如Lexicon 480L、PCM70、EMT250 以及Quantec QRS...等)機身具備KLARK TEKNIK’技術的AES50 接口,可外接48-ch 的訊號線連接相容於SuperMAC 網路協定的聲音界面Type-A USB 接口可連接外接硬碟或隨身碟,直接進行立體聲錄音,或儲存系統、效果器設定檔Ultranet 接口可連接Behringer P-16 分軌監聽系統,傳輸AES/EBU 數位訊號與MIDI 訊號X32 RACK40 輸入,25-bus,3U 機櫃式設計,同時適用於現場音控與錄音室16 個MIDAS 設計、參數完全可調整的麥克風前級8 個XLR 輸出、6 組line in/out、2組耳機監聽與內建對講(Talkback)隱藏式麥克風內建32 in/out 的USB 2.0 錄音界面支援iPad/iPhone App 無線遙控5 吋高解晰度TFT 螢幕,無論白天或夜晚都可清楚操作在LCR 主輸出、6 組matrix bus 與16 個mix bus 都具備完整的 6 段等化器與動態處理器8 組DCA 群組、6 組靜音(Mute)群組內建高品質虛擬效果器(如Lexicon 480L、PCM70、EMT250 以及Quantec QRS...等)機身具備KLARK TEKNIK’技術的AES50 接口,可外接48-ch 的訊號線連接相容於SuperMAC 網路協定的聲音界面Type-A USB 接口可連接外接硬碟或隨身碟,直接進行立體聲錄音,或儲存系統、效果器設定檔Ultranet 接口可連接Behringer P-16 分軌監聽系統,傳輸AES/EBU 數位訊號與MIDI 訊號X32 CORE40 輸入,25-bus,1U 機櫃式設計,同時適用於現場音控與錄音室機身具備KLARK TEKNIK’技術的AES50 接口,可外接48-ch 的訊號線連接相容於SuperMAC 網路協定的聲音界面內建32 in/out 的USB 2.0 錄音界面支援iPad/iPhone App 無線遙控2 組TRS 輸出端子提供控制端監聽,另有TRS Talkback 用麥克風輸入端,前端1 組耳機監聽在LCR 主輸出、6 組matrix bus 與16 個mix bus 都具備完整的 6 段等化器與動態處理器8 組DCA 群組、6 組靜音(Mute)群組內建高品質虛擬效果器(如Lexicon 480L、PCM70、EMT250 以及Quantec QRS...等)機身具備KLARK TEKNIK’技術的AES50 接口,可外接48-ch 的訊號線連接相容於SuperMAC 網路協定的聲音界面Type-A USB 接口可連接外接硬碟或隨身碟,直接進行立體聲錄音,或儲存系統、效果器設定檔Ultranet 接口可連接Behringer P-16 分軌監聽系統,傳輸AES/EBU 數位訊號與MIDI 訊號。
动漫设计与制作专业实训室建设方案
随着专业的发展和招生情况的良好状况,目前学校动漫设计与制作专业现有三个年级在校生大约245人,计算机多媒体专业三个年级在校生246人,合计491人。
按照基于动漫、影视行业岗位群及岗位职业能力的要求,根据现有的实训室建设情况,并结合在校学生数量情况,拟扩充几个实训室,来满足更好的教学和实训I。
实训室建设需要满足从动画片前期设计、中期制作、后期合成和输出的完整需要,保证学习对整个动画制作流程的学习和训练。
按照“教、学、做”为一体的实践教学环境建设,贴近生产性实训基地的理念,实现从演示教学、基本技能训练到项目实践教学,由浅入深、由基础到开发的教学过程。
同时积极开展第二课堂的分层次教学,满足获取职业资格证书的需求,满足参加省级及全国性大赛的需求,并在实训室的基础上建立校企合作工作室,进行校企合作项目的合作与开发,为学校实现创收。
扩充实验室名称如下:
摄像技术
总计
实训室设备干单及报价(演播室区-蓝箱系统部分)
合计序号设备名称(图示)规格/型号/配置/参数数量单价(元)(万
元)
影视动画录音棚实训室建设方案
动画制作及渲染实训室建设方案。
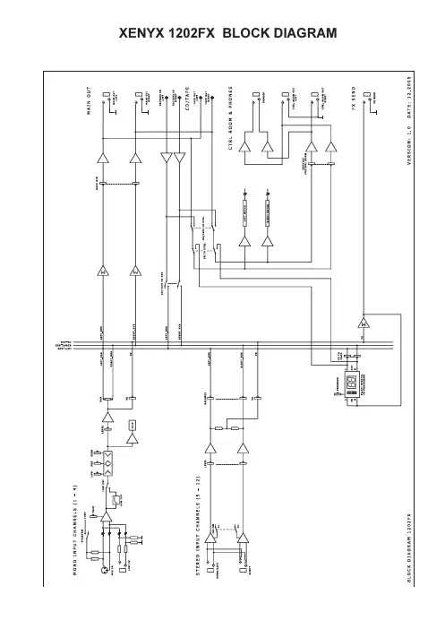
Version 1.0 January 2006Technical SpecificationsX E N Y X1832FXXENYX 1832FX 1832FX XENYXPremium 18-Input 3/2-Bus Mixer with XENYX Mic Preamps, British EQs, 24-Bit Multi-FX Processor and USB/Audio Interfaces Premium ultra low-noise, high headroom analog mixers6 state-of-the-art XENYX Mic Preamps comparable to stand-alone boutique preampss Neo-classic ´British´ 3-band EQs with semi-parametric mid band for warm and musical sounds Studio-grade 24-bit stereo FX processor with 100 awesome presets including reverb, chorus, flanger, delay, pitch shifter and various multi-effectss USB/Audio Interface included to connect directly to your computer. Free audio recording and editing software downloadable at s9-band stereo graphic EQ allows precise frequency correction of monitor or main mixess Revolutionary FBQ Feedback Detection System instantly reveals critical frequenciess Breathtaking XPQ 3D stereo surround effect for more vitality and enhanced stereo images Voice Canceller function for easy-to-use sing-along applicationss Channel inserts on each mono channel for flexible connection of outboard equipments3 aux sends per channel: 1 pre fader for monitoring, 1 pre/post fader switchable for monitoring/FX applications,1 post fader (for internal FX or as external send)s Peak LEDs, mute, main mix and subgroup routing switches, solo and PFL functions on all channelss2 subgroups with separate outputs for added routing flexibility and 2 multi-functional stereo aux returns with flexible routings Balanced main mix outputs with ¼" jack and gold-plated XLR connectors, separate control room, headphones and stereo tape outputss Control room/phones outputs with multi-input source matrix; Tape inputs assignable to main mix or control room/phones outputss High-quality components and exceptionally rugged construction ensure long lifes Conceived and designed by BEHRINGER Germany23BLOCKDIAGRAMSPECIFICATIONSMicrophone inputs (XENYX Mic Preamp)Type XLR, electronically balanced,discrete input circuitMic E.I.N. (20 Hz - 20 kHz)@ 0 W source resistance-134 dB / 135.7 dB A-weighted@ 50 W source resistance-131 dB / 133.3 dB A-weighted@ 150 W source resistance-129 dB / 130.5 dB A-weightedFrequency response<10 Hz - 150 kHz (-1 dB),<10 Hz - 200 kHz (-3 dB)Gain range+10 to +60 dBMax. input level+12 dBu @ +10 dB GainImpedance approx. 2.6 k W balancedSignal-to-noise ratio110 dB / 112 dB A-weighted(0 dBu In @ +22 dB gain)Distortion (THD+N)0.005% / 0.004% A-weightedLine inputType1/4" TRS connectorelectronically balancedImpedance approx. 20 k W balanced10 k W unbalancedGain range-10 to +40 dBMax. input level+22 dBu @ 0 dB GainFade-out attenuation1(Crosstalk attenuation)Main fader closed90 dBChannel muted89 dBChannel fader closed89 dBFrequency responseMicrophone input to main out<10 Hz - 90 kHz+0 dB / -1 dB<10 Hz - 160 kHz+0 dB / -3 dBStereo inputsType1/4" TRS connector,electronically balancedImpedance approx. 20 k WMax. input level+22 dBuEQ mono channelsLow80 Hz / ±15 dBMid100 Hz - 8 kHz/ ±15 dBHigh12 kHz/ ±15 dBEQ stereo channelsLow80 Hz /±15 dBLow Mid500 Hz / ±15 dBHigh Mid 3 kHz / ±15 dBHigh12 kHz / ±15 dBAux sendsType1/4" TS connector, unbalancedImpedance approx. 120 WMax. output level+22 dBuStereo aux returnsType1/4" TRS connector,electronically balancedImpedance approx. 20 k W bal. / 10 k W unbal.Max. input level+22 dBuMain outputsType XLR, electronically balancedand 1/4" TRS balancedImpedance approx. 240 W balanced /120 W unbalancedMax. output level+28 dBuControl room outputsType1/4" TS connector unbalancedImpedance approx. 120 WMax. output level+22 dBuHeadphones outputsType1/4" TRS connector, unbalancedMax. output level+19 dBu / 150 W (+25 dBm)DSP24-bitConverter24-bit Sigma-Delta,64/128-times oversamplingSampling rate40 kHzMain mix system data2NoiseMain mix @ -o o,Channel fader @ -o o-101 dBMain mix @ 0 dB,Channel fader @ -o o-93 dBMain mix @ 0 dB,Channel fader @ 0 dB-81 dBPower supplyMains voltage100 to 240 V~, 50/60 HzPower consumption43 WFuse100 - 240 V~: T 1.6 A H 250 VMains connection Standard IEC receptaclePhysical/weightDimensions (H x W x D)approx. 3 7/8" x 16 1/16" x 14 1/16"(97 mm x 408 mm x 367 mm)Weight (net)approx. 4.7 kgMeasuring conditions:1: 1 kHz rel. to 0 dBu; 20 Hz - 20 kHz; line input; main output; unity gain.2:20 Hz - 20kHz; measured at main output. Channels 1 - 4 unity gain; EQ flat; allchannels on main mix; channels 1/3 as far left as possible, channels 2/4 as farright as possible. Reference = +6 dBu.BEHRINGER is constantly striving to manintain the highest professional standards. As aresult of these efforts, modifications may be made from time to time to existing products withoutprior notice. Specifications and appearance may differ from those listed or illustrated.4Technical specifications and appearance subject to change without notice. The information contained herein is correct at the time of printing. The names of companies, institutions or publications pictured or mentioned and their respective logos are registered trademarks of their respective owners. Their use neither constitutes a claim of the trademarks by BEHRINGER® nor affiliation of the trademark owners with BEHRINGER®. BEHRINGER® accepts no liability for any loss which may be suffered by any person who relies either wholly or in part upon any description, photograph or statement contained herein. Colours and specification may vary slightly from product. Products are sold through our authorised dealers only. Distributors and dealers are not agents of BEHRINGER® and have absolutely no authority to bind BEHRINGER® by any express or implied undertaking or representation. No part of this manual may be reproduced or transmitted in any form or by any means, electronic or mechanical, including photocopying and recording of any kind, for any purpose, without the express written permission of BEHRINGER Spezielle Studiotechnik GmbH. BEHRINGER® is a registered trademark.ALL RIGHTS RESERVED. © 2006 BEHRINGER Spezielle Studiotechnik GmbH,Hanns-Martin-Schleyer-Str. 36-38, 47877 Willich-Münchheide II, Germany.Tel. +49 2154 9206 0, Fax +49 2154 9206 49035。
BEHRINGER(百灵达)EX2200激励器
集优异的效果和可调性于一身
激励器是一种改善声音音色、提高声音穿透力的信号处理设备。
它将原声中的基波进行选频后送入谐波发生器,制造出该频率的谐皮成分,再将这些高频谐波成分加回到原声中去,以加强原声的谐波量。
由于声音音色是由基波和谐波成分构成的,高频谐波不仅对音色如何起到了决定性作用,其含量多少还决定了声音穿透力的强弱,所以,声音中高频谐波量的增加,必然会使声音的音色和穿透力明显改善。
音色是衡量音响系统音质的一个十分重要依据,音色好的设备,音色纯正且优美动听;反之则听起来乾涩无味。
但在声音录制、处理、放大的转换过程中,由于种种原因,会造成谐波成分的损失;有时音响师也需在对声音谐波量加以调节,以求对声音音色和穿透力进行控制。
所以,激励器是现代音响所必需具备的设备,它的作用是任何频率处理设备所无法替代的。
如均衡器虽然可以提升或衰减某些频率的声音,但它绝对不能创造出某些频率的声音,一旦声音中没有某些频率,均衡器是无能为力、力不从心的,即使提升,结果也只能是增加了噪声。
而激励可以根据需要创造出特定的谐波成分,并将这些谐波成分加到声音中去。
因此,自从七十年代激励器问世以来,得到了广泛的应用,广大音响工作者不断对它提出新的要求,生产厂家也不断改进和完善激励器对音质的修饰和美化的功能。
可以这样说,现代激励器在声音效果和可调性等方面已经达到了一个极高的水平,德国BEHRINGER(百灵达)公司近年来生产的EX2200就是新型激励器的一个很典型的代表。
归结起来,EX2200在以下两方面具有过去其他激励器所无法比拟的优势。
对音色全面处理
EX2200可以提高声音的清晰度、可懂性、表现力和表现响度,降低听音疲劳;在立体声放音中,它还能够增加声音图像的立体感、分离度,改善声音的定位和层次感;不但如此,它还具有低音控制功能,用以改变重放低音的软硬度,通过很简单的调节就会使你获得满意的低音效果。
良好的可调性
对激励器制造出的谐波频带范围进行控制,可以使它在改善音色和提高声音穿透力这两种功能上进行转换,高频谐波的作用主要是改善音色,较低频率谐波的作用主要是提高穿透力。
其他种类的激励器一般用高频/普通(High/Normal)键来实现两种处理效果的转换,而EX2200可以用Process(处理)钮任意进行状态转换。
右边为Exciter(激励,即改善音色)旋钮;左边为Enhancer(增强,即穿透力),这种设计为音质控制带来了方便。
功能键
(1)IN/OUT加与不加激励效果选择,即旁路。
“ IN”为加激励,“ OUT” 为不加激励,可用于调整前后声音效果对比。
(2)LOW MIX低音调节。
(Soft)低音变软,长度变长;(Tight)低音变硬,强度增加。
(3)TUNE调谐,确定激励信号基波频率。
来回旋转调,可以选择想要改善或突出的某个声音。
(4)PROCESS增强(Enhancer郝激励(Exciter)两种处理状态调节。
Enhancer 适用于整体音乐等音域宽广的乐曲;Exciter为高频谐波,适用于人声和乐器等单一声源。
(5)High Mix谐波输出量控制。
顺时针旋转,谐波量逐渐增加,激励效果变得明显。
连接方法
(1)串接在扩声系统左右声道(如下图)
这种接法是将激励器置于均衡器和功放之间,用于改善整体声音的音色。
激励器接在均衡器后能够实现降噪的目的,即可用均衡器将声音中的高频与低频噪声先行滤除,此时高频和低频的有用声音也会被一同被滤掉,没有关系,可以再用激励器造出失去的有用高音与低音,达到了降低噪音,又保证音质的目的。
(2)给话筒声音加激励
这种接法主要用于提高人声的穿透力,使人声更加突出。
接法有两种:
一是插入话筒通道。
如直接将激励器插入调音台话筒路INS接口或将话筒声音编组后再将激励器插入到编组信道,采用这种接法时,只能用激励器的High Mix钮来调节激励量。
二是从调音台的辅助输出送出话筒信号接给激励器,再将从激励器输出的信号接到调音台的某个输入,用调音台激励器输入路的推拉电位器控制激励信号量,此时,激励器的High Mix钮应放在最大位置(右端)。
(3)录音
磁带录音时,每录制一次声音的高频成分都要受到损失,录音系统中接入
激励器就能够解决这个问题。
方法是:用激励器先对准备录音的信号进行
补偿(接在录音机前),然后再将经激励器处理过的信号录在磁带上,这样就可以大大地提高磁带复制率(转录次数)保证了磁带录音的重放音质。
有时,音源本身由于保存时间过长和信号传送等方面的原因,也会使高低音噪声过大或声音信号频带不够宽,这时可用均衡器将高低音噪声滤掉,再用激励器对高低音进行补偿,录音质量可以显著提高。
调节步骤
(1)IN/OUT放在“ IN”,表示加激励。
(2)TUNE放在12点位置。
(3)PROCESS根据实际需要调节。
(4)HIGH MIX调至最小(左端)。
(5)LOW MIX放在12点位置。
(6)提升HIGH MIX,直到听到镶边声(声音变亮)。
(7)调TUNE,用以改善或突出某个声音的音色或穿透力。
(8)调LOW MIX,根据需要改变低音的软硬度。
(9)用IN/OUT对比加与不加激励的声音效果。
如不理想,可反复调整,
直到高低音均满意为止。