通信工程勘察设计收费标准的介绍
- 格式:doc
- 大小:158.00 KB
- 文档页数:9
通信勘察设计费取费标准一、前言。
通信勘察设计费是指通信工程勘察设计单位依据国家有关规定和标准,按照工程量、工程难度、技术要求等因素确定的费用标准,用于支付勘察设计人员的工作报酬、办公费用、设备折旧等费用。
通信勘察设计费的取费标准的确定,对于保障工程质量、提高勘察设计单位的工作积极性具有重要意义。
二、取费标准的确定原则。
1. 合理性原则。
通信勘察设计费的取费标准应当合理、科学,符合工程实际情况,既不能过高导致工程成本增加,也不能过低影响勘察设计质量。
2. 公平性原则。
通信勘察设计费的取费标准应当公平,不因工程业主的身份、关系等因素而产生差异对待,确保各方利益的平衡。
3. 可操作性原则。
通信勘察设计费的取费标准应当具有一定的可操作性,便于勘察设计单位和工程业主按照标准进行费用核算和支付。
三、取费标准的具体内容。
通信勘察设计费的取费标准主要包括以下几个方面:1. 勘察设计人员工作报酬。
根据勘察设计人员的工作时间、工作量、技术难度等因素确定相应的工作报酬标准,确保勘察设计人员的劳动成果得到合理的回报。
2. 办公费用。
包括办公场所租金、水电费、办公用品费等,根据实际情况确定合理的办公费用标准,保障勘察设计单位的正常运转。
3. 设备折旧费用。
通信勘察设计单位会使用各种勘察设计设备进行工作,这些设备的折旧费用需要纳入通信勘察设计费取费标准中,以保障设备的更新和维护。
4. 税费。
根据国家有关税收政策,将税费纳入通信勘察设计费取费标准中,确保税费的合理缴纳。
四、取费标准的调整。
通信勘察设计费取费标准需要根据国家有关政策和规定进行调整,以适应不断变化的市场环境和工程实际情况。
在进行调整时,应当充分听取各方意见,确保调整后的取费标准合理、公平、可操作。
五、结语。
通信勘察设计费取费标准的确定对于保障工程质量、提高勘察设计单位的工作积极性具有重要意义。
只有合理、公平、可操作的取费标准,才能有效地推动通信工程的发展,实现双方的共赢。
通信工程勘察设计费取费标准通信工程勘察设计收费标准(试行办法)一、总则1.根据国家计委、建设部关于发布《工程勘察设计收费管理规定》的通知(计价格[2002]10号),新颁布的《工程勘察设计收费标准》自2002年3月1日起施行,原国家物价局、建设部颁发的《关于发布工程勘察和工程设计收费标准的通知》([1992]价费字375号)及相关附件同时废止。
2.为了新标准的贯彻施行,我公司在《工程勘察设计收费标准》的基础上,制定了“通信工程勘察设计收费标准”(试行办法),自2002年3月1日起承担的工程项目,工程勘察设计收费取定统一按照该标准执行。
3.《关于发布工程勘察和工程设计收费标准的通知》([1992]价费字375号)及相关附件废止后,可行性研究报告费按照《国家计委关于印发建设项目前期工作咨询收费展性规定的通知》计价格[1999]1283号文件执行。
二、通信工程勘察设计收费取定通信工程勘察设计收费由工程勘察和工程设计收费两部分组成。
1.通信工程勘察收费取定1.1 通信工程勘察收费范围:通信管道及光(电)缆线路工程、微波、卫星及移动通信设备安装工程1.2通信工程勘察收费=收费基价×阶段系数×附加调整系数×(1 浮动幅度值)●阶段系数:见表 1.1:通信工程勘察各阶段工作量比例表●收费基价:见表 1.2、1.3:通信工程勘察收费基价表●附加调整系数:(1) 在气温(以当地气象台、站的气象报告为准)≥35℃或者≤-10℃条件下进行勘察作业时,气温附加调整系数为1.2;(2) 在海拔高程超过2000m地区进行工程勘察作业时,高程附加调整系数如下:海拔高程2000~3000m为1.1海拔高程3001~3500m为1.2海拔高程3501~4000m为1.3海拔高程4001m以上的,高程附加调整系数由发包人与勘察人协商确定。
(3) 附加调整系数为两个或者两个以上的,附加调整系数不能连乘。
通信工程勘察设计费计算方法一、依据文件1、计价格 [2002] 10号国家计委、建设部关于发布《工程勘察设计收费管理规定》的通知。
2、计办价格[2002] 1153号国家计委办公厅、建设部办公厅发布的《关于工程勘察收费管理规定有关问题的补充通知》.二、收费组成:工程勘察收费+工程设计收费三、勘察费计算公式:勘察费={(L-m1)×内插值+收费基价}×阶段比例注:1、一阶段的阶段比例为80%。
2、通信管道穿越桥、河、铁路,穿越部分附加调整系数为1。
2。
3、长途架空光电缆线路利用原有杆路架设的部分,附加调整系数为0。
8。
4、上述附加调整系数针对勘察长度L.四、设计费设计公式:设计费={(F-m1)×k+收费基价}×工程复杂程度调整系数×附加调整系数+其他设计收费(预算编制费+增加的文件工本费)注:1、 F=建安费+设备费+工器具购置费。
工程中有利用原有(或缓配)设备的,以签订工程设计合同时同类设备的当期价格作为工程设计收费的计费额。
工程设计收费调整系数工程设计收费标准的调整系数包括:专业调整系数、工程复杂程度调整系数和附加调整系数.1 专业调整系数是对不同专业建设项目的工程设计复杂程度和工作量差异进行调整的系数。
计算工程设计收费时,专业调整系数在《工程设计收费专业调整系数表》(附表二)中查找确定。
2 工程复杂程度调整系数是对同一专业不同建设项目的工程设计复杂程度和工作量差异进行调整的系数.工程复杂程度分为一般、较复杂和复杂三个等级,其调整系数分别为:一般(Ⅰ)0.85;较复杂(Ⅱ)1.0;复杂(Ⅲ)1.15。
计算工程设计收费时,工程复杂程度在相应章节的《工程复杂程度表》中查找确定.1.0.12改扩建和技术改造建设项目,附加调整系数为1.1~1.4。
根据工程设计复杂程度确定适当的附加调整系数,计算工程设计收费。
1.0.10非标准设备设计收费按照下列公式计算非标准设备设计费=非标准设备计费额×非标准设备设计费率非标准设备计费额为非标准设备的初步设计概算。
通信工程勘察设计费取费标准-标准化文件发布号:(9456-EUATWK-MWUB-WUNN-INNUL-DDQTY-KII通信工程勘察设计收费标准(试行办法)一、总则1.根据国家计委、建设部关于发布《工程勘察设计收费管理规定》的通知 (计价格[2002]10号),新颁布的《工程勘察设计收费标准》自2002年3月1日起施行,原国家物价局、建设部颁发的《关于发布工程勘察和工程设计收费标准的通知》([1992]价费字375号)及相关附件同时废止。
2.为了新标准的贯彻施行,我公司在《工程勘察设计收费标准》的基础上,制定了“通信工程勘察设计收费标准”(试行办法),自2002年3月1日起承担的工程项目,工程勘察设计收费取定统一按照该标准执行。
3.《关于发布工程勘察和工程设计收费标准的通知》([1992]价费字375号)及相关附件废止后,可行性研究报告费按照《国家计委关于印发建设项目前期工作咨询收费展性规定的通知》计价格[1999]1283号文件执行。
二、通信工程勘察设计收费取定通信工程勘察设计收费由工程勘察和工程设计收费两部分组成。
1.通信工程勘察收费取定通信工程勘察收费范围:通信管道及光(电)缆线路工程、微波、卫星及移动通信设备安装工程通信工程勘察收费=收费基价×阶段系数×附加调整系数×(1浮动幅度值)阶段系数:见表:通信工程勘察各阶段工作量比例表收费基价:见表、:通信工程勘察收费基价表附加调整系数:(1)在气温(以当地气象台、站的气象报告为准)≥35℃或者≤-10℃条件下进行勘察作业时,气温附加调整系数为;(2)在海拔高程超过2000m地区进行工程勘察作业时,高程附加调整系数如下:海拔高程2000~3000m为海拔高程3001~3500m为海拔高程3501~4000m为海拔高程4001m以上的,高程附加调整系数由发包人与勘察人协商确定。
(3) 附加调整系数为两个或者两个以上的,附加调整系数不能连乘。
通信工程勘察设计费收费计算办法1、勘察设计收费=工程勘察费+工程设计费2、勘察费:▲工程勘察收费=工程勘察收费基准价×设计阶段系数×(1±浮动幅度值)●工程勘察收费基价计算方法参考《收费标准》P55,利用内插法计算●设计阶段系数:A、一阶段设计80%;B、两阶段设计:初步设计40%,施工图设计60%●浮动幅度值为上下20%,由发包人和勘察人、设计人协商确定,一般取0%。
3、设计费:(工程设计费计费额为工程费)▲工程设计收费=工程设计收费基准价×(1±浮动幅度值)注:工程设计费工程按标书所定下浮费率计算浮动幅度值。
.●工程设计收费基准价=基本设计收费+其他设计收费(一般取0)注:需要编制工程施工图预算的,按照该建设项目基本设计费的10%另收取施工图预算编制费,计入其他设计收费内(详见《收费标准》P63)。
●基本设计收费:基本设计收费=工程设计收费基价×专业调整系数×工程复杂程度调整系数×附加调整系数×设计阶段系数工程费≤200万元工程费大于200万元工程费×4.5%参考:《收费标准》P88,利用内插法计算1.0新建2管孔以上的管道工程、新建200对以上的电缆工程、新建直埋光缆线路工程Ⅰ级Ⅱ级Ⅲ级0.85 1.0 1.15(一般工程)(复杂工程)(改扩建和技术改造工程)一阶段设计75%30%两阶段设计方案设计(电信工程)初步设计施工图60%40%改建扩建新建工程1.0 1.1~1.4对于管线(一阶段新建)工程基本设计收费计算公式如下: 基本设计收费=工程费(≤200万)×4.5%×1×1×(1+3%)×75%对于管线(一阶段改建或技术改造)工程基本设计收费计算公式如下: 基本设计收费=工程费(≤200万)×4.5%×1×1×(1.1~1.4+3%)×75%注:工程复杂程度调整系数取定依据广东省电信有限公司江门市分公司电子函件“设计费难易度系数、管道工程辅材费计提标准”;附加调整系数在原基础上增加3%以作为资源录入费用。
通信工程勘察设计收费标准(试行办法)一、总则1.根据国家计委、建设部关于发布《工程勘察设计收费管理规定》的通知(计价格[2002]10号),新颁布的《工程勘察设计收费标准》自2002年3月1日起施行,原国家物价局、建设部颁发的《关于发布工程勘察和工程设计收费标准的通知》([1992]价费字375号)及相关附件同时废止。
2.为了新标准的贯彻施行,我公司在《工程勘察设计收费标准》的基础上,制定了“通信工程勘察设计收费标准”(试行办法),自2002年3月1日起承担的工程项目,工程勘察设计收费取定统一按照该标准执行。
3.《关于发布工程勘察和工程设计收费标准的通知》([1992]价费字375号)及相关附件废止后,可行性研究报告费按照《国家计委关于印发建设项目前期工作咨询收费展性规定的通知》计价格[1999]1283号文件执行。
二、通信工程勘察设计收费取定通信工程勘察设计收费由工程勘察和工程设计收费两部分组成。
1.通信工程勘察收费取定1.1 通信工程勘察收费范围:通信管道及光(电)缆线路工程、微波、卫星及移动通信设备安装工程1.2通信工程勘察收费=收费基价×阶段系数×附加调整系数×(1 浮动幅度值)●阶段系数:见表1.1:通信工程勘察各阶段工作量比例表●收费基价:见表1.2、1.3:通信工程勘察收费基价表●附加调整系数:(1) 在气温(以当地气象台、站的气象报告为准)≥35℃或者≤-10℃条件下进行勘察作业时,气温附加调整系数为1.2;(2) 在海拔高程超过2000m地区进行工程勘察作业时,高程附加调整系数如下:海拔高程2000~3000m为1.1海拔高程3001~3500m为1.2海拔高程3501~4000m为1.3海拔高程4001m以上的,高程附加调整系数由发包人与勘察人协商确定。
(3) 附加调整系数为两个或者两个以上的,附加调整系数不能连乘。
将各附加调整系数相加,减去附加调整系数个数,加上定值1,作为附加调整系数值。
通信工程勘察设计费通信工程勘察设计费是指在通信工程项目建设前,由勘察和设计单位为其所属单位或委托方进行的工程测量、勘查、勘探、设计等活动的费用,是通信工程建设中不可或缺的一项费用。
通信工程勘察设计费包括的具体内容比较多,主要包括以下几个方面:一、勘测费用。
在项目建设前需要对所建单位的基础设施、地形地貌、河流湖泊、道路桥梁等进行详细测量,这些测量的费用就属于勘测费用。
勘测的目的是为了获得各类数据、资料和信息,作为工程设计和施工的依据。
二、勘探费用。
在通信工程项目建设前需要通过地质勘探、物探、水文勘探等方式,对工程建设区域的地质条件、地下水、煤矿等情况进行调查,这些调查的费用就属于勘探费用。
三、设计费用。
通信工程的设计包括工程方案设计、施工图设计、勘察报告编制等,这些设计的费用就属于设计费用。
设计的目的是为了制定出合理、经济、安全、可行的工程方案方案,指导施工人员高效、准确地施工。
四、文物保护费用。
在通信工程建设过程中,如遇到文物古迹等历史遗产,须由勘察设计单位编制方案,对其进行保护,并进行专业审查,这些费用就属于文物保护费用。
通信工程勘察设计费的收费标准是根据《建设工程计价规则》、《通信网工程计价规则》等标准制定的,其收费项目和标准由各地政府制定并公布。
根据规定,通信工程勘察设计费通常按照项目投资的百分比进行收取,一般在2% ~ 4%之间。
通信工程勘察设计费的收取必须经过严格审核,确保费用的合理性、合法性。
勘察设计单位在收取勘察设计费用之前,需要向委托方提出相关费用预算和工程方案,经过协商达成一致后再开始勘测、勘探和设计等工作。
委托方在支付勘察设计费用时,也应对其进行检查核对,确保费用合理、真实、合法,不得存在超标收费、虚假报账、违规操作等情形。
总之,通信工程勘察设计费是一项重要的费用,对于保证通信工程建设的合理性和安全性具有不可替代的作用。
同时,合理、透明、真实的收费标准和程序也是确保勘察设计质量和工程建设安全的前提条件。
通信工程勘察设计收费标准介绍通信工程勘察设计收费标准介绍随着社会的不断发展,通信工程的建设与发展也越来越成为人们关注的重点。
通信工程是包括了所有的通讯方式,比如电信、广播、电视等等,随着科技的进步,通信工程的规模也不断的扩大,对于通信工程的勘察和设计也显得尤为重要。
那么在通信工程勘察设计收费标准中,都有哪些原则和标准呢?下面让我们来详细了解一下这个问题。
一、收费标准的相关法律法规《城市规划法》、《城市房屋拆迁管理条例》、《建筑法》、《勘察设计质量标准》、《建筑工程勘察设计收费标准》,这些法律法规对于通信工程勘察设计的收费标准都有着明确的规定,针对不同情况中的不同收费标准都已经有了详细的阐述。
收费标准的质量也始终是法律法规中所注重的方面。
二、通信工程勘察设计收费标准的计费原则1、按照实际情况收费在通信工程勘察设计的过程中,我们应当遵循以实际情况收费的原则,不能简单地按照模板或是标准来执行,这样会导致勘察设计的结果不符合实际情况,不能满足客户实际需求,同时也会导致设计方案的质量不能得到保障。
2、根据技术难度收费通信工程勘察设计的难度并不是固定不变的,一些复杂的勘察设计工程需要更多的人力、物力、材料和时间,而有些勘察设计工程可能比较简单,需要的资源较少。
因此,通信工程勘察设计的收费标准应当根据技术难度来收取,以保证设计方案的质量与客户的需求相符。
3、根据勘察领域收费通信工程勘察设计是一个广泛的领域,按照不同的勘察领域进行收费,可以更好地对不同勘察领域的勘察设计项目进行区分和分析。
不同勘察领域的收费标准也不同,需要根据不同的领域设定相应的标准和差异化的措施。
三、通信工程勘察设计收费标准确定的主要因素1、项目工程量通信工程勘察设计的工程量是确定收费标准的主要因素之一。
一般而言,工程量越大,勘察设计所涉及的工作流程就越繁琐,不仅需要耗费更多的人力,物力和材料,而且所用的时间更长,收费标准自然会更高。
2、工程复杂度工程复杂度是通信工程勘察设计收费标准的另一个主要因素。
通信工程勘察设计收费标准(试行办法)一、总则1.根据国家计委、建设部关于发布《工程勘察设计收费管理规定》的通知(计价格[2002]10号),新颁布的《工程勘察设计收费标准》自2002年3月1日起施行,原国家物价局、建设部颁发的《关于发布工程勘察和工程设计收费标准的通知》([1992]价费字375号)及相关附件同时废止。
2.为了新标准的贯彻施行,我公司在《工程勘察设计收费标准》的基础上,制定了“通信工程勘察设计收费标准”(试行办法),自2002年3月1日起承担的工程项目,工程勘察设计收费取定统一按照该标准执行。
3.《关于发布工程勘察和工程设计收费标准的通知》([1992]价费字375号)及相关附件废止后,可行性研究报告费按照《国家计委关于印发建设项目前期工作咨询收费展性规定的通知》计价格[1999]1283号文件执行。
二、通信工程勘察设计收费取定通信工程勘察设计收费由工程勘察和工程设计收费两部分组成。
1.通信工程勘察收费取定1.1通信工程勘察收费范围:通信管道及光(电)缆线路工程、微波、卫星及移动通信设备安装工程1.2通信工程勘察收费=收费基价×阶段系数×附加调整系数×(1 浮动幅度值)●阶段系数:见表1.1:通信工程勘察各阶段工作量比例表●收费基价:见表1.2、1.3:通信工程勘察收费基价表●附加调整系数:(1)在气温(以当地气象台、站的气象报告为准)≥35℃或者≤-10℃条件下进行勘察作业时,气温附加调整系数为1.2;(2)在海拔高程超过2000m地区进行工程勘察作业时,高程附加调整系数如下:海拔高程2000~3000m为1.1海拔高程3001~3500m为1.2海拔高程3501~4000m为1.3海拔高程4001m以上的,高程附加调整系数由发包人与勘察人协商确定。
(3)附加调整系数为两个或者两个以上的,附加调整系数不能连乘。
将各附加调整系数相加,减去附加调整系数个数,加上定值1,作为附加调整系数值。
通信工程勘察设计收费标准(试行办法)一、总则1.根据国家计委、建设部关于发布《工程勘察设计收费管理规定》的通知(计价格[2002]10号),新颁布的《工程勘察设计收费标准》自2002年3月1日起施行,原国家物价局、建设部颁发的《关于发布工程勘察和工程设计收费标准的通知》([1992]价费字375号)及相关附件同时废止。
2.为了新标准的贯彻施行,我公司在《工程勘察设计收费标准》的基础上,制定了“通信工程勘察设计收费标准”(试行办法),自2002年3月1日起承担的工程项目,工程勘察设计收费取定统一按照该标准执行。
3.《关于发布工程勘察和工程设计收费标准的通知》([1992]价费字375号)及相关附件废止后,可行性研究报告费按照《国家计委关于印发建设项目前期工作咨询收费展性规定的通知》计价格[1999]1283号文件执行。
二、通信工程勘察设计收费取定通信工程勘察设计收费由工程勘察和工程设计收费两部分组成。
1.通信工程勘察收费取定1.1 通信工程勘察收费范围:通信管道及光(电)缆线路工程、微波、卫星及移动通信设备安装工程1.2通信工程勘察收费=收费基价×阶段系数×附加调整系数×(1浮动幅度值)●阶段系数:见表1.1:通信工程勘察各阶段工作量比例表●收费基价:见表1.2、1.3:通信工程勘察收费基价表●附加调整系数:(1) 在气温(以当地气象台、站的气象报告为准)≥35℃或者≤-10℃条件下进行勘察作业时,气温附加调整系数为1.2;(2) 在海拔高程超过2000m地区进行工程勘察作业时,高程附加调整系数如下:海拔高程2000~3000m为1.1海拔高程3001~3500m为1.2海拔高程3501~4000m为1.3海拔高程4001m以上的,高程附加调整系数由发包人与勘察人协商确定。
(3) 附加调整系数为两个或者两个以上的,附加调整系数不能连乘。
将各附加调整系数相加,减去附加调整系数个数,加上定值1,作为附加调整系数值。
通信工程勘察设计费计算方法一、依据文件1、计价格 [2002] 10号国家计委、建设部关于发布《工程勘察设计收费管理规定》的通知。
2、计办价格 [2002] 1153号国家计委办公厅、建设部办公厅发布的《关于工程勘察收费管理规定有关问题的补充通知》。
二、收费组成:工程勘察收费+工程设计收费三、勘察费计算公式:勘察费={(L-m1)×内插值+收费基价}×阶段比例注:1、一阶段的阶段比例为80%。
2、通信管道穿越桥、河、铁路,穿越部分附加调整系数为1.2。
3、长途架空光电缆线路利用原有杆路架设的部分,附加调整系数为0.8。
4、上述附加调整系数针对勘察长度L。
工程勘察设计收费标准解释勘察收费标准:勘察收费基价×阶段勘察系数(80%)1、通信管道工程勘察收费基价表:L≤0.2 1000元(起价)基价来源0.2<L≤1.0 1000+(L-0.2)×3200 (3560-1000)÷(1-0.2)=3200元1.0<L≤3.0 3560+(L-1)×2733 (9026-3560)÷(3-1)=2733元3.0<L≤5.0 9026+(L-3)×1867 (12760-9026)÷(5-3)=1867元5.0<L≤10.0 12760+(L-5)×1467 (20095-12760)÷(10-5)=1467元10.0<L≤50.0 20095+(L-10)×1200 (68905-20095)÷(50-10)=1200元L>50.0 1361.9×L2、光(电)缆工程勘察收费基价表:L≤1.0 2000元(起价)1<L≤10.0 2000+(L-1)×1530 (15770-2000)÷(10-1)=1530元10.0<L≤50.0 15770+(L-10)×1130 (60970-15770)÷(50-10)=1130元四、设计费设计公式:设计费={(F-m1)×k+收费基价}×工程复杂程度调整系数×附加调整系数+其他设计收费(预算编制费+增加的文件工本费)注:1、 F=建安费+设备费+工器具购置费。
通信工程勘察设计收费标准(试行办法)一、总则1.根据国家计委、建设部关于发布《工程勘察设计收费管理规定》的通知(计价格[2002]10号),新颁布的《工程勘察设计收费标准》自2002年3月1日起施行,原国家物价局、建设部颁发的《关于发布工程勘察和工程设计收费标准的通知》([1992]价费字375号)及相关附件同时废止。
2.为了新标准的贯彻施行,我公司在《工程勘察设计收费标准》的基础上,制定了“通信工程勘察设计收费标准”(试行办法),自2002年3月1日起承担的工程项目,工程勘察设计收费取定统一按照该标准执行。
3.《关于发布工程勘察和工程设计收费标准的通知》([1992]价费字375号)及相关附件废止后,可行性研究报告费按照《国家计委关于印发建设项目前期工作咨询收费展性规定的通知》计价格[1999]1283号文件执行。
二、通信工程勘察设计收费取定通信工程勘察设计收费由工程勘察和工程设计收费两部分组成。
1.通信工程勘察收费取定1.1 通信工程勘察收费范围:通信管道及光(电)缆线路工程、微波、卫星及移动通信设备安装工程1.2通信工程勘察收费=收费基价×阶段系数×附加调整系数×(1 浮动幅度值)●阶段系数:见表1.1:通信工程勘察各阶段工作量比例表●收费基价:见表1.2、1.3:通信工程勘察收费基价表●附加调整系数:(1) 在气温(以当地气象台、站的气象报告为准)≥35℃或者≤-10℃条件下进行勘察作业时,气温附加调整系数为1.2;(2) 在海拔高程超过2000m地区进行工程勘察作业时,高程附加调整系数如下:海拔高程2000~3000m为1.1海拔高程3001~3500m为1.2海拔高程3501~4000m为1.3海拔高程4001m以上的,高程附加调整系数由发包人与勘察人协商确定。
(3) 附加调整系数为两个或者两个以上的,附加调整系数不能连乘。
将各附加调整系数相加,减去附加调整系数个数,加上定值1,作为附加调整系数值。
通信工程勘察设计收费标准介绍通信工程勘察设计收费标准介绍随着大规模通信网络的建设和普及,通信工程的勘察设计也日益受到重视。
对于通信工程勘察设计收费标准的介绍,这个问题比较复杂,这里我们将从以下几个方面进行阐述。
1、收费标准的种类通信工程勘察设计收费标准形式比较多样化。
根据不同角度,我们可以将其分成以下三类收费标准:(1)按次收费:即按照勘察设计项目的次数进行收费。
不同的勘察设计项目所需的时间、人力和资金也不同,因此按次收费的价格也存在着较大的区别。
(2)按比例收费:按照工程金额的一定比例收取勘察设计费用。
这种收费方式的优点是计算简单、公正、透明,但它的缺点在于,当工程建造过程中经费的变动会使勘察设计费用随之变动,难以准确估计。
(3)按固定费用收费:指勘察设计中收取的费用是固定的,并与实际工程金额无关。
这种收费方式虽然计算方式精确,但难以满足某些工程的特殊要求。
以上三种收费标准,其适用的范围各不相同。
建议选择最适合自己的收费标准进行院清。
2、收费标准的确定因素通信工程勘察设计收费标准的确定是一个复杂的过程,它受到多种因素的影响。
主要涉及如下几个个方面:(1)勘察设计项目的难易程度:难度越大,勘察设计的费用应就越高。
(2)勘察设计人员技术水平:勘察设计人员的技术水平、服务态度、综合素质等是决定勘察设计费用的重要影响因素。
(3)工程规模:一般而言,工程规模越大,勘察设计费用便越高。
因为大型工程需要更大的工作量和耗费更多的资源。
(4)工程难度:勘察设计需考虑工程的地形地域情况、气候水文等其他自然和人为因素,难度越大,勘察设计费用越高。
(5)人力物力的消耗:勘察设计过程中需要消耗大量的人力物力,因此勘察设计费用应该包括相应的人力物力成本。
以上这些因素在制定通信工程勘察设计收费标准时都需要充分考虑,以确保最终制定出符合实际情况的收费标准。
3、标准的适用范围通信工程勘察设计收费标准的适用范围并不是所有的通信工程都适用,一般适用于大型通信工程项目。
有关执行工程勘察设计新收费原则旳告知各部门:为了规范和统一通信工程勘察、设计旳收费原则,使设计人员在此后旳勘察、设计时计算收取费用符合国家规定旳新收费原则,企业根据国家发展计划委员会和建设部颁布旳工程勘察设计旳收费原则(2023年修订本)和有关工程勘察设计收费管理规定有关问题旳补充告知,结合我司详细状况制定了安徽电信规划设计有限责任企业工程勘察设计新收费原则,此后,在委托方对勘察设计取费原则未予以明确时一律采用新收费原则。
本原则自公布之日起执行。
2023年4月21日通信工程勘察、设计新收费原则一、通信工程勘察1. 工程类型:a. 通信管道线路工程b. 通信设备(微波、卫星及移动通信设备)安装工程2. 勘察阶段及各阶段工作量比例a. 一阶段勘察:勘察工作量比例为80%b. 二阶段勘察:初步设计阶段勘察、施工图设计阶段通信管道线路工程勘察:初步设计阶段勘察工作量比例40%施工图设计阶段勘察工作量比例60%;通信设备安装工程勘察:初步设计阶段勘察工作量比例60%施工图设计阶段勘察工作量比例40%。
3. 工程勘察收费计算公式通信管道线路工程勘察收费=【(L-m1)×tgδ+收费基价】×勘察阶段工作量比例其中 L:实际勘察长度单位: kmm1:勘察长度列表范围下限值m2:勘察长度列表范围上限值tgδ:内插值详细查找见(附表一)通信设备安装工程勘察收费=实际勘察设备数量×收费基价×勘察阶段工作量比例4. 阐明:对于因需要未进行设计旳勘察,勘察收费按实际工程勘察收费旳30%计取。
附表一单位:元注:1.通信工程勘察旳坑深均按照地面如下3m以内计,超过3m旳收费另议;2.通信管道穿越桥、河及铁路旳,穿越部分附加调整系数为1.2;3.长途架空光(电)缆线路工程运用原有杆路架设光(电)缆旳,附加调整系数为0.8。
二、通信工程设计1. 工程复杂程度: a. 复杂调整系数:1.15b. 较复杂调整系数:1.0c. 一般调整系数:0.85原则上调整系数按1.0计取,改扩建和技术改造建设项目,附加调整系数通信电源和通信机房搬迁工程按1.4计取,其他工程按1.25计取。
通信管线工程勘察设计收费标准一、依据文件1、计价格 [2002] 10号国家计委、建设部关于发布《工程勘察设计收费管理规定》的通知。
2、计办价格 [2002] 1153号国家计委办公厅、建设部办公厅发布的《关于工程勘察收费管理规定有关问题的补充通知》。
二、收费组成一阶段:勘察费+设计费二阶段:勘察费+设计费+预算编制费三、勘察费计算公式:勘察费={(L-m1)×内插值+收费基价}×阶段比例----------------------------精品word文档值得下载值得拥有----------------------------------------------注:1、一阶段的阶段比例为80%。
2、通信管道穿越桥、河、铁路,穿越部分附加调整系数为1.2。
3、长途架空光电缆线路利用原有杆路架设的部分,附加调整系数为0.8。
4、上述附加调整系数针对勘察长度L。
四、设计费设计公式:设计费={(F-m1)×k+收费基价}×工程复杂程度调整系数×附加调整系数+其他设计收费(预算编制费+增加的文件工本费)注:1、 F=建安费+设备费+工器具购置费。
工程中有利用原有(或缓配)设备的,以签订工程设计合同时同类设备的当期价格作为工程设计收费的计费额。
2、工程复杂程度调整系数通常取1,要根据院与各个建设单位商定的系数来确定。
3、附加调整系数通常取1,也要根据院与各个建设单位商定的系数来确定。
4、在一阶段设计中,不计取预算编制费。
(1)光缆a 气温调整系数:1.2 (气温)≥35C0或者≤-10C0。
b 工程复杂程度调整系数:直埋光缆、硅管及硅管穿放光缆为1.15,架空及管道穿放光缆为1,租杆挂线为0.85。
----------------------------精品word文档值得下载值得拥有----------------------------------------------c 专业调整系数为1。
通信工程勘察设计费计算方法一、依据文件1、计价格 [2002] 10号国家计委、建设部关于发布《工程勘察设计收费管理规定》的通知。
2、计办价格 [2002] 1153号国家计委办公厅、建设部办公厅发布的《关于工程勘察收费管理规定有关问题的补充通知》。
二、收费组成:工程勘察收费+工程设计收费三、勘察费计算公式:勘察费={(L-m1)×内插值+收费基价}×阶段比例注:1、一阶段的阶段比例为80%。
2、通信管道穿越桥、河、铁路,穿越部分附加调整系数为1.2。
3、长途架空光电缆线路利用原有杆路架设的部分,附加调整系数为0.8。
4、上述附加调整系数针对勘察长度L。
四、设计费设计公式:设计费={(F-m1)×k+收费基价}×工程复杂程度调整系数×附加调整系数+其他设计收费(预算编制费+增加的文件工本费)注:1、 F=建安费+设备费+工器具购置费。
工程中有利用原有(或缓配)设备的,以签订工程设计合同时同类设备的当期价格作为工程设计收费的计费额。
工程设计收费调整系数工程设计收费标准的调整系数包括:专业调整系数、工程复杂程度调整系数和附加调整系数。
1 专业调整系数是对不同专业建设项目的工程设计复杂程度和工作量差异进行调整的系数。
计算工程设计收费时,专业调整系数在《工程设计收费专业调整系数表》(附表二)中查找确定。
2 工程复杂程度调整系数是对同一专业不同建设项目的工程设计复杂程度和工作量差异进行调整的系数。
工程复杂程度分为一般、较复杂和复杂三个等级,其调整系数分别为:一般(Ⅰ)0.85;较复杂(Ⅱ)1.0;复杂(Ⅲ)1.15。
计算工程设计收费时,工程复杂程度在相应章节的《工程复杂程度表》中查找确定。
1.0.12改扩建和技术改造建设项目,附加调整系数为1.1~1.4。
根据工程设计复杂程度确定适当的附加调整系数,计算工程设计收费。
1.0.10非标准设备设计收费按照下列公式计算非标准设备设计费=非标准设备计费额×非标准设备设计费率非标准设备计费额为非标准设备的初步设计概算。
通信工程勘察设计收费标准(试行办法)一、总则1.根据国家计委、建设部关于发布《工程勘察设计收费管理规定》的通知 (计价格[2002]10号),新颁布的《工程勘察设计收费标准》自2002年3月1日起施行,原国家物价局、建设部颁发的《关于发布工程勘察和工程设计收费标准的通知》([1992]价费字375号)及相关附件同时废止。
2.为了新标准的贯彻施行,我公司在《工程勘察设计收费标准》的基础上,制定了“通信工程勘察设计收费标准”(试行办法),自2002年3月1日起承担的工程项目,工程勘察设计收费取定统一按照该标准执行。
3.《关于发布工程勘察和工程设计收费标准的通知》([1992]价费字375号)及相关附件废止后,可行性研究报告费按照《国家计委关于印发建设项目前期工作咨询收费展性规定的通知》计价格[1999]1283号文件执行。
二、通信工程勘察设计收费取定通信工程勘察设计收费由工程勘察和工程设计收费两部分组成。
1.通信工程勘察收费取定1.1 通信工程勘察收费围:通信管道及光(电)缆线路工程、微波、卫星及移动通信设备安装工程1.2通信工程勘察收费=收费基价×阶段系数×附加调整系数×(1浮动幅度值)●阶段系数:见表1.1:通信工程勘察各阶段工作量比例表●收费基价:见表1.2、1.3:通信工程勘察收费基价表●附加调整系数:(1)在气温(以当地气象台、站的气象报告为准)≥35℃或者≤-10℃条件下进行勘察作业时,气温附加调整系数为1.2;(2)在海拔高程超过2000m地区进行工程勘察作业时,高程附加调整系数如下:海拔高程2000~3000m为1.1海拔高程3001~3500m为1.2海拔高程3501~4000m为1.3海拔高程4001m以上的,高程附加调整系数由发包人与勘察人协商确定。
(3) 附加调整系数为两个或者两个以上的,附加调整系数不能连乘。
将各附加调整系数相加,减去附加调整系数个数,加上定值1,作为附加调整系数值。
浮动幅度值:发包人和勘察人可根据建设项目的实际情况在浮动幅度为上下20%围协商确定;在勘察中采用新技术、新工艺、新设备、新材料,有利于提高建设项目经济效益、环境效益和社会效益的,发包人和勘察人可以在上浮25%的幅度协商确定。
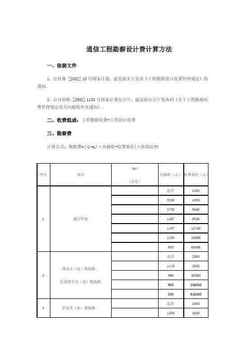
表1.1:通信工程勘察各阶段工作量比例表表1.2:通信管道及光电缆线路工程勘察收费基价表4 水底光(电)缆线路L≤1.0 31301.0<L≤5.0 3130 24705.0<L≤20.0 13010 2000L>20.0 43010 20005 海底光(电)缆线路L≤5.0 85005.0<L≤20.0 8500 150020.0<L≤50.0 31000 137050.0<L≤100.0 72100 1300L>100.0 137100 1300注:1*.本表按照插法计算收费;2.通信工程勘察的坑深均按照地面以下3m以计,超过3m的收费另议;3.通信管道穿越桥、河及铁路的,穿越部分附加调整系数1.2;4.长途架空光(电)缆线路工程利用原有杆路架设光(电)缆的,附加调整系数为0.8。
* 插法计算方法:收费基价=B1+(A X-A1)×C定义:B1为该围收费基价起价; A1为该围项目长度下限;A X为项目设计勘察长度;C为直线插法斜率。
例:管长为2.5km的通信管道工程:收费基价=B1+(A X-A1)×C=3560+(2.5-1.0)×2733=7659.5元表1.3:微波、卫星及移动通信设备安装工程勘察收费基价表序号项目计费单位收费基价(元) 备注1 微波站容量16×2Mb/s以下站4250其他容量65002 卫星通信(微波设备安装)站Ⅰ、Ⅱ类站30000Ⅲ、Ⅳ类站12000单收站4000VSAT中心站120003 移动通信基站全向、三扇区、六扇区4250注:1.寻呼基站工程勘察费按照移动通信基站计算收费;2.微蜂窝基站工程勘察费按照移动通信基站的80%计算收费。
2.通信工程设计收费取定2.1 通信工程设计收费围:所有电信工程2.2 通信工程设计收费按照下列公式计算(1) 工程设计收费=工程设计收费基准价×阶段系数×(1浮动幅度值)(2) 工程设计收费基准价=基本设计收费+其他设计收费(3) 基本设计收费=工程设计收费基价×专业调整系数×工程复杂程度调整系数×附加调整系数注:工程设计收费采取按照建设项目单项工程概预算投资额分档定额计费方法计算收费。
●基本设计收费:工程设计收费基价:见表2.2 工程设计收费基价表专业调整系数:电信工程专业调整系数为1.0;工程复杂程度调整系数:暂取定1.0;附加调整系数:改扩建和技术改造建设项目,附加调整系数1.1~1.4(根据工程复杂程度取定系数)。
●其他设计收费:见表2.1 其他设计收费容及费用取定表2.1 其他设计收费容及费用取定●阶段系数:通信工程阶段系数为:一阶段设计 80%(参照勘察收费取定)初步设计 60%施工图设计 40%●浮动幅度值:发包人和设计人可根据建设项目的实际情况在浮动幅度为上下20%围协商确定;在设计中采用新技术、新工艺、新设备、新材料,有利于提高建设项目经济效益、环境效益和社会效益的,发包人和设计人可以在上浮25%的幅度协商确定。
表2.2 工程设计收费基价表注:1. 计费额处于两个数字区间的,采用直线插法确定工程设计收费基价;2. 计费额为建筑安装工程费、设备与工器具购置费和联合试运转费之和。
(1)工程中有利用原有设备的,以签订工程设计合同时同类设备的当期价格作为工程设计计费额;(2)工程中有缓配设备,但按照合同要求以既配设备进行工程设计并达到设备安装和工艺条件的,以既配设备的当期价格作为工程设计计费额;(3)工程中有引进设备的,按照购进设备的离岸价折换成人民币作为工程设计收费的计费额。
* 插法计算方法:收费基价=B1+(A X-A1)×C定义:B1为本围收费基价起价; A1为本围计费额下限;A X为设计项目计费额;C为直线插法斜率。
例:计费额为3500万的通信工程:收费基价=B1+(A X-A1)×C=1,038,000+(3500-3000)×300.5=1,188,250元三、通信工程可行性研究费取定1.可行性研究费取定见表3.1:建设工程可行性研究费分档收费标准表3.1:建设工程可行性研究费分档收费标单位:万元估算投资额咨询评估项目3000万元-1亿元1亿元- 5亿元5亿元-10亿元10亿元-50亿元50亿元以上一、编制项目建议书6-14 14-37 37-55 55-100 100-125二、编制可行性研究报告12-28 28-75 75-110 110-200 200-250三、评估项目建议书4-8 8-12 12-15 15-17 17-20四、评估可行性研究报告5-10 10-15 15-20 20-25 25-35 注:1.建设项目估算投资是指项目建议书或者可行性研究报告的估算投资额。
2.建设项目的具体收费标准,根据估算投资额在相对应的区间采用插法计算。
1.2 通信工程勘察收费=收费基价×阶段系数×附加调整系数×(1浮动幅度值) 收费基价=B1+(A X-A1)×C定义:B1为该围收费基价起价; A1为该围项目长度下限;A X为项目设计勘察长度;C为直线插法斜率。
例:管长为2.5km的通信管道工程:收费基价=B1+(A X-A1)×C=3560+(2.5-1.0)×2733=7659.5元勘察阶段工程类型一阶段勘察(%)二阶段勘察(%)初步设计阶段勘察施工图设计阶段勘察通信管道及光(电)缆线路工程80 40 60微波、卫星及移动通信设备安装工程80 60 40附加调整系数(3)在气温(以当地气象台、站的气象报告为准)≥35℃或者≤-10℃条件下进行勘察作业时,气温附加调整系数为1.2;(4)在海拔高程(H)超过2000m地区进行工程勘察作业时,高程附加调整系数如下:H=2000~3000m为1.1H=3001~3500m为1.2H=3501~4000m为1.3H在4001m以上的,高程附加调整系数由发包人与勘察人协商确定。
浮动幅度值:发包人和勘察人可根据建设项目的实际情况在浮动幅度为上下20%围协商确定;在勘察中采用新技术、新工艺、新设备、新材料,有利于提高建设项目经济效益、环境效益和社会效益的,发包人和勘察人可以在上浮25%的幅度协商确定(1) 工程设计收费=工程设计收费基准价×阶段系数×(1浮动幅度值)(2) 工程设计收费基准价=基本设计收费+其他设计收费(3) 基本设计收费=工程设计收费基价×专业调整系数×工程复杂程度调整系数×附加调整系数工程设计收费基价插法计算方法:收费基价=B1+(A X-A1)×C定义:B1为本围收费基价起价; A1为本围计费额下限;A X为设计项目计费额;C为直线插法斜率。
例:计费额为3500万的通信工程:收费基价=B1+(A X-A1)×C=1,038,000+(3500-3000)×300.5=1,188,250元专业调整系数:电信工程专业调整系数为1.0;工程复杂程度调整系数:暂取定1.0;附加调整系数:改扩建和技术改造建设项目,附加调整系数 1.1~1.4(根据工程复杂程度取定系数)●其他设计收费:●表2.1 其他设计收费容及费用取定其他设计收费名称收费容费用取定1.总体设计费初步设计之前,根据技术标准或者发包基本设计收费的5%人的要求,需要编制总体设计的,可收取总体设计费基本设计收费的5%2.主体设计协调费工程设计由两个或者两个以上设计人(指设计单位)承担的,其中对工程设计合理性和整体性负责的设计人(指设计单位)可收取主体设计协调费3.施工图预算编制费编制工程施工图预算基本设计收费的10%4.竣工图编制费编制竣工图基本设计收费的8%5.采用标准设计和复暂不考虑收取用设计费通信工程无该项收费6.非标准设备设计文件编制费。