钻孔灌注桩声测管安装管理办法
- 格式:docx
- 大小:17.05 KB
- 文档页数:6
二、桩基声测管施工1. 桩基设计桩基由中国轻工业南宁设计工程有限公司设计,桩基均为摩擦端承桩,检测桩基质量要求采用无损法超声波检测,需要预埋声测管。
声测管为φ50mm钢管,钢筋笼加强筋内侧对称布置3根声测管,安照120°均匀分布如图。
2。
桩基声测管施工方案1)桩基声测管的连接桩基钢筋笼由两部分组成,主笼长20m为主筋16或20的螺纹钢组成,副笼到达桩底为加强筋和接地钢筋组成,声测管为全桩长布置。
施工时,根据吊机能力,钢筋笼分段长度设置为20-22m。
钢筋连接采用单面焊接,焊缝长度不小于10d。
声测管底部出厂时已经封死,声测管顶部采用木塞堵塞,防止泥浆进入.声测管分段的连接一般采用以下4种方式:①法兰盘螺丝连接、②套筒式焊接、③套筒式铁丝绑扎、④螺丝扣套筒连接。
如下图所示。
2)桩基声测管的施工顺序①声测管制作加工声测管进场后首先要检查管壁是否有破损,接头处是否合格.其次确定声测管的分段长度。
声测管的长度需要根据钢筋笼的分段长度进行确定,不能过长也不能过短,否则无法对上下两节声测管进行连接。
声测管一般出厂长度为12m、9m和3m,根据钢筋笼长度合理搭配声测管型号。
声测管的底节在加工厂直接与接地钢筋和加强筋绑扎连接好,连接时应注意每道加强筋处都应将声测管进行绑扎,防止连接不牢固发生脱落现象。
②声测管的安装底节声测管与接地钢筋和加强筋是已经绑扎连接好的,可以直接利用吊车进行吊放。
底笼吊放至笼顶靠近钻机作业平台位置时,用钢柱或钢轨穿过加强筋位置并放置在作业平台上,进行第二节声测管吊放.因要调整第二节笼的声测管位置,所以第二节声测管是活动的,吊装时需要用钩子临时固定到接地钢筋和加强筋上。
第二节笼与底笼连接先焊接接地钢筋,然后调整第二节笼中声测管的高度,连接声测管。
依次顺序完成所有的钢筋笼吊装作业,声测管的顶部需要及时安装木塞或者橡胶套,防止泥浆进入声测管。
四、声测管施工通病及措施1。
泥浆通过声测管顶口流入声测管声测管安装完毕,必须及时用木塞塞住管口或者用橡胶套盖住管口,为后期破桩头时警示作业人员小心管口,另外需要用彩色塑料包裹管口.2。
灌注桩导管埋深控制兼声测管保护施工工法灌注桩导管埋深控制兼声测管保护施工工法一、前言灌注桩是一种常用的地基处理方法,它通过将混凝土灌注到地下形成的柱状体来增强地基承载能力。
然而,在施工过程中,灌注桩的导管埋深控制和管材保护是十分重要的问题。
为了解决这一问题,灌注桩导管埋深控制兼声测管保护施工工法被提出。
本文将对这一工法进行详细介绍。
二、工法特点灌注桩导管埋深控制兼声测管保护施工工法以水力冲击法将导管埋进地下,通过音频信号定位导管所在位置,从而控制导管的埋深。
同时,在灌注桩施工过程中,采取了声测管保护措施,有效地防止导管受损。
三、适应范围该工法适用于各类土质,可以在各种地质条件下进行施工。
它能够应用于各种工程类型,比如建筑工程、基础工程、桥梁工程等。
四、工艺原理该工法通过水力冲击法将导管埋入地下,通过音频信号定位导管的位置,并根据设计要求进行调整,从而控制导管的埋深。
同时,在灌注桩的施工过程中,采取声测管保护措施,确保导管在灌注过程中不会受到损伤。
五、施工工艺该工法的施工分为准备工作、导管埋置、声测管保护和灌注四个阶段。
在准备工作中,需要准备好所需的材料和机具设备。
在导管埋置阶段,采用水力冲击法将导管埋入地下,并通过音频信号进行位置定位与调整。
在声测管保护阶段,采取合理的保护措施,确保导管在施工过程中不受损伤。
最后,在灌注阶段将混凝土灌注到地下形成灌注桩。
六、劳动组织根据工程规模和施工情况,合理组织劳动力,确保施工进度和质量。
七、机具设备施工过程中需要使用的机具设备包括水力冲击器、声测仪、材料运输设备等。
这些设备具有良好的性能和使用方法,能够满足施工的需要。
八、质量控制为了确保施工质量,需要制定详细的质量控制措施和方法。
通过严格的施工计划和合理的施工技术,保证施工过程中的质量达到设计要求。
九、安全措施在工程施工中,安全是第一位的。
在灌注桩导管埋深控制兼声测管保护施工工法中,需要重点关注施工中的安全要求和危险因素,并采取相应的安全措施,确保施工过程的安全。
钻孔灌注桩声测管的施工质量控制南京长江四桥南接线工程S2标项目部许维俊桩基混凝土灌注完保养至龄期后,应对桩基质量进行检测,根据设计图纸要求本工程桥梁桩基的检测方法为超声波透射法和低应变法。
低应变法由于其检测结果精度低,目前主要用在小直径桩或短桩的检测,本工程只有陈家庄中桥24根灌注桩采用此检测方法。
超声波透射法虽然检测成本高于低应变法,但其检测结果准确性较高,目前我国采用相当普遍,本工程共有691根灌注桩采用此检测方法。
采用超声波透射法检测桩基质量,首先应进行声测管的预埋。
超声波透射法检测桩基质量的工作机理一般情况下就是一个发射,一个接收,两个探头从桩底按一定规定的高度上利用发射探头所发射的超声波通过混凝土再到接收探头,其间根据某些声学参数如幅度、频率等的不同变化,从而反映出混凝土内部情况如孔洞、强度、离析等。
而声测管就是探头运动的通道.声测管埋设时应按设计图要求绑缚于桩基的钢筋笼上,由于此工作方式,因此超声波透射法检测桩基质量不受桩长,桩径的影响,成为目前我国较受欢迎的桩基检测方法。
个人认为,要进行好超声波透射法检测基质量工作,准确客观地反映桩身质量,除了检测人员个人素质及检测设备的优劣外,更为重要的因素就是声测管的埋设是否满足规定技术要求,反之将直接影响着桩基的检测结果,严重时将会造成检测人员误判。
本工程前期曾因为声测管埋设不到位,导致探头被堵塞在声测管内,无法拔出,赔偿了检测方的经济损失,改用高应变检测方法,一方面增加了经济成本,另一方面也贻误了工期,还造成了不良影响,为避免发生上述情况,建议声测管的埋设采用如下方式作业:1.声测管一般应该采用钢管,而塑料PVC管虽然价格便宜,但由于施工中绑扎和水泥水化过程中发热等因素影响而容易变形,最终造成探头的上下运动无法进行检测,所以一般在工程中不采用塑料PVC管,本工程采用的是钢管.2.钢管声测管在进行联结时,一般采用螺丝口连接或焊接,焊接过程中应注意不要烧坏钢管,防止出现洞口导致混凝土浇筑时水泥浆体渗入而堵塞管道;焊接接头内存在的焊瘤要及时清除,钢管切口断面不得有毛刺,这些都会导致探头下不去,或者不能顺利拔出;采用螺丝口连接时,应在丝口处采用麻丝紧缠,目的以是为了防止水泥浆体渗入而堵塞管道.3.采用超声波透射法检测桩基质量时,声测管埋设数量应按相关要求,本工程直径φ1。
灌注桩声测管规范灌注桩声测管规范1. 引言灌注桩声测管是用于灌注桩施工过程中测量灌注桩声波传播速度和阻抗变化的一种测试方法。
本规范旨在规范灌注桩声测管的施工和测量操作,确保测试结果准确可靠。
2. 设备要求2.1 声测管应采用符合国家标准的声学传感器,并具有良好的防尘、耐候、低温等性能。
2.2 声测管与声测仪之间应使用符合规范要求的连接线,以确保信号传输的稳定和可靠。
3. 环境要求3.1 测量过程中应保持安静,避免干扰因素对测量结果的影响。
3.2 测量过程中应避免大风、强震等不利于测量精度的天气条件。
4. 灌注桩施工前的准备工作4.1 灌注桩声测管应灵活布置,保证与灌注桩的整体布置一致。
4.2 灌注桩声测管的位置应避开其他大型设备和机械设施,避免测量误差的产生。
4.3 灌注桩声测管的安装应牢固,避免松动和移位。
5. 灌注桩施工过程中的操作要求5.1 灌注桩声测管的安装应在灌注桩施工开始前完成,确保测量的及时性。
5.2 灌注桩声测管的连接线在灌注桩施工过程中应注意保护,避免破坏。
5.3 测量过程中应密切关注灌注桩的施工情况,及时记录施工参数和测量结果。
6. 灌注桩施工后的处理工作6.1 灌注桩施工完成后,应重新检查声测管的安装情况,确保其完好无损。
6.2 测量结果应进行数据处理和分析,并编制相应的测试报告。
6.3 对于测量结果异常的情况,应及时进行补测或验证,确保测试结果的准确性。
7. 安全事项7.1 在灌注桩施工过程中,应注意施工现场的安全,防止发生事故。
7.2 测量人员应装备个人防护用品,遵循相关安全操作规程,保证人身安全。
8. 结论灌注桩声测管是一种可靠的测试方法,用于灌注桩的质量控制和安全评估。
本规范对灌注桩声测管的设备要求、环境要求、操作要求和安全事项等进行详细的规范,使声测管测试结果更加准确可靠。
同时,本规范可作为灌注桩声测管施工和测量的参考依据。
灌注桩声测管埋设规范灌注桩声测管埋设规范主要包括以下方面的要求:一、声测管的材质和尺寸要求1. 声测管应采用耐腐蚀、防渗透性好的非金属材料,如聚氯乙烯(PVC)等。
2. 声测管的直径应根据具体工程要求确定,一般不小于100毫米。
3. 声测管的长度应根据土层厚度和声测需求确定,一般不小于土层厚度加上1米。
二、声测管的埋设深度要求1. 声测管的埋设深度应根据土层的性质、水文地质条件和声测要求等因素确定,一般不小于土层厚度的1/4。
2. 声测管的埋设深度应在灌注桩的桩顶以上,以免影响桩身的承载力。
三、声测管的排列方式和间距要求1. 声测管应均匀排列,间距不宜过大,一般为2-4米。
2. 声测管的竖向间距应根据声源点的深度和声场特性确定,一般为2-4米。
3. 声测管的横向间距应根据声测精度和声场特性确定,一般为5-10米。
四、声测管的固定和防护要求1. 声测管应尽量垂直埋设,固定牢固,避免晃动和位移。
2. 声测管的顶部应装有防护盖板,以防止外部物质进入声测管内部影响测量结果。
3. 声测管的底部应保持与地面接触,以保证声波的传导效果。
五、声测管的材料和工艺要求1. 声测管的材料应符合相关国家标准,并具有良好的耐压耐腐蚀性能。
2. 声测管的接口应采用密封性能好的连接方式,如橡胶密封圈、热熔焊接等。
3. 声测管应经过严格的质量检验和试验,在使用前应进行压力试验和漏水试验,确保其性能合格。
六、声测管的检测和验收要求1. 在声测管埋设完成后,应进行表面、接口和固定情况的检查和验收。
2. 声测管的质量检测应包括外观检查、尺寸检测、压力试验和漏水试验等。
3. 声测管的验收合格后,应进行标识和记录,方便后续的声测工作。
综上所述,灌注桩声测管的埋设规范主要包括声测管的材质和尺寸要求、埋设深度要求、排列方式和间距要求、固定和防护要求、材料和工艺要求以及检测和验收要求等方面的要求,保证声测管的质量和使用效果,确保声测工作的准确性和可靠性。
桩基声测管安装施工方案桩基声测管是一种用于检测地下岩土层声波传播特性的设备,广泛应用于土木工程中的桩基质量检测和设计等工作中。
其安装施工需要严格按照一定的程序进行,以确保测量结果的准确性和可靠性。
下面是一份桩基声测管的安装施工方案,总字数超过1200字。
一、前期准备1.根据工程要求和设计要求,确定声测管的布设位置和数量,并标示在施工图纸上。
2.将施工部位周围的地面进行清理,清除妨碍施工的杂物和障碍物。
3.检查声测管,确保其完好无损,并进行必要的校准和调试。
二、施工方案1.决定声测管的类型和安装方式。
可根据工程需要选用金属声测管或无损声测管,并决定是采用手工挖掘或机械挖掘的方式进行安装。
2.根据设计要求,确定声测管的安装深度,并进行标示。
三、施工程序1.根据设计要求,在桩基周围钻取标贝孔。
2.在钻孔底部清理灰土或浸泡土,以确保声测管与地基层接触良好。
3.安装声测管。
根据声测管的类型和安装方式,进行相应的安装工艺操作。
(1)手工挖孔安装方式:a.准备好足够数量的人工挖孔工具。
b.依次挖掘钻孔,注意保持孔径的垂直度和直径,确保声测管的顺利安装。
c.在钻孔底部设置一定厚度的填料,填好声测管并用锤击安装。
d.进行管与管之间的连接和封堵。
(2)机械挖孔安装方式:a.准备好足够数量的挖掘机械设备。
b.依次挖掘钻孔,注意控制挖孔的大小和深度。
c.在挖掘孔底部设置一定厚度的填料,然后将声测管降入孔中。
d.用挖掘机械设备对声测管进行压实,以保证其与地基层接触良好。
e.进行管与管之间的连接和封堵。
4.安装完成后,对声测管进行检查和清理。
检查安装是否符合设计要求,并清除声测管周围的杂物和障碍物。
四、安全措施1.施工人员必须具备相关的操作证书和经验,严禁无证或不熟悉操作的人员进行施工。
2.施工现场必须设置明显的警示标志,并有专人负责安全监控和引导。
3.施工过程中要注意施工人员的个人防护,确保施工人员的安全。
4.施工期间要严禁在桩基声测管周围进行其他施工作业,以免影响声测结果的准确性。
钻孔灌注桩声测管预埋和操作要点
检测和压浆施工操作要点
(1)钻孔灌注桩水下砼浇筑7d后开塞,开塞时用压力水从注浆管中压入,按2~3级压力顺序逐次进行,一般在2~5MPa时橡胶管裂开;
(2)开塞后,待桩基砼强度达到设计强度的 70 且不小于 15MPa、桩基水下混凝土龄期不小于 14d后可进行超声波检测;
(3)接收及发射换能器置于检测管内,并能在管内顺利提升及下降,检测时由检测管底部开始;
(4)测量时发射与接收换能器置于同一标高,当发射与接收换能器置于不同标高时,其水平测角为30℃~40℃;
(5)发射与接收换能器同步升降,各测点发射与接收换能器相对高差不大于 2cm,随时校正;
(6)将每2根检测管编为一组,分组进行测试,测量点距为 40cm 或50cm,当发现读数异常时,加密测量点距(间距20cm)并重复抽测。
后注浆法操作要点
(1)超声波检测合格或桩基缺陷修正完毕后方可进行压浆处理;
(2)浆液由水、水泥、膨润土、缓凝剂(试配)等组成,比重:17~18kN/m,水灰比0.5~0.6,初凝:2~3h,流动性好,泌水小,7d抗压强度不小于 5MPa,28d抗压强度不小于 C30;
(3)压浆时将整个承台群桩一次性压浆,各桩压浆顺序从外围到中心,压浆分 3次进行,按 40% 、40% 、20% 的压浆量循环压入;
(4)每根桩总压浆量不小于2D(D为桩径,每根管压浆量宜均衡),压浆终止压力为 5~8MPa(桩底静水压力的 2~4倍)并持荷 5~10min;
(5)控制标准采取压浆量与压力双控,且以压浆量控制为主,压力控制为辅,若压力达控制值,持荷 5min 后达到设计压浆量的 80% 也满足要求。
混凝土灌注桩声测管埋设要点及预控措施一、混凝土灌注桩声测管埋设要点:1 声测管内径宜为50~60mm 。
2声测管应下端封闭、上端加盖、管内无异物;声测管连接处应光滑过渡,管口应高出桩顶100m m 以上,且各声测管管口高度宜一致。
3 应采取适宜方法固定声测管,使之成桩后相互平行。
4 声测管埋设数量应符合下列要求:1) D≤800mm,2 根管。
2)800mm<D<2000mm,不少于3根管(江苏省要求混凝土灌注桩管径大于800mm时应设置声测管)。
3) D>2000mm ,不少于4 根管。
(式中D ——受检桩设计桩径)。
5 声测管应沿桩截面外侧呈对称形状布置,按图所示的箭头方向顺时针旋转依次编号。
二、混凝土灌注桩声测管施工过程中易出现的问题及控制措施:1、当声测安装工艺不当时,可能造成漏浆、堵管、断裂、弯曲、下沉、变形等事故,对超声波透射法进行桩基完整性检测产生较大影响,甚至于无法进行超声波透射法检测。
2、下钢筋笼过程很关键,声测管管帽一定要盖牢,防止杂物的进入。
3、钢筋笼放入桩孔时应防止扭曲,管与管平行垂直,声测管随钢筋笼分段安装,每埋设一节均应向声测管内加注清水,声测管安装完毕后应加盖或加塞封闭,以防浇注混凝土时落入异物,堵塞孔道。
4、声测管的上端应高于灌注桩顶面100mm-500mm,同一根桩的声测管的外露高度应相同。
5、在灌注基桩浇注混凝土之前,应检查声测管内的水位,如管内水不满,则应补充灌满。
6、若声测管需割断,应采用切割机切断,并对管口进行打磨除刺,不得用点焊机烧断。
7、焊接钢筋时,应避免焊液流溅到声测管管体上或接头上。
8、声测管在使用时,应在钢管插入端适量涂油,以保证接头的顺利插入。
无限平台,无限娱乐,无限娱乐平台3vLmYNxX8KXP。
灌注桩声测管规范灌注桩声测管规范为了保障灌注桩施工过程的质量和安全,制定相应的声测管规范是必要的。
下面就灌注桩声测管的选择、安装和使用进行规范化说明。
一、声测管选择1. 声测管的材质应符合规定的要求,常见的材质有塑料、金属等。
根据实际施工情况选择合适的材质。
2. 声测管的直径和长度应根据灌注桩的直径和深度进行选择。
一般情况下,选择直径稍大于灌注桩直径的声测管,长度与灌注桩深度有关。
二、声测管安装1. 在灌注桩施工前,应提前安装好声测管。
安装时,应将声测管正确连接到声测设备上,并检查连接是否牢固。
2. 声测管的埋设深度应符合要求,一般埋设在灌注桩注浆段顶部水平面以下300mm处,以保证测量的准确性。
3. 声测管的连接点处应密封,并采取防水措施,以防止渗漏。
三、声测管使用1. 在声测过程中,应确保声测管与土体和灌注桩之间的接触充分。
接触面积应达到最大,并采取适当的固定措施,以保证测量的准确性。
2. 使用过程中,应避免声测管受到外界干扰,如机械振动、冲击等,以免影响测量结果。
3. 在灌注桩施工过程中,应根据需要对声测管进行检查和维护,确保其正常工作。
定期清理管道内的杂物和污垢,并检查声测管的连接是否松动。
四、声测管记录和报告1. 在进行声测时,应及时记录各项测量数据,包括声波传播时间、反射信号等。
2. 对于多桩连续施工的情况,应按顺序记录每个桩的测量结果,并进行整理和比对。
3. 对于异常情况和测量结果的偏差,应尽快进行分析,并记录在报告中。
对于超出规定范围的情况,应采取相应措施进行排除和修正。
以上是关于灌注桩声测管规范的一些要点。
在实际施工中,应严格遵循规范的要求,保证声测管的选择、安装和使用符合标准,以提高施工质量和测量准确性。
同时,在整个声测过程中,应及时记录和报告相关数据,并对异常情况进行分析和处理,以保证施工的顺利进行。
钻孔灌注桩施工管理措施一、质量保证措施长螺旋钻孔灌注桩为地下隐蔽工程,施工过程中必须实行严格而有效的质量管理制度,以确保工程质量,特提出如下措施:1、对全体施工人员要加强质量管理,牢固树立“质量第一”的观念,做到人人重视质量,关心质量,自觉采取措施保证质量。
2、实行全面质量管理,重点是钻进成孔、制笼、灌注混凝土和下钢筋笼四个主要工序,先行施工的工序未经检查验收合格不准进入下道工序施工。
3、由工程技术人员、机台施工人员共同组成QC小组,及时解决施工中的质量问题。
4、严格按设计要求制作钢筋笼,检验商品混凝土坍落度,制作好砼试块。
5、认真、准确地做好各工序施工记录,及时交汇,发现问题后立即采取补救措施,对原始资料严格管理,及时整理归档。
二、安全生产措施1、全体施工人员都必须严格遵守安全操作规程,牢固树立“安全第一、预防为主、综合治理”的思想,自觉采取措施确保安全生产。
2、严格执行有关安全工作规定,互相监督,严防事故的发生。
3、设置合理的供电系统,经常检查线路是否有断线、破皮、短路等情况。
4、机械设备的安全装置必须处于良好状态,对裸露的传动系统或易于造成事故的凸出部位设置安全防护罩。
5、各岗位工作人员,必须思想集中,认真操作,发现事故隐患及时处理,决不凑合。
6、工地设置安全小组成员,除经常检查及时消除事故隐患外,行使下列权力:(1)当领导违章指挥时,有权拒绝执行。
(2)当岗位人员违章蛮干时,有权停止其操作;(3)在重大事故隐患未排除之前,有权停止生产;(4)对在安全生产中做出突出贡献和造成重大事故者有权提出奖罚意见。
三、施工管理措施1、长螺旋钻孔灌注桩工艺程序繁杂,必须做到精心组织,科学管理。
2、建立健全组织管理机构,设置项目经理1人,项目技术负责1人,施工员1人,质检员1人、安全员1人,劳资员1人,机械员1人,材料员1人,取样员1人,钻进成孔、制作钢筋笼、搅拌混凝土、砼灌注等主要工序,分别设立负责人,各负其责。
浅谈灌注桩中超声波检测管的安装超声波声测管是灌注桩进行超声检测法时探头进入桩身内部的通道。
它是灌注桩超声检测系统的重要组成部分,同时还可以作为事故桩缺陷冲洗与压浆处理的通道。
超声波声测管在桩内的预埋方式及其在桩的横截面上的布置形式将直接影响检测结果。
因此,需检测的桩应在设计时将声测管的布置和埋置方式标入图纸,在施工时严格控制埋置的质量,以确保检测工作得以顺利进行。
现主要谈谈声测管在运输、装卸、安装要求、安装规程。
声测管进场装卸时,尽量人工装卸,避免粗暴装卸,如备用吊带方可用吊车装卸,切不可用吊车钢丝绳装卸,以防止装卸时损伤声测管接口。
声测管应堆放于平坦的地面,用三根木方间隔3-5m布置,平整堆放于木方上,并用篷布覆盖,避免淋雨加快锈蚀。
声测管进场后应及时检测,其各项技术指标应符合JT/T705-2007标准,主要参数见下表: 声测管的安装要求1、基桩检测与声测管的埋设布置应符合JTG/TF81-01的规定。
2、声测管的底部应采用焊接盲盖或钢板来保证密封不漏浆。
3、声测管可直接固定在钢筋笼内侧上,固定点的间距一般不超过2m,其中声测管底端和接头部位宜设固定点,对于无钢筋笼的部位,声测管可用钢筋支架固定。
固定方式可采用焊接或绑扎,当采用焊接时,应避免烧穿声测管或在管内壁形成焊瘤,影响声测管的通直。
4、钢筋笼放入桩孔时应防止扭曲,声测管一般随钢筋笼分段安装,每埋设一节均应向声测管内加注清水。
声测管安装完毕后应将上口加盖或加塞封闭,以免浇灌混凝土时落入异物,致使孔道堵塞。
5、声测管埋设深度应在灌注桩的底部以上50mm-150mm,声测管的上端应高于灌注桩顶面300mm~500mm,同一根桩的声测管外露高度宜相同。
6、在灌注基桩水下混凝土之前,应检查声测管内的水位,如管内的水不满,则应补充灌满。
7、若声测管需截断,宜用切割机切断,切割后应对管口进行打磨消除内外毛刺,不宜以电焊烧断。
8、焊接钢筋时,应避免焊液流溅到声测管管体上或接头上。
关于钻孔灌注桩声测管施工质量控制
超声波检测管是钻孔灌注桩进行超声波检测的关键构件,它的施工质量直接关系到桩基能否顺利进行检测,是进行桩基检测
的关键环节,为确保桩基声测管的施工质量,保证桩基检测的顺
利进行,桩基声测管的施工质量控制要点如下:
一、技术要求:
1、声测管应采用设计图纸要求的无缝钢管,材料应检验合格并有合格证书,壁厚及外径应满足设计要求。
2、声测管及接头的性能试验应满足规范要求。
3、声测管应顺直,弯曲度不大于5mm/m。
4、声测管两端截面应与其轴线垂直,并应无毛刺。
5、声测管不允许有裂纹、结疤、折叠、分层、搭焊缺陷存在。
6、声测管内应畅通无异物。
二、安装要求:
1、声测管的底部应采用设计要求的钢板来保证密封不漏浆。
2、声测管可直接固定在钢筋笼内侧上,固定点的间距一般不超过2m,其中声测管底端和接头部位宜设固定点,对于无钢筋笼的部位用加强筋固定。
固定方式可采用焊接或绑扎,
当采用焊接时,应避免烧穿声测管或在管内壁形成焊瘤,影响声测管的通直。
3、钢筋笼放入桩孔时应防止扭曲,每埋设一节均应向声测管内加注清水。
声测管安装完毕后应将上口加盖或加塞封闭,以免浇灌砼时落入异物,致使孔道堵塞。
4、若声测管需截断,宜用切割机切断,切割后应对管口进行打磨消除内外毛刺,不宜以电焊烧断。
5、焊接钢筋时,应避免焊液流溅到声测管管体上或接头上。
桩基声测管施工是桩基检测的关键环节,施工单位应加强自检,驻地办应加大抽检力度,保证桩基声测管的施工质量,对不合格声测管必须清除出场。
二〇一四年五月十二日。
钻孔灌注桩声测管安装当桩长大于30米时要安装声测管。
具体安装方法如下:(1)声测管接头声测管连接应光滑过渡,连接方式采用套管连接。
(2)声测管防渗漏声测管防渗漏,即防止灌筑混凝土时有水泥浆渗入管内,造成堵管。
声测管螺纹接头与套筒连接之前,声测管两端接头应包裹防水胶带。
在钢筋笼加工时声测管的一端就提前包裹防水胶带,然后把该端接头的套筒安装到接头上,焊接好防止漏水。
(3)声测管下料为在满足检测要求的同时节约材料,声测管的下料以满足桩基在混凝土灌筑结束后,能及时疏通为宜,上端高出基桩顶面大于20cm,管底到实际孔底。
(4)声测管的安装声测管安装前应检查其管内是否有异物等堵塞,同时必须检查管身是否有裂纹、弯曲或压扁等情况。
(1)加工厂安装声测管在加工场安装时,按钢筋笼分节定位声测管,三根声测管按120°均匀布设,声测管捆扎在钢筋的内侧,声测管之间互相平行,并用防滑钩固定其位置,防止在安装钢筋笼时滑落。
如无筋区长度过大时需考虑对无配筋区声测管的定位及固定。
采用6根均匀分布的Ⅱ级<16主筋,每隔2 m设Ⅱ级<16箍筋一道为声测管定位和固定的钢筋骨架。
其接头连接和固定方式与其他声测管一致。
声测管的最下端一节应封闭。
封口方式:声测管底口与钢板封盖焊接,底口与封盖处应焊满,确保不漏水。
底节声测管固定采用圆环钢筋箍住底节声测管,并与主筋焊接牢固,其中圆环钢筋与声测管点焊两处,与主筋接触位置满焊。
(2)现场安装吊放钢筋笼入孔时,严格控制吊绳位置,确保笼体竖直。
应对准孔位后轻放,入孔后应徐徐下放,不得左右旋转。
先焊接主筋部分,为防止杂物进入声测管,钢筋笼的焊接与声测管的对接不能同时进行。
声测管顶部应用塑料盖封口,待主筋焊接完成后,把上节钢筋笼的声测管绑扎铁丝松开,移除防滑钩,上下声测管对齐。
管口包裹防水胶带,用钳管把声测管下端口在套筒处拧紧(一般拧紧后声测管端口剩余两个丝牙) ,然后把声测管与主筋绑扎固定。
声测管的安装方法第一:声测管安装要求1、声测管进入施工现场一定要符合施工要求。
2、声测管在运输、搬运、安装过程中避免造成声测管扭曲变形状况出现。
3、如果声测管在施工现场放置时间过长,避免被雨淋、以免生锈。
第二:声测管的安装方法1、安装桩基的钢筋笼架2、安装底盖到超声波的底部(已于工厂预先焊装底盖的超声波管可按要求提供)3、4、3、用铁丝(直径最少为1.5mm)把有底盖的超声波管等份固定在钢筋笼的钢筋上5、6、铁丝的绑法:先把铁丝在钢筋上缠绕两圈,然后以编辫子的方法编至70-80mm长,再把铁丝叉开捆住声测管,然后拧紧铁丝。
(所有的铁丝绑法都按此方法)7、8、铁丝绑的位置:底盖处用铁丝绑的一道,其余的连接头处用丝绑一道,声测管中间部分均三等份捆绑,即中间绑两道。
9、10、4、将第二根声测管的底部(有划线标志)对准已绑好的测承插口部,保证两根管子处于同一轴线;并确认管件端部与画线位置相距3mm以内。
(注意:一定要检查声测管承插口端中的“O”形密封圈完好并经润滑)。
11、12、5、压紧把专用的液压工具模头的环状凹部对准承插口(或接头)端部内装有橡胶圈的环状凸部,将对接部位管材同时压紧至六边形状。
13、14、6、检查压紧度用量规确认尺寸是否正确,量规可完全卡入六边形部位,即表示压紧已经到位。
15、16、7、用铁丝(直径最少为1.5mm)把第二根声测管三等固定在钢筋笼上(中间绑两道,顶端连接头必须用铁丝绑一道);17、18、8、其余要连接的声测管均按第四步到第七步安装,直所需上长度19、20、9、最上端的声测管一定要用顶盖盖上,防止泥土、杂进入管内21、22、10、声测管安装完成后,目测所安装的声测管从上到下否竖成一条直线以下是声测管的安装示意图,仅供大家参考:第三:声测管布置方式声测管的埋置数量及其在桩的横截面的布局应考虑检测的控制面积。
一般桩径小于0.6~1m时,沿直径布置两根;桩径为1~2.5m时,布置3根,呈等边三角形;桩径大于2.5m时,布置4根,呈正方形。
桩基声测管安装施工方案一、背景介绍桩基声测管是用于地基工程中进行声波传播测试的重要设备,通过声波的传播特性可以获取地下岩土层的信息,对工程的施工和监测具有重要意义。
本文将介绍桩基声测管的安装施工方案,以保障工程质量和安全。
二、施工准备1.确定安装位置:根据工程需要和设计要求,确定桩基声测管的布设位置,同时进行现场勘测确定最佳安装位置。
2.准备材料和设备:准备所需的声测管、导线等材料和施工设备。
3.确定施工人员:安排合格的专业施工人员进行施工,保证施工质量。
三、施工步骤1.开挖孔洞:根据设计要求,对安装位置进行开挖孔洞,确保孔洞深度和直径符合要求。
2.安装声测管:将声测管嵌入孔洞中,确保与地面平齐,并严密固定。
3.连接导线:将导线连接至声测管,确保连接牢固和导线畅通无阻。
4.密封固定:对声测管和孔洞进行密封固定,防止杂物进入影响测试结果。
5.完善施工记录:及时记录施工过程中的关键信息和问题,方便后续监测和维护。
四、施工质量控制1.施工监督:安排专人对施工过程进行监督,确保符合设计要求。
2.施工质量检验:在施工完成后进行质量检验,确保声测管安装牢固和导线连接正常。
3.施工记录归档:将施工记录和检验报告进行归档保存,作为工程监测的重要依据。
五、安全注意事项1.施工人员必须佩戴相关安全装备,严禁在无保护措施下进行作业。
2.孔洞周围必须设置警示标志,确保施工现场安全。
3.操作人员需严格按照作业规程进行操作,杜绝事故发生。
六、总结桩基声测管的安装施工是地基工程中不可或缺的一部分,本文提供了桩基声测管安装的详细施工方案,从施工准备、施工步骤、质量控制和安全注意事项等方面进行了介绍,旨在帮助工程施工人员规范施工过程,确保工程质量和安全。
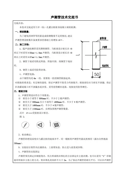
钻孔灌注桩声测管安装管理办法钻孔灌注桩施工时,为检测桩基础缺陷位置、范围和程度,判定桩身完整性类别,因此需安装声测管。
为保证顺利检桩,划分各工班工作内容及责任,特出此管理办法。
本工程声测管采用外径D54mm*1.5mm钢管,有承插口;套管为D60mm×2.75mm,声测管封口采用橡胶帽。
声测管的数量由桩径大小决定。
当D(桩径)≤1800mm,安装3根声测管,按等边三角形布置;当D≥2000mm时,安装 4根声测管,按正方形布置。
一、钢筋班职责
(1)声测管预先固定在每段钢筋笼内。
用铁丝绑扎的方法对称固定在架立筋内侧。
(2)声测管采用承插口连接;安装时承口朝上,插口套进承口后,将承插口用管钳加固好,要求封闭严实,不漏水。
(3)在每节钢筋笼下放结束时,在声测管内注入清水检查管路的密封性能。
当声测管内注满清水后,以保持水面稳定不下降为达到要求。
如发现漏水应提起钢筋笼检查,在排除障碍物后才能下笼。
声测管每连接好一段,与钢筋笼加劲箍筋牢固的绑扎在一起,严防声测管折断。
(4)声测管应一直埋设至桩底。
声测管底部应预先封死。
安装完并确定不漏水后将顶部用橡胶帽封死,再用铁丝扎牢。
以免浇筑混凝土时落入异物,致使管道堵塞。
(5)钢筋笼安装完成后,施工双方现场填写工序交接单,明确双方责任。
在安装过程中,如发现声测管破损,密封不实,加固不牢靠等情况,桩基队应监督并及时反映,督促钢筋班改正,将发生问题在
交接单中注明。
二、桩基队职责:
(1)成孔必须达到设计孔深,孔径,孔底沉渣符合要求,才能进行钢筋笼安装。
(2)在安装时每下一节声测管就要注满清水,严禁注入泥浆。
(3)施焊时注意不要烧坏管壁,以防造成渗水渗浆。
施工过程应严格按照此管理办法施工,如发生因声测管堵塞造成无法检桩,所需钻芯费用将按照责任划分由相应工班承担全部承担。
希望各工班互相监督、互相协作,将桩基工作顺利完成。
工序中间交接单。