钻孔灌注桩薄壁声测管和施工要求
- 格式:doc
- 大小:88.00 KB
- 文档页数:20
jtt 705-2007混凝土灌注桩用钢薄壁声测管及使用要求JTT 705-2007是国内关于混凝土灌注桩用钢薄壁声测管的标准规范,该规范主要涵盖了声测管的材料、制造工艺、技术要求和使用要求等。
下面将就该规范中钢薄壁声测管及其使用要求进行详细阐述。
钢薄壁声测管是在混凝土灌注桩施工中常用的一种设备,其主要作用是记录混凝土灌注过程中的声波信号,以评估桩体质量。
根据JTT 705-2007的规定,钢薄壁声测管的材质应符合相关的国家标准,且其应具备良好的强度和耐腐蚀性能。
此外,声测管的制造工艺也应符合规范要求,确保其具备良好的尺寸精度和表面光洁度。
在钢薄壁声测管的技术要求方面,JTT 705-2007规定了管身的各项参数,如外径、壁厚和长度等。
这些参数的选取应根据具体工程条件和声波测量要求进行确定。
同时,声测管的连接方式也是一个重要的技术要求,常见的连接方式有螺纹连接和焊接连接等。
无论采用何种连接方式,都应确保连接部位的强度和密封性。
除了对声测管的材料和制造工艺有严格要求外,JTT 705-2007还明确了声测管的使用要求。
首先,声测管的安装应在桩身施工完成后进行,避免对施工造成影响。
其次,声测管的安装位置要选择在混凝土灌注区域内,以确保可以准确记录到灌注过程中的声波信号。
安装时应保证声测管与桩体之间的贴合度,并采取防水措施,避免雨水渗入声测管内部。
在使用过程中,还需要对声测管进行保护和维护。
声测管在施工过程中容易受到外力的影响,因此需要避免剧烈碰撞或挤压。
在测量过程中,也要保证声测管表面的光洁度,避免灰尘等杂质影响测量结果。
同时,还需要定期清洁声测管内部,并检查是否存在损坏或老化等情况。
总之,JTT 705-2007对于混凝土灌注桩用钢薄壁声测管的制造和使用进行了详细规定。
遵循该标准可以有效保证声测管的质量和正常使用,确保声波信号记录的准确性和可靠性。
在使用钢薄壁声测管时,还需要注意以下几个方面。
首先,声测管的安装位置要选择在桩身的关键部位,如桩笔、桩身、桩跨等位置,以确保可以准确记录到混凝土灌注过程中的声波信号。
钻孔灌注桩声测管的施工质量控制南京长江四桥南接线工程S2标项目部许维俊桩基混凝土灌注完保养至龄期后,应对桩基质量进行检测,根据设计图纸要求本工程桥梁桩基的检测方法为超声波透射法和低应变法。
低应变法由于其检测结果精度低,目前主要用在小直径桩或短桩的检测,本工程只有陈家庄中桥24根灌注桩采用此检测方法。
超声波透射法虽然检测成本高于低应变法,但其检测结果准确性较高,目前我国采用相当普遍,本工程共有691根灌注桩采用此检测方法。
采用超声波透射法检测桩基质量,首先应进行声测管的预埋。
超声波透射法检测桩基质量的工作机理一般情况下就是一个发射,一个接收,两个探头从桩底按一定规定的高度上利用发射探头所发射的超声波通过混凝土再到接收探头,其间根据某些声学参数如幅度、频率等的不同变化,从而反映出混凝土内部情况如孔洞、强度、离析等。
而声测管就是探头运动的通道.声测管埋设时应按设计图要求绑缚于桩基的钢筋笼上,由于此工作方式,因此超声波透射法检测桩基质量不受桩长,桩径的影响,成为目前我国较受欢迎的桩基检测方法。
个人认为,要进行好超声波透射法检测基质量工作,准确客观地反映桩身质量,除了检测人员个人素质及检测设备的优劣外,更为重要的因素就是声测管的埋设是否满足规定技术要求,反之将直接影响着桩基的检测结果,严重时将会造成检测人员误判。
本工程前期曾因为声测管埋设不到位,导致探头被堵塞在声测管内,无法拔出,赔偿了检测方的经济损失,改用高应变检测方法,一方面增加了经济成本,另一方面也贻误了工期,还造成了不良影响,为避免发生上述情况,建议声测管的埋设采用如下方式作业:1.声测管一般应该采用钢管,而塑料PVC管虽然价格便宜,但由于施工中绑扎和水泥水化过程中发热等因素影响而容易变形,最终造成探头的上下运动无法进行检测,所以一般在工程中不采用塑料PVC管,本工程采用的是钢管.2.钢管声测管在进行联结时,一般采用螺丝口连接或焊接,焊接过程中应注意不要烧坏钢管,防止出现洞口导致混凝土浇筑时水泥浆体渗入而堵塞管道;焊接接头内存在的焊瘤要及时清除,钢管切口断面不得有毛刺,这些都会导致探头下不去,或者不能顺利拔出;采用螺丝口连接时,应在丝口处采用麻丝紧缠,目的以是为了防止水泥浆体渗入而堵塞管道.3.采用超声波透射法检测桩基质量时,声测管埋设数量应按相关要求,本工程直径φ1。
灌注桩声测管规范灌注桩声测管规范1. 引言灌注桩声测管是用于灌注桩施工过程中测量灌注桩声波传播速度和阻抗变化的一种测试方法。
本规范旨在规范灌注桩声测管的施工和测量操作,确保测试结果准确可靠。
2. 设备要求2.1 声测管应采用符合国家标准的声学传感器,并具有良好的防尘、耐候、低温等性能。
2.2 声测管与声测仪之间应使用符合规范要求的连接线,以确保信号传输的稳定和可靠。
3. 环境要求3.1 测量过程中应保持安静,避免干扰因素对测量结果的影响。
3.2 测量过程中应避免大风、强震等不利于测量精度的天气条件。
4. 灌注桩施工前的准备工作4.1 灌注桩声测管应灵活布置,保证与灌注桩的整体布置一致。
4.2 灌注桩声测管的位置应避开其他大型设备和机械设施,避免测量误差的产生。
4.3 灌注桩声测管的安装应牢固,避免松动和移位。
5. 灌注桩施工过程中的操作要求5.1 灌注桩声测管的安装应在灌注桩施工开始前完成,确保测量的及时性。
5.2 灌注桩声测管的连接线在灌注桩施工过程中应注意保护,避免破坏。
5.3 测量过程中应密切关注灌注桩的施工情况,及时记录施工参数和测量结果。
6. 灌注桩施工后的处理工作6.1 灌注桩施工完成后,应重新检查声测管的安装情况,确保其完好无损。
6.2 测量结果应进行数据处理和分析,并编制相应的测试报告。
6.3 对于测量结果异常的情况,应及时进行补测或验证,确保测试结果的准确性。
7. 安全事项7.1 在灌注桩施工过程中,应注意施工现场的安全,防止发生事故。
7.2 测量人员应装备个人防护用品,遵循相关安全操作规程,保证人身安全。
8. 结论灌注桩声测管是一种可靠的测试方法,用于灌注桩的质量控制和安全评估。
本规范对灌注桩声测管的设备要求、环境要求、操作要求和安全事项等进行详细的规范,使声测管测试结果更加准确可靠。
同时,本规范可作为灌注桩声测管施工和测量的参考依据。
《混凝土灌注桩用钢薄壁声测管及使用要求》混凝土灌注桩用钢薄壁声测管是一种常用于灌注桩施工中的独特工具,它可以用来检测桩内是否存在缺陷、空洞或者沉降变形等情况。
在使用钢薄壁声测管时,需要遵守一定的使用要求,以确保其能够正确、有效地发挥作用,下面将给出相关的参考内容。
一、声测管的材质和尺寸选择1. 声测管的主要材质应为高品质和无缺陷的钢材。
2. 声测管的尺寸要根据具体的工程要求进行选择,以确保能够满足声波的传播和接收要求。
二、声测管的安装1. 在进行灌注桩施工之前,应对声测管进行预先处理,包括清洗、防锈和喷涂防腐等工作。
2. 声测管应垂直于桩身安装,插入桩体的深度应根据桩的具体情况决定,通常应插入至桩底部。
三、声测管的连接1. 声测管之间的连接应牢固可靠,用于连接的零部件如接头、螺栓等应符合相关标准。
2. 声测管的连接处应进行防水处理,以防止孔隙水进入声测管内部。
四、声测管的检测1. 在进行灌注桩施工时,检测人员应合理安排检测时间,以确保能够及时发现可能存在的缺陷情况。
2. 检测设备和仪器应经过校验和检测合格,确保准确可靠。
五、声测管的维护1. 检测结束后,应及时清理声测管的内部和外部,保持其干净整洁。
2. 如果发现声测管存在损坏、变形等情况,应及时更换或修复。
六、声测管的存放1. 在不使用声测管时,应进行合理存放,避免其受到外界损害。
2. 存放的环境应干燥通风,远离腐蚀性物质和潮湿环境。
总之,混凝土灌注桩用钢薄壁声测管在灌注桩施工中扮演着重要的角色,但其使用也存在一定的要求。
遵守这些要求可以保证声测管的正常使用和检测效果,提高工程的质量和安全性。
jtt 705-2007混凝土灌注桩用钢薄壁声测管及使用要求混凝土灌注桩是一种常用的地基加固技术,钢薄壁声测管是其中一个重要的组成部分。
本文将就钢薄壁声测管的定义、材质要求、安装要求、使用要求等方面进行详细介绍。
一、钢薄壁声测管的定义钢薄壁声测管是一种用于混凝土灌注桩施工中进行声波传播测试的管道。
其特点是管壁薄,具有良好的声波传导性能,能够有效地测量土体的动力特性及桩的质量与成果。
二、钢薄壁声测管的材质要求1.管材选用低合金高强度结构钢,例如Q345B钢,其材料性能稳定,抗压强度高。
2.管材的厚度要求一般为4mm-6mm,以确保管材具有足够的强度和刚度。
3.管材的直径一般为Φ48mm-Φ60mm,具体根据工程需求进行选择。
三、钢薄壁声测管的安装要求1.在混凝土灌注桩施工过程中,钢薄壁声测管应与桩身同步灌注,确保其与桩身紧密结合。
2.声测管的安装位置应位于桩身纵向中心线上,并与桩身连接处留有一定间隙,以避免测得的声波数据受到桩身的干扰。
3.安装过程中,应定期检查声测管的连接是否牢固,防止安装中的松动或脱落。
四、钢薄壁声测管的使用要求1.在进行混凝土灌注桩施工前,应对声测管进行清洁,并确保表面干燥,以保证传感器的灵敏度和准确性。
2.灌注桩施工过程中,应及时监测声测管传感器的工作状态,如出现故障或异常应及时停机检修。
3.桩施工完成后,应进行声测管的动态测试,以确保声测管的准确性和可靠性。
4.在使用过程中,应及时清理声测管内部的杂质和堵塞物,确保管道通畅。
5.每次使用完毕后,应将声测管妥善存放,并保持其温度适宜,防止贮存环境的腐蚀及高温等因素对声测管造成损害。
总之,钢薄壁声测管作为混凝土灌注桩施工的重要设备之一,对于桩的质量与成果具有重要的作用。
因此,在使用钢薄壁声测管时,必须严格按照材质要求、安装要求和使用要求进行操作,以确保施工的准确性和稳定性。
同时,在使用过程中还需进行定期的检测与维护,及时排除问题,并保证声测管的正常工作状态。
灌注桩声测管埋设规范灌注桩声测管埋设规范主要包括以下方面的要求:一、声测管的材质和尺寸要求1. 声测管应采用耐腐蚀、防渗透性好的非金属材料,如聚氯乙烯(PVC)等。
2. 声测管的直径应根据具体工程要求确定,一般不小于100毫米。
3. 声测管的长度应根据土层厚度和声测需求确定,一般不小于土层厚度加上1米。
二、声测管的埋设深度要求1. 声测管的埋设深度应根据土层的性质、水文地质条件和声测要求等因素确定,一般不小于土层厚度的1/4。
2. 声测管的埋设深度应在灌注桩的桩顶以上,以免影响桩身的承载力。
三、声测管的排列方式和间距要求1. 声测管应均匀排列,间距不宜过大,一般为2-4米。
2. 声测管的竖向间距应根据声源点的深度和声场特性确定,一般为2-4米。
3. 声测管的横向间距应根据声测精度和声场特性确定,一般为5-10米。
四、声测管的固定和防护要求1. 声测管应尽量垂直埋设,固定牢固,避免晃动和位移。
2. 声测管的顶部应装有防护盖板,以防止外部物质进入声测管内部影响测量结果。
3. 声测管的底部应保持与地面接触,以保证声波的传导效果。
五、声测管的材料和工艺要求1. 声测管的材料应符合相关国家标准,并具有良好的耐压耐腐蚀性能。
2. 声测管的接口应采用密封性能好的连接方式,如橡胶密封圈、热熔焊接等。
3. 声测管应经过严格的质量检验和试验,在使用前应进行压力试验和漏水试验,确保其性能合格。
六、声测管的检测和验收要求1. 在声测管埋设完成后,应进行表面、接口和固定情况的检查和验收。
2. 声测管的质量检测应包括外观检查、尺寸检测、压力试验和漏水试验等。
3. 声测管的验收合格后,应进行标识和记录,方便后续的声测工作。
综上所述,灌注桩声测管的埋设规范主要包括声测管的材质和尺寸要求、埋设深度要求、排列方式和间距要求、固定和防护要求、材料和工艺要求以及检测和验收要求等方面的要求,保证声测管的质量和使用效果,确保声测工作的准确性和可靠性。
桩基声测管安装施工方案桩基声测管是一种用于检测地下岩土层声波传播特性的设备,广泛应用于土木工程中的桩基质量检测和设计等工作中。
其安装施工需要严格按照一定的程序进行,以确保测量结果的准确性和可靠性。
下面是一份桩基声测管的安装施工方案,总字数超过1200字。
一、前期准备1.根据工程要求和设计要求,确定声测管的布设位置和数量,并标示在施工图纸上。
2.将施工部位周围的地面进行清理,清除妨碍施工的杂物和障碍物。
3.检查声测管,确保其完好无损,并进行必要的校准和调试。
二、施工方案1.决定声测管的类型和安装方式。
可根据工程需要选用金属声测管或无损声测管,并决定是采用手工挖掘或机械挖掘的方式进行安装。
2.根据设计要求,确定声测管的安装深度,并进行标示。
三、施工程序1.根据设计要求,在桩基周围钻取标贝孔。
2.在钻孔底部清理灰土或浸泡土,以确保声测管与地基层接触良好。
3.安装声测管。
根据声测管的类型和安装方式,进行相应的安装工艺操作。
(1)手工挖孔安装方式:a.准备好足够数量的人工挖孔工具。
b.依次挖掘钻孔,注意保持孔径的垂直度和直径,确保声测管的顺利安装。
c.在钻孔底部设置一定厚度的填料,填好声测管并用锤击安装。
d.进行管与管之间的连接和封堵。
(2)机械挖孔安装方式:a.准备好足够数量的挖掘机械设备。
b.依次挖掘钻孔,注意控制挖孔的大小和深度。
c.在挖掘孔底部设置一定厚度的填料,然后将声测管降入孔中。
d.用挖掘机械设备对声测管进行压实,以保证其与地基层接触良好。
e.进行管与管之间的连接和封堵。
4.安装完成后,对声测管进行检查和清理。
检查安装是否符合设计要求,并清除声测管周围的杂物和障碍物。
四、安全措施1.施工人员必须具备相关的操作证书和经验,严禁无证或不熟悉操作的人员进行施工。
2.施工现场必须设置明显的警示标志,并有专人负责安全监控和引导。
3.施工过程中要注意施工人员的个人防护,确保施工人员的安全。
4.施工期间要严禁在桩基声测管周围进行其他施工作业,以免影响声测结果的准确性。
钻孔灌注桩声测管预埋和操作要点
检测和压浆施工操作要点
(1)钻孔灌注桩水下砼浇筑7d后开塞,开塞时用压力水从注浆管中压入,按2~3级压力顺序逐次进行,一般在2~5MPa时橡胶管裂开;
(2)开塞后,待桩基砼强度达到设计强度的 70 且不小于 15MPa、桩基水下混凝土龄期不小于 14d后可进行超声波检测;
(3)接收及发射换能器置于检测管内,并能在管内顺利提升及下降,检测时由检测管底部开始;
(4)测量时发射与接收换能器置于同一标高,当发射与接收换能器置于不同标高时,其水平测角为30℃~40℃;
(5)发射与接收换能器同步升降,各测点发射与接收换能器相对高差不大于 2cm,随时校正;
(6)将每2根检测管编为一组,分组进行测试,测量点距为 40cm 或50cm,当发现读数异常时,加密测量点距(间距20cm)并重复抽测。
后注浆法操作要点
(1)超声波检测合格或桩基缺陷修正完毕后方可进行压浆处理;
(2)浆液由水、水泥、膨润土、缓凝剂(试配)等组成,比重:17~18kN/m,水灰比0.5~0.6,初凝:2~3h,流动性好,泌水小,7d抗压强度不小于 5MPa,28d抗压强度不小于 C30;
(3)压浆时将整个承台群桩一次性压浆,各桩压浆顺序从外围到中心,压浆分 3次进行,按 40% 、40% 、20% 的压浆量循环压入;
(4)每根桩总压浆量不小于2D(D为桩径,每根管压浆量宜均衡),压浆终止压力为 5~8MPa(桩底静水压力的 2~4倍)并持荷 5~10min;
(5)控制标准采取压浆量与压力双控,且以压浆量控制为主,压力控制为辅,若压力达控制值,持荷 5min 后达到设计压浆量的 80% 也满足要求。
《混凝土灌注桩用钢薄壁声测管及使用要求》混凝土灌注桩是一种常见的地基施工方法,为了确保灌注桩的质
量与安全,需要进行声纳测量。
而此时就需要使用到钢薄壁声测管。
钢薄壁声测管是一种用于声纳测试的管道,由于其材质特殊,因
此能够承受空洞处理的压力。
因此在混凝土灌注桩的建设过程中,钢
薄壁声测管发挥着重要的作用。
它能够准确地测量灌注桩的深度、直
径以及空洞情况,为工程做出了重大贡献。
但是,在使用钢薄壁声测管过程中需要注意一些事项。
首先,需
要安装声纳,选择正确的钢薄壁声测管,并对其进行检查。
其次,操
作人员需要经过专业培训,熟练掌握测量方法和技巧。
在安装过程中
需要注意,钢薄壁声测管的长度应能够完全穿透灌注桩,且其表面应
平整,没有损坏。
此外,在使用钢薄壁声测管的过程中,还需要注意维护和保养。
在使用完毕后,应该及时清理管道,防止其受到腐蚀和污染。
同时,
必须严格遵守操作规程和安全操作指南,避免出现不必要的安全事故。
总之,钢薄壁声测管是混凝土灌注桩建设过程中非常重要的工具,能够帮助我们准确地测量各项数据,确保工程质量。
因此,我们需要
认真学习使用要求和操作规程,做好相关的维护保养工作,切实保证
工程安全和质量。
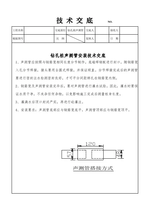
混凝土灌注桩声测管埋设要点及预控措施一、混凝土灌注桩声测管埋设要点:1 声测管内径宜为50~60mm 。
2声测管应下端封闭、上端加盖、管内无异物;声测管连接处应光滑过渡,管口应高出桩顶100m m 以上,且各声测管管口高度宜一致。
3 应采取适宜方法固定声测管,使之成桩后相互平行。
4 声测管埋设数量应符合下列要求:1) D≤800mm,2 根管。
2)800mm<D<2000mm,不少于3根管(江苏省要求混凝土灌注桩管径大于800mm时应设置声测管)。
3) D>2000mm ,不少于4 根管。
(式中D ——受检桩设计桩径)。
5 声测管应沿桩截面外侧呈对称形状布置,按图所示的箭头方向顺时针旋转依次编号。
二、混凝土灌注桩声测管施工过程中易出现的问题及控制措施:1、当声测安装工艺不当时,可能造成漏浆、堵管、断裂、弯曲、下沉、变形等事故,对超声波透射法进行桩基完整性检测产生较大影响,甚至于无法进行超声波透射法检测。
2、下钢筋笼过程很关键,声测管管帽一定要盖牢,防止杂物的进入。
3、钢筋笼放入桩孔时应防止扭曲,管与管平行垂直,声测管随钢筋笼分段安装,每埋设一节均应向声测管内加注清水,声测管安装完毕后应加盖或加塞封闭,以防浇注混凝土时落入异物,堵塞孔道。
4、声测管的上端应高于灌注桩顶面100mm-500mm,同一根桩的声测管的外露高度应相同。
5、在灌注基桩浇注混凝土之前,应检查声测管内的水位,如管内水不满,则应补充灌满。
6、若声测管需割断,应采用切割机切断,并对管口进行打磨除刺,不得用点焊机烧断。
7、焊接钢筋时,应避免焊液流溅到声测管管体上或接头上。
8、声测管在使用时,应在钢管插入端适量涂油,以保证接头的顺利插入。
无限平台,无限娱乐,无限娱乐平台3vLmYNxX8KXP。
灌注桩声测管施工工艺灌注桩声测管这玩意儿,在建筑工程里那可是相当重要!它就像是给灌注桩做体检的“小卫士”,能帮咱们检测灌注桩的质量,确保工程的安全可靠。
先来说说声测管是啥。
它其实就是一些特制的钢管,被巧妙地安装在灌注桩里。
这可不像把东西随便塞进一个盒子那么简单,这里面的门道多着呢!安装声测管之前,得把场地清理得干干净净,不能有乱七八糟的杂物。
就好像你要请贵宾到家里来,不得先把屋子打扫得一尘不染吗?然后根据设计要求,确定声测管的位置和数量。
位置要是错了,那可就麻烦大啦,就跟你出门迷路找不到北一样!声测管的连接也是个关键。
得保证连接紧密,不能有缝隙,不然检测的时候数据就不准确啦。
这就好比你缝衣服,线要是没缝好,衣服不就散架了吗?一般常用的连接方法有焊接和丝扣连接。
焊接的时候可得小心,别把管子烧出个洞来。
把声测管放进灌注桩的时候,也得轻拿轻放,别磕着碰着了。
这就像照顾小宝宝,得小心翼翼的。
而且要保证声测管是直直的,不能歪歪扭扭,不然怎么能准确检测呢?在灌注混凝土的过程中,也要时刻留意声测管。
不能让混凝土把声测管给堵了,那可就白忙活了。
这就好像是在保护自己心爱的宝贝,不能让别人给碰坏了。
等到灌注桩成型了,就可以进行检测啦。
通过发射声波,看看灌注桩内部有没有问题。
这就像是给灌注桩做了个“CT”检查,有啥毛病都能发现。
总之,灌注桩声测管施工工艺可不能马虎。
每一个环节都得认真对待,不然出了问题,整个工程都可能受到影响。
咱们搞建筑的,不就是要追求高质量、高标准吗?只有把每一个细节都做好,才能盖出坚固耐用的房子,让大家住得安心、放心!。
灌注桩声测管规范灌注桩声测管规范为了保障灌注桩施工过程的质量和安全,制定相应的声测管规范是必要的。
下面就灌注桩声测管的选择、安装和使用进行规范化说明。
一、声测管选择1. 声测管的材质应符合规定的要求,常见的材质有塑料、金属等。
根据实际施工情况选择合适的材质。
2. 声测管的直径和长度应根据灌注桩的直径和深度进行选择。
一般情况下,选择直径稍大于灌注桩直径的声测管,长度与灌注桩深度有关。
二、声测管安装1. 在灌注桩施工前,应提前安装好声测管。
安装时,应将声测管正确连接到声测设备上,并检查连接是否牢固。
2. 声测管的埋设深度应符合要求,一般埋设在灌注桩注浆段顶部水平面以下300mm处,以保证测量的准确性。
3. 声测管的连接点处应密封,并采取防水措施,以防止渗漏。
三、声测管使用1. 在声测过程中,应确保声测管与土体和灌注桩之间的接触充分。
接触面积应达到最大,并采取适当的固定措施,以保证测量的准确性。
2. 使用过程中,应避免声测管受到外界干扰,如机械振动、冲击等,以免影响测量结果。
3. 在灌注桩施工过程中,应根据需要对声测管进行检查和维护,确保其正常工作。
定期清理管道内的杂物和污垢,并检查声测管的连接是否松动。
四、声测管记录和报告1. 在进行声测时,应及时记录各项测量数据,包括声波传播时间、反射信号等。
2. 对于多桩连续施工的情况,应按顺序记录每个桩的测量结果,并进行整理和比对。
3. 对于异常情况和测量结果的偏差,应尽快进行分析,并记录在报告中。
对于超出规定范围的情况,应采取相应措施进行排除和修正。
以上是关于灌注桩声测管规范的一些要点。
在实际施工中,应严格遵循规范的要求,保证声测管的选择、安装和使用符合标准,以提高施工质量和测量准确性。
同时,在整个声测过程中,应及时记录和报告相关数据,并对异常情况进行分析和处理,以保证施工的顺利进行。
《混凝土灌注桩用钢薄壁声测管及使用要求》混凝土灌注桩用钢薄壁声测管是用于声波检测混凝土桩的一种重要设备。
其设计和使用要求直接影响着灌注桩施工质量和工程成果,因此掌握相关参考内容对于灌注桩施工和工程质量的控制具有重要意义。
以下是与混凝土灌注桩用钢薄壁声测管及使用要求相关的内容。
1. 混凝土灌注桩用钢薄壁声测管的主要结构和特点:- 声测管是一个薄壁的钢制管道,常用材质包括碳钢和不锈钢,具有良好的强度和耐腐蚀性能。
- 设计时需要考虑管道的内径、壁厚和长度,以满足声波传播和检测的要求。
- 声测管的末端需要与混凝土桩顶部紧密连接,以确保声波能够准确地传导到桩体中并返回,以获取有效的声波检测结果。
2. 混凝土灌注桩用钢薄壁声测管的制作要求:- 材质选择应符合相关标准,如GB/T 700等。
- 制作过程中应注意保证制品的内外表面光洁,无明显缺陷,如嵌渣、漏渣等。
- 声测管的连接应采用焊接方式,确保连接牢固,无渗漏和裂纹。
- 制作完成后,应进行外观质量检查,并对制品进行抗拉强度、耐腐蚀性能等检测。
3. 混凝土灌注桩用钢薄壁声测管的安装要求:- 在安装前应检查声测管,确认外观完好,内部无明显污垢和阻塞物。
- 声测管的安装位置和方式应符合设计要求,确保与混凝土灌注桩的顶部紧密连接,并保证声波能够准确地传导到桩体中并返回。
- 安装过程中应注意保护声测管,避免损坏或变形。
- 确保声测管安装完成后,无渗漏和结构破损。
如发现问题应及时予以修复或更换。
4. 混凝土灌注桩用钢薄壁声测管的使用要求:- 进行声波检测前,应确保声测管的连接牢固,无渗漏和结构破损。
- 在进行声波检测时,应注意校准检测设备,确保准确的读数。
- 声测管使用完毕后,应及时清洗、保养和存放,防止腐蚀和损坏。
以上是与混凝土灌注桩用钢薄壁声测管及使用要求相关的参考内容。
合理的设计、制作、安装和使用有助于提高声测管的质量和性能,保证声波检测的准确性,从而增强混凝土桩工程的质量和可靠性。
钻孔灌注桩薄壁声测管和施工要求工作资料2009-02-25 09:19:36 阅读1512 评论1 字号:大中小订阅1范围本标准规定了钻孔灌注桩薄壁声测管的产品型号、尺寸和重量、技术要求、试验方法和检验规则、包装、标志、质量证明书,以及施工要求。
本标准适用于声波透射法进行桩基检测用钻孔灌注桩薄壁声测管(以下简称薄壁声测管)的产品制造和使用。
2 规范性引用文件下列文件中的条款通过在本标准中引用而成为本标准的条款。
凡是注日期的引用文件,其随后所有的修订单(不包括勘误的内容)或修订版均不适用于本准则,然而,鼓励根据本标准达成协议的各方研究是否可使用这些文件的最新版本。
凡是不注日期的引用文件,其最新版本适用于本标准。
GB/T 222钢的成品化学成分允许偏差GB/T 223 钢铁及合金化学分析方法GB/T 228[A1]GB/T 241 [A2]GB/T 244 金属管弯曲试验方法GB/T 246[A3]GB/T 699 优质碳素结构钢GB/T 700 碳素结构钢GB/T 2102 钢管的验收、包装、标志和质量证明书GB/T 2975 钢及钢产品力学性能试验取样位置及试样制备GB/T 7735 钢管涡流探伤检验方法3 产品型号表示方法:SCG □×□-□连接代号声测管壁厚,mm声测管外径,mm声测管代号示例1:钳压式薄壁声测管,管外径50mm,壁厚1.2mm,表示为:SCG50×1.2-QY。
4尺寸和重量4.1外径、壁厚尺寸及允许偏差4.1.1园管型径向换能器常用频率为30kHz~60kHz的,直径为25mm~35mm。
声测管内径比换能器直径大10mm~20mm,钢管直径40mm~60mm的,一般选用直径50mm的钢管。
常用的外径、壁厚及相应的钢管理论重量(千克/米)见表1。
表1 不同外径和壁厚钢管的理论重量单位为千克/米5.1.1声测管应为实用性笔直,弯曲度不大于1.5mm/m。
5.1.2声测管的椭圆度应不大于外径允许公差的50%。
《混凝土灌注桩用钢薄壁声测管及使用要求》混凝土灌注桩用钢薄壁声测管是一种非常常用的检测工具,能够帮助工程人员对混凝土灌注桩的质量进行精确评定。
这种声测管具有精度高、安装方便和使用效果显著等优点。
下面就介绍一下混凝土灌注桩用钢薄壁声测管的相关使用要求。
1. 声测管的材质和规格混凝土灌注桩用钢薄壁声测管是由钢铁制成的,其直径一般在50mm至100mm之间,厚度通常在1mm至2mm之间。
声测管应满足相关国家标准GB/T 50315-2010《建筑结构声振学测试规范》的技术要求。
其表面应光洁无凹凸、无缩孔、无褶皱,无深度超过1.5mm的划痕或擦伤。
2. 声测管安装声测管安装时应注意以下事项:(1) 在灌注桩施工前,先按计划布置好声测管,安装位置应准确无误,严禁将声测管安装到其他的地方。
(2) 安装声测管前应先检查声测管的表面是否影响到施工质量。
(3) 在灌注桩施工过程中,应用小钹等工具检查声测管的阻尼是否正常,如果出现异常,应及时进行处理。
(4) 灌注桩施工结束后,应立即清理声测管和灌注桩孔洞中的浆液、泥沙等物质,以防止其对测量结果产生影响。
3. 声测管测量声测管测量应注意以下事项:(1) 首先应将地面附近的声测管连接好,然后才能进行测量,并严格按照测量程序进行操作。
(2) 在灌注桩施工结束后,应立即进行声波密度测量,以获得最佳的耦合效果。
(3) 在测量时,应保持安静,避免外部噪音和震动干扰测量结果。
(4) 测量结束后,应及时进行数据处理,为结构分析提供可靠的数据依据。
综上所述,混凝土灌注桩用钢薄壁声测管是一种非常重要的检测工具,能够为混凝土灌注桩的质量进行准确评价。
在使用时需要注意相关的材料规格和安装要求,以及严格遵守测量程序和操作要求。
只有这样才能保证混凝土灌注桩的质量和工程的安全可靠性。
钻孔灌注桩薄壁声测管和施工要求1 范围本标准规定了钻孔灌注桩薄壁声测管的产品型号、尺寸和重量、技术要求、试验方法和检验规则、包装、标志、质量证明书,以及施工要求。
本标准适用于声波透射法进行桩基检测用钻孔灌注桩薄壁声测管(以下简称薄壁声测管)的产品制造和使用。
2 规范性引用文件下列文件中的条款通过在本标准中引用而成为本标准的条款。
凡是注日期的引用文件,其随后所有的修订单(不包括勘误的内容)或修订版均不适用于本准则,然而,鼓励根据本标准达成协议的各方研究是否可使用这些文件的最新版本。
凡是不注日期的引用文件,其最新版本适用于本标准。
GB/T 222 钢的成品化学成分允许偏差GB/T 223 钢铁及合金化学分析方法GB/T 228 [A1]GB/T 241 [A2]GB/T 244 金属管弯曲试验方法GB/T 246 [A3]GB/T 699 优质碳素结构钢GB/T 700 碳素结构钢GB/T 2102 钢管的验收、包装、标志和质量证明书GB/T 2975 钢及钢产品力学性能试验取样位置及试样制备GB/T 7735 钢管涡流探伤检验方法3 产品型号表示方法:SCG □×□-□连接代号声测管壁厚,mm声测管外径,mm声测管代号示例1:钳压式薄壁声测管,管外径50mm,壁厚1.2mm,表示为:SCG50×1.2-QY。
4 尺寸和重量4.1 外径、壁厚尺寸及允许偏差4.1.1 园管型径向换能器常用频率为30kHz~60kHz的,直径为25mm~35mm。
声测管内径比换能器直径大10mm~20mm,钢管直径40mm~60mm的,一般选用直径50mm的钢管。
常用的外径、壁厚及相应的钢管理论重量(千克/米)见表1。
表1 不同外径和壁厚钢管的理论重量单位为千克/米4.1.2 声测管的外径、壁厚允许偏差按普通精度执行,应符合表2 的规定。
表2 声测管外径、壁厚的允许偏差4.2 成品长度4.2.1 通常长度声测管的通常长度为3m~9m,每批通常长度的钢管允许交5%(按重量)的短尺钢管,短尺长度不小于1m。
4.2.2 定尺长度、倍尺长度定尺长度和倍尺总长度在通常长度范围内。
倍尺长度按每倍尺留5mm切口余量。
定尺长度、倍尺总长度允许偏差为mm。
出厂定尺寸为3m,6m,9m,也可按需方要求定制。
4.3 重量声测管理论重量见表1,钢的密度为7 850kg/m3。
按公式(1)计算。
(1)式中:———钢管重量,单位为千克/米(kg/m);———钢管公称壁厚,单位为毫米(mm);———钢管公称外径,单位为毫米(mm)。
5 技术要求5.1 外观质量5.1.1 声测管应为实用性笔直,弯曲度不大于1.5mm/m。
5.1.2 声测管的椭圆度应不大于外径允许公差的50%。
5.1.3 声测管两端截面应与其轴线垂直,并应无毛刺。
5.1.4 声测管不允许有裂缝、结疤、折叠、分层、搭焊缺陷存在。
允许有不大于壁厚负偏差的划道、刮伤、焊缝错位、烧伤、薄的氧化铁皮以及打磨与清除外毛刺的痕迹存在,内毛刺不大于mm。
5.1.4 管间应平行不弯斜,管内应畅通无异物。
5.1.5 管两端应封口处理,插入端标志线清晰;钳压式接口的承插口端U形槽内应有O形橡胶圈;底管焊有铁盖。
5.2 材料5.2.1 薄壁声测管的材质应有足够的刚度,在灌注混凝土的过程中不应因受力而弯曲、变形、脱开;且与混凝土粘结良好,不应在声测管和混凝土间产生缝隙(即包裹不住)。
选用GB 699 中的08F、08、10F、10、15F、15、20 钢和GB 700中Q195 及Q215、Q235 等级为A、B 的钢(沸腾钢、半镇静钢、镇静钢)。
5.2.2 钢管的化学成分允许偏差应符合GB 222的规定。
5.2.3 当声测管采用其它材料制作时,其力学性质不应低于表3中的规定。
5.2.4 薄壁声测管使用的材料应经权威机构检验合格并有合格证书。
5.3 管道力学性能薄壁声测管的力学性能应符合表3的规定。
表3 声测管的力学性能要求5.4 管道工艺性能5.4.1 抗弯曲性能薄壁声测管应进行弯曲试验检验抗弯曲性能,弯曲试验时不带填充物,声测管弯曲半径为公称外径的6倍,弯曲角为120°。
当采用焊接钢管时,焊缝位于弯曲方向的侧面。
声测管不应出现裂纹。
5.4.2 耐压扁性能薄壁声测管应进行压扁试验检验耐压扁性能。
试验时,当两压平板间距离为钢管外径的3/4时,应不出现裂纹。
5.4.3 耐压和密封性能薄壁声测管应进行液压试验检验耐压和密封性能,试验压力按最大工作压力的2.0倍且不小于式(2)计算值,试验持续时间15s,管道应无渗漏和永久变形。
液压试验也可采用涡流探伤代替,进行涡流探伤检验时,其人工标准缺陷(钻孔直径)应符合GB/T 7735中的A级。
P=215S/D (2)其中:P-试验压力,单位为兆帕(MPa);S-薄壁声测管壁厚,单位为毫米(mm);D-薄壁声测管外径,单位为毫米(mm)。
5.5 接头5.5.1 一般规定接头在较高的静水压力下不应漏浆,接口内壁应保持平整,不应有焊渣、毛刺等凸出物,以免妨碍探头的自如移动。
5.5.2 接头尺寸薄壁声测管接头部分的内径尺寸应保证超声波检测仪的使用要求。
为保证混凝土浇注时的碰撞和避免接头处混凝土空洞的产生,接头凸起部分的最大尺寸不应超过管外径的25%,如图1中,即(D’-D)/D小于25%。
图1 接口凸起部分尺寸及套接长度要求示意图5.5.3 套接长度如图1,套接长度(接头部分的长度)L小于100mm。
5.5.4 密封性能声测管接头部分应进行密封性试验,具体要求是:内压试验压力为最大工作压力的1.5倍且不低于3MPa,外压试验压力为最大工作压力的2倍且不低于4Mpa,试验压力下持续时间1min,内压试验和外压试验应单独进行,要求保证不得出现渗漏、接口变形等情况。
5.5.5 连接可靠性声测管应进行拉拔试验检验接头连接可靠性,在常温下,应能承受3000N的拉拔力,持续60 min连接部分无松动、断裂。
5.5.6耐振动性能接头应进行振动试验,试验压力为1.2 MPa,在该压力下,持续10万次振动数,薄壁声测管连接部位应无渗漏和脱落现象。
5.5.7 抗扭矩性能扭力矩120Nm持续10 min接头不发生滑移。
5.6 制造方法薄壁声测管的管材宜采用薄壁焊管,可用热轧钢带经冷轧后用无氧高频电阻焊的加工方法制造。
管端直接经扩口成形、加丝气体保护焊等方法焊接管端配件或接头。
6 试验方法6.1 试验仪器和设备试验仪器和设备如下:a)游标卡尺:开式四用游标卡尺,不锈钢制造;测量范围为0~150mm;精度为±0.03mm。
b)米尺:钢卷尺;测量范围为0~10m;精度为±0.5mm。
c)磅秤:电子台秤;秤量范围为0~100kg;精度为±2g。
d)拉力试验机:采用金属管材拉力试验机,其传力力量传感器: 0~50KN (20ton),高精度24 bits A/D,取样频率200Hz;力量精度在±0.5 %以内。
6.2 外观质量6.2.1 检查所用钢管,应具有检验合格证书。
6.2.2 用目测和手感检查薄壁声测管的毛刺、裂缝、结疤、折叠、分层、搭焊缺陷、划道、刮伤、焊缝错位、烧伤、薄的氧化铁皮以及打磨与清除外毛刺的痕迹等内容。
6.3 尺寸和重量6.3.1 游标卡尺测量在标准量距范围内,按游标卡尺操作规程量取3个直径读数,取平均值作为直径D。
6.3.2 米尺测量用钢卷尺测定钢管长度,由三组读数算得的长度之差要求不超过2mm,否则应重测。
如在限差之内,取三次结果的平均值,作为该钢管的观测长度L。
6.3.3 磅秤称要求使用秤量精度为2g的电子台秤。
秤量时,将电子秤置于稳固平坦之桌面或地面使用,使用独立电源插座以免其它电器干扰。
根据电子台秤的使用规程测定一根钢管的重量。
6.4 钢管拉力试验钢管的拉力试验步骤应符合GB/T 228规定进行操作。
6.5 管道和接头性能试验声测管的性能试验项目、取样数量及方法见表4。
表4 声测管的试验项目、取样数量及试验方法7 检验规则7.1 检验分类7.1.1 薄壁声测管的检验分型式检验和出厂检验。
7.1.2 有下列情况之一时,应进行型式检验:a)新产品定型或产品转产鉴定时;b)正式生产后,如果重要结构、材料、工艺有较大变更,可能影响产品性能时;c)产品停产半年以上,重新恢复生产时;d)进口产品首台引进使用前;e)国家质量技术监督部门和行业管理部门提出型式检验时。
7.1.3 薄壁声测管由产品所在地技术质量监督部门检查和验收,并符合GB 2102的规定。
7.2 检验项目声测管的检验项目见表5。
表5 声测管的检验项目7.3 组批规则薄壁声测管应按批进行检查和验收。
每批由同一尺寸、同一牌号、同一材料状态、同一热处理制度(指热处理交货的)的管子组成。
每批管子不大于400根。
若剩余的管子少于200根,可并入同一尺寸、同一牌号、同一材料状态、同一热处理制度(指热处理交货的)相邻一批中。
如不少于200根,可单独列为一批。
7.4 复验和判定规则薄壁声测管的复验和判定规则应按GB 2102的规定执行。
8 包装、标志及质量证明书8.1 一定尺寸的声测管成品端口经封盖处理(以防异物进入)。
捆扎包装,大小以方便装卸为宜。
8.2 薄壁声测管的包装、标志及质量证明书应符合GB 2102中的规定。
9 施工要求9.1 薄壁声测管的选用9.1.1 桩基深度与薄壁声测管壁厚关系声测管的壁厚要求,除能满足5.5部分的工艺性能外,为确保声测管安全使用,宜符合表6中的要求。
表6 桩基深度与声测管壁厚关系9.1.2 按JTG/T F81-01-2004的规定,声波透射法进行桩基检测,检测数量不少于50%,重要工程应达100%。
9.2 薄壁声测管的布置薄壁声测管一般按以下原则布置:a)对于桩径小于1m时埋设二根管,埋设在同一直径线上;b)桩径在1m~1.8m时等间距埋设三根管;c)桩径大于1.8m时等间距埋设四根管。
9.3 薄壁声测管的安装9.3.1 薄壁声测管可直接固定在钢筋笼内侧上,固定点的间距一般不超过2m,其中薄壁声测管底端和接头部位宜设固定点,对于无钢筋笼的部位,声测管可用钢筋支架固定。
固定方式可采用焊接或绑扎,当采用焊接时,应避免烧穿薄壁声测管或在管内壁形成焊瘤,影响钢管的通直。
单位为米图2 薄壁声测管的安装示意图9.3.2 管子之间应基本上保持平行。
若检测结果需对各测点混凝土的强度做出评估,则不平行度应控制在1‰以下。
9.3.3 钢筋笼放入桩孔时应防止扭曲,薄壁管一般随钢筋笼分段安装,声测管的底部密封应不漏浆,采用薄壁声测管作为灌浆通道,在进行超声波检测时管路应通畅。
声测管安装完毕后应将上口封闭,以免浇灌混凝土时落人异物,致使孔道堵塞。