汽车尾灯控制电路设计毕业设计
- 格式:doc
- 大小:421.50 KB
- 文档页数:28
《汽车尾灯控制电路设计与仿真》毕业设计开题报告
学生姓名曾XX专业班级汽电1201
课题名称汽车尾灯的控制电路设计与仿真指导教师唐XX
本课题要解决的主要问题,解决途径和主要方法:
1、根据任务书选题调研,做出开题报告
2、查找设计原理
3、做初步方案
4、确定初步方案
5、修改方案
6论文定稿,答辩
毕业设计进度计划:
1、根据任务书选题调研,做出开题报告
2、查找设计原理
3、做初步方案
4、确定初步方案
5、修改方案
6完成论文初稿
7论文定稿,答辩
指导教师意见
年月日教研室意见
年月日
湖南机电职业技术学院毕业设计指导教师评价表论文题目汽车尾灯控制电路设计与仿真
专业汽车电子技术班级汽电1201学生
姓名曾祥云
检查
次数评分标准分值得分总分
开题
检查设计文献、资料、工具等准备完成及时50
完成开题报告完成及时审查合格50
第二次
检查按时作息,设计认真主动20
设计进度基本符合预定计划20
总体设计方案基本可行,20
完成草图绘制和方案框架文本40
第三次
检查基本完成除说明书外的毕业设计任务40
设计方案正确、资料规范,作品基本完成20
40
第四次
检查完成所有毕业设计任务40
毕业设计方案正确、资料完整、修改及时。
40
毕业设计文档按照规范要求完成定稿,装订、打印符合规范要求20
合计(第一次×20%+第二次×20%+第三次×30%+第四次×30%)
教师评语
注:表中考核标准仅供参考,各专业可根据自己的特点设定具体考核标准。
郑州科技学院EDA(电子设计自动化)设计报告题目汽车尾灯控制器学生姓名专业班级学号所在系任课教师完成时间目录1.设计的目的 (1)2.设计的内容及要求 (1)2.1设计内容 (1)2.2设计要求 (1)3.整体方案设计 (1)4.单元模块设计 (2)4.1八分频电路 (2)4.2左右控制电路 (2)4.3主控电路 (3)5. 模块的功能设计与仿真 (4)5.1八分频电路 (4)5.2左右控制电路 (5)5.3主控电路 (8)6.心得体会 (10)7.参考文献 (11)1.设计的目的本次设计的目的就是通过实践深入理解状态机原理,了解EDA技术并掌握VHDL硬件描述语言的设计方法和思想。
通过学习的VHDL语言结合电子电路的设计知识理论联系实际,掌握所学的课程知识和基本单元电路的综合设计应用。
通过对实用汽车尾灯控制器的设计,巩固和综合运用所学知识,提高分析、解决EDA技术实际问题的独立工作能力。
2.设计的内容及要求2.1设计内容设计一个汽车尾灯控制器,利用EDA软件(MAX+plusII)进行编译及仿真,设计输入可采用Verilog HDL硬件描述语言输入法和原理图输入2.2设计要求利用Verilong HDL语言和FPGA器件实现下述功能:(1)汽车正常行驶时指示灯都不亮。
(2)汽车转弯时,对应侧的转弯灯亮。
(3)汽车刹车时,两侧的刹车灯亮。
(4)汽车在夜间或大雾天行驶时,两侧雾灯一直亮3.整体方案设计当汽车正常行驶时所有指示灯都不亮;当汽车向右转弯时,汽车右侧的转弯灯right亮;当汽车向左侧转弯时,汽车左侧的转弯灯left亮;当汽车刹车时,汽车右侧的刹车灯brake_led和汽车左侧的刹车灯brake_led同时亮;当汽车在夜间或者大雾天行驶时,汽车右侧的雾灯led night1和汽车左侧的雾灯led night2同时一直亮。
通过设置系统的输入信号:系统时钟信号clk,汽车左转弯控制信号left,汽车右转弯控制信号right,刹车信号brake,夜间行驶或者雾灯信号nf;系统的输出信号:汽车左侧3盏指示灯led left,1ed brake1,1ed night1和汽车右侧3盏指示灯led right,led brake2,led night2实现以上功能。
汽车尾灯控制电路设计方案1 引言在日新月异的21世纪里,电子产品得到了迅速发展。
许多电器设备都趋于人性化、智能化,这些电器设备大部分都含有CPU控制器或者是单片机。
单片机以其高可靠性、高性价比、低电压、低功耗等一系列优点,近几年得到迅猛发展和大范围推广,广泛应用于工业控制系统、通讯设备、日常消费类产品和玩具等。
并且已经深入到工业生产的各个环节以及人民生活的各个方面,如车间流水线控制、自动化系统等、智能型家用电器(冰箱、空调、彩电)等。
用单片机来控制的小型电器产品具有便携实用,操作简单的特点。
本文设计的汽车尾灯控制电路属于小型智能电子产品。
利用单片机进行控制,实时时钟芯片进行记时,外加掉电存储电路和显示电路。
此设计具有相当重要的现实意义和实用价值。
2 系统概述本设计以AT89S52单片机为核心,构成单片机控制电路,完成对它们的自动调整和掉电保护。
人机接口由四个按键来实现,用这四个按键对汽车左转,右转,停车和检测进行控制。
软件控制程序实现所有的功能。
整机电路使用+5V稳压电源,可稳定工作。
系统框图如图2-1所示,其软硬件设计简单,可广泛应用于长时间工作的系统中。
图2-1 系统框图3 方案选择由于汽车尾灯控制电路的种类比较多,因此方案选择在设计中是至关重要的。
正确地选择方案可以减小开发难度,缩短开发周期,降低成本,更快地将产品推向市场。
3.1 方案1——基于AT89S52单片机的汽车尾灯控制电路设计直接用AT89S52单片机来实现汽车尾灯控制电路设计。
AT89S52是一种带8K字节闪烁可编程可擦除只读存储器的低电压,高性能CMOS 8位微处理器,俗称单片机。
单片机的可擦除只读存储器可以反复擦写1000余次。
由于将多功能8位CPU和闪烁存储器组合在单个芯片中,ATMEL的AT89S52是一种高效微控制器,为很多嵌入式控制系统提供了一种灵活性高且价廉的方案。
用单片机来实现汽车尾灯控制电路设计,无须外接其他芯片,充分利用了单片机的资源。
第1章绪论1.1课题背景随着科技时代的进一步发展,人们的生活也在飞速改变,各种家用电器和设备正以极快的速度进入寻常百姓家。
汽车作为一种很重要的生活工具也没有例外地深入到人们生活的方方面面。
人们正以极大的热情努力的工作并享受由此而带来的种种便利,汽车作为高消费的生活和生产资料,在满足了人们的出行方便的同时,人们更加注重汽车本身的舒适性、可控性、便捷性和安全性。
而作为汽车行车很重要的一部分——车灯控制方式很是重要。
而作为汽车控制的各种操作,几乎都反映在灯的明亮和熄灭上,也是可以起到警告的作用。
而作为尾灯,它有着很大的作用,无论是行车之中还是车辆在驻留的时候,都是必须有各种不同的反映的,于是,汽车尾灯的设计是很重要的。
而基于传统的机械和纯电路的控制方式,由于它完全取决于尾灯系统所采用的硬件来保证它的正常工作,而一旦电路老化或者因为机械振动而引起的接触问题以及机械元件变形而不能及时触发电路电源开关,这类问题是经常发生,而除了选用更好的硬件系统元件几乎没有别的可靠的方法来进行避免这类故障的发生,于是,选用智能型的元件来进行系统的设计,增加系统的稳定性和可控制性是非常必须的。
而随着EDA技术的日益成熟,有电路自动控制车尾灯的方式是可行的。
基于EDA系统的电路控制方式是可靠的和可以预测的控制方式,其安全性很高,属于智能控制的范畴。
于是,在汽车上实行这种车灯控制方式是一种变化和进步,增加了汽车行车安全性,降低了汽车的故障率。
1.2研究的目的及意义目的是一方面使我们能够进一步理解课程内容,基本掌握EDA技术和系统知识,增加集成电路应用知识,培养我们的实际动手能力以及分析、解决问题的能力。
另一方面也可以是我们更好地巩固和加深对基础知识的理解,学会设计中小型数字系统的方法,独立完成调试过程,增强我们理论联系实际的能力,提高电路分析和设计能力。
通过实践引导我们在理论指导下有所创新,为专业课的学习和日后工程实践奠定基础。
---文档均为word文档,下载后可直接编辑使用亦可打印--- 摘要这个设计按照传统的模块设计思路进行,先搜集查阅相关文献资料,对总体设计框图预先构思;再按总体设计框图,将整体模块拆分为多个小模块,并对各小模块进行逐一完成,最后,按总体设计框图,将各小模块组合起来,即构成整个设计模块。
按照上述思路,汽车尾灯的设计先进行电路单元模块设计,该整体模块由以下几个小模块构成:开关控制译模块、脉冲产生模块、三进制改造模块、译码输出模块、模式控制模块、译码与显示驱动电路设计模块等;其次,是本设计最主要的部分:将汽车行驶状态信号转化为数字信号,再将数字信号转化为光信号,显示在显示屏上。
然后是仿真,使用Protues对电路单元各个小模块进行模拟,根据仿真结果进一步分析修正模块设计,待各小模块验证无误后,按原理图搭建各单元电路,待整体电路搭建完成后,进行整体电路的仿真与修正,最后在实验板上对整体设计进行检验。
关键词:汽车尾灯;模块设计;仿真AbstractThe module design ideas for the design according to the traditional, to collect the data, literature review on the diagram of the overall design idea in advance; Again according to the overall design diagram, the module of the whole split into multiple small module, and one by one for each small modules to complete, in the end, according to the overall design diagram, each small module together, shall constitute the entire design module.According to the above ideas, the design of the car tail lights to circuit unit module design, the overall module consists of several small modules: switch control module, pulse generating module, ternary transformation module, decoding output module, mode control module, decoding module and display driver circuit design, etc.; Next, it is the most important part of the design: will the car status signal into digital signal, then converts digital signals into optical signals, displayed on the screen. Then the simulation, using Protues for simulating circuit unit each small module, and according to the simulation results are further analyzed correction module design, after waiting for validation and correct the small modules, arranged each unit circuit schematic diagram, stay after completing the whole circuit, the whole circuit simulation and correction, finally on plate experiment to test the overall design.Keywords: car taillight; Module design; The simulation(/translate" \o ")目录TOC \o "1-3" \h \u 第1章概述1第2章汽车尾灯发展的现状及趋势22.1 汽车尾灯的基本介绍 22.2汽车尾灯发展的现状及趋势32.3研究本课题的目的及意义 3第3章方案论证及设计原理 43.1 方案的确定与论证 43.2 设计原理 53.2.1 汽车尾灯显示状态与汽车运行状态关系53.3汽车尾灯控制器功能描述 5第4章电路单元模块设计84.1 开关控制译模块84.2 脉冲产生模块 104.3 三进制改造模块134.4 译码输出模块 154.5 模式控制模块 174.6 译码与显示驱动模块19第五章仿真205.1 电路的仿真205.2 电路的分析22第6章结果分析22第7章结束语23参考文献25第1章概述本设计旨在完成一个能够准确传输汽车在行驶、左转、右转和急刹车等不同状态下信息等灵活性好、安全性高的汽车尾灯控制器的设计。
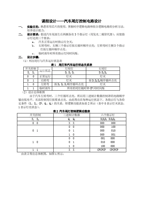
课程设计——汽车尾灯控制电路设计一、 实验目的:熟悉常用芯片的使用,掌握时序逻辑电路和组合逻辑电路的分析方法,培养设计能力。
二、 设计要求:假设汽车尾部左右两侧各有3个指示灯(用发光二极管代替),应使指示灯达到三个要求:a 、 汽车正常运行时指示灯全灭;b 、 右转弯时,右侧三个指示灯按右循环顺序点亮;左转弯时左侧3个指示灯按左循环顺序点亮。
c 、 临时刹车时所有指示灯同时闪烁。
三、 设计步骤:(1)列出尾灯与汽车运行状态表由于汽车左转弯时,三个灯循环点亮,所以用三进制计数器控制译码电路顺序输出低电平,从而控制尾灯按要求点亮。
由此得出在每种运行状态下,各指示灯与各给定条件(S 1、S 2、CP 、Q 1、Q 0)的关系,即逻辑功能表如表2所示(表中0表示灯灭状态,1表示灯亮状态)。
图1 汽车尾灯控制电路原理框图(3)设计单元电路三进制计数器电路可由双JK触发器74LS76构成。
图2 三进制计数器电路图采用CP下降沿触发的JK触发器,当CP由1跳变为0时,触发器的输出依据J和K 的状态而定。
表3为J-K触发器的状态表。
由双JK组成的三进制计数器的逻辑功能表如表2。
汽车尾灯电路如图3所示,其显示驱动电路由6个发光二极管和6个反相器构成,译码电路由3-8译码器74LS138和6个与非门构成。
74LS138的三个输入端A 2、A 1、A 0分别接S 1、Q 1、Q 0,而Q 1Q 0是三进制计数器的输出端。
当S 1=1,S 2=0时,使能信号A =G =1,计数器的状态为00,01,10时,74LS138对应的输出端0Y 、1Y 、2Y 依次为0有效(3Y 、4Y 、5Y 信号为“1”无效),即反相器G 1~G 3的输出也依次为0,故指示灯D 3→D 2→D 1按顺序点亮示意汽车左转弯。
若上述条件不变,而S 1=0,S 2=1时,则74LS138对应的输出端4Y 、5Y 、6Y 依次为0有效,即反相器G 4~G 6的输出端依次为0,故指示灯D 4→D 5→D 6按顺序点亮示意汽车右转弯。
目录绪论 (1)1 设计系统的介绍及研究内容 (1)1.1 设计系统的介绍 (1)1。
1。
1 设计语言 C语言的介绍 (1)1.1。
2 设计软件Proteus的介绍 (1)1.1.3 设计依据 (2)1。
2 研究的内容 (2)2 设计方案分析及比较 (3)3 设计方案规划及设计 (4)3。
1 系统设计框架图 (4)3。
1。
1 设计任务 (4)3。
1.2 总体设计思想 (5)3。
2 整体电路工作原理 (5)3.2.1 单元电路设计 (5)3。
2。
2 其他部分的设计 (6)3。
3 单片机 (7)3.4 程序流程图 (8)3.5 开始程序 (9)4 电路的制作与调试 (13)4。
1 电路 (13)4。
2 仿真 (13)4.2。
1 使用的仿真软件 (13)4.2.2 在仿真软件中画的完整电路图 (13)4.3 调试 (15)4。
3.1 软件上仿真 (15)4.3。
2 硬件调试 (18)4.3.3 设计中遇到的问题及不足 (19)5 主要元器件清单 (20)结论 (21)参考文献 (22)致谢 (23)汽车尾灯控制电路摘要本课题介绍了一种新型简便的基于单片机的汽车尾灯控制电路的设计方法,本设计主要解决如何更加灵活的汽车尾灯控制器进行控制,左转,右转和急刹车信息等。
通过设计汽车尾灯显示控制电路,能很好的综合运用我们所学到的单片机,C语言,模拟电路知识,熟悉电子电路设计的基本方法。
有多种方法来设计汽车尾灯控制电路,主要是运用单片机的相关知识用硬件来设计制作一个16位汽车尾灯显示控制电路的。
它的特点是电路简单,制作方便,容易操作,可反复擦写,性能可靠。
本设计主要由四部分组成,包括按键电路,LED灯电路,驱动电路,复位电路。
本文介绍了一种以STC89C52单片机为核心的控制电路。
该电路以发光二极管LED灯为显示电路。
汽车的尾灯是其运行方式的最直接表示方式,令行人或其他车辆清晰明白它将要发生的动态变化。
从而避免交通事故的发生。
《汽车尾灯控制电路设计与仿真》毕业设计开题报告
学生姓名曾专业班级汽电1201
课题名称汽车尾灯的控制电路设计与仿真指导教师唐本课题要解决的主要问题,解决途径和主要方法:
1、根据任务书选题调研,做出
2、查找设计原理
3、做初步方案
4、确定初步方案
5、修改方案
6论文定稿,答辩
毕业设计进度计划:
1、根据任务书选题调研,做出开题报告
2、查找设计原理
3、做初步方案
4、确定初步方案
5、修改方案
6完成论文初稿
7论文定稿,答辩
指导教师意见
年月日教研室意见
年月日
湖南机电职业技术学院毕业设计指导教师评价表
论文题目汽车尾灯控制电路设计与仿真
专业汽车电子技术班级汽电1201 学生
姓名曾祥云
检查
次数评分标准分值得分总分
开题
检查设计文献、资料、工具等准备完成及时 50
完成开题报告完成及时审查合格 50
第二次
检查按时作息,设计认真主动 20
设计进度基本符合预定计划 20
总体设计方案基本可行, 20
完成草图绘制和方案框架文本 40
第三次
检查基本完成除外的毕业设计任务 40
设计方案正确、资料规范,作品基本完成 20
40
第四次
检查完成所有毕业设计任务 40
毕业设计方案正确、资料完整、修改及时。
40
毕业设计文档按照规范要求完成定稿,装订、打印符合规范要求 20
合计(第一次×20%+第二次×20%+第三次×30%+第四次×30%)
教师
注:表中考核标准仅供参考,各专业可根据自己的特点设定具体考核标准。
西安建筑科技大学本科毕业设计(论文)任务书题目:汽车尾灯控制系统的设计院(系):信息与控制工程学院专业班级:学生姓名:学号:指导教师(签名):主管院长(主任)(签名):时间:一、毕业设计(论文)的主要内容(含主要技术参数)1.能够模仿汽车左转弯、右转弯、刹车、夜间行驶等操作;2.需要按逻辑关系控制左转弯、右转弯、刹车、夜间行驶等信号灯;3.灯光闪烁频率分1HZ和30HZ两种;4.1HZ和30HZ闪烁信号由单片机内部的定时器解决;5.系统具有一定的故障监控功能,以提高系统的可靠性。
二、毕业设计(论文)应完成的具体工作(含图纸数量)1.了解单片机的发展状况,学会选择合适的单片机系列;2. 掌握单片机的最小系统设计原则3. 结合设计指标要求,完成硬件系统设计方案;4.基于MPS430单片机完成软件功能设计;5.整体设计完成后,在试验条件下进行模拟仿真。
三、毕业设计(论文)进程的安排(起讫日期:年月日至年月日)序号设计(论文)各阶段任务日期备注1 阅读相关文献、资料,学习MPS430单片机1—6周2 结合设计指标,完成硬件系统设计方案7-9周3 完成软件编写、调试10-12周4 在试验条件下进行模拟仿真13周5 论文编写14-15周6 答辩16周四、主要参考资料及文献阅读任务(含外文阅读翻译任务)[1] 丁元杰. 单片微机原理及应用. 北京:机械工业出版社,2000[2] 蔡明文. 单片机设计. 武汉:华中科技大学出版社,2006[3] 冯渊. 汽车电子控制技术. 北京::机械工业出版社,2005[4] Saka i H, Study on Cornering Property of Tire and V ehicle ,Tire Science and Technology,2005[5] Kiencke U, Nielsen L. Automotive Control Systems .Berlin: Springer-Verlag, 2000汽车尾灯控制系统的设计设计总说明在我们的现实生活中,单片机的控制作用无处不在,凡是能想象到的地方几乎都有单片机的需求。
四川信息职业技术学院毕业设计说明书(论文)设计题目: 汽车尾灯显示控制电路设计专业: 应用电子技术班级: 应电08-2班学号:姓名:指导教师:二0一0年七月十日四川信息职业技术学院毕业设计(论文)任务书目录摘要 (1)第1章诸论 (2)第2章电路框图设计 (3)第3章单元电路设计 (4)秒脉冲电路的设计 (4)开关控制电路的设计 (5)三进制计数器电路的设计 (6)译码与显示驱动电路的设计 (7)尾灯状态显示电路的设计 (9)第4章电路总图 (11)第5章仿真及结果分析 (12)结论 (18)参考文献 (19)附录一整机电路图 (20)附录二元件明细表 (21)摘要设计一个控制汽车六个尾灯的电路,用六个指示灯模拟六个尾灯(汽车尾部左右每侧三个灯),并用两个拨动式(乒乓)开关作为转弯信号源;一个兵乓开关用于指示右转弯,一个乒乓开关用于指示左转弯,如果两个乒乓开关都被接通,说明驾驶员是一个外行,紧急闪烁器起作用。
右转弯时三个右边的灯应动作,左边的灯则全灭,右边的灯周期性明亮与暗。
同时,电路还用一个开关模拟脚踏制动器,制动时,若转弯开关未合上(或错误地将两个开关均合上的情况)所有六个尾灯均连续燃亮,在转弯的情况下,三个转向的尾灯应正常动作,另三个尾灯连续亮。
另一个开关模拟停车,停车时,全部尾灯亮度为正常的一半开关模拟停车,停车时,全部尾灯亮度为正常的一半。
关键词555定时器;JK触发器;译码器第1章诸论深呼吸一口气,似乎预示着黎明将要到来,在经过了几天的设计后,现在,终于确定了最后的方案。
整理了一下这几天的设计过程,发现自己对数字电路的了解,才只是刚刚入门。
这篇论文设计并实现了汽车尾灯的控制电路。
在这个简单的系统中,使用了两个开关来模拟汽车的运行、左转弯、右转弯及紧急刹车的四种运行状态,并利用六个发光二极管来模拟汽车的六个尾灯。
这个设计只完成了最基本的汽车状态报告,如果应用到实际的汽车正常运行环境中,是不能完整的完成表示汽车的所有运行状态的要求的。
摘要随着现代科技的发展,电子线路技术是一门非常重要的专业技术。
安全问题一直以来是人们不可忽视,也无法忽视的问题。
汽车业的发展也有安全的隐患,人们在设计汽车时用了汽车尾灯是预防汽车追尾事故措施之一。
汽车左转弯时左灯循环闪烁,右转时右灯循环闪烁。
急刹车时左右灯同时闪烁。
关键字:尾灯、转弯、循环、闪烁ABSTRACTWith the development of modern science and technology, electronic circuit technology is a very important professional technology. Security problem has been not to be ignored, nor ignore the problem. The development of automobile industry also has the security hidden danger, the people in the design of the automobile with the automobile tail light is one of the measures preventing rear-end accidents. The car turned to the left when Zuo Deng blinking cycle, make a right turn when the right light blinking cycle. The brakes when the left and right sides lights flashing at the same time.Keywords: taillights, turn, circulation, scintillation目录1设计任务与要求 (5)1.1设计课程名称 (5)1.2设计要求 (5)2总体方案设计 (5)2.1设计方案 (5)2.2方案选择 (6)2.3系统的总设计框图 (6)2.3.1设计框图的设计 (6)2.3.2设计框图的工作流程 (7)3芯片介绍 (7)3.1 AT89S52芯片介绍 (7)3.1.1 AT89S52芯片简介 (7)3.2 AT89S52芯片引脚 (7)4单元电路的设计 (8)4.1 电路 (8)4.1.1振荡电路 (8)4.1.2复位电路的工作原理 (9)4.1.3键盘电路 (9)4.1.4 LED显示电路 (9)5软件系统介绍 (10)5.1.2 键盘电路分配 (10)5.1.2 发光二级管显示设定 (10)5.2 流程框图 (10)5.2.1监控函数流程图 (10)5.2.2 S1键(左转弯键)扫描流程图 (11)5.2.3 S2键(右转弯键)扫描流程图 (12)5.2.4 S3键(急刹车键)扫描流程图 (12)6 电路仿真 (13)6.1 PROTUES仿真软件简介 (13)6.1.1 Proteus界面介绍 (13)6.1.2 Proteus主窗口菜单 (16)6.2 仿真结果 (17)6.2.1左转弯键按下时仿真结果 (17)6.2.2右转弯键按下时仿真结果 (18)6.2.3急刹车键按下时仿真结果 (19)7 安装、焊接与电路的检查 (20)7.1 线路检查 (20)7.1.1 连线是否正常 (20)7.1.2 元件的焊接与安装 (20)7.1.3 电源供电,信号源连接是否正确 (21)7.1.4 电源端对地是否有短路现象 (21)7.2 通电检查 (21)7.3 调试注意的事项 (21)8 总结与心得 (22)附录 (23)1元器件清单 (23)2原理图及仿真原理图 (24)3程序清单 (25)4参考文献 (27)1设计任务与要求1.1设计课题名称汽车尾灯控制电路1.2设计要求假设汽车尾部左右两侧各3个指示灯(用发光二极管模拟)。
汽车尾灯控制电路设计毕业论文(经典) 【摘要】汽车尾灯是车辆行驶过程中必不可少的安全装置。
常见的汽车尾灯控制方式有手动和自动两种,其中后者可以根据车速自动控制尾灯的亮度和闪烁频率。
本文设计了一种基于Arduino控制器的汽车尾灯控制电路,并通过实验验证了其功能和性能。
【关键词】汽车尾灯;Arduino;控制电路;自动控制;实验验证【Abstract】The taillights of automobiles are essential safety devices during driving. There are two common control methods for automobile taillights: manual and automatic. The latter can automatically control the brightness and flash frequency of the taillights according to the vehicle speed. This paper designs a car taillight control circuit based on the Arduino controller and verifies its function and performance through experiments.【Keywords】car taillight; Arduino; control circuit; automatic control; experimental verification一、引言汽车尾灯是车辆行驶过程中必不可少的安全装置之一,其主要作用是在夜间或恶劣天气条件下使后方车辆和行人能够清晰地看到车辆的行驶方向和位置,以避免发生交通事故。
在尾灯控制方式上,传统的手动控制以及可以根据车速自动控制的自动控制方式得到了广泛应用。
汽车尾灯控制电路课程设计论文福建师范大学闽南科技学院课程设计论文题目:汽车尾灯控制电路系名:专业:年级: _学号:姓名:指导教师:2013年10月13日基于AT89C51单片机的汽车尾灯控制电路摘要:汽车是我们的生活中不可缺少部分,而汽车尾灯是汽车的主要部分,正是有了它才是我们的交通得以正常进行。
本课题设计了一种利用AT89C51单片机对汽车尾灯工作状态进行控制和模拟的控制器系统。
为了实现系统的控制功能,本课题采用C语言编程,文中详细介绍了软件设计流程图及其实现的方法。
之后,将软件系统与硬件电路结合调试,实现了左转弯、右转弯、刹车及停车四种常用的汽车尾灯状态。
关键字:AT89C51 C语言编程设计程序汽车尾灯ABSTRACT:Car is our life indispensable part, and automobile tail light is the main part of the car, it is because it is our traffic to normal. This topic was designed using a single chip microcomputer AT89C51 for automobile tail light work state control and simulation controller system. In order to realize the system control function, this subject adopts C language programming, this paper introduces in detail the software design flow chart and its realization method. After that, the software system and hardware circuit with debugging, realize the turn left, turn right, brake and stop four commonly used automobile tail light condition.keywords:AT89C51 C language programming Design program Automobile tail light一、单片机设计任务与要求1.1课题研究的意义1.可以让学生更好的掌握和加深对基础知识的运用和理解,学习如何设计中小型系统,并且独立的完成调试过程,增强学生理论与实际结合的能力,提高学生电路设计和分析的能力。
(此文档为word格式,下载后您可任意编辑修改!)汽车尾灯控制电路设计第1章设计任务及要求1.1设计任务设计一个汽车尾灯控制电路,用六个发光二极管模拟汽车尾灯(左右各三个),用开关J1、J2选择控制汽车正常运行、右转弯、左转弯和刹车时尾灯的情况。
1.2设计要求1、汽车正常运行时尾灯全部熄灭。
2、汽车左转弯时左边的三个发光二极管按顺序循环点亮。
3、汽车右转弯时右边的三个发光二极管按顺序循环点亮。
4、汽车刹车时所有的指示灯随CP脉冲同时闪烁。
设计要求具体见表1-1。
第2章设计方案2.1汽车尾灯设计要求汽车行驶时有正常行驶、左转、右转和刹车四种情况,设汽车尾部左右两侧各有3个指示灯(用发光二极管模拟)。
1.汽车正常运行时指示灯全灭2.汽车右转弯时,右侧3个灯按右循环顺序点亮3.汽车左转弯时,左侧3个灯按左循环顺序点亮4.汽车临时刹车时所有指示灯同时闪烁2.2设计原理及原理框图汽车尾灯控制电路主要由开关控制电路,三进制计数器,译码、显示驱动电路组成。
由于汽车左转或右转时,三个指示灯循环点亮,所以用三进制计数器控制译码器电路顺序输出低电平,从而控制尾灯按要求点亮。
首先,设置两个可控的开关,可产生00、01、10、11四种状态。
开关置为00状态时,汽车处于正常行驶状态;开关置为01状态时,汽车处于右转弯的状态;开关置为10状态时,汽车处于左转弯的状态;开关置为11状态时,汽车处于刹车状态。
三进制计数器可由J-K触发器构成;译码电路可用译码器74LS138和6个与非门构成;显示、驱动电路由6个发光二极管和6个反向器构成。
原理图如2-1所示:图2-1 原理框图第3章电路设计3.1译码、显示驱动电路译码器是一种具有“翻译”功能的逻辑电路,这种电路能将输入二进制代码的各种状态,按照其原意翻译成对应的输出信号。
有一些译码器设有一个和多个使能控制输入端,又成为片选端,用来控制允许译码或禁止译码。
74LS138是一种译码器,由于74LS138有3个输入端、8个输出端,所以,又称为3线〜8线译码器。