2015安全生产费用预算
- 格式:xls
- 大小:18.00 KB
- 文档页数:2
安全生产费用使用计划安全生产费用使用计划为确保企业安全生产管理工作的顺利开展,合理安排和使用安全生产费用显得尤为重要。
下面是我们关于安全生产费用使用计划的内容。
一、费用概述安全生产费用是企业用于保障和改善生产安全条件的各项支出,包括但不限于安全设备的购置、维护费用、安全培训费用、事故预防费用、安全检查费用等。
二、费用预算根据企业的实际情况和安全管理工作需要,按年度编制安全生产费用预算。
预算额度应该综合考虑企业规模、行业特点、现有安全状况以及新技术、新设备引进等因素。
切实保障安全生产的需要,同时合理控制费用开支。
三、费用分配根据安全生产工作的重点和紧急程度,对费用进行合理分配。
具体分配方式如下:1. 安全设备购置费用按照设备使用频率和重要性,制定合理购置计划。
重点保障关键部位和环节的设备更新,确保设备的正常运行和可靠性。
2. 安全检查费用将一定金额列入每月的安全检查经费中,用于安排专业人员进行安全检查。
并根据检查结果制定改进措施,防范事故风险。
3. 安全培训费用每年安排一定金额用于安全培训。
培训内容包括安全意识教育、操作规程培训、应急处理演练等。
确保员工具备应对突发情况的知识和技能。
4. 事故预防费用用于对潜在风险进行排查和修复。
包括设备维护费用、周边环境安全风险治理费用等。
确保将潜在的事故隐患降到最低。
5. 应急救援费用安排一定金额用于购置和维护各类应急救援设备,包括灭火器、应急照明设备等。
同时还要设立一定的应急救援专项经费,用于组织实施各种应急演练和事故救援工作。
四、费用监督和考核对安全生产费用的使用进行监督和考核。
设立专门的财务审计机构,定期对安全生产费用使用情况进行检查。
同时,制定相应的考核指标,以实际的安全生产工作效果为评判标准,对安全生产费用的使用情况进行全面评估。
五、定期调整根据企业的实际情况和安全工作的需要,对费用预算和使用计划进行定期调整。
及时根据实际情况适应安全工作的变化,确保费用使用的合理性和安全工作的顺利进行。
企业安全生产经费预算企业安全生产经费预算企业安全生产经费预算是指企业为了保障员工和生产设施安全而预留的费用。
企业安全生产经费预算的目的是有效预防和控制生产过程中的安全风险,保障员工的生命安全和财产安全,并确保生产设施的正常运行。
首先,企业安全生产经费预算需要包括对员工进行安全培训的费用。
培训是提高员工安全意识和技能的重要手段,通过培训可以使员工了解安全操作规程和事故应急处理措施,提高自身防范意识和应对能力。
因此,企业应预留一定的费用用于组织安全培训,包括培训教材、培训讲师的费用以及培训场地的租金等。
其次,企业安全生产经费预算还需要包括购买和更新安全防护设施的费用。
安全防护设施是保障生产过程中员工和设施安全的重要保障措施,它包括消防设备、安全防护服装、安全标识等。
这些设施需要定期检修和更换,以确保其正常运行和有效发挥作用,因此企业需要预留一定的费用用于购买和更新这些设施。
另外,企业安全生产经费预算还需要包括安全检查和监测的费用。
企业应定期对生产设施进行安全检查,及时发现和排除安全隐患,确保设施的正常运行。
同时,企业还应定期对生产过程中的污染、噪音、震动等环境因素进行监测,预防环境污染和职业病的发生。
因此,企业需要预留一定的费用用于安全检查和监测,包括检查设备、人员薪酬等费用。
最后,企业安全生产经费预算还应包括应急救援的费用。
企业应制定应急救援预案,建立应急救援队伍,确保在发生事故时能够迅速、有效地采取措施,减少人员伤亡和财产损失。
因此,企业需要预留一定的费用用于应急救援设备的购置和维修,以及应急救援队伍的培训和薪酬。
综上所述,企业安全生产经费预算应包括员工安全培训费用、安全防护设施购买和更新费用、安全检查和监测费用,以及应急救援费用等。
这些费用的合理预算和使用,可以有效提高企业的安全生产管理水平,保护员工的生命安全和财产安全,促进企业的可持续发展。
安全生产费用年度预算方案安全生产费用年度预算方案引言安全生产是企业可持续发展的基础和保障,而安全生产费用是保障安全生产的重要支出。
制定合理的安全生产费用年度预算方案,对于优化企业安全生产管理、提高生产效益具有重要意义。
本方案旨在对企业安全生产费用进行合理预算,以保障企业员工的安全和健康。
一、安全生产费用的定义和分类安全生产费用是指用于预防和控制事故,保障员工安全和健康的支出。
按照其用途,安全生产费用可分为以下几类:1. 安全管理费用:包括安全培训、安全咨询、安全检查等。
2. 安全设备费用:包括购置和维护各类安全设备、仪器仪表等。
3. 安全防护费用:包括购置和维护各类防护装备、防护用品等。
4. 安全检测费用:包括检测设备、检测材料、检测人员等。
5. 事故应急费用:包括应急物资、应急演练、应急救援等。
二、安全生产费用年度预算方案的编制步骤1. 收集基础资料:收集企业过去几年的安全生产费用和事故情况,了解经验教训和改进机会。
2. 制定目标:根据企业的生产规模、行业特点和安全生产情况,制定明确的安全生产费用目标。
3. 制定计划:根据目标,制定年度安全生产费用的具体计划,包括各类费用的预估金额和使用计划。
4. 管理费用预算:根据企业的管理层级和业务规模,确定安全管理费用的预算,包括培训费用、检查费用、咨询费用等。
5. 设备费用预算:根据现有设备的状况和安全需求,确定安全设备费用的预算,包括设备购置费用、维护费用等。
6. 防护费用预算:根据员工的工作环境和岗位需求,确定安全防护费用的预算,包括防护装备购置费用、防护用品费用等。
7. 检测费用预算:根据企业的生产工艺和产品要求,确定安全检测费用的预算,包括检测设备购置费用、检测材料费用等。
8. 应急费用预算:根据企业的风险评估和安全预案,确定事故应急费用的预算,包括应急物资费用、演练费用、救援费用等。
9. 编制报表:根据各项费用预算,编制安全生产费用年度预算报表,包括预算金额、使用计划、预计收入和支出等。
安排安全生产经费预算安全生产经费预算作为企业的重要支出项目之一,安全生产经费预算的编制对于确保企业生产经营的安全和可持续发展至关重要。
以下为一份1000字的安全生产经费预算,以供参考:第一部分:背景介绍和目标设定(约150字)我们企业始终把安全生产工作放在首要位置,致力于提供安全、健康的劳动环境。
本次预算编制旨在确保在新的财年内,继续加大安全生产的投入,进一步提升企业安全生产管理水平,避免安全事故的发生,保障员工的生命财产安全,提高企业形象和竞争力。
第二部分:费用明细和预算安排(约650字)1. 员工培训和教育费用:预算500,000元用于开展员工安全培训和教育活动,包括但不限于安全规章制度的培训、操作规程的培训、应急救援的培训等。
其中,300,000元用于培训师资、培训设备和培训场地的费用,200,000元用于培训材料、印刷和发放。
2. 安全设施和装备更新费用:预算600,000元用于更新安全设施和装备,确保设备设施的安全、可用和正常运行。
具体包括但不限于更新防火设施、安全传感器、监控设备、个人防护用具等。
其中,400,000元用于设备和设施的购置和安装费用,200,000元用于设施和设备的定期检测、维修和保养。
3. 安全巡查和检测费用:预算200,000元用于进行安全巡查和检测,确保生产过程中的潜在安全隐患及时发现和解决。
具体包括但不限于零部件的检查、设备的维护和保养、现场的隐患排查等。
预算主要用于人员巡查和设备维护的费用,其中100,000元用于配备安全检测仪器和设备。
4. 安全奖励和福利费用:预算300,000元用于设立安全奖励,激励员工积极参与安全生产工作,提高员工的安全意识和自我保护能力。
具体包括但不限于安全环保节约型岗位奖、安全事故预防奖、年度安全活动奖等。
预算还包括100,000元用于改善员工的工作环境和福利待遇,提高员工对安全生产工作的积极性。
第三部分:预算总结和控制措施(约200字)本次预算总金额为1,600,000元。
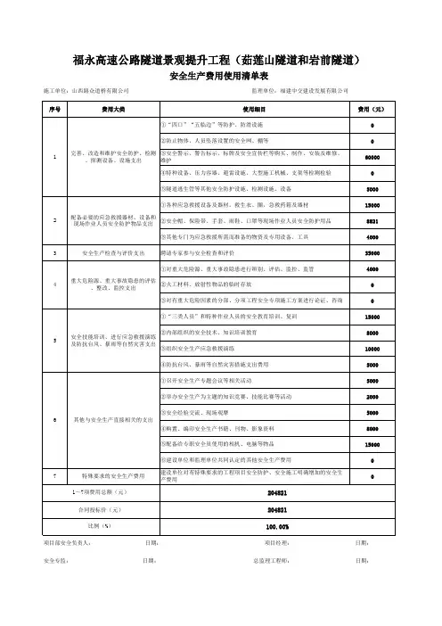
2015年2月份安全生产费用使用清单(附安全生产费用明细表)序号费用大类使用细目费用(元)1完善、改造和维护安全防护、检测、探测设备、设施支出①“四口”“五临边”等防护、防滑设施600②防止物体、人员坠落设置的安全网、棚等475③安全警示、警告标示、标牌及安全宣传栏等购买、制作、安装及维修、维护10002 配备必要的应急救援器材、设备和现场作业人员安全防护物品支出①各种应急救援设备及器材、救生衣、圈,急救药箱及器材150②安全帽、保险带、手套、雨鞋、口罩等现场作业人员安全防护用品2047③其他专门为应急救援所需而准备的物资、专用设备、工具7503 安全生产检查与评价支出①日常安全生产检查、评估35004安全技能培训及进行应急救援演练支出①“三类人员”和特种作业人员的安全教育培训、复训2250②内部组织的安全技术、知识培训教育2100 购置、编印安全生产书籍、刊物、影象资料825②配备给专职安全使用的相机、电脑等物品6300③安全生产奖励费用:发给专职安全员工资以外的安全目标考核奖励,安全生产工作先进个人、集体的奖励2500安全生产费用总额22497.00说明:投标单位可根据自身施工特点对本表所列的“使用细目”进行有针对性的增减或调整,并填报相应费用及费用组成明细表,细化到列清各种配置设施的名称、数量、单价。
绿色文明费用明细表序号费用明细名称数量单价(元)合价(元)1①“四口”“五临边”等防护、防滑设施钢管50M 10元/M 500扣件20只5元/只100 ②防止物体、人员坠落设置的安全网、棚等钢管40M 10元/M 400扣件15只5元/只75 ③安全警示、警告标示、标牌及安全宣传栏等购买、制作、安装及维修、维护安全警示牌1套200元/套200警告标示牌1套200元/套200操作规程标牌1套200元/套200安全宣传栏1个400元/个400 小计2075元2①各种应急救援设备及器材、救生衣、圈,急救药箱及器材急救药箱1只150元/只150②安全帽、保险带、手套、雨鞋、口罩等现场作业人员安全防护用品安全帽70顶20元/顶1400 保险带8副22元/副172 手套100副 1.5元/副150 雨鞋10双30元/双300 口罩10只 2.5元/只25③其他专门为应急救援所需而准备的物资、专用设备、工具灭火器10只45元/只450 登高梯1架300元/架300小计29473①日常安全生产检查、评估检查费1人3500元/月·人3500小计3500安全生产费用明细表序号费用明细名称数量单价(元)合价(元)4 ①“三类人员”和特种作业人员的安全教育培训、复训教育培训费5人次450元/人次2250 ②内部组织的安全技术、知识培训教育教育培训费70人次30元/人次2100 小计4350①购置、编印安全生产书籍、刊物、影象资料书籍16本16元/本256刊物16本7元/本119碟片10片45元/片450②配备给专职安全使用的相机、电脑等物品相机1部2100元/部2100 电脑1台4200元/台4200安全生产奖励费用:发给专职安全员工资以外的安全目标考核奖励,安全生产工作先进个人、集体的奖励奖励费5人次500元/人次2500小计21025说明:单价中已包括安装人工费;其中挖掘机、电焊机、切割机、照明灯、移动电话、小车等现场自备设施未列入应急救援所需表内。
安全生产费用预算计划表
1. 背景
为提高企业安全生产管理水平,确保员工的人身安全和财产安全,制定安全生产费用预算计划表。
2. 目的
本文档旨在对企业的安全生产费用进行预算,为企业制定合理的安全生产投入计划。
3. 预算内容
3.1 人员培训费用
- 员工安全培训、意外事故处置培训
- 人员培训材料费用
3.2 安全设备采购费用
- 生产作业过程所需的安全设备
- 安全设备维护费用
3.3 安全巡检费用
- 安排专业人员进行定期安全巡检
- 巡检设备、工具和材料费用
3.4 安全宣传费用
- 制作安全宣传资料
- 宣传教育活动的费用
3.5 保险费用
- 包括员工人身保险和财产保险
3.6 突发事件应急处理费用
- 突发事件应急预案的培训费用
- 应急物资、设备的采购费用
4. 预算计划
根据企业实际情况和预计需求,制定以下预算计划:
5. 执行和监督
在预算计划执行过程中,应确保费用的合理使用,并不断监督和评估预算执行情况。
如有必要,可根据实际情况进行调整,以保证安全生产费用的充分投入和有效使用。
以上为安全生产费用预算计划表,供企业参考和实施。
2017年度安全生产专项资金投入预算
一、安全生产专项资金投入的目的:安全生产专项资金投入是企业安全生产规范化管理的一个重要部分,主要用于建立和完美其安全防护设备设施以更好的保护其人员的安全,加强企业安全生产规范化管理,且带有一定的法律责任。
二、相关法律责任
《中华人民共和国安全生产法》第八十条规定:生产经营单位的决策机构、主要负责人、个人经营的投资人不依照本法规定保证安全生产条件的,责令限期改正,提供必需的资金;逾期未改正的,责令生产经营单位停产停业整顿。
有前款违法行为,导致发生生产安全事故,构成犯罪的,依照刑法有关规定追究刑事责任;尚不够刑事处罚的,对生产经营单位的主要负责人给予撤职处分,对个人经营的投资人处二万元以上二十万以下的罚款。
因我公司于去年刚刚组建,出于安全生产考虑,我公司虽然在去年的安全生产工作上投入了大量的资金,但仍有不尽完善之处,基于以上原因,安全保卫部特向公司领导建议提出 2016 年度安全生产专项资金投入如下:
欢迎您的下载,
资料仅供参考!
致力为企业和个人提供合同协议,策划案计划书,学习资料等等
打造全网一站式需求。
企业年度安全生产费用预算企业年度安全生产费用预算引言安全生产是企业发展的基础,是保障员工生命安全和公司财产的重要措施。
为了确保企业安全生产工作的顺利开展,有必要进行年度安全生产费用预算,以合理分配安全生产资源,提高企业的安全管理水平。
一、费用预算内容1. 安全教育培训费用:包括培训师工资、培训材料、场地租赁费用等。
通过开展周期性的安全培训,提高员工的安全意识和应急反应能力。
2. 安全设备购置费用:包括安全防护设备、安全监测设备、中控系统等购置费用。
更新设备是提高企业安全生产水平的重要手段。
3. 安全事故预防费用:包括事故隐患排查、整改费用,安全管理系统建设费用等。
通过加强事故隐患排查和管理,降低事故发生的可能性。
4. 安全巡检费用:包括巡检人员工资、巡检工具等费用。
通过定期巡检,发现隐患并及时采取措施,防止事故的发生。
5. 保险费用:包括员工人身意外保险、财产保险等费用。
通过购买保险,减少事故发生后的经济损失。
二、费用预算方法1. 根据历史数据进行统计分析,分析不同类型的费用在安全生产中的占比,然后根据企业规模和特点确定费用预算的比例。
2. 结合企业实际情况,制定安全生产费用的预算标准,包括每个项目的详细费用预算。
3. 根据企业发展的需要和员工数量变化,适时调整安全生产费用预算。
三、费用预算管理1. 设立专门的费用预算管理部门,负责预算的编制、执行、监控和评估等工作。
2. 制定费用预算使用的流程和制度,明确各部门的责任和权限,确保费用使用的规范和合理性。
3. 定期开展费用预算执行情况的检查和评估,及时发现问题并进行整改,提高费用预算的管理水平。
四、费用预算的意义1. 提高安全管理水平:通过合理的费用预算,可以提供企业安全生产所需的资源和设备,提高安全管理水平,预防和减少事故的发生。
2. 保障员工安全和健康:费用预算可以用于员工的安全教育培训和购置安全设备,提高员工防范事故和保障自身安全的能力。
3. 降低经济损失:通过购买相关的保险和预防性的安全措施,可以有效减少事故后的经济损失。
武汉汉西污水处理有限公司 2015年安全生产费用预算一、安全技术措施工程建设投入1、重大危险源现场监控系统改造1200002、加氯系统电气防爆改造100000合计:220000二、安全防护与劳动保健投入1、安全防护用品(见详单)550002、职工体检费用50X300150003、职业病预防费用100004、污水处理营养费50X150X12900005、取暖、消暑费用50X40020000合计:190000三、应急救援投入200002、应急救援组织办公费用20003、应急救援培训及演练费用10000合计:32000四、安全宣传教育投入100002、安全生产例会、安全活动费用30003、安全专题板报、宣传标语、安全宣传稿件等费用1000合计:14000根据《中华人民共和国安全生产法》相关规定,依据财政部、国家安监总局以财企〔2012〕16号发布的《企业安全生产费用提取和使用管理办法》制定武汉汉西污水处理有限公司安全生产费用提取和使用管理制度。
安全生产费用(简称安全费用)是指企业按照规定标准提取,在成本中列支,专门用于完善和改进企业安全生产条件的资金。
安全费用按照企业提取、政府监管、确保需要、规范使用的原则进行财务管理并纳入本企业年度预算。
每年提取公司上年度营业额的0.5%作为公司的安全生产专项费用,并高于公司前三年安全生产费用的平均值。
1、应急救援设施(如防火墙、安全通道、抢险用具、抢险救灾的工程设施及器具、警示标志、检测报警仪器、通讯联络器材、抢险救灾车辆、围堤、回收装置等)、设备、用具或用品等费用1、对职工进行安全培训(包括三级教育、特种作业上岗培训、安全知识讲座等)的费用(教材费、讲课费等)五、日常安全管理投入1、公司QEO管理体系运行维护费用300002、公司仪器仪表计量检测、特种设备安全检测检验费用300003、公司构筑物防雷检测费用100004、公司安全生产标准化、安全评价、重大危险源评估费用60000合计:130000六、保险投入1、设备保险3000002、安全生产责任险200003、职工工伤保险20000合计:340000七、事故投入1、事故处理活动费用200002、对伤亡职工的救治与赔偿费用3、环境污染处罚与治理费用500004、事故发生导致企业停产的损失八、安全奖励投入1、安全先进集体每季度2个/1000元80002、安全先进个人每季度4个/500元8000合计:16000总计1012000。
安全生产工作经费预算1、安全管理费列入年度决算出自哪个文件根据省政府260号令第十七条规定:生产经营单位应当确保本单位具备安全生产条件所必需的资金投入,安全生产资金投入纳入年度生产经营计划和财务预算,不得挪作他用,并专项用于下列安全生产事项:(一)完善、改造和维护安全防护及监督管理设施设备支出;(二)配备、维护、保养应急救援器材、设备和物资支出,制定应急预案和组织应急演练支出;(三)开展重大危险源和事故隐患评估、监控和整改支出;(四)安全生产评估检查、专家咨询和标准化建设支出;(五)配备和更新现场作业人员安全防护用品支出;(六)安全生产宣传、教育、培训支出;(七)安全生产适用的新技术、新标准、新工艺、新装备的推广应用支出;(八)安全设施及特种设备检测检验支出;(九)参加安全生产责任保险支出;(十)其他与安全生产直接相关的支出。
2、保证安全生产投入的证明文件下面是我们公司的“安全投入管理制度”,你参考下:第一条  为建立安全生产投入的长效机制,确保公司安全生产条件,加强隐患治理,避免安全生产事故的发生,不断改善企业安全生产环境及作业条件,根据《中华人民共和国安全生产法》、《国务院关于进一步加强安全生产工作的决定》及有关规定,特制定本制度。
第二条 安全投入费用按照“企业提取、政府监管、确保需要、规范使用”的原则进行管理。
第二章安全投入费用的使用和管理第三条 安全投入费用由安全费用及其它安全投入两部分组成。
其中安全费用按照全年实际销售收入的4%逐月提取,其它安全投入据实列支。
第四条 安全投入费用使用的范围:(1)安全培训教育所需费用;(2)为职工配备符合国家标准的个体防护用品及保健品的费用;(3)完善、改造和维护安全防护设备、设施支出,安全设施设备包括监控、监测、通风、防晒、调温、防火、灭火、防爆、泄压、防毒、消毒、中和、防潮、防雷、防静电、防腐、防渗漏、防护围堤、隔离操作、警示及应急救援等设施设备;(4)生产设施改造及隐患治理所需费用;(5)公司安全生产风险抵押金;(6)安全检查工作、评价所需费用;(7)安全生产先进技术研究、推广、应用及有关经费投入费用;(8)配备必要的应急救援器材、设备,建立应急救援队伍、开展应急救援演练所需的费用;(9)重大危险源评估、整改治理、监控支出等费用;(10)为职工缴纳的工伤保险费用;(11)安全奖励费用;(12)其它应当列入安全投入的费用。
安全生产经费预算和使用安全生产是企业的头等大事,也是企业生产经营的基础。
为保障员工的人身安全和公司的财产安全,企业需要充分重视安全生产,并将必要的经费投入到安全生产上。
本文将讨论安全生产经费的预算和使用。
一、安全生产经费预算的重要性1.保障安全生产所需的物质条件:安全生产需要各种设备、工具、防护用品等物质条件的支持。
预算安全生产经费可以确保企业按时采购和更新这些设备,保证其有效运行。
2.培训和教育费用:安全生产教育和培训对于员工掌握安全操作规程和技能至关重要。
预算安全生产经费可以用于培训员工、组织安全演练和进行现场指导,提高员工的安全意识和应急处理能力。
3.安全设施的建设和维护:企业需要在生产过程中设置各种安全设施,如防护栏、报警系统等,以减少事故的发生。
安全生产经费可以用于这些设施的建设和维护,确保其有效运行。
4.安全检查和评估费用:企业需要定期进行安全检查和评估,及时发现和排除安全隐患。
安全生产经费可以用于雇佣专业机构进行检查和评估,并采取相应的措施改善安全状况。
5.医疗费用和赔偿金:企业需要为员工购买工伤保险,并承担工伤事故的医疗费用和赔偿金。
安全生产经费预算可以用于支付这些费用,减轻企业的经济负担。
二、安全生产经费预算的建立建立安全生产经费预算需要企业管理层的支持和全体员工的共同努力。
以下是一些建议:1.分析过去的安全生产花费和需求:通过分析过去的安全生产经费支出和实际需求,可以确定一个合理的安全生产经费预算基数。
2.费用分解和归集:将安全生产经费按照各项支出进行细分和归集,如设备采购、培训教育、设施建设和维护等。
根据实际情况确定各项费用占比。
3.编制安全生产经费预算计划:根据安全生产需求和费用分解结果,编制一份详细的安全生产经费预算计划。
该计划需要包括各项费用的金额、时间和使用计划等内容。
4.审议和批准:将安全生产经费预算计划提交给企业管理层进行审议和批准。
管理层需要综合考虑企业的资金状况、安全生产需求和经济效益等因素,对预算计划进行调整或批准。
安全生产经费预算方案1、安全生产监管部门财政应预算哪些经费1、安全隐患整改费用,如有什么重大隐患需要动用较大百资金的最好单独列出,另外列一零碎的,因为日常总会有小隐患要整改的;2、安全培训经费,主要负责人、安全管人员、特殊工种资格证培训、复审费用度;其中需要参加的各种安全培训费用,如新员工进厂三级教育产生的费用,3、特种设备检测、登记、维保费用;4、消防器材购买、更新内、维保、检测等费用;5、安全生产设施添置、更新、运行、维护费用;容6、应急管理费用。
应急器材、培训、演练、处置等7、劳保费用;8、安全生产审计管理费用,如18000评审、安全标准化评审;9、职业病防治费用,检测、体检、建档、等10、安全活动、安全文化费用。
2、安全生产投入必须纳入本单位经费预算.安全生产投入主要用于C3、安全生产费用包括哪些内容?安全生产费用(简称安全费用)是指企业按照规定标准提取,在成本中列支,专门用于完善和改进企业安全生产条件的资金。
安全费用按照"企业提取、政府监管、确保需要、规范使用"的原则进行财务管理。
安全费用应当按照以下规定范围使用。
(一)完善、改造和维护安全防护设备、设施支出,其中:1.矿山企业安全设备设施是指矿山综合防尘、地质监控、防灭火、防治水、危险气体监测、通风系统,支护及防治边帮滑坡设备、机电设备、供配电系统、运输(提升)系统以及尾矿库(坝)等;2.危险品生产企业安全设备设施是指车间、库房等作业场所的监控、监测、通风、防晒、调温、防火、灭火、防爆、泄压、防毒、消毒、中和、防潮、防雷、防静电、防腐、防渗漏、防护围堤或者隔离操作等设施设备;3.道路交通运输企业安全设备设施是指运输工具安全状况检测及维护系统、运输工具附属安全设备等。
(二)配备必要的应急救援器材、设备和现场作业人员安全防护物品支出。
(三)安全生产检查与评价支出。
(四)重大危险源、重大事故隐患的评估、整改、监控支出。
企业安全生产年度经费预算企业安全生产是保障企业员工身体健康和企业生产运营的重要内容,也是企业社会责任的体现。
为了确保企业安全生产工作的顺利开展,必须合理编制年度经费预算。
下面是一份企业安全生产年度经费预算,以供参考。
一、安全生产经费预算1. 安全设备费用- 购置和维护安全设备,如消防设备、危险化学品存储设施等。
- 维修和保养安全设备。
- 更新和升级安全设备。
2. 安全培训费用- 组织员工参加安全培训和演练。
- 聘请专业机构进行安全培训。
- 编制和发放安全培训材料。
3. 安全检查费用- 聘请安全专家进行定期安全检查。
- 安排安全巡查人员定期巡查。
- 购置和维护安全检查设备。
4. 风险评估费用- 邀请专业机构进行风险评估。
- 编制和更新风险评估报告。
- 采取措施减少和控制风险。
5. 应急预案费用- 编制和更新企业应急预案。
- 组织应急演练。
- 购置和维护应急设备。
6. 安全宣传费用- 策划和组织安全宣传活动。
- 制作和发放安全宣传材料。
7. 人员培训和防护用品费用- 购置和发放安全防护用品。
- 组织员工进行安全培训。
8. 安全奖励费用- 设立安全奖励机制,鼓励员工积极参与安全工作。
- 发放安全奖励。
9. 安全管理费用- 聘请专业人员负责企业安全管理。
- 编制和完善安全制度和规章制度。
- 购置和维护安全管理软件和系统。
10. 其他费用- 其他与安全生产相关的支出。
二、经费预算要求1. 公司规模和产业特点决定了安全生产经费的规模和构成,应根据实际情况进行调整和预算。
2. 经费预算应有合理的增长和发展空间,以适应企业发展所需。
3. 经费预算应根据实际需求进行合理分配,确保每个方面的安全生产工作得到充分支持和满足。
4. 经费预算应做到科学合理,避免浪费和不必要的开支。
三、案例分析以某中型制造业企业为例,根据其规模和产业特点,做出了一份安全生产经费预算如下:1. 安全设备费用:500,000元2. 安全培训费用:300,000元3. 安全检查费用:200,000元4. 风险评估费用:100,000元5. 应急预案费用:150,000元6. 安全宣传费用:100,000元7. 人员培训和防护用品费用:200,000元8. 安全奖励费用:50,000元9. 安全管理费用:600,000元10. 其他费用:200,000元总计预算:2,300,000元四、经费预算执行和调整1. 预算执行:根据安全生产工作的实际需求,按照预算进行资金支出,确保安全生产工作的正常开展。
年度安全生产费用预算1、企业保证安全生产投入的年度安全资金投入计划、实际生产投入台帐、投入清单报安全生产许可证需要什么?安全生产费用提取、使用管理制度1、目的为加强公司安全生产费用管理,建立公司安全生产投入长效机制,特制定管理暂行办法。
2、适用范围本办法适用于公司的安全生产费用的提取和使用。
3、引用法规及相关文件《中华人民共和国安全生产法》《中华人民共和国职业病防治法》《国务院关于进一步加强安全生产工作的决定》关于转发财政部、国家安全生产监督管理总局《关于印发〈高危行业企业安全生产费用财务管理暂行办法〉的通知(安监总局78号文)》的通知(中国化工发财「2007」43号)4、术语安全生产费用:是指企业按照规定标准提取,在成本中列支,专门用于完善和改进企业安全生产条件的资金。
5、实施程序5.1公司安全生产费用管理按照“公司提取、安委监管、确保需要、规范使用”的原则进行。
5.2安全技术科根据安全生产费用的规定使用范围、公司安全生产情况、相关二级单位安全项目投资计划及年度安全生产费用提取预算额(由公司财务科负责)。
5.3年度安全生产费用投入计划报送主管副经理、公司总经理审批。
5.4公司财务科按照国家有关规定及公司计划提取安全生产资金,纳入年度财务预决算,实行专款专用。
要建立健全安全生产费用台帐。
5.5安全生产费用的使用,各相关单位应填写安全生产费用月度预算表。
由公司安全技术科审核,财务科确认(需有关领导审批),方可使用。
5.6用于安全生产投入的材料,在领用时二级单位开具材料领用单,到安全技术科加盖“安全生产费用专用章”后,到物资供应科办理领用手续。
物资供应科要对用于安全生产投入的出库材料单独建帐,并每月向财务科提供一份《安全生产投入材料出库明细表》。
对属于安全生产费用规定范围内的材料,如未盖“安全生产费用专用章”,物资供应科严禁出库。
5.7财务科建立“安全费用”科目,按时入帐,并建立《安全生产费用使用台帐》,每月进行记录。
安全生产费用预算
安全生产费用预算700字
随着社会的不断发展和工业化的加速推进,安全生产问题日益凸显,成为了社会稳定和可持续发展的重要因素。
为了有效防范和减少事故的发生,每个企业都需要合理安排和预算安全生产费用。
下面是一份安全生产费用预算,仅供参考。
首先,在安全设备方面,企业应考虑购买和更新相关设备,如防护服、安全帽、安全鞋等。
这些安全设备的购买是保障员工生命安全和身体健康的基础,预计费用为XX万元。
其次,在安全培训方面,企业应注重员工的安全意识和安全技能培养。
定期组织员工参加安全培训和应急演练,提高员工应对突发情况的能力。
预计费用为XX万元。
再次,企业应加强安全巡查和隐患排查工作,及时发现并整改潜在安全隐患。
为此,企业需要投入一定的巡查人员和设备。
预计费用为XX万元。
此外,为了保障企业员工的身体健康,预防职业病的发生,企业需要进行职业卫生检测和职业病防治工作,如空气质量检测、噪声监测、职业病防护用品等。
预计费用为XX万元。
最后,在应急救援方面,企业需要组建一支应急救援队伍,并配备相应的应急救援器材。
预计费用为XX万元。
综上所述,根据企业的实际情况和安全生产管理要求,本预算对安全生产费用进行了合理的预估,总计为XX万元。
企业可根据预算情况进行修订和调整,确保安全生产费用的充分支出,并采取有效措施控制和减少安全生产事故的发生。
武汉汉西污水处理有限公司 2015年安全生产费用预算
一、安全技术措施工程建设投入1、重大危险源现场监控系统改造1200002、加氯系统电气防爆改造
100000合计:
220000二、安全防护与劳动保健投入1、安全防护用品(见详单)550002、职工体检费用50X300150003、职业病预防费用
100004、污水处理营养费50X150X1290000
5、取暖、消暑费用50X40020000合计:
190000
三、应急救援投入
200002、应急救援组织办公费用20003、应急救援培训及演练费用
10000合计:
32000
四、安全宣传教育投入
100002、安全生产例会、安全活动费用
30003、安全专题板报、宣传标语、安全宣传稿件等费用
1000合计:
14000
根据《中华人民共和国安全生产法》相关规定,依据财政部、国家安监总局以财企〔2012〕16号发布的《企业安全生产费用提取和使用管理办法》制定武汉汉西污水处理有限公司安全生产费用提取和使用管理制度。
安全生产费用(简称安全费用)是指企业按照规定标准提取,在成本中列支,专门用于完善和改进企业安全生产条件的资金。
安全费用按照企业提取、政府监管、确保需要、规范使用的原则进行财务管理并纳入本企业年度预算。
每年提取公司上年度营业额的0.5%作为公司的安全生产专项费用,并高于公司前三年安全生产费用的平均值。
1、应急救援设施(如防火墙、安全通道、抢险用具、抢险救灾的工程设施及器具、警示标志、检测报警仪器、通讯联络器材、抢险救灾车辆、围堤、回收装置等)、设备、用具或用品等费用1、对职工进行安全培训(包括三级教育、特种作业上岗培训、安全知识讲座等)的费用(教材费、讲课费等)
五、日常安全管理投入
1、公司QEO管理体系运行维护费用30000
2、公司仪器仪表计量检测、特种设备安全检测检验费用30000
3、公司构筑物防雷检测费用10000
4、公司安全生产标准化、安全评价、重大危险源评估费用60000
合计:130000
六、保险投入
1、设备保险300000
2、安全生产责任险20000
3、职工工伤保险20000
合计:340000
七、事故投入
1、事故处理活动费用20000
2、对伤亡职工的救治与赔偿费用
3、环境污染处罚与治理费用50000
4、事故发生导致企业停产的损失
八、安全奖励投入
1、安全先进集体每季度2个/1000元8000
2、安全先进个人每季度4个/500元8000
合计:16000
总计1012000。