塔吊顶升加节后验收记录
- 格式:doc
- 大小:37.50 KB
- 文档页数:1
塔吊附墙安装、顶升检查验收记录表
他参数是否符合要求,如起重量、起升高度等;
钢绳、吊钩、滑轮等部件是否正常运转;
传动系统是否平稳、润滑是否良好;
电缆供电系统和电气系统是否正常工作;
安全保护装置是否灵活可靠。
检查验收结论:
经检查,塔吊附墙安装、顶升工程符合相关技术要求,各项参数、部件均正常运转,安全保护装置灵活可靠。
经现场安装负责人和使用单位安全员签字确认,可投入使用。
本文无法进行格式错误的剔除和删除明显有问题的段落,因为原文中没有给出实际的文章内容。
但是,我们可以提供一个示例来演示如何小幅度改写每段话:
原文:安装技术负责人需要在项目验收时签字确认。
改写后:项目验收时,安装技术负责人必须签字确认。
原文:现场安装负责人应该在验收时进行签字。
改写后:验收时,现场安装负责人需进行签字。
原文:使用单位的安全员应该参与项目的验收。
改写后:项目验收时,使用单位的安全员应参与其中。
塔吊安装验收记录一、工程概况项目名称:XXX塔吊安装工程施工单位:XXX公司监理单位:XXX公司塔吊型号:XXX塔吊吊重:XXX吨安装地点:XXX工地二、安装前准备1.施工单位按照塔吊制造商提供的安装说明书,对所需材料及设备进行准备;2.全面检查塔吊各部件,确认无损坏及安全隐患;3.组织安装人员进行安装前的培训、指导,确保安装人员了解安装操作流程和注意事项;4.准备相关图纸、施工计划、验收标准等文件。
三、塔吊安装过程1.使用起重设备对塔吊基础进行搬运、安装;2.将各塔吊组件按照安装顺序进行装配,要求精确安装并保证各连接部位紧固可靠;3.按照塔吊制造商提供的安装说明书进行电气连接,并对电气系统进行测试及调试;4.根据需要,安装塔吊的配重块,并进行调整,使其达到平衡状态;5.完成基础、立柱、臂架等主要部件的焊接以及涂漆工作;6.按照施工计划,按序进行其他附属设备和安全设备的安装;7.在安装过程中,安装人员严格遵守相关安全规定,确保安全施工。
四、安装验收1.施工单位对塔吊进行安全检查,确保各部位紧固可靠;2.检查电气系统的连接情况,测试其正常工作及调试情况;3.检查吊钩、钢丝绳等起重设备的工况,确认无结构断裂及其他损伤;4.检查塔吊附属设备的安装情况,包括限位器、重物探测器、起升机筒等;5.进行操作试验,安装人员按照操作手册进行塔吊的各项操作,确保其正常工作;6.验收方对以上内容进行现场检查,记录安装结果,并提出建议和意见;7.塔吊安装工程验收合格后,由监理单位出具《塔吊安装工程验收报告》。
五、安全注意事项1.安装人员必须穿戴好安全帽、安全鞋等个人防护装备;2.严禁在塔吊操作过程中穿插行人,设立相应的安全警示标志;3.遇雷电天气或强风台风等恶劣天气,及时采取停机措施,并采取相应防护措施;4.安装人员必须严格遵守安装操作规程,不得擅自违反操作规范;5.安装过程中,严格按照塔吊制造商提供的负荷限制进行操作,不得超载;6.在安装验收过程中,质检人员必须全程监督,确保安全施工。
建筑起重机械进场验收表1
工程名称:铜陵县农林水综合服务大楼
建筑起重机械基础验收表2工程名称:铜陵县农林水综合服务大楼
建筑塔式起重机安装验收表3
工程名称:红花尚郡11、15住宅楼幼儿园注:此表包括安装、加节、降节验收
建筑起重机械进场验收表1工程名称:红花尚郡12住宅楼8、13商住楼
建筑起重机械基础验收表2工程名称:红花尚郡12住宅楼8、13商住楼
建筑塔式起重机安装验收表3
工程名称:红花尚郡12住宅楼8、13商住楼注:此表包括安装、加节、降节验收。
塔吊顶升加节附墙记录第一部分:引言本记录旨在对塔吊顶升加节和附墙施工过程进行详细描述和记录,以确保施工的顺利进行和安全完成。
第二部分:施工前准备1.确定加装塔吊顶升加节和附墙的施工方案,并进行设计审核和审批。
2.准备所需材料和设备,包括塔吊顶升加节、附墙支撑杆和各种固定配件。
3.确定施工人员和监理人员,并进行相关培训和安全教育。
4.确保施工现场的安全,包括清理杂物、设置警示标志和限高线等。
第三部分:施工过程1.将塔吊停止运行,并进行检修和维护工作。
2.将顶升加节和附墙支撑杆运输至施工现场,并进行堆放和组装。
3.按照设计图纸和施工方案,进行塔吊顶升加节和附墙的安装和固定。
4.在施工过程中,严格遵守操作规程和安全操作要求,确保施工人员的安全。
5.定期检查施工质量,确保顶升加节和附墙的安装质量符合设计要求。
6.在施工过程中,及时处理施工中遇到的问题和困难,并保持与监理人员的沟通和协作。
第四部分:施工完成验收1.完成塔吊顶升加节和附墙的安装后,进行综合验收。
2.验收内容包括安装质量、固定牢固性、外观质量等方面的检查。
3.验收合格后,填写相应的验收报告,并进行签字确认。
4.完成验收后,及时清理施工现场,回收材料和设备。
第五部分:施工中的安全注意事项1.塔吊顶升加节和附墙施工过程中,施工人员必须穿戴合格的安全防护装备,并按规定使用安全工具和设备。
2.施工现场必须设置警示标志和限高线,严禁非施工人员进入施工区域。
3.在顶升加节和附墙的安装过程中,严禁超负荷作业和随意改动施工方案。
4.施工人员必须熟悉操作规程和应急预案,能够熟练处理施工中可能出现的突发情况。
5.定期进行安全检查和培训,提高施工人员的安全意识和应急处理能力。
第六部分:总结通过对塔吊顶升加节和附墙施工过程的详细记录和总结,可以提高施工的安全性和质量,减少施工过程中可能出现的问题和事故。
同时,也可以为今后类似施工提供参考和借鉴,促进塔吊施工行业的安全和发展。
塔式起重机安装完毕检验记录日期:xxxx年xx月xx日地点:xxx工地安装单位:xxx公司监理单位:xxx公司一、安装的塔式起重机基本信息1. 型号:xxxx2. 额定起重量:xxxx吨3. 最大起升高度:xxxx米4. 平衡臂长度:xxxx米二、安装检验目的根据塔式起重机的安全使用要求,对已完成的安装进行检验,确保起重机的各项安全指标符合规定,确保安全使用及施工期间的安全。
三、安装检验内容及结果1.基础安装检验检验基础距离、深度及厚度等是否符合设计要求,检验结果:合格2.主体安装检验检验塔机主梁平整度、塔头角度及垂直度,检验结果:合格3.额定载荷检验将额定载荷的标准试重进行吊装,检验塔机的运行状态及承载能力,检验结果:合格4.限位开关检验检验塔机的起升机构、变幅机构和平行行走机构是否安装齐全、灵敏可靠,检验结果:合格5.安全装置检验检验塔机的重载、失重、干涉、风速等安全装置是否正常工作,检验结果:合格6.电气系统检验检验塔机的电气系统是否正常工作,包括电缆的安装、断电保护措施等,检验结果:合格7.塔式起重机整体安装检验检验塔式起重机各部分的连接、固定是否完好,检验结果:合格四、检验结论根据上述检验内容及结果,塔式起重机的安装符合相关标准和规定,检验合格。
五、存在问题及整改措施1.部分紧固螺丝存在松动现象,需进行重新紧固。
2.部分电线束有杂乱现象,需要重新整理及固定。
3.电气设备的接地问题需要进一步加强。
针对上述存在的问题,我们将立即采取以下整改措施:1.对松动螺丝进行重新紧固,并进行固定。
2.进行电线束的整理及固定工作。
3.对电气设备的接地进行进一步检查及处理。
六、检验人员及监理单位意见检验人员:xxx监理单位意见:该塔式起重机安装检验结果合格,可以进入正常使用阶段。
七、安装单位意见安装单位:xxx公司该塔式起重机安装完毕检验符合相关标准和规定,已按照要求进行整改,可以交付使用。
八、其他说明1.塔式起重机的周围安全警示标识已经设置完毕。
塔式起重机表式:Ⅱ1-014/7
顶升检验记录中建建筑承包公司档案编号:年月日工程名称施工单位
施工地点顶升负责人
塔式起重机型
号
设备
编号
原
塔高
顶后
高度
顶升之前检查标准节数量和型号是否正确
标准节套架、平台等是否开焊、变形和裂纹
套架滚轮转动是否灵活,与塔身的间隙是否合适
液压系统压力是否达到要求,油路是否畅通、无泄漏
钢轨顶面纵横方向倾斜度是否超过千分之五
顶升之后检查塔身连接是否可靠,螺栓和销子是否齐全
塔身与回转平台连接是否可靠,螺栓拧紧力矩是否达标
套架是否降低到规定位置,电源线是否接好
塔身对支承面垂直度是否小于千分之四
检查验收结论
验收签字安装技术负责人:
安全员:
土建施工负责人:
年月日。
安、拆装单位塔机型号
塔式起
®机塔式起重机安装(顶升、加节)验收记录
起升高度
验收日期:
安、拆负责人
产权登记号
幅度
臂端起重量
起重力矩TM
项U 内容和要求验收结果
结■
构部件、附件、联结件安装是否齐全,位置是否正确
螺栓拧紧力矩是否达到技术要求,开口销是否安全撬开结构是否有变形、开焊、疲劳裂纹
压重、配重重量、位置是否达到说明书要求
■
钢丝绳在卷筒上面缠绕是否整齐、润滑是否良好
钢丝绳规格是否正确、断丝和磨损是否达到报废标准钢丝绳固定和编插是否符合国家标准
各部件滑轮转动是否灵活、可靠,有无卡塞现象
吊钩磨损是否达到报废标准、保险装置是否可靠
各机构转动是否平衡有无异常响声
各润滑点是否润滑良好、润滑油牌号是否正确
制动器、离合器动作是否灵活可靠
电缆供电系统供电是否充分、正常工作、电压380±5%炭刷、接触器、继电器触点是否&好
仪表、照明、报警系统是否完好、可靠
控制、操纵装置动作是否灵活、可靠
电气各种安全保护装置是否齐全、可靠
电气系统对塔吊的绝缘电阻不小于0
T
最大起重量
/ T
塔式起重机安装(加节)检查验收表
表
验收意见:
参加验收人员。
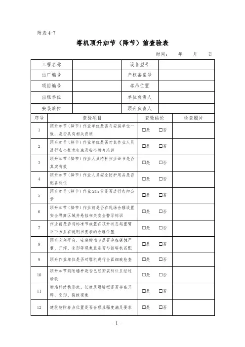
塔吊起重机械顶升、加节检查验收记录表
塔吊起重机械顶升、加节检查验收记录表
工程名称施工单位
安装单位顶升负责人
起重机型号原塔高顶升后高
检查项目检查内容检查结果
顶升前检查垫块、锲块、连接销轴、开口销等部零件是否齐全。
附墙框、附墙杆长度和结构形式符合附着要求。
附墙框、附墙杆是否有开焊、变形、裂纹
独立状态或附着状态下检查塔机垂直度的偏差
建筑物上附着点布置和强度符合要求,连接牢固
顶升装置各防脱功能是否安全可靠
爬爪、爬爪座及顶升支承梁无变形、裂纹、开焊
电缆线长度已留置,液压系统无漏油现象
顶升后检查附墙框架、附墙杆安装是否符合规定要求
附墙框架、附墙杆装置等各处螺栓、销轴紧固连接牢靠附着点以上塔机自由高度不得大于规定要求
各部位限位器是否是否灵敏、可靠
附着后检查塔机的垂直度
验收结论:
安装项目负责人:施工项目负责人:监理项目负责人:
安装单位(章)
年月日施工单位(章)
年月日
监理单位(章)
年月日。
塔吊顶升附着验收单1. 项目背景塔吊是建筑工地上必不可少的大型起重设备之一,主要用于在建筑施工现场进行货物吊运及重型设备的运输。
而塔吊在朝着更高层次进行吊装作业时,需要通过顶升附着设备来保证其稳定性和安全性。
因此,本文档将会提供塔吊顶升附着验收单,以明确塔吊顶升附着运用时所需的标准和操作规范。
2. 验收内容根据国家行业标准和我公司实际情况,此次的塔吊顶升附着验收内容如下:2.1 设备配置根据施工需要,塔吊顶升附着设备的配置是必须的。
其主要包括:•顶升液压站•顶升滑动轨道•附着钢缆•钢脚丝杠调节器•滑轮支架和导向器•安全缓冲杆等2.2 施工准备在进行塔吊顶升附着工作前,需要对现场进行一系列检查和准备,主要有以下几个方面:•现场应符合塔吊安装标准要求,地面平整、稳定,无障碍物•塔吊本身的牢固连接和固定•顶升装置的正确连接和安装•附着钢缆的正确使用和绑扎•其他相关设备和工具的准备2.3 顶升设备验收在施工前,需要对顶升设备进行检测和验收,以保证其正常使用和安全性。
主要包括以下几个方面:•液压站的运行状态是否正常,油位是否充足•液压管路和油泵的密封性和防爆性是否符合要求•顶升液压站的操作面板是否齐全、操作简便•液压站的油管路、压力表、安全阀等附件的位置是否正确固定•滑动轨道的平整度是否达到要求2.4 附着设备验收附着设备是塔吊顶升作业的重要保障,对于其本身的质量和使用是否正确进行验收也非常必要。
主要包括以下几个方面:•附着钢缆的长度、强度、防护罩是否符合要求•钢缆的固定方式、绑扎是否正确•钢缆在操作时是否出现许多拧线、缠绕以及盘层不平整、捻簧过紧等现象•钢缆与塔吊及地面锚固设施的牢固性2.5 顶升附着操作在验收设备后,需要严格按照操作要求进行塔吊顶升附着作业。
主要包括以下几个方面:•操作人员需要熟练掌握顶升液压站的使用方式和液压控制器的操作功能•操作人员需要熟悉附着钢缆的绑扎和松卸方式,以及其调整方法•操作人员需要熟练掌握滑动轨道的上升与恢复运动的方法•操作人员需要熟悉安全缓冲杆、钢脚调节器等安全设备的操作方式3. 验收标准为保证塔吊顶升附着操作的安全性和质量,我们将会按照以下标准进行验收:3.1 质量标准•相应的塔吊顶升附着设备应符合国家标准和行业规范•液压站中的各个零部件的品质和质量应符合相应的标准要求•附着设备的钢缆应符合高强度钢缆制造标准要求,并经过硬度检测•滑动轨道的平整度应符合要求3.2 安全标准•在顶升附着过程中,需要准确判断各个设备工作是否正常、安全•操作人员需具备相关证书,操作技术熟练并能够灵活处置各种突发事件•操作过程中,应安排专人负责监管,确保作业安全4. 总结本文档主要是为了保障塔吊顶升附着作业的安全和质量,明确了顶升附着验收的内容和标准,并提供了操作要求和注意事项。
塔吊顶升验收资料塔式起重机附着及顶升验收记录⼯程名称:王家官庄旧村改造项⽬⼆期14#楼产权单位: 青岛祥通建筑机械租赁有限公司安装单位: 青岛⽔集建筑有限公司施⼯单位: 江苏茂盛建设有限公司监理单位: 青岛泰丰建设监理有限公司动载试验起吊动载试验的重物,进⾏数次各机构的动作,检查各⼯作机构是否正常,重量、⼒矩限制器是否灵敏可靠。
安全距离塔机与建筑物周围施⼯设施之间距离》0.5⽶;多塔作业相互间距离应符合要求;有防碰撞措施;各部位与外电线路保持安全距离,必须按规定采取防护措施,防护措施应达到电业部门规定要求。
达不到要求的加固措施使⽤说明书必须附有详细的加固措施,施⼯现场配备加固器具,设专⼈保管,定期检查保养,并做好维修保养记录。
持证上M-r 岗安装拆卸和使⽤过程中塔式起重机司机、信号⼯、电⼯、登⾼架设和起重⼯等各类⼈员,必须持证上岗。
验收产权单位安装单位施⼯单位监理单位建设单位年⽉⽈年⽉⽈年⽉⽈年⽉⽈年⽉⽈结论现场负责⼈(签字):单位意见(公章)技术负责⼈(签字):单位意见(公章)产权单位项⽬总监(签字):单位意见(公章)监rtrt理单位单位意见(公章)安装负责⼈(签字):技术负责⼈(签字):安全管理机构负责⼈(签字):项⽬负责⼈(签字):技术负责⼈(签字):专职安全员(签字):塔吊司机(签字):单位意见(公章)塔机安全保护装置检测表塔机附着锚固装置及垂直度检验表注:①缆风绳式仅限于有风绳井架式塔机。
②附着式塔机每附着顶升⼀次,填本表⼀次。
塔式起重机基础验收记录永昌县第五中学教学楼工程安装的塔式起重机由山东华夏集团制造, 其塔机型号为 QTZ-315D ,基础部分由我公司负责施工。
1、因地质情况,基础开挖至-3.5米 , 上口 4.5米×4.5米,下口 4.0米 ×4.0米 ,4角挖找斜角 700宽 , 对角线长 0.3米。
2、基底设 C15 , 100厚砼垫层。
3、基础底设Φ8@100(双向底网。
C25砼浇至-1.5米处。
4、梁长 6.2米,上部钢筋4Φ16,下部钢筋4Φ25, 梁高 500,梁两端加密区为 1.5米Φ8@100, 中间为Φ8 @200。
5、予埋螺栓准确 , 满足安装要求。
八冶建设第二有限公司二 0一工程处永昌五中项目部施工员:技术负责人:二 OO 六年四月二十五日塔式起重机顶升施工方案金昌汽车客运站项目根据施工季节要求 , 决定将塔吊立到顶,为保证安装顶升工作顺利进行特制定以下方案 :一、人员组成1、立塔小组由以下人员组成:朱煜、曹文智、王玉明、徐贺先、李其华、杨永武为管理小组成员, 并安排张车廉、陈会山、王春庆、杨少华 4人作为辅助工种,配合作业。
2、总指挥由朱煜负责,技术负责王玉明,安全负责杨立军,后勤负责杨永武,人员组织曹文新。
塔上技术由王春庆、杨少华负责,安全由徐贺先负责,地面由李其华负责安全。
立塔吊时的两侧边道由专人负责全面安全工作,不允许无关人员进入作业区。
二、安全要求1、作业时,对制动器连接件、顺时支撑调整一遍。
特别是对原先安装的第一节所有的插销、螺栓紧固一遍,对十字钢粱的螺栓也同时紧固一遍。
2、选择晴好天气作业,如遇四级以上大风、雨等恶劣天气,须停止作业。
3、塔上安装及操作人员必须配备安全带、安全帽。
对喝酒、高血压等人严禁上塔作业。
三、塔身顶升当起重机将塔臂、塔帽等吊装就位后,当顶升时,应提前做好充分的准备。
1、按顶升加节所需的塔身标准节,吊放在塔身顶升时引进的方向侧。
2、将起重臂运行到塔身引进方向一侧,使起重臂与引进方向重合,然后锁定回转机构。