给排水及采暖工程规范强文检查记录表
- 格式:doc
- 大小:35.50 KB
- 文档页数:1
12345678910+0.01δ-0.05δ51011.5≯13≯252≯1010%8%45管径≤100mm
管径>100mm 员等进行验收。
管
道和
设
备
保温允
许偏
差
采暖管道安装的允许偏差厚 度(mm) 监理工程师 (建设单位项目技术负责人):
管径≤
100mm
监理(建设)单位验收记录管径>
100mm
年 月 日
年 月 日项目专业质量检查员:管径≤100mm
管径>100mm
每1m 全长 (25m 以上)每1m
全长(25m以上)
规范规定施工单位检查评定记录管径>
100mm
管径≤
100mm
12施工单位检查
评定结果
监理(建设)单位
验收结论表面平整
度 (mm)
横管道 纵、横方 向弯曲 (mm)立管 垂直度 (mm)弯 管椭圆率折邹不平度
室内采暖系统管道及配件安装工程
检验批质量验收记录(表二)
一般项目
11卷 材
涂 抹。
目录1施工单位验收技术资料通用表2.工程质量控制资料表(0)建筑工程施工强制性条文检查记录表2。
工程质量控制资料表(1)建筑与结构工程○1地基处理及桩基施工记录2测量放线、施工试验、主体结构、装饰装修、屋面施工记录错误!钢结构施工记录(在编)错误!建筑与结构原材料、试件试验(2)给排水与采暖工程(包括安全和功能检验)(3)建筑电气工程(包括安全和功能检验)(4)通风与空调工程(包括安全和功能检验)(5)电梯工程(包括安全和功能检验)(6)建筑智能化(待编)3。
建筑与结构工程安全和功能检验或抽查记录表1陕西省建筑工程施工质量验收技术资料统一用表施工质量验收技术资料通用表单位(子单位)工程概况表施工质量验收技术资料通用表工程概况表(专业工程)陕ZTY-0002施工质量验收技术资料通用表建设工程主要审批文件施工许可证、中标通知书等一览表陕ZTY-0003施工质量验收技术资料通用表开工报告陕ZTY-0004施工质量验收技术资料通用表竣工报告陕西省建筑工程施工质量验收技术资料统一用表施工质量验收技术资料通用表建设工程各责任主体单位名称及主要负责人情况表陕ZTY-0006陕西省建筑工程施工质量验收技术资料统一用表施工质量验收技术资料通用表工程项目施工管理人员名单陕ZTY-0007陕西省建筑工程施工质量验收技术资料统一用表施工质量验收技术资料通用表施工组织设计(施工方案)报批表陕西省建筑工程施工质量验收技术资料统一用表施工质量验收技术资料通用表岩土工程勘察报告结论及建议、桩基工程试桩结论陕西省建筑工程施工质量验收技术资料统一用表施工质量验收技术资料通用表桩基、人工地基处理、人工地基检测报告结论及建议、深基坑支护及监测结论陕ZTY —0010施工质量验收技术资料通用表竣工时建筑物沉降与垂直偏差记录陕ZTY—0011施工质量验收技术资料通用表见证取样送检见证人授权书陕ZTY-0012施工质量验收技术资料通用表原材料、配件、设备试验委托单陕ZTY-0013施工质量验收技术资料通用表试验单位资质等级计量认证报审表施工质量验收技术资料通用表合格证、出厂试验报告、出厂质量证明资料粘贴单陕ZTY-0015陕西省建筑工程施工质量验收技术资料统一用表施工质量验收技术资料通用表施工图纸会审记录施工质量验收技术资料通用表设计交底记录陕ZTY-0017洽商记录施工质量验收技术资料通用表施工技术交底记录陕ZTY-0019施工质量验收技术资料通用表施工日志陕ZTY-0020新材料、新工艺、新技术、新设备应用申报审批表陕西省建筑工程施工质量验收技术资料统一用表施工质量验收技术资料通用表新技术、新设备、新材料、新工艺施工记录陕西省建筑工程施工质量验收技术资料统一用表施工质量验收技术资料通用表隐蔽工程验收记录表陕ZTY —0023陕西省建筑工程施工质量验收技术资料统一用表施工质量验收技术资料通用表中间交接检验记录施工质量验收技术资料通用表工程预检、竣工预验收报验单施工质量验收技术资料通用表主要设备开箱检验记录陕ZTY—0026施工质量验收技术资料通用表分项、分部(子分部)工程通过验收各方会签表注:本表作为附件,附在分项、分部(子分部)工程质量验收记录表之后,单位按需要由监理(建设)单位确定.陕西省建筑工程施工质量验收技术资料统一用表施工质量验收技术资料通用表单位(子单位)工程竣工验收参加各方对工程质量的评价书陕ZTY —0028注:参加验收单位及人员应符合GB50300-2001的规定。
4 室内给水系统安装4.1 一般规定4.1.1 本章适用于工作压力不大于1.0Mpa的室内给水和消火栓系统管道安装工程的质量检验与验收.4.1.2 给水管道必须采用与管材相适应的管件.生活给水系统所涉及的材料必须达到饮水卫生标准.4.1.3 管径小于或等于100mm的镀锌钢管应采作螺纹连接,套丝扣时破坏的镀锌层表面及外露螺纹部分应做防腐处理;管径大于100mm的镀锌钢管应采用法兰或卡套式专用管件连接,镀锌钢管与法兰的焊接处应二次镀锌.4.1.4 给水塑料管和复合管可以采用橡胶圈接口、粘接接口、热熔连接、专用管件连接及法兰连接等形式。
塑料管和复合管与金属管件、阀门等的连接应使用专用管件连接,不得在塑料管上套丝。
4.1.5 给水铸铁管管道采用水泥捻口或橡胶圈接口方式进行连接。
4.1.6铜管连接可采用专用接头或焊接,当管径小于22mm时宜采用承插或套管焊接,承口应迎介质流向安装;当管径大于或等于22mm时宜采用对口焊接。
4.1.7 给水立管和装有3个或3个以上配水点的支管始端,均应安装可折卸的连接件。
4.1.8 冷、热水管道同时安装应符合下列规定:1 上、下平行安装时热水管应在冷水管上方。
2 垂直平行安装时热水管应在冷水管左侧。
4.2 给水管道及配件安装主控项目4.2.1 室内给水管道的水压试验必须符合设计要求。
当设计未注明时,各种材质的给管道系统试验压力均为工作压力的1。
5倍,但不得小于0。
6Mpa。
检验方法:金属及复合管给水管道系统在试验压力下观测10min,压力降不应0.02Mpa然后降到工作压力进行检查,应不渗不漏;塑料管给水系统应在试验压力下稳压1H,压力降不得超过0.05Mpa,然后在工作压力的1。
15倍状态下稳压2H,压力降不得超过0。
03Mpa,同时检查各连接处不得渗漏。
4.2.2 给水系统交付使用前必须进行试验并做好记录.检验方法:观察和开启阀门,水嘴等放水。
4.2.3生活给水系统管道在交付使用前必须冲洗和,开经有关部门取样检验,符合国家《生活饮用水标准》方可使用。
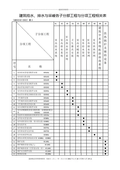
建筑给水、排水与采暖各子分部工程与分项工程相关表注:本表有●符号者为该子分部工程所含的分项工程给排水分部(子分部)工程验收记录(GB50300-2001)表F.0.1 编号:05□□注:除地基基础分部外,勘察单位可不参加室内给水系统分部(子分部)工程验收记录(GB50300-2001)表F.0.1 编号:0501注:除地基基础分部外,勘察单位可不参加给水管道及配件安装分项工程质量验收表室内给水管道及配件安装工程检验批质量验收记录(GB50242-2002)表4.2 编号:050101□□□注:表中*为实测数据值050101□□□说明强制性条文3.3.3 地下室或地下构筑物外墙有管道穿过的,应采取防水措施。
对有严格防水要求的建筑物,必须采用柔性防水套管;3.3.16 各种承压管道系统和设备应做水压试验,非承压管道系统和设备应做灌水试验。
4.1.2 给水管道必须采用与管材相适应的管件。
生活给水系统所涉及的材料必须达到饮用水卫生标准。
主控项目4.2.1室内给水管道的水压试验必须符合设计要求。
当设计未注明时,各种材质的给水管道系统试验压力均为工作压力的1.5倍,但不得小于0.6 MPa。
检验方法:金属及复合管给水管道系统在试验压力下观测10min,压力降不应大于0.02MPa,然后降到工作压力进行检查,应不渗不漏;塑料管给水系统应在试验压力下稳压1h,压力降不得超过0.05MPa,然后在工作压力的1.15倍状态下稳压2h,压力降不得超过0.03MPa,同时检查各连接处不得渗漏。
4.2.2给水系统交付使用前必须进行通水试验并做好记录。
检验方法:观察和开启阀门、水嘴等放水。
4.2.3生产给水系统管道在交付使用前必须冲洗和消毒,并经有关部门取样检验,符合国家《生活饮用水标准》方可使用。
检验方法:检查有关部门提供的检测报告。
4.2.4室内直埋给水管道(塑料管道和复合管道除外)应做防腐处理。
埋地管道防腐层材质和结构应符合设计要求。
4 室内给水系统安装4.1 一般规定4.1.1 本章适用于工作压力不大于1.0Mpa的室内给水和消火栓系统管道安装工程的质量检验与验收.4.1.2 给水管道必须采用与管材相适应的管件.生活给水系统所涉及的材料必须达到饮水卫生标准.4.1.3 管径小于或等于100mm的镀锌钢管应采作螺纹连接,套丝扣时破坏的镀锌层表面及外露螺纹部分应做防腐处理;管径大于100mm的镀锌钢管应采用法兰或卡套式专用管件连接,镀锌钢管与法兰的焊接处应二次镀锌.4.1.4 给水塑料管和复合管可以采用橡胶圈接口、粘接接口、热熔连接、专用管件连接及法兰连接等形式。
塑料管和复合管与金属管件、阀门等的连接应使用专用管件连接,不得在塑料管上套丝。
4.1.5 给水铸铁管管道采用水泥捻口或橡胶圈接口方式进行连接。
4.1.6铜管连接可采用专用接头或焊接,当管径小于22mm时宜采用承插或套管焊接,承口应迎介质流向安装;当管径大于或等于22mm时宜采用对口焊接。
4.1.7 给水立管和装有3个或3个以上配水点的支管始端,均应安装可折卸的连接件。
4.1.8 冷、热水管道同时安装应符合下列规定:1 上、下平行安装时热水管应在冷水管上方。
2 垂直平行安装时热水管应在冷水管左侧。
4.2 给水管道及配件安装主控项目4.2.1 室内给水管道的水压试验必须符合设计要求。
当设计未注明时,各种材质的给管道系统试验压力均为工作压力的1。
5倍,但不得小于0。
6Mpa。
检验方法:金属及复合管给水管道系统在试验压力下观测10min,压力降不应0.02Mpa然后降到工作压力进行检查,应不渗不漏;塑料管给水系统应在试验压力下稳压1H,压力降不得超过0.05Mpa,然后在工作压力的1。
15倍状态下稳压2H,压力降不得超过0。
03Mpa,同时检查各连接处不得渗漏。
4.2.2 给水系统交付使用前必须进行试验并做好记录.检验方法:观察和开启阀门,水嘴等放水。
4.2.3生活给水系统管道在交付使用前必须冲洗和,开经有关部门取样检验,符合国家《生活饮用水标准》方可使用。
4 室内给水系统安装4.1 一般规定4.1.1 本章适用于工作压力不大于1.0Mpa的室内给水和消火栓系统管道安装工程的质量检验与验收.4.1.2 给水管道必须采用与管材相适应的管件.生活给水系统所涉及的材料必须达到饮水卫生标准.4.1.3 管径小于或等于100mm的镀锌钢管应采作螺纹连接,套丝扣时破坏的镀锌层表面及外露螺纹部分应做防腐处理;管径大于100mm的镀锌钢管应采用法兰或卡套式专用管件连接,镀锌钢管与法兰的焊接处应二次镀锌.4.1.4 给水塑料管和复合管可以采用橡胶圈接口、粘接接口、热熔连接、专用管件连接及法兰连接等形式。
塑料管和复合管与金属管件、阀门等的连接应使用专用管件连接,不得在塑料管上套丝。
4.1.5 给水铸铁管管道采用水泥捻口或橡胶圈接口方式进行连接。
4.1.6铜管连接可采用专用接头或焊接,当管径小于22mm时宜采用承插或套管焊接,承口应迎介质流向安装;当管径大于或等于22mm时宜采用对口焊接。
4.1.7 给水立管和装有3个或3个以上配水点的支管始端,均应安装可折卸的连接件。
4.1.8 冷、热水管道同时安装应符合下列规定:1 上、下平行安装时热水管应在冷水管上方。
2 垂直平行安装时热水管应在冷水管左侧。
4.2 给水管道及配件安装主控项目4.2.1 室内给水管道的水压试验必须符合设计要求。
当设计未注明时,各种材质的给管道系统试验压力均为工作压力的1。
5倍,但不得小于0。
6Mpa。
检验方法:金属及复合管给水管道系统在试验压力下观测10min,压力降不应0.02Mpa然后降到工作压力进行检查,应不渗不漏;塑料管给水系统应在试验压力下稳压1H,压力降不得超过0.05Mpa,然后在工作压力的1。
15倍状态下稳压2H,压力降不得超过0。
03Mpa,同时检查各连接处不得渗漏。
4.2.2 给水系统交付使用前必须进行试验并做好记录.检验方法:观察和开启阀门,水嘴等放水。
4.2.3生活给水系统管道在交付使用前必须冲洗和,开经有关部门取样检验,符合国家《生活饮用水标准》方可使用。
本文极具参考价值,如若有用请打赏支持我们!不胜感激!【专业知识】给排水与采暖工程检验批、分项、分部(子分部)工程质量验收记录
Ⅰ基本要求和内容
(1)建筑给水排水及采暖分部工程包括下列子分部工程:室内给水系统、室内排水
系统、室内热水供应系统、卫生器具安装、室内采暖系统、建筑中水系统及游泳池
系统、供热锅炉及辅助设备安装。
(2)各子分部工程由下列分项工程组成:
1)室内给水系统:室内给水管道及配件安装,室内消火栓系统安装,给水设备安装。
2)室内排水系统:室内排水管道及配件安装,雨水管道及配件安装。
3)室内热水供应系统:室内热水管道及配件安装,辅助设备安装。
4)卫生器具安装:卫生器具安装,卫生器具给水配件安装,卫生器具排水管道安装。
5)室内采暖系统:室内采暖管道及配件安装,辅助设备及散热器及金属辐射板安装,低温热水地板辐射采暖系统安装。
6)建筑中水系统及游泳池系统:建筑中水系统管道及辅助设备安装,游泳池水系统
安装。
7)供热锅炉及辅助设备安装:锅炉安装,辅助设备安装,工艺管道安装,安全附件
安装,烘炉、煮炉和试运行,换热站安装。
(3)建筑给水、排水及采暖工程的分项工程,应按系统、区域、施工段或楼层等划
分。
分项工程可划分若干个检验批进行验收。
(4)检验批质量验收记录由施工单位项目质量检查员填写,并填写检查评定结果。
建筑给排水及采暖观感质量检查记录建筑给排水及采暖是建筑工程中至关重要的组成部分,其质量直接关系到建筑安全和居住舒适度。
在建筑施工阶段,需要进行观感质量检查,以保证给排水及采暖系统的完好性和可用性。
以下是一份建筑给排水及采暖观感质量检查记录。
检查记录编号:001日期:2024年6月15日施工单位:建筑有限公司检查项目:1.给水管道系统-检查给水管道的材质、规格和连接方式是否符合设计要求;-检查给水管道的安装是否牢固、无松动;-检查给水管道的坡度是否合理,以保证水流畅通;-检查给水阀门、泵站及配件的安装是否正确。
2.排水管道系统-检查排水管道的材质、规格和连接方式是否符合设计要求;-检查排水管道的安装是否牢固、无漏水;-检查排水管道的坡度是否合理,以保证排水畅通;-检查排水口、下水道等设施的安装是否正确。
3.采暖系统-检查采暖管道的材质、规格和连接方式是否符合设计要求;-检查采暖管道的安装是否牢固、无漏水;-检查采暖设备的安装是否正确,是否与管道连接紧密;-检查采暖系统的通风和排烟设施是否正常。
4.明火设施-检查明火设施(如燃气灶、热水器等)的安装是否符合相关法规要求;-检查明火设施的燃烧效果是否正常;-检查明火设施的排烟设施是否正常。
5.其他-检查给排水及采暖系统的漏水情况,如有漏水,需要立即修复;-检查系统是否存在松动、脱落、破损等情况,如有需要修复或更换;-检查系统的绝缘和接地情况,以确保操作安全。
检查结论:经过对建筑给排水及采暖系统的观感质量检查,未发现重大质量问题。
其中,给水管道、排水管道和采暖管道的安装均符合设计要求,无松动、漏水情况。
采暖设备、明火设施和排烟设施的安装也符合相关法规要求。
系统的绝缘和接地情况良好。
需注意的是,部分配件的连接处需要加固,以确保系统的稳固性。
处理意见:1.加固给水管道、排水管道和采暖管道的连接处,以确保系统的稳固性;2.定期巡检给排水及采暖系统,及时修复漏水、松动、破损等问题;3.增强员工的安全意识,加强对明火设施的使用和维护的培训。
建筑给排水及采暖工程施工质量验收规范(强制性条文)1、地下室或地下构筑物外墙有管道穿过的,应采取防水措施。
对有严格防水要求的建筑物,必须采用柔性防水套管。
(3.3.3)2、各种承压管道系统和设备应做水压试验,非承压管道系统和设备应做灌水试验。
(3.3.16)3、给水管道必须采用与管材想适应的管件。
生活给水系统所涉及的材料必须达到饮用水卫生标准。
(4.1.2)4、生产给水系统管道在交付使用前必须冲洗和消毒,并经有关部门取样检验,符合国家《生活用水标准》方可使用。
检验方法:检查有关部门提供的检测报告。
(4.2.3)5、室内消火栓系统安装完成后应取屋顶层(或水箱间内)试验消火栓和首层取二处消火栓做试射试验,达到设计要求为合格。
检验方法:实地试射检查。
(4.3.1)6、隐蔽或埋地的排水管道在隐蔽前必须做灌水试验,其灌水高度应不低于底层卫生器具的上边缘或底层地面高度。
检验方法:满水15min水面下降后,再灌满观察5min,液面不降,管道及接口无渗漏为合格。
(5.2.1)7、管道安装坡度,当设计未注明时,应符合下列规定:(8.2.1)1)气、水同向流动的热水采暖管道和汽、水同向流动的蒸汽管道及凝结水管道,坡度应为3‰,不地小于2‰;2)气、水逆向流动的热水采暖管道和汽、水逆向流动的蒸汽管道,坡度不应小于5‰;3)散热器支管的坡度应为1%,坡向应利于排气和泻水。
检验方法:观察,水平尺、拉线、尺量检查。
8、散热器组对后,以及整组出厂的散热器在安装之前应作水压试验。
试验压力如设计无要求时应为工作压力的1.5倍,但不小于0.6MPa。
检验方法:试验时间为2~3min,压力不降且不渗不漏。
(8.3.1)9、地面下蝮蛇的盘管埋地部分不应有接头。
检验方法:隐蔽前现场查看。
(8.5.1)10、盘管隐蔽前必须进行水压试验,试验压力为工作压力的1.5倍,但不应小于0.6MPa。
检验方法:稳压1h内压力降不大于0.05MPa且不渗不漏。