建筑给水排水及采暖质量验收记录表
- 格式:doc
- 大小:868.50 KB
- 文档页数:32
12345678910+0.01δ-0.05δ51011.5≯13≯252≯1010%8%45管径≤100mm
管径>100mm 员等进行验收。
管
道和
设
备
保温允
许偏
差
采暖管道安装的允许偏差厚 度(mm) 监理工程师 (建设单位项目技术负责人):
管径≤
100mm
监理(建设)单位验收记录管径>
100mm
年 月 日
年 月 日项目专业质量检查员:管径≤100mm
管径>100mm
每1m 全长 (25m 以上)每1m
全长(25m以上)
规范规定施工单位检查评定记录管径>
100mm
管径≤
100mm
12施工单位检查
评定结果
监理(建设)单位
验收结论表面平整
度 (mm)
横管道 纵、横方 向弯曲 (mm)立管 垂直度 (mm)弯 管椭圆率折邹不平度
室内采暖系统管道及配件安装工程
检验批质量验收记录(表二)
一般项目
11卷 材
涂 抹。
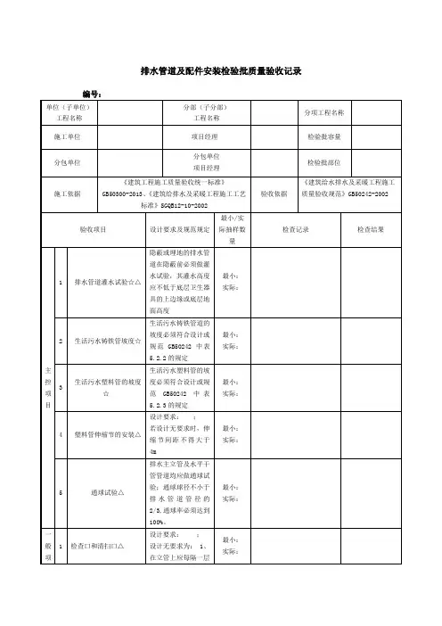
给水管道及配件安装检验批质量验收记录注:本表内容的填写需依据《现场验收检验批检查原始记录》。
本检验批质量验收的规范依据见本页背面。
填写说明一、填写依据1 《建筑给水排水及采暖工程施工质量验收规范》GB50242-2002。
2 《建筑工程施工质量验收统一标准》GB50300-2013。
二、检验批划分可按设计系统、楼层、施工段、单元划分。
三、GB50242-2002规范摘要主控项目4.2.1 室内给水管道的水压试验必须符合设计要求。
当设计未注明时,各种材质的给水管道系统试验压力均为工作压力的1.5倍,但不得小于0.6MPa。
检验方法:金属及复合管给水管道系统在试验压力下观测10min,压力降不应大于0.02MPa,然后降到工作压力进行检查,应不渗不漏;塑料管给水系统应在试验压力下稳压1h,压力降不得超过0.05MPa,然后在工作压力的1.15倍状态下稳压2h,压力降不得超过0.03MPa,同时检查各连接处不得渗漏。
4.2.2 给水系统交付使用前必须进行通水试验并做好记录。
检验方法:观察和开启阀门、水嘴等放水。
4.2.3 生产给水系统管道在交付使用前必须冲洗和消毒,并经有关部门取样检验,符合国家《生活饮用水标准》方可使用。
检验方法:检查有关部门提供的检测报告。
4.2.4 室内直埋给水管道(塑料管道和复合管道除外)应做防腐处理。
埋地管道防腐层材质和结构应符合设计要求。
检验方法:观察或局部解剖检查。
一般项目4.2.5 给水引入管与排水排出管的水平净距不得小于1m。
室内给水与排水管道平行敷设时,两管间的最小水平净距不得小于0.5m;交叉铺设时,垂直净距不得小于0.15m。
给水管应铺在排水管上面,若给水管必须铺在排水管的下面时,给水管应加套管,其长度不得小于排水管管径的3倍。
检验方法:尺量检查。
4.2.6 管道及管件焊接的焊缝表面质量应符合下列要求:1 焊缝外形尺寸应符合图纸和工艺文件的规定,焊缝高度不得低于母材表面,焊缝与母材应圆滑过渡。
工程质量验收记录表
沟槽回填检验批质量验收记录表
室外排水管道安装分项工程质量检验评定表
工程名称:九龙华府景观及道路工程部位:排水管道
单位(子单位)工程观感质量核查表
规定。
工程质量验收记录表
沟槽回填检验批质量验收记录表
室外排水管道安装分项工程质量检验评定表
工程名称:九龙华府景观及道路工程部位:排水管道
单位(子单位)工程观感质量核查表
规定。
工程质量验收记录表
沟槽回填检验批质量验收记录表
室外排水管道安装分项工程质量检验评定表
工程名称:九龙华府景观及道路工程部位:排水管道
单位(子单位)工程观感质量核查表
规定。
建筑给排水检验批表格Q/GDW 183—2008室内给水管道及配件安装检验批质量验收记录编号:表5.20.1单位(子单位):(填写单位名称)工程名称:(填写工程名称)分项工程名称:(填写分项工程名称)施工单位:(填写施工单位名称)施工执行标准名称及编号:(填写施工执行标准名称及编号)分包单位类别:(填写分包单位类别)序号检查项目质量标准单位分部(子分部)工程名称验收部位项目经理专业工长(施工员)分包项目经理施工单位自检记录监理(建设)单位验收记录1 生活给水系统管道冲洗和消毒生活给水系统管道在交付使用前必须冲洗和消毒,并经有关部门取样检验,符合国家GB5479方可使用。
主控项目2 给水管道水压试验给水管道水压试验各种材质的给水管道系统试验压力均为工作压力的 1.5倍,但不得小于0.6MPa。
3 给水系统通水试验给水系统交付使用前必须进行通水试验并做好记录。
4 室内直埋给水管道防腐室内直埋给水管道(塑料管道和复合管道除外)应做防腐处理。
埋地管道防腐层材质和结构应符合设计要求。
一般项目5 焊接质量焊缝外形尺寸应符合图纸和工艺文件的规定,焊缝高度不得低于金属给水管道及管母材表面,焊缝与母材应圆滑过渡。
焊缝及热件影响区表面应无裂纹、未熔合、未焊透、夹渣、弧坑和气孔等缺陷。
6 给水水平管道坡度和泄水装置给水水平管道应有2‰~5‰的坡度坡向。
给水水平管道应设置泄水装置。
7 管道的支、吊架安装管道的支、吊架安装应平整牢固、其间距应符合有关标准的规定。
8 给水管道敷设位置给水管应铺在排水管上面,若给水管必须铺在排水管下面时,给水管应加套管,其长度不得小于排水管管道径的3倍。
9 给水管与排水管的净距离和交叉敷设位置给水管与排水管的引入管与排出管水平净间距与位平行敷设,水平钢管管道纵横净距≥0.5m,室内全长25m以上≤25mm的给水管和阀门每米≤1.5mm,塑料管、复合管全长25m以上≤25mm的弯曲合管和每米5m以上的钢管、塑料管、复合管每米≤8mm,室内全长25m以上≤10mm的钢管每米≤2mm。
给排水验收表格一、前言本文档介绍了给排水验收表格的相关信息和具体内容。
在建筑物的施工中,给排水系统是非常重要的一部分,它直接关系到建筑物的正常使用和生活环境的卫生水平。
因此,为了保证给排水系统的质量和安全,必须进行全面的验收工作,并按照验收标准进行检测。
而建立一个完整的给排水验收表格是很有必要的。
二、表格内容及要求给排水验收表格是一个记录整个给排水系统验收过程的表格,它的内容应包括以下几个方面:1.验收环节验收环节应该包括对系统的每个部分进行检查。
例如:管道、接头、阀门、水泵、水箱、管道支架、消防设备等,并记录对应的验收结果。
2.验收依据验收依据包括验收标准、规范、法律法规等。
必须按照标准、规范及法律法规规定进行验收,确保验收过程的合法性和正确性。
3.缺陷记录在验收过程中,如果发现有缺陷,必须要及时进行记录。
记录的内容应包括缺陷的情况、具体位置、缺陷的原因和对应的处理措施等。
4.验收结果验收结果应该简明扼要地记录在表格中,包括系统的验收状态及存在的问题和隐患等。
5.签名环节验收表格必须有相关人员的签名和时间,以证明各项记录的真实性和有效性。
三、思考环节在建立给排水验收表格之前,需要考虑以下几个问题:1.验收标准给排水系统的验收标准可以参照国家相关标准和规范。
同时,还可以根据建筑物的实际情况制定验收标准,以保证给排水系统的质量和安全。
2.验收人员给排水系统的验收必须由专业人员进行。
验收人员应该具有相关的资质和经验,并严格按照验收标准进行检测,确保验收的准确性和可靠性。
3.验收频率给排水系统的验收应该在施工过程中进行多次,并在工程竣工前进行终验,并将验收结果记录在验收表格中。
在平时的使用中,还需要定期进行检测和维护。
四、给排水验收表格是对建筑物给排水系统进行监控和管理的重要工具。
它能够有效地记录验收过程中的重要信息和问题,方便对系统进行调整和维修。
同时,它还能够加强施工质量的控制,提高建筑物的使用性能和安全性。
给水排水管道工程施工及验收规范(G B50268-2008)分项工程检验批质量验收记录表沟槽(基坑)土方开挖直线顶管管道施工沟槽(基坑)支护曲线顶管管道施工沟槽(基坑)回填)垂直顶升管道施工管道基础盾构管片制作1钢管接口连接盾构管片制作2金属类管道铺设盾构管片制作3钢管(水泥砂浆)内防护层盾构掘进和管片安装1钢管(环氧涂料)内防护层盾构掘进和管片安装2钢管外防护层盾构施工钢筋混凝土二次衬砌钢管阴极保护浅埋暗挖管道的土层开挖球墨铸铁管接口连接浅埋暗挖管道的初期衬砌1钢筋混凝土类接口连接浅埋暗挖管道的初期衬砌2钢筋混凝土类管道铺设浅埋暗挖管道的防水层化学建材管接口连接浅埋暗挖的二次衬砌柔性管道铺设定向钻施工管道管渠基础地基夯管施工管道管渠模板沉管基槽浚挖及管基处理管渠钢筋制作组对拼装管道沉放管渠现浇混凝土预制钢筋混凝土管节制作管渠变形缝钢筋混凝土管节接口预制加工管渠构件预制预制钢筋混凝土管的沉放管渠预制构件安装沉管的稳管及回填管渠砖石砌筑桥管管道安装1工作井围护结构桥管管道安装2工作井(沉井)模板现浇混凝土井室工作井(沉井)钢筋加工砖砌井室工作井(沉井)钢筋安装预制拼装井室工作井沉井制作雨水口及支、连管安装(雨水吸支、连管安装)工作井下沉及封底管道支墩安装工作井井内结构沟槽(基坑)土方开挖检验批质量检验记录开槽施工检验批质量检验记录编号:020101□□/020201□□/020301□□/020401□□表A.0.1 编号:020202□□ 020302□□砖砌井室检验批质量检验记录表A.0.1 编号:030002□□钢管接口连接检验批质量检验记录表A.0.1 编号:020102□□ 021301□□金属类管道铺设检验批质量检验记录表A.0.1 编号:020103□□ 020303□□钢管内防护层(水泥砂浆)检验批质量检验记录表A.0.1 编号:020104□□ 021203□□ 021303□□钢管内防护层(环氧涂料)检验批质量检验记录表A.0.1 编号:020104□□ 021203□□ 021303□□钢管外防护层检验批质量检验记录表A.0.1 编号:020104□□ 021203□□ 021303□□钢管阴极保护检验批质量检验记录表A.0.1 编号:020107□□ 020904□□ 021206□□ 021306□□球墨铸铁管接口连接检验批质量检验记录表A.0.1 编号:020108□□化学建材管接口连接检验批质量检验记录注:1、本表由施工项目专业质量检查员填写,监理工程师(建设单位项目技术负责人)组织项目专业质量检查员等进行验收,并应按上表进行记录。
给排水及采暖工程质量分户验收记录项目名称:XXX小区排水及采暖工程验收单位:XXX建设工程质量监督站验收时间:XXXX年XX月XX日一、工程基本情况本次验收的排水及采暖工程是位于XXX小区的一栋多层住宅楼,总建筑面积XXX平方米。
该工程的主要内容包括室内排水系统、室外排水系统以及集中供暖系统。
二、分户验收情况本次验收进行了对工程的分户验收,共计验收了XX户。
1.室内排水系统(1)检查了每户的卫生间、厨房以及洗手间的排水管道安装情况。
经检查,各户排水管道的安装符合相关规范要求,无漏水现象。
(2)检查了每户的下水口设置及密封情况。
经检查,各户下水口设置位置合理,密封严密,无异味溢出。
(3)检查了每户便器、水槽、淋浴设施等排水设备的连接情况。
经检查,各户排水设备的连接牢固,无松动现象。
(4)检查了每户的地漏设置及排水情况。
经检查,各户地漏设置合理,排水通畅。
2.室外排水系统(1)检查了污水管道的施工质量。
经检查,污水管道的埋设深度符合设计要求,无渗漏现象。
(2)检查了雨水管道的施工质量。
经检查,雨水管道的排水口设置合理,无积水现象。
(3)检查了排水井的安装情况。
经检查,排水井的井壁垂直、井底平整,井盖安装牢固。
3.集中供暖系统(1)检查了供暖管道的安装情况。
经检查,供暖管道的铺设符合要求,无渗漏现象。
(2)检查了供暖设备的安装情况。
经检查,供暖设备的安装牢固,运行正常。
(3)检查了每户采暖设施的热力供应情况。
经检查,各户采暖设施正常供热,室温符合要求。
三、存在的问题及整改意见经过分户验收,发现以下问题:1.XX户排水设备连接不牢固,需要重新固定连接处。
2.XX户下水口密封不严,需要重新调整密封。
3.XX户地漏有较大背坡,需要调整使其符合要求。
4.XX户供暖管道存在渗漏现象,需要修复。
整改意见如下:1.要求施工单位针对以上问题进行整改,并重新验收。
2.完善工程档案,记录详细的整改情况,包括整改措施、整改人员、整改时间等。
建筑给排水及采暖工程施工质量验收资料填写示例工程名称建设单位监理单位施工单位项目技术负责人编制人竣工日期施工现场质量检查记录鲁SN—036山东省建设工程质量监督总站监制单位(子单位)工程质量竣工验收记录山东省建设工程质量监督总站监制分部(子分部)工程验收记录鲁SN—038山东省建设工程质量监督总站监制分部(子分部)工程安全和功能检验资料核查及主要功能抽查记录鲁SN—039注:抽查项目由验收组协商确定山东省建设工程质量监督总站监制分部(子分部)工程观感检查记录鲁注:质量评价为差的项目,应进行返修。
山东省建设工程质量监督总站监制建筑给排水及采暖分部工程质量验收表鲁山东省建设工程质量监督总站监制分项工程质量验收记录鲁SN-042注:本表由施工项目专业质量检查员填写。
山东省建设工程质量监督总站监制鲁SN-043山东省建设工程质量监督总站监制室内消火栓系统安装工程检验批质量验收记录Array鲁山东省建设工程质量监督总站监制给水设备安装工程检验批质量验收记录表山东省建设工程质量监督总站监制室内排水管道及配件安装工程检验批质量验收记录鲁SN-046山东省建设工程质量监督总站监制雨水管道及配件安装工程检验批质量验收记录表 鲁SN —047山东省建设工程质量监督总站监制室内热水管道及配件安装工程检验批质量验收记录鲁SN —048山东省建设工程质量监督总站监制热水供应系统辅助设备安装工程检验批质量验收记录表鲁SN—049山东省建设工程质量监督总站监制卫生器具安装工程检验批质量验收记录表鲁SN—050山东省建设工程质量监督总站监制卫生器具给水配件安装工程检验批质量验收记录表鲁SN—051山东省建设工程质量监督总站监制卫生器具排水管道配件安装工程检验批质量验收记录表鲁SN—052山东省建设工程质量监督总站监制室内采暖管道及配件安装工程检验批质量验收记录表(一)山东省建设工程质量监督总站监制室内采暖管道及配件安装工程检验批质量验收记录表(二)山东省建设工程质量监督总站监制采暖辅助设备及散热器和金属辐射板工程检验批质量验收记录表山东省建设工程质量监督总站监制低温热水地板辐射采暖安装工程检验批质量验收记录表山东省建设工程质量监督总站监制热水供应系统辅助设备安装工程检验批质量验收记录表鲁SN—056山东省建设工程质量监督总站监制消防水泵接合器及室外消火栓安装工程检验批质量验收记录表山东省建设工程质量监督总站监制管沟及井室工程检验批质量验收记录表山东省建设工程质量监督总站监制室外排水管道安装工程检验批质量验收记录表山东省建设工程质量监督总站监制室外排水管沟及井池工程检验批质量验收记录表山东省建设工程质量监督总站监制室外供热管道及配件安装工程检验批质量验收记录表目山东省建设工程质量监督总站监制建筑中水系统及游泳池水系统安装工程检验批质量验收记录表山东省建设工程质量监督总站监制锅炉安装工程检验批质量验收记录表鲁SN—063山东省建设工程质量监督总站监制锅炉辅助设备安装工程检验批质量验收记录表鲁SN—064山东省建设工程质量监督总站监制工艺管道安装工程检验批质量验收记录表鲁SN—065山东省建设工程质量监督总站监制锅炉安全附件安装工程检验批质量验收记录表鲁SN —山东省建设工程质量监督总站监制换热站安装工程检验批质量验收记录表鲁SN—山东省建设工程质量监督总站监制自动喷水灭火系统管道及配件安装工程检验批质量验收记录表鲁SN —068。