单片机流水灯先下后上循环
- 格式:doc
- 大小:28.00 KB
- 文档页数:3
单片机流水灯实验原理
单片机流水灯实验原理:
流水灯是一种基本的电子实验,通过使用单片机控制多个
LED 灯的亮灭来实现灯光在各个灯珠之间流动的效果。
流水
灯实验原理如下:
1. 硬件连接:将多个 LED 灯和适当的电流限制电阻连接到单
片机的不同输出引脚上。
每个 LED 灯的阴极与电流限制电阻
连接到负极(GND),而阳极连接到单片机的 IO 引脚。
需要
注意的是,单片机的 IO 引脚的输出电压应该能够点亮 LED 灯。
2. 软件设计:使用单片机的 GPIO(通用输入输出)功能,设
置相应的输出引脚作为流水灯的控制引脚。
通过对这些引脚进行高低电平控制,实现不同 LED 灯的点亮和熄灭。
3. 流水灯效果:为了实现流水灯的效果,我们将需要在不同的时间间隔内控制不同的 LED 灯点亮。
可以使用一个循环来实
现这种效果,循环中通过更新和改变控制引脚的电平状态来控制流水灯的亮灭顺序。
4. 控制顺序:通过改变控制引脚的电平状态的顺序,可以改变流水灯的流动顺序。
可以通过在循环中使用延迟函数来控制灯的变换速度,或者使用计数器等其他方法来实现更复杂的流水灯效果。
通过以上原理,我们可以实现单片机流水灯实验并观察到灯光在不同的 LED 灯之间流动的效果。
1.第一个发光管以间隔200ms闪烁。
2.8个发光管由上至下间隔1s流动,其中每个管亮500ms,灭500ms。
3.8个发光管来回流动,第个管亮100ms。
4。
用8个发光管演示出8位二进制数累加过程。
5。
8个发光管间隔200ms由上至下,再由下至上,再重复一次,然后全部熄灭再以300ms间隔全部闪烁5次。
重复此过程。
6.间隔300ms第一次一个管亮流动一次,第二次两个管亮流动,依次到8个管亮,然后重复整个过程。
7。
间隔300ms先奇数亮再偶数亮,循环三次;一个灯上下循环三次;两个分别从两边往中间流动三次;再从中间往两边流动三次;8个全部闪烁3次;关闭发光管,程序停止。
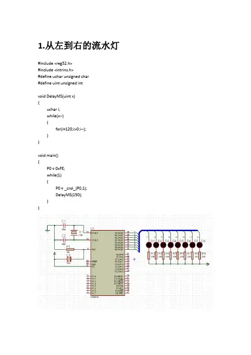
1#include<reg52。
h〉#define uint unsigned intsbit led1=P1^0;void delay();void main(){while(1){led1=0;delay();led1=1;delay();}}void delay(){uint x,y;for(x=200;x>0;x—-)for(y=100;y〉0;y-—);}2#include<reg52。
h>#include〈intrins。
h〉#define uint unsigned intuchar a;void delay();void main(){a=0xfe;P1=a;while(1){a=_crol_(a,1);delay();P1=a;delay();}}void delay(){uint b;for(b=55000;b>0;b—-);}3#include<reg52。
h〉#include <intrins。
h>#define uint unsigned int #define uchar unsigned char void delay(){uint x,y;for(x=100;x〉0;x--)for(y=110;y>0;y—-);}void main(){uchar a,i;while(1){a=0xfe;for(i=0;i〈8;i++){P1=a;delay(100);a=_crol_(a,1);for(i=0;i〈8;i++){P1=a;delay(100);a=_cror_(a,1);}}}4#include<reg52.h>#include 〈intrins。
五种编程方式实现流水灯的单片机C程序流水灯是一种常见的灯光效果,常用于装饰和展示。
实现流水灯的程序可以使用多种不同的编程方式,包括传统的顺序编程、状态机编程、中断编程、调度器编程和面向对象编程。
下面分别介绍这五种方式实现流水灯的程序。
1.顺序编程方式:顺序编程是最常见的编程方式,也是最直接的方式。
下面是使用顺序编程方式实现流水灯的C程序:```c#include <reg52.h>void delay(unsigned int t)while(t--)for(int i=0; i<50; i++);}void mainunsigned char led = 0x80; // 初始灯光状态while(1)P0 = led; // 输出灯光状态delay(500); // 延时一段时间led >>= 1; // 右移一位,实现流水灯效果if(led == 0) // 到达最右边后重新开始led = 0x80;}}```2.状态机编程方式:状态机编程是一种基于状态的编程方式,通过定义不同的状态和状态转换来实现流水灯效果。
下面是使用状态机编程方式实现流水灯的C程序:```c#include <reg52.h>typedef enumState1,State2,State3,State4,State5} State;void delay(unsigned int t)while(t--)for(int i=0; i<50; i++);}void mainState state = State1; // 初始状态为State1 while(1)switch(state)case State1:P0=0x80;delay(500);state = State2;break;case State2:P0=0x40;delay(500);state = State3;break;case State3:P0=0x20;delay(500);state = State4;break;case State4:P0=0x10;delay(500);state = State5;break;case State5:P0=0x08;delay(500);state = State1;break;}}```3.中断编程方式:中断编程方式是一种基于中断事件的编程方式,通过在特定的中断事件触发时改变灯光状态来实现流水灯效果。
青 岛 科 技 大 学微机原理与接口技术综合课程设计(报告)题 目 __________________________________指导教师__________________________ 学生姓名__________________________ 学生学号_________________________________________________________院(部)____________________________专业________________班______年 ___月 ___日直流电机控制综合实验 周艳平宋雪英 01 信息科学技术学院计算机科学与技术0961 2012 12 27摘要 (2)1、单片机概述 (2)2、仿真软件介绍 (2)3、需求分析 (3)一、课程设计目的 (3)二、课程设计要求 (4)三、实验内容 (4)1、设计任务与要求 (4)2、系统分析 (4)1).硬件电路设计(画出原理图、接线图) (5)2)软件框图 (7)3、用keil建项目流程 (8)4、程序清单 (9)4、系统调试 (11)四、设计总结(结论) (12)摘要近年来,随着电子技术和微型计算机的发展,单片机的档次不断提高,起应用领域也在不断的扩大,已在工业控制、尖端科学、智能仪器仪表、日用家电、汽车电子系统、办公自动化设备、个人信息终端及通信产品中得到广泛的应用、成为现代电子系统中最重要的智能化的核心部件。
而AT89C51就是其中一种,它是一种带4K字节闪烁可编程可擦除只读存储器的低电压,高性能CMO8位微处理器,为很多嵌入式控制系统提供了一种灵活性高且价廉的方案。
本课程设计介绍一种LED小灯控制系统的设计方法,以单片机作为主控核心,与按键、排阻、电阻、电容等较少的辅助硬件电路相结合,利用软件实现对LED灯进行控制。
能够通过按键控制8个LED小灯从左到右依次点亮。
关键字:单片机、LED流水灯1、单片机概述单片机微型计算机是微型计算机的一个重要分支,也是颇具生命力的机种。
手把手教你单片机流水灯实验(详解)每当夜幕降临,我们可以看到大街各式各样广告牌上漂亮的霓虹灯,看起来令人赏心悦目,为夜幕中的城市增添了不少亮丽色彩。
其实这些霓虹灯的工作原理和单片机流水灯是一样的,只不过霓虹灯的花样更多,看起来更漂亮一些。
这一课我们就结合S51增强型单片机实验板、ISP 编程器来手把手教你详细学习单片机的流水灯实验。
首先介绍实验的硬件设备:S51增强型单片机实验板+ISP编程器图1:S51增强型单片机实验板图2:ISP编程器套件S51增强型单片机实验板上有8个高亮度发光二极管(见图1所示),可以用来做单片机流水灯、跑马灯。
等实验,电路原理图见下图3。
图3从原理图可以看出,如果我们想让接在P1.0口的LED1亮起来,那么我们只要把P1.0口的电平变为低电平就可以了;相反,如果要接在P1.0口的LED1熄灭,就要把P1.0口的电平变为高电平就可以;同理,接在P1.1~P1.7口的其他7个LED的点亮和熄灭方法方法同LED1。
因此,要实现流水灯功能,我们只要将LED2~LED8依次点亮、熄灭,依始类推,8只LED变会一亮一暗的做流水灯了。
实现8个LED流水灯程序用中文表示为:P1.0低、延时、P1.0高、P1.1低、延时、P1.1高、P1.2低、延时、P1.2高、P1.3低、延时、P1.3高、P1.4低、延时、P1.4高、P1.5低、延时、P1.5高、P1.6低、延时、P1.6高、P1.7低、延时、P1.7高、返回到开始、程序结束。
从上面中文表示看来实现单片机流水灯很简单,但是我们不能说P1.0你变低,它就变低了。
因为单片机听不懂我们的汉语的,只能接受二进制的“1、0......”机器代码。
我们又怎样来使单片机按我们的意思去工作呢?为了让单片机工作,只能将程序写为二进制代码交给其执行;早期单片机开发人员就是使用人工编写的二进制代码交给单片机去工作的。
今天,我们不必用烦人的二进制去编写程序,完全可以将我们容易理解的“程序语言”通过“翻译”软件“翻译” 成单片机所需的二进制代码,然后交给单片机去执行。
单片机流水灯实验原理单片机流水灯实验原理是利用单片机的控制功能,通过对端口的操作,控制LED 灯的亮灭顺序,从而实现流水灯效果。
单片机是一种集成电路,由中央处理器、存储器和各种输入输出端口组成,可以对外部设备进行控制和操作。
在单片机流水灯实验中,我们使用的是8051系列单片机。
流水灯是一种常见的LED灯效,它的原理是多个LED灯按照一定的顺序依次亮灭,形成流动的效果。
在单片机流水灯实验中,我们可以通过对单片机的编程,控制端口的状态,从而实现LED灯的顺序控制。
具体实现流水灯效果的步骤如下:1. 确定使用几个LED灯:在单片机流水灯实验中,可以根据实际需求确定使用几个LED灯。
一般情况下,我们使用4~8个LED灯。
2. 连接LED灯和单片机:将LED灯的一端连接到单片机的输出端口,另一端接地。
3. 设置端口为输出模式:使用单片机的编程语言,将需要控制的端口设置为输出模式。
这样,单片机就可以通过改变端口的电平来控制LED灯的亮灭。
4. 设计流水灯的控制循环:设计一个循环控制LED灯的亮灭顺序,从而实现流水灯的效果。
一种简单的控制方式是通过改变端口的电平来控制LED灯的亮灭。
例如,假设我们使用4个LED灯,控制端口的顺序为P1.0、P1.1、P1.2、P1.3,那么我们可以设计一个循环控制LED灯亮灭的顺序为:P1.0亮,P1.1灭、P1.2灭、P1.3灭-> P1.0灭,P1.1亮,P1.2灭、P1.3灭-> P1.0灭,P1.1灭,P1.2亮,P1.3灭-> P1.0灭,P1.1灭,P1.2灭,P1.3亮-> P1.0亮,P1.1灭,P1.2灭,P1.3灭-> P1.0灭,P1.1亮,P1.2灭,P1.3灭-> P1.0灭,P1.1灭,P1.2亮,P1.3灭-> ...5. 编写程序:根据上述设计的控制循环,使用单片机的编程语言编写相应的程序。
程序的逻辑是根据循环的顺序,通过改变端口的电平来控制LED灯的亮灭。
单片机的流水灯实验原理
单片机的流水灯实验原理主要包括以下几个步骤:
1. 硬件连接:将单片机的输出口连接到LED灯的驱动电路上,使得单片机可以控制LED灯的亮灭。
2. 软件编程:通过单片机的编程语言(如C语言)编写程序,实现流水灯效果。
一般采用循环控制语句和位操作指令来控制LED的亮灭。
3. 初始化:在程序的开始部分,需要对单片机的IO口进行初始化,设置为输出模式,以便能够控制LED灯的亮灭。
4. 流水灯效果:通过循环控制语句,依次将不同的IO口设置为高电平,即LED 亮起,然后延时一段时间。
再将前一个IO口设置为低电平,即LED熄灭,依次类推,实现LED的流水灯效果。
5. 循环控制:为了能够实现反复循环的流水灯效果,可以在程序末尾使用一个死循环语句,使得程序不断执行,从而实现流水灯不断闪烁。
总的来说,单片机的流水灯实验原理就是通过控制不同IO口的高低电平状态,控制LED的亮灭,从而实现LED灯的流水灯效果。
单片机流水灯实验原理
单片机流水灯实验是学习单片机编程的入门实验之一,通过这个实验可以了解单片机的基本工作原理和编程方法。
流水灯实验是一种简单的实验,但是可以很好地帮助初学者理解单片机的工作原理和编程思想。
首先,我们需要了解一下单片机的基本原理。
单片机是一种集成了微处理器、存储器和输入/输出接口的微型计算机,它可以完成各种各样的控制任务。
在流水灯实验中,我们使用的是基于C语言的单片机编程。
接下来,我们来看一下流水灯实验的原理。
流水灯实验是通过控制多个LED 灯的亮灭顺序来实现灯的流水效果。
在单片机中,我们可以通过控制GPIO口的输出来控制LED的亮灭,从而实现流水灯的效果。
在编程中,我们可以通过循环和延时来控制LED的亮灭顺序和时间间隔,从而实现流水灯的效果。
在实际的流水灯实验中,我们需要先连接单片机和LED灯,然后编写相应的程序来控制LED的亮灭顺序和时间间隔。
在程序编写完成后,我们将程序下载到单片机中,然后启动单片机,就可以看到LED灯按照预定的顺序和时间间隔实现流水灯的效果了。
流水灯实验不仅可以帮助我们了解单片机的基本原理和编程方法,还可以锻炼我们的编程能力和动手能力。
通过这个实验,我们可以更加深入地理解单片机的工作原理和编程思想,为以后更复杂的单片机应用打下坚实的基础。
总之,单片机流水灯实验是一种简单而有趣的实验,通过这个实验可以很好地帮助我们了解单片机的基本原理和编程方法。
希望大家能够认真对待这个实验,加深对单片机的理解,为以后的学习打下良好的基础。
单片机流水灯汇编程序设计开发板上的8只LED为共阳极连接,即单片机输出端为低电平时即可点亮LED。
程序A:;用最直接的方式实现流水灯ORG 0000HSTART:MOV P1,#B ;最下面的LED点亮LCALL DELAY;延时1秒MOV P1,#B ;最下面第二个的LED点亮LCALL DELAY;延时1秒MOV P1,#B ;最下面第三个的LED点亮(以下省略)LCALL DELAYMOV P1,#BLCALL DELAYMOV P1,#BLCALL DELAYMOV P1,#BLCALL DELAYMOV P1,#BLCALL DELAYMOV P1,#BLCALL DELAYMOV P1,#B ;完成第一次循环点亮,延时约0.25秒AJMP START ;反复循环;延时子程序,12M晶振延时约250毫秒DELAY:MOV R4,#2L3: MOV R2 ,#250L1: MOV R3 ,#250L2: DJNZ R3 ,L2DJNZ R2 ,L1DJNZ R4 ,L3RETEND程序B:;用移位方式实现流水灯ajmp main ;跳转到主程序org 0030h ;主程序起始地址main:mov a,#0feh ;给A赋值成loop:mov p1,a ;将A送到P1口,发光二极管低电平点亮lcall delay ;调用延时子程序rl a ;累加器A循环左移一位ajmp loop ;重新送P1显示delay:mov r3,#20 ;最外层循环二十次d1:mov r4,#80 ;次外层循环八十次d2:mov r5,#250 ;最内层循环250次djnz r5,$ ;总共延时2us*250*80*20=0.8Sdjnz r4,d2djnz r3,d1retend51单片机经典流水灯程序,在51单片机的P2口接上8个发光二极管,产生流水灯的移动效果。
ORG 0;程序从0地址开始START: MOV A,#0FEH ;让ACC的内容为LOOP: MOV P2,A ;让P2口输出ACC的内容RR A;让ACC的内容左移CALL DELAY ;调用延时子程序LJMP LOOP ;跳到LOOP处执行;0.1秒延时子程序(12MHz晶振)===================DELAY: MOV R7,#200 ;R7寄存器加载200次数D1: MOV R6,#250 ;R6寄存器加载250次数DJNZ R6,$ ;本行执RET;返回主程序END;结束程序开关控制的单片机流水灯汇编在单片机控制下,用一个拨动开关K1,控制8个发光二极管L1-L8,发光的时间间隔为0.5秒。
今天刚买一个单片机,然后看着教程发现其实单片机很有意思,看完他的第一个例子,就是流水灯实验,我就想着让他先是从上往下,然后从下往上的循环,下面就是代码了:
#include <reg52.h>
#include <intrins.h>
#define uint unsigned int
#define uchar unsigned char
void later(uint xms);
uchar aa;
uchar bb;
uint x,y;
void main()
{
aa=0xfe;
while(1)
{
x=1;y=1;
while(x)
{
P1=aa;
later(500);
aa=_crol_(aa,1);
bb=0xBF;
if(P1==bb)
{
x=0;
}
}
while(y)
{
P1=aa;
later(500);
aa=_cror_(aa,1);
bb=0xFD;
if(P1==bb)
{
y=0;
}
}
}
}
void later(uint xms)
{
int i,j;
for(i=xms;i>0;i--)
for(j=110;j>0;j--);
}
第一个出现的while是整个的循环,第二个while是看灯是否到达最后一个,如果是到达了,那就结束循环。
第三个while是检测是否到达第一个,如果到达第一个那就结束循环,代码就是这样了,然后至于一些新手可能会问,怎么知道他显示亮的那个灯,很简单,如果第一个灯亮了那他的二进制就是:11111110,你自己转换到十六进制就知道了,然后第二个就是:11111101,以此内推下去。