03 盘柜型钢基础安装
- 格式:docx
- 大小:28.40 KB
- 文档页数:6
高低压盘柜基础型钢安装作业指导书1. 引言高低压盘柜是电力系统中的重要设备,用于控制和保护电力设备。
安装高低压盘柜时,需要进行基础型钢的安装工作,本作业指导书将详细介绍高低压盘柜基础型钢的安装步骤和注意事项。
2. 安全注意事项在进行高低压盘柜基础型钢安装工作之前,必须了解和遵守以下安全注意事项:- 确保安装区域周围没有雨水积聚,确保地面干燥。
- 工作人员必须穿戴好个人防护装备,如安全帽、安全鞋等。
- 使用合适的工具和设备进行安装,避免使用损坏或不合适的工具。
- 在进行安装工作时,保持工作区域整洁,避免乱堆放材料和工具,防止跌倒和切割等意外事故。
- 严禁在高低压盘柜周围进行吸烟或使用明火。
3. 材料和工具准备在进行高低压盘柜基础型钢安装之前,需要准备以下材料和工具:- 基础型钢板及其螺栓和螺母- 钢尺和直角尺- 扳手- 榔头- 螺丝刀- 打孔机4. 安装步骤4.1 准备工作- 根据高低压盘柜的尺寸和安装要求,在安装区域标出盘柜底板的位置。
- 使用钻孔机在安装区域打出基础型钢板的安装孔。
- 将基础型钢板放置在打孔好的位置。
4.2 固定基础型钢板- 使用螺栓和螺母将基础型钢板与地面固定,确保其稳固不动。
- 使用钢尺和直角尺检查基础型钢板的平整度和垂直度,调整位置直至符合要求。
- 检查所有的螺栓和螺母是否固定牢固,必要时进行调整。
4.3 完成安装- 安装完成后,使用榔头敲击基础型钢板,检查其是否稳固,并确保基础型钢板和盘柜之间没有松动和空隙。
- 使用螺丝刀检查各个螺丝是否紧固,必要时进行调整。
- 清理工作区域,清除杂物和工具,确保安装区域整洁。
5. 质量检查安装完成后,进行以下质量检查确保安装质量:- 检查基础型钢板与盘柜之间的连接是否紧密,螺栓和螺母是否牢固。
- 检查基础型钢板的平整度和垂直度是否符合要求。
- 检查盘柜底板与基础型钢板之间是否存在空隙,如果有必须进行调整。
6. 结束语高低压盘柜基础型钢的安装是保证高低压盘柜稳定性和安全性的重要步骤。
高低压盘柜基础型钢安装作业指导书示范文本In The Actual Work Production Management, In Order To Ensure The Smooth Progress Of The Process, And Consider The Relationship Between Each Link, The Specific Requirements Of EachLink To Achieve Risk Control And Planning某某管理中心XX年XX月高低压盘柜基础型钢安装作业指导书示范文本使用指引:此管理制度资料应用在实际工作生产管理中为了保障过程顺利推进,同时考虑各个环节之间的关系,每个环节实现的具体要求而进行的风险控制与规划,并将危害降低到最小,文档经过下载可进行自定义修改,请根据实际需求进行调整与使用。
一、工程概况:高压段盘柜盘柜基础采用[10槽钢,低压盘柜基础采用[8槽钢,低压干式变基础采用[10槽钢。
二、编制依据:《主厂房6KV厂用配置装置布置图》…………………. …...F1511S-D1001(1)《主厂房(380V/220V)厂用配电装置布置图》……………F1511S-D1001(2)《电气装置安装工程盘、柜及二次回路接线施工及验收规范》…GB 50171-92三、基础型钢的安装:1、高压盘基础型钢采用[10槽钢,低压盘柜基础采用[8槽钢,低压干式变基础采用[10槽钢。
施工前应先检验槽钢有无变形或扭曲,槽钢的不直度不能超过5mm,若槽钢的不直度超过5mm影响施工质量则给予校正。
若槽钢的不直度在误差允许范围内则进行槽钢的预制工作。
施工前必须进行建筑专业已完工的予埋铁件表面进行清理,然后对其所有予埋铁件进行标高测量,予埋铁件的标高必须符合电气专业要求。
若予埋铁件安装标高不符合要求,则通知建筑工地进行处理。
处理合格后找出每列高压盘两侧最高和最低的予埋铁件,做好记录。
高低压盘柜基础型钢安装作业指导书一、工程概略:高段柜柜基采纳 [ 10 槽,低柜基采纳 [ 8 槽,低干式基采纳 [ 10 槽。
二、制依照:《主厂房 6KV 厂用配置装置部署》⋯⋯⋯⋯⋯⋯⋯ . ⋯...F1511S-D1001(1)《主厂房( 380V/220V )厂用配装置部署》⋯⋯⋯⋯⋯F1511S-D1001(2)《气装置安装工程、柜及二次回路接施工及收范》⋯GB 50171-92三、基型的安装:1、高基型采纳[ 10槽,低柜基采纳[ 8槽,低干式基采纳 [ 10 槽。
施工前先槽有无形或歪曲,槽的不直度不可以超 5mm,若槽的不直度超5mm 影响施工量予校订。
若槽的不直度在差允范内行槽的制工作。
施工前必行建筑已竣工的予埋件表面行清理,而后其全部予埋件行高量,予埋件的高必切合气要求。
若予埋件安装高不切合要求,通知建筑工地行理。
理合格后找出每列高两最高和最低的予埋件,做好。
施工先找出安装相关的面与柱子中心,而后用 #18 从面或柱子中心一拉向予埋件而且拉直,按示地点找正基型的外,把∠ 40×40× 4 的角或槽点在高两的予埋件上,角或槽的内与基型的外相,而后用做拉,在差允范内施工型先从最高予埋件行安装。
予埋件高低的可用片行高,而后在每个予埋件上行找正接。
2、高基型高超出最地面8mm,低及器基均超出最地面 5mm。
3、两段柜假如有母,两段前基要核好尺寸,便于母安装。
四、量保举措:1、基型安装的不直度的允误差<1mm/m,全 <3mm。
水平度允误差<1mm/m,全 <3mm,地点差及不平行度保持在 5mm 以内。
2、基接接口要用磨光机打磨平。
3、基每段必起码有2 点与主接地网接地,接地采纳 -40× 4 扁,接面要大于扁度 2 倍,接面起码 3 面,接完后除掉渣行防腐。
五、安全举措:1、采纳无切割槽前面严禁站人,使劲不可以猛,片不可以出缺口,片不可以松,假如前面站人,使劲猛,片出缺口,片松,有可能造成片碎人。
—、工程概况华润电力(菏泽)有限公司一期2*600MW#1机组盘基础制作安装,主要分布在主厂房、网控楼及电除尘,基础槽钢主要为[10、[8槽钢,槽钢材质为Q235。
二、施工依据1、山东鲁能电力设计院图纸2、《电气装置安装工程盘柜及二次接线施工及验收规范》3、《火电施工质量检验及评定标准》4、《电力建设安全工作规程》5、火力发电工程建设标准强制性条文执行表格(电气部分)三、施工准备1、工具:砂轮锯、电焊机、除锈机(磨光机或钢丝刷)、手钢锯、锉刀、毛刷、8磅大锤。
2、量具:水准仪、直角拐尺、钢带尺(20m)、钢卷尺(3m)、铁水平尺。
3、安全用具:安全帽、绝缘手套、防护眼镜、焊工防护罩、焊工手套。
4、人力组织:负责人1名、技术员1名、质检员1名、安全员1名、焊工2名、安装工8名。
5、与建筑专业已办理地面交接单,现场照明设施、消防设施已具备。
1、施工前应明确熟悉该方案涉及的各项工艺流程和标准,在安装过程中做好原始记录,以便质量跟踪检查。
2、使用合格的测量仪器及工具。
3、安装完毕后,二次灌浆达到强度前基础应避免重压或敲击,灌浆时严禁灰车碾压基础。
五、安全风险分析及安全注意事项2.1进入施工现场,正确佩戴安全帽,严禁酒后进入施工现场。
2.2抬料时,人力应充足,戴好手套,防止发生挤手、砸脚事故。
2.3施工电源由合格电工正确接线,电动工具、电焊机使用前应做好检查,防止漏电、触电事故发生。
2.4施工中做好个人防护,做到“四不伤害”。
2.5施工中注意脚下孔洞,交叉作业区域注意高空落物,防止高空坠落及高处落物伤人。
2.6特殊工种持证上岗,严禁非专业人员从事本专业范围内的工作。
2.7夜间或光线不足的地方施工时须有足够的照明,并防止漏电、触电。
六、环保注意事项1、槽钢,角钢等下脚料每次施工完毕应收集放到可回收利用固体废弃物箱。
2、焊条头在施工过程中应随时收集,焊条使用完后,应利用焊条头检查焊条使用情况,再领用新焊条。
废弃的焊条头收集至可回收利用固体回收废弃物箱。
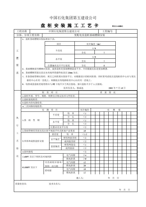
5.1.13配电盘、箱、柜的安装
1、基础型钢安装
(1)基础型钢的规格应按设计施工图的设计规定选用。
(2)埋设方式:①直接埋设型钢基础;②预埋铁件,安装时将型钢基础焊接在预埋铁上。
(3)允许偏差;基础型钢上表面的水平误差不得大于1mm/m。
沿全长部水平误差不得大于5mm;侧面不直度误差不得大于1mm/m,沿全长不得大于5mm。
(4)找平工具:水准仪。
2、盘、柜就位安装
(1)盘、柜就位安装装前开箱检查的内容:
①查阅随设备带来的产品检验合格证、技术文件、设计院的盘面布置图和接线图;
②按设计盘面布置图核对各盘、柜上的电气设备、开关、仪器、仪表、继电保护元件等,型号、规格、数量,以及盘柜上设备有无损坏,丢失和绝缘受潮变形现象,对高压瓷件表面严禁有裂纹、缺损和瓷釉损坏等缺陷、盘、柜的漆层应完整。
③核对盘、柜安装尺寸和地脚螺栓孔直径大小以及间距,和盘面平整度。
④作好开箱检查记录。
(2)就位安装
①盘、柜安装位置和顺序必须按施工图的规定。
②就位安装时在距柜顶和柜底各200mm左右位置处绷两根尼龙线作为基准线,盘、柜照基准线就位并吊线,可在柜的四角垫规格40*40mm δ=1、2、5mm 钢垫片来达到找正、找平。
③盘、柜找平找正后,柜体与基础槽钢、柜体与柜体、柜体与两侧档板采用镀锌螺栓固定联接;
④盘、柜安装允许偏差:垂直误差不大于1.5mm/m;水平误差不大于1mm/m;成排总误差不大于5mm,盘间接缝误差不大于2mm。
⑤找平工具:吊线、直尺、塞尺、接线。
本工程为某电气装置安装工程,主要包括盘柜基础安装。
工程地点位于某公司厂房内,安装盘柜数量为30台,盘柜类型包括控制柜、配电柜等。
为确保工程质量和施工安全,特制定本施工方案。
二、施工准备1. 施工图纸:熟悉施工图纸,了解盘柜型号、规格、数量及安装位置。
2. 施工材料:提前准备好盘柜基础型钢、膨胀螺栓、混凝土、水泥、砂子等材料。
3. 施工工具:准备扳手、电钻、水平尺、线锤、水准仪等施工工具。
4. 施工人员:组织具备相关资质的施工人员进行施工。
三、施工工艺1. 施工测量:根据施工图纸,确定盘柜安装位置,利用水准仪进行水平测量,确保盘柜安装水平。
2. 搭设脚手架:在盘柜安装位置周围搭设脚手架,确保施工人员安全。
3. 盘柜基础型钢安装:(1)在盘柜基础位置,挖出坑槽,坑槽尺寸比盘柜基础型钢长宽各增加100mm。
(2)将坑槽底部平整,铺设一层厚50mm的混凝土垫层。
(3)将盘柜基础型钢放置在坑槽内,确保型钢水平。
(4)用膨胀螺栓将型钢固定在坑槽内,膨胀螺栓间距为500mm,数量不少于4个。
(5)检查型钢水平度,如有偏差,用水平尺进行调整。
4. 盘柜安装:(1)将盘柜放置在基础型钢上,确保盘柜水平。
(2)检查盘柜与基础型钢的连接牢固程度,如有松动,用膨胀螺栓重新固定。
(3)检查盘柜垂直度,如有偏差,用线锤进行调整。
(4)检查盘柜接地线连接是否牢固,确保接地良好。
四、质量要求1. 盘柜基础型钢安装牢固,无松动现象。
2. 盘柜安装水平,偏差不大于1mm。
3. 盘柜垂直度偏差不大于1mm。
4. 盘柜接地良好,接地电阻不大于4Ω。
五、安全措施1. 施工人员必须佩戴安全帽、安全带等防护用品。
2. 施工现场设置警示标志,提醒施工人员注意安全。
3. 电气设备安装前,确保电源已切断,防止触电事故。
4. 施工过程中,注意避免碰撞、挤压盘柜,确保盘柜完好。
六、施工进度1. 施工准备:1天。
2. 盘柜基础型钢安装:2天。
3. 盘柜安装:2天。
盘、柜基础型钢安装质量验收执行标准下载提示:该文档是本店铺精心编制而成的,希望大家下载后,能够帮助大家解决实际问题。
文档下载后可定制修改,请根据实际需要进行调整和使用,谢谢!本店铺为大家提供各种类型的实用资料,如教育随笔、日记赏析、句子摘抄、古诗大全、经典美文、话题作文、工作总结、词语解析、文案摘录、其他资料等等,想了解不同资料格式和写法,敬请关注!Download tips: This document is carefully compiled by this editor. I hope that after you download it, it can help you solve practical problems. The document can be customized and modified after downloading, please adjust and use it according to actual needs, thank you! In addition, this shop provides you with various types of practical materials, such as educational essays, diary appreciation, sentence excerpts, ancient poems, classic articles, topic composition, work summary, word parsing, copy excerpts, other materials and so on, want to know different data formats and writing methods, please pay attention!盘、柜基础型钢安装质量验收执行标准引言盘、柜基础型钢的安装质量直接影响着设备的稳定性和使用寿命。
高低压盘柜基础型钢安装作业指导书前言高低压盘柜作为用电系统中重要的设备之一,承载着输送、分配、控制和保护电能的重要任务。
盘柜基础型钢作为盘柜的基础,对盘柜的安装、使用、维护具有非常重要的作用。
因此,为了保证盘柜的正常运行,必须要对盘柜基础型钢的安装作业有一个详细的指导和介绍。
安全注意事项1.安装前要对安装现场进行勘测和认真检查,确保场地平整,无障碍物,并清理场地杂物。
2.安装时必须严格按照制定的安装方案进行,不得擅自更改。
3.安装现场应建立封闭区域,同时设置安全警示标志。
4.操作人员必须进行安全培训,具备必要的安全意识和操作技能。
5.进行操作时严禁穿拖鞋、高跟鞋等不符合安全要求的鞋类。
安装工具和材料安装工具:1.支撑器、皮带卡、滑车。
2.十字扳手、扳手、螺丝刀、气动扳手、电动锤等。
安装材料:1.基础型钢、螺丝、锁紧垫、支撑器、橡胶材料、胶水、墙壁吊耳等。
安装步骤第一步:现场勘测施工前应认真学习盘柜的安装图纸,进行勘察,并标定重要位置。
确定好相应的现场尺寸及钢结构,以便进行进一步的制作、加工及安装。
如有问题要及时反馈给相关人员,及时解决。
第二步:材料准备在生产车间内进行材料确定,并将制作好的型钢材料统一标记。
将全部的型钢材料送往现场,并进行材料清点、检查,确定无误后方可进入下一工序。
第三步:组装支架按照工程图纸上的要求,将基础型钢划分成一定的小区域,并进行相关的安装规则设计。
按照设计要求,利用升降器材,进行支架、钢龙骨等其他钢构件的锚固、安装。
第四步:安装角钢墙壁吊耳按照盘柜基础图纸上墙壁吊耳的要求进行测量、对称,并在相应的墙体位置进行安装。
在用升降器材的情况下,安装好角钢墙壁吊耳,再进行膨胀螺栓固定。
固定时一定要注意固定点的每一项的质量。
第五步:基础型钢安装在进行基础型钢安装之前,需要首先按照设计的规格、要求,进行小区域锚固,并摆放好验收架、支撑架等。
进行基础型钢的安装前,需检查基础型钢合格证、批号等,并核对流水线工艺顺序,保障安装质量。
盘柜安装方案
1、基础安装
柜(盘)安装使用型钢调平后作为基础,基础型钢顶部宜高出土建地面
10mm,允许偏差符合下表规定:
基础型钢安装的允许偏差
2、柜(盘)安装
按图纸顺序将柜(盘)放在基础型钢上,逐台找正。
然后按柜(盘)固定螺孔尺寸,在基础型钢上钻孔,一般要求低压柜钻φ12.2孔,高压柜钻φ16.2孔,分别用M12、M16的镀锌螺丝固定,允许偏差附和符合下表规定:
盘、柜安装的允许偏差
柜体于柜体、柜体于侧档板均要求用镀锌螺丝连接。
3、接地装置的安装
每台柜(盘)均应单独与基础型钢连接,每台柜在后面左下部的基础型钢侧面焊铜鼻子,用16mm2铜线与柜上的接地端子连接牢固。
柜(盘)门、基础及PE排接地
4、连接母线的安装
校正母线必须用木质榔头在木工作台上进行;母线采用螺栓连接,应选用专用厚垫圈,并配齐弹簧垫,螺栓、平垫圈和弹簧垫必须用镀锌件,螺栓紧固后丝扣能露出螺母外5~8mm。
母线安装
5、调试、试运转
调试前应彻底打扫全部设备及变配电室、控制室的灰尘。
然后将柜(盘)内的控制、操作电源回路熔断器上端相线拆除,接上临时电源,按图纸要求分别模拟试验控制、连锁、操作、继电器保护和信号运作。
当模拟试验结果正确无误、灵敏可靠后,拆除临时电源,将原电源复位。
配电柜基础型钢安装方法
1. 基础型钢制作
当设计未做要求时,成套配电柜的基础型钢框架可采用8#或10#槽钢制作,制作时先将槽钢矫直整平,按图纸制作型钢框架,焊接好接地螺栓,底漆刷防锈漆、面漆刷银漆。
2. 基础型钢安装
(1)按施工图纸见基础型钢框架放在预留位置上,用水平尺找平找
正后,将基础型钢框架和预埋铁件用电焊焊牢。
无预埋铁件的,使用M8及以上膨胀螺栓将其固定在地面。
一般基础型钢框架顶部宜高出地面完成面100mm(如下图),手车柜基础型钢框架顶面与地面完成面相平(铺橡胶垫时)。
(2)安装允许偏差应符合下列规定
■不直度允许偏差:1mm/每米,5mm/全长
■水平度允许偏差:1mm/每米,5mm/全长
■不平行度允许偏差:5mm/全长
3. 基础型钢接地
基础型钢安装后,须可靠接地。
3.1配电柜的基础型钢应与保护导体可靠连接,保护导体可采用镀锌扁铜或截面积不小于4m㎡的黄绿色绝缘铜芯软导线:
(1)当设计在配电柜(箱)周围设有单独的保护导体时,配电柜的基础型钢可与保护导体连接。
(2)当设计在配电柜周围未设单独的保护导体时, 配电柜的基础型钢可与配电柜内的保护接地导体( PE排)相连。
3.2 配电室内的高低压配电柜,将配电室内接地线不小于100m㎡的镀锌扁铁与基础型钢焊接,不少于两处,焊接长度为扁钢宽度的两倍,应不少于3个棱边。
3.3 基础型钢与镀锌扁钢或型钢与接地螺栓采用焊接时,焊接处应涂刷防锈漆。
柜(盘)安装要点1、基础型钢安装:(1)调直型钢。
将有弯的型钢调直,然后,按图纸要求预制加工基础型钢架,并刷好防锈漆。
(2)按施工图纸所标位置,将预制好的基础型钢架放在预留铁件上,用水准仪或水平尺找平、找正。
找平过程中,需用垫片的地方最多不能超过三片。
然后,将基础型钢架、预埋铁件、垫片用电焊焊牢。
最终基础型钢顶部宜高出抹平地面10mm,手车柜按产品技术要求执行。
基础型钢安装允许偏差见表13.4.4。
基础型钢安装的允许偏差表13.4.4注:环形布置按设计要求。
(3)基础型钢与地线连接:基础型钢安装完毕后,将室外地线扁钢分别引入室内(与变压器安装地线配合)与基础型钢的两端焊牢,焊接面为扁钢宽度的二倍。
然后将基础型钢刷两遍灰漆。
2、柜(盘)稳装:(1)柜(盘)安装。
应按施工图纸的布置,按顺序将柜放在基础型钢上。
单独柜(盘)只找柜面和侧面的垂直度。
成列柜(盘)各台就位后,先找正两端的柜,在从柜下至上三分之二高的位置绷上小线,逐台找正,拒不标准以柜面为准。
找正时采用0.5mm铁片进行调整,每处垫片最多不能超过三片。
然后按柜固定螺孔尺寸,在基础型钢架上用手电钻钻孔。
一般无要求时,低压柜钻φ12.2孔,高压柜钻φ16.2孔,分别用M12、M16镀锌螺丝固定。
允许偏差见表2-31。
(2)柜(盘)就位,找正、找平后,除柜体与基础型钢固定。
柜体与柜体、柜体与测挡板均用镀锌螺丝连接。
(3)柜(盘)接地:每台柜(盘)单独与基础型钢连接。
每台柜从后面左下部的基础型钢侧面上焊上鼻子,用 6mm2铜线与柜上的接地端子连接牢固。
高低压盘柜基础型钢安装作业指导书标准范本管理制度编号:LX-FS-A84850高低压盘柜基础型钢安装作业指导书标准范本In The Daily Work Environment, The Operation Standards Are Restricted, And Relevant Personnel Are Required To Abide By The Corresponding Procedures And Codes Of Conduct, So That The Overall BehaviorCan Reach The Specified Standards编写:_________________________审批:_________________________时间:________年_____月_____日A4打印/ 新修订/ 完整/ 内容可编辑高低压盘柜基础型钢安装作业指导书标准范本使用说明:本管理制度资料适用于日常工作环境中对既定操作标准、规范进行约束,并要求相关人员共同遵守对应的办事规程与行动准则,使整体行为或活动达到或超越规定的标准。
资料内容可按真实状况进行条款调整,套用时请仔细阅读。
一、工程概况:高压段盘柜盘柜基础采用[10槽钢,低压盘柜基础采用[8槽钢,低压干式变基础采用[10槽钢。
二、编制依据:《主厂房6KV厂用配置装置布置图》…………………. …...F1511S-D1001(1)《主厂房(380V/220V)厂用配电装置布置图》……………F1511S-D1001(2)《电气装置安装工程盘、柜及二次回路接线施工及验收规范》…GB 50171-92三、基础型钢的安装:1、高压盘基础型钢采用[10槽钢,低压盘柜基础采用[8槽钢,低压干式变基础采用[10槽钢。
施工前应先检验槽钢有无变形或扭曲,槽钢的不直度不能超过5mm,若槽钢的不直度超过5mm影响施工质量则给予校正。