研华插入式IO板卡培训教材初级
- 格式:pdf
- 大小:2.31 MB
- 文档页数:74
第一章概述本章内容KingSCADA3.1软件结构KingSCADA3.1软硬件环境KingSCADA3.1与外部设备KingSCADA3.1软件结构KingScada3.1是一种通用的工业监控软件,它融过程控制设计、现场操作以及工厂资源管理于一体,将一个企业内部的各种生产系统和应用以及信息交流汇集在一起,实现最优化管理。
它基于Microsoft WindowsNT/2000/XP/Vista/ Win2003server sp2 /Windoows 7操作系统,并支持多语言的操作系统。
用户可以在企业网络的所有层次的各个位置上及时获得系统的实时信息与历史信息。
采用KingSCADA3.1开发工业监控系统,可以极大地增强用户生产控制能力、提高工厂的生产力和效率、提高产品的质量、减少成本及原材料的消耗。
它适用于从单一设备的生产运营管理和故障诊断,到网络结构分布式大型集中监控管理系统的开发。
KingSCADA3.1结构由工程开发系统、图形编辑器及运行系统三部分构成。
工程开发系统:工程开发系统是一个工程开发设计工具,用于创建工程、创建监控画面、定义监控的设备、定义相关变量、命令语言以及设定运行系统配置等系统组态工具。
图形编辑器:在图形编辑器中用户可以绘制图形画面、设置动画链接、配置报警窗口、配置趋势曲线窗口等与图形有关的所有操作。
运行系统:工程运行界面,从采集设备中获得通讯数据,并依据图形编辑器的动画设计显示动态画面,实现人与控制设备的交互操作。
KingSCADA3.1软硬件环境1、硬件要求硬件:奔腾P4 1G以上,推荐奔腾P4 2G以上内存:最少512MB,推荐1G硬盘空间:KingSCADA3.1完全安装占用空间需约350M,至少10G硬盘空间。
显示器:VGA、SVGA或支持桌面操作系统的任何图形适配器。
要求最少显示256色,推荐无限色支持鼠标:任何PC兼容鼠标通讯:RS-232C并行口或USB接口:用于插入KingSCADA3.1加密锁2、软件要求操作系统:Windows操作系统32位(英文、中文、日文、韩文、繁体中文版本)Win2000(SP4)Win XP(SP2)Win2003server sp2(或R2)VistaWindows 7KingSCADA3.1与外部设备KingSCADA3.1软件与IO设备进行通讯是通过I/O Server来实现的,I/O Server是负责和现场设备进行通讯,并采集现场数据和控制现场数据的通讯软件模块,它支持与国内外常见的PLC、智能模块、智能仪表、变频器、数据采集板卡等(如:西门子PLC、莫迪康PLC、欧姆龙PLC、三菱PLC、研华模块等等)通过常规通讯接口(如串口方式、USB接口方式、以太网、总线、GPRS等)进行数据通讯。
PCI-1710快速安装使用手册PCI-1710快速安装使用手册 (1)第一章产品介绍 (2)概述 (2)即插即用功能 (2)单端或差分混合的模拟量输入 (2)卡上FIFO(先入先出)存储器 (2)卡上可编程计数器 (2)用于降低噪声的特殊屏蔽电缆 (2)16路数字输入和16路数字输出 (3)短路保护 (3)特点: (3)一般特性: (3)第二章安装与测试 (3)初始检查 (3)Windows2K/XP/9X下板卡的安装 (4)软件的安装: (6)硬件的安装: (7)测试 (8)模拟输入功能测试 (8)模拟输出功能测试 (9)数字量输入功能测试 (10)数字量输出功能测试 (11)计数器功能测试 (12)第三章信号连接 (13)模拟信号输入连接: (15)单端模拟输入连接 (15)差分式模拟输入连接 (15)模拟信号输出连接 (17)触发源连接 (17)内部定时器触发连接 (17)外部触发源连接 (18)第四章例程使用详解 (18)板卡支持例程列表常用例子使用说明 (18)ADSOFT/ADTRIG(软件触发方式例程) (18)ADint(中断方式进行数据采集的例程) (19)DIGOUT(数字量输出): (21)COUNTER(计数程序) (23)Digin (数字量输入例程) (24)PULSE(脉冲输出例程) (24)MADint(多通道中断采集例程) (25)第五章遇到问题,如何解决...................................... 错误!未定义书签。
第一章产品介绍概述PCI-1710/1710HG是一款PCI总线的多功能数据采集卡。
其先进的电路设计使得它具有更高的质量和更多的功能。
这其中包含五种最常用的测量和控制功能:12位A/D转换、D/A转换、数字量输入、数字量输出及计数器/定时器功能。
PCI-1710系列能够为用户提供专门的功能:PCI-1710 100KS/s,12位多功能数据采集卡PCI-1710L 100KS/s,12位多功能数据采集卡,不带AOPCI-1710HG 100KS/s,12位多功能数据采集卡PCI-1710HGL 100KS/s,12位多功能数据采集卡,不带AO1.1.1 即插即用功能PCI-1710/1710HG完全符合PCI规格标准,支持即插即用。
板卡基础知识教材杰和科技内部资料翔升产品部2011/7/221.目录2.主板部分 (3)a)主板特点 (3)b)工作原理 (4)c)主板分类 (6)i.按主板芯片分类 (6)ii.按主板结构分类 (7)d)主板的构成 (9)e)芯片部分 (9)f)扩展槽部分 (10)g)对外接口部分 (11)h)选购主板原则 (13)i)常见问题解答 (13)i.主板上南北桥的区别 (13)ii.开机主板鸣叫原因 (14)j)主板驱动 (15)3.显卡部分 (16)a)工作原理 (16)b)基本结构 (17)i.GPU (17)ii.显存 (17)iii.显卡BIOS (18)iv.显卡PCB板 (18)c)显卡分类 (18)i.集成显卡 (18)ii.独立显卡 (19)d)独显接口 (19)i.PCI接口 (19)ii.AGP接口 (20)iii.PCI Express接口 (21)e)双卡技术 (21)i.支持条件 (22)ii.并行工作 (23)f)软件配置 (23)i.DirectX (23)ii.OpenGL (23)g)主要参数 (24)h)显示芯片 (24)i.简介 (24)ii.型号 (25)iii.版本级别 (26)iv.开发代号 (28)v.制造工艺 (28)vi.核心频率 (29)i)显存简介 (29)i.类型 (29)ii.带宽 (30)iii.容量 (30)iv.封装类型 (31)v.速度 (31)vi.频率 (31)j)技术架构 (32)i.流处理器单元 (32)ii.3D API (33)iii.RAMDAC频率和支持最大分辨率 (34)k)散热设备 (34)i.金刚轮散热系统 (36)l)显卡超频 (39)i.简介 (39)ii.超频准备 (40)iii.超频显卡 (40)m)显卡发展简史 (41)i.CGA显卡 (41)ii.MGA/MCGA显卡 (41)iii.VGA接口显卡 (42)iv.3D AGP接口显卡时代 (42)v.PCI Express显卡接口 (45)vi.NVIDIA的崛起 (47)vii.NV/ATI上演铁面双雄 (49)主板部分主板,又叫主机板(mainboard)、系统板(systemboard)或母板(motherboard);它安装在机箱内,是微型计算机最基本的也是最重要的部件之一。
User ManualMIC-3042A/B4U高、8槽、配有标准cPCI电源的CompactPCI TM机箱版权声明随附本产品发行的文件为研华公司2008年版权所有,并保留相关权利。
针对本手册中相关产品的说明,研华公司保留随时变更的权利,恕不另行通知。
未经研华公司书面许可,本手册所有内容不得通过任何途径以任何形式复制、翻印、翻译或者传输。
本手册以提供正确、可靠的信息为出发点。
但是研华公司对于本手册的使用结果,或者因使用本手册而导致其它协力厂商的权益受损,概不负责。
认可声明PICMG TM、 CompactPCI TM和PICMG TM、CompactPCI TM标志是 PCI工业计算机制造厂商协会的注册商标。
所有其他产品名或商标均为各自所属方的财产。
CE本设备已通过CE 测试,符合以屏蔽电缆进行外部接线的环境规格标准。
建议用户使用屏蔽电缆,此种电缆可从研华公司购买。
如需订购,请与当地分销商联系。
产品质量保证(一年)从购买之日起,研华为原购买商提供一年的产品质量保证。
但对那些未经授权的维修人员维修过的产品并不进行质量保证。
研华对于不正确的使用、灾难、错误安装产生的问题有免责权利。
如果研华产品出现故障,在质保期内我们提供免费维修或更换服务。
对于出保产品,我们将会酌情收取材料费、人工服务费用。
请联系您的销售人员了解详细情况。
如果您认为您购买的产品出现了故障,请遵循以下步骤:1.收集您所遇到的问题的信息(例如,CPU主频、使用的研华产品及其它软件、硬件等)。
请注意屏幕上出现的任何不正常信息显示。
2.打电话给您的供货商,描述故障问题。
请借助手册,产品和任何有帮助的信息。
3.如果您的产品被诊断发生故障,请从您的供货商那里获得RMA(ReturnMaterial Authorization)序列号。
这可以让我们尽快的进行故障产品的回收。
4.请仔细的包装故障产品,并在包装中附上完整的售后服务卡片和购买日期证明(如销售发票)。
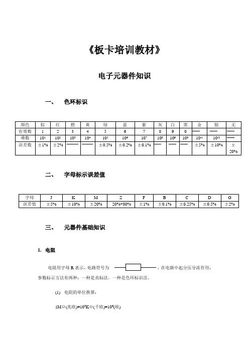
《板卡培训教材》电子元器件知识一、色环标识二、字母标示误差值三、元器件基础知识1.电阻电阻用字母R表示,电路符号为,在电路中起分压分流作用,参数标示方法有两种:一种是直标法,一种是色环标识法。
(1)电阻的单位换算:1MΩ(兆欧)=103KΩ(千欧)=106(欧)(2)色环标识①普通电阻(四环电阻)阻值:20×102 =2KΩ±5%②五环电阻(精密电阻)阻值:521×103 =521KΩ±1%③直标法(贴片电阻均以此方法标识)阻值:20×103=20KΩ2.电容电容用字母C表示,电路符号:,在电电路中起通交流隔直流的作用,电容一般以直标法标示参数。
⑴电容的换算单位:1F(法拉)=103MF(毫法)=106UF(微法)=109NF(纳法)=1012PF(皮法)⑵标示方法①一般的电容以103Z/104J或1KV102M等标示。
103Z=10×103=10000PF-20%+80%104J=10×104=100000PF±5%=0.1UF±5%1KV102M=10×102=1000PF±20%最大耐压值为1000V电压注:如以上未标明耐压值的均以50V为准。
②电解电容,以100UF\16V/-40+85℃形式标示,容值为100UF,耐压最大为16V,正常工作温度为-40℃/+85℃注:短脚为负极(即本体上有白色“—”号标示的一方);电解电容以长脚为正极(即本体没有正负号标示的一方)。
3.二极管二极管用字母+ —,二极管具有单向导电性,普通二极管的外型:+我们常见的二极管有以下几种,不同的二极管有不同的作用:+ —+ —+ —+ —普通二极管 稳压二极管 发光二极管 光电二极管4.三极管三极管用字母Q 或T 表示,主要在电路中起放大作用,它有三个电极,分别为:基极(B )/ 集电极(C )E )。
(培训体系)培训教材(初级版)黄石市科威自控XX公司——EC/EP系列嵌入式PLC培训教材(初级版)前言电控技术日新月异,市场需求日趋苛刻。
作为壹家“以振兴民族自动化工业为已任”的科技型企业,仅仅学习、消化、吸收、实践他人的产品和技术是远远不够的,必须有自己独创的产品,才能于没有硝烟的战场上取得胜利。
于董事长龚云生同志的得力领导下,公司集团骨干始终朝着“创新是壹个民族的灵魂,是国家兴旺发达的不竭动力”的方向奋进。
十余年来,克服了重重困难,坚定不移地走自己的路。
发场团队精神,认真积累和总结经验;自主创新和借“脑袋”且举。
天道酬勤,科威公司的科技成果不断涌现,尤其是2005年,EC/EP系列嵌入式PLC于黄石市科威自控XX公司研发成功了!为我国的自动化工业增添了光彩。
自嵌入式PLC的成果于网上发布后,感兴趣的同仁和日俱增,渴求了解其技术性能。
正因为嵌入式PLC刚刚问世,知者甚少,为此,科威公司决定开办嵌入式PLC培训班。
这是符合“科学发展观”的要求的。
培训班的课件内容,由表及里,由浅入深。
因受时间和要求所限,不系统,侧重实践。
但愿对初学者,有所补益。
卫工08年5月一、嵌入式PLC简介1、开发背景工控系统有大系统和小系统,尤其是小系统,范围广,几乎覆盖了所有行业,而且要求是千差万别的。
控制器件有DCS、IPC和PLC等。
广大工控设计人员于器件选型时十分困惑。
于数据处理上要求像IPC,于可靠性上要求达到或超过PLC,于价位上力争低廉,如同单片机;于二次开发(应用程序)方面要求语言大众化、易学易懂易掌握。
谁均梦想有壹款新型的工控产品能替代、包含IPC、PLC和单片机。
经过艰苦的努力,嵌入式PLC于科威公司问世了。
嵌入式PLC已列入国家科技攻关计划项目的阶段成果。
项目代号为2005BA206C。
2、什么是嵌入式PLC?嵌入式PLC是将通用的PLC梯形图语言、CANbus现场总线协议嵌入到单片机中,使其更具个性化、差异化,应用更广泛、更灵活,对用户更方便。
研华插入式IO板卡培训教材初级1、研华插入式IO产品简介。
研华插入式IO卡片,指的是能够插入计算机系统插槽的数据采集板卡。
这种板卡是计算机系统和外部进行数据交换和信息获取的一种渠道,也在现代工业控制现场被大量采用。
下面的内容里,我们将对这种产品进行详细的介绍。
2、插入式IO产品的分类。
研华插入式IO产品(以下简称DAS卡)可以按照不同的分类标准进行,下面我们进行分别介绍。
2.1、按照总线的分类。
研华的DAS卡可以适应目前工业控制用计算机的多种总线形式,具体来说,包括ISA、PCI、CPCI、USB、PC-104等几种,下面我们进行分类介绍。
2.1.1、ISA总线简介。
ISA总线(Industry Standard Architecture:工业标准体系结构)是IBM公司为PC/AT电脑而制定的总线标准,为16位体系结构,只能支持16位的I/O设备,数据传输率大约是8MB/S。
也称为AT标准。
ISA插槽是基于ISA总线(Industrial Standard Architecture,工业标准结构总线)的扩展插槽,其颜色一般为黑色,比PCI接口插槽要长些,位于主板的最下端。
其工作频率为8MHz左右,为16位插槽,最大传输率16MB/sec,可插接显卡,声卡,网卡已及所谓的多功能接口卡等扩展插卡。
其缺点是CPU资源占用太高,数据传输带宽太小,是已经被淘汰的插槽接口。
目前还能在许多老主板上看到ISA插槽,现在新出品的主板上已经几乎看不到ISA插槽的身影了,但也有例外,某些品牌的845E主板甚至875P 主板上都还带有ISA插槽,估计是为了满足某些特殊用户的需求。
接口卡的外观由于IBM-PC./XT/AT系统总线的开放性,全世界的PC机制造商纷纷向IBM 靠拢,从而使IBM-PC系列风靡全球。
为了满足众多PC兼容机厂商的要求,美国电气和电子工程师学会(IEEE)成立了一个委员会,并确定以PC/AT总线为标准,称之为工业标准体系结构ISA(Industry Standard Architecture),即ISA总线标准。
PLC 初级培训教材第一章 电气系统及PLC 简介一、设备电气系统结构简介 设备电气系统一般由以下几部分组成1、 执行机构:执行工作命令陶瓷行业中常见的执行机构有:电动机(普通、带刹车、带离合)、电磁阀(控制油路或气路的通闭完成机械动作)、伺服马达(控制调节油路、气路的开度大小)等。
2、 输入元件:从外部取入信息陶瓷行业中常见的输入元件有:各类主令电器(开头、按扭)、行程开关(位置)、近接开关(反映铁件运动位置)、光电开关(运动物体的位置)、编码器(反映物体运动距离)、热电偶(温度)、粉位感应器粉料位置)等。
控制中心:记忆程序或信息、执行逻辑运算及判断常见控制中心部件有各类PLC 、继电器、接触器、热继电器、等。
电源向输入元件、控制中心提供控制电源;向执行机构提供电气动力。
二、简单的单台电动机电气系统例:一台星——角启动的鼠笼式电动机的电气系统 1、一次线路图 2、二次线路图R JC1 SJ JC13、上图看出,二次回路图中为实现延时控制,要使用一个时间继电器,而在陶瓷行业中,星——角启动控制可说是一种非常简单的例子,若在陶瓷生产设备上全部采用继电器类来实现生产过程的自动控制,要使用许多的继电器、时间继电器等其它一些电气产品,而该类产品占空间大,且运行不是十分可靠。
三、PLC简介1、可编程序控制器早期的PLC只能做些开关量的逻辑控制,因而叫PLC,但近年来,PLC采用微处理器作为中央处理单元,不仅有逻辑控制功能,还有算术运算、模拟量处理甚至通信联网功能,正确应称为PC,但为了与个人计算机有所区别,仍称其为PLC。
2、PLC的特点1>、灵活、通用控制功能改变,只要改变软件及少量的线路即可实现。
2>、可靠性高、抗干扰能力强①硬件方面:采用微电子技术开关动作由无触点的半导体电路及大规模集成电路完成,CPU与输入输出之间,采用光电隔离措施,隔离了它们之间电的联系。
②软件方面:有自身的监控程序,对强干扰信号、欠电压等外界环境定期检查,有故障时,存现状态到存储器,并对其封闭以保护信息;监视定时器WTD,检查程序循环状态,超出循环时间时报警;对程序进行校验,程序有错误进输出报警信息并停止执行。
PCL-1800快速安装使用手册PCL-1800快速安装使用手册 (1)第一章产品介绍 (2)1.1 概述 (2)1.1.1卡上带可编程索引的1K采样FIFO (2)1.1.2 预触发功能 (2)1.1.3 用于模拟量触发的16路模拟量看门狗 (3)1.1.4 模拟量输入 (3)1.1.5 模拟量输出 (3)1.1.6 数据传输 (3)1.2 特点 (3)1.3 规格 (4)1.4 一般特性 (5)第二章 安装与测试 (5)2.1 初始检查 (5)2.2 开关和跳线的设置 (6)2.2.1 基址的选择 (6)2.2.2通道设置 (6)2.2.3 D/A参考电压选择 (7)2.2.4内部基准电压源选择 (7)2.2.5TRIG0和GATE0的选择 (8)2.3 引脚图 (8)2.4 Windows2K/XP/9X下板卡的安装 (10)2.4.1 软件的安装: (12)2.4.2硬件的安装: (13)2.5 测试 (15)2.5.1模拟输入功能测试 (16)2.5.2 模拟输出功能测试 (17)2.5.3 数字量输入功能测试 (18)2.5.4数字量输出功能测试 (18)2.5.5计数器功能测试 (19)第三章 信号的连接 (20)3.1 模拟信号输入连接 (20)3.1.1 单端模拟信号输入连接 (20)3.1.2 差分模拟信号输入 (21)3.2 模拟信号输出连接 (22)3.3 数字信号连接 (22)第四章 例程使用详解 (23)4.1常用例子使用说明 (23)4.1.1 ADSOFT/ADTRIG(软件触发方式例程) (23)4.1.2 ADint(中断方式进行数据采集的例程) (24)4.1.3 DIGOUT(数字量输出): (26)4.1.4 COUNTER(计数程序) (27)4.1.5 Digin (数字量输入例程) (28)4.1.6 PULSE(脉冲输出例程) (29)4.1.7 MADint(多通道中断采集例程) (29)4.1.8 DAINT(中断方式模拟量输出) (31)4.1.9 DADMA(DMA方式模拟量输出) (33)第五章 遇到问题,如何解决?..................错误!未定义书签。
研华插入式IO板卡培训教材初级1、研华插入式IO产品简介。
研华插入式IO卡片,指的是能够插入计算机系统插槽的数据采集板卡。
这种板卡是计算机系统和外部进行数据交换和信息获取的一种渠道,也在现代工业控制现场被大量采用。
下面的内容里,我们将对这种产品进行详细的介绍。
2、插入式IO产品的分类。
研华插入式IO产品(以下简称DAS卡)可以按照不同的分类标准进行,下面我们进行分别介绍。
2.1、按照总线的分类。
研华的DAS卡可以适应目前工业控制用计算机的多种总线形式,具体来说,包括ISA、PCI、CPCI、USB、PC-104等几种,下面我们进行分类介绍。
2.1.1、ISA总线简介。
ISA总线(Industry Standard Architecture:工业标准体系结构)是IBM公司为PC/AT电脑而制定的总线标准,为16位体系结构,只能支持16位的I/O设备,数据传输率大约是8MB/S。
也称为AT标准。
ISA插槽是基于ISA总线(Industrial Standard Architecture,工业标准结构总线)的扩展插槽,其颜色一般为黑色,比PCI接口插槽要长些,位于主板的最下端。
其工作频率为8MHz左右,为16位插槽,最大传输率16MB/sec,可插接显卡,声卡,网卡已及所谓的多功能接口卡等扩展插卡。
其缺点是CPU资源占用太高,数据传输带宽太小,是已经被淘汰的插槽接口。
目前还能在许多老主板上看到ISA插槽,现在新出品的主板上已经几乎看不到ISA插槽的身影了,但也有例外,某些品牌的845E主板甚至875P 主板上都还带有ISA插槽,估计是为了满足某些特殊用户的需求。
接口卡的外观由于IBM-PC./XT/AT系统总线的开放性,全世界的PC机制造商纷纷向IBM 靠拢,从而使IBM-PC系列风靡全球。
为了满足众多PC兼容机厂商的要求,美国电气和电子工程师学会(IEEE)成立了一个委员会,并确定以PC/AT总线为标准,称之为工业标准体系结构ISA(Industry Standard Architecture),即ISA总线标准。
为了充分地发挥80286的优良性能,同时又要最大限度地与PC/AT总线兼容,ISA总线在原XT总线的基础上,又增加了一个36脚的扩展槽,将数据总线扩展为16位,地址总线扩展为24位,将中断的数目从8个扩充到15个,并提供了中断共享功能,而DMA通道也由4个扩充到8个。
从此,这种16位的扩展总线一直是各制造厂商严格遵守的标准,至今仍广泛地使用。
ISA总线扩展插槽由两部分组成,一部分有62引脚,其信号分布及名称与PC/XT总线的扩展槽基本相同,仅有很小的差异。
另一部分是AT机的添加部分,由36引脚组成。
这36引脚分成两列,分别称为C列和D列。
插槽的外观引脚定义引定义方向说明脚A1/I/O CH CK I/O channel check; active low=parity errorA2D7Data bit 7 A3D6Data bit 6 A4D5Data bit 5 A5D4Data bit 4 A6D3Data bit 3 A7D2Data bit 2 A8D1Data bit 1 A9D0Data bit 0A10I/O CH RDY I/O Channel ready, pulled low to lengthen memory cyclesA11AEN Address enable; active high when DMA controls bus A12A19Address bit 19A13A18Address bit 18A14A17Address bit 17A15A16Address bit 16A16A15Address bit 15A17A14Address bit 14A18A13Address bit 13A19A12Address bit 12A20A11Address bit 11A21A10Address bit 10A22A9Address bit 9A23A8Address bit 8A24A7Address bit 7A25A6Address bit 6A26A5Address bit 5A27A4Address bit 4A28A3Address bit 3A29A2Address bit 2A30A1Address bit 1A31A0Address bit 0B1GND GroundB2RESET Active high to reset or initialize system logic B3+5V+5 VDCB4IRQ2Interrupt Request 2B5-5VDC-5 VDCB6DRQ2DMA Request 2B7-12VDC-12 VDCB8/NOWS No WaitStateB9+12VDC+12 VDCB10GND GroundB11/SMEMW System Memory WriteB12/SMEMR System Memory ReadB13/IOW I/O WriteB14/IOR I/O ReadB15/DACK3DMA Acknowledge 3B16DRQ3DMA Request 3B17/DACK1DMA Acknowledge 1B18DRQ1DMA Request 1B19/REFRESH RefreshB20CLOCK System Clock (67 ns, 8-8.33 MHz, 50% duty cycle) B21IRQ7Interrupt Request 7B22IRQ6Interrupt Request 6B23IRQ5Interrupt Request 5B24IRQ4Interrupt Request 4B25IRQ3Interrupt Request 3B26/DACK2DMA Acknowledge 2B27T/C Terminal count; pulses high when DMA term. count reachedB28ALE Address Latch Enable B29+5V+5 VDCB30OSC High-speed Clock (70 ns, 14.31818 MHz, 50% duty cycle)B31GND GroundC1SBHE System bus high enable (data available on SD8-15) C2LA23Address bit 23C3LA22Address bit 22C4LA21Address bit 21C5LA20Address bit 20C6LA18Address bit 19C7LA17Address bit 18C8LA16Address bit 17C9/MEMR Memory Read (Active on all memory read cycles) C10/MEMW Memory Write (Active on all memory write cycles) C11SD08Data bit 8C12SD09Data bit 9C13SD10Data bit 10C14SD11Data bit 11C15SD12Data bit 12C16SD13Data bit 13C17SD14Data bit 14C18SD15Data bit 15D1/MEMCS16Memory 16-bit chip select (1 wait, 16-bit memory cycle)D2/IOCS16I/O 16-bit chip select (1 wait, 16-bit I/O cycle) D3IRQ10Interrupt Request 10D4IRQ11Interrupt Request 11D5IRQ12Interrupt Request 12D6IRQ15Interrupt Request 15D7IRQ14Interrupt Request 14D8/DACK0DMA Acknowledge 0D9DRQ0DMA Request 0D10/DACK5DMA Acknowledge 5D11DRQ5DMA Request 5D12/DACK6DMA Acknowledge 6D13DRQ6DMA Request 6D14/DACK7DMA Acknowledge 7D15DRQ7DMA Request 7D16+5 VD17/MASTER Used with DRQ to gain control of systemD18GND Ground研华的ISA系列IO卡统一以PCL开头,比较典型的卡片如PCL-818系列。
另有一种MIC-2000系列的产品,基本已经停产,也是采用ISA总线架构,只是使用了特殊的机箱和安装方式。
PCL-8182.1.2、PCI总线简介。
PCI,即外设组件互连标准(Peripheral Component Interconnection),是一种由英特尔(Intel)公司1991年推出的用于定义局部总线的标准。
此标准允许在计算机内安装多达10个遵从PCI标准的扩展卡。
最早提出的PCI总线工作在33MHz频率之下,传输带宽达到133MB/s(33MHz * 32bit/s),基本上满足了当时处理器的发展需要。
随着对更高性能的要求,1993年又提出了64bit的PCI总线,后来又提出把PCI 总线的频率提升到66MHz。
目前广泛采用的是32-bit、33MHz的PCI 总线,64bit的PCI插槽更多是应用于服务器产品。
从结构上看,PCI是在CPU和原来的系统总线之间插入的一级总线,具体由一个桥接电路实现对这一层的管理,并实现上下之间的接口以协调数据的传送。
管理器提供信号缓冲,能在高时钟频率下保持高性能,社和为显卡,声卡,网卡,MODEM等设备提供连接接口,工作频率为33MHz/66MHz。
PCI总线系统要求有一个PCI控制卡,它必须安装在一个PCI插槽内。
这种插槽是目前主板带有最多数量的插槽类型,在当前流行的台式机主板上,ATX结构的主板一般带有5~6个PCI插槽,而小一点的MATX主板也都带有2~3个PCI插槽。
根据实现方式不同,PCI控制器可以与CPU一次交换32位或64位数据,它允许智能PCI辅助适配器利用一种总线主控技术与CPU并行地执行任务。
PCI允许多路复用技术,即允许一个以上的电子信号同时存在于总线之上。
接口卡的外观PCI 标准 32位/64位 接口卡----------------------------------------------------------------| PCI 元件侧 (B面) | | || || || ____ 32 位引脚部分 64 位引脚部分___||___| |||||||--|||||||||||||||||--|||||||--||||||||||||||^ ^ ^ ^ ^ ^ ^ ^b01 b11 b14 b49 b52 b62 b63 b94 PCI 5V 32/64位卡| optional || ____ 32 位引脚部分 64 位引脚部分___||___| ||||||||||||||||||||||||||--|||||||--||||||||||||||PCI 3.3V 32/64位卡| optional || ____ 32 位引脚部分 64 位引脚部分___||___| |||||||--||||||||||||||||||||||||||--||||||||||||||引脚定义Pin+5V+3.3V Universal DescriptionA1TRST Test Logic ResetA2+12V+12 VDCA3TMS Test Mde SelectA4TDI Test Data InputA5+5V+5 VDCA6INTA Interrupt AA7INTC Interrupt CA8+5V+5 VDCA9RESV01Reserved VDCA10+5V+3.3V Signal Rail+V I/O (+5 V or +3.3 V) A11RESV03Reserved VDCA12GND03(OPEN)(OPEN)Ground or Open (Key)A13GND05(OPEN)(OPEN)Ground or Open (Key)A14RESV05Reserved VDCA15RESET ResetA16+5V+3.3V Signal Rail+V I/O (+5 V or +3.3 V) A17GNT Grant PCI useA18GND08GroundA19RESV06Reserved VDCA20AD30Address/Data 30A21+3.3V01+3.3 VDCA22AD28Address/Data 28A23AD26Address/Data 26A24GND10GroundA25AD24Address/Data 24A26IDSEL Initialization Device Select A27+3.3V03+3.3 VDCA28AD22Address/Data 22A29AD20Address/Data 20A30GND12GroundA31AD18Address/Data 18A32AD16Address/Data 16A33+3.3V05+3.3 VDCA34FRAME Address or Data phaseA35GND14GroundA36TRDY Target ReadyA37GND15GroundA38STOP Stop Transfer CycleA39+3.3V07+3.3 VDCA40SDONE Snoop DoneA41SBO Snoop BackoffA42GND17GroundA43PAR ParityA44AD15Address/Data 15A45+3.3V10+3.3 VDCA46AD13Address/Data 13A47AD11Address/Data 11A48GND19GroundA49AD9Address/Data 9A52C/BE0Command, Byte Enable 0 A53+3.3V11+3.3 VDCA54AD6Address/Data 6A55AD4Address/Data 4A56GND21GroundA57AD2Address/Data 2A58AD0Address/Data 0A59+5V+3.3V Signal Rail+V I/O (+5 V or +3.3 V) A60REQ64Request 64 bit ???A61VCC11+5 VDCA62VCC13+5 VDCA63GND GroundA64C/BE[7]#Command, Byte Enable 7 A65C/BE[5]#Command, Byte Enable 5 A66+5V+3.3V Signal Rail+V I/O (+5 V or +3.3 V) A67PAR64Parity 64 ???A68AD62Address/Data 62A69GND GroundA70AD60Address/Data 60A71AD58Address/Data 58A72GND GroundA73AD56Address/Data 56A74AD54Address/Data 54A75+5V+3.3V Signal Rail+V I/O (+5 V or +3.3 V) A76AD52Address/Data 52A77AD50Address/Data 50A78GND GroundA79AD48Address/Data 48A80AD46Address/Data 46A81GND GroundA82AD44Address/Data 44A83AD42Address/Data 42A84+5V+3.3V Signal Rail+V I/O (+5 V or +3.3 V) A85AD40Address/Data 40A86AD38Address/Data 38A87GND GroundA88AD36Address/Data 36A89AD34Address/Data 34A90GND GroundA91AD32Address/Data 32A92RES ReservedA93GND GroundA94RES ReservedB1-12V-12 VDCB2TCK Test ClockB3GND GroundB4TDO Test Data OutputB5+5V+5 VDCB6+5V+5 VDCB7INTB Interrupt BB8INTD Interrupt DB9PRSNT1ReservedB10RES+V I/O (+5 V or +3.3 V) B11PRSNT2??B12GND(OPEN)(OPEN)Ground or Open (Key) B13GND(OPEN)(OPEN)Ground or Open (Key) B14RES Reserved VDCB15GND ResetB16CLK ClockB17GND GroundB18REQ RequestB19+5V+3.3V Signal Rail+V I/O (+5 V or +3.3 V) B20AD31Address/Data 31B21AD29Address/Data 29B22GND GroundB23AD27Address/Data 27B24AD25Address/Data 25B25+3.3V+3.3VDCB26C/BE3Command, Byte Enable 3 B27AD23Address/Data 23B28GND GroundB29AD21Address/Data 21B30AD19Address/Data 19B31+3.3V+3.3 VDCB32AD17Address/Data 17B33C/BE2Command, Byte Enable 2 B34GND13GroundB35IRDY Initiator ReadyB36+3.3V06+3.3 VDCB37DEVSEL Device SelectB38GND16GroundB39LOCK Lock busB40PERR Parity ErrorB41+3.3V08+3.3 VDCB42SERR System ErrorB43+3.3V09+3.3 VDCB44C/BE1Command, Byte Enable 1 B45AD14Address/Data 14B46GND18GroundB47AD12Address/Data 12B48AD10Address/Data 10B49GND20GroundB50(OPEN)GND(OPEN)Ground or Open (Key)B51(OPEN)GND(OPEN)Ground or Open (Key)B52AD8Address/Data 8B53AD7Address/Data 7B54+3.3V12+3.3 VDCB55AD5Address/Data 5B56AD3Address/Data 3B57GND22GroundB58AD1Address/Data 1B59VCC08+5 VDCB60ACK64Acknowledge 64 bit ??? B61VCC10+5 VDCB62VCC12+5 VDCB63RES ReservedB64GND GroundB65C/BE[6]#Command, Byte Enable 6 B66C/BE[4]#Command, Byte Enable 4 B67GND GroundB68AD63Address/Data 63B69AD61Address/Data 61B70+5V+3.3V Signal Rail+V I/O (+5 V or +3.3 V) B71AD59Address/Data 59B72AD57Address/Data 57B73GND GroundB74AD55Address/Data 55B75AD53Address/Data 53B76GND GroundB77AD51Address/Data 51B78AD49Address/Data 49B79+5V+3.3V Signal Rail+V I/O (+5 V or +3.3 V) B80AD47Address/Data 47B81AD45Address/Data 45B82GND GroundB83AD43Address/Data 43B84AD41Address/Data 41B85GND GroundB86AD39Address/Data 39B87AD37Address/Data 37B88+5V+3.3V Signal Rail+V I/O (+5 V or +3.3 V)B89AD35Address/Data 35B90AD33Address/Data 33B91GND GroundB92RES ReservedB93RES ReservedB94GND Ground2.1.2.1、PCI-E由于PCI 总线只有133MB/s的带宽,对声卡、网卡、视频卡等绝大多数输入/输出设备显得绰绰有余,但对性能日益强大的显卡则无法满足其需求。