静力压桩检验批质量验收记录(首页)
- 格式:doc
- 大小:57.50 KB
- 文档页数:1
静力压桩工程检验批质量验收记录表GB50202—2002010401静力压桩包括锚杆静压桩及其它各种非冲击力沉桩主控工程:1、桩体质量检验.按基桩检测技术规范.2、桩位偏移.工程如下表,尺量检查,根据桩位放线检查.3、承载力.按基桩检测技术规范.一般工程:1、成品质量:外观,表面平整、掉角深度VlOmrn、蜂窝面积V0. 5%,观察检查.外形尺寸桩横截面边长±5mm,桩顶对角线差VlOmm;桩尖中心线VI Omm.桩身弯曲矢高V 1 / 1000 i .尺量检查.桩顶平整度<2mm,水平尺检查.强度:满足设汁要求.混凝土试块28天强度.检查实验报告.2、硫磺胶泥质量:符合设计要求.检查产品合格证或抽样检验报告.3、接桩,电焊接桩:焊缝质量.按钢桩电焊接桩焊缝检查.焊后停歇时间〉1mm,秒表测定.硫磺胶泥接桩,胶泥浇注时间<2min;浇后停歇时间〉7min,秒表检查.4、电焊条质量,符合设计要求,检查产品合格证.5、压桩压力.±5%与设计要求比,检查压力表读数或施工记录.6、接桩时上下节平面偏差VlOmm.尺量检查.接桩节点弯曲矢高<1 / 1OOO i .拉线和尺量检查.7、桩顶标inj. ±50mm.用水准仪检查.施工前检査成品桩外观及强度、接桩用焊条或半成品硫磺胶泥、压桩用压力表、锚杆规格及质量•硫磺胶泥半成品应每100kg做一组试件(3件). 压桩过程中检查压力、桩垂直度、接桩间歇时间、桩地连接质量及压入深度. 重要工程应对电焊接桩地接头做10%地探伤检查.对承受反力地结构应加强观测.施工结束后检查承载力及桩体质量.检查后形成施工记录或检验报告.检查施工记录和检验报告.。
静力压桩工程检验批质量验收记录表
GB50202-2002
010401 单位 子单位 工程
分部 子分部 工程 验收部位
施工单位项目 理
分包单位分包项目 理
施工执行标准 及编号
施工质 验收规范的规定施工单位检查评定
记录
监理(建设)单
位验收记录
主控项目1 桩体质 检验按基桩检测 术规范
2 桩位偏差 本规范表5.1.3
3 载力按基桩检测 术规范
一般项目1
成品桩质 :外
外形尺寸
强度
表面 整,颜色均匀,
掉角深度<10mm,蜂窝
面 小于总面 0.5%
本规范表5.4.5
满足设计要求
2 硫磺胶泥质 半成品 设计要求
3 接桩
电焊接桩:焊缝质
电焊结束
停歇时间
本规范表5.5.4-2
min >1.0 硫磺胶泥接桩:
胶泥浇注
时间
浇注 停歇
时间
min
min
<2
>7
4 电焊条质 设计要求
5 压桩压力 设计 要求时 % ±5
6
接桩时 节 面偏差接桩时
节点弯曲矢高mm
<10
<1/1000L 7 桩顶标高mm ±50
施工单位检查评定结果
专业工长 施工员 施工班组长
项目专业质 检查员: 日
监理 建设 单位验收结论
专业监理工程师:
建设单位项目专业 术负责人 : 日。
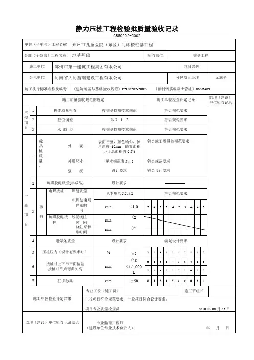
静力压桩工程检验批质量验收记录GB50202-2002单位(子单位)工程名称郑州市儿童医院(东区)门诊楼桩基工程分部(子分部)工程名称地基基础验收部位桩基工程施工单位郑州市第一建筑工程集团有限公司项目经理分包单位河南省大河基础建设工程有限公司分包项目经理元施平施工执行标准名称及编号《建筑地基与基础验收规范》GB50202-2002、《预制钢筋混凝土管桩》03S G409施工质量验收规范的规定施工单位检查评定记录监理(建设)单位验收记录主控项目1 桩体质量检查按桩基检测技术规范符合规范要求2 桩位偏差第5.1.3 符合规范要求3 承载力按桩基检测技术规范符合规范要求一般项目1成品外观桩质量外形尺寸:强度表面平整,颜色均匀,掉角深度<10mm,蜂窝面积小于总面积的0.5%见本规范表5.4.5设计要求符合施工质量验规范要求符合规范要求符合设计要求2 硫磺胶泥质量(半成品) 设计要求3接桩电焊接桩:焊缝质量电焊结束后停歇时间见本规范5.5.4-2 符合规范要求min >1.0 3 4 3 3 4 2 3 4 4 3硫磺胶泥接胶泥浇注桩:时间浇注后停歇时间minmin<2>74 电焊条质量设计要求满足设计要求5 压桩压力(设计有要求时)% ±5 3 2 4 3 2 2 3 2 3 36接桩时上下节平面偏差接桩时节点弯曲矢高mm<10<1/1000L3 2 3 24 1 2 4 2 32 3 4 2 2 3 5 4 2 37 桩顶标高mm ±50 5 6 7 8 7 5 6 8 9 4施工单位检查评定结果专业工长(施工员)施工班组长主控项目符合规范要求,一般项目符合设计要求。
项目专业质量检查员2010年08月23日监理(建设)单位验收记录结论专业监理工程师(建设单位专业技术负责人):年月日。
123456789101按基桩检测技术规范100+0.01H 150+0.01H210031/2桩径或边长1/3桩径或边长1/2桩径或边长3按基桩检测 技术规范123456789105.2.5条5.4.5条2焊缝质量5.5.4-2条电焊结束后停歇时间>1.0min 胶泥浇注时间<2min 浇注后停歇时间>7min45±5%<10mm <1/1000L(mm)7±50mm静力压桩工程检验批质量验收记录1.1.9地基-15工程名称施工单位施工执行标准名称及编号分包单位主控项目2一般项目13硫磺胶泥质量(半成品)接桩外 观外形尺寸强 度电焊接桩6施工单位检查评定结果桩顶标高压桩压力(设计有要求时)接桩时上下节平面偏差接桩时节点弯曲矢高桩体质量检查桩 位偏 差承载力成品桩质量14盖有基础梁的桩硫磺胶泥 接 桩(1)垂直基础梁的中心线(2)沿基础梁的中心线(1)最外边的桩(2)中间桩电焊条质量桩数为1~3根桩基中的桩桩数为4~16根桩基中的桩大于16根桩基中分包项目经理项目专业质量检查员:施工单位检查评定记录施工单位检查评定记录规范规定规范规定 (设计要求)施工班组长640115验收部位项目经理专业工长监理(建设)单位验收结论监理工程师(建设单位项目技术负责人):注:本表由施工项目专业质量检查员填写,监理工程师(建设单位项目技术负责人)组织项目专业质量检查员等进行验收。
监理(建设)单位验收记录年 月 日年 月 日。