岩石力学在采矿工程中的研究
- 格式:doc
- 大小:26.00 KB
- 文档页数:3
浅析岩石力学在采矿工程中的应用及问题探讨摘要:现如今,随着我国国民经济的飞速发展,人们在生产生活之中对于矿物的需求量也在逐渐的增加,现今,物产丰富的中国已经成了世界的采矿业的重头。
而采矿工程在社会建设发展中的地位也越来越凸显,成为人们十分热衷的话题。
而在具体的采矿工程中离不开对岩石力学的应用,其作为地质学和力学之间的一门边缘学科,其应用已经比较广泛。
本文就将对我国岩石力学在非金属矿山采矿工程中的应用进行分析探讨。
关键词:岩石力学;采矿;问题;措施在矿山的开采中对于岩石力学的应用是非常普遍的,其主要来源于大规模的工程实践。
由于采矿工程一般规模比较大、施工条件复杂,不管是地下还是露天的采矿工程,都是以具有地质构造的岩石为对象,这也就决定了岩石力学的问题将贯穿于整个采矿工程的实际。
在采矿工程中的岩石力学,主要包括岩石的稳定性以及强度等,它是会随着矿山中岩石内部的结构发生不同的变化。
与此同时,因为采矿工程是一个动态的过程,所以在这其中岩石的力学性质会随着矿山工程的进展发生变化,还有就是自然环境也对其有一定的影响。
这就决定了在矿山工程中的岩石力学应用手段必须多样化。
1、岩石力学研究的目的和内容岩石力学研究的目的是对矿区内不同类型岩体的地质结构、岩石组成及其强度和应力的资料给以解释,按岩石力学的要求对矿、岩体进行分类,以便根据其自然崩落性选择合适的开拓方式和采矿方法,从而为制定采矿试验计划和编制采矿设计提出推荐意见。
岩石力学研究的主要内容有:断层和破碎带的位置、形态和相对运动;不同类型岩石及其夹层的抗压、抗张、抗剪强度;微裂隙的类型及系统;区域残余应力的大小、方向和变化;应力释放的方法;在一段时间内岩石的应力集中及其移动的性态,坑内井巷工程不同支护方法的效果;使应力影响减少到最小的井巷工程的位置及方向等等。
2、背景研究2.1、采矿工程的力学背景采矿工程的力学背景,主要指的是在推翻原有平衡关系的基础之上建立起新的平衡结构,它具有一定的时代特色。
深部岩体力学与开采理论研究进展随着矿产资源的不断开采,浅层矿产资源日益枯竭,矿产开采逐步向深部转移。
深部岩体力学与开采理论作为矿产资源开采的重要支撑,近年来取得了长足的发展。
本文将探讨深部岩体力学与开采理论的研究现状及进展,旨在为相关领域的研究提供参考和借鉴。
深部岩体力学与开采理论是一个涉及多个学科领域的复杂系统。
在研究过程中,需要综合运用地球物理学、地质学、岩石力学、采矿学等多个学科的知识和方法,以揭示深部岩体复杂的物理、力学行为和开采过程中的动态变化规律。
针对深部岩体力学与开采理论的研究,国内外学者已取得一系列重要成果。
在理论方面,建立了深部岩体应力场、位移场分析方法,提出了多种数值计算模型和数值求解技术,为准确预测岩体动态行为提供了有效手段。
在实践方面,不断探索和发展了各种高效、安全的采矿技术和装备,为实现深部矿产资源的高效、安全开采提供了重要保障。
然而,深部岩体力学与开采理论仍面临诸多挑战和问题。
深部岩体复杂的物理、力学特性给理论研究带来很大困难,需要加强基础理论研究,深入揭示深部岩体的力学行为和变形规律。
深部开采过程中岩体应力场、位移场的调控技术和装备亟待研发,以实现开采过程的安全、高效和可控。
针对不同地域、不同矿种的开采技术需要进一步集成和创新,以满足多样化的矿产资源需求。
深部岩体力学与开采理论是矿产资源开采的重要基础,在未来的研究中需要不断加强基础理论、关键技术和装备的研究和开发,以适应矿产资源开采深度和广度的不断增加,推动我国矿业事业的持续发展。
需要重视学科交叉和融合,加强国内外学术交流与合作,共同推进深部岩体力学与开采理论的研究和应用水平不断提升。
深部岩体力学与开采理论是采矿工程领域的重要研究方向。
本文将探讨这一领域的研究构思和预期成果展望。
深部岩体力学与开采理论的研究目标包括: a.深入了解深部岩体的应力场和变形特征; b.探究采矿活动对周围环境的影响; c.提出有效的开采技术和方法,提高开采效率; d.确保开采过程的安全性和环境保护。
深部开采工程岩石力学现状及其展望摘要:随着浅部资源的日益减少,进入深部开采已成为国内外矿产资源开采的必然趋势。
深部“三高一扰动”的复杂力学环境,使得深部岩体力学特性及其工程响应有着明显的不同,同时也在造成了岩爆、突水、顶板大面积来压和采空区失稳等灾害性事故在程度上加剧,频度上提高,成灾机理更加复杂。
因此,正确认识深部开采工程岩行力学与浅部开采岩石力学的区别,深入研究深部开采条件下的岩体力学特性、工程稳定性控制理论及其设计方法,对于避免深部资源开采中的重大事故发生,降低深部开采的成本,提高经济效益,保证21世纪我国主体能源的后备储量,具有重要的理论指导意义和现实意义。
关键词:深部开采;岩石力学;现状;展望深部开采岩石力学,主要是指在进行深部资源开采过程中引发的与巷道工程及采场工程有关的岩石力学问题。
目前,对能源的需求逐步增加,开采强度也不断加大,这些都造成了浅部资源的日益减少,因而国内外的矿山都相继进入深部资源开采状态。
而开采深度的不断增加,工程灾害也随之增多,这对深部资源安全高效的开采造成了巨大威胁。
1.深部开采岩体的力学特点1.1开采环境深部开采和浅部开采最明显的区别在于深部岩石所处的特殊环境,也就是“三高一扰动”的复杂力学环境。
“三高”主要是指高地温、高地应力和高岩溶水压。
“一扰动”主要是指强烈的开采扰动。
当进入深部开采后,岩体呈现塑性状态,即由各向不等压的原岩应力引起的压、剪应力超过岩石的强度,并且对岩石造成破坏。
1.2力学行为特性深部岩石的“三高一扰动”复杂环境,对深部岩体的组织结构、基本行为特征和工程响应产生根本性的影响。
主要表现在深部岩体动力响应的突变性,深部岩体应力场的复杂性,深部岩体的大变形和强流变性,深部岩体的脆性一延性转化,深部岩体开挖岩溶突水的瞬时性等五个方面。
2 深部开采工作今后研究重点2.1强度确定在浅部开采条件下,由于所处的地应力水平比较低,其工程岩体强度一般采用岩块的强度即可,即在实验室对岩块迸行加载直至破坏所确定的强度。
采矿工程中的岩石力学问题探讨与解决方案引言:采矿工程中,岩石力学是一门关键的学科,它研究岩石的强度、变形性质和破坏机理等方面的问题。
岩石力学问题的解决对于确保采矿工程的顺利进行至关重要。
本文将就采矿工程中常见的岩石力学问题进行探讨,并提出相应的解决方案。
1.岩石强度分析与评估在采矿工程中,岩石强度分析与评估是保证工程安全运行的基础。
首先,需要对岩石样本进行采集,并通过试验手段测定其强度参数。
然后,基于实测数据,进行岩石强度参数的统计分析,确定岩石的强度分布特征。
最后,结合采矿工程的实际情况,进行岩石强度评估,并制定相应的支护方案。
2.岩石变形性质研究在采矿工程中,岩石的变形性质对于工程的稳定性和安全性具有重要影响。
因此,需要开展岩石的变形特性研究,包括岩石的弹性模量、剪切模量、压缩模量等参数的确定。
这可以通过采取野外观测、试验室试验以及数值模拟等方法进行。
研究结果可以为采矿工程的设计和管理提供科学依据。
3.岩石力学模型建立建立适用于采矿工程的岩石力学模型是解决岩石力学问题的重要步骤。
根据岩石的物理性质和实测数据,可以选择合适的力学模型,并进行参数拟合。
常用的岩石力学模型包括弹性模型、弹塑性模型和粘弹塑性模型等。
建立准确可靠的力学模型有助于预测岩石的强度和变形,为采矿工程提供科学的指导。
4.岩石破坏机理研究研究岩石的破坏机理是为采矿工程提供有效的支护措施的重要前提。
通过对岩石的破坏过程进行分析,可以确定岩石发生破坏的主要因素和机制。
常见的岩石破坏机理包括岩石断裂、滑动、剥落等。
研究岩石的破坏机理可以为制定合理的支护措施和采矿方案提供科学依据。
5.岩石支护措施设计根据岩石力学问题的分析结果,设计有效的支护措施是确保采矿工程安全运行的关键。
支护措施可以根据实际情况选择,常见的支护方式包括开挖法支护、钢支撑、锚索支护等。
通过合理设计和施工,可以增强岩石的稳定性,保证采矿工程的正常进行。
总结:采矿工程中的岩石力学问题是影响工程安全运行的重要因素。
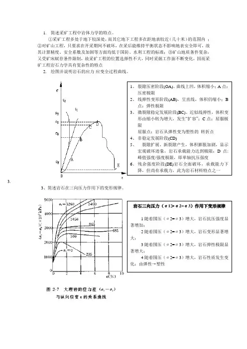
1.简述采矿工程中岩体力学的特点。
①采矿工程多处于地下较深处,而其它地下工程多在距地表较近(几十米)的范围内;②对矿山工程,只要求在开采期间不破坏,在采后能维持平衡状态不影响地表安全即可,故其计算精度、安全系数及加固等方面均低于国防、水利工程的标准;③矿山地质条件复杂,又受矿床赋存条件限制,故采矿工程的位置选择性不大,同时采掘工作面不断变化,因而采矿工程岩石力学具有复杂性的特点2.绘图并说明岩石的应力-应变全过程曲线。
3.3、简述岩石在三向压力作用下的变形规律。
1、裂隙压密阶段(OA)。
曲线上凹,体积缩小;A点:压密极限2、线弹性变形阶段(AB)。
呈直线,体积仍缩小;B点:弹性极限3、微裂隙稳定发展阶段(BC)。
近似线弹性,体积变形由缩小转为增大,发生“扩容”;C点:屈服极限屈服点:岩石从弹性变为塑性的转折点4、非稳定发展阶段(CD)5、裂隙扩展、新裂隙产生,体积膨胀加剧,显示宏观破坏迹象,岩石承载能力达到极限;D点:峰值强度/强度极限,即单轴抗压强度6、残余强度阶段(DE)岩石全面破坏,承载能力下降,但尚有承载力,此为岩石材料特点之一岩石三向压力(σ1>σ2=σ3)作用下变形规律1随着围压(σ2=σ3)增大,岩石抗压强度显著增加;2随着围压(σ2=σ3)增大,岩石变形显著增大;3随着围压(σ2=σ3)增大,岩石弹性极限显著增大;4随着围压(σ2=σ3)增大,岩石性质发生变化:由弹性→塑性4. 解释岩石的不稳定蠕变曲线,试述如何利用它进行岩体工程破坏的预报?5. 绘图并说明岩石力学介质常用的理论模型。
①岩石自身性质 ⑴ 虎克体——弹簧元件 理想弹性元件,呈线弹性,完全服从虎克定律,其力学关系为由于弹性模量E 为常量,故变形与时间无关,有dtd Edt d εσ=⑴ 过渡蠕变阶段(Ⅰ)在加载瞬间有一弹性变形ε0,继而以较快的速度增长,随后蠕变速度逐渐降低,并过渡到等速蠕变阶段。
若在此阶段内卸载,则会出现瞬间弹性变形(PQ 段),和通过一段时间才能恢复的变形(QR 段) ⑵ 稳定蠕变阶段(Ⅱ)变形缓慢,应变与时间近于线性关系,变形速度保持恒定若在此阶段卸载,则不仅出现瞬间的弹性恢复(TU 段)和弹性后效(UV 段),还会有不可恢复的永久变形残留 ⑶加速蠕变阶段(Ⅲ)蠕变速度加快,内部裂隙迅速发展,促使变形加剧,直到破坏 * 利用蠕变曲线进行岩石工程破坏预报。
岩石力学在采矿工程中的应用与分析岩石力学是研究岩石力学性质及其变形、破坏规律的学科,它在采矿工程中有着广泛的应用。
本文将从岩石力学在采矿工程中的应用以及分析岩石力学对采矿工程的影响等方面进行详述。
岩石力学在采矿工程中的应用主要体现在以下几个方面:1. 岩石力学对矿山开拓和开采方案的影响。
矿山的选址、矿体的开拓、采矿方法的选择等,都需要进行岩石力学分析,以确保工程的安全性和经济性。
岩石力学分析可以评估矿山围岩的稳定性,从而确定开采方案和支护设计,有效地避免岩体崩塌、冒顶等事故的发生。
2. 岩石力学在矿山巷道和洞穴设计中的应用。
在巷道和洞穴工程设计中,需要考虑岩体的强度、应力分布以及岩层之间的接触状态等。
通过岩石力学分析,可以合理选择巷道和洞穴的形状、尺寸和支护方式,确保工程的稳定性和安全性。
3. 岩石力学在采矿设备设计和维护中的应用。
采矿设备的设计和维护需要考虑岩石的力学性质,特别是岩石的强度、稳定性和裂缝发育状况。
岩石力学分析可以为采矿设备的合理使用提供依据,延长设备的使用寿命,同时也能减少设备故障和事故的发生。
4. 岩石力学在采矿工程中的监测和预测。
采矿过程中,岩石围岩会受到应力的改变和加速损伤的影响,而这些变化可能引发岩体破坏、冒顶等事故。
通过岩石力学监测和预测,可以及时掌握岩石围岩的变化趋势,提前采取防范措施,保证工程的安全性。
岩石力学分析在采矿工程中的重要性不可忽视,它对采矿工程的影响主要体现在以下几个方面:1. 确保采矿工程的安全性。
通过岩石力学分析,可以评估岩体的稳定性,及时采取支护措施,降低岩体破坏和灾害事故的风险。
2. 提高采矿工程的经济性。
岩石力学分析可以合理选择开采方案和支护设计,减少资源浪费,降低采矿成本。
3. 优化巷道和洞穴设计,提高工程的稳定性。
岩石力学分析可以为巷道和洞穴的形状、尺寸和支护方式等提供科学依据,降低工程风险,提高工程质量。
4. 延长采矿设备的使用寿命。
通过岩石力学分析,可以选择合适的采矿设备并制定相应的维护措施,延长设备的使用寿命,降低设备维护成本。
采矿专业科目标题:采矿专业科目概述采矿工程是一门以地球内部的矿产资源为研究对象,探讨其开发、利用和保护的一门工程技术学科。
它涉及到地质学、岩石力学、矿业经济学等多个学科领域,是一门综合性极强的专业。
本文将从采矿专业的核心课程入手,深入剖析这一领域的知识结构。
首先,地质学是采矿专业的基础理论课程。
地质学主要研究地球的物质组成、结构构造以及各圈层间的相互作用,这对于理解矿床形成机制、评估矿产资源储量、预测矿产分布等具有重要的指导意义。
在地质学的学习过程中,学生需要掌握矿物的物理性质和化学性质,了解地壳运动规律,学习如何进行地质勘探和矿产资源评价。
其次,岩石力学是采矿专业的重要技术课程。
岩石力学主要研究岩石在各种受力条件下的应力应变特性,以及岩石与支护结构之间的相互作用。
这门课程对于理解矿山开采过程中的岩体稳定性问题,设计合理的开采方案,确保矿山安全高效运行具有至关重要的作用。
在岩石力学的学习过程中,学生需要掌握岩石的力学性能测试方法,了解岩石破坏机理,学习如何进行矿山围岩稳定性分析。
再者,矿业经济学是采矿专业的应用理论课程。
矿业经济学主要研究矿产资源的经济价值、开发利用的成本效益、市场供需关系等问题。
这门课程可以帮助学生理解和把握矿业行业的经济规律,为企业制定科学合理的经营决策提供依据。
在矿业经济学的学习过程中,学生需要掌握基本的经济分析方法,了解矿产资源的价格形成机制,学习如何进行矿山投资项目评估。
除此之外,采矿专业还需要学习一些其他的专业课程,例如矿山环境工程、矿井通风与防尘、矿山测量与绘图、矿产资源政策与法规等。
这些课程涵盖了采矿工程的各个重要环节,可以为学生提供全面系统的专业知识。
总的来说,采矿专业是一个集理论知识与实践技能于一体的综合性学科。
通过系统的学习,学生不仅可以掌握采矿工程的基本原理和技术方法,还可以培养出良好的职业素养和创新能力。
在未来的职业生涯中,他们将成为推动我国矿业发展的重要力量,为国家的能源安全保障和经济社会发展做出贡献。
采矿过程中的岩石力学问题在采矿过程中,岩石力学问题是一个关键而复杂的领域。
岩石力学研究的目的是理解和解决与岩石开采相关的各种力学问题,例如岩石的稳定性、岩石的开采和支护方法以及人为活动对岩石的影响等。
本文将讨论采矿过程中的岩石力学问题,并探讨解决这些问题的方法。
1. 岩石的物理力学特性岩石是地球表面的主要构成物之一,具有复杂的物理力学特性。
岩石力学的研究包括岩石的强度、岩石的应力-应变关系以及岩石的破坏机制等内容。
了解岩石的物理力学特性对采矿工程的设计和实施至关重要。
2. 采矿过程中的岩石变形和破裂在采矿过程中,岩石会受到各种力的作用而发生变形和破裂。
岩石的变形和破裂对采矿工程的稳定性和安全性造成重要影响。
因此,研究岩石变形和破裂的机理,确定合适的支护和加固措施是非常重要的。
3. 采矿支护措施为了确保采矿工程的安全和稳定,必须采取适当的支护措施。
常见的支护方法包括钢筋混凝土支护、锚杆支护、锚索支护以及岩石爆破等。
这些支护措施通过增强岩石的强度和稳定性,防止岩石塌方和崩落。
4. 岩石力学在采矿工程中的应用岩石力学在采矿工程中具有广泛的应用,包括岩石的楔入力学、岩层的断裂力学以及岩石开采的优化设计等。
岩石力学的应用可以提高采矿工程的效率和安全性,降低采矿成本。
5. 采矿过程中的岩石力学问题解决方法解决采矿过程中的岩石力学问题需要综合考虑多个因素,如岩石的物理力学特性、采矿工程的特点以及支护措施的选择等。
常用的解决方法包括岩石力学试验、数值模拟和经验分析等。
这些方法可以提供对采矿过程中岩石力学问题的全面理解和解决方案。
结论:在采矿过程中,岩石力学问题是一个极具挑战性的领域。
通过对岩石的物理力学特性、岩石变形和破裂机制的研究,采取适当的支护措施,以及应用岩石力学的解决方法,可以确保采矿工程的安全和稳定性。
然而,岩石力学问题的解决是一个综合性的课题,需要全面考虑各种因素,并持续不断地进行研究和创新。
只有不断提高岩石力学研究水平和应用能力,才能更好地解决采矿过程中的岩石力学问题。
采矿工程中的岩石力学与岩石控制采矿工程中的岩石力学与岩石控制是一门研究在采矿过程中如何识别和解决岩石力学问题的学科。
岩石力学涉及到岩石的物理力学性质、变形机制以及对采矿活动的响应。
在采矿工程中,正确的岩石力学与岩石控制是确保采矿活动的安全和高效进行的关键。
岩石力学的基本概念包括岩石的弹性、塑性和破裂性质。
弹性是指岩石在受到外力作用后,能够恢复到原始形状和尺寸的能力。
塑性指的是岩石在受到一定应力后会发生可逆的变形,而破裂性质则指的是岩石在承受超过其破裂强度时会发生破裂。
了解岩石的这些力学性质,可以帮助采矿工程师预测和评估在采矿过程中可能出现的问题,从而采取相应的控制措施。
岩石力学在采矿工程中的应用主要涉及以下几个方面:1. 岩石的岩石力学特性评价:在采矿之前,工程师需要了解岩石的物理性质、力学性质和岩石的变形特性,以便在采矿过程中选择合适的方法和技术。
2. 岩石的稳定性评估:岩石的稳定性对采矿工程的安全和高效进行至关重要。
工程师需要评估岩石的稳定性,以确定采矿过程中可能出现的岩层滑动、坍塌和崩落等问题,并根据评估结果采取相应的措施来控制和减轻风险。
3. 岩石的开挖和支护设计:在采矿过程中,需要对岩石进行开挖和支护设计。
岩石力学可以帮助工程师确定适当的开挖工艺和支护措施,以确保开挖稳定性和减少岩石破碎和塌方的风险。
4. 岩石的爆破设计:在某些情况下,采矿活动可能需要使用爆破来破坏岩石体。
岩石力学在爆破设计中起着重要的作用,可以帮助工程师确定爆破参数和工艺,并预测岩石破碎和爆破导致的振动和冲击效应。
5. 岩石控制技术:岩石控制技术是为了控制或减轻岩石变形、破碎和坍塌带来的风险。
这些技术包括钻孔和爆破、采矿布置的合理规划、支护和加固设计等。
在采矿工程中,岩石力学与岩石控制的研究和应用能够提高采矿活动的效率和安全性。
工程师需要在实际的勘探和开采中不断研究和总结经验,以改进岩石力学理论和技术,并将其应用于实际工程中。
岩石力学在采矿工程中的应用岩石力学是研究岩石力学性质和岩体变形、破裂机理的学科。
在采矿工程中,岩石力学的应用至关重要,它可以提供有关岩石的稳定性和变形性质的信息,为采矿工程中的设计和实施提供依据。
本文将从岩石强度分析、支护设计及岩石断裂及破碎分析等方面,介绍岩石力学在采矿工程中的应用。
一、岩石强度分析岩石强度是指岩石抵抗外部力量破坏的能力。
在采矿工程中,了解岩石的强度特性对采矿设备和支护结构的设计至关重要。
通过岩石力学实验和现场观测,可以获取岩石的强度参数,如岩石抗压强度、抗拉强度、抗剪强度等。
利用这些参数,可以判断岩石的稳定性,并选取适当的采矿方法和支护措施。
二、支护设计在采矿工程中,为了确保矿井和巷道的稳定,必须对岩石进行支护。
岩石力学提供了支护设计的理论基础。
通过研究与分析岩石的变形、破裂机理,可以确定合适的支护方式和支护材料。
例如,在软弱的岩石地层中,可以采用锚杆支护、锚杆网支护等方式来提高巷道的稳定性。
而在坚硬的岩石地层中,则可以采用锚索支护、钢架支护等方式来加固巷道的结构。
三、岩石断裂及破碎分析采矿过程中,岩石的断裂和破碎是不可避免的。
岩石力学可以帮助分析岩石破碎的机制和过程,并为采矿工程的设计和管理提供依据。
通过岩石实验和数值模拟,可以模拟岩石在不同载荷下的破碎过程,并预测岩石的变形和破坏。
这对采矿设备的选型、采矿方案的制定以及采矿过程的安全管理都具有重要意义。
四、岩石力学在地下水工程中的应用岩石力学不仅在采矿工程中有重要应用,同样也在地下水工程中扮演着重要角色。
在地下水工程中,岩石力学可以提供有关岩体渗透性、岩石围压和岩体稳定性等方面的信息。
这对地下水的开发和利用具有重要意义。
综上所述,岩石力学在采矿工程中的应用非常广泛。
它在设计采矿设备、制定采矿方案和支护设计等方面起着至关重要的作用。
随着科技的发展和研究的深入,岩石力学在采矿工程中的应用将会进一步得到拓展和深化。
石油工程岩石力学石油工程岩石力学是石油工程领域中的一个重要分支,它涉及到岩石在石油开采和开发中的应力变形特性、岩石破坏机理、岩石力学参数等方面的理论和实验研究。
岩石力学研究的最终目标是为石油开采提供可靠的技术支撑。
一、岩石的力学性质在石油工程领域中,岩石是非常重要的一个研究对象。
岩石的力学性质是岩石力学研究的核心,主要包括力学性质、物理性质和工程性质等方面。
1.力学性质岩石的力学性质包括弹性模量、剪切模量、泊松比和强度等。
其中,弹性模量表示了岩石在受力时的弹性变形程度,剪切模量表示了岩石受到剪切应力时的抗剪能力,泊松比表示了岩石在受到应力时体积变化与形变变化的比值,强度则是岩石耐受破坏的极限应力。
2.物理性质岩石的物理性质包括密度、孔隙度、渗透性、热传导性、电导率等方面。
这些性质对于岩石的开采和开发非常重要。
例如,密度和孔隙度可以用来计算岩石的体积和储量,渗透性可以评估岩石中流体的运移特性,热传导性和电导率可以用来预测岩石下的油气储层的温度和电磁性质。
3.工程性质岩石的工程性质包括可塑性、变形能量、破坏模式和采油性能等方面。
这些性质对于岩石的开采和开发技术具有实际意义。
例如,可塑性可以评估岩石的塑性变形特性,变形能量可以评估岩石的变形能力,破坏模式可以指导岩石开采中的破裂预测和控制,采油性能可以指导油气的生产和提高开采效率。
二、岩石力学参数的测定岩石力学参数的测定是岩石力学研究中的关键问题之一,它关系到研究的可靠性和成果的实用性。
岩石力学参数的测定方法包括试验室测定和现场测定两种。
1.试验室测定试验室测定是一种传统的岩石力学参数测定方法,它包括标准试验和特殊试验两种。
标准试验包括压缩试验、引张试验和剪切试验等,通过标准试验可以获得岩石的弹性模量、剪切模量、泊松比和强度等力学参数。
特殊试验包括三轴试验、比较试验、应力波传播试验等,可以获得岩石的动态特性及其耐久性等参数。
2.现场测定现场测定是一种新兴的岩石力学参数测定方法,可以直接获取岩石在地质环境下的实际力学参数。
岩石力学在采矿工程中的应用与发展学院能源科学与工程学院专业采矿工程班级 2010级单招1班学号 ************ 姓名王兵祥岩石力学在采矿工程中的应用与发展[摘要]简略介绍了岩石力学在采矿工程中的应用并探讨了其发展趋势。
[关键词]岩石力学;采矿工程;应用;发展一概述岩石力学是近代发展起来的一门新兴学科和边缘学科,是一门应用性和实用性很强的应用基础学科。
岩石力学的应用范围涉及土木工程、水利水电工程、矿山、铁路工程、地质、石油等众多领域。
早期的岩石力学工作大都是结合采矿工程进行的。
采矿工程涉及到底岩石工程往往规模巨大,而且条件极其复杂。
不论是地下采矿工程,还是露天采矿工程,都是以具有地质构造的岩石为对象,岩石力学的问题贯穿于采矿工程的各个角落。
一方面采矿工程中的岩体是地质体,它经历过多次反复地质作用,经受过变形,遭受过破坏,形成一定的岩石成分和结构,赋存于一定的地质环境中。
岩体的力学性质包括岩体稳定性特征,强度特征和变形特征,它会随着岩体内结构面产状的不同而变化。
另一方面,由于菜款工程是一个动态开挖过程,岩体的力学性质会随着工程尺寸和开挖方向不同而变化,同时环境因素(地应力、水、温度)也是影响其性质的一个重要方面。
由此可见,岩体力学在采矿工程中的应用是非常广泛而深入的。
采矿是一项古老的行业,采矿业为人类社会的发展做出了重要的贡献。
传统的采矿设计采用的是经验类比法,靠“查手册”来进行开采方案的设计和确定采场的参数结构,以至于长久以来,人们习惯地认为采矿只是一门工艺而不是科学。
造成采矿设计和技术落后的组要原因是采矿是一门极为复杂的工程。
岩石力学是是采矿从工艺向科学转变的一座桥梁。
二岩石力学在采矿工程中的应用岩石力学在菜款工程中中主要有以下几方面的应用。
1.矿山地应力场测量地应力是存在于底层中的天然应力,它是引起采矿水利水电、土木建筑、铁道、公路和其他各种地下或露天沿途开挖工程变形和破坏的根本作用力,是实现采矿和岩土开挖设计和决策科学化的必要前提。
深部开采岩体力学研究一、本文概述《深部开采岩体力学研究》一文旨在深入探讨和分析深部开采过程中岩体力学的相关理论和实际问题。
随着矿产资源的日益枯竭,深部开采已成为矿业工程领域的重要发展方向。
然而,随着开采深度的增加,岩体的力学行为、稳定性以及开采工艺等方面都面临着一系列新的挑战和难题。
因此,本文旨在通过对深部开采岩体力学的研究,为深部矿产资源的安全、高效开采提供理论支持和技术指导。
本文首先介绍了深部开采岩体力学的研究背景和意义,阐述了深部开采过程中岩体所受到的高地应力、高温、高渗流等复杂环境因素的影响,以及这些因素对岩体稳定性和开采工艺的影响。
接着,文章综述了国内外在深部开采岩体力学领域的研究进展和现状,分析了当前研究中存在的问题和不足。
在此基础上,本文重点研究了深部开采岩体的力学特性、破坏机理和稳定性分析方法。
通过理论分析和实验研究相结合的方法,揭示了深部开采岩体的力学行为规律,提出了相应的破坏判据和稳定性分析方法。
文章还探讨了深部开采过程中的岩石力学与采矿工程的相互作用关系,为优化深部开采工艺和提高开采效率提供了理论依据。
本文总结了深部开采岩体力学研究的主要成果和创新点,指出了未来研究的方向和重点。
通过本文的研究,可以为深部开采的安全、高效进行提供有益的参考和借鉴,推动矿业工程领域的持续发展和进步。
二、深部开采岩体力学基础随着矿业资源的不断开采,深部开采已成为矿业发展的重要趋势。
深部开采岩体力学作为研究深部岩体在采动影响下力学行为及稳定性的科学,对于确保深部矿山的安全生产具有重要意义。
深部开采岩体力学的基础在于对岩体的基本性质、赋存环境以及采动影响下的响应机制进行深入分析。
岩体的基本性质包括其强度、变形特性、节理裂隙发育情况等,这些都是影响深部岩体稳定性的关键因素。
岩体的赋存环境,如地应力场、温度场、渗流场等,也是深部开采岩体力学研究中必须考虑的因素。
这些环境因素对岩体的力学行为有着显著的影响,如高地应力可能导致岩体破裂、高温高压环境可能改变岩体的物理力学性质等。
岩石力学在采矿工程中的研究
【摘要】岩体力学不是一门系统的学科,它属于地质学与力学之间的一门边缘学科,现如今在采矿工程中的应用也比较广泛。
本文首先介绍了岩体力学的时代背景,其次又从三方面探讨了岩石力学在采矿工程中的应用,分别是:对于深部开采所带来的灾害预测、矿山地应力场测量、大型深凹露天矿边坡设计优化。
【关键词】岩石力学;采矿工程;应用
1.简述采矿工程中岩体力学的特点
①采矿工程多处于地下较深处,而其它地下工程多在距地表较近(几十米)的范围内;②对矿山工程,只要求在开采期间不破坏,在采后能维持平衡状态不影响地表安全即可,故其计算精度、安全系数及加固等方面均低于国防、水利工程的标准;③矿山地质条件复杂,又受矿床赋存条件限制,故采矿工程的位置选择性不大,同时采掘工作面不断变化,因而采矿工程岩石力学具有复杂性的特点。
在岩体表面或其内部进行任何工程活动,都必须符合安全、经济和正常运营的原则。
以露天采矿边坡坡角选择为例,坡角选择过陡,会使边坡不稳定,无法正常采矿作业,坡角选择过缓,又会加大其剥采量,增加其采矿成本。
然而,要使岩体工程既安全稳定又经济合理,必须通过准确地预测工程岩体的变形与稳定性、正确的工程设计和良好的施工质量等来保证。
其中,准确地预测岩体在各种应力场作用下的变形与稳定性,进而从岩体力学观点出发,选择相对优良的工程场址,防止重大事故,为合理的工程设计提供岩体力学依据,是工程岩体力学研究的根本目的和任务。
2.岩石力学在采矿工程中的应用
岩石力学理论服务于采矿活动,其目的有四个方面。
(1)充分利用地壳内部各种应力来进行落矿、运矿以减少崩矿费用。
(2)尽可能地减少工程量,降低采矿成本。
(3)控制崩落矿石块度,减少二次破碎
(4)最大限度地提高生产规模,创造矿山经济效益。
2.1矿山地应力场测量
地应力是存在于底层中的天然应力,它是引起采矿水利水电、土木建筑、铁道、公路和其他各种地下或露天沿途开挖工程变形和破坏的根本作用力,是实现采矿和岩土开挖设计和决策科学化的必要前提。
对于矿山设计来讲,只有掌握了
具体工程区域的地应力条件,才能合理确定矿山的总体布置,选取适当的采矿方法,确定巷道和采场的最佳断面形状、断面尺寸、开挖步骤、直呼形式、支护结构参数、直呼时间等,从而在保证围岩稳定性的前提下,最大限度地增加矿石产量,提高矿山经济效益,实现采矿工程的优化。
目前普遍采用的地应力测量方法有应力解除法和水压致裂法两大类。
其中,套孔应力解除法是发展时间最长,技术比较成熟的映众地应力测量方法。
在测定原始应力的适用性和可靠性方面,目前还没有那种方法可以与之相比。
据统计,在全世界已经获得的地应力测量资料中,有80%是有应力解除法测得的。
对于矿山来讲,采用应力接触法更有得天独厚的条件。
因为矿山有系列的航道、硐室可接近地下测点,而不需要向水压致裂法那样必须打专门的钻孔才能到达测点。
因而对矿山地应力测量而言,采用应力解除法是最经济和可靠的。
2.2地下矿山采矿设计优化
矿床的形成过程、赋存状态和开采稳定性均受地应力场的控制。
为此,必须以地应力为切入点进行采矿设计优化。
即:根据实测地应力和扎实的工程地质、水文地质及矿岩物理力学性质等基础资料,以及实际的矿体赋存和开采条件,通过定量计算和分析,选择合理的采矿方法,确定最佳的开采总体布置、采场结构管参数、开采顺序、直呼加固和地压控制措施,实现安全高效的开采目标。
2.3大型深凹露天矿边坡设计优化
我国一大批大中型露天矿山已经或即将由山坡露天开采转为深凹开采。
随着边坡的价高架豆,边坡稳定性维护的难度越来越大,边坡滑移和倾倒破坏事故的发生日益频繁,严重威胁矿山的安全生产,制约矿山生产能力的提高。
但是另一方面,对于大型露天矿山,提高边坡角有事减少剥离和生产成本的重要手段。
国内外边坡稳定性分析和设计的传统方法是极限平衡法,这是一种静态的确定性分析方法,而实际的边坡状况是岁开采过程不断变化的,是动态的不确定性的;该方法是基于土力学理论提出来的,不能考虑实际的岩体条件,如断层、节理的存在,同时也不考虑地应力。
而实际上这些对边坡的稳定性和破坏起控制作用。
因而该方法度山坡露天矿设计可能是适用的,但对深凹露天矿设计并不适用。
为了克服传统的极限平衡分析方法的不足,必须采用现代的科学技术,充分考虑地应力的作用和实际的工程岩体条件,通过定量的计算分析,实现边坡设计的优化。
具体的试试路线为:采用数值模拟和极限平衡分析相结合的方法,对不同边坡角和边坡设计方案进行定量的计算和分析,在保证安全的前提下,尽可能低提高边坡角,减少剥离量,尽可能地减少生产成本,增加矿石产量和矿山效益。
2.4深部开采动力灾害预测与防治
深部开采动力灾害,包括岩爆、矿震、冲击地压,是深部开采中可能遇到的突出问题。
目前的研究技术路线为:从扎实的现场地应力测量、工程地质调查、岩石力学实验和现场检测资料的采集入手,以能量聚集和演化为主线,揭示岩爆发生的机理及其与采矿过程、地质构造和岩体特性的关系,对岩爆发生的时间、空间和强度进行定量的预测;将预测和防治、地下河地面、生产安全和环境安全融为一体进行评价和研究。
3.岩石力学在采矿工程中的发展趋势
岩石力学已经广泛应用到了采矿工程中的各个领域,而且其研究理论正在不断创新,研究手段也日新月异。
随着我国矿产资源的续开发,在采矿工程终将会遇到条件更复杂、拿督更大的岩石力学问题,因此,岩石力学与工程学科的理论水平和工程能力都有待进一步提高。
岩体力学的发展是和人类工程实践分不开的。
起初,由于岩体工程数量少,规模也小,人们多凭经验来解决工程中遇到的岩体力学问题。
因此,岩体力学的形成和发展要比土力学晚得多。
随着生产力水平及工程建筑事业的迅速发展,提出了大量的岩体力学问题。
由于岩体中具有天然应力、地下水等,并发育有各种结构面,所以它不仅具有弹性、脆性、塑性和流变性,而且还具有非线弹性、非连续性,以及非均质和各向异性等特征。
对于这样一种复杂的介质,不仅研究内容非常复杂,而且其研究方法和手段也应与连续介质力学有所不同。
今天,由于矿产资源勘探开采、能源开发及地球动力学研究等的需要,工程规模越来越大,所涉及的岩体力学问题也越来越复杂。
这对岩体力学提出了更高的要求。
[科]
【参考文献】
[1]李佃平,郭晓强,窦林名,韩荣军,刘衍高,刘辉.防冲煤柱合理宽度的确定方法研究及应用[J].金属矿山,2011(08).
[2]刘金龙,陈陆望,王吉利.考虑温度应力影响的立井井壁强度设计方法[J].岩石力学与工程学报,2011(08).
[3]华心祝,刘淑,刘增辉,查文华,李迎富.孤岛工作面沿空掘巷矿压特征研究及工程应用[J].岩石力学与工程学报,2011(08).
[4]杨宇江,李元辉,尹国光,韩洪江.露天转地下开采境界矿柱安全厚度稳定性分析[J].东北大学学报(自然科学版),2011(07).
[5]曹树刚,白燕杰,李勇,郭平,刘延保.具突出危险原煤瓦斯渗流特性试验[J].重庆大学学报,2011(07).。