关于爆破量范围及计算方法的规定
- 格式:docx
- 大小:439.84 KB
- 文档页数:3
钻爆法施工爆破振动影响范围计算指南下载温馨提示:该文档是我店铺精心编制而成,希望大家下载以后,能够帮助大家解决实际的问题。
文档下载后可定制随意修改,请根据实际需要进行相应的调整和使用,谢谢!并且,本店铺为大家提供各种各样类型的实用资料,如教育随笔、日记赏析、句子摘抄、古诗大全、经典美文、话题作文、工作总结、词语解析、文案摘录、其他资料等等,如想了解不同资料格式和写法,敬请关注!Download tips: This document is carefully compiled by theeditor.I hope that after you download them,they can help yousolve practical problems. The document can be customized andmodified after downloading,please adjust and use it according toactual needs, thank you!In addition, our shop provides you with various types ofpractical materials,such as educational essays, diaryappreciation,sentence excerpts,ancient poems,classic articles,topic composition,work summary,word parsing,copy excerpts,other materials and so on,want to know different data formats andwriting methods,please pay attention!钻爆法施工爆破振动影响范围计算指南在建筑工程和矿业开发中,钻爆法是一种常见的开挖技术。
隧道爆破孔数计算公式爆破孔数是指通过一定孔位(钻孔深度)所能容纳爆破所需炸药的总量。
根据爆破设计要求和工程实际需要,一般爆破孔数应在2000~3000个。
一般来说钻孔越多,就越容易产生较大的孔隙水压力,越大则爆破孔数越多。
具体计算方法如下:爆破孔数=孔深(2000)/1000*孔距(15)*孔深(20)*孔间距(5):如果计算爆破孔数的孔距不足1000 mm/1000 mm且孔距小于10 m时,可在钻机孔后加长钻头;孔距大于10 m而孔距小于10 m时,应加长钻头;孔深大于10 m、孔距小于10 m时可增加孔深;当孔深大于10 m时增加孔距.由以上公式可得:孔深小于10 m时,就不需要再加长钻头;孔深大于10 m时需要增加孔间距.根据爆破设计需要确定孔数和孔深时,首先要计算孔数。
常用计算方法是取孔距;计算孔深时需根据施工阶段爆破时发生的实际爆破破坏进行计算:在某一孔距上施工一段或一个钻孔中爆破量是多少时取多少孔深计算孔数。
为了便于计算起爆孔数、爆后爆破位置尺寸、炸药量以及控制起爆后爆破孔深等均需事先确定。
1、计算公式如一个孔深为1000 mm的洞,在确定起爆孔数时,应考虑不同炸药的消耗比例,即按每段开挖的长度取若干个孔数再加减后的平均孔深;孔深和孔距之间也应考虑因素,如孔深小于10 m 时,就不需要再加长钻头,但如果孔深超过10 m则需要增加钻头数量及钻数。
计算爆破孔数可采用分步法——先按孔型、孔深和孔距计算孔数,然后再按设计的孔数计算爆破孔孔深的方法是确定孔数的最简便方法。
公式如下:式中: t、 L、 t分别为起爆孔、爆后位置尺寸、孔深和孔距; A、 B、 C为钻孔个数; B、 C为孔深; C、 D为孔深×孔距; D为钻孔个数; D为孔距; D 为钻孔长度; E为孔深×孔距; E为起爆点布置范围; E为炸药消耗比例; E为孔深增加率; T为爆破点数(根据爆破计算所得); T为工程计算所得天数; T为爆破顺序。
水运工程爆破技术规范(JTS_204-2008)目次1总则 (2)2 术语 (3)3 基本规定 (4)4 爆破设计 (5)4.1 一般规定 (5)4.2 爆破方法 (6)4.3 爆破参数 (6)4.4 爆破网络和起爆体 (12)5 爆破施工 (14)5.1 一般规定 (14)5.2 爆破器材 (14)5.3 钻孔爆破 (14)5.4 水下裸露爆破 (15)5.5 预裂爆破、光面爆破和拆除爆破 (15)5.6 爆破排淤填石 (16)5.7 水下爆破夯实 (16)5.8 破冰爆破和冰下炸礁 (16)5.9 网路连接和起爆 (17)6 爆破安全 (18)6.1 一般规定 (18)6.2 作业安全 (18)6.3 安全距离 (19)7 质量检查与检验 (24)附录A 常用炸药性能表 (26)附录B 炸药量换算系数 (27)附录C 岩石类别与岩石分级对应表 (28)附录D 本规范用词用语说明 (29)附条文说明 (30)1总则1.0.1 为统一水运工程爆破的设计、施工和质量检验技术要求,有效控制工程质量,保证施工和环境安全,制定本规范。
1.0.2 本规程适用于水运工程中爆破开挖、拆除、清障、爆炸法处理水下地基和基础的设计、施工和质量检验。
1.0.3 从事爆破工程施工的单位,必须具备相应的资质证书和爆破作业许可证;爆破作业人员必须具有相应的资格证书;爆破工程施工前,必须取得有关部门批准。
1.0.4 水运工程爆破的设计、施工和质量检验除应执行本规范外,尚应符合国家现行有关标准的规定。
2 术语2.0.1 气泡帷幕在爆源与被保护设施之间的水底设置气泡发射装置,气泡群自水底向水面运动,从而形成一道可以有效减小水中冲击波的“帷幕”,以达到保护水下设施的目的。
2.0.2 爆破排淤填石在抛石体外缘一定距离和深度的淤泥质地基中埋放群药包,起爆瞬间在淤泥中形成空腔,抛石体随即坍塌充填空腔,经多次爆破推进,最总达到置换淤泥的方法。
露天矿山爆破危险范围的确定李 祥(包钢矿山技校,内蒙古包头014080) 摘 要:爆破工作是整个露天采矿的重要工作之一,而确定每次爆破危险范围,是矿山爆破人员要做好的安全技术工作之一。
也是衡量爆破水平的一个重要依据。
因此,在抓好矿山生产的同时,也要做好爆破的安全工作。
爆破危险范围(半径)的确定,不仅是由公式得出,而是经过长期的实践得出来的。
特别是对于从事矿山爆破的工程技术人员来说,掌握合理的爆破危险范围的确定方法,对矿山日常工作及矿山安全生产工作都是极为重要的一环。
只有准确地确定每一次爆破的危险范围,做到心中有数,才能为后续工艺创造良好的工作条件。
同时也对强化露天开采,降低矿石成本,提高露天开采经济效益,降低矿山安全事故都具有重要意义。
关键词:露天矿山;爆破危险;确定 爆破工作是整个露天采矿的重要工作之一,它不仅可以为电铲的采掘提供条件,也对矿山生产的连续性起着不可替代的作用,尤其是随着矿山生产机械化程度的进一步提高,大型机械设备的应用,这种影响更为突出。
同时我们也应看到,矿山的爆破安全问题及爆破事故还时有发生。
因此,在抓好矿山生产的同时,也要做好爆破的安全工作。
而确定每次爆破危险范围,是我们矿山爆破技术人员要做好的安全工作之一,也是衡量爆破水平的一个重要依据。
1 露天矿山爆破的分类及方法简介露天矿爆破包括台阶的深孔爆破,大块、根底的二次爆破,临近边坡的控制爆破等。
爆破方法又分为:微差爆破(孔间、排间)、留渣挤压爆破;临近边坡的控制爆破(包括预裂爆破、缓冲爆破等)、浅眼爆破和糊爆等二次爆破。
起爆方法分为:火雷管起爆法、电雷管起爆法、导爆索起爆法等。
穿孔设备在包钢白云鄂博铁矿目前有5310mm孔径钻机、5250mm孔径钻机和5200mm孔径钻机。
孔网参数的选择通常是根据不同的矿岩种类、地质条件、抵抗线、台阶高度、单位炸药消耗量等进行设计计算。
2 爆破产生的有害效应及案例分析爆破产生的危害主要有以下几种:①爆破产生的地震效应。
延米爆破量的计算方式一、延米爆破量的概念与意义延米爆破量是指在矿山、隧道、道路等领域中,爆破岩石或土壤时,单位长度(米)内所需使用的炸药量。
它是一项重要的爆破设计参数,直接关系到爆破效果、安全性及工程成本。
合理计算和选择延米爆破量,对于提高爆破效率、降低炸药消耗和减少环境污染具有重要意义。
二、延米爆破量的计算方法1.基本公式延米爆破量的计算公式为:Q = (V × W × H × K) / L其中:Q——延米爆破量(kg/m);V——炸药体积(m);W——炸药质量(kg);H——爆破深度(m);K——单位耗药量(kg/m);L——爆破长度(m)。
2.影响因素(1)炸药性能:炸药的性质、爆速、威力等;(2)岩石或土壤的物理力学性质:硬度、密度、孔隙度等;(3)爆破条件:孔径、孔深、孔距、排距等;(4)爆破方式:硐室爆破、洞室爆破、浅孔爆破等。
3.实际应用中的调整在实际工程中,根据具体情况,需要对基本公式进行调整。
调整因素包括:地质条件、爆破效果、安全距离、环保要求等。
三、计算实例以某隧道工程为例,已知条件:炸药体积V=0.15m,炸药质量W=100kg,爆破深度H=10m,单位耗药量K=1.5kg/m,爆破长度L=100m。
根据公式Q = (V × W × H × K) / L,计算得延米爆破量Q=1500kg/m。
四、注意事项1.选择合适的炸药类型和性能;2.确保爆破设计符合安全规范;3.考虑环境影响,减少炸药用量;4.根据实际情况调整爆破参数;5.定期检查爆破效果,优化设计。
五、总结延米爆破量是爆破工程中关键的设计参数,合理计算和选用延米爆破量,既能保证爆破效果,又能降低成本。
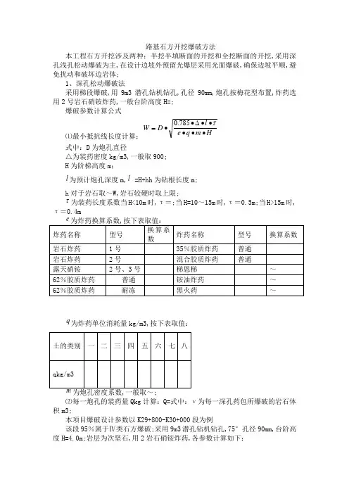
路基石方开挖爆破方法本工程石方开挖涉及两种:半挖半填断面的开挖和全挖断面的开挖,采用深孔浅孔松动爆破为主,在设计边坡外预留光爆层采用光面爆破,确保边坡平顺,避免扰动和破坏边岩体;1、深孔松动爆破法采用梯段爆破,用9m3潜孔钻机钻孔,孔径90mm,炮孔按梅花型布置,炸药选用2号岩石硝铵炸药,一般台阶高度H=;爆破参数计算公式⑴最小抵抗线长度计算:H m q e l D W •••••∆••=τ785.0式中:D 为炮孔直径△为装药密度kg/m3,一般取900; H 为阶梯高度m ;l 为预计炮孔深度m,l =H+hh 为钻根长度m;h 对于岩石取~W,岩石较硬时取上限;τ为装药长度系数当H<10m 时,τ=;当H=10~15m 时,τ=0.5m;当H>15m 时,τ=0.4meq 为炸药单位消耗量kg/m3,按下表取值:⑵每一炮孔的装药量Qkg 计算:Q=式中:ν为每一深孔药包所爆破的岩石体积m3;本项目爆破设计参数以K29+800-K30+000段为例该段95%属于Ⅳ类石方爆破;采用9m3潜孔钻机钻孔,75°孔径90mm,台阶高度H=4.0m;岩层为次坚石,用2岩石硝铵炸药,各参数计算如下:⑴最小抵抗线长度确定:假定钻根长h=0.5m,预计炮孔深度l=4+=4.5m.取△=900kg/m3, τ=,m=,e=,次坚石为六类土,查表得知q 取1.7kg/m3,则抵抗线为W=钻根长:h=== ⑶炮孔深:l=4+= ⑷炮孔间距:a=W= ⑸每孔需用药: Q=eqaHW=14= 最大安全用药量根据爆破震速控制测算确定最大一段安全用药量;测算公式如下:311Q V K R •⎪⎭⎫ ⎝⎛=α式中:v ——质点垂直震动安全速度,此处取2cm/s ; R ——爆破中心距被保护目标距离m ;K 、α——爆破区地形、地质、爆破方法等条件有关的系数和震波传播衰减系数;此处K 取200, α取;2、浅孔松动爆破法对于较浅石方路堑,以及难以采取深孔爆破、开挖规模量小的深路堑,采用浅孔松动爆破;采用梯段爆破,用9m3潜孔钻机钻孔,孔径38mm,炮孔按梅花型布置,炸药选用2号岩石硝铵炸药,一般台阶高度H=;爆破参数计算公式⑴炮孔深度h :对于坚硬岩石h=~H;对于硬岩石h=H;对于松软岩石h=~H; ⑵最小抵抗线W=~H;⑶炮孔间距a :用火雷管a=~W;电雷管起爆a=~W; ⑷炮孔排距b=~W,成梅花形交错布置;⑸每一炮孔的装药量Qkg 计算:Q=每个炮孔的装药量大致为炮孔深度1/3~1/2左右本项目爆破设计参数以K32+000-K33+000段为例该段85%属于坚硬的页岩,台阶高度H= ,采用多排炮孔松动爆破,选用2号岩石硝铵炸药;采用9m3潜孔钻机钻孔,孔径90mm;取h==,W==,a==,b=W=,查表可知页岩为六类土,查表取q=m3, 故Q=eqabh=12=即每一炮孔炸药用量为; 3、光面爆破法对于路堑边坡整修时适用光面爆破;光面爆破在主药包起爆后起爆,炮孔应尽量保持在同一平面内,采用梯段爆破,用9m3潜孔钻机钻孔,孔径90mm,炮孔按梅花型布置,炸药选用2号岩石硝铵炸药,一般台阶高度H=;光面爆破炮孔间距a≤;或a=16d=16=1.392m;最小抵抗线W===1.935m;炮孔直径d为90mm,如果采用其它潜孔钻机钻孔,炮孔直径d随潜孔钻直径变化,即范围为50~200mm;药量计算K-每米深炮孔装药量,kg/mK=9d2=9=kg/m4、爆破作业顺序半挖半填断面爆破顺序半挖半填断面爆破顺序示意图、4、。
第一章土石方工程说明计算规则(一).一般规则1. 土壤、岩石体积,均按挖掘前的天然密度体积(自然方)以立方米计算。
2. 平整场地工程量按建筑物外墙外边线每边各加2m,以平方米计算。
3.挖地槽、地坑需放坡时,放坡系数按下表计算:注:(1)计算土方放坡时,在交接处所产生的重复工程量不予扣除。
(4.计算基础土方放坡时,在交接处的重复工程量不扣除。
如放坡处重复量过大,其计算总量等于或大于大开挖方量时,应按大开挖规定计算土方工程量)(2)原槽基础垫层,放坡应自垫层上表面开始计算。
4.基础施工需增加的工作面,按下表计算:注:原槽基础垫层,基础的工作面应自垫层上表面开始计算。
(二).人工土石方1. 外墙地槽按图示中心线长度计算;内墙地槽按槽底净长计算,其突出部分体积并入地槽工程量计算。
2. 地坑按图示尺寸以立方米计算。
3. 地槽、地坑深度按图示槽、坑底面至自然地面(场地平整的平整后的地坪)高度计算。
4. 挖地槽、地坑需支挡土板时,按图示槽、坑底宽尺寸,单面支挡土板加100mm,双面支挡土板加200mm。
挡土板面积,按槽、坑支撑的垂直面积计算。
支挡土板后,不再计算放坡工程量。
5. 人工平基土、石方,使用人工运土、石方时,深度超过1.5m,按下表增加工日:.人工平基土、石方,深度在1.5m~6m内时,无论人工或机械进行土石方垂直运输,均按以下规定增加超深工日:①.人工平基挖土、石方增加用工以其深度确定增加用工的标准,例如:人工挖土方深度为3.5m,则其全部工程量按每100m3增加14.71工日计算。
②.如在斜坡上进行人工挖土、石,其增加用工的深度以主要出土方向的深度为准。
③.机械不能施工的土石方部分(如:死角等),如挖土深度超过1.5m,也应按此规定增加工日。
④.深度超过6m以上时,在原有6m深内增加工日基础上,土方深度每增加1m,每100m3增加6.01工日,石方深度每增加1m,每100m3增加7.08工日。
)(9.在平基完成后的地下室进行基础开挖,基槽(坑)、挖孔桩土、石方从地下室底面至自然地面的垂直运输每1m折合10m人力水平运输计算)6. 人工挖孔桩土石方量按图示桩断面积乘以设计桩孔中心线深度计算。
目录总说明〃〃〃〃〃〃〃〃〃〃〃〃〃〃〃〃〃〃〃(1)第一章露天爆破工程说明〃〃〃〃〃〃〃〃〃〃〃〃〃〃〃〃〃〃〃〃(1)1.1 浅孔爆破工程〃〃〃〃〃〃〃〃〃〃〃〃(5)1.2 深孔爆破工程〃〃〃〃〃〃〃〃〃〃〃(13)1.3 光面爆破与预裂爆破工程〃〃〃〃〃〃〃(22)1.4 城镇及复杂环境石方爆破工程〃〃〃〃〃(28)第二章地下爆破工程说明〃〃〃〃〃〃〃〃〃〃〃〃〃〃〃〃〃〃〃(34)2.1 井巷掘进爆破工程〃〃〃〃〃〃〃〃〃〃(36)2.2 地下浅孔爆破工程〃〃〃〃〃〃〃〃〃〃(62)2.3 地下深孔爆破工程〃〃〃〃〃〃〃〃〃〃(64)2.4 地下厂房及硐库爆破工程〃〃〃〃〃〃〃(68)2.5 采空区爆破处理工程〃〃〃〃〃〃〃〃〃(78)第三章硐室爆破工程说明〃〃〃〃〃〃〃〃〃〃〃〃〃〃〃〃〃〃〃(80)3.1 导硐及药室开挖爆破工程〃〃〃〃〃〃〃(82)3.2 装药堵塞工程〃〃〃〃〃〃〃〃〃〃〃〃(93)3.3 硐室爆破网路工程〃〃〃〃〃〃〃〃〃〃(98)第四章拆除爆破工程说明〃〃〃〃〃〃〃〃〃〃〃〃〃〃〃〃〃〃(101)4.1 基础拆除爆破工程〃〃〃〃〃〃〃〃〃(102)4.2 楼房拆除爆破工程〃〃〃〃〃〃〃〃〃(108)4.3 高耸建筑物拆除爆破工程〃〃〃〃〃〃(113)4.4 桥梁拆除爆破工程〃〃〃〃〃〃〃〃〃(118)4.5 围堰拆除爆破工程〃〃〃〃〃〃〃〃〃(126)4.6 膨胀剂胀裂拆除工程〃〃〃〃〃〃〃〃(131)第五章水下爆破工程5.1 水下裸露药包爆破工程〃〃〃〃〃〃〃(134)5.2 水下钻孔爆破工程〃〃〃〃〃〃〃〃〃(137)5.3 爆破加固软基工程 〃〃〃〃〃〃〃〃〃〃 (145) 5.4 水下岩塞爆破工程 〃〃〃〃〃〃〃〃〃〃 (151)第六章 特种爆破工程说明 〃〃〃〃〃〃〃〃〃〃〃〃〃〃〃〃〃〃〃 (161)6.1 特种介质爆破工程 〃〃〃〃〃〃〃〃〃 (162) 6.2 爆炸加工工程 〃〃〃〃〃〃〃〃〃〃〃 (165) 6.3 地震勘探爆破工程 〃〃〃〃〃〃〃〃〃 (184) 6.4 油气井爆破工程 〃〃〃〃〃〃〃〃〃〃 (242)第七章 爆破措施工程说明 〃〃〃〃〃〃〃〃〃〃〃〃〃〃〃〃〃〃 (260)7.1 爆破安全防护工程 〃〃〃〃〃〃〃〃〃 (261) 7.2 试验爆破工程 〃〃〃〃〃〃〃〃〃〃〃 (263) 7.3 爆破工程其他措施费 〃〃〃〃〃〃〃〃 (263)附录总说明一、随着我国城市建设和基础工业的发展,工程爆破技术得到广泛应用。
浅孔爆破计算本篇对爆破工程中的浅孔爆破的药量进行计算,并对浅孔爆破进行讲解。
一、浅孔爆破特征浅孔爆破指直径为25-75mm,孔深在5m以下,利用延长药包进行爆破的方法。
多用于建筑物、构筑物基坑及碎石骨料场开挖,多采用台阶式布置。
二、浅孔爆破药用量计算每个炮孔的装药量大致为炮孔深度的1/3~1/2左右。
浅孔爆破多排布置炮孔时,每个炮孔爆破药量,根据爆破采用的形式,计算方法不同。
1、抛掷爆破时,爆破药用量Q:Q=e*q*a*b*h2、松动爆破时,爆破药用量Q:Q=0.33*e*q*a*b*hh -- 炮孔深度,单位m;对于坚硬岩h=(1.1~1.15)*H;对于硬岩石h=H;对于松软岩石h=(0.85~0.95)*H;W -- 最小抵抗线,单位m;最小抵抗线指的是在工程爆破中,从装药重心或药包中心到最近自由面的最短距离,一般常用W表示。
最小抵抗线是爆破作用和岩石移动的主导方向,取得合理与否直接关系到各项爆破指标。
W=(0.5~0.9)*H。
a -- 炮孔间距,单位m;用雷管起爆时a=(1.4~2.0)*W;电雷管起爆a=(0.8~2.0)*W;b -- 炮孔排距,单位m;排距b=(0.8~1.2)*W,成梅花形交错布置;Q -- 每个炮孔爆破用药量,单位kg,一般炮孔法爆破用药量Q可查下表;q -- 炸药单位消耗量,可查下3-1表;e -- 炸药换算系数,可查下4-1表;H -- 阶梯高度3、炸药单位消耗量q值炸药单位消耗量q值根据下表取用。
表3-1 炸药单位消耗量q值土的类别一二三四五六七八q(kg/m)0.5~1.00.6~1.10.9~1.3 1.2~1.5 1.4~1.651.6~1.85 1.8~2.6 2.1~3.25 34、炸药换算系数e值炸药换算系数根据下表取用。
表4-1 炸药换算系数e值炸药名称型号换算系数炸药名称型号换算系数岩石硝铵1号0.935%胶质炸药普通 1.06 2号 1.0 混合胶质炸药普通 1.0露天硝铵2号、3号 1.14梯恩梯0.15~1.1462%胶质炸药普通0.89铵油炸药 1.14~1.36耐冻0.89黑火药 1.14~1.425、一般炮孔法爆破用药量Q一般炮孔法爆破用药量Q计算表注:本表用药量系数按Q=kW3计算,以2号岩石硝铵摘要为准,使用其他炸药时应进行换算。
起爆方法起爆方法有:无线起爆法、水声起爆法、导火索起爆法、电力起爆法、非电塑料毫秒延时雷管起爆法、导爆索起爆法。
常用的起爆方法有:导火索起爆法、电力起爆法、非电塑料毫秒延时雷管起爆法、导爆索起爆法。
一.导火索(火雷管)起爆方法:导火索(火雷管)起爆法:是利用导火索传递火焰引爆火雷管进而起爆炸药的起爆方法。
适用范围和特点:适用于孤石、大块、药壶、裸露、台阶等的爆破。
但在有沼气和矿尘爆炸危险的矿井禁止使用。
硐室爆破、深孔爆破、水下爆破、拆除爆破,均禁止采用导火索(火雷管)起爆法。
优点:简单、便宜。
缺点:不安全、产生毒气、不能多数点炮。
1.起爆器材:(1) 导火索:导火索是由索壳和药芯构成。
索壳一般是由棉线纸条沥青绕成或塑料管,按燃速不同分为普通导火索和`缓燃导火索。
按WJ641-83部颁标准的规定,普通导火索外径5.2-5.8mm,药芯直径不小于2.2mm,燃速100-125s/m,喷火长度不小于50mm,燃烧时不得有断火、透火、外壳燃烧、快燃及爆声,耐火时间不低于4h,(塑料导火索不低于5h),在正常存储条件下有效期为2a。
缓燃导火索外径5.9-6.1mm,药芯直径不小于2.5mm,燃速180--215s/m,同批燃速每米误差不大于25s。
包装区别特点是外层线中有一根绿色线。
(2)火雷管:火雷管是由雷管壳、猛炸药、起爆药、加强帽组成的。
管壳材料有铜、铁、铝、纸、塑料等,按起爆能力分成10个等级,工业常用的是6号和8好两种。
按WJ1042-78部颁标准的规定,火雷管管壳规格见下表1,装药标准见下表2。
在正常条件下贮存期2年,8号火雷管对5mm厚的铅板穿孔直径不小于雷管外径。
火雷管振动试验不许出现爆炸、撒药和加强帽松动。
表1火雷管管壳规格表2火雷管的装药量规格(3)它的点火材料有:点火绳、点火棒、点火筒、带切口的导火线。
(4) 导火线长度的计算公式:L=【(m-1)t1+t2+60】v,式中:L是导火线长度,m是点火根数或点火顺序号,t1是每根导火线所须时间(一根导火线所须时间单位秒),t2是避入安全地点所须时间,v导火线燃烧速度m/s,因导火线燃速是每秒钟100-125秒,所以一般取v=0.01厘米/秒。
分类名称图示一般特性按形状分类集中药包高度不超过直径4倍的圆柱形或长边不超过短边4倍的直角六面体延长药包高度超过直径4倍的圆柱形或长边超过短边4倍的直角六面体分集药包将集中药包按一定的距离和药量分成两个子药包按爆破作用分类内部作用药包药包在被爆破体内部,爆破作用形成药壶,如破坏范围刚好达到临空面,称最大内部作用药包松动药包爆破后,介质不会被抛出,权使介质表面隆起,当n=1时,为标准松动药包,即爆破作用使破碎部分成直角倒正圆锥体抛掷药包药包在被爆破体内部,爆破时,在土石表面形成漏斗形破坏坑,当n=1时,为标准抛掷爆破药包;当n<1时,为减弱抛掷药包;当n>1时,为加强抛掷爆破药包裸露药包药包放置在爆破体表面或裂隙部位或浅穴处1.4 药包用量计算各类爆破药包量计算公式(表3-4)药包名称计算公式符号意义标准抛掷炸药包Q---- 药包重量,kge---与炸药性质有关的换算系数,见表3-5q——爆破岩土单位体积的炸药消耗量,kg/m^3,与岩土的性质及炸药的种类有关,见表3—-6爆破药包抛掷爆破药包与抛掷W---药包的最小抵抗线,m;F(E)---抛掷略函数,抛掷爆破中,F(E)=1;抛掷爆破中当a=0~30度时E-----抛掷略(%)F(a)-----抛塌系数,随自然地面坡度a而变化;当a=31~90度时a----自然地面坡度,(度)f(a)=26/a抛坍爆破中(a>30度)f(a)=26/a (3-6)松动爆破药包水平地形拉朝路堑中土的分类土的级别土的名称坚实系数(f)密度(kg/m3)开挖方法及工具一类土(松软土)1 砂;砂质粉土;冲击沙土层;种植土;淤泥能用锹.锄头挖掘二类土(普通土)2 粉质粘土;潮湿的黄土;夹有碎石.卵石的砂;种植土;填筑土及砂质粉土用锹.锄头挖掘,少许同镐翻松三类土(坚土)3 软及中等密实粘土;重粉质粘土;粗砾石;干黄土及含碎石.卵石的黄土.粉质粘土;压实的填筑土主要用镐,少许用锹.锄头挖掘,部分用撬棍四类土(沙砾坚土)4 重粘土及含碎石.卵石的粘土;粗卵石;密实的黄土;天然级配砂石;软泥灰岩及蛋白石整个用镐.撬棍,然后用锹挖掘,部分用锲子及大锤五类土(软石)5 硬石炭纪粘土;中等密实的页岩.泥灰岩;白垩土;胶结不紧的砾岩;软的石灰岩用镐或撬棍.大锤挖掘,部分使用爆破方法六类土(次坚土)6 泥岩;砂岩;砾岩;坚实的页岩;密实的石灰岩;风化的花岗岩.片麻岩2200-2900 用爆破方法开挖,部分用风镐七类土(坚石)7 大理岩;辉绿岩;玢岩;粗.中粒花岗岩;坚实的白云岩.砂岩.片麻岩.石灰岩;风化痕迹的安山岩.玄武岩10-18 2300-3100 用爆破方法开挖八类土(特坚石)8 安山岩;玄武岩;花岗片麻岩;坚实的细花岗岩.闪长岩.石英岩.辉长岩.辉绿岩.玢岩18-25以上2700-3300 用爆破方法开挖斜坡地形或阶梯式地形内部作用爆破药包炸药换算系数e 值(表3-5)炸药名称型号换算系数炸药名称 型号 换算系数岩石硝铵 1号 胶质炸药 普通岩石硝铵 2号 1 混合胶质炸药 普通 1 露天硝铵 2号,3号 梯恩梯胶质炸药 普通 铵油炸药胶质炸药耐冻黑火药炸药单位消耗量q 值 (表3-6) 土的类别一 二 三 四 五 六 七 八Q(kg/m^3)注;1、本表以2号岩石硝铵炸药为准,当用其他炸药时需乘以换算系数e 值2、表中所列q 值唯一个自由面情况,若为两个自由面应 乘以;三个自由面乘以;四个 自由面乘以;;五个自由面乘以;六个自由面乘以;3、表中土的工程分类见表3-7;4、表中值是在药孔堵塞良好,即堵塞系数为1时定出。
一、方案概述为确保桥梁工程中承台爆破施工的安全、高效和质量,特制定本专项方案。
本方案针对承台爆破施工过程中的技术要求、安全措施、环境保护及施工组织等方面进行详细规定。
二、工程概况1. 工程名称:XX桥梁工程2. 工程地点:XX市XX区3. 工程规模:桥梁全长XX米,桥宽XX米,共XX跨4. 施工周期:XX个月三、爆破施工方案1. 爆破目的:将桥梁承台进行爆破拆除,为后续施工提供基础条件。
2. 爆破范围:承台整体结构3. 爆破方法:采用定向爆破技术,确保爆破效果和周围环境安全。
4. 爆破孔布置:a. 根据承台结构、地质条件和周围环境,确定爆破孔的布置。
b. 爆破孔直径:φ80mm,孔深:根据承台厚度和地质条件确定。
c. 爆破孔间距:根据爆破效果和地质条件确定。
5. 药量计算:a. 根据爆破孔深度、承台结构和地质条件,计算药量。
b. 药量计算公式:Q = K×S×L×ρ其中:Q为药量(kg),K为药量系数,S为爆破孔面积(m²),L为孔深(m),ρ为炸药密度(g/cm³)。
6. 爆破网络设计:a. 采用非电导爆网路,确保爆破效果和安全。
b. 设计合理的爆破网络,确保爆破效果和安全。
7. 爆破施工步骤:a. 前期准备:封闭施工现场,清理周围环境,准备爆破器材。
b. 钻孔:按照设计要求,进行爆破孔的钻孔工作。
c. 装药:按照设计药量,将炸药装入爆破孔。
d. 连接爆破网络:检查爆破网络连接是否正确。
e. 爆破:按照设计时间,进行爆破。
f. 后续处理:爆破后,对现场进行清理,恢复原状。
四、安全措施1. 爆破施工前,对施工人员进行安全教育和培训,确保其掌握爆破施工安全操作规程。
2. 爆破施工过程中,设置警戒区域,禁止无关人员进入。
3. 爆破施工前,对爆破器材进行检查,确保其质量符合要求。
4. 爆破施工过程中,严格控制爆破孔深度和药量,确保爆破效果和周围环境安全。
爆破安全距离的计算方法各类爆破,必然会产生爆破地震、空气冲击波、碎石飞散及有毒气体,这些因素危及爆区及周围人员、设备、建筑物及井巷等的安全。
因此,进行爆破时,必须考虑爆破危害范围,确定安全距离,设置警戒和采取安全措施。
爆破危害主要有地震效应危害、空气冲击波危害和个别飞石的危害,爆破安全距离按各种爆破效应分别计算,最后取最大值。
一、爆破地震安全距离爆破地震,是指炸药爆炸的部分能量转化为弹性波,在岩土中传播引起的震动。
爆破地震波,对爆区附近的地层、建筑物、构筑物,以及井巷和露天边坡产生破坏作用。
爆破地震波强度的大小主要取决于使用炸药的性能、炸药量、爆源距离、岩石的性质、爆破方法以及地层地形条件。
为了最大程度地减小地震波的危害,应采取如下有效措施:(1)爆破前应调查了解爆破区域范围内建筑物、构筑物的结构,露天边坡稳定状况,井巷围岩稳定及支护等情况。
(2)根据爆区的周边环境,采用减震爆破方法和控制炸药量,如微差爆破、缓冲爆破、预裂爆破等爆破方法。
(3)爆破地震安全距离计算公式如下:式中R爆破安全距离(m);Q炸药量(kg);U地震安全速度(cm/s);m 药量指数,取1/3;k、a-与爆破地点地形、地质等条件有关的系数和衰减指数,可按表81选取。
岩性ka坚硬岩石50 ~1501 .3~1.5中硬岩石150 ~2501 .5~1.8软岩石250 ~3501 .8~2.0二、空气冲击波安全距离(一)爆破空气冲击波特性空气冲击波波阵面上的压力决定于离爆破地点的距离与药包半径的比值、炸药爆炸的比能和周围空气的压力。
对于保护爆区及周围居民区人员的安全,一般以超压作为依据,以允许超压来确定安全距离。
不同超压对人体的危害情况如表82所示。
等级危害程度超压(X105 /m2)危害情况1轻微0 .2~0.3轻微的挫伤2中等0 .3~0.5听觉器官损伤,中等挫伤骨折3严重0 .5~1.0内脏严重挫伤,可能造成死亡4极严重1 .0大多数死亡注:当为(0.3~0.4)X105/m2时,气流速度达60~80m/s,夹杂着碎石加重了对人体的危害。
一、装药密度(克每立方厘米):2号岩石乳化0.95-1.3、粉状乳化0.85-1.05、1号粉状铵油0.9-1.0、多孔粒状铵油0.8-0.9、岩石改性铵油0.9-1.1、岩石膨化铵油0.8-1.0、重铵油0.85-1.3线装药密度(千克每米):圆周率*(d的平方)*装药密度/4000二、钻机直径(多孔铵油炸药时取装药密度0.85克每立方厘米)对应的线装药主要有:40mm-1.07千克每米、50-1.67千克每米、65-2.82千克每米、70-3.27千克每米、76-3.85千克每米、90-5.41千克每米、100-6.67千克每米、110-8.07千克每米、120-9.6千克每米三、常用药卷(2号岩石乳化炸药)型号:1、直径32mm 长度20cm药量150g;2、直径35mm长度20cm药量200g四、各个爆破单耗(千克每立方米):光面线装药密度0.15-0.2、预裂线装药密度为0.25-0.4、台阶(深)0.4-0.6、台阶(浅)0.5-1.2、基坑0.3-0.35、沟槽一般取0.5、井巷掘进1.2-2.4(一般取1)、隧道同井巷一般取1左右、拆除砖混1-1.5、拆除混凝土1.5-2、混泥土基础一般取1、桩井2-3、立井2-4、水下钻孔(0.45+(0.05-0.15)H)五、台阶(深孔)爆破:H台阶高度已知,钻机直径D 一般取H/100,底盘抵抗线W=KD其中K取(30-40),超深h=(8-12)D,孔距a=mW其中m取(1-1.25),排距b=(0.6-1.0)W,若三角形布孔则b=asin60,孔深L=(H+h)/sin,堵塞长度L2=(20-30)D,单耗q(0.4-0.6)一般取0.5左右,q1线装药密度根据公式核算具体见第一项,根据线装药算出单孔装药量与根据单耗算出的单孔装药量(Q=qHaW)对比,调整a或者b或者q单耗,从而保持结果一致。
安全校核:v=K(立方根Q/R)括号开a次方,其中K系数(50-350)一般取150,a系数(1.3-2)一般取1.5,v一般民用建筑屋为1.5-3cm/s。
〔2016〕001号
2016年4月12日
关于爆破量范围及计算方法的规定
为了明确爆破量范围如何圈定,进一步规范爆破量计算方法,现作以下规定:
1、爆破量范围的圈定
(1)生产办与采掘剥离运行部在现场指定穿孔作业区,并确定孔网参数。
(2)采掘剥离运行部安排钻机司机开始作业,并将实际完成的穿孔作业区孔网参数反馈给生产办及安全生产部。
(3)安全生产部测量穿孔作业区外围钻孔坐标,在3Dmine软件中连接成外围钻孔坐标顶面线,通过OA发送给生产办。
(4)爆破量顶面范围的圈定:根据外围钻孔深度将外围钻孔顶面线按以下孔深(h)分布外扩:
h≤5m时,外扩1m;
5m<h≤9m时,外扩3m;
h>9m时,外扩5m。
外扩后的线就是爆破量顶面范围。
当外扩范围超过该平盘坡顶线时,以坡顶线为准;外扩范围超过本平盘坡底线时,以坡底线与爆破范围距离的1/2为外扩范围。
2、爆破量的计算方法
(1)将爆破量顶面范围依据钻孔平均深度降低形成的面,称之为爆破量底面范围。
将不同的爆破量底面范围连接在一起,形成所有已爆破的爆破量底面范围。
(2)当新测的爆破量顶面范围标高低于爆破量底面范围时,则没有出现重复爆破量;当高于分界底面范围时,则两个面之间会出现重复爆破量。
(3)爆破量的计算方法:如果没有重复爆破量则以爆破量顶面范围面积乘以钻孔平均深度为爆破量;如果有重复爆破量则以爆破量顶面范围为顶面,以爆破量底面范围为底面,根据3Dmine的三角网法计算爆破量。
(4)计算完成后,将新测的爆破顶面范围按钻孔平均深度降为底面,与爆破量底面范围重合部分进行处理,形成新的爆破量底面范围。
3、要求
(1)安全生产部和生产办根据测量人员提供的外围钻
孔坐标线,分别圈定爆破量范围。
(2)双方算量结束后将算量结果汇总至安全生产部技术员处,进行结果对比。
如结果不一致,双方共同查找原因,直至结果相同为止。
安全生产部
二○一六年四月五日。