三级锅炉司炉试题一
- 格式:doc
- 大小:328.50 KB
- 文档页数:11
三级司炉证考试[试题]三级司炉证考试一、基础知识,单选C1、从锅炉排出的炉渣具有相当高的温度而造成的热量损失称为(C灰渣物理热损失 )D2、低氧燃烧时,产生的(C三氧化硫 )较少 D3、当受热面结渣时,受热面内工质吸热(A 减少)G 4、锅炉煤灰的熔点主要与灰的( A组成成分 )有关。
G5、锅炉各项热损失中,( B排烟热损失 )是最大的一项。
G6、工业锅炉炉水一般呈(B 碱性 ) H7、挥发分含量对燃料燃烧特性影响很大,挥发分含量高,则容易燃烧。
(B . 褐煤 )的挥发分含量高,故很容易着火燃烧。
H8、挥发成分高的燃料(A易于)着火和完全燃烧。
M9、煤中的水分是( C 无用成分 )。
M10、煤粉着火准备阶段内主要特征为(B 析出挥发分 )。
R11、燃煤中的水分增加时,将使炉膛的辐射传热量(B减少 )R12、燃油燃烧产物中包含的灰量(A 很少 ) R13、热力学中约定:系统对外作功取(A 正 ) R14、热力学中约定:而外界对系统作功取为(B负 )S15、实际物体的辐射力与同温度下绝对黑体的辐射力相比(B 前者小于后者 ) W16、完全燃烧必须具备的条件之一是(C足够的燃烧时间)X17、下列煤种中,挥发分最高的煤种为(B烟煤 )。
Y18、一般发热量最高的煤是(B无烟煤 )。
Z19、在达到最佳过量空气系数前,增加风量,锅炉机械不完全燃烧损失(C减小)以致烟温升高。
一、基础知识,多选M1、煤的化学成分中可以燃烧的元素包括(ABC)《A . 碳(C)B . 氢(H)C . 硫(S)》M2、煤粉在炉内的燃烧过程可分为(ABC)阶段。
《A . 着火前准备B . 燃烧C . 燃尽》P3、排烟损失决定于(AB)《A . 排烟温度B . 排烟量》R4、燃料是指用来(AB )以取得( )的物质。
《A . 燃烧B . 热量》R5、燃料按其物态不同,可分为(ABC )《A . 固体B . 液体C . 气体》Y6、以下是燃烧必须具备的条件(ABC)《A . 可燃物质B . 助燃物质C . 足够的温度和热量或明火》Y7、于灰的(AC)系数小,因此积灰将使受热面( )降低。
(全)三级锅炉司炉作业实操模拟考试附答案三级锅炉司炉作业实操模拟考试附答案1、【判断题】炉内脱硫一般常用石灰石做为吸收剂。
(√)2、【判断题】燃油燃气炉没有固体未完全燃烧热损失。
(√)3、【判断题】锅炉运行时各元件的热胀冷缩不能受到阻碍。
(√)4、【判断题】省煤器损坏的主要现象是省煤器烟道内有泄漏声,排烟温度降低,两侧烟温、风温偏差大,给水流量不正常地大于蒸汽流量,炉膛负压减小。
(√)5、【判断题】锅炉事故分为特别重大事故、特大事故、重大事故和一般事故。
(×)6、【判断题】排烟热损失与排烟温度无关。
(×)7、【判断题】所有的引送风机或回转空预器故障停止运行时,应申请停炉。
(×)8、【判断题】锅炉水位宁高不低。
(×)9、【判断题】《中华人民共和国特种设备安全法》规定,特种设备生产、经营、使用单位及其主要负责人对其生产、经营、使用的特种设备安全负责。
(√)10、【判断题】钢管式省煤器不能作为沸腾式使用(×)11、【判断题】燃烧正常时,炉膛内的火焰呈明亮的麦黄色,并且均匀充满炉膛,烟囱排出的烟呈淡灰色。
(√)12、【判断题】对于颗粒较小的粉煤,为减少漏煤损失和减少通风阻力,以有利于燃烧,需适量掺水。
(√)13、【判断题】燃煤锅炉煤质变化后,不需要调整煤层厚度和炉排速度。
(×)14、【判断题】锅炉的外部检验一般每2年进行一次。
(×)15、【判断题】主汽门关闭后,开启过热器出口联箱疏水门、对空排汽门30~50min,以冷却过热器。
(√)16、【判断题】锅炉的给水管应采用无缝钢管,排污管可采用有缝钢管。
(×)17、【判断题】表压力是指以大气压力作为测量起点,即压力表指示的压力,是指超过大气压力的部份。
(√)18、【判断题】链条炉排锅炉正常运行时,一般应维持20~30帕的炉膛负压。
(√)19、【判断题】己失水的干树脂可直接泡入水中。
《特种设备作业人员证》--Ⅲ级锅炉司炉试卷一、名词解释(20)1、强制循环锅炉:除了依靠下降管中的水与上升管中介质之间重度差之外,主要靠锅水循环泵的压头进行锅水循环的锅炉。
2、受热面:从放热介质中吸收热量并传递给受热介质的表面,称为受热面,如锅炉的炉胆、筒体、管子等。
3、蒸发量:蒸汽锅炉长期运行时,每小时所产生的蒸汽量,称为这台锅炉的蒸发量。
常用符号D表示,单位是吨/小时。
4、饱和温度:在水的汽化和水蒸汽的凝结过程中,当单位时间内逸出液面与回到液面的分子数目相等而汽液两相平衡共处时这种状态为饱和状态,饱和状态下的蒸汽及水的温度称为饱和温度5、悬浮燃烧:又称火室燃烧,是将煤以粉状、水煤浆、油以雾状或燃气气态随同空气喷入炉膛中进行燃烧的一种燃烧方式。
悬浮燃烧着火讯速,燃烧反应完全,热效率较高,易实现自动化操作,对外界负荷及燃料适应性强。
二、填空题(20)1、《特种设备安全监察条例》自2009年5月1日起施行。
2、煤的元素分析成分有:碳、氢、氧、氮、硫、灰分、水分。
3、煤在燃烧设备中的燃烧方式,大致分为层状燃烧、悬浮燃烧、流化床燃烧、气化燃烧四种。
4、锅炉水循环一般有自然循环、强制循环、直流式三种。
5、常见的磨煤机有锤击式磨煤机、风扇式磨煤机、筒式球磨煤机。
6、根据燃料的燃烧速度将燃烧过程分为动力燃烧区、过渡燃烧区、扩散燃烧区7、燃油雾化方式有机械雾化和蒸汽雾化两种。
8、节能减排指的是减少能源浪费和降低废气排放。
9、锅炉安全门的总排汽能力应大于锅炉最大连续蒸发量。
10、锅炉燃烧大气污染主要表现在:烟尘污染;SO2污染;氮氧化物污染;碳氧化物污染三、判断题(20)1、特种设备作业人员证书一经领取,全国通用,终身有效。
(×)2、管子外壁加装肋片,使热阻增加,传热量减少。
(×)3、单位质量的工质所占有的体积称为工质比容,单位m3/ kg。
(√)4、锅炉受热面外表面积灰或结渣,会使管内介质与烟气热交换时传热量减弱,是因为灰渣导热系数大。
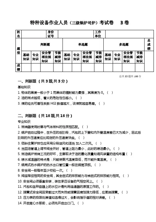
特种设备作业人员(三级锅炉司炉)考试卷 B卷姓名身份证号工作单位题型判断题单选题多选题总成绩基础知识专业知识安全管理法规知识节能减排知识基础知识专业知识安全管理法规知识节能减排知识基础知识专业知识安全管理法规知识节能减排知识成绩总共83题共100分一、判断题(共3题,共3分)基础知识1. 物体的黑度一般小于1而黑体的辐射能力最强,其黑度为0。
( )2. 油的燃点越低,着火的危险性也越小。
( )3. 煤的哈氏可磨性系数HGI数值越大,该煤就越容易磨。
( )二、判断题(共18题,共18分)专业知识1. 燃烧器使用时要与气体燃料的性质相匹配。
( )2. 锅炉启动过程中,在升压的后阶段,汽包的上下壁和内外壁温度差已大为减少,因此后阶段的升压速度应比规定的升压速度快些。
( )3. 倾斜往复炉排也应采用分段送风和适当加入二次风。
( )4. 当回油管道上调节阀全开时,管道上阻力最小,此时的喷油最小。
( )5. 燃油锅炉燃烧工况的好坏,主要取决于油的雾化质量和调风装臵的结构布臵 ( )6. 喷水减温器的特点是:只能使蒸汽温度降低,而不能升高温度。
( )7. 锅壳式热水锅炉的热水出口管位臵一般在锅筒顶部。
( )8. 安全阀一般每年至少校验一次。
( )9. 阀座喉径相同的安全阀,其全启式的排放能力与微启式的排放能力相同。
( )10. 安全阀必须垂直安装,装在承压设备的气相空间上。
( )11. 汽包和各种容器上的水位计是利用连通器的原理工作的。
( )12. 弹簧式安全阀因受载过大而失效或弹簧因腐蚀弹力降低,应更换弹簧。
( )13. 压力表的极限刻度值如选得过大,会影响指示值的相对误差。
( )14. 开启离心水泵前,必须先开启出口门。
( )15. 机械雾化原理是高压燃料油通过切向槽和旋流空间产生强流旋,再经喷孔喷出,因离心作用而雾化。
( )16. 循环流化床锅炉的系统结构而言,气固分离器设计和布臵得是否合理关系着锅炉系统制造、安装、维修等各方面的经济性与可靠性。
三级锅炉司炉考试试题及答案第1题、【判断题】停炉降温过程中,注意饱和温度下降速度不小于1℃/min。
A、正确B、错误正确答案:B第2题、【判断题】充气(氮气或氨气)保养适用于长期停用的锅炉。
A、正确B、错误正确答案:A第3题、【判断题】再热器汽温调节方法有:①采用烟气挡板;②烟气再循环;③改变燃烧器倾角;④喷水减温。
A、正确B、错误正确答案:A第4题、【判断题】再热器汽温调节的常用方法有:摆动式燃烧器、烟气再循环、分隔烟道挡板调节、喷水减温器(一般作为事故处理时用)。
A、正确B、错误第5题、【判断题】再热汽温的控制,一般以烟气侧控制方式为主,喷水减温只作为事故喷水或辅助调温手段。
A、正确B、错误正确答案:A第6题、【判断题】冲洗汽包水位计时应站在水位计的侧面,打开阀门时应缓慢小心。
A、正确B、错误正确答案:A第7题、【判断题】判断锅炉为轻微缺水时,应减弱燃烧,慎重进水。
A、正确B、错误正确答案:B第8题、【判断题】制定《中华人民共和国特种设备安全法》作用之一,就是明确特种设备生产、使用单位在特种设备安全方面的义务和法律责任。
A、正确B、错误第9题、【判断题】制定《中华人民共和国特种设备安全法》最重要的目的是制裁各种特种设备安全违法犯罪行为。
A、正确B、错误正确答案:B第10题、【判断题】制定《中华人民共和国特种设备安全法》目的是:加强特种设备安全工作,预防特种设备事故,保障人身和财产安全,促进经济社会发展。
A、正确B、错误正确答案:A第11题、【判断题】化学除盐设备对进水水质没有什么要求。
A、正确B、错误正确答案:B第12题、【判断题】升压过程中,必须按规定的要求做好检查及各项操作,确认正常后才能进行送汽。
A、正确B、错误第13题、【判断题】单位体积流体的质量称为流体的密度,用符号ρ表示,kg/m³。
A、正确B、错误正确答案:A第14题、【判断题】压力表存水弯管的作用是防止高温介质对压力表造成不良影响。
三级司炉工培训考试卷一、判断题、1、《锅炉房安全管理规则》规定,锅炉房通向室外的门应向外开,在锅炉运行期间,不准锁住或闩住。
()2、当内部检验和外部检验同在一年进行时,应首先进行内部检验,然后再进行外部检验。
()3、当温度达到油的闪点时,燃料油就能着火燃烧。
()4、燃料发热量的大小取决于燃料中可燃成分和数量。
()5、止回阀是依靠阀前、阀后流体的压力差而自行启闭。
( )6、为确保省煤器在启动及甩负荷时的冷却,应采取向空排汽的措施。
()7、锅炉运行时,必须经常监视压力表的指示,保持气压稳定,并不超过额定工作压力。
()8、烟气中水蒸汽开始凝结的温度称为露点,露点越高越好。
()9、离心泵启动时不必将泵壳内充满水。
()10、锅炉受件元件部件的主要缺陷包括:裂纹、起槽、过热、变形、泄漏、腐蚀、磨损和水垢。
()11、锅炉风机按其工作原理不同分为离心式和轴流式两大类。
()12、《蒸汽锅炉安全技术监察规程》规定,使用锅炉的单位应执行排污制度。
定期排污应在低水位()13、不同压力的排污管、疏水管和放水管不应放入同一母管中。
()14、采用焊接的法修理锅炉受压元件时严禁带水焊接()15、《安全生产法》规定:从业人员发现直接危及人身安全的紧急情况时,有权停止作业或者在采取可能的应急措施后撤离作业场所。
()16、使用合格的特种设备是保证特种设备安全运行的最基本的条件。
()17、停止离心泵前应将入口阀逐渐关小,直至全关。
()18、锅炉运行中氧量越多越好()19、影响高压锅炉水冷壁管外壁腐蚀的主要因素是飞灰速度。
()20、化学除盐设备对进水水质没有什么要求。
()21、锅炉停用半年以上应采用干法保养。
()22、过热器是布置在炉膛上方或出口烟气温度较高处,用蛇形排管方式吸收高温烟气的温度加热管内流经的饱和蒸汽的受压部件。
()23、蒸汽锅炉机组必须装设监测锅筒蒸汽压力、水位的仪表,以保证锅炉安全运行。
()24、在自然循环锅炉中,通过循环可以将水全部转化为蒸汽。
锅炉司炉证试题及答案一、单选题1. 锅炉在运行过程中,以下哪个操作是正确的?A. 随意调整安全阀B. 忽视锅炉水位C. 定期检查锅炉压力D. 长时间关闭安全装置答案:C2. 锅炉的额定工作压力是指:A. 最大工作压力B. 正常工作压力C. 允许的最高工作压力D. 最小工作压力答案:C3. 锅炉水处理的目的是:A. 增加锅炉的使用寿命B. 降低燃料消耗C. 预防锅炉腐蚀和结垢D. 提高锅炉效率答案:C4. 锅炉的燃烧效率是指:A. 燃料完全燃烧的程度B. 锅炉产生的蒸汽量C. 锅炉的热效率D. 锅炉的运行成本答案:C5. 锅炉的烟气排放标准应符合:A. 国家环保标准B. 企业内部标准C. 锅炉制造商的标准D. 地方环保标准答案:A二、多选题6. 锅炉运行中常见的故障包括:A. 水位异常B. 压力波动C. 燃烧不充分D. 烟气排放超标答案:A, B, C, D7. 锅炉安全操作的基本要求包括:A. 遵守操作规程B. 定期进行安全检查C. 熟悉应急预案D. 锅炉操作人员必须持证上岗答案:A, B, C, D8. 锅炉的节能措施包括:A. 提高燃烧效率B. 减少热损失C. 定期维护和检修D. 使用高效率的燃烧器答案:A, B, C, D三、判断题9. 锅炉在任何情况下都应保持满水位运行。
(错误)10. 锅炉的定期检查是预防事故的重要手段。
(正确)四、简答题11. 简述锅炉运行中如何进行水位监控?答:锅炉运行中应通过水位计实时监控水位,确保水位在安全范围内。
操作人员应定期检查水位计的准确性,并在水位异常时及时采取措施。
12. 锅炉燃烧过程中为什么要进行烟气分析?答:烟气分析可以检测燃烧效率和燃料完全燃烧的程度,帮助操作人员调整燃烧参数,优化燃烧过程,同时确保烟气排放符合环保标准。
五、案例分析题13. 某锅炉房在运行过程中发现安全阀频繁动作,分析可能的原因及应对措施。
答:安全阀频繁动作可能是由于锅炉超压、安全阀故障或安装不当等原因造成。
三级司炉证试题及答案一、选择题1. 锅炉水处理的目的是()。
A. 提高水的纯度B. 预防锅炉结垢和腐蚀C. 增加水的导热性D. 降低水的硬度答案:B2. 锅炉的三大安全附件包括()。
A. 安全阀、水位表、压力表B. 压力表、温度计、水位表C. 安全阀、温度计、水位表D. 温度计、压力表、紧急切断阀答案:A3. 锅炉的燃烧效率是指()。
A. 锅炉的热效率B. 锅炉的燃料消耗量C. 锅炉的输出功率D. 锅炉的运行成本答案:A二、判断题1. 锅炉运行中,水位表应始终保持清晰可见。
()答案:√2. 锅炉在任何情况下都应保持满水运行。
()答案:×3. 锅炉的定期检验是确保安全运行的重要措施。
()答案:√三、简答题1. 简述锅炉水处理的基本方法。
答案:锅炉水处理的基本方法包括化学处理法、离子交换法、反渗透法等,目的是去除水中的硬度成分,减少水中的溶解氧,以防止锅炉结垢和腐蚀。
2. 锅炉运行中,如何判断锅炉是否需要排污?答案:锅炉运行中,可以通过观察水位表的水位变化、听声判断锅炉内是否有水垢或杂质,以及通过化学分析锅炉水的硬度和含盐量来判断是否需要排污。
四、计算题1. 已知锅炉的额定蒸发量为10吨/小时,燃料的低位热值为5000kcal/kg,求锅炉的热效率。
答案:首先需要知道实际的燃料消耗量和锅炉的实际蒸发量,然后根据公式η = (Q_evap / Q_fuel) × 100% 计算热效率,其中 Q_evap 是蒸发量的热量,Q_fuel 是燃料的热量。
由于题目中未给出实际数据,无法直接计算出热效率。
五、案例分析题1. 某锅炉房发生安全事故,锅炉爆炸导致人员伤亡。
事后调查发现,安全阀失效是导致事故的主要原因。
请分析可能的原因及预防措施。
答案:安全阀失效可能的原因包括安全阀选型不当、安装错误、维护不当或长时间未进行校验等。
预防措施包括正确选型和安装安全阀,定期进行安全阀的检查和校验,确保其在超压情况下能正常工作,同时加强操作人员的培训,提高安全意识。
(高级)锅炉司炉(G3)考试题库附答案(新版)一、单选题1.《中华人民共和国特种设备安全法》规定国务院负责特种设备安全监督管理的部门对全国特种设备安全实施监督管理。
县级以上()负责特种设备安全监督管理的部门对本行政区域内特种设备安全实施监督管理。
A、安全生产监督管理部门B、质量技术监督部门C、地方各级人民政府D、劳动部门参考答案:C2.在锅筒锅壳和烟道内工作禁止使用明火照明。
()A、正确B、错误参考答案:A3.锅炉结构各部分在运行时应能进行自由膨胀。
()A、正确B、错误参考答案:A4.风机和泵类的布置可不考虑噪声和振动对操作人员和环境的影响。
B、否参考答案:B5.燃料在燃烧时必须有空气而且越多越好。
()A、正确B、错误参考答案:B6.锅炉停用半年以上应采用干法保养。
A、正确B、错误参考答案:A7.安全阀作用是防止锅炉超压运行。
A、正确B、错误参考答案:A8.氢是煤中发热量最高的物质。
()A、正确B、错误参考答案:A9.《中华人民共和国特种设备安全法》规定特种设备使用单位应当按照安全技术规范的要求在检验合格有效期届满前()个月向特种设备检验机构提出定期检验要求。
B、2C、3D、6参考答案:A10.锅炉运行中若发现安全阀失灵可暂时将其解体。
()A、正确B、错误参考答案:B11.燃煤锅炉煤质变化后不需要调整煤层厚度和炉排速度。
()A、正确B、错误参考答案:B12.能耗是用来表示单位产品产量或净产值的耗能量可分为单耗、综合能耗和可比能耗。
A、是B、否参考答案:A13.安全阀应装设泄放管在泄放管上不允许装设阀门。
泄放管应直通安全地点并有足够的截面积和防冻措施保证排汽畅通。
()A、正确B、错误参考答案:A14.《中华人民共和国特种设备安全法》规定特种设备办理了使用登记后即使未经定期检验或者检验不合格仍可继续使用。
()A、正确B、错误参考答案:B15.为防止闲杂人员进出在锅炉运行期间应把锅炉房门锁住。
()A、正确B、错误参考答案:B16.汽水分层是水循环故障。
三级司炉证考试题一、选择题1. 锅炉的主要安全附件不包括以下哪一项?A. 安全阀B. 压力表C. 温度计D. 燃烧器2. 下列哪种燃料属于液体燃料?A. 煤炭B. 天然气C. 柴油D. 木材3. 锅炉水处理的目的是?A. 提高水的硬度B. 减少水中的氧气C. 增加水的含盐量D. 降低水的pH值4. 锅炉运行中,下列哪种操作是禁止的?A. 定期排污B. 随意减少水位C. 保持锅炉清洁D. 定期检查安全阀5. 锅炉的热效率是指?A. 锅炉的产热量与燃料热量的比值B. 锅炉的产热量与电能消耗的比值C. 锅炉的产热量与水处理成本的比值D. 锅炉的产热量与燃料成本的比值二、判断题1. 锅炉的水位计应始终保持清洁,以便观察水位。
()2. 锅炉房内应禁止吸烟和使用明火。
()3. 锅炉在点火前不需要进行安全检查。
()4. 锅炉的给水温度越高,热效率越低。
()5. 锅炉运行中,应定期对锅炉进行排污处理。
()三、简答题1. 请简述锅炉点火前的准备工作。
2. 描述锅炉正常运行时的基本操作步骤。
3. 锅炉在出现水位过高或过低时应该如何处理?4. 锅炉节能减排的措施有哪些?5. 锅炉紧急停炉的条件和操作步骤是什么?四、案例分析题某工厂的一台锅炉在运行中突然出现压力急剧上升的情况,安全阀未能及时开启,最终导致锅炉爆炸。
请分析可能的原因,并提出预防措施。
五、论述题论述锅炉水处理的重要性及其对锅炉安全运行的影响。
六、计算题1. 给定锅炉的热效率为80%,燃料热值为30000kJ/kg,计算锅炉每小时消耗10000kJ的热量需要消耗多少燃料?2. 某锅炉的额定蒸发量为2t/h,实际运行中每小时蒸发量为1.8t,计算该锅炉的实际运行效率。
请注意,以上题目仅供参考,实际考试题目可能会有所不同。
考生应根据实际情况进行复习和准备。
三级锅炉司炉考试题库【三级锅炉司炉考试题库】一、选择题1. 锅炉房的通风应设置在a. 锅炉房的出口处b. 锅炉房的墙壁上c. 锅炉房的天花板上d. 锅炉房的地面上2. 燃料在锅炉内燃烧产生的高温烟气首先经过的是a. 锅炉的过热器b. 锅炉的排烟管道c. 锅炉的炉膛d. 锅炉的空气预热器3. 利用热能可以把一部分机械能转换成电能的设备是a. 锅炉b. 热水器c. 发电机组d. 蒸汽机4. 当燃烧使用的燃料为煤时,通风比应在以下范围内a. 10-15%b. 20-25%c. 30-35%d. 40-45%5. 锅炉的结构按压力来分可分为a. 圆筒形和方形b. 低压锅炉和高压锅炉c. 贮水式和贮蒸汽式d. 燃烧式和水回路式二、判断题1. 投入使用的新锅炉应在安装完毕后立即开始使用。
( )2. 燃烧器的清洗和维护工作可以随意延迟,不会对锅炉工作产生影响。
( )3. 锅炉在正常工作时,压力计上的指示应逐渐升高。
( )4. 自动控制系统的主要作用是实现锅炉的自动调节和控制。
( )5. 锅炉采用人工给水时,锅炉水位在运行中不需要关注。
( )三、填空题1. 在正常操作锅炉时,经常需要检查和维护锅炉的 __________。
2. 处理锅炉失水事故时,需要及时补充适量的 __________。
3. 锅炉排烟温度过高可能导致锅炉的 __________。
4. 锅炉房内应保持良好的 __________,以确保人员的安全。
5. 国家标准对锅炉的设计、安装、改造等方面都有明确的__________。
四、简答题1. 简述锅炉房通风系统的作用及注意事项。
2. 简述自动控制系统的主要组成部分及其功能。
3. 什么是锅炉水位?为什么需要关注锅炉水位的变化?4. 请简述锅炉在运行过程中可能发生的故障及处理方法。
5. 请简述锅炉的节能措施及其在实际运行中的应用。
五、解答题1. 现场检查锅炉房时,需要注意哪些事项以确保人员的安全?2. 锅炉的排烟温度异常升高可能导致什么问题?如何解决?3. 锅炉房的通风系统何时启动?如何保证通风系统的正常运行?4. 锅炉水位变化异常时,应采取什么措施?如何进行排水处理?5. 锅炉的自动控制系统出现故障时,应采取什么措施进行处理?【注意】以上是三级锅炉司炉考试题库的内容,供考生参考。
三级锅炉司炉模拟考试试题及答案一、判断题1、氢是煤中发热量最高的物质。
(√)2、为确保省煤器在启动及甩负荷时的冷却,应采取向空排汽的措施。
(X)3、《国务院关于修改〈特种设备安全监察条例〉的决定》国务院549号令规定,特种设备报废时,特种设备使用单位应向特种设备安全监督管理部门办理有关注销手续。
(√)4、《中华人民共和国节约能源法》规定:任何单位和个人都应当依法履行节能义务,有权检举浪费能源的行为。
(√)5、所有的引送风机或回转空预器故障停止运行时,应申请停炉。
(×)6、锅炉机组的排烟损失的大小,就是排烟温度的高低。
(√)7、水冷壁损坏现象是炉膛发生强烈响声,燃烧不稳,炉膛风压变正,汽压温度下降,汽包水位低,给水流量不正常地大于蒸汽流量,烟温降低等。
(√)8、锅炉操作人员有权拒绝执行有害锅炉安全运行的违章指挥,并报告当地安全监察机构。
(√)9、锅炉水位高/低保护的整定值一般有水位高/低报警,水位极低紧急停炉。
(√)10、烧油和烧煤粉在燃料量相同时,所需的风量也相同。
(X)Ils煤的可燃成分是灰分、水分、氮、氧。
(X)12、定期对安全阀做手动排放试验是为了防止安全阀的阀瓣和阀座粘住。
(√)13、开关阀门时要轻且缓,头部不要正对阀盘。
(√)14、燃油燃气炉没有固体未完全燃烧热损失。
(√)15、锅炉受热面中辐射、对流和导热三种传热方式同时存在。
(√)16、锅炉受压元件应有足够的强度,保证各部分在运行中自由膨胀。
(√)17、当燃煤的水分越低,挥发分越高时,则要求空气预热器出口风温越高。
(X)18、影响高压锅炉水冷壁管外壁腐蚀的主要因素是飞灰速度。
(×)19、安全阀每两年至少进行一次整定校验(X)20、《中华人民共和国节约能源法》规定:用能单位应当按照合理用能的原则,加强节能管理,制定并实施节能计划和节能技术措施,降低能源消耗。
(√)21、燃煤锅炉煤质变化后,不需要调整煤层厚度和炉排速度。
三级司炉工培训考试卷一、判断题、1、《锅炉房安全管理规则》规定,锅炉房通向室外的门应向外开,在锅炉运行期间,不准锁住或闩住。
()2、当内部检验和外部检验同在一年进行时,应首先进行内部检验,然后再进行外部检验。
()3、当温度达到油的闪点时,燃料油就能着火燃烧。
()4、燃料发热量的大小取决于燃料中可燃成分和数量。
()5、止回阀是依靠阀前、阀后流体的压力差而自行启闭。
( )6、为确保省煤器在启动及甩负荷时的冷却,应采取向空排汽的措施。
()7、锅炉运行时,必须经常监视压力表的指示,保持气压稳定,并不超过额定工作压力。
()8、烟气中水蒸汽开始凝结的温度称为露点,露点越高越好。
()9、离心泵启动时不必将泵壳内充满水。
()10、锅炉受件元件部件的主要缺陷包括:裂纹、起槽、过热、变形、泄漏、腐蚀、磨损和水垢。
()11、锅炉风机按其工作原理不同分为离心式和轴流式两大类。
()12、《蒸汽锅炉安全技术监察规程》规定,使用锅炉的单位应执行排污制度。
定期排污应在低水位()13、不同压力的排污管、疏水管和放水管不应放入同一母管中。
()14、采用焊接的法修理锅炉受压元件时严禁带水焊接()15、《安全生产法》规定:从业人员发现直接危及人身安全的紧急情况时,有权停止作业或者在采取可能的应急措施后撤离作业场所。
()16、使用合格的特种设备是保证特种设备安全运行的最基本的条件。
()17、停止离心泵前应将入口阀逐渐关小,直至全关。
()18、锅炉运行中氧量越多越好()19、影响高压锅炉水冷壁管外壁腐蚀的主要因素是飞灰速度。
()20、化学除盐设备对进水水质没有什么要求。
()21、锅炉停用半年以上应采用干法保养。
()22、过热器是布置在炉膛上方或出口烟气温度较高处,用蛇形排管方式吸收高温烟气的温度加热管内流经的饱和蒸汽的受压部件。
()23、蒸汽锅炉机组必须装设监测锅筒蒸汽压力、水位的仪表,以保证锅炉安全运行。
()24、在自然循环锅炉中,通过循环可以将水全部转化为蒸汽。
一、安全管理、法规知识(一)判断题(102题)1、特大安全事故隐患排除前或者排除过程中,无法保证安全的,责令暂时停产、停业或者停止使用。
( A)A、正确;B、错误2、锅炉房每层至少应有两个出口,分别设在两侧。
( A)A、正确;B、错误3、锅炉房内的分汽(水)缸随锅炉一同办理使用登记,不单独领取使用登记证。
( A)A、正确;B、错误4、锅炉房通向室外的门应向内开,在锅炉运行期间应锁住或闩住。
(B )A、正确B、错误5、锅炉房通向室外的门应向外开。
(A)A、正确;B、错误6、存在事故隐患的锅炉,不得申请变更登记。
( A)A、正确;B、错误7、安全岗位责任制是一项最基本的安全制度,是其他各项安全规章制度得以切实实施的基本保证。
( A)A、正确;B、错误8、当锅炉房设置在地下室时,应采取强制通风措施。
(A )A、正确;B、错误9、当内部检验和外部检验同在一年进行时,应首先进行内部检验,然后再进行外部检验。
(A)A、正确;B、错误10、当事人故意破坏、伪造事故现场、毁灭证据、未及时报告事故等致使事故责任无法认定的,当事人应当承担全部责任。
(A)A、正确;B、错误11、特种设备检验检测机构和检验检测人员利用检验检测工作故意刁难特种设备生产、使用单位,特种设备生产、使用单位有权向特种设备安全监督管理部门投诉,接到投诉的特种设备安全监督管理部门应当及时进行调查处理。
(A )A、正确;B、错误12、水压试验一般每6年进行一次;对于无法进行内部检验的锅炉,应每3年进行一次;电站锅炉的水压试验周期可以按照电厂的大修适当调整。
(A )A、正确B、错误13、在用特种设备使用状况变更主要包括安全状况等级变更、使用变更(含介质、温度、压力、用途等)和过户变更。
(A )A、正确B、错误14、在原使用地未进行定期检验或定期检验结论为停止运行的锅炉,不得申请变更登记。
( A)A、正确;B、错误15、在原使用地已经报废的锅炉,不得申请变更登记。
1、《国务院关于修改〈特种设备安全监察条例〉的决定》国务院549号令规定,特种设备存在严重事故隐患,无改造、维修价值,或者超过安全技术规范规定使用年限,特种设备使用单位应当及时予以报废,并应当向原登记的特种设备安全监督管理部门办理注销。
( A) (判断题)A、正确B、错误2、锅炉房内的分汽(水)缸随锅炉一同办理使用登记,不单独领取使用登记证。
(A ) (判断题)A、正确;B、错误3、《锅炉压力容器使用登记管理办法》中要求,特种设备因故暂停使用一年以上,使用单位应当到特种设备安全监察部门办理备案手续。
( B) (判断题)A、正确B、错误4、《中华人民共和国节约能源法》规定:国家鼓励工业企业采用高效节能的电动机、锅炉、窑炉、风机、泵类等设备,采用热电联产、余热利用、洁净煤以及先进的用能监测和控制等技术。
A (判断题)A、正确;B、错误5、持低类别司炉证的司炉要升为高类别时,应经过重新培训和考试。
考试合格后更换司炉证。
(A) (判断题)A、正确;B、错误6、《蒸汽锅炉安全技术监察规程》不适用于(A )和原子能锅炉。
(单选题)A、水容量小于30L的固定式承压蒸汽锅炉B、电站锅炉C、锅炉范围内管道7、申请《特种设备作业人员证》的人员,应当首先向发证部门指定的特种设备作业人员(B )机构报名参加考试。
(单选题)A、培训;B、考试;C、审查;8、《特种设备安全监察条例》规定,特种设备使用单位应当向直辖市或者设区的市的特种设备安全监督管理部门登记。
(C )应当置于或者附着于该特种设备的显著位置。
(单选题)A、使用证书;B、登记证号;C、登记标志;D、登记机关名称9、特种设备作业人员考核两部分都是实行百分制,(A)为及格。
(单选题)A、都是60分;B、理论知识60分,实际操作应会;C、理论应知,实际操作应会10、以下属于特种设备作业人员的是(C ) (单选题)A、电工B、架子工C、司炉工11、《中华人民共和国安全生产法》规定:生产经营单位应当在(C ),设置明显的安全警示标志。
锅炉司炉工考试题一、填空题1. 为防止汽包壁温差超限,在锅炉上水时应严格控制。
2. 表征火力发电厂生产技术完善程度和经济效果的最有效的指标是。
3. 炉膛负压瞬间最大、水位下降、气压、气温下降、主汽流量增大〔并列时减少〕,这是发生了的现象。
4. 煤粉在炉内的燃烧过程,大致可分为、和三个阶段。
5. 锅炉发生严重缺水时,此时错误地上水,会引起水冷壁下联箱及汽包产生较大的热应力,甚至导致。
6. 锅炉严重满水时,汽温,蒸汽管道会发生。
7. 在锅炉点火初期,控制进入炉膛的燃料量是为了满足汽包壁温差的要求和防止受热面被烧坏。
8. 锅炉在、、和燃烧不稳定等情况下,都会出现虚假水位。
9. 锅炉产生蒸汽热偏差的原因有、和设计安装造成的构造缺陷。
10. 燃料量变动,炉膛出口烟温就会发生变动,烟气流速也会变化,这样就必然引起炉内的改变;从而使发生变化。
二、判断题〔在括号内作出记号:√表示对,×表示错〕1. 受热面定期吹灰的目的是降低受热面的壁温差。
〔〕2. 加强水冷壁吹灰时,将使过热蒸汽温度升高。
〔〕3.当汽压降低时,由于饱和温度降低,将使局部水蒸发,将引起锅炉水体积膨胀。
〔〕4. 送入炉内的空气量越多,燃烧越完全。
〔〕5. 煤粉迅速而完全燃烧的条件是充足的燃烧时间。
〔〕6. 在锅炉蒸发量不变的情况下,给水温度降低时,过热蒸汽温度升高,其原因是燃料量增加。
〔〕7. 在蒸发设备中,水由饱和水变成饱和蒸汽。
〔〕8. 烟道内有泄露响声,排烟温度降低,两侧烟温,风温偏差大,给水流量不正常地大于蒸汽流量,据此可判断水冷壁管损坏〔〕9. 调节锅炉点火升压速度的主要手段是控制好燃料量。
〔〕10. 锅炉升温升压过程中,屡次进展排污、放水,其目的是为了提高蒸汽品质。
〔〕11. 尾部烟道的漏风量增加,会导致过热器出口汽温升高。
〔〕12. 为防止炉膛出现正压和缺风现象,原则上应先增大送风,再增大引风,然后增燃料量〔〕三、选择题1. 炉膛负压和烟道负压剧烈变化,排烟温度不正常升高,烟气中含氧量下降,热风温度,省煤器出口温度不正常升高,此现象说明发生〔〕。
三级司炉工培训考试卷一、判断题、、《锅炉房安全管理规则》规定,锅炉房通向室外的门应向外开,在锅炉运行期间,不准锁住或闩住。
(∙ ) 、当内部检验和外部检验同在一年进行时,应首先进行内部检验,然后再进行外部检验。
( ) 、当温度达到油的闪点时,燃料油就能着火燃烧。
( )、燃料发热量的大小取决于燃料中可燃成分和数量。
( )、止回阀是依靠阀前、阀后流体的压力差而自行启闭。
☎ ✆、为确保省煤器在启动及甩负荷时的冷却,应采取向空排汽的措施。
( )、锅炉运行时,必须经常监视压力表的指示,保持气压稳定,并不超过额定工作压力。
( ) 、烟气中水蒸汽开始凝结的温度称为露点,露点越高越好。
( )、 离心泵启动时不必将泵壳内充满水。
( )、锅炉受件元件部件的主要缺陷包括:裂纹、起槽、过热、变形、泄漏、腐蚀、磨损和水垢。
( ) 、锅炉风机按其工作原理不同分为离心式和轴流式两大类。
( )、《蒸汽锅炉安全技术监察规程》规定,使用锅炉的单位应执行排污制度。
定期排污应在低水位( ) 、不同压力的排污管、疏水管和放水管不应放入同一母管中。
( )、采用焊接的法修理锅炉受压元件时严禁带水焊接( )、《安全生产法》规定:从业人员发现直接危及人身安全的紧急情况时,有权停止作业或者在采取可能的应急措施后撤离作业场所。
( )、使用合格的特种设备是保证特种设备安全运行的最基本的条件。
( )、停止离心泵前应将入口阀逐渐关小,直至全关。
( )、锅炉运行中氧量越多越好( )、影响高压锅炉水冷壁管外壁腐蚀的主要因素是飞灰速度。
( )、化学除盐设备对进水水质没有什么要求。
( )、锅炉停用半年以上应采用干法保养。
( )、过热器是布置在炉膛上方或出口烟气温度较高处,用蛇形排管方式吸收高温烟气的温度加热管内流经的饱和蒸汽的受压部件。
( )、蒸汽锅炉机组必须装设监测锅筒蒸汽压力、水位的仪表,以保证锅炉安全运行。
( )、在自然循环锅炉中,通过循环可以将水全部转化为蒸汽。
•三级锅炉司炉•第1题《锅炉房安全管理规则》规定,锅炉房通向室外的门应()开,在锅炉运行期间,不准锁住或闩住。
()A、向外B、向内正确答案:A第2题擅自变更使用条件进行过非法修理改造的,不得申请变更登记。
()()A、正确;B、错误正确答案:A第3题特种设备使用单位应当对在用特种设备安全附件、安全保护装置、测量调控装置及有关附属仪器仪表进行定期校验、检修,并作出记录。
()()A、正确B、错误正确答案:A第4题锅炉房不应直接设在聚集人多的房间(如公共洽室、教室、餐厅、影剧院的观众厅、侯车室等)或在其上面、下面、贴邻或主要疏散口的两旁。
( )()A、正确B、错误正确答案:A第5题当内部检验和外部检验同在一年进行时,应首先进行内部检验,然后再进行外部检验。
()()A、正确;B、错误正确答案:A•第6题锅炉超过检验周期,须等检验部门检验合格后,方可投入使用。
()()A、正确B、错误正确答案:A第7题锅炉内部检验的结论分为4种,下列( ) 不是内部检验的结论。
()A、允许运行B、监督运行C、整改后运行D、限制条件运行正确答案:B第8题特种设备使用单位对在用特种设备应当至少()进行一次自行检查,并作出记录。
()A、每季;B、每月;C、每15天;D、每周正确答案:B第9题任何工作人员发现有违反有关规程,并足以危及人身和设备安全者,应()。
()A、进行劝阻;B、汇报领导;C、请示安监部门;特种设备作业人员应当按照国家有关规定经特种设备安全监督管理部门考核合格,取得国家统一格式的(),方可从事相应的作业或管理。
()A、特种设备作业人员证书;B、操作证;C、IC卡;D、资格证正确答案:A•第11题特种设备使用单位应当对特种设备作业人员进行特种设备安全教育和培训,保证特种设备作业人员具备必要的()。
()A、操作证;B、安全作业知识;C、文化知识;D、上岗证正确答案:B第12题《蒸汽锅炉安全技术监察规程》不适用于()和原子能锅炉。
()A、水容量小于30L的固定式承压蒸汽锅炉B、电站锅炉C、锅炉范围内管道正确答案:A第13题作业人员培训的内容按照()等安全技术规范执行。
()A、国家统编教材;B、培训重点;C、国家质检总局制定的相关作业人员培训考核大纲;D、省级质量技术监督局制定的相关作业人员培训考核大纲正确答案:C第14题《安全生产法》规定的安全生产管理方针是()。
()A、安全第一、预防为主;B、安全为了生产、生产必须安全;C、安全生产人人有责正确答案:A第15题特种设备作业人员,应当按照国家有关规定经特种设备安全监督管理的部门考核合格,取得国家统一格式的()证书,方可从事相应的作业或者管理工作。
()A、特种设备作业人员B、许可C、安全正确答案:A•第16题锅炉()的,使用单位不需要向登记机关申请变更登记。
()A、操作人员变更;B、安全状况发生变化;C、长期停用;D、移装或者过户正确答案:A第17题《国务院关于修改〈特种设备安全监察条例〉的决定》国务院549号令中,下列()情行均属条例范围内的事故分类。
()A、特别重大事故B、重大事故C、严重事故D、一般事故正确答案:ABD第18题根据规定要求,在用锅炉定期检验工作包括 ( )。
()A、内部检验B、外部检验C、气密试验D、水压试验正确答案:ABD第20题某司炉工在操作锅炉期间,发现装在汽空间的压力表全部损坏,此时司炉工应采取的措施是 ( )()A、向领导报告B、立即停炉C、立即进行抢修D、记入运行启示中正确答案:BD第21题当温度达到油的闪点时,燃料油就能着火燃烧。
()()A、正确;B、错误正确答案:B第22题燃料发热量的大小取决于燃料中可燃成分和数量。
()()A、正确B、错误正确答案:A第23题煤发热量的计量单位是()。
()A、kJ/kgB、kJ/tC、kJ/gD、kJ/h正确答案:A第24题炉膛内烟气(火焰)对水冷壁的主要换热方式是( )。
()A、对流;B、辐射;C、导热;D、复合换热。
正确答案:B第25题传热就是热量在()作用下从一个物体传递至另一个物体,或者在同一物体的各个部分之间进行传递的过程。
()A、压力差B、温度差C、湿度差D、磁场力正确答案:B•锅炉作业- 三级锅炉司炉•第26题燃煤中的灰粉熔点越高越 ( )()A、不容易结焦B、越容易结焦C、容易灭正确答案:A第27题传热的基本方式()。
()A、导热B、传递C、对流D、辐射正确答案:ACD第29题为防止燃料油在低温下凝固,一般可采用伴热方式有: ( ) 。
()A、蒸汽伴热管伴热B、火焰伴热C、套管伴热正确答案:AC第30题气体燃料的燃烧可分为: ( ) 。
()A、扩散式燃烧B、部分预混式燃烧C、完全预混式燃烧D、紊流式燃烧正确答案:ABC•第31题燃料管理的核心是进行燃料量和质的管理。
()A、是B、否正确答案:A第32题蒸汽蓄热器的放热过程:当外界需要用汽,打开蓄热器出口阀门,使容器内压力下降,高压饱和水过热沸腾而蒸发汽化。
()A、是B、否正确答案:A第33题锅炉房能量转换效率是指锅炉房输出的有效能量占输入能量的百分比。
()A、是B、否正确答案:A第34题锅炉运行管理应对排烟温度、过剩空气系数、灰渣的含碳量等监测指标明确控制范围。
()A、是B、否正确答案:A第35题锅炉房输入能量为锅炉房燃料带入能量,不包括锅炉房电能。
()A、是B、否正确答案:B锅炉作业- 三级锅炉司炉第36题集中供热和分散供热相比,节约燃料。
()第37题锅炉各项损失中,损失最大的是()。
()A、散热损失;B、化学未完全燃烧损失;C、排烟热损失;D、机械未完全燃烧损失。
正确答案:C第38题锅炉房能量单耗的单位是( )。
()A、千克标煤/千克标汽B、千克标煤/吨蒸汽C、千克标煤/吨标汽D、吨标煤/吨标汽正确答案:C第39题炉膛负压增加会使锅炉热效率 ( ) 。
()A、增加B、不变C、减少正确答案:C第40题《锅炉大气污染物综合排放标准》(GB13271-2001)规定,锅炉氮氧化物最高允许排放浓度为: ( ) mg/m3。
()A、300B、400C、500正确答案:B锅炉作业- 三级锅炉司炉第41题排污水热量利用的常用装置是( )。
()A、锅炉排污管道B、锅炉排污阀C、锅炉分气缸D、排污膨胀器正确答案:D第42题根据GB 13271-2001《锅炉大气污染物排放标准》,燃轻柴油锅炉烟尘在二、三类区最高允许排放浓度为()()A、50 mg/m3B、80 mg/m3C、100 mg/m3D、150 mg/m3正确答案:C第43题火力发电厂排出的烟气会造成大气的污染,其主要污染物是()。
()A、二氧化硫;B、粉尘;C、氮氧化物;D、微量重金属。
正确答案:AC第44题排烟热损失与下列哪些因素有关()()A、排烟温度B、排烟处过量空气系数C、炉体外表面温度D、炉渣含碳量正确答案:ABA、排烟热损失B、气体未完全燃烧热损失C、固体未完全燃烧热损失D、灰渣物理热损失正确答案:ABCD•锅炉作业- 三级锅炉司炉•第46题引风机的 ( ) 比鼓风机大。
()A、容量B、风量正确答案:B第47题止回阀是依靠阀前、阀后流体的压力差而自行启闭。
()()A、正确B、错误正确答案:A第48题为确保省煤器在启动及甩负荷时的冷却,应采取向空排汽的措施。
( )()A、正确;B、错误正确答案:B第49题层燃锅炉经常压火,使炉顶管子外壁产生硫腐蚀损坏。
()()A、正确B、错误正确答案:A第50题锅炉运行时,必须经常监视压力表的指示,保持气压稳定,并不超过额定工作压力。
()()A、正确B、错误正确答案:A•锅炉作业- 三级锅炉司炉•第51题对同一台锅炉而言,负荷高时散热损失较小,负荷低时散热损失较大。
()()A、正确;B、错误正确答案:A第52题烟气中水蒸汽开始凝结的温度称为露点,露点越高越好。
()()A、正确B、错误正确答案:B第53题离心泵启动时不必将泵壳内充满水。
()()A、正确;B、错误正确答案:B第54题影响高压锅炉水冷壁管外壁腐蚀的主要因素是飞灰速度。
()()第55题锅炉受件元件部件的主要缺陷包括:裂纹、起槽、过热、变形、泄漏、腐蚀、磨损和水垢。
()()A、正确B、错误正确答案:A•锅炉作业- 三级锅炉司炉第56题锅炉风机按其工作原理不同分为离心式和轴流式两大类。
()()A、正确B、错误正确答案:A第57题《蒸汽锅炉安全技术监察规程》规定,使用锅炉的单位应执行排污制度。
定期排污应在()()A、低负荷下进行,同时严格监视水位。
B、低水位正确答案:A第58题不同压力的排污管、疏水管和放水管不应放入同一母管中。
()()A、正确;B、错误正确答案:A第59题汽水分离器是使蒸汽和水彼此分离的装置。
()A、是B、否正确答案:A第60题锅炉凝结水是指蒸汽经生产设备或采暖设备进行热交换冷凝后的水,也称冷凝水。
()A、是B、否正确答案:A第61题水冷壁受热面无论是积灰、结渣或积垢,都会使炉膛出口烟温()。
()A、不变;B、增加;C、减小;正确答案:B第62题油的燃烧过程为()。
()A、蒸发-着火—混合—燃烧;B、蒸发-混合—着火—燃烧;C、混合-蒸发—着火—燃烧正确答案:B第63题机组正常运行中,汽包水位、给水流量、凝结水量均不变情况下,除氧器水位异常下降,原因是()。
()A、锅炉后部件泄漏;B、给水泵自循环阀强开;C、高压加热器事故疏水阀动作;正确答案:C第64题在锅炉运行中,()带压对承压部件进行焊接、检修、紧螺丝等工作。
()正确答案:B第65题对安全阀进行定期排放试验的目的是为了防止()。
()A、弹簧老化B、阀杆变形C、阀芯堵塞D、阀芯粘连正确答案:D第66题锅炉煮炉时,炉水不允许进入()。
()A、汽包;B、水冷壁;C、过热器;正确答案:C第67题工作许可人对检修工作负责人正确说明()。
()A、设备名称;B、哪些设备有压力温度和爆炸危险等;C、设备参数;D、设备作用。
正确答案:B第68题超压联锁保护装置动作应在较低压力安全阀启跳动作()。
()A、之前;B、之后;C、同时正确答案:A第69题锅炉进行超压水压试验时,云母水位计()。
()A、也应参加水压试验;B、不应参加水压试验;C、是否参加试验无明确规定;正确答案:B第70题锅炉校正安全阀的顺序是()。
()A、以动作压力为序,先低后高;B、以动作压力为序,先高后低;C、先易后难;D、先难后易正确答案:B第71题燃油(气)锅炉的负荷控制就是对 ( ) 进行的控制。
()A、压力B、温度C、风门D、燃烧状况正确答案:D第72题防止苛性脆化的方法之一()。
()A、提高PH值B、加碱C、控制相对碱度D、除氧正确答案:C第73题锅炉燃烧时,炉膛内的风压一般控制在 ( ) 。
()第74题防止制粉系统爆炸的主要措施有()。