ML型梅花形弹性联轴器的基本参数和主要尺寸(符合GB5272-85)
- 格式:docx
- 大小:119.91 KB
- 文档页数:2
梅花垫标准
文稿归稿存档编号:[KKUY-KKIO69-OTM243-OLUI129-G00I-FDQS58-
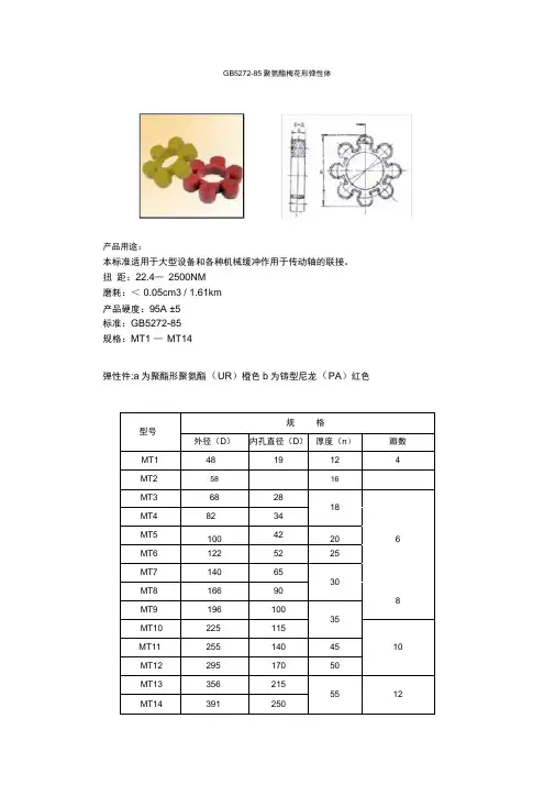
GB5272-85聚氨酯梅花形弹性体
产品用途:
本标准适用于大型设备和各种机械缓冲作用于传动轴的联
接。
扭距:22.4—2500NM
磨耗:<0.05cm3/1.61km
产品硬度:95A±5
标准:GB5272-85
规格:MT1—MT14
弹性件:a为聚酯形聚氨酯(UR)橙色b为铸型尼龙(PA)红色MT1D48d19n124瓣
MT2D58dn164瓣
MT816690
8 MT9196100
35
MT10225115
10 MT1125514045
MT1229517050
MT13356215
5512 MT14391250
GR形联轴器弹性体,星形联轴器用弹性缓冲垫
产品用途:
此产品和星型弹性联轴器都是一种先进的轴联接装置,广泛用于轧钢、起重、锻压、石油等大型设备和其它各种机械设备的传动轴端联接。
扭矩:22.4~2500NM
磨耗:<0.05cm3/1.61km
产品硬度:92A±2
使用温度::-40~1000C
型号
规格
外径(D)
内孔直径
(D)
厚度
(n
)
厚度
(n
)
瓣数
GR19401814.5126
T型梅花六角水泵对轮垫
性能及用途:
本产品适用于水泵及各传动机械连接起弹性缓冲作用。
使用温度:-400C~+800C
产品硬度:95A±5.75A±5
规格:T40—T200。
MLPK 联轴器安装使用说明书SERIES MLPK COUPLINGSFITTING AND USE MANUAL(GB5272-85)STANDARD NO. (GB5272-85)上海振华港机(集团)宁波传动机械有限公司 ZPMC Ningbo Transmission Machinery Co.,LtdMLPK型带制动盘梅花形弹性联轴器安装使用说明书 INSTALLATION INSTRUCTION OF TYPE MLPK COUPLING WITH ELASTIC SPIDER一、 MLPK型带制动盘梅花形联轴器的结构、主要特点和适用范围1、MLPK型带制动盘梅花形弹性联轴器主要有主动端半联轴器2、从动端半联轴器6、法兰3、梅花形弹性元件1、制动盘4和螺栓5组成(见图1)。
2、MLPK型带制动盘梅花形联轴器的特点是结构简单,零件数量少,制造容易,外形尺寸小,工作可靠,不需维护,具有一定的轴向、径向和角向补偿能力,连接梅花法兰可整体取出,便于更换弹性体而不移动设备。
梅花弹性体以聚氨酯橡胶为主,不但具有高的弹性和耐磨性,而且耐冲击,并有耐油性等优点。
3、MLPK型带制动盘梅花形联轴器主要适用于启动频繁、正反转、中高速、中等扭矩和要求高可靠性场合,工作环境温度-35O C~+80O C二、 MLPK型带制动盘梅花形联轴器的安装和调整(一)、安装1、安装注意事项:1.1 在装配前,必须将联轴器的各零部件清洗干净1.2 检查弹性体外形要光滑、平整、工作面不得有麻点,内部不得有杂质、气泡、裂纹等缺陷。
1.3安装时检查半联轴器、制动盘表面不得有裂纹和其他缺陷。
2、安装:2.1安装时应将制动盘的半联轴器置于输出端(见图1),以便在电机卸载时仍能保持制动力矩,确保工作机械的安全运行。
而且,制动时制动力矩不通过弹性元件,可延长联轴器的使用寿命。
2.2为了保证联轴器的工作性能,安装时必须按以下步骤进行找正:2.2.1分别将主动端半联轴器和从动端半联轴器套装在轴上(一般采用热装法)。
GB5272-85聚氨酯梅花形弹性体产品用途:本标准适用于大型设备和各种机械缓冲作用于传动轴的联接。
扭 距:22.4— 2500NM 磨耗:< 0.05cm3 / 1.61km 产品硬度:95A ±5 标准:GB5272-85 规格:MT1 — MT14弹性件:a 为聚酯形聚氨酯(UR )橙色b 为铸型尼龙(PA )红色型号规格外径(D )内孔直径(D ) 厚度(n )瓣数 MT1 4819124MT2 5816MT3 68 28 18MT4 82 34MT5 100 42 206MT6 122 52 25MT7 140 6530MT8 166 908MT9 196 100 35MT10 225 115MT11 255 140 4510MT12 295 170 50MT13356 215 5512MT14391250GR 形联轴器弹性体,星形联轴器用弹性缓冲垫产品用途:此产品和星型弹性联轴器都是一种先进的轴联接装置,广泛用于轧钢、起重、锻压、石油等大型设备和其它各种机械设备的传动 轴端联接。
扭矩:22.4~2500NM 磨 耗:< 0.05cm3 / 1.61km 产品硬度:92A 戈 使用温度::-40~100 0 C型号规格外径(D )内孔直径(D ) 厚度 (n ) 厚度(n ) 瓣数GR19 40 18 14.5 12 6 GR24 54 26 15.2 14 8 GR28 65 30 19 15 8 GR38 80 38 22 18 8 GR42 95 46 24 20 8 GR48 104 51 25.5 20.5 8 GR55 120 60 27 22 8 GR65 135 68 32 26 8 GR75 161 81 37 30 10 GR90199 100 4234 10 GR1002241113810性能及用途:本产品适用于水泵及各传动机械连接起弹性缓冲作用 使用温度:-40 0C ~+80 0C 产品硬度:95A ±5.75Ai5 规格:T40—T200产品第号D 卦径d 内径H»®爪数P4040 ta ID6伽4520 10 654 27 1&— _ _____________ e1 624Z 30 1 >16& 30 :51 6T-75 75 35 15 dT 79 旳156 TW VO6T^4 Q4 45 JflgJT-104 104 5$ 23 6r 108 阿 &5 24AM26 126 fiS- 2BT 133 iaa 60 25 6 hi 54 ISd 79 27 6 LI70 170 eo ?e 6 T 175 i 厲65 JO 8 T 160 Tio90 306T^OO200iao前6iT 型梅花六角水泵对轮垫。
联轴器尺寸查找表建议选用:弹性套柱销联轴器凸缘联轴器(摘自GB/T5843-1986) mm标记示例:YL5联轴器442860301⨯⨯B J J GB/T5843-1986 1、4—半联轴器主动端:J 型轴孔,A 型键槽,d=30mm , L 1=60mm 2—螺栓从动端:J 1型轴孔,B 型键槽,d=28mm , L 1=44mm 3-尼龙锁紧螺帽型号公称转矩T n /(N·m)许用转速n/(r/min) 轴孔直径* d(H7)轴孔长度DD 1螺栓L 0 质量m/kg转动惯量I/(kg·m 2)Y 型 J 、J 1型 数量**直径 Y 型J 、J 1型铁钢L L 1 YL5YLD 5635500900022, 245238105854(4)M8108 803.190.01325, 2862441289230, (32) 82 60 168 124 YL6YLD610052008000245238110904(4)M8108803.990.01725, 2862441289230, 32. (35)82 60 168 124 YL7YLD716048007600286244120954(3)M10128925.660.02930, 32, 35, 388260168124(40)112 82228172YL8YLD8 2504300700032, 35, 3882601301051691257.290.04340, 42, (45)11284229173型号公称转矩T n/(N·m)许用转速n/(r/min)轴孔直径*d(H7)轴孔长度D D1螺栓L0质量m/kg转动惯量I(kg·m2)Y型J、J1型数量**直径Y型J、J1型铁钢L L1YL9YLD9 400 4100 680038 82 60140 1156(3)M10169 1259.53 0.06440, 42, 45, 48, (50)112 84 229 173YL10YLD10 630 3600 600045, 48, 50, 55, (56)160 1306(4)M1212.46 0.112(60) 142 107 289 219YL11YLD11 1000 3200 530050, 55, 56 112 84180 1508(4)229 17317.97 0.20560, 63, 65, (70)142 107 289 219YL12YLD12 1600 2900 470060, 63, 65, 70, 71,75200 17012(6)30.62 0.443(80) 172 132 349 269 29. 52 0.463YL13YLD13 2500 2600 430070, 71, 75 142 107220 1858(6)M16289 21935.58 0.64680, 85, (90) 172 132 349 269注:1.“*”栏内带()的轴孔直径仅适用于钢制联轴器。
带制动轮型梅花形弹性联轴器常见型号:MLL-I制动轮梅花形弹性联轴器,LMZ-I型分体式制动轮梅花形弹性联轴器,MLL-II型整体式制动轮梅花形弹性联轴器,LMZ-II型整体式制动轮梅花形弹性联轴器。
1.LMZ-I(MLL-I)型分体式制动轮梅花形弹性联轴器主要由两个带凸齿密切啮合并承受径向挤压以传递扭矩,当两轴线有相对偏移时,弹性元件发生相应的弹性变形,起到自动补偿作用。
2.梅花形弹性联轴器主要适用于起动频繁、正反转、中高速、中等扭矩和要求高可靠性的工作场合,例如:冶金、矿山、石油、化工、起重、运输、轻工、纺织、水泵、风机等。
工作环境温度-35℃~+80℃,传递公称扭矩25~12500Nm,许用转速1500~15300r/min。
3.与其它联轴器相比,梅花形弹性联轴器具有以下特点:(1)工作稳定可靠,具有良好的减振、缓冲和电绝缘性能。
(2)结构简单,径向尺寸小,重量轻,转动惯量小,适用于中高速场合。
(3)具有较大的轴向、径向和角向补偿能力。
(4)高强度聚氨酯弹性元件耐磨耐油,承载能力大,使用寿命长,安全可靠。
(5)联轴器无需润滑,维护工作量少,可连续长期运行。
1.LMZ-Ⅱ(MLL-Ⅱ)系列梅花形弹性联轴器主要由两个带凸齿密切啮合并承受径向挤压以传递扭矩,当两轴线有相对偏移时,弹性元件发生相应的弹性变形,起到自动补偿作用。
2.梅花形弹性联轴器主要适用于起动频繁、正反转、中高速、中等扭矩和要求高可靠性的工作场合,例如:冶金、矿山、石油、化工、起重、运输、轻工、纺织、水泵、风机等。
工作环境温度 -35℃~+80℃,传递公称扭矩25~12500Nm,许用转速1500~15300r/min。
3.与其它联轴器相比,梅花形弹性联轴器具有以下特点:(1)工作稳定可靠,具有良好的减振、缓冲和电绝缘性能。
(2)结构简单,径向尺寸小,重量轻,转动惯量小,适用于中高速场合。
(3)具有较大的轴向、径向和角向补偿能力。
梅花形弹性联轴器是由两个带凸爪形状相同的办联轴器和弹性元件组成,利用梅花形弹性元件置于两半联轴器凸爪之间,以实现两半联轴器的连接。
具有补偿两轴相对于偏移、减震、缓冲、径向尺寸小、结构简单、不用润滑、承载能力较高、维护方便等特点,基本型梅花形弹性联轴器更换弹性元元件时两半联轴器需沿轴向移动,双法兰型可不用轴向移动联轴器即可更换弹性元件。
适用于联接两同轴线、起动频繁、正反转变化、中低速、中小功率传动轴系、要求工作可靠性高的工作部位,基本型梅花弹性联轴器不适用于重载及轴向尺寸受限制、更换弹性元件后两轴线对中困难的不稳。
标准修改后,梅花形弹性元件的材料有聚氨酯、和铸型尼龙两种。
根据不同工况条件选用不同材料,如风机、水泵、轻工、纺织等工作平稳、载荷变化不大时,可选用聚氨酯。
两种材料的价格相差较大。
1.梅花形弹性联轴器的强度计算梅花形弹性联轴器的强度计算主要是校核弹性元件受载时承压面的压强。
p=)(162221D D Zb Te≤[p]式中 Te ——联轴器的计算转矩,N ·mm;Z ——梅花形弹性元件梅花瓣数;B ——梅花形弹性元件轴向宽度,mm ;[p]——弹性元件材料的许用压强,N/mm ².当用橡胶材料时,一般取[p]=1.8~2N/mm ²; 载荷平稳转速不高时,许用压强可提高1倍以上;用聚氨酯材料时,可取[p]=2.5~3N/mm ²;用铸型尼龙材料时,[p[=3.5~4N/mm ²。
2.刚度计算压缩刚度t C 和剪切刚度r C 近似计算t C =h AE a r C =h AG n式中 A ——梅花形弹性元件承压面和剪切面积,mm ²;a E ——弹性元件材料弹性模量,N/mm ²;a G ——弹性元件材料剪切模量,N/mm ²;H ——梅花形弹性件的厚度,mm 。
·LM型梅花形弹性联轴器结构型式图·新乡市德隆起重机配套有限公司梅花形弹性联轴器结构形式图·LM型梅花形弹性联轴器基本参数和主要尺寸(GB/T—2002)(单位:mm)·新乡市德隆起重机配套有限公司梅花形弹性联轴器参数。
梅花型联轴器是机械传动中主要用来连接两个转动轴,从而达到传递扭矩或旋转角度的机械零部件;也可以用于安全装置的设备保护;运动过程中轴与轴之间不能分离,只能在设备停止运转时方可拆分分离。
梅花型联轴器以聚氨脂塑料为弹性元件与二半联轴器主体紧密组合,主体以进口配方合金铝为主. 中间聚氨脂塑料元件以独有配方配制,具有耐磨性高抗温性好韧性强,与一般普通塑胶件质量稳定耐用. 梅花型体有六瓣和八瓣,根据客户要求定制. 固定方式有键槽.
梅花型联轴器的选择要领:
①容许额定扭矩-是联轴器实际使用时承受的扭矩容许
值.
②容许最大扭矩-是联轴器使用时损坏的最大临界值.
③容许最高转速-需要在选型时确定电机的转速在此范围内.
④容许偏心-两轴的轴心平行偏差的容许值.
⑤容许偏角-两轴之间形成的相互角度容许值.
⑥容许轴向偏差-两轴轴向移动的位移容许值.
例:LS10-26-0406
LS10:系列号,材料为铝合金
26:外径尺寸:26MM,定位螺丝固定
04:D1轴径为:4MM
06:D2轴径为:6MM
梅花型联轴器特点:
1.中间弹性体联接
2.可吸收振动、补偿径向、角向和轴向偏差
3.抗油与电气绝缘
4.顺时针与逆时针回转特性完全相同
5.有两种不同的硬度弹性体
6.定位螺丝固定。
GB5272-85聚氨酯梅花形弹性体
产品用途:
本标准适用于大型设备和各种机械缓冲作用于传动轴的联接。
扭距:22.4—2500NM
磨耗:<0.05cm3/1.61km
产品硬度:95A±5
标准:GB5272-85
规格:MT1—MT14
弹性件:a为聚酯形聚氨酯(UR)橙色b为铸型尼龙(PA)红色MT1D48d19n124瓣
MT2D58dn164瓣
MT51004220
MT61225225
MT714065
30
MT816690
8 MT9196100
35
MT10225115
MT1125514045
10 MT1229517050
MT13356215
5512 MT14391250
GR形联轴器弹性体,星形联轴器用弹性缓冲垫
产品用途:
此产品和星型弹性联轴器都是一种先进的轴联接装置,广泛用于轧钢、起重、锻压、石油等大型设备和其它各种机械设备的传动轴端联接。
扭矩:22.4~2500NM
磨耗:<0.05cm3/1.61km
产品硬度:92A±2
使用温度::-40~1000C
T型梅花六角水泵对轮垫
性能及用途:
本产品适用于水泵及各传动机械连接起弹性缓冲作用。
使用温度:-400C~+800C
产品硬度:95A±5.75A±5
规格:T40—T200。
GB5272-85聚氨酯梅花形弹性体产品用途:本标准适用于大型设备和各种机械缓冲作用于传动轴的联接。
扭 距:22.4—2500NM 磨 耗:< 0.05cm3 / 1.61km 产品硬度:95A ±5 标 准:GB5272-85 规 格:MT1—MT14弹性件: a 为聚酯形聚氨酯(UR) 橙色 b 为铸型尼龙(PA) 红色MT1 D48 d19 n12 4瓣 MT2 D 58 d n 16 4瓣型号 规 格外径(D ) 内孔直径(D ) 厚度(n)瓣数 MT1 4819 124MT2 5816MT3 68 28 18 6MT4 82 34 MT5 100 42 20 MT6 122 52 25 MT7 140 65 30MT8166908MT9 196 100 35 MT10 225 115 10MT11 255 140 45 MT12 295 170 50 MT13 356 215 5512 MT14391250GR 形联轴器弹性体, 星形联轴器用弹性缓冲垫产品用途:此产品和星型弹性联轴器都是一种先进的轴联接装置,广泛用于轧钢、起重、锻压、石油等大型设备和其它各种机械设备的传动轴端联接。
扭 矩:22.4~2500NM 磨 耗:< 0.05cm3 / 1.61km 产品硬度:92A ±2 使用温度: :-40~100 0 C型号规 格外径(D )内孔直径(D ) 厚度(n ) 厚度(n ) 瓣数GR19 40 18 14.5 12 6 GR24 54 26 15.2 14 8 GR28 65 30 19 15 8 GR38 80 38 22 18 8 GR42 95 46 24208GR481045125.5 20.5 8GR55 120 60 27 22 8 GR65 135 68 32 26 8 GR75 161 81 37 30 10 GR90 199 100 42 34 10 GR100 224 111 38 10T型梅花六角水泵对轮垫性能及用途:本产品适用于水泵及各传动机械连接起弹性缓冲作用。
LM(ML)系列梅花联轴器镇江德瑞机械有限公司(提供) 电话:0511-******** 传真:0511-******** LMZ-Ⅱ(MLL-Ⅱ)型梅花联轴器工作原理:LMZ-Ⅱ(原MLL-Ⅱ)型带制动轮梅花形弹性联轴器是由两个带凸爪形状相同的半联轴器和弹性元件组成,利用梅花形弹性元件置于两半联轴器凸爪之间,以实现两半联轴器的联接.LMZ-Ⅱ(原MLL-Ⅱ)型带制动轮梅花形弹性联轴器是由两个带凸爪形状相同的半联轴器和弹性元件组成,利用梅花形弹性元件置于两半联轴器凸爪之间,以实现两半联轴器的联接。
具有补偿两轴相对偏移、减振、缓冲、径向尺寸小、结构简单、不用润滑、承载能力较高、维护方便等特点,但更换弹性元件时两半联轴器需沿轴向移动。
适用于联接两同轴线、起动频繁、中低速、中小功率传动轴系、要求工作可靠性高的工作部位,不适用于重载及轴向尺寸受限制、更换弹性元件后两轴线对中困难的部位。
标准修订后,梅花形弹性元件的材料有聚氨脂和铸形尼龙两种。
根据不同工况条件选用不同材料,如风机、水泵、轻工、纺织等工作平稳、载荷变化不大时,可选用聚氨脂。
两种材料的价格相差较大。
MLL-Ⅱ型带制动轮梅花形弹性联轴器基本性能参数和主要尺寸:型号公称转矩Tn许用转速n/轴孔直径轴孔长度L0D0 B D D1S弹性件质量d1,d2,d z Y Z,J型号kgN. m minL L L1MLL4-II-16250 475025,28 62 44 621911670105653.5MT41030,32,35,38 82 60 8221140,4211284112266MLL4-II-203800 25,28 62 44 62216208514 30,32,35,38 82 60 8223640,4211284112266MLL5 -II-20 0 4030,32,35,38 82 60 82242 12575 4MT516.5 40,42,45,4811284112272MLL6-II-20630 35,38 82 60 82249145854.5MT620.5 40,42,45,48,48,50,5511284112279MLL6-II-253050 35,38 82 60 822792510525.6 40,42,45,48,48,50,5511284112309MLL7-II-251120 45,48,48,50,551128411231217105.5MT731.4 60,63,65142107142372MLL7-II-3152400 45,48,48,50,551128411231231513538.2 60,63,65142107142372MLL8 -II-31 5 180050,5511284112351 20126.5MT855.5 60,63,65,70,71,75142107142416MLL8-II-401900 50,5511284112351401775.3 60,63,65,70,71,75142107142416MLL9-II-402800 60,63,65,70,71,7514210714242123157.5MT992.9 80,85,90,95172132172451MLL9-II-501500 60,63,65,70,71,751421071422755021138 80,85,90,95172132172505MLL1 0-II-5 00 450070,71,76142107142492618MT1180 80,85,90,9517213217252100,11021216721256MLL1 1-II-6 30 6300120080,85,90,95172132172580 6326530208.5MT11250 100,110,12021216721262MLL1 2-II-7 10 11200105090,95172132172630 7130362259MT12290 100,110,120,125,13021216721267MLL1 3-II-8 00 125095100,110,120,125,130212167212710 80344025MT1332130,14025220225275镇江德瑞机械有限公司(提供)LMZ-I(MLL-I)型梅花联轴器LMZ-I(原MLL-I)型分体式制动轮梅花形弹性联轴器(GB5272-2002替代GB5272-85)●LMZ-I型分体式制动轮梅花形弹性联轴器的适用范围和性能特点.LMZ-I型分体式制动轮梅花形弹性联轴器具有以下特点:花形弹性联轴器结构简单,径向尺寸小,重量轻,转动惯量小,适用于中高速场合,梅花形弹性联轴器工作稳定可靠,具有良好的减振、缓冲和电绝缘性能。
梅 花 形 弹 性 联 轴 器一、 概述LM 系列梅花弹性联轴器的适用范围:适用于启动频繁、正反转、中高速、中等转矩合要求可靠性高的工作场合,广泛应用于冶金、矿山、石油、化工、起重、运输、轻工、纺织、水泵、风机等行业或机械中。
允许的工作环境温度为-35º~+80ºC ,传递的公称转矩16~25000N.m ,许用转速为950~8500r/min 。
LM 系列梅花弹性联轴器的特性:1. 具有良好的减振、缓冲合电绝缘性能,工作稳定可靠;2. 结构简单,径向尺寸小,重量轻,转动惯量小,使用于中高速场合;3. 有较大的轴向、径向和角向补偿能力;4. 高强度弹性元件,耐油耐磨,承载能力大,使用寿命长,安全可靠。
5. 不需润滑,维护工作量很少,可长期连续运行;6. LMS 和LMPK 型联轴器,具有可分离的结构形式,更换弹性元件时,不必移动设备,大大缩短维修时间。
目前,我公司严格按GB5272-85的要求,开发生产了四大系列39个规格,欢迎广大新老用户选用,我们竭诚为您服务。
二、 ML 梅花形弹性联轴器的标记方法订购联轴器时,务必请按GB3852-1997规定的标记方法标记。
1. LM 型梅花形弹性联轴器的标记方法:例如LM10,主动端轴孔d 1=70,配合长度为142,键槽形式为A 型;从动端d 2=60,配合长度为142,键槽形式为A 型。
标记如下: 主动端轴孔型式 主动端键槽型式 主动端轴孔尺寸 主动端轴孔配合长度国家标准代号从动端轴孔配合长度 从动端轴孔尺寸 从动端键槽型式 从动端轴孔型式 联轴器规格代号 联轴器形式代号 2. LMZ-Ⅰ型带分离式制动轮的梅花形弹性联轴器的标记方法如下:例如LMZ12-Ⅰ,主动端轴孔d 1=70,配合长度为142,键槽形式为A 型;从动端d 2=60,配合长度为142,键槽形式为A 型,制动轮直径为800,宽度为30,制动轮中心线至从动端轴套端面的距离C 为120。
聚氨酯梅花形弹性体产品用途:本标准适用于大型设备和各种机械缓冲作用于传动轴的联接。
扭距:22.4—2500NM磨耗:< 0.05cm3 / 1.61km产品硬度:95A ±5标准:GB5272-85规格:MT1—MT14弹性件: a为聚酯形聚氨酯(UR) 橙色b为铸型尼龙(PA) 红色●LMZ-I型分体式制动轮梅花形弹性联轴器的适用范围和性能特点.1.LMZ-I型分体式制动轮梅花形弹性联轴器主要由两个带凸齿密切啮合并承受径向挤压以传递扭矩,当两轴线有相对偏移时,弹性元件发生相应的弹性变形,起到自动补偿作用。
2.梅花形弹性联轴器主要适用于起动频繁、正反转、中高速、中等扭矩和要求高可靠性的工作场合,例如:冶金、矿山、石油、化工、起重、运输、轻工、纺织、水泵、风机等。
工作环境温度-35℃~+80℃,传递公称扭矩25~12500Nm,许用转速1500~15300r/min。
3.与其它联轴器相比,梅花形弹性联轴器具有以下特点:(1)工作稳定可靠,具有良好的减振、缓冲和电绝缘性能。
(2)结构简单,径向尺寸小,重量轻,转动惯量小,适用于中高速场合。
(3)具有较大的轴向、径向和角向补偿能力。
(4)高强度聚氨酯弹性元件耐磨耐油,承载能力大,使用寿命长,安全可靠。
(5)联轴器无需润滑,维护工作量少,可连续长期运行。
梅花联轴器特点介绍梅花形弹性联轴器,顾名思义,因其弹性体梅花形状而得此名,根据弹性体材质不同可分为:橡胶形梅花联轴、聚氨酯梅花联轴器;通常采纳的弹性体为聚氨酯。
根据其性能及用途可分为:梅花形弹性联轴器、伺服电机用梅花联轴器、夹紧式梅花联轴器等。
具有键槽式、夹紧式、加长式、法兰式等诸多类型可供选择;梅花形弹性联轴器的特点是:1.紧凑型、无齿隙,提供三种不同硬度弹性体;2.可吸收振动,补偿径向和角向偏差;3.结构简单、方便维修、便于检查;4.免维护、抗油及电气绝缘、工作温度20℃-60℃;5.梅花弹性体有四瓣、六瓣、八瓣和十瓣;6.固定方式有顶丝,夹紧,键槽固定。