员工安全培训档案
- 格式:doc
- 大小:117.50 KB
- 文档页数:10
第一章总则第一条为加强企业安全培训工作,规范员工安全培训档案管理,提高员工安全素质,预防安全事故,根据《中华人民共和国安全生产法》及相关法律法规,特制定本制度。
第二条本制度适用于企业所有接受安全培训的员工,包括主要负责人、安全生产管理人员、特种作业人员及其他从业人员。
第三条安全培训档案是记录员工安全培训情况的重要资料,企业应建立健全安全培训档案管理制度,确保档案的完整、准确、及时。
第二章档案内容第四条安全培训档案应包括以下内容:1. 培训人员的基本信息,包括姓名、性别、年龄、岗位、入职时间等;2. 培训计划,包括培训内容、培训时间、培训地点、培训讲师等;3. 培训记录,包括培训课程、培训成绩、培训考核结果等;4. 培训证书,包括安全资格证书、特种作业操作证等;5. 安全生产事故记录,包括事故发生时间、事故原因、处理结果等;6. 安全生产奖惩记录,包括安全培训奖励、安全生产事故处罚等;7. 其他与安全培训相关的资料。
第三章档案管理第五条企业应指定专人负责安全培训档案的管理工作,建立健全档案管理制度,确保档案的完整、准确、及时。
第六条安全培训档案应按照以下要求进行管理:1. 档案分类:根据培训人员、培训内容、培训时间等因素进行分类;2. 档案编号:为每份档案编制唯一编号,便于查询和管理;3. 档案存储:采用电子档案和纸质档案相结合的方式,确保档案的长期保存;4. 档案更新:及时更新档案内容,确保档案的准确性;5. 档案查阅:员工及相关部门需查阅档案时,应履行相关手续,经批准后方可查阅。
第四章档案利用第七条安全培训档案的利用应遵循以下原则:1. 保密原则:未经批准,不得向无关人员泄露档案内容;2. 合法原则:档案利用应合法、合规,不得用于非法目的;3. 适度原则:档案利用应适度,不得滥用。
第五章附则第八条本制度由企业安全管理部门负责解释。
第九条本制度自发布之日起施行。
通过实施本制度,企业将有效规范安全培训档案管理,提高员工安全素质,为预防安全事故提供有力保障。
公司安全教育培训档案管理制度一、目的公司安全教育培训档案管理制度的目的是为了做好公司安全教育培训活动的记录与管理,确保员工的安全教育培训全程跟踪,并提供相关档案资料用于事故调查、证明和备案等。
二、适用范围本制度适用于公司全体员工的安全教育培训档案管理。
三、管理要求1. 安全教育培训档案的建立(1)公司应为每位员工建立安全教育培训档案,并包括员工的个人信息、安全培训计划、培训内容、培训方式、培训时间和地点等相关信息。
(2)安全教育培训档案应由员工所在部门负责人或人力资源部门负责人进行建立,并及时更新维护。
2. 安全教育培训活动的记录(1)公司应组织定期安排员工进行安全教育培训活动,并记录培训内容、培训形式、培训人员、培训时间等信息。
(2)安全教育培训活动的记录应由培训负责人或人力资源部门进行记录,并将记录结果保存至安全教育培训档案中。
3. 安全教育培训档案的管理(1)安全教育培训档案应进行分类归档,按照员工所在部门和培训时间进行管理,并设置相应的检索和查阅机制。
(2)安全教育培训档案应保存至公司规定的电子或纸质档案系统中,确保档案的完整性和可靠性。
(3)对于离职员工的安全教育培训档案,应按照公司规定的时间进行归档备份,并保留在公司档案库中。
4. 安全教育培训档案的使用(1)员工有权查阅自己的安全教育培训档案,对于档案中的错误或不完整之处,可向所在部门负责人或人力资源部门提出更正或补充。
(2)公司可以根据需要提取安全教育培训档案进行事故调查、证明和备案等用途,但需经过相关部门的书面审批。
四、责任与义务1. 所在部门负责人或人力资源部门负责人有责任建立和维护员工的安全教育培训档案,并确保档案的完整和准确。
2. 所有员工有义务参加公司组织的安全教育培训活动,并保障培训过程中的积极性和参与度。
3. 员工有权查阅自己的安全教育培训档案,并提出更正或补充的要求。
五、制度的执行与监督公司应配备专门的安全教育培训档案管理人员,负责制度的执行与监督,并定期进行档案的审查与整理,确保档案的及时更新和维护。
一、档案概述安全教育培训档案是记录企业安全教育培训工作全过程的重要资料,是企业安全管理的重要组成部分。
建立健全安全教育培训档案,有助于提高员工安全意识,提升企业安全管理水平,保障员工生命财产安全。
本要求旨在规范安全教育培训档案的建立、管理和使用。
二、档案范围1. 新员工入职安全教育培训档案;2. 在职员工安全教育培训档案;3. 特种作业人员安全教育培训档案;4. 管理人员安全教育培训档案;5. 安全生产事故应急处理培训档案;6. 其他涉及安全教育培训的相关资料。
三、档案内容1. 培训计划(1)培训名称;(2)培训时间;(3)培训对象;(4)培训目的;(5)培训内容;(6)培训方式;(7)培训师资;(8)培训考核方式。
2. 培训记录(1)培训时间;(2)培训地点;(3)培训对象;(4)培训内容;(5)培训方式;(6)培训师资;(7)培训效果评价。
3. 培训考核(1)考核方式;(2)考核内容;(3)考核结果;(4)考核成绩。
4. 培训档案(1)培训计划;(2)培训记录;(3)培训考核;(4)培训总结;(5)培训反馈;(6)培训改进措施。
5. 特种作业人员安全教育培训档案(1)特种作业人员名单;(2)特种作业人员培训记录;(3)特种作业人员考核记录;(4)特种作业人员证书;(5)特种作业人员复审记录。
6. 管理人员安全教育培训档案(1)管理人员名单;(2)管理人员培训记录;(3)管理人员考核记录;(4)管理人员证书;(5)管理人员复审记录。
7. 安全生产事故应急处理培训档案(1)事故类型;(2)事故发生时间;(3)事故发生地点;(4)事故原因;(5)应急处理措施;(6)事故处理结果。
四、档案管理1. 建立健全安全教育培训档案管理制度,明确档案管理职责。
2. 档案管理人员应具备一定的安全管理知识和档案管理技能,确保档案的完整、准确、及时。
3. 档案应按照分类、编号、归档等要求进行管理,确保档案的有序存放。
第一章总则第一条为加强公司安全培训工作的规范化管理,确保员工安全素质得到有效提升,预防和减少安全事故的发生,特制定本制度。
第二条本制度适用于公司全体员工,包括新员工、转岗员工、临时工等。
第三条本制度旨在建立完善的安全培训员工档案,记录员工安全培训的相关信息,为安全培训工作提供依据。
第二章档案管理职责第四条公司人力资源部负责安全培训员工档案的建立、管理、更新和归档工作。
第五条各部门负责人负责本部门员工的安全培训工作,确保员工按照规定参加安全培训。
第六条安全生产部负责监督、检查和指导各部门的安全培训工作,并对安全培训员工档案进行审核。
第三章档案内容第七条安全培训员工档案应包括以下内容:1. 基本信息档案:包括员工姓名、性别、年龄、工种、入职日期等。
2. 安全培训记录档案:包括培训时间、培训内容、培训形式、培训讲师、培训考核结果等。
3. 安全生产事故记录档案:包括事故发生时间、事故原因、事故后果、处理措施等。
4. 安全生产奖惩记录档案:包括员工在安全生产中的表现、奖惩情况等。
5. 特种作业人员档案:包括特种作业人员资质证书、培训记录、考核结果等。
第四章档案管理流程第八条新员工入职时,人力资源部应在员工入职后一个月内建立其安全培训员工档案。
第九条员工转岗、晋升或参加专项培训时,相关部门应将相关信息及时更新至安全培训员工档案。
第十条每年至少对安全培训员工档案进行一次审核,确保档案信息的准确性和完整性。
第十一条安全生产部定期对各部门的安全培训工作进行抽查,确保员工按照规定参加安全培训。
第五章档案保管与保密第十二条安全培训员工档案应妥善保管,防止丢失、损坏或泄露。
第十三条人力资源部负责安全培训员工档案的保管工作,确保档案安全。
第十四条公司内部人员需查阅安全培训员工档案时,应经公司领导批准,并履行相关手续。
第六章附则第十五条本制度由公司人力资源部负责解释。
第十六条本制度自发布之日起施行。
安全培训档案管理制度是指为了保障企业员工的安全和健康,建立和完善安全培训档案管理制度,对于员工的安全培训情况进行规范和记录的一套管理制度。
一、目的与意义安全培训档案管理制度的目的是确保员工接受到必要的安全培训,提高员工的安全防范意识和技能,降低事故发生的概率。
二、适用范围安全培训档案管理制度适用于企业内所有的员工,包括全职员工、兼职员工、临时工等。
三、内容要求1.制定安全培训计划:每年制定安全培训计划,明确培训的时间、地点、内容和目标。
2.记录培训信息:对每一次安全培训的参与人员进行记录,包括姓名、职务、培训日期、培训内容。
3.培训档案管理:建立员工安全培训档案,包括员工个人信息、培训记录、证书等相关资料。
4.定期巡查和复核:定期对员工的安全培训情况进行巡查和复核,确保培训记录的准确性和完整性。
5.数据统计和分析:对培训数据进行统计和分析,评估培训效果,并对培训方案进行调整和改进。
四、责任与义务1.企业负责人:负责制定安全培训计划,并监督培训的实施和档案管理工作。
2.安全培训部门:负责具体的培训工作,包括培训计划的制定、培训课程的设计和培训人员的选派等。
3.员工:必须按照企业的安排参加安全培训,认真学习和掌握相关知识和技能。
五、处罚措施对于未参加安全培训或者违反安全培训规定的员工,将按照企业相关规定进行相应的处罚,包括警告、罚款、停职等。
六、附则安全培训档案管理制度必须严格按照相关法律法规和企业规定执行,对于违反制度的行为进行纠正和处理,并及时公开通报。
同时,制度内容要与企业实际情况相结合,不断完善和改进。
安全培训档案管理制度(二)是一项用于管理和保存公司员工安全培训相关档案的制度。
该制度的目的是确保员工在工作中获得必要的安全培训,并确保相关培训的记录和证明文件得到妥善保存和管理。
以下是一个安全培训档案管理制度的内容示例:1. 目标和范围:说明制度的目标是什么,适用于哪些员工和哪些安全培训。
2. 责任和权限:明确谁负责管理和维护安全培训档案,以及各个层级的权限和责任。
一、总则为加强我公司安全生产员工培训管理,规范培训档案工作,提高培训质量,保障公司安全生产,特制定本制度。
二、适用范围本制度适用于公司所有参加安全生产培训的员工。
三、职责1. 人力资源部负责制定安全生产培训档案管理制度,组织实施培训档案管理工作。
2. 各部门负责组织本部门员工的安全生产培训,并按要求提交培训档案。
3. 培训讲师负责培训内容的准确性,确保培训效果。
四、培训档案管理内容1. 培训档案包括以下内容:(1)员工基本信息:姓名、性别、年龄、部门、岗位、入职时间等。
(2)培训计划:培训时间、培训内容、培训讲师、培训形式等。
(3)培训记录:培训时间、培训内容、培训讲师、培训方式、培训效果等。
(4)培训考核:考核时间、考核内容、考核方式、考核结果等。
(5)培训反馈:员工对培训的意见和建议。
2. 培训档案的收集、整理、归档应遵循以下原则:(1)真实性:档案内容应真实反映培训情况。
(2)完整性:档案内容应完整无缺。
(3)连续性:档案内容应保持连续性。
(4)规范性:档案格式应符合国家有关规定。
五、培训档案管理流程1. 培训前,人力资源部制定培训计划,明确培训内容、时间、讲师等。
2. 培训过程中,培训讲师做好培训记录,包括培训时间、内容、方式、效果等。
3. 培训结束后,各部门收集培训档案,包括培训计划、培训记录、培训考核、培训反馈等。
4. 人力资源部对收集的培训档案进行审核、整理、归档。
5. 档案归档后,定期进行抽查、评估,确保档案的完整性和准确性。
六、培训档案的保管与利用1. 培训档案应存放在安全、干燥、通风的场所,防止损坏、丢失。
2. 培训档案的借阅、复制等,需经人力资源部批准。
3. 培训档案的保管期限根据国家有关规定执行。
七、附则1. 本制度由人力资源部负责解释。
2. 本制度自发布之日起施行。
一、总则为了加强员工安全教育培训管理,确保员工安全意识和技能水平得到有效提升,预防和减少安全事故的发生,根据国家相关法律法规及企业实际情况,特制定本制度。
二、适用范围本制度适用于本企业所有员工的安全培训档案管理。
三、管理职责1. 人力资源部负责制定、修订和实施本制度,并对安全培训档案管理工作进行监督、检查和指导。
2. 各部门负责人负责组织本部门员工的安全培训,并配合人力资源部做好安全培训档案管理工作。
3. 安全管理部门负责对安全培训档案进行审核,确保档案的真实性、完整性和有效性。
四、档案内容1. 培训计划:包括培训时间、培训内容、培训对象、培训师资、培训地点等。
2. 培训记录:包括培训课程、培训内容、培训时间、培训人员、培训成绩等。
3. 培训考核:包括考核时间、考核方式、考核成绩、考核结果等。
4. 培训证书:包括培训合格证书、特种作业操作证等。
5. 培训资料:包括培训教材、培训课件、培训视频等。
6. 其他相关资料:如培训反馈、培训改进措施等。
五、档案管理要求1. 档案资料应真实、准确、完整,符合国家相关法律法规及企业实际情况。
2. 档案资料应分类存放,便于查阅和管理。
3. 档案资料应定期检查、整理和归档。
4. 档案资料应保密,未经批准不得外借。
六、档案查询与利用1. 员工本人可查询本人培训档案。
2. 各部门负责人可查询本部门员工培训档案。
3. 安全管理部门可查询企业整体培训档案。
4. 查询档案时,应填写《档案查询申请表》,经批准后方可查阅。
七、档案保管与销毁1. 档案保管应确保档案资料的安全、完整和保密。
2. 档案保管期限为:一般培训档案为5年,特种作业操作证档案为10年。
3. 档案销毁应经企业领导批准,并由专人负责实施。
4. 销毁档案时,应做好销毁记录,确保档案资料不外泄。
八、附则1. 本制度由人力资源部负责解释。
2. 本制度自发布之日起施行。
通过以上制度的实施,本企业将加强对员工安全培训档案的管理,确保员工安全培训工作的有效开展,为企业安全生产提供有力保障。
员工安全教育培训档案背景随着企业不断发展壮大,员工数量的增加及业务范围的扩大,企业面临着越来越多的安全风险。
为了保障企业和员工的安全,企业需要进行安全教育培训工作,提高员工的安全意识和应对能力。
为了便于管理和监控培训情况,企业需要建立完善的员工安全教育培训档案。
目的建立员工安全教育培训档案,主要目的有以下几点:1.记录员工安全教育培训情况,以便企业了解员工安全培训是否到位,及时补齐员工安全教育培训的短板,提高员工的安全意识和应对能力。
2.提供员工安全教育培训证明材料,用于员工晋升、薪资晋升、参加学习讲座等情况的认证。
3.为企业提供员工安全教育培训的统计数据,以便更好地管理和监控培训情况。
同时,也为企业提供更好的安全管理和安全应对措施制定的支持。
档案建立流程第一步:建立员工安全教育培训计划为了实现企业员工安全意识和应对能力的提高,企业需要建立员工安全教育培训计划。
该计划应当包括培训目标、培训时间、培训内容、培训方式、培训人员、培训成本等方面。
第二步:制定员工安全教育培训方案根据员工安全教育培训计划,制定具体的员工安全教育培训方案,包括培训内容、培训形式、培训资源等方面。
第三步:实施员工安全教育培训实施员工安全教育培训,包括员工安全培训课程的组织、培训人员的组织、培训环境的组织等方面。
第四步:建立员工安全教育培训档案根据员工安全教育培训情况,建立员工安全教育培训档案。
该档案应该包括员工的个人基本信息、员工的安全培训成绩、员工的安全培训历史、员工安全培训是否合格等方面。
员工安全教育培训档案管理和薪资档案、培训档案等整合管理员工安全教育培训档案需要和薪资档案、培训档案等整合管理。
在整合管理的过程中,需要保证员工的安全教育培训信息的真实性和准确性。
建立档案管理制度建立严格的员工安全教育培训档案管理制度,明确相关人员的职责与义务,确保员工安全教育培训档案的完整性和安全性。
结语建立完善的员工安全教育培训档案,是企业安全管理体系建设中不可或缺的部分,是企业强化安全意识、加强安全管理的重要途径。
职工安全培训档案管理实施细则第一章总则第一条为了加强职工安全培训工作,建立和完善职工安全培训档案管理制度,促进企事业单位职工安全意识提升和技能培训,保障职工安全健康,根据国家有关法律法规,制订本细则。
第二条本细则适用于企事业单位的职工安全培训档案管理工作,并适用于全体职工。
第三条职工安全培训档案管理是指对职工安全培训工作中的资料进行保存、整理和利用的过程,以建立职工安全培训档案。
第二章职工安全培训档案的建立第四条企事业单位应当建立健全职工安全培训档案管理制度,并明确职工安全培训档案的建立程序、保存期限、利用范围和管理责任。
第五条企事业单位应当明确职工安全培训档案的内容,包括但不限于职工基本信息、培训计划、培训记录、考试成绩等。
第六条职工安全培训档案的建立应当及时、准确、完整、合规。
第七条企事业单位应当建立健全职工安全培训档案管理系统,实现职工安全培训档案的电子化管理。
第三章职工安全培训档案的保存第八条职工安全培训档案应当根据职工的入职时间、离职时间等情况进行分类保存。
第九条职工安全培训档案的保存应当采取安全可靠的方式,防止文件的遗失、损毁和泄露。
第十条职工安全培训档案保存期限为职工工作期限加5年,特殊情况下可以适当延长保存期限。
第十一条职工安全培训档案的保存可以采用纸质档案和电子档案相结合的方式,对于纸质档案应当进行编号、归档和封存。
第四章职工安全培训档案的利用第十二条企事业单位可以根据需要利用职工安全培训档案开展有关活动,包括但不限于培训评估、岗位调整、晋升评定等。
第十三条企事业单位应当保障职工的知情权,职工有权查阅自己的安全培训档案。
第十四条职工安全培训档案的利用应当遵守职工个人隐私保护的相关法律法规,不得泄露职工个人隐私信息。
第五章职工安全培训档案的管理责任第十五条企事业单位安全培训部门负责职工安全培训档案的管理工作,具体负责人应当明确。
第十六条企事业单位应当制定相应的培训计划,并记录职工的培训情况和成绩等信息。
员工安全教育培训档案部门
姓名
员工个人安全教育培训档案说明
为了进一步加强和规范员工安全教育培训管理工作,强化各部门员工安全教育培训责任意识,按照公司标准化的有关要求,建立公司员工个人安全教育培训档案。
员工个人安全教育培训档案室准确记录员工参加各种安全培训的载体,也是分析公司安全生产状况的重要资料,培训档案的建立有助于了解员工接收教育培训的情况,进一步促进员工教育培训工作管理的规范化、制度化、标准化。
员工个人安全教育培训档案由员工所在部门保管,员工在公司内部调动时随本人转到新的部门。
员工个人安全教育培训档案填写要求字迹工整,内容填写齐全,不得涂改。
员工个人安全教育培训档案目录
员工个人基本信息
安全继续再教育培训记录表
说明:
1、培训方式包括:授课、实操、文件学习等
2、培训单位:外部培训、公司、部门、车间
3、考核情况:涉及考试请填写最终分数,无考试请填写是否合格
特殊工种及特种作业培训持证记录卡
安全惩处情况记录表
安全奖励情况记录表。
员工安全教育培训档案在企业中,员工是企业发展的关键因素之一,因此,保障员工的安全是企业发展的前提条件。
在日常生产生活中,员工的安全教育培训工作就显得十分重要。
本文将介绍员工安全教育培训档案的基本内容以及建立的重要性。
员工安全教育培训的基本内容安全教育安全教育是员工安全教育培训工作的基本内容。
根据国家相关法规和规定,安全教育必须包括以下内容:1.安全生产基本知识2.岗位安全操作规程3.紧急情况的应急处理方法4.安全相关法规和规定的学习健康教育健康教育是员工安全教育培训中的非常重要的部分。
健康教育包括以下内容:1.身体健康知识2.劳动卫生知识3.疾病的预防和处理方法4.心理健康的保护方法环境保护教育员工安全教育培训中的环境保护教育是指让员工了解环境保护的相关法律法规及企业的环保要求,养成环保意识和习惯,做到相互监督,共同保护环境。
建立员工安全教育培训档案的必要性从法律层面看根据《劳动法》和《安全生产法》,企业必须为员工提供必要的安全教育培训,确保员工知道如何保护自己的生命财产安全,避免安全生产事故的发生。
如果企业没有做好安全教育培训,导致员工发生伤亡或事故,企业将会面临法律制裁。
从企业发展层面看建立完善的员工安全教育培训档案不仅能规范企业的管理,提高员工安全意识,避免安全生产事故的发生,还能帮助企业节省成本,减少事故损失,提高企业的核心竞争力。
从员工层面看建立员工安全教育培训档案能让员工更好地了解企业的安全教育培训、工作环境、职业规划等信息。
员工可以通过档案了解相关政策、规定,知道企业的期望及员工的职责,提高自我保护能力和安全防范意识,既保护了自身安全也为企业的安全稳定发展出一份力。
建立员工安全教育培训档案的方法建立员工安全教育培训档案需要以下步骤:1.制定安全教育培训计划:根据企业的实际情况和员工的安全需求,制定安全教育培训计划,确保培训内容全面、系统。
2.安排教育培训活动:按照制定的安全教育培训计划,采取多种形式组织教育活动,如课堂授课、现场演示、实践操作等,确保培训活动的有效性。
摘要:随着社会经济的快速发展,各类安全事故频发,企业对员工的安全教育培训越来越重视。
建立安全教育培训档案是提高员工安全意识、预防事故发生的重要手段。
本文旨在探讨如何建立安全教育培训档案,提高企业安全管理水平。
一、引言安全教育培训是提高员工安全素质、预防事故发生的有效途径。
建立安全教育培训档案,有助于企业全面了解员工的安全教育培训情况,为安全管理提供依据。
本文将从档案的建立、管理、应用等方面进行探讨。
二、安全教育培训档案的建立1. 档案内容安全教育培训档案应包括以下内容:(1)员工基本信息:姓名、性别、年龄、工种、岗位等。
(2)培训记录:培训时间、培训内容、培训形式、培训教师、培训考核成绩等。
(3)事故案例学习:事故发生时间、地点、原因、教训等。
(4)安全知识竞赛、技能比赛等活动记录。
(5)安全教育培训计划、总结及改进措施。
2. 档案分类根据档案内容,可将安全教育培训档案分为以下几类:(1)员工个人档案:包括员工基本信息、培训记录、事故案例学习等。
(2)培训项目档案:包括培训时间、培训内容、培训形式、培训教师、培训考核成绩等。
(3)活动档案:包括安全知识竞赛、技能比赛等活动记录。
(4)总结与改进档案:包括安全教育培训计划、总结及改进措施。
3. 档案建立流程(1)制定档案管理制度:明确档案管理职责、档案内容、档案分类、档案建立流程等。
(2)收集档案资料:收集员工基本信息、培训记录、事故案例学习等资料。
(3)整理档案资料:对收集到的档案资料进行分类、归档。
(4)建立电子档案:利用信息化手段,建立电子档案,实现档案的便捷查询和管理。
三、安全教育培训档案的管理1. 管理职责(1)档案管理人员负责档案的收集、整理、归档、查询等工作。
(2)部门负责人负责监督档案管理工作的开展,确保档案的完整性和准确性。
2. 管理措施(1)建立健全档案管理制度,明确档案管理职责。
(2)加强档案管理人员的培训,提高其业务水平。
(3)定期对档案进行整理、归档,确保档案的完整性和准确性。
安全培训档案管理制度范文一、目的和适用范围为规范和管理企业的安全培训档案,确保安全培训工作的记录和保存工作的有效性和及时性。
适用于本企业所有与安全相关的培训工作。
二、管理要求1. 安全培训档案的建立(1)每个员工参加安全培训时,应有相应的培训档案建立。
包括个人培训记录、培训内容、培训方式等。
(2)在进行安全培训时,应当按照培训计划,确保培训内容的全面性和准确性。
2. 安全培训档案的保存(1)企业应设置专门的安全培训档案管理部门,负责安全培训档案的保存和管理工作。
(2)安全培训档案应以电子化形式保存,确保档案的安全和可靠性。
(3)安全培训档案的保存期限为员工离职后的两年,逾期后可进行删除。
3. 安全培训档案的查阅(1)员工有权查阅自己的安全培训档案,并可以提出修改、补充的要求。
(2)除员工自查外,其他人员查阅安全培训档案需经过部门负责人的批准,并记录查阅原因和结果。
三、责任分工1. 企业管理部门负责制定和推广安全培训档案管理制度,并对各部门进行培训和督导。
2. 安全培训档案管理部门负责安全培训档案的建立、保存和管理工作。
3. 各部门负责人负责组织和实施安全培训工作,并及时整理和报送相关培训档案。
四、制度执行1. 上级领导应加强对安全培训档案管理制度的执行情况进行督导和检查,并做出检查记录。
2. 对于违反安全培训档案管理制度的行为,将给予相应的纪律处分。
五、培训档案的迁移和销毁1. 员工调动或离职时,其安全培训档案应由原部门负责人向安全培训档案管理部门进行移交。
2. 安全培训档案管理部门应定期对已离职员工的培训档案进行核查,对过期的培训档案进行销毁处理。
六、附件1. 安全培训档案建立表2. 安全培训档案保存期限表3. 安全培训档案调阅申请表以上为本企业的安全培训档案管理制度,经过专门部门的起草和相关领导的审批,本制度即日起生效。
每个员工应自觉遵守并履行本制度,如有违反,将承担相应的责任和处罚。
企业名章:日期:年月日安全培训档案管理制度范文(二)第一章总则第一条为规范企业安全培训工作,加强对员工培训档案管理,提高员工安全教育培训的质量和效果,制定本制度。
公司安全教育培训档案管理制度1. 目的公司安全教育培训档案管理制度的目的是确保公司全体员工的安全教育培训档案记录完整、准确,并能方便查阅和管理,以提高员工的安全意识和应急能力,保障公司的安全运营。
2. 适用范围本制度适用于公司的所有员工,包括正式员工、临时员工和劳务派遣人员。
3. 档案管理责任3.1 公司安全主管部门负责制定安全教育培训档案管理制度,并监督实施。
3.2 人力资源部门负责具体的档案管理工作,包括档案的收集、整理、归档和保管。
4. 档案内容4.1 安全教育培训计划和课程包括公司安排的安全教育培训计划、培训内容和培训方式等信息。
4.2 培训记录包括员工参加的安全教育培训的时间、地点、培训内容和培训人员等信息。
4.3 考核成绩包括员工参加安全教育培训后的考核成绩和评价等信息。
5. 档案管理流程5.1 档案收集人力资源部门负责收集员工的安全教育培训相关档案,包括培训计划、培训记录和考核成绩等。
5.2 档案整理人力资源部门负责对收集到的档案进行整理,确保档案的完整性和准确性。
5.3 档案归档人力资源部门根据档案的分类和归档标准,将整理好的档案进行归档,并进行编号和标识。
5.4 档案保管人力资源部门负责将归档好的档案存放在安全可靠的地方,确保档案的安全和机密性。
5.5 档案查询与借阅员工有权查询和借阅自己的安全教育培训档案,但需事先申请和填写相关表格,并遵守公司的档案管理规定。
6. 档案保密公司对员工的安全教育培训档案采取严格保密措施,未经授权人员不得以任何方式泄露、传播或使用档案中的信息。
7. 档案保存期限安全教育培训档案的保存期限为员工离职后的五年,期满后可按公司规定进行销毁处理。
8. 档案审查公司安全主管部门有权对安全教育培训档案进行定期审查,确保档案管理制度的有效实施和档案资料的准确性。
9. 附则本制度的解释权归公司所有,并由公司安全主管部门负责解释和修订。
如有其他相关规定与本制度冲突,应以本制度为准。
员工安全生产教育培训档案一、员工安全生产教育培训的重要性员工是企业的重要资产,他们的安全生产意识和技能培训对于企业的可持续发展至关重要。
有效的安全生产培训不仅可以保障员工的生命安全和身体健康,还可以提升企业的生产效率和形象,减少事故发生的可能性,降低生产成本,提高整体竞争力。
因此,建立完善的员工安全生产教育培训档案是企业的基本管理要求。
二、员工安全生产教育培训档案的内容1.基本信息–员工姓名–员工编号–所在部门–职务–入职时间2.安全教育培训计划–培训时间–培训内容–授课讲师–培训形式(如讲座、实操、演练等)3.培训记录–培训日期–培训地点–参与人员名单–培训内容摘要–培训效果评估4.培训证书–员工参加培训后颁发的证书或资格证书三、建立员工安全生产教育培训档案的意义1.规范管理:建立档案可以规范员工安全生产教育培训的管理流程,保障培训工作的有序进行。
2.资料查阅:档案记录了员工的培训历史,便于管理人员查阅员工的培训情况,做出相应的决策和安排。
3.追溯责任:在事故发生时,可以通过档案追溯员工是否接受过相应的安全生产培训,对责任的界定更加准确。
四、建立员工安全生产教育培训档案的操作方法1.提前计划:根据企业安全生产培训计划,提前安排员工参加培训,并做好培训记录准备工作。
2.签到登记:培训时进行签到登记,确保所有员工的参与情况被准确记录。
3.档案整理:将培训记录、培训资料、培训证书等整理归档,建立档案库进行管理。
4.定期更新:定期对员工安全生产教育培训档案进行更新和归档,确保档案信息的准确性和完整性。
五、总结建立完善的员工安全生产教育培训档案对于企业安全生产工作至关重要。
通过建档,企业可以规范管理员工培训工作,保障员工的安全生产素质和技能提升。
同时,在发生事故时,也可以依据档案信息做出相应的责任追溯和决策,有力地保障了企业的安全生产管理工作。
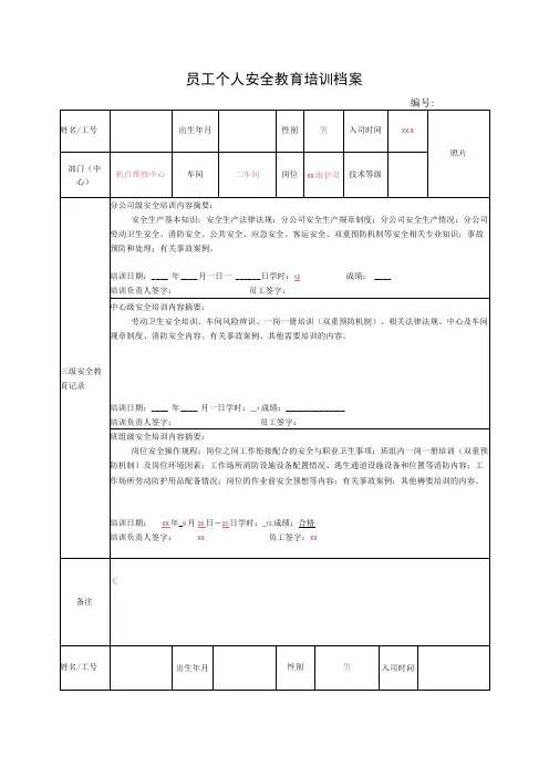
编号:
员工安全培训档案
姓名:
部门:
车间:
班组:
年月日
填表说明
1.为了进一步加强和规范员工安全培训管理工作,强化各部门员工安全教育培训责任意识,保护职工合法权益,某某公司按照《安全生产法》等法律法规和安全管理工作精细化管理有关要求,建立分公司员工安全培训档案。
2. 员工安全培训个人档案是准确记录员工参加各种安全培训的重要载体,也是企业安全生产状况及安全事故分析的重要资料,培训档案的建立有助于了解员工接受教育培训的情况,进一步促进员工安全培训工作管理的规范化、制度化、标准化。
3. 员工安全培训档案全员建立。
生产部门部门(车间)管理通用岗、职能岗、辅助岗人员档案由专人统一保管在部门(车间),各工班(车站)生产岗人员档案由工班管理;职能部门由部门统一管理保存。
4、培训合格后领取劳动防护用品方可进入工作岗位。
5. 员工在分公司内部调动时随同本人转到被调入部门、车间、班组。
6. 员工安全培训档案填写要求字迹工整,内容填写齐全,不得涂改,培训完成后一周内完成相关信息登记。
7. 员工安全培训档案中封皮编号填写员工工作证编号,表中日期均按照年-月-日格式阿拉伯数字顺序填写。
8. 员工培训档案中各项栏目不够可另附表格填写。
9. 工伤事故登记、安全惩处情况、安全惩处情况中的负责人签字,档案由部门管理的部长签字,档案由车间管理的车间主任签字,班组(车站)由工班长(站长)签字。
员工安全教育培训记录卡
试、分公司级安全类规章学习考试、岗位变动考试、违章、事故离岗后再上岗培训考试等。
上岗证、特种证复印件粘贴卡
工伤事故登记
Welcome 欢迎您的下载,资料仅供参考!。