射频电路基础大作业
- 格式:doc
- 大小:30.50 KB
- 文档页数:2
西电《射频电路基础》在线作业一、单选题(共 25 道试题,共 100 分。
)1. 某调频波,其调制信号频率F=1kHz,载波频率为10.7MHz,最大频偏Δfm=10kHz,若调制信号的振幅不变,频率加倍,则此时调频波的频带宽度为(). 12kHz. 24kHz. 20kHz. 40kHz正确答案:2. 鉴频的描述是(). 调幅信号的解调. 调频信号的解调. 调相信号的解调正确答案:3. ()振荡器的频率稳定度高。
. 互感反馈. 克拉泼电路. 西勒电路. 石英晶体正确答案:4. 单频调制时,调频波的最大频偏Δfm正比于(). UΩ. uΩ(t). Ω. u(t)正确答案:5. 调制的描述(). 用载波信号去控制调制信号的某一个参数,使该参数按特定的规律发生变化。
. 用调制信号去控制载波信号的某一个参数,使该参数按特定的规律发生变化。
. 用调制信号去控制载波信号的某一个参数,使该参数随调制信号的规律发生变化。
正确答案:6. 已知某高频功率放大器原工作在临界状态,当改变负载电阻的大小时,管子发热严重,说明功放管进入了()。
. 欠压状态. 过压状态. 仍在临界状态正确答案:7. 在调谐放大器的L回路两端并上一个电阻R,可以(). 提高回路的Q值. 提高谐振频率. 加宽通频带. 减小通频带正确答案:8. 调制的描述()。
. .用载波信号去控制调制信号的某一参数,使该参数按一定的规律发生变化. 用调制信号去控制载波的某一参数,使该参数按一定的规律发生变化. 用调制信号去控制的载波信号的某一参数,使该参数随调制信号的规律变化. 用载波信号去控制调制信号的某一参数,使该参数调制信号规律发生变化。
正确答案:9. 某丙类谐振功率放大器工作在临界状态,若保持其它参数不变,将集电极直流电源电压增大,则放大器的工作状态将变为(). 过压. 弱过压. 临界. 欠压正确答案:10. 下列表达正确的是()。
. 低频信号可直接从天线有效地辐射. 低频信号必须装载到高频信号上才能从天线有效地辐射. 高频信号及低频信号都不能从天线上有效地辐射. 高频信号及低频信号都能从天线有效地辐射正确答案:11. 在电路参数相同的情况下,双调谐回路放大器的通频带与单调谐回路放大器的通频带相比较()。
射频电路基础_西安电子科技大学中国大学mooc课后章节答案期末考试题库2023年1.【图片】求解:(1)集电极效率=(),临界负载电阻=()(2)若负载电阻、电源电压不变,而提高工作效率,应该如何调整(3)要使输出信号的频率提高一倍,而保持其他条件不变,问功放的工作状态如何变化。
此时功放的输出功率=()参考答案:(1)0.836,6.7Ω (2)可增加负向偏值,但同时增大激励电压,保证IC1不变,但这样可使导通角减小,效率增加(3)由临界状态进入欠压状态,2/3Q。
2.【图片】求解:【图片】=( )时,振荡器振荡参考答案:1.14mA3.【图片】求解(1)【图片】=( );(2)【图片】=( );(3)【图片】=( );(4)【图片】=( )参考答案:0, a√3/2Π, a/Π, a√3/2Π4.【图片】求解(1)最大频偏=()(2)最大相偏=()(3)信号带宽=()(4)此信号在单位电阻上的功率=()(5)是否能确定这是FM波还是PM波( )(6)调制电压参考答案:10^4hz, 10rad, 22kHz, 50w,不能5.【图片】求解(1)信号带宽=( ) (2)信号带宽=( )注:第三问仅思考参考答案:2.2Khz,42KHz6.【图片】求解(1)调制灵敏度【图片】=( )(2)最大频偏值【图片】【图片】=( )参考答案:1/24, 133.3kHZ7.【图片】求解:K=()参考答案:38.【图片】求解:(1)回路有载品质因数【图片】=()和3dB带宽【图片】=()(2)放大器的电压增益=()(3)中和电容值=()参考答案:40.4##%_YZPRLFH_%##11.51##%_YZPRLFH_%##30.88##%_YZPRLFH_%##1.6159.【图片】求解(1)【图片】(t)=( )(2)是否能得到双边带信号()参考答案:u_0(t)=E_c-i_0l=10+6..5(1+0.653cos〖10^4 t〗)cos〖10^7 〗(v) 否10.【图片】求解:【图片】=( ),【图片】=( )参考答案:12.9mS, 0.34mA11.【图片】求解:输入电阻【图片】=(),传输系数【图片】=(),惰性失真(),底部切削失真()注:后两个空仅回答是或否参考答案:1.6kΩ,0.81,否,否12.【图片】求解:【图片】=(),载波功率=()参考答案:0.09w ,0.01w13.【图片】求解:3dB带宽=()kHz,【图片】=()参考答案:15.7##%_YZPRLFH_%##29.614.【图片】求解:此功放的【图片】=(),【图片】=(),【图片】=( ),【图片】=()。
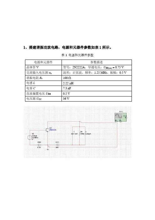
1、搭建谐振功放电路,电源和元器件参数如表1所示。
表1 电源和元器件参数
2、用示波器记录晶体管输出电压的波形。
3、调整电感L=8.52μH,计算C的取值。
观察L、C调整后的波形,与步骤2中的波形做比较,分析调整后波形质量下降的原因。
分析:Q=,等效电阻不变,ρ=,电容减小,特征电阻增大。
故品质因数下降,此时BW=增大,选频作用降低,故波形质量下降。
4、去掉L和C,将Re调整为25Ω,记录Re两端的电压波形,读取数据并计算集电极电流的峰值,计算晶体管的交流跨导。
===0.88504A
=()
=3.54016
5、计算通角θ,忽略晶体管的饱和压降,计算临界状态时交流输出电压的振幅Ucm,既而确定临界状态时Re的取值。
cosθ===1/2
忽略晶体管的饱和压降,Ucm=36V
=*θ=0.88504*0.391A
Re===104.03Ω
6、将L和C恢复表1中的取值,接入电路,将Re调整为临界状态的取值,记录的波形,读取Ucm的仿真值,与步骤5的取值比较。
Ucm=30.044V。
习题1:之马矢奏春创作本课程使用的射频概念所指的频率范围是几多?解:本课程采纳的射频范围是30MHz~4GHz列举一些工作在射频范围内的电子系统, 根据表1-1判断其工作波段, 并估算相应射频信号的波长.解:广播工作在甚高频(VHF)其波长在10~1m等从成都到上海的距离约为1700km.如果要把50Hz的交流电从成都输送到上海, 请问两地交流电的相位差是几多?解:射频通信系统的主要优势是什么?解:1.射频的频率更高, 可以利用更宽的频带和更高的信息容量2.射频电路中电容和电感的尺寸缩小, 通信设备的体积进一步减小3.射频通信可以提供更多的可用频谱, 解决频率资源紧张的问题4.通信信道的间隙增年夜, 减小信道的相互干扰等等1.5 GSM和CDMA都是移动通信的标准, 请写出GSM和CDMA的英文全称和中文含意.(提示:可以在互联网上搜索.)解:GSM是Global System for Mobile Communications的缩写, 意为全球移动通信系统.CDMA英文全称是Code Division Multiple Address,意为码分多址.有一个C=10pF的电容器, 引脚的分布电感为L=2nH.请问当频率f 为几多时, 电容器开始呈现感抗.解:既那时, 电容器为0阻抗, f继续增年夜时, 电容器呈现感抗.1.7 一个L=10nF的电容器, 引脚的分布电容为C=1pF.请问当频率f为几多时, 电感器开始呈现容抗.解:思路同上, 当频率f小于1.59 GHz时, 电感器呈现感抗.1.8 1)试证明()式.2)如果导体横截面为矩形, 边长分别为a和b, 请给出射频电阻R RF与直流电阻R DC的关系.解:对同一个导体是一个常量当直流时,当交流时,2)直流时,当交流时,试分别计算在100MHz和1GHz的频率下, 三种资料的趋肤深度.解:在100MHz时:Cu为2 mmAl 为Au为在1GHz时:Cu为0.633 mmAl 为Au为某个元件的引脚直径为, 长度为l=25mm, 资料为铜.请计算其直流电阻R DC和在1000MHz频率下的射频电阻R RF.解:贴片器件在射频电路中有很多应用.一般使用数字直接标示电阻、电容和电感.有三个电阻的标示分别为:“203”、“102”和“220R”.请问三个电阻的阻值分别是几多?(提示:可以在互联网上查找贴片元件标示的规则)解:203是20×10^3=20K, 102是10×10^2=1K, 220R是22×10^0=22Ω试编写法式计算电磁波在自由空间中的波长和在铜资料中的趋肤深度, 要求法式接收键盘输入的频率f, 在屏幕上输出波长和趋肤深度.解:float f;float l,h;printf("Input the frequency: f=");scanf("%f",&f);l=3e8/f;h=1/sqrt(3.14*f*6.45*4*3.14) ;printf("wavelength:%f\n",l);printf("qufushendu%fm\n",h);getch() ;1.射频滤波电路的相对带宽为RBW=5%, 如果使用倍数法进行暗示, 则相对带宽K为几多?解答:K=HL ffK(dB)=20 lg HLff∴K(dB)=0.42 dB2.一个射频放年夜电路的工作频率范围为:f L至f H.试分别使用百分法和倍数法暗示该放年夜电路的相对带宽, 并判断该射频放年夜电路是否属于宽带放年夜电路.解答:K=HL ff由于K>2, ∴它属于宽带放年夜电路3.仪表放年夜电路的频带宽度为:DC至10MHz.请分别计算该放年夜电路的绝对带宽和相对带宽, 并判断该放年夜电路是否属于宽带放年夜电路.解答: 绝对带宽:10H L BW f f MHz =-=相对带宽:20lg H L f K f ==∞2K >所以它属于宽带放年夜电路.4. 某射频信号源的输出功率为P OUT =13dBm, 请问信号源实际输出功率P 是几多mW ? 解答:5. 射频功率放年夜电路的增益为G p =7dB, 如果要求输出射频信号功率为P OUT =1W, 则放年夜电路的输入功率P IN 为几多? 6. 在阻抗为Z 0=75的CATV 系统中, 如果丈量获得电压为20dB V, 则对应的功率P 为几多?如果在阻抗为Z 0=50的系统中, 丈量获得相同的电压, 则对应的功率P 又为几多?解答:∴当0Z =75Ω时, ()P dBm =-88.7 dBm 当0Z =50Ω时, ()P dBm =-86.9 dBm7. 并联电路的品质因数Q 0.解答: 假设谐振频率时, 谐振电路获得的电压为00()cos V t V w t =电阻R 损耗的平均功率为因此并联谐振电路的品质因数0Q 为8. 使用图2-12(b )的射频开关电路, 如果PIN 二极管在导通和截止状态的阻抗分别为Z f 和Z r .请计算该射频开关的拔出损耗IL 和隔离度IS.解答:拔出损耗00220lg fZ Z IL Z += 隔离度00220lg rZ Z IS Z += 9. 请总结射频二极管的主要种类、特性和应用领域.解答:种类特性 应用范围肖具有更高的截止频率和更低的反向恢复用于射频检波电特基二级管时间 路, 调制和解调电路, 混频电路等 PIN 二极管正偏置的时候相当于一个电流控制的可变电阻, 可呈现非常低的阻抗, 反偏置的是相当于一平行平板电容 应用于射频开关和射频可变电阻 变容二极管从导通到截止的过程中存在电流突变, 二极管的等效电容随偏置电压而改变 主要用于电调谐, 还可用作射频信号源10. 雪崩二极管、隧道二极管和Gunn 二极管都具有负阻的特性, 尽管形成负阻的机理完全纷歧致.请设计一个简单的电路, 利用二极管的负阻特性构建一个射频振荡电路. 解答:11. 1)试比力射频场效应管与射频双极型晶体管结构和特性上的不同.2)试讨论晶体管小信号模型和年夜信号模型的主要区别.请问能否使用晶体管年夜信号模型分析射频小信号.解答:场效应管是单极性器件, 只有一种载流子对通道电流做出贡献, 属于压控器件, 通过栅极-源极的电压控制源极-漏极电流变动;使用GaAS 半导体资料MISFET 的截止频率可以到达60—70GHz,, HEMT 可以超越100GHz, 因此在射频电路设计中经常选用它们作为有源器件使用;双极型晶体管分为PNP 和NPN 两种类型, 其主要区别在于各级的参杂类型纷歧致, 属于电流控制器件, 正常工作时, 基极-发射极处于正偏, 基极-发射极处于反偏;通过提高搀杂浓度和使用交指结构, 可以提高其截止频率, 使其可以在整个射频频段都能正常工作年夜信号模型是一个非线性模型, 晶体管内部的等效的结电容和结电阻会发生变动, 小信号模型是一个线性模型, 可认为晶体管的个参数坚持不变.能使用晶体管的年夜信号模型分析射频小信号.12. 肖特基二极管的伏安特性为其中反向饱和电流为11210SI A -=⨯, 电阻R S .试编写计算机法式, 计算当V A 在0V~10V 之间变动时, 肖特基二极管电流I 的变动.#include "math.h"float dl(float Va){float i1;if(Va<0)printf("n<0,dataerror");else if(Va==0)i1=0;else i1=2*exp(Va-dl(Va-1)*1.5-1);return(i1);}void main(){float i;float v=0;do{i=dl(v);printf("%f*10(-11)\n",i);v=v+1;}while(v<=10) ;getch();} 习题3: 1. 在“机遇号”抵达火星时, 从火星到地球的无线电通讯年夜约需要20分钟.试估算那时火星和地球之间的距离.解答:811111022s ct ==⨯3⨯10⨯1200=1.8⨯m2. 考察从上海到北京的距离, 假设互联网信号通过光纤传输, 光纤的折射率为.试估算互联网信号从上海到北京再返回上海的过程中, 由于光纤传输发生的时间延迟.解答:从上海到北京的飞行航程是1088公里.飞行路线是交通工具中最年夜可能接近于直线距离的, 所以本题我们取1088公里 时间延迟:81088210007.25310t ms ⨯⨯==⨯ 3.设计特征阻抗为50W 的同轴传输线, 已知内导体半径为a , 当填充介质分别为空气(r )和聚乙烯(r )时, 试分别确定外导体的内径b . 解答:060ln r b Z a =ε适当填充介质为空气时 b=1.38 mm当填充介质为聚乙烯时 b=2.09 mm 4. 设有无耗同轴传输线长度为l =10m, 内外导体间的电容为C S =600pF.若同轴电缆的一端短路, 另一端接有脉冲发生器和示波器, 发现一个脉冲信号来回一次需的时间.试求该同轴电缆的特征阻抗Z 0.解答:得0Z =8.38Ω5. 特征阻抗为50W 的传输线终接负载Z L , 测得传输线上VSWR =.如果在负载处反射波反相, 则负载Z L 应该并联还是串连阻抗Z, 使传输线上为行波传输, 并确定阻抗Z.解答:在负载出反射波反相可得出负载处的电压反射系数为00.20l Γ=∠ 所以应并联一阻抗Z=150Ω, 使传输线上为行波传输.6. 无耗传输线特征阻抗为Z 0=100W, 负载阻抗为Z L =150-j100W.求距终端为l/8、l/4、/2处的输入阻抗Z IN .解答:7. 微带传输线特征阻抗为Z 0=50W, 工作频率为f =100MHz.如果终端连接电阻R=100W 和电感L=10mH 的负载.试计算1)传输线的VSWR ;2)如果频率升高到500MHz, 传输线上的VSWR.获得l Γ简直切值当f=100MHz 时l Γ=0.98 VSWR=99当f=100MHz 时l Γ=0.99 VSWR=1998. LC 并联谐振电路的谐振频率为f 0=300MHz, 电容C 的电抗为X C =50W.若用特征阻抗为Z 0=50W 的短路传输线来取代电感L, 试确定短路传输线的长度l .解答:可得最短的短路传输线了8l λ==0.125 m 9.无耗传输线特征阻抗Z 0=50W, 工作频率为f =3GHZ, 测得VSWR =, 第一个电压波节点离负载的距离为l min =10mm, 相邻两波电压节点的距离为50mm.试计算负载阻抗Z L 及终端反射系数G L . 解答: 相邻两电压节点相差0.5λ=50 mm可得λ=100 mm第一个电压节点离负载min 10l mm =则负载应在()100.25*31000.255πθπ-=-=- 00l l l Z Z Z Z -Γ=+⇒l Z =41.316.3j - 10. 传输线的特征阻抗为Z 0=50W, 测得传输线上驻波电压最年夜值为|V max |=100mV, 最小值为|V min |=20mV, 邻近负载的第一个电压节点到负载的距离为l min .求负载阻抗Z L .解答:min MAX V VSWR V ==5 11l VSWR VSWR -Γ=+ 80.6725l πΓ=∠⇒l Z =33.777.4l Z j +11. 传输线的长度为l , 传输线上电压波腹值为50V, 电压波节值为13V, 波腹距负载.如果传输线特征阻抗为Z 0=50W, 求输入阻抗Z IN 和负载阻抗Z L .解答:min MAXV VSWR V =⇒Γ 波腹距负载λ, 所以负载点应在0.0320.25λπλπ 所以终端负载的电压反射系数0l l l Z Z Z Z -Γ=+L Z ⇒=12486.9j +000l IN l Z jZ tg lZ Z Z jZ tg l ββ+=+=13.811.5j + 12. 特征阻抗为Z 0=50W 传输线终接负载阻抗为Z L =75+j100().试求:负载反射系数L ;2)传输线上的VSWR ;3)最靠近负载Z L 首先呈现电压驻波的波腹点还是波节点.解答:00l l l Z Z Z Z -Γ=+=1454j j ++ 所以最先呈现波腹点 13. 1)证明无损传输线终端接纯电抗负载时, 传输线上电压反射系数|G|=1, 并从物理现象上解释.2)试证明无耗传输线上任意相距l/4的两点处的阻抗的乘积即是传输线特性阻抗的平方.解答:接纯电抗负载时l Z jx =0l l l Z Z Z Z -Γ=+=00jx Z jx Z -+ l Γ=1离负载端距离为l 时, 对应的阻抗为 14. 特征阻抗为Z 0=50W 的无耗传输线终端接负载Z L =100W, 求负载反射系数L , 以及负载前处输入阻抗Z IN 和电压反射系数.000l IN l Z jZ tg l Z Z Z jZ tg l ββ+=+15. 已知传输线的归一化负载阻抗为0.40.8L Z j =+.从负载向信号源移动时, 试问:首先遇到的是电压波节点还是电压波腹点?并求它与负载间的距离l .解答:先遇波腹点0l l l Z Z Z Z -Γ=+=0.64840.82.2557j +i r arctgθΓ=Γ17. 对如图3-34所示无耗传输线系统, 试计算负载Z L 获得的功率P L .图 3-34解答:l Z 在传输线的前真个等效阻抗为63.725.6in Z j =-则等效阻抗获得的功率{}10.252Re G l L V P w Z ==由于是无耗传输线, 所以等效阻抗获得的功率即为l Z 实际获得的功率.18. 特征阻抗为Z 0=50W 的无耗传输线, 长度为10cm (f =1GHz, v p ).若输入阻抗为Z IN =j60W, 1)试用Smith 圆图求出终端负载阻抗Z L ;2)如果用短路终端取代该负载Z L , 请确定输入阻抗Z IN . 解答:终端负载阻抗为112.5l Z j =如果用终端短路取代负载, 则输入阻抗为14.1in Z j =-19. 用阻抗圆图求出如图3-35所示电路的输入端输入阻抗Z IN .图解答:(a ) 5.27.8in Z j =-(b) 29.421.7in Z j =+(c) 22.347.9in Z j =-20. 1)试根据微带传输线特征阻抗的计算公式, 编写计算机法式, 实现输入微带线各个参数(微带线宽度W, 介质厚度h, 介质相对介电常数r ), 输出微带线特征阻抗Z 0的功能.2)设计“对分法”计算机法式, 实现输入微带线特征阻抗Z 0、介质厚度h 和介质相对介电常数r , 输出微带线宽度W 的功能, 而且验证.解答:编程思想请参考/*课本p49-52*/用的C 语言编的1. #include "stdio.h"#include "math.h"float a,b,ef,r,u,w,h,z,f; /*z 为特征阻抗 ef 为相对介电常数 r 为介质的介电常数*/float qiua() ;float qiub() ;float qiuef();float qiuf();float qiuz();main(){printf("please input shus");scanf("%f%f%f",&w,&h,&r);u=w/h;qiua();qiub();qiuef() ;qiuf();qiuz();printf("%f\n%f\n%f\n%f\n%f",a,b,ef,f,z);getch() ;return 0;}float qiua() /*计算a的值*/{a=1+log((pow(u,4)+pow((u/52),2))/(pow(u,4)+0.432))/49+log (1+pow((u/18.1),3))/18.7 ;return(a);}float qiub() /*计算b的值*/{b=0.564*pow((r-0.9)/(r+3),0.053);return(b);}float qiuef() /*计算等效介电常数的值*/{ef=(r+1+(r-1)*pow((1+10/u),-a*b))/2;return(ef);}float qiuf() /*计算F的值*/{f=6+(2*3.1415-6)*exp(-pow(30.666/u,0.7528));return(f);}float qiuz() /*计算特征阻抗的值*/{z=120*3.1415*log(f/u+sqrt(1+pow(2/u,2)))/(2*3.1415*sqrt(e f));return(z);}2.#include "stdio.h"#include "math.h"float a,b,ef,r,u,z0,w;float wl,wh,h,z,f,zl,zh;/*z暗示中心的阻抗值*/ float t;float qiua() ;float qiub() ;float qiuef();float qiuf();float qiuz();main(){printf("please input shus");scanf("%f%f%f",&h,&r,&z0);wl=0.10000;wh=10.00000;t=0.1;while(fabs(t)>1e-3){u=wl/h;qiua();qiub();qiuef() ;qiuf();zl=qiuz();u=wh/h;qiua();qiub();qiuef() ;qiuf();zh=qiuz();w=(wl+wh)/2;u=w/h;qiua();qiub();qiuef() ;qiuf();z=qiuz();t=(z-z0)/z0;if(z>z0){if(zh>z0)wh=w;elsewl=w;}else{if(zl>z0)wh=w;elsewl=w;}}printf("%10.6f",w);getch() ;}子函数同上21.有一款免费的Smith圆图软件, 年夜小只有几百kB字节.请在互联网上搜索并下载该软件, 通过帮手文件学习软件的使用方法, 然后验证习题中利用Smith圆图计算的结果.解答:电子资源网可以找到.习题4:1.比力两端口网络阻抗矩阵、导纳矩阵、转移矩阵、混合矩阵的界说, 讨论四种网络参数的主要特点和应用.解答:见表4-12.分析如图错误!使用“开始”选项卡将应用于要在此处显示的文字。
射频大作业电容三端式正弦震荡电路设计一、电路原理三端式振荡器是指LC回路的三个端点与晶体管的三个电极分别连接而组成的反馈型振荡器。
三端式振荡器电路用电感耦合或电容耦合代替变压器耦合,可以克服变压器耦合振荡器只适宜于低频振荡的缺点,是一种广泛应用的振荡电路,其工作频率可以从几兆赫到几百兆赫。
当三端式振荡电路与发射级相连的两个电抗原件为容性时,成为电容三端式振荡电路。
电容三端式振荡器的基本电路如下图所示:由图可见:与发射级连接的两个电抗元件为同性质的容抗元件C1和C2;与基极和集电极连接的为异性质的电抗元件L,根据前面所述的判别准则,该电路满足相位条件。
其工作过程是:振荡器接通电源后,由于电路中的电流从无到有变化,将产生脉动信号,因任一脉冲信号包含有许多不同频率的谐波,因振荡器电路中有一个LC谐振回路,具有选频作用,当LC谐振回路的固有频率与某一谐振频率相等时,电路产生谐振,虽然脉动的信号很微小,通过电路放大及正反馈使振荡振幅不断增大。
当增大到一定程度时,导致晶体管进入非线性区域,产生自给偏压,使放大器的放大倍数减小,最后达到平衡,即AF=1,振荡幅度就不再增大了。
于是使振荡器只有在某一频率时才能满足振荡条件,于是得到单一频率的振荡信号输出。
该振荡器的振荡频率f为:反馈系数F为:若要它产生正弦波,必须满足F=1/2-1/8,太小不容易起振,太大也不容易起振。
一个实际的振荡电路,在F确定之后,其振幅的增加主要是靠提高振荡管的静态电流值。
但是如果静态电流取得太大,振荡管的工作范围容易进入饱和区,输出阻抗降低使振荡波形失真,严重时,甚至使振荡器停振。
所以在实用中,静态电流值一般为I=0.5 mA -4 mA。
电容三端式振荡器的优点是:1)震荡波形好。
2)电路的频率稳定度较高。
电路的缺点:震荡回路工作频率的改变,若用调C1或C2实现时,反馈系数也将改变。
使振荡器的频率稳定度不高。
二、电路连接图按照书上要求,用Pspice连接电路图。
精品文档一、选择1. 传输线输入阻抗是指传输线上该点的(B)A.入射电压与电流比B.电压与电流之比C.入射电压波之比D.入射电流波之比2.传输线的无色散是指( C )与频率无关。
A.波的速度B.波的能量流动的速度C.波的相速D.波的群速3. 当传输线处于行波工作状态时,传输线的反射系数为(C)。
A.1B.-1C.0D.无法判断4. 下面哪一种不能构成纯驻波状态的传输条件是(D)。
A. Z L =0B. Z L=∞C.Z L =jX.Z L= Z05.驻波系数ρ的取值范围是( D )。
A.ρ=1B.0≤ρ≤ 1C. 0≤ρ< 1D.1≤ρ<∞6.在史密斯圆图中坐标原点表示( C )。
A.开路点B.短路点C.匹配点D.无法判断7.均匀无耗传输线终端开路时对应于史密斯圆图的( A )。
A.右端点B.左端点C.原点D.上顶点8.无耗均匀传输线的特性阻抗为50? ,终端负载阻抗为 32 ? ,距离终端λ /4处的输入阻抗为( D )?。
A.50B.32C.40D. 78.1259.当终端反射系数为 0.2 时,传输线的驻波比为( B )。
A.2B.1.5C.0.67D.无法判断10. 微带传输线传输的电磁波是(B)。
A.TEM 波B.准 TEM 波C.TE 波D.TM 波二、判断题11.无耗均匀传输线上各点的电压反射系数幅值都相等。
对12.已知无耗均匀传输线的负载,求距负载一段距离的输入阻抗,在利用史密斯圆图时,找到负载的归一化电抗,再顺时针旋转对应的电长度得到。
错13.当均匀无耗传输线终端接感性负载时,传输线工作在行驻波工作状态下。
错14.在史密斯圆图上左半实轴部分是电压的波节点。
对15.为了消除传输线上的反射,通常要在传输线的终端进行阻抗匹配。
对16.微带线可以作为传输线,用在大功率传输系统中。
错17.在无耗互易二端口网络中, S12=S21。
对18.二端口转移参量都是有单位的参量,都可以表示明确的物理意义。
射频大作业基于PSpice仿真的振幅调制电路设计数字调制与解调的集成器件学习目录题目一:基于PSpice仿真的振幅调制电路设计与性能分析一、实验设计要求 (3)二、理论分析1、问题的分析 (3)2、差动放大器调幅的设计理论 (4)2.1、单端输出差动放大器电路2.2、双端输出差动放大器电路2.3、单二极管振幅调制电路2.4、平衡对消二极管调幅电路三、PSpice仿真的振幅调制电路性能分析 (10)1、单端输出差动放大器调幅电路设计图及仿真波形2、双端输出差动放大器调幅电路设计图及仿真波形3、单二极管振幅调制电路设计图及仿真波形4、平衡对消二极管调幅电路设计图及仿真波形四、实验总结 (16)五、参考文献题目二数字调制与解调的集成器件学习一、实验设计要求 (17)二、概述 (17)三、引脚功能及组成原理 (18)四、基本连接电路 (20)五、参考文献 (21)六、英文附录 (21)题目一基于PSpice仿真的振幅调制电路设计摘要随着大规模集成电路的广泛发展,电子电路CAD及电子设计自动化(EDA)已成为电路分析和设计中不可缺少的工具。
此次振幅调制电路仿真设计基于PSpice,利用其丰富的仿真元器件库和强大的行为建模工具,分别设计了差分对放大器和二极管振幅调制电路,由此对线性时变电路调幅有了更进一步的认识;同时,通过平衡对消技术分别衍生出双端输出的差分对放大器和双回路二极管振幅调制电路,消除了没用的频率分量,从而得到了更好的调幅效果。
本文对比研究了单端输出和双端输出的差分对放大器调幅电路及单二极管和双回路二极管调幅电路,通过对比观察时域和频域波形图,可知平衡对消技术可以很好地减小失真。
关键词:PSpice 振幅调制差分对放大器二极管振幅调制电路平衡对消技术一、实验设计要求1.1 基本要求参考教材《射频电路基础》第五章振幅调制与解调中有关差分对放大器调幅和二极管调幅的原理,选择元器件、调制信号和载波参数,完成PSpice电路设计、建模和仿真,实现振幅调制信号的输出和分析。
射频电路基础大作业学院电子工程学院姓名题目要求题目一:基于Multisim仿真的振幅调制电路设计1.1 基本要求参考教材《射频电路基础》第五章振幅调制与解调中有关差分对放大器调幅和二极管调幅的原理,选择元器件、调制信号和载波参数,完成Multisim电路设计、建模和仿真,实现振幅调制信号的输出和分析。
1.2 实践任务(1) 选择合适的调制信号和载波的振幅、频率,通过理论计算分析,正确选择晶体管和其它元件;搭建单端输出的差分对放大器,实现载波作为差模输入电压,调制信号控制电流源情况下的振幅调制;调整二者振幅,实现基本无失真的线性时变电路调幅;观察记录电路参数、调制信号、载波和已调波的波形和频谱。
(2) 参考例5.3.1,修改电路为双端输出,对比研究平衡对消技术在该电路中的应用效果。
(3) 选择合适的调制信号和载波的振幅、频率,通过理论计算分析,正确选择二极管和其它元件;搭建单二极管振幅调制电路,实现载波作为大信号,调制信号为小信号情况下的振幅调制;调整二者振幅,实现基本无失真的线性时变电路调幅;观察记录电路参数、调制信号、载波和已调波的波形和频谱。
(4) 参考例5.3.2,修改电路为双回路,对比研究平衡对消技术在该电路中的应用效果。
题目二:数字调制与解调的集成器件学习2.1 基本要求《射频电路基础》第八章数字调制与解调是调制信号为数字基带信号时的调制与解调,是第五章和第七章的扩展,直接面向应用。
学生可以通过自学了解基本理论,并认识数字调制与解调的集成器件。
2.2 实践任务(1) 学习数字调制与解调的基本原理,重点是原理框图和波形。
(2) 上网查询英文资料,选择一种数字调制或解调的集成芯片,根据芯片资料学习其性能参数、结构设计和相关电路。
题目一:基于Multisim 仿真的振幅调制电路设计 摘要式的过程。
就是使载波随信号而改变的技术。
一般来说,信号源的信息也称为信源,含有直流分量和频率较低的频率分量,称为基带信号。
上海电力学院射频电路设计大作业实验报告实验名称:低通滤波器专业:通信工程姓名:班级:学号:一、实验目的1、了解基本低通、带通和高通滤波器的设计方法。
2、利用实验模块进行实际测量,以掌握滤波器的特性。
二、实验内容1、完成低通滤波器P1端口的S11的测量,记录数据;并与示波器观察的结果比较。
2、完成低通滤波器P1、P2端口S21的测量,记录数据;并与示波器观察的结果比较。
三、实验原理1、滤波器的原理滤波器的用途是抑制无用信号,而使有用信号顺利通过。
通过滤波器时不衰减或很小衰减的频带称为通带,衰减超过某一规定值的频带称为阻带,位于通带和阻带之间的频带称为过渡带。
根据通带和阻带所处范围的不同,滤波器可分为低通、高通、带通和带阻四种。
滤波器种类繁多,按构成的元器件,可分为无源滤波器和有源滤波器(含运放)两种;按处理的对象,可分为模拟滤波器和数字滤波器;按滤波器原型的频率响应,可分为巴特沃斯滤波器、切比雪夫滤波器和椭圆型滤波器等。
本实验以较常使用的巴特沃斯滤波器和切比雪夫滤波器为例,说明其设计方法。
2、巴特沃斯和切比雪夫低通滤波器原型的衰减特性(1)、巴特沃斯低通滤波器原型巴特沃斯滤波器又称最大平坦滤波器。
其特性曲线的数学表达式为:210lg[1()]nPA dB ωεω=+(6-1) 式中ε满足关系式10lg(1)P A ε+= (6-2)其中P ω是通带的截止频率,P A 为其对应的衰减;参数n 为滤波器的阶数。
这种衰减特性曲线之所以称为最大平坦曲线,是由于式(6-1)方括号中的量在0ω=处(21n -)阶的导数为零。
大多数场合,最大平坦滤波器的P ω定义为衰减3dB 的通带截止点。
巴特沃斯滤波器的阶数n 取决于阻带的截止频率S ω(S P ωω>)所对应的最小衰减S A ,即:210lg[1()]nS S PA ωεω+≥ (6-3) 联立(6-2)和(6-3)式可得:10101101lg()2101lg()SP A A S Pn ωω-⋅-≥(6-4)3、低通巴特沃斯滤波器的设计方法 步骤一:确定规格。
射频基础知识单选题100道及答案一、射频基本概念1. 射频通常指的是频率范围在()的电磁波。
A. 3Hz - 30kHzB. 30kHz - 300kHzC. 300kHz - 3MHzD. 3MHz - 300GHz答案:D2. 以下哪个单位通常用于表示射频功率?A. 伏特(V)B. 安培(A)C. 瓦特(W)D. 欧姆(Ω)答案:C3. 射频信号在自由空间中的传播速度大约是()。
A. 3×10⁵千米/秒B. 3×10⁶米/秒C. 3×10⁷米/秒D. 3×10⁸米/秒答案:D4. 射频信号的波长与频率的关系是()。
A. 波长=频率/光速B. 波长=光速×频率C. 波长=光速/频率D. 波长=频率×光速答案:C5. 射频信号的极化方式不包括()。
A. 水平极化B. 垂直极化C. 圆极化D. 三角极化答案:D二、射频电路元件6. 以下哪种元件主要用于储存电场能量?A. 电感B. 电容C. 电阻D. 二极管答案:B7. 一个理想电容在射频电路中的阻抗随着频率的增加而()。
A. 增加B. 减少C. 不变D. 先增加后减少答案:B8. 电感在射频电路中的主要作用是()。
A. 阻碍交流,通过直流B. 阻碍直流,通过交流C. 储存磁场能量D. 储存电场能量答案:C9. 电阻在射频电路中的作用主要是()。
A. 分压和分流B. 储能C. 滤波D. 放大答案:A10. 二极管在射频电路中的主要作用不包括()。
A. 整流B. 检波C. 放大D. 开关答案:C三、射频传输线11. 常见的射频传输线有()。
A. 同轴电缆、双绞线、光纤B. 同轴电缆、微带线、波导C. 双绞线、光纤、波导D. 微带线、双绞线、光纤答案:B12. 同轴电缆的主要特点是()。
A. 损耗小、带宽大B. 成本低、易安装C. 抗干扰能力强D. 以上都是答案:D13. 微带线主要用于()。
射频电路课堂作业5
2012301200012 熊雷
1.列举三个以上使用了IQ正交混频的典型射频系统,给出电路图,指出其使用IQ混频的目的或优点;注意到,使用IQ电路,增加了一路信号通道,即增加了一倍硬件成本,你怎么看待IQ的性价比?
解:
①传统的正交混频器:
②使用电感的正交混频器:
③共用射频输入端的正交混频器:
IQ混频的目的都在于提高电压转换增益,改善噪声系数和线性度,以得到更好的混频效果,从而可以清晰明确地传递两路信号。
性价比的话,能够清晰的传递两路信号,肯定需要付出一点代价,硬件的成本相比于信号传递的准确率而言,还是可以接受的。
2.除了镜频干扰抑制外,IQ通道另一重要的作用是保留了信号的相位信息,可以用于提取目标速度等信息,试解释其原理;
解:
∵是IQ 通道
∴I通道和Q通道的输出正交。
观察可得:I通道和Q通道分别含有sin和cos的项,而且这两项是时间t的函数,此时的输出就可以看出相位的差别,而这种相位的差别,正是判断正负频率的依据,既可以判断目标靠近还是远离。
因此也就可以用来提取目标速度等信息。
3.使用IQ通道本质上是获得单边谱,如果仅使用I通道,此时频谱为双边谱,只取其正频带的谱得到单频谱是否可行?
解:
不可行,仅使用单边I通道进行混频,镜频信号无法分离,达不到理想的混频效果。
《射频电路基础》模拟题及答案试题一一、选择题(每小题2分、共30分)将一个正确选项前的字母填在括号内1.欲提高功率放大器的效率,应使放大器的工作状态为()A.甲类B.乙类C.甲乙类D.丙类2.二极管峰值包络检波器适用于哪种调幅波的解调()A.单边带调幅波B.抑制载波双边带调幅波C.普通调幅波D.残留边带调幅波3.若载波u C(t)=U C cosωC t,调制信号uΩ(t)= UΩcosΩt,则调频波的表达式为()A.u FM(t)=U C cos(ωC t+m f sinΩt)B.u FM(t)=U C cos(ωC t+m F cosΩt)C.u FM(t)=U C(1+m F cosΩt)cosωC t D.u FM(t)=k UΩU C cosωC tcosΩt 4.属于频谱的线性搬移过程的是()A.振幅调制B.频率调制C.相位调制D.角度解调5.某超外差接收机的中频为465kHz,当接收550kHz的信号时,还收到1480kHz 的干扰信号,此干扰为()A.干扰哨声B.中频干扰C.镜像干扰D.交调干扰6.某单频调制的普通调幅波的最大振幅为10v,最小振幅为6v,则调幅系数m a为()A.0.6 B.0.4 C.0.25 D.0.17.某调频波,其调制信号频率F=1kHz,载波频率为10.7MHz,最大频偏Δf m =10kHz,若调制信号的振幅不变,频率加倍,则此时调频波的频带宽度为()A.12kHz B.24kHz C.20kHz D.40kHz 8.变容二极管调频器实现线性调频的条件是变容二极管的结电容变化指数γ为()A.1/3 B.1/2 C.2 D.49.某丙类谐振功率放大器工作在临界状态,若保持其它参数不变,将集电极直流电源电压增大,则放大器的工作状态将变为()A.过压B.弱过压C.临界D.欠压10.鉴频的描述是()A.调幅信号的解调B.调频信号的解调C.调相信号的解调11.利用石英晶体的电抗频率特性构成的振荡器是()A.f=f s时,石英晶体呈感性,可构成串联型晶体振荡器B.f=f s时,石英晶体呈阻性,可构成串联型晶体振荡器C.f s<f<f p时,石英晶体呈阻性,可构成串联型晶体振荡器D.f s<f<f p时,石英晶体呈感性,可构成串联型晶体振荡器12.下图所示框图能实现何种功能?()其中u s(t)= U s cosωs tcosΩt,u L(t)= U L cosωL tA.振幅调制B.调幅波的解调C.混频D.鉴频13. 在调谐放大器的LC回路两端并上一个电阻R,可以()A.提高回路的Q值B.提高谐振频率C.加宽通频带D.减小通频带14.同步检波器要求接收端载波与发端载波()A.频率相同、幅度相同B.相位相同、幅度相同C.频率相同、相位相同D.频率相同、相位相同、幅度相同15.双边带(DSB)信号的振幅正比于()A.UΩB.uΩ(t) C.|uΩ(t)| D. Ω二、填空题(每空1分,共20分)1.为实现电信号的有效传输,无线电通信通常要进行调制。
射频电路基础大作业
从射频电路的软件仿真和硬件设计两方面分别考察学生的实践和写作能力。
以下是两个题目的基本要求、实践任务、写作报告和相关提示的具体内容。
题目一:基于PSpice仿真的振幅调制电路设计
1.1 基本要求
参考教材《射频电路基础》第五章振幅调制与解调中有关差分对放大器调幅和二极管调幅的原理,选择元器件、调制信号和载波参数,完成PSpice电路设计、建模和仿真,实现振幅调制信号的输出和分析。
1.2 实践任务
(1) 选择合适的调制信号和载波的振幅、频率,通过理论计算分析,正确选择晶体管和其它元件;搭建单端输出的差分对放大器,实现载波作为差模输入电压,调制信号控制电流源情况下的振幅调制;调整二者振幅,实现基本无失真的线性时变电路调幅;观察记录电路参数、调制信号、载波和已调波的波形和频谱。
(2) 参考例5.3.1,修改电路为双端输出,对比研究平衡对消技术在该电路中的应用效果。
(3) 选择合适的调制信号和载波的振幅、频率,通过理论计算分析,正确选择二极管和其它元件;搭建单二极管振幅调制电路,实现载波作为大信号,调制信号为小信号情况下的振幅调制;调整二者振幅,实现基本无失真的线性时变电路调幅;观察记录电路参数、调制信号、载波和已调波的波形和频谱。
(4) 参考例5.3.2,修改电路为双回路,对比研究平衡对消技术在该电路中的应用效果。
1.3 写作报告
(1) 按论文形式撰写,包括摘要、正文和参考文献,等等。
(2) 正文包括振幅调制电路的设计原理、理论分析结果、实践任务中各阶段设计的电路、参数、波形和频谱,对观察记录的数据配以图像和表格,同时要有充分的文字做分析和对比,有规律性认识。
(3) 论文结构系统、完备、条理清晰、理论正确、数据翔实、分析完整。
1.4 相关提示
(1) 所有电路和信号参数需要各人自行决定,各人有不同的研究结果,锻炼学生的独立研究和实验分析能力。
(2) 为了提高仿真精度和减小调试难度,可以将调制信号和载波的频率设置得较低。
题目二:数字调制与解调的集成器件学习
2.1 基本要求
《射频电路基础》第八章数字调制与解调是调制信号为数字基带信号时的调制与解调,是第五章和第七章的扩展,直接面向应用。
学生可以通过自学了解基本理论,并认识数字调制与解调的集成器件。
2.2 实践任务
(1) 学习数字调制与解调的基本原理,重点是原理框图和波形。
(2) 上网查询英文资料,选择一种数字调制或解调的集成芯片,根据芯片资料学习其性能参数、结构设计和相关电路。
2.3 写作报告
按分析报告形式撰写,根据查找的器件资料,归纳总结其指标、工作原理和外围电路设计。
分析报告最后附上英文资料原文。
2.4 相关提示
该题目锻炼学生的自学、查找资料、翻译、整理、归纳和撰写报告的能力,对外文资料中的器件参数要了解概念,有利于对后续内容的理解。
关于大作业的执行要求:
(1) 两个题目选择一个完成,最多三人一组,2014年12月31日前完成。
(2) 上交报告的电子版PDF文档,文件名为学号+“.pdf”,如“02100000,02100999.pdf”,是学号为02100000和02100999的两人一组完成的作业。
根据研究报告的撰写质量、内容的深度和广度、数据和分析的准确和翔实程度打分。
(3) 大作业计入课程总成绩,满分为10分。