检验批划分
- 格式:doc
- 大小:86.52 KB
- 文档页数:7
检验批划分及实施方案一、检验批划分。
1. 检验批的划分原则。
在工程建设和生产过程中,检验批的划分应遵循以下原则,首先是按照工程施工的工序、工艺、材料、设备等特点进行划分,确保每个检验批的范围明确;其次是按照工程施工的进度和施工周期进行划分,合理安排检验批的时间节点;最后是按照工程质量控制的要求进行划分,确保每个检验批的质量标准和验收标准一致。
2. 检验批划分的具体方法。
在实际操作中,可以根据工程的具体情况采取不同的方法进行检验批的划分。
例如,可以按照工程的施工工序进行划分,将同一工序的施工内容划分为一个检验批;也可以按照工程的施工区域进行划分,将同一施工区域的施工内容划分为一个检验批;还可以按照工程的施工材料进行划分,将同一种材料的施工内容划分为一个检验批。
二、实施方案制定。
1. 制定检验批实施方案的目的。
制定检验批实施方案的目的是为了规范和指导检验批的具体实施工作,确保检验批的质量控制和验收工作能够按照既定的标准和程序进行。
2. 实施方案的内容。
实施方案应包括检验批的具体划分标准、检验批的质量控制要求、检验批的验收标准、检验批的实施程序和责任分工等内容。
同时,还应根据实际情况制定相应的应急预案和质量风险控制措施。
三、实施过程管理。
1. 实施过程的监督和检查。
在检验批的实施过程中,应加强对施工现场的监督和检查,及时发现和解决存在的质量问题和安全隐患,确保施工工作按照实施方案和质量标准进行。
2. 实施过程的记录和归档。
在检验批的实施过程中,应做好相关记录和资料的归档工作,包括检验批的实施记录、质量验收记录、质量整改记录等,以便于日后的追溯和总结。
综上所述,检验批划分及实施方案对于工程建设和生产过程具有重要意义,它不仅关系到产品质量和工程进度的控制,还关系到企业的形象和信誉。
因此,各相关部门和人员都应高度重视检验批划分及实施方案的制定和执行工作,确保工程质量和工程效益的持续提升。
检验批划分1. 简介检验批划分是质量管理中的一个重要环节,通过将产品或工程按照一定的标准分为不同的检验批,实施检验和控制,以确保产品或工程的质量符合要求。
本文将介绍检验批划分的目的、方法和注意事项。
2. 目的检验批划分的目的在于对产品或工程进行有效的质量控制,以确保产品或工程符合质量要求。
通过将产品或工程分为不同的检验批,可以对每个批次进行集中检验,减少成本和时间,并及时发现和修正存在的质量问题。
3. 方法3.1 划分依据划分检验批的依据通常包括以下几个方面:•产品或工程的结构特点:根据产品或工程的结构特点,将其划分为若干部件或工序,以便对每个部件或工序进行独立检验。
•检验任务的紧迫程度:对于具有较高质量要求或影响重大的产品或工程,可以将其划分为较小的检验批,以加强质量控制。
•生产过程的稳定性:对于生产过程稳定,质量相对稳定的产品或工程,可以将其划分为较大的检验批,以减少检验数量和成本。
•经验和实践:根据过往经验和实践,结合产品或工程的特点,可以灵活地划分检验批,以适应实际情况。
3.2 划分标准划分检验批的标准主要包括以下几个方面:•数量标准:根据产品或工程的规模和要求,确定每个检验批的数量,通常以合理的抽样数量为基准。
•时间标准:根据生产节奏和检验周期,确定每个检验批的时间间隔,以保证及时控制和调整。
•质量标准:根据产品或工程的质量要求和标准,确定每个检验批的质量控制指标,以确保合格产品的出厂。
4. 注意事项在进行检验批划分时,需要注意以下事项:•确定划分依据和标准前,要充分了解产品或工程的具体要求和特点,并考虑实际情况。
•划分依据和标准应该具有明确性和可操作性,以便操作人员能够准确理解和执行。
•划分的检验批应当具有相对独立性,各个批次之间的影响要求较小,以便于对每个批次进行单独分析和控制。
•划分的检验批数量应当合理,既要能够保证质量控制的有效性,又要避免过多的检验工作。
•划分的检验批应当具有可操作性,以便于实施检验和控制,同时要配合合理的检验方法和手段。
检验批划分用1. 引言检验批划分是在产品或工程项目完成过程中进行质量控制的重要环节。
通过将产品或工程划分为合适的检验批,可以有效管理和控制质量风险,在确保产品质量的同时提高工作效率。
本文将介绍检验批划分的概念、目的以及常见的划分方法。
2. 检验批划分的概念检验批划分是指将产品或工程按照一定的规则和标准划分为几个具有独立完整功能的元素,以便对其进行分别检验和评价的过程。
通过划分,可以明确每个检验批应具备的特征和要求,有针对性地进行质量控制。
3. 检验批划分的目的检验批划分的主要目的是实现以下几个方面的要求:3.1 质量控制管理通过划分产品或工程为较小的检验批,可以更加精细地对每个批次进行质量控制,及时发现和解决潜在的质量问题,保证产品或工程的质量符合标准要求。
3.2 提高工作效率合理划分检验批可以避免批量生产或工程施工过程中出现整体性的质量问题,减少不合格品的数量和处理时间,提高工作效率。
3.3 便于追溯和问题定位将产品或工程按照一定规则和标准划分为检验批,可以使每个批次具有唯一标识,方便追溯和问题定位,加快问题处理的速度。
4. 常见的检验批划分方法4.1 时间划分法时间划分法是根据产品或工程施工的时间顺序进行划分。
按照时间的先后顺序,将产品或工程划分为多个阶段或阶段性的节点,每个节点为一个检验批。
这种方法适用于产品或工程具有明确的阶段性任务和工作计划的情况。
4.2 功能划分法功能划分法是根据产品或工程的不同功能模块进行划分。
将产品或工程按照不同的功能模块划分为几个独立的部分,每个部分为一个检验批。
这种方法适用于产品或工程具有多个相互独立的功能模块的情况。
4.3 空间划分法空间划分法是根据产品或工程的空间范围进行划分。
按照产品或工程的不同空间位置或空间区域划分为多个部分,每个部分为一个检验批。
这种方法适用于产品或工程具有复杂的空间结构或需要分段施工的情况。
4.4 风险划分法风险划分法是根据产品或工程的可能存在的风险因素进行划分。
建筑工程检验批的划分建筑工程检验批是指在建筑工程施工过程中,按照规定的检验标准和程序进行的,对材料、工序、质量等方面的检查和验收工作。
建筑工程检验批的划分是为了更好地管理和监督施工过程中的质量控制,确保工程的质量达到规定的要求。
本文将探讨建筑工程检验批的划分方法和注意事项。
一、建筑工程检验批的划分方法1. 按照施工部位划分建筑工程可以根据施工的具体部位进行划分,例如地基、主体结构、建筑装饰、给排水工程等。
每个部位都有相应的检验标准和程序,以确保质量的可控性和可监督性。
2. 按照工程阶段划分建筑工程可以根据施工的不同阶段进行划分,例如基础施工、主体施工、装饰施工等。
每个阶段都有独立的检验标准和程序,以确保该阶段施工工作的质量符合规定的要求。
3. 按照具体工序划分建筑工程可根据具体的工序进行划分,例如混凝土浇筑、砌筑、抹灰、铺贴瓷砖等。
每个工序都有特定的检验要求和操作流程,以检测和验证工序的质量,并及时进行调整和改进。
二、建筑工程检验批的注意事项1. 制定检验计划在开始施工前,应制定详细的检验计划,明确每个检验批的检验内容、检验标准和检验方法等。
同时,将检验计划与工程进度相结合,确保按时进行检验工作。
2. 严格把控检验批数量合理划分检验批的数量是保证质量控制的重要环节。
过多的检验批会增加人力资源和时间成本,而过少的检验批则难以全面了解施工工序的质量情况。
应根据实际情况,合理划分检验批的数量。
3. 确保检验的客观公正建筑工程检验批的划分和检验工作应确保公正、客观,避免主观因素对检验结果造成影响。
检验工作应由专业技术人员进行,同时建立健全的监督和评估机制。
4. 严格按照检验标准执行每个检验批都应按照相关的检验标准进行执行,确保检验结果的准确性和可靠性。
对于不符合标准的情况,应及时采取纠正措施,并进行追踪和记录。
5. 做好检验记录和报告每个检验批都应进行详细的记录和报告,包括检验结果、问题和处理情况等。
这些记录和报告有助于总结经验教训,及时改进和提高施工质量。
工程资料检验批如何划分一、按项目部位划分工程项目通常由不同的部位组成,每个部位都需要进行资料检验批。
按照项目部位划分可以有效地将不同部位的资料分开管理,方便查找和追溯。
例如,在建筑工程中,可以按照地基、框架、外墙、内墙、屋面、地面等部位进行划分;在道路工程中,可以按照路基、路面、交通设施等部位进行划分。
二、按结构划分工程项目中经常出现多种不同的结构形式,每种结构形式都需要进行资料检验批。
按照结构划分可以方便对每种结构形式进行单独管理和检查。
例如,在桥梁工程中,可以按照梁、墩、台等结构进行划分;在隧道工程中,可以按照洞身、洞顶、洞底等结构进行划分。
三、按材料划分工程项目中常使用不同的材料,每种材料都需要进行资料检验批。
按照材料划分可以方便对每种材料的使用进行跟踪和控制。
例如,在混凝土工程中,可以按照水泥、砂、石料等材料进行划分;在钢结构工程中,可以按照型钢、钢板等材料进行划分。
四、按工序划分工程项目通常按照一定的工序进行施工,每个工序都需要进行资料检验批。
按照工序划分可以方便对每个工序的施工过程进行跟踪和监控。
例如,在地基工程中,可以按照基坑开挖、基坑支护、地基处理等工序进行划分;在钢结构工程中,可以按照焊接、防腐、喷涂等工序进行划分。
五、按系统划分工程项目通常由不同的系统组成,每个系统都需要进行资料检验批。
按照系统划分可以方便对每个系统的工作进行分工和管理。
例如,在给排水工程中,可以按照给水系统、排水系统、消防系统等进行划分;在电气工程中,可以按照高压系统、低压系统、照明系统等进行划分。
六、按标段划分对于大型工程项目,通常会划分为多个标段进行施工。
按照标段划分可以方便对每个标段的工作进行独立管理和控制。
例如,在城市道路工程中,可以按照路段进行划分;在城市供水工程中,可以按照区域进行划分。
在实际应用中,可以根据工程项目的特点,综合考虑以上不同的划分方法,将其结合起来,形成一个完整的工程资料检验批划分方案。
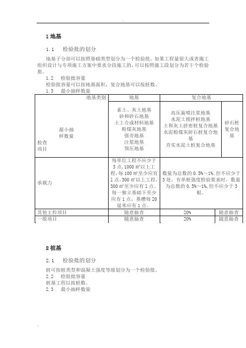
二)检验批质量验收1、检验批是工程质量验收最基本的单元,分项工程划分成检验批有助及时纠正施工中出现的的质量问题,确保工程质量。
检验批可根据施工及质量控制和专业验收需要,按楼层、施工段、变形缝等划分,如:(1)多层及高层建筑工程中主体分部的分项工程可按楼层或施工段来划分检验批,单层建筑工程中的分项工程可按变形缝等划分。
(2)地基与基础分部工程中的分项工程一般划分为一个验收批,有地下层的基础工程可按不同地下层划分验收批。
(3)屋面分部工程中的分项工程可按不同楼层屋面可划分为不同的验收批。
(4)其他分部工程中的分项工程,一般按楼层划分验收批。
(5)安装工程一般按一个设计系统或设备组别划为一个验收批。
(6)室外工程可统一划分为一个验收批。
(7)散水、台阶、明沟等含在地面检验批中。
(8)对于工程量较少的分项工程可统一划为一个验收批。
(9)幕墙子分部工程各分项工程的检验批应按下列规定划分:①相同设计、材料、工艺和施工条件的幕墙工程每500~1000m2应划分为一个检验批,不足500m2也应划分为一个检验批。
(一般情况下按楼层划分,如一层或东立面一至二层等)②同一单位工程的不连续的幕墙工程应单独划分检验批。
③对于异型或有特殊要求的幕墙,检验批的划分应根据幕墙的结构、工艺特点及幕墙工程规模,由监理单位(或建设单位)和施工单位协商确定。
(10)钢结构检验批划分的原则:①单层钢结构可按变形缝划分。
②多层及高层钢结构可按楼层或施工段划分。
③钢结构制作可按构件类型划分。
④压型金属板工程可按屋面、墙面、楼面划分。
⑤对原材料及成品进行的验收,可以根据工程规模及进料实际情况合并或分批划分。
⑥复杂结构可按独立的空间刚度单元划分。
2、检验批质量验收由监理工程师组织项目专业技术负责人等进行验收。
3、检验批质量验收应符合下列规定:(1)主控项目和一般项目的质量经抽样检验合格。
(2)主控项目是确定检验批主要性能,必须全部达到要求。
(3)一般项目是基本达到,对不影响工程安全和使用功能的适当放宽。
5.2 检验批容量:砌筑的立方量5.3 最小抽样数量砌体结构分项工程中检验批抽检时,各抽检项目的样本最小容量除有特殊要求外,按不应少于5确定。
10建筑地面10.1 检验批的划分应按每一层次或每层施工段(或变形缝)划分检验批,高层建筑的标准层可按每三层(不足三层按三层计)划分检验批。
10.2 最小抽样数量抽查数量应随机检验不应少于3间;不足3间,应全数检查;有防水要求的建筑地面子分部工程的分项工程施工质量每检验批抽查数量应按其房间总数随机检验不应少于4间,不足4间,应全数检查。
10.3 检验批容量按自然间(或标准间),其中走廊(过道)应以10延长米为1间,工业厂房(按单跨计)、礼堂、门厅应以两个轴线为1间计。
11抹灰11.1 检验批划分(1)相同材料工艺和施工条件的室外抹灰工程每500~1000㎡应划分为一个检验批,不足500㎡也应划分为一个检验批。
(2)相同材料工艺和施工条件的室内抹灰工程每50 个自然间(大面积房间和走廊按抹灰面积30㎡为一间)应划分为一个检验批,不足50间也应划分为一个检验批。
11.2 最小抽样数量(1)室内每个检验批应至少抽查10%,并不得少于3 间;不足3 间时应全数检查。
(2)室外每个检验批每100㎡应至少抽查一处,每处不得小于10㎡。
11.3 检验批容量室内抹灰按自然间(或标准间),室外抹灰按房间。
12 外墙防水12.1 检验批划分应按照外墙面面积500㎡~1000㎡为一个检验,不足500㎡时也应划分为一个检验批。
12.2 最小抽样数量每个检验批每100㎡应至少抽查一处,每处不得小于10㎡,且不得少于3处;节点构造应全部进行检查。
12.3 检验批容量按外墙面面积。
13门窗13.1 检验批的划分(1)同一品种、类型和规格的木门窗、金属门窗、塑料门窗及门窗玻璃每100 樘应划分为一个检验批,不足100 樘也应划分为一个检验批。
(2)同一品种、类型和规格的特种门每50 樘应划分为一个检验批,不足50 樘也应划分为一个检验批。
简述检验批划分的原则
检验批划分的原则通常包括以下几个方面:
1. 按施工顺序划分:根据施工流程或工艺顺序,将施工过程划分为若干个检验批,以确保每个施工阶段的质量得到有效控制。
2. 按专业系统划分:对于涉及多个专业或系统的工程,可以按照不同专业或系统的特点和要求,将其划分为相应的检验批。
3. 按工程量大小划分:根据工程的规模和复杂程度,将其划分为适当大小的检验批,以便于质量控制和检验。
4. 按楼层、区域或部位划分:对于建筑工程,可以按照楼层、区域或部位等进行划分,以方便施工管理和质量检验。
5. 按施工单位划分:对于有多个施工单位参与的工程,可以按照施工单位的承包范围和工作内容,将工程划分为相应的检验批。
6. 按质量验收标准划分:根据相关的质量验收标准和规范要求,将工程划分为相应的检验批,以确保每个检验批的质量符合规定。
检验批的划分应根据具体工程的特点和要求进行合理确定,既要满足质量控制的需要,又要便于施工管理和检验工作的开展。
同时,检验批的划分应在施工组织设计或质量计划中明确,并经过相关方的认可和批准。
4-4 检验批划分7-1主要材料需求计划表:3、检验批的划分每栋楼基础和主体结构均按每层两段流水节拍进行划分;装饰工程按每个门洞为一个检验批;给、排水、电照一期工程随结构,二期按支线进行划分。
地基与基础工程的主控项目和一般项目应全部检查。
砖砌体的主控项目接槎每检验批抽20%,且不应少于5处;外墙垂直度全高查阳角,不应少于4处,每层每20m 查一处;内墙按有代表性的自然间抽10%,但不应少于三间,每间不应少于2处。
模板主控项目应全部检查,对一般项目,板按有代表性的自然间抽10%,但不应少于三间,梁柱抽构件数量的10%,但不应少于三处。
钢筋连接、安装主控项目应全部检查;对一般项目,板按有代表性的自然间抽10%,但不应少于三间,梁、柱抽构件数量的10%,但不应少于三处。
砼施工、外观质量全数检查;材料按进场批次检查,配合比按工作班全数检查。
砼尺寸偏差主控项目应全数检查,对一般项目,板按有代表性的自然间抽10%,但不应少于三间,梁柱抽构件数量的10%,但不应少于三处。
预制构件安装全数检查检验批验收记录内容:土方开挖、填土工程、砖砌体工程,模板安装(现浇结构)模板拆除、钢筋原材料、钢筋加工、钢筋连接、钢筋安装、砼原材料、砼配合比设计、砼施工、现浇结构外观质量、现浇结构尺寸偏差、装配式结构预制构件、装配式结构施工、保温层、卷材防水层、保护层屋面、细部构造、基土工程(地面)、砼垫层(地面)、水泥砂浆面层(楼地面)、一般抹灰工程、木门窗制安、金属门窗安装、门窗玻璃安装、饰面砖粘贴、水性涂料涂饰、溶剂型涂料涂饰、护栏与扶手制安、给水管道及配件安装、排水管道及配件安装、卫生器具安装、卫生器具给水配件安装、卫生器具排水配件安装、动力和照明配电箱安装和电线导管敷设(室内绝缘)、动力和照明配电箱安装和电线导管敷设(室内金属)、电线敷设、普通灯具安装、插座和开关安装、建筑照明通电试运行、接地装置安装、避雷引下线接地干线敷设、建筑物等电位连接、接闪器安装、设备进场验收、土建交接检验、整机安装验收。
检验批的划分专项方案一、引言检验批是在工程项目中对其中一部位或其中一工序进行抽样检验的一种常用方法。
检验批的划分专项方案是制定检验批的划分依据和方法,以确保检验结果具有合理性、可靠性和可操作性。
本文将从检验批的划分原则、检验批的划分方法和检验批的划分应用等方面进行探讨,旨在提供一个完整的检验批划分专项方案。
二、检验批的划分原则1.完整性原则:检验批应包含完整的一部分工程项目或一项工序,以保证测试结果的代表性和可靠性。
2.经济性原则:检验批的划分应经济合理,既能满足质量控制的要求,又能节约检验人力、物力和时间成本。
3.可操作性原则:检验批的划分应便于操作和管理,确保检验过程的规范性和高效性。
三、检验批的划分方法1.按工程部位划分:按工程的结构、区域和功能等特点将工程项目或工序划分为若干部位,每个部位构成一个检验批。
例如,在建筑工程中,可以按楼层、楼栋或功能区划分检验批。
2.按工序划分:按工程项目或工序的执行顺序将其划分为若干工序,每个工序构成一个检验批。
例如,在水利工程中,可以按开挖、浇筑、建造等工序划分检验批。
3.按工程质量等级划分:按工程项目或工序的质量等级将其划分为若干等级,每个等级构成一个检验批。
例如,在道路施工中,可以按基层、面层等质量等级划分检验批。
4.按时间划分:按工程项目或工序的周期将其划分为若干时间段,每个时间段构成一个检验批。
例如,在桥梁施工中,可以按季度、月份或周数划分检验批。
四、检验批的划分应用1.质量控制:通过定期对检验批进行抽样检验,评估工程项目或工序的合格率,及时发现和纠正质量问题,确保工程质量符合标准和要求。
2.进度控制:通过按计划对检验批进行抽样检验,评估工程项目或工序的进度完成情况,及时发现和解决进度延迟问题,确保工程进度按时完成。
3.资源控制:通过对检验批进行抽样检验,评估工程项目或工序的资源利用情况,优化资源配置,提高资源利用效率,降低成本。
4.绩效评估:通过对检验批进行抽样检验,评估工程项目或工序的绩效指标,及时发现和补充绩效问题,提高工作质量和效益。
检验批划分方案
一、总则
为了保证工程质量,提高工程施工效率,便于组织管理和监督施工过程,特制定本检验批划分方案。
二、检验批划分原则
1. 检验批应根据施工进度、施工工序、材料种类等因素进行合理划分;
2. 检验批之间应相互独立,互不影响;
3. 同类材料、构件应划分在同一检验批内,确保质量可溯。
三、检验批划分具体方案
1. 混凝土工程
根据混凝土浇筑的不同部位和不同强度等级,将混凝土工程划分为多个检验批,确保每个检验批内混凝土质量符合要求。
2. 钢筋工程
按照不同规格、品种的钢筋,将钢筋工程划分为不同的检验批,对每个检验批进行检验,确保钢筋质量达标。
3. 砌体工程
根据砌体的墙体、柱子、梁等不同部位,将砌体工程划分为相应的检验批,保证砌体结构的稳固和合格。
4. 油漆工程
按照油漆的种类、颜色、工艺等要素,将油漆工程划分为多个检验批,对每个检验批进行检验,确保油漆涂装质量良好。
四、检验批划分管理
1. 监理工程师负责检验批划分的制定和落实,确保划分方案符合要求;
2. 承包商应严格按照检验批划分方案进行施工,并配合监理工程师的检查验收;
3. 监理工程师应及时记录检验批划分的实施情况,对不符合要求的问题及时提出整改意见。
五、总结
本检验批划分方案的制定旨在规范工程施工质量管理,保证工程质量,提高工程施工效率。
希望各相关单位、人员严格按照此方案的要求执行,共同为工程质量的提升而努力。
补充:检验批划分
1、主要原材料
①钢筋:同牌、同批、同规、同态60吨为一批。
②水泥:同厂、同期、同种、同标、同号200吨为一批。
③加气砼砌块:5万块为一批,不足5万块按一批计。
④页岩砖:3.5~15万,不足3.5万也按一批。
⑤砂、石按400m3或600吨为一批,不足上述数量者为一批。
其他原材料取样批量按有关规范要求。
2、基础及主体结构工程
①钢筋加工、连接及安装同一施工段水平及竖向各为一批。
②混凝土原材料及配比、砼施工、砼外观及现浇结构同一施工段水平及竖向各为一批。
③模板安装和拆除同一施工段水平及竖向为一批。
④砌筑工程构造柱及拉结筋砌体按二层一批。
⑤二次结构中的构造柱、过梁、卧梁、压顶等均按二层为一批。
⑥钢筋抗拔主楼及地下室同规格为一批。
3、装饰工程
①楼地面工程按每二层一个检验批;
②内外墙抹灰工程按每二层一个检验批;
③其他外装均按每二层一个检验批。
④屋面每一道工序按一个检验批。
检验批的划分原则检验批是生产过程中的重要环节,它的划分原则对于保证产品质量至关重要。
本文将从不同的角度介绍检验批的划分原则。
一、按产品特性划分1. 相同特性:将具有相同特性的产品划分为一个检验批。
例如,对于同一批次的某款手机来说,它们的特性包括外观、性能等方面,因此可以将这些手机划分为一个检验批进行检验。
2. 不同特性:将具有不同特性的产品划分为多个检验批。
例如,对于一款多功能家用电器来说,它的特性包括外观、安全性、功能等方面,因此可以将这些特性分别划分为不同的检验批进行检验。
二、按生产工序划分1. 同一工序:将在同一工序中进行的产品划分为一个检验批。
例如,在手机生产过程中,焊接工序是一个重要的工序,可以将在焊接工序中进行的手机划分为一个检验批进行检验。
2. 不同工序:将在不同工序中进行的产品划分为多个检验批。
例如,在手机生产过程中,装配、测试等工序都是重要的工序,可以将在不同工序中进行的手机分别划分为不同的检验批进行检验。
三、按生产批次划分1. 同一批次:将具有相同生产批次的产品划分为一个检验批。
例如,同一天生产的手机属于同一批次,可以将它们划分为一个检验批进行检验。
2. 不同批次:将具有不同生产批次的产品划分为多个检验批。
例如,连续生产的手机可能会有不同的批次,可以将它们分别划分为不同的检验批进行检验。
四、按检验目的划分1. 初检、复检和末检:对于大批量生产的产品,通常会进行初检、复检和末检。
初检用于筛查初期生产过程中的问题,复检用于确认产品在中期生产过程中的质量稳定性,末检用于确认产品的最终质量。
2. 抽检和全检:对于产品质量要求较高或关键部件的产品,可以采用全检的方式进行检验;对于产品质量要求相对较低的产品,可以采用抽检的方式进行检验。
五、按检验方法划分1. 外观检验和功能检验:外观检验主要针对产品的外观缺陷进行检查,功能检验主要针对产品的功能性能进行检查。
根据产品的特性,可以将外观检验和功能检验划分为不同的检验批进行检验。
工程主要分部分项工程验收资料检验批除有具体要求的可根据以下情况进行划分:土方:根据施工段划分结合工程实际特点,本工程土方开挖作为一个检验批,土方回填根据部位,室内、室外各为一个检验批。
土钉墙:根据施工段划分结合工程实际特点,本工程土钉墙作为一个检验批。
砂石地基:根据施工段划分结合工程实际特点,本工程砂石地基作为一个检验批。
地下室防水:根据施工段划分结合工程实际特点,地下室水平及竖向各为一个检验批。
模板:根据施工段划分结合工程实际特点,每层竖向结构及其顶梁板作为一个检验批。
钢筋:根据施工段划分结合工程实际特点,每层竖向结构及其顶梁板作为一个检验批。
混凝土:根据施工段划分结合工程实际特点,每层竖向结构及其顶梁板作为一个检验批。
砌体:根据施工段划分结合工程实际特点,每一楼层作为一个检验批(包括填充墙砌体及二次结构)。
外墙抹灰:按照500m2-1000m2为一个检验批,本工程外墙抹灰每两层结构划分为一个检验批。
内墙抹灰:按照每50个自然间应划分为一个检验批,本工程内墙抹灰每两层结构划分为一个检验批。
外墙涂料:按照500m2-1000m2为一个检验批,本工程外墙涂料每两层结构划分为一个检验批。
内墙涂料:按照每50个自然间应划分为一个检验批,本工程内墙涂料每两层结构划分为一个检验批。
饰面砖:根据不大于50间(每间30m2)作为一个检验批,本工程地面砖及卫生间墙面砖每两层作为一个检验批,门厅花岗岩地面及墙面分别作为一个检验批。
木门:按照不大于100樘作为一个检验批,本工程木门-1~2层作为一个检验批,3层以上每两层作为一个检验批,21层以上为一个检验批。
特种门:按照不大于50樘作为一个检验批。
防火门-1~6层为一个检验批,7~15层为一个检验批,16层以上为一个检验批;铝合金门本工程设一个检验批;推拉门从一层开始每2层作为一个检验批,21层以上为一个检验批,门玻璃同此划分。
塑钢窗:按照不大于100樘作为一个检验批,本工程塑钢窗-1~3层作为一个检验批,4层以上每3层作为一个检验批,窗玻璃同此划分。
检验批如何划分根据规范要求,在工程质量验收时,检验批的划分一般按如下原则进行:1、对材料、构件进场验收,应以进场批次、生产厂家、规格、规范规定的数量为序划分;2、对现场制作的构件品或半产品的验收(包括混凝土、砂浆、钢筋成形),应以生产班组、品种、规范规定的数量为序划分;3、对建筑结构、装饰的验收,应以楼层、设计中设置的变形缝、施工班组、连续作业的施工段、规范规定的数量(或区域)为序划分;4、多层及高层建筑工程中主体分部的分项工程可按楼层或施工段来划分检验批;5、单层建筑工程的分项工程可按变形缝等划分检验批;6、地基基础分部工程中的分项工程一般划分为一个检验批,有地下室的基础工程可按不同地下室划分检验批;7、屋面分部工程中的分项工程不同楼层屋面可划分不同的检验批;8、其他分部工程中的分项工程,一般按楼层划分检验批;9、对于工程量较少的分项工程可统一划分为一个检验批;10、安装工程一般按一个设计系统或设备组别划分为一个检验批;11、对管线安装的验收,应以干线系统、隐蔽批次、施工班组、规范规定的数量(或区域)为序划分;12、对设备、器具的验收,应以楼层、设备间、大型设备单台、规范规定的数量(或区域)为序划分;13、对电梯、扶梯的验收,应以独立运行的台或段划分;14、室外工程统一划分为一个检验批;15、散水、台阶、明沟等含在地面检验批中;如何填写检验批质量验收记录表一)表的名称及编号检验批由监理工程师或建设单位项目技术负责人组织项目专业质量检查员等进行验收,表的名称应在制订专用表格时就印好,前边印上分项工程的名称。
表的名称下边注上“质量验收规范的编号”。
检验批表的编号按全部施工质量验收规范系列的分部工程、子分部工程统一为9位数的数码编号,写在表的右上角,前6位数字均印在表上,后留两个口,检查验收时填写检验批的顺序号。
其编号规则为:前边二个数字是分部工程的代码,01—09。
地基与基础为01,主体结构为02,建筑装饰装修为03,建筑屋面为04,建筑给水排水及采暖为05,建筑电气为06,智能建筑为07,通风与空调为08,电梯为09。
建筑工程检验批的划分
建筑工程检验批的划分主要有以下几个方面:
1. 按照施工工序划分:根据建筑工程的不同施工工序,可以将检验批划分为地基与基础工程检验批、主体结构工程检验批、建筑装饰与设备工程检验批等。
每个施工工序都有相应的检验标准和要求,检验批的划分可以更好地确保不同施工环节的质量控制。
2. 按照施工区域划分:将建筑工程划分为不同的施工区域,每个区域都有相关的工程要求和检验标准。
根据施工区域的划分,可以将检验批分为地下工程检验批、主楼层检验批、顶层检验批等,以便对每个施工区域进行逐一检验。
3. 按照系统或功能模块划分:对于大型建筑工程,可以按照系统或功能模块进行划分,例如电气系统检验批、给排水系统检验批、暖通系统检验批等。
每个系统或功能模块都有独立的检验要求和标准,划分检验批可以更好地进行质量管控。
4. 按照工程材料划分:建筑工程中涉及的材料种类繁多,按照材料进行划分可以更好地对材料进行质量把控。
例如,水泥混凝土检验批、钢结构检验批、防水材料检验批等。
在每个材料的检验批中,需要对材料的规格、性能、试验结果等进行检验和评判。
以上是建筑工程检验批的一般划分方法,具体划分还需要根据项目的实际情况和要求进行确定。
检验批的划分有助于提高工
程质量,有效控制施工过程中的质量问题,确保建筑工程的质量安全。