钻孔灌注桩资料表格(全套)
- 格式:doc
- 大小:241.50 KB
- 文档页数:9
钻孔灌注桩资料怎么做?钻孔桩监—02表工程分项开工申请批复单监-07表中间交工证书桥评—02表钢筋加工及安装质量检验评定表桥评-13表钻孔灌注桩质量检验评定表监—03表检验申请批复单桥施—02-1表钻孔记录表(冲击钻)桥施—02-2表钻孔施工原始记录(回旋钻进)桥检—02表灌注桩成孔检查原始记录监-03表检验申请批复单桥施-05表钢筋施工原始记录桥检-01表钻孔桩终孔后灌注混凝土前检查表监-03表检验申请批复单桥施—06-1表混凝土施工原始记录桥施—04表水下混凝土灌注施工原始记录时间方面记住开钻前的时间和下钢筋笼的时间钻孔灌注桩资料最主要的还是钻孔原始记录和水下砼灌注原始记录试验和测量方面的问你们项目部相应人员钢筋这一块的话看你们的设计要求要多少根和多大直径的焊接多少等等说句难听的就是编钻孔桩当然是一根桩一个资料,包含开孔通知,钻孔记录表、隐蔽工程验收记录、清空记录表、混凝土灌注记录,另外还有测量放线、技术复核、混凝土灌注桩钢筋笼检验批等等的资料!钻孔灌注桩资料需要做哪些表格?1、桩基地质柱状图,2、孔位偏移的测量资料,3、孔深、泥浆比重等资料,4、钢筋原材料的加工资料,5、钢筋的连接和安装资料,7、混凝土的原材料资料,8、混凝土的配合比资料,9、混凝土的施工及养护资料.我们这边的铁路桥梁桩基就是这么多,共9个表格钻孔灌注桩要做哪些资料?按工序来啊1、测量放样;2、护筒埋设;3、钻孔记录;4、成孔检查;测量方面要报审一份桩位基准线。
施工方面:开钻通知单、钻进记录表、测孔冲孔灌注桩验收需上交哪些资料,需要准备哪些资料?他们说的太笼统了,我给你列一下你:冲孔桩施工记录表、水下砼施工记录表、钢筋笼验收记录表、钢筋笼制作验收检验批、完工报验单(单桩)、混凝土浇注令、混凝土灌注申请单、钢筋笼隐蔽验收记录、桩隐蔽记录、冲孔灌注桩检验批.这些就是一条桩的资料。
另外你还得提供静载、抽芯、轻触等检验报告。
海南房建资料里钻孔灌注桩资料都有哪些1、施工单位资质报审、检验中心资质报审(以前有)、混凝土资质报审;施工人员报审(特种人员:桩机操作员、电焊工、强弱电工);2、各种方案:钻孔桩施工方案、临时用电用水方案、三防方案(忘了几防了)、安全文明施工方案等各种乱七八糟的方案;3、钢筋原材检验报告(注意出报告的日期哦)、焊条也是要报的4、桩检验资料:单桩3天同条件、单桩28天标养试压报告;桩试压报告;桩抽芯报告、桩轻触报告(以上这三项是看设计上要求,有的抽芯,有的轻触不一样)、温度记录表;混凝土强度评定表;5、钻孔桩单桩施工资料:施工记录表、水下砼灌注记录表、单桩完工报验单(钻孔灌注桩施工检验批)、钢筋笼报验单(钢筋原材检验批、灌注桩钢筋笼制作检验批、钢筋笼隐蔽验收记录表)、浇注令、现浇记录表、混凝土进场报验;6、分部分项完工验收单;钻孔灌注桩施工资料,施工单位要做哪些资料,什么顺序(目录)。
钻孔灌注桩钻进成孔原始记录表工程名称:甘泉县道镇九年制学校综合楼建设工程桩位标号:#桩地面标高(m) 设计桩底标高钻机类型及编号钻头类型、直径及长度页脚内容施工单位:中铁隧道集团有限公司记录质检监理年月日页脚内容钻孔灌注桩钻进成孔原始记录表工程名称:上海轨道交通13号线2标桩位标号: 6 #桩地面标高 3.92 (m) 磨盘标高 5.12 (m) 设计桩底标高-39.473 (m) 设计孔深(至磨盘)42.59(m)钻机类型及编号GPS-10 1#机钻头类型、直径及长度锥形钻头、直径1000mm、长1000mm页脚内容施工单位:中铁隧道集团有限公司记录质检监理年月日页脚内容钻孔灌注桩钻进成孔原始记录表工程名称:上海轨道交通13号线2标桩位标号:7 #桩地面标高 3.94 (m) 磨盘标高 5.14 (m) 设计桩底标高-37.473 (m) 设计孔深(至磨盘)42.613 (m)钻机类型及编号GPS-10 1#机钻头类型、直径及长度锥形钻头、直径1000mm、长1000mm页脚内容施工单位:中铁隧道集团有限公司记录质检监理年月日钻孔灌注桩钻进成孔原始记录表工程名称:上海轨道交通13号线2标桩位标号:8 #桩地面标高 3.86 (m) 磨盘标高 5.06 (m) 设计桩底标高-37.497 (m) 设计孔深(至磨盘)42.557 (m)钻机类型及编号GPS-10 1#机钻头类型、直径及长度锥形钻头、直径1000mm、长1000mm页脚内容施工单位:中铁隧道集团有限公司记录质检监理年月日钻孔灌注桩钻进成孔原始记录表工程名称:上海轨道交通13号线2标桩位标号:9 #桩地面标高 3.88 (m) 磨盘标高 5.08 (m) 设计桩底标高-37.509 (m) 设计孔深(至磨盘)42.589 (m)钻机类型及编号GPS-10 1#机钻头类型、直径及长度锥形钻头、直径1000mm、长1000mm页脚内容页脚内容施工单位:中铁隧道集团有限公司记录质检监理年月日钻孔灌注桩钻进成孔原始记录表工程名称:上海轨道交通13号线2标桩位标号:11 #桩地面标高 3.86 (m) 磨盘标高 5.06 (m) 设计桩底标高-37.509 (m) 设计孔深(至磨盘)42.569 (m)钻机类型及编号GPS-10 1#机钻头类型、直径及长度锥形钻头、直径1000mm、长1000mm页脚内容施工单位:中铁隧道集团有限公司记录质检监理年月日钻孔灌注桩钻进成孔原始记录表工程名称:上海轨道交通13号线2标桩位标号:10 #桩地面标高 3.91 (m) 磨盘标高 5.58 (m) 设计桩底标高-37.514 (m) 设计孔深(至磨盘)43.089(m)钻机类型及编号GPS-10 1#机钻头类型、直径及长度锥形钻头、直径1000mm、长1000mm页脚内容施工单位:中铁隧道集团有限公司记录质检监理年月日页脚内容钻孔灌注桩钻进成孔原始记录表工程名称:上海轨道交通13号线2标桩位标号:12 #桩地面标高 4.03 (m) 磨盘标高 5.60 (m) 设计桩底标高-37.514(m) 设计孔深(至磨盘)43.11 (m)钻机类型及编号GPS-10 1#机钻头类型、直径及长度锥形钻头、直径1000mm、长1000mm页脚内容施工单位:中铁隧道集团有限公司记录质检监理年月日钻孔灌注桩钻进成孔原始记录表工程名称:上海轨道交通13号线2标桩位标号: 1 #桩地面标高 3.77 (m) 磨盘标高 5.34 (m) 设计桩底标高-39.04(m) 设计孔深(至磨盘)44.38 (m)钻机类型及编号GPS-10 1#机钻头类型、直径及长度锥形钻头、直径1000mm、长1000mm页脚内容施工单位:中铁隧道集团有限公司记录质检监理年月日页脚内容钻孔灌注桩钻进成孔原始记录表工程名称:上海轨道交通13号线2标桩位标号: 2 #桩地面标高 3.72 (m) 磨盘标高 5.29 (m) 设计桩底标高-39.06(m) 设计孔深(至磨盘)44.35 (m)钻机类型及编号GPS-10 1#机钻头类型、直径及长度锥形钻头、直径1000mm、长1000mm页脚内容施工单位:中铁隧道集团有限公司记录质检监理年月日钻孔灌注桩钻进成孔原始记录表工程名称:上海轨道交通13号线2标桩位标号: 3 #桩地面标高 3.91 (m) 磨盘标高 5.48 (m) 设计桩底标高-39.04(m) 设计孔深(至磨盘)44.52 (m)钻机类型及编号GPS-10 1#机钻头类型、直径及长度锥形钻头、直径1000mm、长1000mm页脚内容施工单位:中铁隧道集团有限公司记录质检监理年月日钻孔灌注桩钻进成孔原始记录表工程名称:上海轨道交通13号线2标桩位标号:15 #桩地面标高 3.9 (m) 磨盘标高 5.04 (m) 设计桩底标高-37.55(m) 设计孔深(至磨盘)42.59 (m)页脚内容钻机类型及编号GPS-10 2#机钻头类型、直径及长度锥形钻头、直径1000mm、长1000mm页脚内容施工单位:中铁隧道集团有限公司记录质检监理年月日钻孔灌注桩钻进成孔原始记录表工程名称:上海轨道交通13号线2标桩位标号:49 #桩地面标高 4.507 (m) 磨盘标高 5.707 (m) 设计桩底标高-39.649(m) 设计孔深(至磨盘)45.356 (m)钻机类型及编号GPS-10 1#机钻头类型、直径及长度锥形钻头、直径1000mm、长1000mm页脚内容施工单位:中铁隧道集团有限公司记录质检监理年月日钻孔灌注桩钻进成孔原始记录表工程名称:上海轨道交通13号线2标桩位标号:17 #桩地面标高 3.9526(m) 磨盘标高 5.1026(m) 设计桩底标高-37.580(m) 设计孔深(至磨盘)42.682 (m)钻机类型及编号GPS-10 2#机钻头类型、直径及长度锥形钻头、直径1000mm、长1000mm页脚内容页脚内容施工单位:中铁隧道集团有限公司记录质检监理年月日钻孔灌注桩钻进成孔原始记录表工程名称:上海轨道交通13号线2标桩位标号:18 #桩地面标高 3.96(m) 磨盘标高 5.11(m) 设计桩底标高-37.60(m) 设计孔深(至磨盘)42.71 (m)钻机类型及编号GPS-10 2#机钻头类型、直径及长度锥形钻头、直径1000mm、长1000mm页脚内容施工单位:中铁隧道集团有限公司记录质检监理年月日钻孔灌注桩钻进成孔原始记录表工程名称:上海轨道交通13号线2标桩位标号:16 #桩地面标高 3.904(m) 磨盘标高 5.054(m) 设计桩底标高-37.564(m) 设计孔深(至磨盘)42.618(m)钻机类型及编号GPS-10 2#机钻头类型、直径及长度锥形钻头、直径1000mm、长1000mm页脚内容页脚内容施工单位:中铁隧道集团有限公司记录质检监理年月日钻孔灌注桩钻进成孔原始记录表工程名称:上海轨道交通13号线2标桩位标号:19 #桩地面标高 4.478(m) 磨盘标高 5.178m) 设计桩底标高-37.610(m) 设计孔深(至磨盘)42.788(m)钻机类型及编号GPS-10 2#机钻头类型、直径及长度锥形钻头、直径1000mm、长1000mm页脚内容页脚内容施工单位:中铁隧道集团有限公司 记录 质检监理 年 月 日钻孔灌注桩钻进成孔原始记录表工程名称:上海轨道交通13号线2标 桩位标号: 4 #桩 地面标高 3.80 (m) 磨盘标高 5.471 (m) 设计桩底标高 -39.078m) 设计孔深(至磨盘) 44.549 (m) 钻机类型及编号 GPS -10 1#机 钻头类型、直径及长度 锥形钻头、直径1000mm 、长1000mm施工单位:中铁隧道集团有限公司记录质检监理年月日钻孔灌注桩钻进成孔原始记录表页脚内容工程名称:上海轨道交通13号线2标桩位标号:14 #桩地面标高 3.88 (m) 磨盘标高 5.016 (m) 设计桩底标高-37.532m) 设计孔深(至磨盘)42.548 (m)钻机类型及编号GPS-10 1#机钻头类型、直径及长度锥形钻头、直径1000mm、长1000mm页脚内容施工单位:中铁隧道集团有限公司记录质检监理年月日钻孔灌注桩钻进成孔原始记录表工程名称:上海轨道交通13号线2标桩位标号:20 #桩地面标高 4.056 (m) 磨盘标高 5.206 (m) 设计桩底标高-37.624m) 设计孔深(至磨盘)42.83 (m)钻机类型及编号GPS-10 2#机钻头类型、直径及长度锥形钻头、直径1000mm、长1000mm页脚内容施工单位:中铁隧道集团有限公司记录质检监理年月日钻孔灌注桩钻进成孔原始记录表工程名称:上海轨道交通13号线2标桩位标号:21 #桩地面标高 4.11 (m) 磨盘标高 5.26 (m) 设计桩底标高-37.64m) 设计孔深(至磨盘)42.9 (m)钻机类型及编号GPS-10 2#机钻头类型、直径及长度锥形钻头、直径1000mm、长1000mm页脚内容页脚内容施工单位:中铁隧道集团有限公司记录质检监理年月日钻孔灌注桩钻进成孔原始记录表工程名称:上海轨道交通13号线2标桩位标号:48#桩地面标高 4.52 (m) 磨盘标高 5.72 (m) 设计桩底标高-39.644(m) 设计孔深(至磨盘)45.364 (m)钻机类型及编号GPS-10 1#机钻头类型、直径及长度锥形钻头、直径1000mm、长1000mm页脚内容施工单位:中铁隧道集团有限公司记录质检监理年月日钻孔灌注桩钻进成孔原始记录表工程名称:上海轨道交通13号线2标桩位标号:22 #桩地面标高 4.184(m) 磨盘标高 5.334 (m) 设计桩底标高-37.656m) 设计孔深(至磨盘)42.99 (m)钻机类型及编号GPS-10 2#机钻头类型、直径及长度锥形钻头、直径1000mm、长1000mm页脚内容页脚内容施工单位:中铁隧道集团有限公司记录质检监理年月日钻孔灌注桩钻进成孔原始记录表工程名称:上海轨道交通13号线2标桩位标号:23 #桩地面标高 4.302(m) 磨盘标高 5.436 (m) 设计桩底标高-37.672m) 设计孔深(至磨盘)43.108 (m)钻机类型及编号GPS-10 2#机钻头类型、直径及长度锥形钻头、直径1000mm、长1000mm页脚内容施工单位:中铁隧道集团有限公司记录质检监理年月日钻孔灌注桩钻进成孔原始记录表工程名称:上海轨道交通13号线2标桩位标号:51 #桩地面标高 4.29(m) 磨盘标高 5.49 (m) 设计桩底标高-39.649m) 设计孔深(至磨盘)45.139(m)钻机类型及编号GPS-10 1#机钻头类型、直径及长度锥形钻头、直径1000mm、长1000mm页脚内容页脚内容施工单位:中铁隧道集团有限公司记录质检监理年月日钻孔灌注桩钻进成孔原始记录表工程名称:上海轨道交通13号线2标桩位标号:24 #桩地面标高 4.333(m) 磨盘标高 5.483 (m) 设计桩底标高-37.687m) 设计孔深(至磨盘)43.17 (m)钻机类型及编号GPS-10 2#机钻头类型、直径及长度锥形钻头、直径1000mm、长1000mm页脚内容页脚内容施工单位:中铁隧道集团有限公司 记录 质检监理 年 月 日钻孔灌注桩钻进成孔原始记录表工程名称:上海轨道交通13号线2标 桩位标号: 43 #桩 地面标高 4.762m) 磨盘标高 5.962 (m) 设计桩底标高 -37.983m) 设计孔深(至磨盘) 43.945(m) 钻机类型及编号 GPS -10 1#机 钻头类型、直径及长度 锥形钻头、直径1000mm 、长1000mm施工单位:中铁隧道集团有限公司记录质检监理年月日钻孔灌注桩钻进成孔原始记录表页脚内容工程名称:上海轨道交通13号线2标桩位标号:25 #桩地面标高 4.33 (m) 磨盘标高 5.58 (m) 设计桩底标高-37.703m) 设计孔深(至磨盘)43.28 (m)钻机类型及编号GPS-10 2#机钻头类型、直径及长度锥形钻头、直径1000mm、长1000mm页脚内容施工单位:中铁隧道集团有限公司记录质检监理年月日钻孔灌注桩钻进成孔原始记录表工程名称:上海轨道交通13号线2标桩位标号:47#桩地面标高 4.66m) 磨盘标高 5.86m) 设计桩底标高-39.633m) 设计孔深(至磨盘)45.493m)钻机类型及编号GPS-10 1#机钻头类型、直径及长度锥形钻头、直径1000mm、长1000mm页脚内容施工单位:中铁隧道集团有限公司记录质检监理年月日钻孔灌注桩钻进成孔原始记录表工程名称:上海轨道交通13号线2标桩位标号:13#桩地面标高 3.924 (m) 磨盘标高 5.074 (m) 设计桩底标高-37.526(m) 设计孔深(至磨盘)42.6 (m)钻机类型及编号GPS-10 2#机钻头类型、直径及长度锥形钻头、直径1000mm、长1000mm页脚内容页脚内容施工单位:中铁隧道集团有限公司记录质检监理年月日钻孔灌注桩钻进成孔原始记录表工程名称:上海轨道交通13号线2标桩位标号:26 #桩地面标高 4.483(m) 磨盘标高 5.633 (m) 设计桩底标高-37.719m) 设计孔深(至磨盘)43.352 (m)钻机类型及编号GPS-10 2#机钻头类型、直径及长度锥形钻头、直径1000mm、长1000mm页脚内容施工单位:中铁隧道集团有限公司记录质检监理年月日钻孔灌注桩钻进成孔原始记录表工程名称:上海轨道交通13号线2标桩位标号:27 #桩地面标高 4.606(m) 磨盘标高 5.756 (m) 设计桩底标高-37.734m) 设计孔深(至磨盘)43.49 (m)钻机类型及编号GPS-10 2#机钻头类型、直径及长度锥形钻头、直径1000mm、长1000mm页脚内容页脚内容施工单位:中铁隧道集团有限公司记录质检监理年月日钻孔灌注桩钻进成孔原始记录表工程名称:上海轨道交通13号线2标桩位标号:28 #桩地面标高 4.679(m) 磨盘标高 5.829 (m) 设计桩底标高-37.751m) 设计孔深(至磨盘)43.580 (m)钻机类型及编号GPS-10 2#机钻头类型、直径及长度锥形钻头、直径1000mm、长1000mm页脚内容施工单位:中铁隧道集团有限公司记录质检监理年月日钻孔灌注桩钻进成孔原始记录表工程名称:上海轨道交通13号线2标桩位标号:42 #桩地面标高 4.857m) 磨盘标高 5.962 (m) 设计桩底标高-37.969m) 设计孔深(至磨盘)44.026(m)钻机类型及编号GPS-10 1#机钻头类型、直径及长度锥形钻头、直径1000mm、长1000mm页脚内容页脚内容。
钻孔灌注桩表格关键信息项:1、钻孔灌注桩的规格和尺寸2、施工地点3、施工时间4、质量标准5、工程价款及支付方式6、双方的责任和义务7、违约责任8、争议解决方式11 协议背景为了明确钻孔灌注桩施工过程中的各项权利和义务,确保工程质量和顺利进行,甲乙双方经友好协商,达成以下协议。
111 钻孔灌注桩的规格和尺寸乙方应按照甲方提供的设计要求进行钻孔灌注桩的施工,灌注桩的直径为具体直径数值,桩长为具体长度数值,桩身混凝土强度等级为具体等级。
112 施工地点施工地点位于详细地点。
12 施工时间121 乙方应在开工日期开始施工,并在竣工日期前完成全部钻孔灌注桩的施工工作。
122 如因不可抗力或甲方原因导致工期延误,乙方应及时通知甲方,并提供相关证明材料,经甲方确认后,工期相应顺延。
13 质量标准131 钻孔灌注桩的施工质量应符合国家及行业相关标准和规范的要求。
132 桩位偏差、桩身垂直度、桩径、桩长等各项指标应满足设计要求。
133 混凝土灌注应连续、密实,不得出现断桩、夹泥等质量缺陷。
14 工程价款及支付方式141 本工程的总价款为人民币具体金额元。
142 甲方应在合同签订后具体时间内向乙方支付工程价款的百分比作为预付款。
143 工程进度达到具体节点时,甲方支付工程价款的百分比。
144 工程竣工验收合格后,甲方支付工程价款的百分比。
145 剩余工程价款的百分比作为质量保证金,在质保期届满后无质量问题时一次性支付。
15 双方的责任和义务151 甲方的责任和义务提供施工所需的场地、水源、电源等必要条件。
按时支付工程价款。
协助乙方协调与周边单位和居民的关系。
及时组织工程验收。
152 乙方的责任和义务编制施工组织设计和施工方案,并报甲方审批。
按照设计要求和施工规范进行施工,确保工程质量和安全。
严格遵守施工现场的管理规定,做好环境保护和文明施工工作。
及时向甲方报告工程进度和质量情况,接受甲方的监督和检查。
16 违约责任161 若甲方未按时支付工程价款,每逾期一天,应按照未支付金额的百分比向乙方支付违约金。
完整版)钻孔灌注桩施工记录表本文记录了XXX土石方开挖及支护工程的钻孔灌注桩施工情况。
表1是钻孔灌注桩施工记录表,记录了施工部位、编号、地坪标高、设计桩顶标高、导管长度、清孔前后斗数、导管种类、隔水栓种类、理论方量、实际方量、充盈数、每米水泥量、粘度比重含砂量、桩类、钻孔时间等信息。
表2是钻孔灌注桩钻孔记录表,记录了地坪标高、设计孔深、护筒顶标高、钻机编号、设计孔径、开孔日期、终孔日期、钻头编号、时间、日期、起止、工作内容、钻头直径、钻孔进尺、钻头长度、地质情况、泥浆情况等信息。
表3是钻孔桩钢筋工程检验表,记录了主筋直径、主筋间距、箍筋间距、骨架长度、骨架外径、焊接、保护层厚度、质检员检验意见等信息。
表4是水下混凝土施工记录表,记录了施工日期、工程名称、部位、编号、构件编号、主筋根数、施工单位、初检负责人、复检负责人、终检负责人、检验日期等信息。
这些表格详细记录了钻孔灌注桩施工过程中的关键信息,有助于施工单位和监理单位对施工质量进行监控和评估。
工程名称:XXX土石方开挖及基坑支护工程桩号:天气温度孔底标高:导管离开孔底的高度(单位:米)XXX节数:砼浇注时间:从年月日时分至月日时分砼标号:编号导管管长(单位:米)孔内管长(单位:米)埋管深度(单位:米)砼面高度测量时间拆管砼斗数或砼量(单位:米)节数备注施工单位:以上是一份工程记录表格,记录了XXX土石方开挖及基坑支护工程的相关信息。
在格式上,我们将表格重新排版,使得每一列都能清晰地表达其含义。
同时,我们删除了一些明显有问题的段落,以保证文章的整洁和准确。
在内容上,我们对原文进行了小幅度的改写,使得表格中的信息更加明确和易于理解。
实用标准文案
施工放样现场记录表
承包人:合同号:
监理单位:编号:浙路(JS)101
桩基础回旋钻孔原始记录(一)
承包人:监理单位:合同号:
质检员:施工负责人:施工员:现场监理:
浙江省交通厅工程质量监督站精彩文档
桩基础回旋钻孔原始记录(二)
承包人:监理单位:合同号:
质检员:施工负责人:施工员:现场监理:
浙江省交通厅工程质量监督站监制精彩文档
钻(挖)孔桩终孔后灌注前检查记录
承包人:合同号:
注:一座桥(或结构物)桩基完工后,需用JS612表对桩基进行汇总。
浙江省交通厅工程质量监督站监制
桩基钢筋笼施工原始记录承包人:合同号:
水泥砼(砂浆)浇筑申请单
承包人:合同号:
浙江省交通厅工程质量监督站监制
结构物水泥(砂浆)配料通知单承包人:合同号:
实用标准文案
精彩文档号钻空灌注桩水下砼灌注原始记录
承包单位:监理单位:合同号:浙路(JS)610
浙江省交通厅工程质量监督站监制
实用标准文案
凿桩检查记录
承包人:合同号:
浙江省交通厅工程质量监督站监制。
DQL-01贵州公路建设项目道真至瓮安高速公路挖孔桩施工原始记录承包单位:合同号:DQL-02贵州公路建设项目道真至瓮安高速公路钻孔灌注桩施工原始记录承包单位:合同号:监理单位:编号:DQL-03贵州公路建设项目道真至瓮安高速公路钻(挖)孔桩终孔后灌注混凝土前原始记录承包单位:合同号:DQL-04贵州公路建设项目道真至瓮安高速公路挖孔桩(墙)基础验收原始记录承包单位:合同号:监理单位:编号:DQL-05贵州公路建设项目道真至瓮安高速公路特大桥桩基终孔验收记录表施工单位:合同号:填表说明:1、本表由各参加桥梁桩基成孔验收单位代表填写;2、填写时各方代表必须有明确意见。
贵州公路建设项目道真至瓮安高速公路沉井下沉施工原始记录承包单位:合同号:桩号部位:沉井名称:沉井高度:除土方法:贵州公路建设项目道真至瓮安高速公路水下混凝土灌注原始记录承包单位:合同号:DQL-08贵州公路建设项目道真至瓮安高速公路预应力管道原始记录承包单位:合同号:DQL-09贵州公路建设项目道真至瓮安高速公路预应力张拉(后张法)原始记录承包单位:合同号:桩号部位:DQL-10-1贵州公路建设项目道真至瓮安高速公路预应力张拉原始记录(两端张拉)承包单位:合同号:桩号部位:张拉混凝土强度:DQL-10-2贵州公路建设项目道真至瓮安高速公路预应力张拉原始记录(两端张拉)承包单位:合同号:监理单位:编号:DQL-11贵州公路建设项目道真至瓮安高速公路预应力张拉记录汇总表承包单位:合同号:编号:DQL-12贵州公路建设项目道真至瓮安高速公路构件压浆原始记录承包单位:合同号:桩号部位:施工现场技术负责人:压浆负责人:记录:监理员:日期:DQL-13贵州公路建设项目道真至瓮安高速公路梁(板)封端原始记录承包单位:合同号:DQL-14贵州公路建设项目道真至瓮安高速公路梁(板)安装原始记录承包单位:合同号:构件名称及编号:贵州公路建设项目道真至瓮安高速公路主索鞍、散索鞍安装检查原始记录承包单位:合同号:贵州公路建设项目道真至瓮安高速公路主缆索股质量检查原始记录承包单位:合同号:贵州公路建设项目道真至瓮安高速公路主缆防护检查原始记录承包单位:合同号:贵州公路建设项目道真至瓮安高速公路主缆索股力检查原始记录承包单位:合同号:贵州公路建设项目道真至瓮安高速公路吊杆长度偏差检查原始记录承包单位:合同号:DQL-20贵州公路建设项目道真至瓮安高速公路主缆索股紧缆后空隙率、缆径检查原始记录承包单位:合同号:贵州公路建设项目道真至瓮安高速公路加劲肋涂装内、外面漆膜厚度检查原始记录承包单位:合同号:贵州公路建设项目道真至瓮安高速公路加劲肋焊接时节段间缝宽检查原始记录承包单位:合同号:DQL-23贵州公路建设项目道真至瓮安高速公路加劲梁节段尺寸偏差、锚座检查原始记录承包单位:合同号:监理单位:编号:。
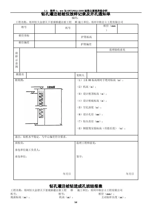
1.1 附件1:ace与GBT19011-2008标准主要差异性分析钻孔灌注桩桩位放样记录及开孔通知单编码:桩号机号桩径(mm)桩位坐标护筒标高桩位偏差护筒偏差放样示意图监理验收意见测量员复核人桩简图:(1)±0.00标高相对于绝对标高(m);(2)机高(m);(3)设计桩顶标高(m);(4)设计桩底标高(m);(5)空孔深度(m);(6)设计孔径(mm);(7)钻头直径(mm);(8)钢筋笼安装标高(吊筋长度)(m);备注:钻机水平稳定,与中心偏差符合要求。
质检员:承包单位施工负责人:承包单位:年月日监理工程师意见:签字:年月日钻孔灌注桩钻进成孔班组报表工程名称:郑州恒大金碧天下景观桥灌注桩工程桥施工单位:郑州中核岩土工程有限公司机号:桩号:桩径(mm):地面标高(m):机高(m):主动钻杆长度(m):钻孔灌注桩终孔验收单编码:工程名称:郑州恒大金碧天下景观桥灌注桩工程桥施工单位:郑州中核岩土工程有限公司桩号:护筒标高:混凝土灌注桩钢筋笼检验批质量验收记录钻孔灌注桩钢筋笼隐蔽通知单编码:砼浇灌令钻孔桩水下砼灌注记录表编码:工程名称:郑州恒大金碧天下景观桥灌注桩工程桥施工单位:郑州中核岩土工程有限公司桩号:设计桩孔直径:(㎜)护筒标高(m):钻孔深度(m):设计桩顶标高(m):导管总长(m):实灌前孔底标高(m):超灌高度(m):实灌桩顶标高(m):实灌砼数量(m3)计算砼数量(m3)充盈系数:灌注时间:月日时分倒月日时分,共灌注小时分。
混凝土灌注桩分项工程检验批质量验收记录精品文档word文档可以编辑!谢谢下载!。
钻孔灌注桩监测数据记录表
1. 项目信息
- 项目名称:[填写项目名称]
- 项目编号:[填写项目编号]
- 项目地点:[填写项目地点]
- 项目负责人:[填写项目负责人]
- 监测日期:[填写监测日期]
2. 桩基础信息
- 桩号:[填写桩号]
- 桩径:[填写桩径]
- 桩长:[填写桩长]
- 钻孔直径:[填写钻孔直径]
- 钻孔深度:[填写钻孔深度]
4. 结论与建议
根据监测数据分析,可以得出以下结论与建议:
- [填写结论与建议]
5. 监测人员
监测人员:[填写监测人员]
日期:[填写日期]
> 注意:本表格仅适用于钻孔灌注桩监测数据记录,如需其他类型的监测数据记录,请另行编写相应的表格。
DB37T5072-2016山东建筑工程桩基工程施工技术全套资料表格前言DB37T5072-2016山东建筑工程桩基工程施工技术规范制定了山东省桩基工程施工技术的标准规范,是建筑工程施工过程中必备的技术文献。
本文档为DB37T5072-2016山东建筑工程桩基工程施工技术全套资料表格,包括常用的表格和资料,方便技术人员和施工管理人员使用。
目录•设计表格•施工进度表格•材料表格•检验报告表格•安全检查表格•工序检验记录表格•形象进度表格•其他资料设计表格桩基础及土方工程设计图该表格为桩基础及土方工程设计图,包括桩基础平面布置图,剖面图,详图及钢筋图等,是桩基工程施工的基础设计。
施工孔洞控制表该表格用于记录桩基工程施工过程中的孔洞控制数据,包括孔深、孔径、孔位偏差、孔壁稳定性等指标。
详细的记录有助于确保施工质量。
施工进度表格桩基工程施工进度计划表该表格用于记录桩基工程施工的预期进度时间和实际完成时间,包括每个施工阶段的开始时间和结束时间,有助于进行进度控制和调整。
桩基工程施工记录表该表格用于详细记录桩基工程的施工情况,包括施工日期、施工单位、工程名称、施工人员、施工设备、施工内容、施工进度等。
材料表格钢筋加工配料表该表格用于记录钢筋加工的配料信息,包括钢筋的型号、长度、数量、质量等,有助于确保钢筋质量及施工精度。
混凝土配方表该表格用于记录混凝土配方的比例和材料数量,包括水泥、砂子、石子、水等,确保混凝土材料搭配合理。
检验报告表格钢筋试验报告该表格用于记录钢筋试验的结果,包括拉力、弯曲试验、抗腐蚀试验等,确保钢筋质量符合标准要求。
混凝土试验报告该表格用于记录混凝土试验结果,包括强度试验、坍落度试验、收缩率试验等,确保混凝土配方合理并符合标准要求。
安全检查表格基础工程施工现场安全检查记录表该表格用于记录施工现场的安全检查情况,包括工地周边环境、设备、施工人员等,确保施工过程中安全生产。
工序检验记录表格沉井、灌注桩桩筒及套筒安装质量检验记录表该表格用于记录沉井、灌注桩桩筒及套筒的安装质量情况,包括桩筒竖直度、水平度等指标,确保桩基工程的施工质量。
钻孔灌注桩施工记录表全套资料(全套标准方案,可以直接使用,可编辑优秀版资料,欢迎下载)钻孔灌注桩施工记录表桩桩位桩号钻机号砼等级径主要天气工作时间工序钻月日时分至月日时分护筒孔原始地面首次月日时分至月日时分设计桩顶标高清孔下钢月日时分至月日时分筋笼下导管月日时分至月日时分二次月日时分至月日时分清孔 L =浇灌ΔL月日时分至月日时分砼取持力层面合格渣样时间:月日时分三持力层面判定深度: 米,签名:分L= ΔL= 之一H = ΔH 终孔判定深度: 米, 签名: 钻头= H= 计终孔取渣样时间: 月日时分算有终孔深度:米,签名: 效桩长无沉渣面深(一次清孔): 米,签名:二次清孔渣面深:管外米h 管内米签名: H—孔深; 桩顶至地面深度:米H′—持力层面深;砼配合比: ΔH′-进入持力层深;L-桩长; 初灌方量:ΔL—桩顶至地面深; 3砼浇灌车数: 灌入体积(m): ΔL′—加灌高度; 3砼理论体积(m):充盈系数:L′—有效桩长;h-钻头高;签名:注:本表适用于支承于基岩或砂砾石层的端承桩施工记录。
钻孔灌注桩施工记录表工程名称编号桩顶设计标高(m)桩机地面砼等级型号标高(m) 桩底设计标高(m)施工日期桩号桩径(mm)开孔时间进入桩端持力层面时间终孔时间钢筋笼验收时间 (吊装结束时间)钢筋笼长(m) 导管安装结束时间清孔结束时间泥浆比重沉渣厚度(cm) 砼浇筑开始时间砼坍落度(cm) 砼浇筑结束时间实际桩长(m) (有效桩长+超灌高度)3砼实际浇灌量(m)3砼理论浇灌量(m)砼充盈系数砼试块封样编号记录人注:1、本表适用于支承于基岩或砂砾石层的端承桩施工记录.2、每根桩施工期间,施工单位均须书面申报开钻申请,钢筋隐检报验及混凝土浇筑申请.钻孔灌注桩桩机参数登记表工程项目钻机型号钻机编号长度尺寸钻杆编号标定日期调换尺寸调换标定日期记录人(mm)主杆 1号 2号 3号 4号 5号 6号 7号 8号 9号 10号 11号 12号 13号14号 15号D= d= 11D d 11D= d= 22H h 11D= d= 33H= h= 11 d2 H h D222H= h= 22h H 33d 3D 3H= h= 33备注:注:每台桩机一张表。
钻孔灌注桩原始记录表钻孔灌注桩是土木工程中常用的基础结构形式,具有施工方便、承载力高、节省材料等优点。
在施工过程中,为了确保工程质量,需要对施工过程进行详细的记录。
本文将介绍钻孔灌注桩原始记录表的内容及填写方法。
一、工程概况在记录表的顶部,需要填写工程名称、工程地点、施工单位、监理单位等信息。
这些信息有助于了解工程的基本情况,为后续的施工和验收提供参考。
二、施工准备在施工准备阶段,需要记录的内容包括:1、施工图纸和技术交底:记录图纸名称、设计单位、图纸编号等信息。
同时,需要记录技术交底的内容和时间。
2、施工方案:记录施工方案的内容,包括施工流程、施工工艺、安全措施等。
3、施工设备和材料:记录施工所使用的设备和材料信息,包括种类、型号、数量等。
4、现场布置:记录现场布置情况,包括施工区域、材料堆放区域、人员住宿区域等。
三、施工过程记录在施工过程中,需要记录的内容包括:1、桩位放样:记录桩位的放样数据,包括坐标、高程等信息。
2、钻孔记录:记录钻孔的深度、孔径、地质情况等信息。
同时,需要记录钻孔过程中遇到的问题和解决方法。
3、钢筋笼制作和安装:记录钢筋笼的制作和安装过程,包括钢筋规格、数量、焊接情况等。
4、混凝土灌注:记录混凝土的灌注过程,包括混凝土种类、配合比、灌注量等。
同时,需要记录混凝土试块的留置情况。
5、施工问题及处理措施:记录施工过程中遇到的问题和处理措施,如塌孔、断桩等情况的处理方法。
四、质量检测记录在施工过程中或施工完成后,需要对工程质量进行检测。
质量检测记录应包括以下内容:1、桩身完整性检测:采用超声波检测等方法对桩身完整性进行检测,记录检测结果。
2、承载力检测:对桩的承载力进行检测,记录检测结果及对应的设计承载力。
3、沉降观测:对桩基础的沉降进行观测,记录观测结果。
4、混凝土强度检测:对桩基础混凝土的强度进行检测,记录检测结果及对应的设计强度。
5、其他质量检测数据:如桩位偏差、钢筋间距等数据的检测结果。
CB18 丁村生产桥3#灌注桩□工序/□单元工程施工质量报验单(水投[ 2017 ]质报号)合同名称:河南省人民胜利渠灌区续建配套与节水改造项目2017年度工程第Ⅰ标段工程施工承包合同合同编号:RMSLQGQXJ[2017]-SG-01说明:本表一式份,由承包人填写。
监理机构签收后,随同审批意见,发包人份、设代机构份、监理机构份、承包人份。
CB17混凝土浇筑开仓报审表(水投[2017] 开仓号)合同名称:河南省人民胜利渠灌区续建配套与节水改造项目2017年度工程第Ⅰ标段工程施工承包合同合同编号:RMSLQGQXJ[2017]-SG-01说明:本表一式份,由承包人填写。
监理机构审批后,发包人份、设代机构份监理机构份、承包人份。
河南省人民胜利渠灌区续建配套与节水改造项目2017年度工程钻孔灌注桩工程单桩及单元工程施工质量验收评定表CB18 丁村生产桥3#灌注桩钻孔□工序/□单元工程施工质量报验单(水投[ 2017 ]质报号)合同名称:河南省人民胜利渠灌区续建配套与节水改造项目2017年度工程第Ⅰ标段工程施工承包合同合同编号:RMSLQGQXJ[2017]-SG-01说明:本表一式份,由承包人填写。
监理机构签收后,随同审批意见,发包人份、设代机构份、监理机构份、承包人份。
CB18 丁村生产桥3#灌注桩钢筋笼制作安装□工序/□单元工程施工质量报验单(水投[ 2017 ]质报号)合同名称:河南省人民胜利渠灌区续建配套与节水改造项目2017年度工程第Ⅰ标段工程施工承包合同合同编号:RMSLQGQXJ[2017]-SG-01本表一式份,发包人份、设代机构份、监理机构份、承包人份。
河南省人民胜利渠灌区续建配套与节水改造项目2017年度工程表3.15.2 钻孔灌注桩工程单桩钢筋笼制作安装工序河南省人民胜利渠灌区续建配套与节水改造项目2017年度工程钻孔灌注桩工程单桩钢筋笼制作安装工序CB18 丁村生产桥3#灌注桩混凝土浇筑□工序/□单元工程施工质量报验单(水投[ 2017 ]质报号)合同名称:河南省人民胜利渠灌区续建配套与节水改造项目2017年度工程第Ⅰ标段工程施工承包合同合同编号:RMSLQGQXJ[2017]-SG-01说明:本表一式份,由承包人填写。
-------------------------------------------------------------------------------
施工放样现场记录表
承包人:合同号:
监理单位:编号:浙路(JS)101
桩基础回旋钻孔原始记录(一)
承包人:监理单位:合同号:
质检员:施工负责人:施工员:现场监理:
浙江省交通厅工程质量监督站-------------------------------------------------------------------------------
桩基础回旋钻孔原始记录(二)
承包人:监理单位:合同号:
质检员:施工负责人:施工员:现场监理:
浙江省交通厅工程质量监督站监制-------------------------------------------------------------------------------
钻(挖)孔桩终孔后灌注前检查记录
承包人:合同号:
注:一座桥(或结构物)桩基完工后,需用JS612表对桩基进行汇总。
浙江省交通厅工程质量监督站监制
桩基钢筋笼施工原始记录
承包人:合同号:
浙江省交通厅工程质量监督站监制
水泥砼(砂浆)浇筑申请单
承包人:合同号:
浙江省交通厅工程质量监督站监制
结构物水泥(砂浆)配料通知单
承包人:合同号:
浙江省交通厅工程质量监督站监制
号钻空灌注桩水下砼灌注原始记录
承包单位:监理单位:合同号:浙路(JS)610
质检员:施工负责人:施工员:现场监理:
浙江省交通厅工程质量监督站监制
凿桩检查记录
承包人:合同号:
注:除一类桩外,经检测桩质量有少量缺陷而不影响使用者,须经设计代表认可。
浙江省交通厅工程质量监督站监制。