高强度螺栓连接施工记录
- 格式:doc
- 大小:37.50 KB
- 文档页数:2
序号扭矩法偏差(%)转角法
偏差
(度)梅花头拧断否螺栓方向15//一致23//一致35//一致44//一致55
/
/
一致
67891011121314
年
9
月监理(建设)单位
专业监理工程师
(建设单位项目技术负责人):
施工单位
专业工长
专业质检员
施工班组长
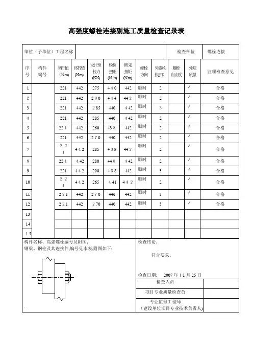
检验批编号GD-C5-71182施工单位XXX有限公司高强度螺栓连接副施工质量检查记录表
GD-C4-6226检查部位5~9轴交A~E轴螺栓规格型号(M×L)mm
大六角型螺栓20×75单位(子单位)工程名称
XXX工程分部/子分部/分项
主体结构/钢结构/紧固连接
/扭矩扳手型号及生产厂家MDS-100
扭矩扳手标定
有效截止日期
2019年12月01日
扭矩扳手核定偏差(﹪)2
设计初拧扭矩(N·m)
120设计终拧扭矩(N·m)
243.8外露丝(扣)
构件编号初拧值(N·m)终拧值(N·m)设计预拉力
(N)235
3自由穿入好螺栓自
由度外观质量检查意见
好120245.22自由穿入2自由穿入120239好1202473自由穿入好120
241.6
3
自由穿入
好
构件名称、高强度螺栓编号及附图:
GJ-1
120
GJ-1与GJ-1连接处,高强螺编号M20*75。
检
查结论
合格,符合设计要求及质量验收规范要求。
检查日期:
2019
24
日。
扭剪型高强度螺栓施工质量检查记录GB50205-2001 (6.3.3, 6.3.4,6.3.5,6.3.6,6.3.7条)工程名称:招商银行上海大厦 连接构件名称:钢梁 节点数量:296 抽查节点数:30 检查批次:共 批,第02040502批检 测 项 目 及 内 容 连接摩擦面质量 (6.3.6条) 螺栓穿孔质量连接接头外观质量 初拧扭矩(N-M) 螺栓梅花头未在终拧中拧掉数及处理结果扭矩扳手标定记录 (6.3.4)不得有飞边、毛刺、焊接飞溅物、焊疤、氧化铁皮、污垢、和不需要的涂料,连接面密贴(边缘间隙≯1.0mm) 应自由穿入 (6.3.7条) 螺栓穿入方向(应一致) 螺栓露长(2~3牙) 6.3.5条 垫圈方向未拧断梅花头螺栓数量(只)扭矩扳手终拧扭矩值(N-M) 终拧质量检查结果(6.3.3) 终拧标记 (6.3.3) (松扣、回扣检查) 抽查节点检 查 情 况 部位数量 螺栓 等级 规格 数量1SKL-186 2 10.9 M22*65 22 合格 合格 合格 合格 合格 / / / / / / 1SKL-158 2 10.9 M22*65 22 合格 合格 合格 合格 合格 / / / / / / 1SKL-160 2 10.9 M22*65 22 合格 合格 合格 合格 合格 / / / / / / 1SKL-170 2 10.9 M22*65 48 合格 合格 合格 合格 合格 / / / / / / 1SKL-172 2 10.9 M22*65 36 合格 合格 合格 合格 合格 / / / / / / 1SKL-185 2 10.9 M22*65 22 合格 合格 合格 合格 合格 / / / / / / 1SKL-171 2 10.9 M22*65 48 合格 合格 合格 合格 合格 / / / / / / 1SKL-182 2 10.9 M22*65 22 合格 合格 合格 合格 合格 / / / / / / 1SKL-161 2 10.9 M22*65 22合格合格合格合格合格//////检查结果主控项目:检查 点,符合要求 点 一般项目:检查45点,其中合格45点,合格率100%进行终拧,并作标记,并按本规范6.3.2条进行扭矩检查; 班 组 长: 质 检 员: (2)、检查数量:按节点数抽查10%,不少于10个节点; 或专业工长: 或项目技术负责人: (3)、本表6.3.3条为主控项目。
高强螺栓施工检查记录高强螺栓施工技术交底技术交底编号工程名称京广铁路保定站改造工程交底部位 8~15/T~U 交底提要钢结构存重支架与操作平台搭设安全技术交底交底内容:1、质量标准:1.1、“高强度螺栓”系指“高强度螺栓连接副”,以下均简称“高强度螺栓”。
每套高强度螺栓由一个10.9s高强度大六角头螺栓、一个10H高强度大六角螺母和两个HRC35~45高强度垫圈组成。
1.2、制造厂所生产高强螺栓的规格、尺寸、外观和技术条,应符合国标GB/T1228~1231-20xx的要求。
1.3、高强度螺栓验收分为出厂检验和工地复验1)高强度螺栓出厂验收具体检测项目如下:a、外型尺寸检验:(依据GB/T1228~1230-20xx中的有关规定)b、螺纹参数检验:(依据GB/T1228~1229-20xx中的有关规定)c、硬度试验:(依据GB/T1231-20xx中的有关规定)d、表面缺陷检验:(依据GB/T1231-20xx中的有关规定)e、螺栓的拉伸试验:(依据GB/T1231-20xx中的有关规定)f、螺栓的冲击试验:(依据GB/T1231-20xx中的有关规定)g、连接副扭矩系数试验:(依据GB/T1231-20xx中的有关规定)h、螺栓实物楔负载试验:(依据GB/T1231-20xx中的有关规定)i、螺母的保证荷载试验:(依据GB/T1231-20xx中的有关规定)检验均依据国标GB/T1228~1231-20xx的有关规定,对于不合格的产品,制造厂可立即重新进行表面处理,经验收合格后才能发往工地。
制造厂验收为逐批抽样检验,其组批原则按国标要求组批,同批高强度螺栓最大数量为3000套。
验收合格后制造厂才能以批为单位供货,并提供每批次高强螺栓的产品质量检验报告书及出厂合格证。
2)高强度螺栓工地复验具体检测项目如下:a、外型尺寸检验:(依据GB/T1228~1230-20xx中的有关规定)b、螺纹参数检验:(依据GB/T1228~1229-20xx中的有关规定)c、硬度试验:(依据GB/T1231-20xx中的有关规定)d、表面缺陷检验:(依据GB/T1231-20xx中的有关规定)e、连接副扭矩系数试验:(依据GB/T1231-20xx中的有关规定)f、螺栓实物楔负载试验:(依据GB/T1231-20xx中的有关规定)g、螺母的保证荷载试验:(依据GB/T1231-20xx中的有关规定)1.3、高强度螺栓工地复验工作由现场施工单位的试验室进行,对于现场施工单位的试验室无法完成的检测项目,必须委托有检测资质的检测机构进行检验,不合格螺栓不得使用并及时由物资部以书面形式通知制造厂,清理退场。
工程名称:天津银隆新能源有限公司标准厂房及附属配套设施建设一期项目1#电池厂房工程施工单位:中国二十冶集团有限公司螺栓形式:钢结构用高强度大六角头螺栓连接副等级:10.9 检验方法:扭矩扳手工程名称:天津银隆新能源有限公司标准厂房及附属配套设施建设一期项目1#电池厂房工程施工单位:中国二十冶集团有限公司螺栓形式:钢结构用高强度大六角头螺栓连接副等级:10.9 检验方法:扭矩扳手工程名称:天津银隆新能源有限公司标准厂房及附属配套设施建设一期项目1#电池厂房工程施工单位:中国二十冶集团有限公司螺栓形式:钢结构用高强度大六角头螺栓连接副等级:10.9 检验方法:扭矩扳手工程名称:天津银隆新能源有限公司标准厂房及附属配套设施建设一期项目1#电池厂房工程施工单位:中国二十冶集团有限公司螺栓形式:钢结构用高强度大六角头螺栓连接副等级:10.9 检验方法:扭矩扳手工程名称:天津银隆新能源有限公司标准厂房及附属配套设施建设一期项目1#电池厂房工程施工单位:中国二十冶集团有限公司螺栓形式:钢结构用高强度大六角头螺栓连接副等级:10.9 检验方法:扭矩扳手工程名称:天津银隆新能源有限公司标准厂房及附属配套设施建设一期项目1#电池厂房工程施工单位:中国二十冶集团有限公司螺栓形式:钢结构用高强度大六角头螺栓连接副等级:10.9 检验方法:扭矩扳手工程名称:天津银隆新能源有限公司标准厂房及附属配套设施建设一期项目1#电池厂房工程施工单位:中国二十冶集团有限公司螺栓形式:钢结构用高强度大六角头螺栓连接副等级:10.9 检验方法:扭矩扳手工程名称:天津银隆新能源有限公司标准厂房及附属配套设施建设一期项目1#电池厂房工程施工单位:中国二十冶集团有限公司螺栓形式:钢结构用高强度大六角头螺栓连接副等级:10.9 检验方法:扭矩扳手工程名称:天津银隆新能源有限公司标准厂房及附属配套设施建设一期项目1#电池厂房工程施工单位:中国二十冶集团有限公司螺栓形式:钢结构用高强度大六角头螺栓连接副等级:10.9 检验方法:扭矩扳手工程名称:天津银隆新能源有限公司标准厂房及附属配套设施建设一期项目1#电池厂房工程施工单位:中国二十冶集团有限公司螺栓形式:钢结构用高强度大六角头螺栓连接副等级:10.9 检验方法:扭矩扳手工程名称:天津银隆新能源有限公司标准厂房及附属配套设施建设一期项目1#电池厂房工程施工单位:中国二十冶集团有限公司螺栓形式:钢结构用高强度大六角头螺栓连接副等级:10.9 检验方法:扭矩扳手工程名称:天津银隆新能源有限公司标准厂房及附属配套设施建设一期项目1#电池厂房工程施工单位:中国二十冶集团有限公司螺栓形式:钢结构用高强度大六角头螺栓连接副等级:10.9 检验方法:扭矩扳手工程名称:天津银隆新能源有限公司标准厂房及附属配套设施建设一期项目1#电池厂房工程施工单位:中国二十冶集团有限公司螺栓形式:钢结构用高强度大六角头螺栓连接副等级:10.9 检验方法:扭矩扳手工程名称:天津银隆新能源有限公司标准厂房及附属配套设施建设一期项目1#电池厂房工程施工单位:中国二十冶集团有限公司螺栓形式:钢结构用高强度大六角头螺栓连接副等级:10.9 检验方法:扭矩扳手工程名称:天津银隆新能源有限公司标准厂房及附属配套设施建设一期项目1#电池厂房工程施工单位:中国二十冶集团有限公司螺栓形式:钢结构用高强度大六角头螺栓连接副等级:10.9 检验方法:扭矩扳手工程名称:天津银隆新能源有限公司标准厂房及附属配套设施建设一期项目1#电池厂房工程施工单位:中国二十冶集团有限公司螺栓形式:钢结构用高强度大六角头螺栓连接副等级:10.9 检验方法:扭矩扳手工程名称:天津银隆新能源有限公司标准厂房及附属配套设施建设一期项目1#电池厂房工程施工单位:中国二十冶集团有限公司螺栓形式:钢结构用高强度大六角头螺栓连接副等级:10.9 检验方法:扭矩扳手工程名称:天津银隆新能源有限公司标准厂房及附属配套设施建设一期项目1#电池厂房工程施工单位:中国二十冶集团有限公司螺栓形式:钢结构用高强度大六角头螺栓连接副等级:10.9 检验方法:扭矩扳手工程名称:天津银隆新能源有限公司标准厂房及附属配套设施建设一期项目1#电池厂房工程施工单位:中国二十冶集团有限公司螺栓形式:钢结构用高强度大六角头螺栓连接副等级:10.9 检验方法:扭矩扳手工程名称:天津银隆新能源有限公司标准厂房及附属配套设施建设一期项目1#电池厂房工程施工单位:中国二十冶集团有限公司螺栓形式:钢结构用高强度大六角头螺栓连接副等级:10.9 检验方法:扭矩扳手工程名称:天津银隆新能源有限公司标准厂房及附属配套设施建设一期项目1#电池厂房工程施工单位:中国二十冶集团有限公司螺栓形式:钢结构用高强度大六角头螺栓连接副等级:10.9 检验方法:扭矩扳手工程名称:天津银隆新能源有限公司标准厂房及附属配套设施建设一期项目1#电池厂房工程施工单位:中国二十冶集团有限公司螺栓形式:钢结构用高强度大六角头螺栓连接副等级:10.9 检验方法:扭矩扳手工程名称:天津银隆新能源有限公司标准厂房及附属配套设施建设一期项目1#电池厂房工程施工单位:中国二十冶集团有限公司螺栓形式:钢结构用高强度大六角头螺栓连接副等级:10.9 检验方法:扭矩扳手工程名称:天津银隆新能源有限公司标准厂房及附属配套设施建设一期项目1#电池厂房工程施工单位:中国二十冶集团有限公司螺栓形式:钢结构用高强度大六角头螺栓连接副等级:10.9 检验方法:扭矩扳手工程名称:天津银隆新能源有限公司标准厂房及附属配套设施建设一期项目1#电池厂房工程施工单位:中国二十冶集团有限公司螺栓形式:钢结构用高强度大六角头螺栓连接副等级:10.9 检验方法:扭矩扳手工程名称:天津银隆新能源有限公司标准厂房及附属配套设施建设一期项目1#电池厂房工程施工单位:中国二十冶集团有限公司螺栓形式:钢结构用高强度大六角头螺栓连接副等级:10.9 检验方法:扭矩扳手工程名称:天津银隆新能源有限公司标准厂房及附属配套设施建设一期项目1#电池厂房工程施工单位:中国二十冶集团有限公司螺栓形式:钢结构用高强度大六角头螺栓连接副等级:10.9 检验方法:扭矩扳手工程名称:天津银隆新能源有限公司标准厂房及附属配套设施建设一期项目1#电池厂房工程施工单位:中国二十冶集团有限公司螺栓形式:钢结构用高强度大六角头螺栓连接副等级:10.9 检验方法:扭矩扳手工程名称:天津银隆新能源有限公司标准厂房及附属配套设施建设一期项目1#电池厂房工程施工单位:中国二十冶集团有限公司螺栓形式:钢结构用高强度大六角头螺栓连接副等级:10.9 检验方法:扭矩扳手工程名称:天津银隆新能源有限公司标准厂房及附属配套设施建设一期项目1#电池厂房工程施工单位:中国二十冶集团有限公司螺栓形式:钢结构用高强度大六角头螺栓连接副等级:10.9 检验方法:扭矩扳手钢结构高强度螺栓连接记录表工程名称:天津银隆新能源有限公司标准厂房及附属配套设施建设一期项目1#电池厂房工程施工单位:中国二十冶集团有限公司螺栓形式:钢结构用高强度大六角头螺栓连接副等级:10.9 检验方法:扭矩扳手钢结构高强度螺栓连接记录表工程名称:天津银隆新能源有限公司标准厂房及附属配套设施建设一期项目1#电池厂房工程施工单位:中国二十冶集团有限公司工程名称:天津银隆新能源有限公司标准厂房及附属配套设施建设一期项目1#电池厂房工程施工单位:中国二十冶集团有限公司螺栓形式:钢结构用高强度大六角头螺栓连接副等级:10.9 检验方法:扭矩扳手工程名称:天津银隆新能源有限公司标准厂房及附属配套设施建设一期项目1#电池厂房工程施工单位:中国二十冶集团有限公司螺栓形式:钢结构用高强度大六角头螺栓连接副等级:10.9 检验方法:扭矩扳手工程名称:天津银隆新能源有限公司标准厂房及附属配套设施建设一期项目1#电池厂房工程施工单位:中国二十冶集团有限公司螺栓形式:钢结构用高强度大六角头螺栓连接副等级:10.9 检验方法:扭矩扳手工程名称:天津银隆新能源有限公司标准厂房及附属配套设施建设一期项目1#电池厂房工程施工单位:中国二十冶集团有限公司螺栓形式:钢结构用高强度大六角头螺栓连接副等级:10.9 检验方法:扭矩扳手工程名称:天津银隆新能源有限公司标准厂房及附属配套设施建设一期项目1#电池厂房工程施工单位:中国二十冶集团有限公司螺栓形式:钢结构用高强度大六角头螺栓连接副等级:10.9 检验方法:扭矩扳手工程名称:天津银隆新能源有限公司标准厂房及附属配套设施建设一期项目1#电池厂房工程施工单位:中国二十冶集团有限公司螺栓形式:钢结构用高强度大六角头螺栓连接副等级:10.9 检验方法:扭矩扳手工程名称:天津银隆新能源有限公司标准厂房及附属配套设施建设一期项目1#电池厂房工程施工单位:中国二十冶集团有限公司螺栓形式:钢结构用高强度大六角头螺栓连接副等级:10.9 检验方法:扭矩扳手工程名称:天津银隆新能源有限公司标准厂房及附属配套设施建设一期项目1#电池厂房工程施工单位:中国二十冶集团有限公司螺栓形式:钢结构用高强度大六角头螺栓连接副等级:10.9 检验方法:扭矩扳手。