新型铁红防锈漆
- 格式:doc
- 大小:27.50 KB
- 文档页数:3
铁锈红防锈漆出厂证明书及合格证一、产品描述铁锈红防锈漆是一种高效的防腐涂料,具有优异的防腐性能和装饰效果,被广泛应用于金属制品和建筑材料的防护领域。
本文档是铁锈红防锈漆产品出厂证明书及合格证,旨在证明产品品质符合相关标准和规定。
二、产品规格1. 颜色:铁锈红2. 典型用途:适用于金属制品及建筑材料的防护涂料3. 干燥时间:触干时间≤2小时,硬干时间≤24小时4. 膜厚:建议膜厚大于50μm5. 环保性能:符合国家环境保护标准三、出厂证明书根据国家质量监督检验及防腐涂料质量检验标准,我们郑重声明,铁锈红防锈漆产品经过严格的生产工艺和检验程序,确保产品质量可靠,并达到以下标准:1. 化学成分:铁锈红防锈漆产品中所含化学成分符合国家标准,无有害物质。
2. 膜厚和附着力:对铁锈红防锈漆产品的膜厚进行了检测,确保膜厚符合标准,并且具有良好的附着力。
3. 干燥时间:铁锈红防锈漆产品的干燥时间符合标准,确保在规定时间内达到触干和硬干状态。
4. 耐候性和耐腐蚀性:铁锈红防锈漆产品经过多次实验和测试,具有较强的耐候性和耐腐蚀性,能够在各种恶劣环境下保护基材。
四、合格证铁锈红防锈漆的合格证明书是该产品合格的证明文件。
合格证包含以下内容:1. 产品名称和型号:铁锈红防锈漆2. 生产日期和编号:标明产品的生产日期和编号,以便追溯产品的生产批次和生产质量。
3. 标准和规范:产品合格证明书中明确列出的标准和规范,确保产品生产符合相关质量标准。
4. 检验报告:合格证明书中包含产品的检验报告,包括化学成分分析、膜厚和附着力测试、干燥时间测试等详细信息。
5. 签发机构信息:合格证明书由具备资质的质检机构签发,确保签发机构的可靠性。
五、注意事项1. 铁锈红防锈漆在使用过程中,请确保通风良好,避免过量吸入有机溶剂挥发物。
2. 铁锈红防锈漆仅适用于金属制品和建筑材料的防护涂料,不得用于其他用途。
3. 使用前请仔细阅读产品说明书,并按照说明书上的操作步骤正确使用。
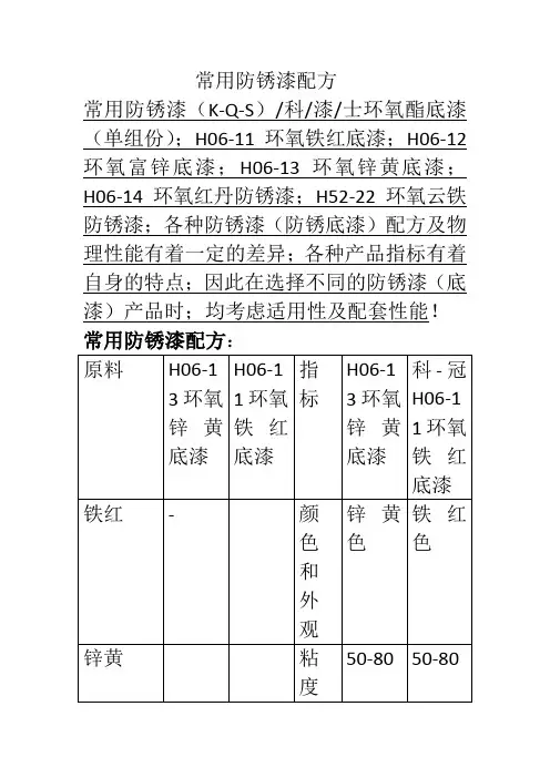
常用防锈漆配方
常用防锈漆(K-Q-S)/科/漆/士环氧酯底漆(单组份);H06-11环氧铁红底漆;H06-12环氧富锌底漆;H06-13环氧锌黄底漆;H06-14环氧红丹防锈漆;H52-22环氧云铁防锈漆;各种防锈漆(防锈底漆)配方及物理性能有着一定的差异;各种产品指标有着自身的特点;因此在选择不同的防锈漆(底漆)产品时;均考虑适用性及配套性能!常用防锈漆配方:
常用防锈漆种类:铁红防锈漆
醇酸防锈漆
酚醛防锈漆
环氧防锈漆
氯化橡胶防锈漆耐高温防锈漆
氟碳树脂防锈漆聚氨酯防锈漆
丙烯酸防锈漆
高氯化聚乙烯防锈漆
常用防锈漆颜色:
铁红色;灰色;白色;黑色;蓝色;绿色;黄色;栗色、棕色、孔雀蓝;紫红色;翠绿色、银粉色、乳白、耐油、军绿色、古铜色、中兰、深绿、、、、。
C06-1铁红醇酸底漆组成由中油度干性植物油改性醇酸树脂、氧化铁红等防锈颜料、体质颜料、催干剂、助剂及溶剂等配制而成。
主要特性▪漆膜坚韧具有良好的附着力▪具有良好的防锈性能▪漆膜易打磨,不粘砂纸▪在一般气候条件下耐久性好,但在湿热条件下耐久性差用途适用于在涂装醇酸面漆的钢铁表面作打底漆之用颜色铁红色,色调不定,漆膜平整。
施工参数密度约1.41g/cm³干膜厚度35µm湿膜厚度104µm理论用量147g/m²闪点40 ℃干燥时间(25℃)表干≤2h实干≤24h复涂间隔时间建议涂装道数二道后道配套用漆各种油性、酚醛、醇酸面漆、醇酸甲板防滑漆。
表面处理有氧化皮钢材:喷砂处理至Sa2级(也可采用酸洗方法除尽氧化皮和铁锈)无氧化皮钢材:以弹性砂轮片打磨至St3级涂有车间底漆的钢材:漆膜损伤及锈蚀处二次除锈,打磨至St3级焊接,火焰切割或火工校正燃烧部位:打磨至St3级底材温度底材温度须高于露点以上3℃涂装方法无气喷涂稀释剂110稀释剂稀释量0-5%(以油漆重量计)喷嘴口径0.4-0.5mm空气压力12-15Mpa(120-150kg/cm²)空气喷涂稀释剂110稀释剂稀释量0-10%(以油漆重量计)喷嘴口径2-3mm空气压力0.3-0.4Mpa(3-4kg/cm²)滚涂/刷涂稀释剂110稀释剂稀释量0-3%(以油漆重量计)稀释剂110稀释剂安全措施详细解释参见《安全卫生方面的注意事项》通风量1kg油漆或稀释剂油漆 a. 达到爆炸极限下限(LEL)的10% 86m³b. 达到安全卫生要求(TLV)116 m³稀释剂 a.达到LEL的10% 206m³b. 达到TLV 2800m³包装20L 铁桶装重量20kg贮藏期限12个月声明以上本产品的资料及数据是根据我们的试验和实际使用中的经验而积累的,可作为施工指南。
二. 常用漆料涂料的性能取决于所采用的原材料,其中以主要成膜物质,即漆料的作用最大。
它是涂料的主体,也是涂料的基的是常用的漆料的性能,以及它们所制成的常用涂料品种。
1. 沥青沥青是防腐蚀涂料中重要的原材料,主要有天然沥青、石油沥青和煤焦沥青三种。
前两种沥青在埋地管道使用的主要煤焦沥青。
煤焦沥青耐水性强,有着良好的表面润湿性,可以单独作为热溶性沥青瓷漆,用于水下环境。
在船舶涂料方面,现代涂料中煤焦沥青主要是用来改性其它树脂的耐水性,如环氧树脂、乙烯树脂等。
环氧煤沥青涂料,国外称之要的防腐蚀涂料,广泛用于海洋、水下和埋地等腐蚀环境。
桥梁方面,环氧煤沥青涂料用于铁路桥梁的箱杆内侧也是厚浆型环氧煤沥青涂料,这在没有使用除湿设备的箱梁内部,具有良好的耐水耐凝露性能。
2. 干性油干性油,是最早使用的涂料用成膜物质。
亚麻油是其中最重要的一种,表面张力低,对底材渗透性强。
桐油也是但是渗透性稍差。
早期使用的油性红丹漆即是以亚麻油为基料生产,在工业和桥梁钢结构方面广泛用作防锈漆。
亚麻油中的脂肪酸50%亚麻酸20%亚油酸20%油酸10%各种饱和脂肪酸美国著名的金门大桥最早的防腐蚀涂装系统即以亚麻油红丹漆作为防锈底漆配合醇酸面漆使用。
现在大跨度的悬锈颜料用来调合作为主缆系统的密封膏。
3. 醇酸树脂醇酸树脂是多元醇和多元酸的反应产物。
用于涂料配制的醇酸树脂树脂主要以下几类:(1)纯干性油醇酸树脂(2)改性的干性油醇酸树脂,用中油度到长油度的亚麻油改性的醇酸树脂,可以配制海洋环境下使用的涂料。
(3)非干性油醇酸树脂,中油度的非干性油醇酸树脂,常与氨基树脂配合使用,配制成烤漆,用于电器和汽车醇酸树脂漆的性能与脂肪酸含量(油度)有很大关系,醇酸树脂的油度可以分为:(1)长油度,油含量超过60%(2)中油度,油含量在50%-60%(3)短油度,油含量低于50%短油度醇酸树脂主要和氨基树脂一道用于工业烘干面漆,如自行车、金属家具等。
五、储存储存温度-10℃~40℃
储存期限1年
六、施工参数配比单组份
熟化时间打开包装经充分搅拌均匀过滤后即可使用。
使用期无期限
施工方法喷涂、刷涂及辊涂
喷涂喷涂压力:0.3~0.6MPa(约3~6kg/cm2)
施工条件施工温度0℃~40℃,施工表面清洁干燥,环境湿度≤80%,40~60%最佳。
在狭窄空间内施工和干燥期间,应保持良好的通风。
稀释剂环氧酯稀释剂
涂装膜厚干膜25~40μm/道;湿膜40~70μm/道。
涂覆率理论值:0.12kg/m2/40μm
实际值:与表面处理、外界环境、施工方法等多种因素有关。
涂装间隔环境温度(℃) 5 10 20 30
(每道干膜以最小涂装间隔(h) 24 12 6 4 35μm计)最大涂装间隔(h)无无无无
七、涂装配套适用底材:黑色金属
前道配套:乙烯磷化底漆。
后道配套涂料:醇酸漆、氯化橡胶漆、丙烯酸漆等。
八、表面处理表面处理达到Sa2.5级或者St3级,施工前用高压空气吹扫除去灰尘等污物,确认表面清洁干燥。
九、安全措施小心使用本产品,在运输、存放、使用过程中,请注意包装上所有的安全标志。
采取必要的预防和防护措施,防火、防爆及环境保护。
避免吸入溶剂蒸汽,避免油漆接触皮肤和眼睛,严禁吞服本产品,发生意外情况应立即就医。
废弃物的处理应遵循国家和当地政府的安全规定。
十、备注为正确安全使用本公司的产品,请仔细阅读本公司«安全技术说明书»。
十一、声明本产品技术方面的参考标准和说明书仅作为买方参考。
铁红防锈漆、环氧富锌防锈漆、红丹防锈漆的区别红丹:四氧化三铅,是一种无机化合物,化学式为Pb3O4,为鲜橘红色粉末,不溶于水、乙醇,溶于热碱液、硝酸、乙酸、盐酸,主要用作防锈颜料、有机合成的氧化剂,也可用于制蓄电池、玻璃、陶瓷、搪瓷。
属于2A类致癌物。
催干剂:是一种能够加速涂膜干燥的物质,对干性油膜的吸氧、聚合起催化作用。
有实用价值的催干剂是钴、锰、铅、铁、钙等金属的氧化物、盐类及其有机酸皂。
具体产品名:二月桂酸二丁基锡,是一种沸点高的有机锡化合物。
常温下为浅黄色或无色油状液体,低温成白色结晶体,可用于聚氯乙烯塑料助剂,具有优良的润滑性、透明、耐候性。
体质颜料:通常成为填料,包括很多化合物,从自然界得来、直接制造或成为副产品获得。
主要是钡、钙、镁、铝的盐类,硅或铝的化合物,或从前两类物质衍生的错合双盐类。
常见颜料:碳酸钙、石膏、镁颜料、高岭土、云母、石英、硅藻石、硅藻土、硫酸钡、铝水化物等。
,又称铬黄,无机化合物,化学式为PbCrO4,为黄色或橙黄色结晶性粉末松香水:溶剂松香水,稀释油漆用,是辛烷、壬烷、苯乙烷、二甲苯、三甲苯所调配而成的有机溶剂,长期吸入致癌。
普通松香水,是把松香粉末溶于酒精中制成的一种液体,是一种助焊剂,常用于锡丝焊接中,能除去氧化物,保持金属焊接面清洁而润滑性佳,液体气味不强烈,对人体危害较轻。
香蕉水:又叫天那水,梨油,因有乙酸戊脂或乙酸异戊脂的香蕉味,故名香蕉水。
是由多种有机溶剂配制而成的无色透明易挥发液体,主要成份:甲苯、醋酸丁酯、环己酮、醋酸异戊酯、乙二醇乙醚醋酸酯,微溶于水,溶于各种有机溶剂,易燃,主要用作喷漆溶剂和稀释剂。
氧化铁红:普通氧化铁,俗称铁锈,铁丹,无机化合物,化学式为Fe2O3,红棕色粉末,不溶于水,3类致癌物。
氧化铁黑:化学式为Fe3O4,呈黑色。
氧化铁黄:化学式为Fe2O3·H2O,氧化铁分子结合水分子形成黄色氧化铁颜料氧化铁棕:氧化铁红、铁黄、铁黑混合制成氧化铁橙:氧化铁红、铁黄混合制成氧化铁绿:氧化铁黄和酞菁蓝混合制成酞菁蓝:有机物,艳绿色蓝色棒状晶体,可燃,不溶于水、醇及烃类,溶于浓硫酸呈橄榄色液,稀释后析出蓝色悬浮体。
廊坊丽彩澜新漆业有限公司各色醇酸底漆产品说明书产品简介是以醇酸树脂为基料,氧化铁红和红丹为颜料的防锈底漆,用于常规环境下桥梁、储罐、工厂管道、设备、钢架等钢结构表面的涂装产品特性■优良的防锈性能■可以同醇酸面漆配套■良好的施工性■快干基本数据颜色铁红色、灰色光泽无光混合比率单组份固体份70%涂装膜厚干膜:35µm/道耗漆量理论值0.11kg/m/235 µm(由于实际施工时的涂装环境、涂装方法、涂装技术、表面状况及结构、形状的不同,损耗率也就会有很大的不同)储存储存温度0℃——40℃储存期限 1 年闪点42 ℃施工数据施工方法无气喷涂、空气喷涂、刷涂及辊涂稀释量0-10%稀释剂醇酸稀酸剂施工温度5℃——40℃干燥时间~涂装间隔自燃干燥≤12小时(20℃)35 µm重涂间隔10小时以上(20℃)涂装粘度(秒NK2#20℃)17-23秒表面处理●喷砂处理将钢铁表面除锈到SIS Sa2.5级后直接涂装●用清水冲去盐份及其它水溶性物质,用空气吹扫灰尘●依照 SSPC-SPI 溶剂清洗标准除去油脂●除去焊接飞溅并处理焊缝、毛刺使其光顺●施工前确认表面清洁干燥施工环境在温度持续低于5℃、湿度大于85%的场合或通风不良的情况下避免施工,钢板的温度高于露点温度3℃以上在夏天,阳光暴晒下时,重涂应该在5天内完成,超过5天打磨表面保证附着力保养期20℃七天以上容量20㎏/桶安全事项●避免油漆接触皮肤和眼睛●如果油漆接触到皮肤,应用温水以及适当清洗剂清洗,如果油漆接触到眼睛,应用大量水冲洗并立即就医●保证良好的通风●涂料中含有可燃物质,请远离火花禁止在临近地区吸烟●火灾时,使用二氧化碳气体、泡沫、和粉末灭火机●作业前,请参阅《安全卫生注意事项》说明以上数据是根据实验和施工经验所得,鉴于产品使用条件非我方所能控制,产品使用众多影响因素,因此我们只对产品品质作出保证2014年4月23日。
五、储存储存温度-10℃~40℃
储存期限1年
六、施工参数配比单组份
熟化时间打开包装经充分搅拌均匀过滤后即可使用。
使用期无期限
施工方法喷涂、刷涂及辊涂
喷涂喷涂压力:~(约3~6kg/cm2)
施工条件施工温度0℃~40℃,施工表面清洁干燥,环境湿度≤80%,40~60%最佳。
在狭窄空间内施工和干燥期间,应保持良好的通风。
稀释剂环氧酯稀释剂
涂装膜厚干膜25~40μm/道;湿膜40~70μm/道。
涂覆率理论值:m2/40μm
实际值:与表面处理、外界环境、施工方法等多种因素有关。
涂装间隔环境温度(℃) 5 10 20 30
(每道干膜以最小涂装间隔(h) 24 12 6 4 35μm计)最大涂装间隔(h)无无无无
七、涂装配套适用底材:黑色金属
前道配套:乙烯磷化底漆。
后道配套涂料:醇酸漆、氯化橡胶漆、丙烯酸漆等。
八、表面处理表面处理达到级或者St3级,施工前用高压空气吹扫除去灰尘等污物,确认表面清洁干燥。
九、安全措施小心使用本产品,在运输、存放、使用过程中,请注意包装上所有的安全标志。
采取必要的预防和防护措施,防火、防爆及环境保护。
避免吸入溶剂蒸汽,避免油漆接触皮肤和眼睛,严禁吞服本产品,发生意外情况应立即就医。
废弃物的处理应遵循国家和当地政府的安全规定。
十、备注为正确安全使用本公司的产品,请仔细阅读本公司«安全技术说明书
»。
十一、声明本产品技术方面的参考标准和说明书仅作为买方参考。
环氧铁红底漆执行标准环氧铁红底漆是一种常用的底漆涂料,具有优异的防腐蚀性能和耐候性能,广泛应用于金属表面的防腐蚀涂装。
为了确保环氧铁红底漆的质量和使用效果,制定了相应的执行标准,以规范其生产和使用过程,保障产品质量和使用安全。
本文将详细介绍环氧铁红底漆执行标准的相关内容。
一、产品分类和命名。
环氧铁红底漆按照不同的用途和性能特点,可分为多种类型,如防腐底漆、防锈底漆、磷化底漆等。
根据不同的标准和要求,产品名称也有所不同,但都应包含“环氧铁红底漆”这一关键词,以明确产品的材料成分和主要功能。
二、技术要求。
1. 成分和性能,环氧铁红底漆应由环氧树脂、铁红颜料、稀释剂等原料配制而成,具有一定的固体含量和粘度,干燥后应形成坚固的膜层,具有良好的耐腐蚀性和附着力。
2. 外观和色泽,底漆应呈现出均匀一致的色泽,无结块、沉淀和异物,不得有起泡、龟裂、脱落等缺陷。
3. 使用性能,底漆应具有良好的施工性能,能够与其他涂层相容,形成稳定的涂层体系,且不得出现起泡、流挂、垂流等现象。
三、生产工艺。
1. 原料选用,应选用优质的环氧树脂、铁红颜料和稀释剂,严格按照配方比例进行配制,确保产品的稳定性和一致性。
2. 生产工艺,在生产过程中,应严格控制各项工艺参数,如搅拌时间、搅拌速度、过滤精度等,确保产品的质量稳定。
3. 质量检验,对成品进行全面的质量检验,包括外观检查、色泽检测、粘度测定、干燥性能测试等,合格后方可包装入库。
四、使用和储存。
1. 使用方法,在施工前,应将底漆进行充分搅拌和稀释,按照标准施工工艺进行涂装,确保涂层的均匀性和完整性。
2. 储存条件,底漆应存放在阴凉干燥的库房内,远离火源和阳光直射,避免高温和潮湿环境,严禁与酸、碱等化学品混存。
3. 有效期限,底漆的有效期限为生产日期后6个月,过期产品不得使用,应及时清理和报废。
五、质量控制。
1. 质量管理体系,生产企业应建立完善的质量管理体系,包括原料采购、生产工艺、成品检验等各个环节,确保产品质量的稳定和可控。
环氧铁红底涂料的执行标准是
按照中华人民共和国国家标准(GB)进行标准化生产。
环氧铁红底涂
料常用于钢结构表面防腐、防锈,具有耐水、耐油、抗腐蚀等特点。
随着钢结构建筑、桥梁、船舶等需要的不断增加,对环氧铁红底涂料
的需求也日益增加。
根据GB/T 191规定,执行标准应当是与产品有关的技术规格书、技
术条件、技术协议或者三方协议、合同等。
《环氧铁红底涂料》标准
的执行标准为GB/T 191-2008《产品标准中的执行标准》。
可见,制定执行标准是产品标准化的必然要求,也是企业保证产品质量的基础。
执行标准的制定贯彻标准化的思想,方便企业生产和用户选用产品,
确保产品符合质量要求。
如今,在国际化、多元化的市场竞争中,标
准化越来越具有重要意义,不仅是对于企业自身质量的保障,也是满
足国内外用户需求,提升品牌竞争力的重要途径。
总之,执行标准的制定对于推动环氧铁红底涂料的标准化生产、提高
产品质量、满足市场需求具有重要意义。
在未来,环氧铁红底涂料行
业应进一步加强标准化意识,严格按照执行标准要求生产,以优质的
产品赢得广大用户的信任和支持。
铁红防锈原理
铁红防锈漆是一种具有独特性质的涂料,它的主要功能是保护金属表面免受大气、海水等的化学或电化学腐蚀。
铁红防锈漆的防锈原理主要基于两个方面:物理防锈和化学防锈。
物理防锈主要依靠颜料和漆料的适当配合,形成致密的漆膜以阻止腐蚀性物质的侵入。
这种防锈方式主要依赖于漆膜的致密性和完整性,它可以有效地阻止氧气、水分和腐蚀性物质与金属表面的接触,从而达到防锈的效果。
例如,铁红防锈漆中的铁红颜料,它能够有效地反射和散射紫外线,减少紫外线对漆膜的破坏,从而延长了金属的使用寿命。
化学防锈主要依靠防锈颜料的化学抑锈作用。
一些特殊的防锈颜料,如红丹、锌黄等,能够与腐蚀性物质发生反应,从而抑制腐蚀的发生。
这种防锈方式是基于化学反应的,因此它对漆膜的完整性要求不高,即使漆膜上有一些小孔或缺陷,也不会影响防锈效果。
铁红防锈漆的防锈原理并不是孤立的,而是相互补充的。
在实际使用中,物理防锈和化学防锈往往是同时存在的,它们共同作用,使金属表面得到充分的保护。
铁红防锈漆的广泛应用也证明了其防锈效果的可靠性。
它被广泛应用于机械设备、钢结构、管道等金属的防锈,特别是在一些环境恶劣、腐蚀严重的情况下,铁红防锈漆更是发挥了重要的作用。
防锈漆规格型号一、引言防锈漆作为一种重要的涂料产品,在工业、建筑、航空航天等领域具有广泛的应用。
它可以有效地防止金属材料因接触氧气、水分以及化学物质而发生氧化腐蚀的现象,从而延长金属制品的使用寿命。
本文将围绕着防锈漆的规格型号展开讨论,介绍一些常见的防锈漆及其规格型号。
二、常见防锈漆及其规格型号1. 无机防锈漆无机防锈漆是一种以无机颜料为主要成分的涂料,具有较高的防锈性能。
常见的无机防锈漆包括铁红漆、云母银漆等。
其中,铁红漆常用于对金属结构进行防锈和防腐蚀处理,其规格型号包括D-33型、D-34型等。
2. 有机防锈漆有机防锈漆使用有机树脂为基料,加入一定比例的颜料、填料和添加剂,在表面形成一层保护涂层,以防止金属材料的腐蚀。
常见的有机防锈漆有环氧重防锈漆、氯化橡胶防锈漆等。
其中,环氧重防锈漆的规格型号有EP-1001型、EP-1002型等,氯化橡胶防锈漆的规格型号有CR-1003型、CR-1004型等。
3. 高温防锈漆高温防锈漆是一种特殊的防锈涂料,其主要特点是能够在高温环境下保持良好的防腐蚀性能。
常见的高温防锈漆有耐高温酚醛漆、耐高温硅酮漆等。
其中,耐高温酚醛漆的规格型号包括HT-2001型、HT-2002型等,耐高温硅酮漆的规格型号包括HT-3001型、HT-3002型等。
4. 水性防锈漆水性防锈漆是指以水为分散介质的防锈漆,相比于传统的有机溶剂型防锈漆,水性防锈漆具有环保、无毒、无味等优点。
常见的水性防锈漆有水性铁红漆、水性环氧防锈漆等。
其中,水性铁红漆的规格型号有W-1001型、W-1002型等,水性环氧防锈漆的规格型号有WEP-2001型、WEP-2002型等。
三、防锈漆规格型号的选择因素选择合适的防锈漆规格型号对于涂装效果和防锈效果至关重要。
以下是选择防锈漆规格型号时需要考虑的几个因素。
1. 材料类型不同的金属材料对防锈漆的要求不同。
例如,对于钢铁材料,可以选择具有较高附着力和硬度的防锈漆;对于铝材料,则需要选择能够与铝表面形成良好粘附的防锈漆。
C53-10铁红醇酸防锈漆
一、产品说明
由精炼干性植物油改性醇酸树脂、颜料及体质颜料、催干剂、特种添加剂和有机溶剂等配制而成。
可常温烘干,容易打磨,对腻子层和面漆的结合力良好。
二、设计用途
可涂在已打磨的腻子层上,以天平腻子层的砂孔、纹道,也可加涂于醇酸类底漆上,增加防锈性。
三、物理参数
颜色铁红色
光泽无光
理论涂布率150g/㎡(以40um干膜计,不含损耗)
干燥时间23±2℃:表干≤4h 实干≤24h
完全固化23±2℃:7d
闪点35℃
贮存期12个月
四、施工说明
混合配比单罐装
熟化时间打开搅匀即可使用
适用期无限制
施工方法高压无气喷涂、有气喷涂、手工刷涂、滚涂
稀释剂X-6醇酸涂料稀释剂
工具清洗X-6醇酸涂料稀释剂
漆膜厚度湿膜:85um,干膜:40um
稀释剂擦洗。
施工条件底材温度须高于露点以上3℃,相对湿度须小于85%。
前道配套涂料:C06-1铁红醇酸底漆、C53-31红丹醇酸防锈漆。
后道配套涂料:C04-42醇酸磁漆(户外型)、C04-42醇酸磁漆(耐候型)。
五、包装规格
20升容器装。
六、安全
避免长期吸入溶剂蒸汽或漆雾,皮肤、眼睛不得接触本品,再狭窄或空气不流通处施工,必须提供强力通风,施工时应佩戴防护用具。
七、附注
1.上述的干湿膜厚度都是指高压无气喷涂时的指标。
2.本说明有关数据是在实验室取得,实际产品可能与之略有不同;以上数据如有改变,以本厂最新说明书为准,恕不另行通知。
709铁红环氧带锈防锈底漆(双组分)一、产品介绍1、组成:该漆由渗透性环氧树脂加入铁红、多种活性防锈颜料、稳锈颜料及助剂等为A组分,以固化剂为B组分的双组分常温固化低表面处理的防锈底漆。
2、主要特性:具有良好的耐水、防锈性能,良好的附着力、柔韧性,能与大部分油漆体系配套,可减轻劳动强度,节省施工费用。
提高劳动效率,改善劳动卫生环境。
3、施工范围:该漆可直接涂刷于有残余锈蚀的钢铁表面,广泛应用于除尘器、海洋采油设施、石油化工装置、桥梁、机械、管道外壁等钢铁结构带锈涂装。
4、技术指标:产品执行技术标准号:Q/CYQ318-2010包装规格:A组分25kg/桶;B组分4kg/桶贮存期限:在遵守贮运规定条件下,自生产之日起计,贮存期一年。
超过贮存期,经全项目性能检验合格后,仍可使用。
二、施工参考1、施工参数:成分 A、B两组分配比 A组分:B组分=100:16(重量比)混合方法将A组分充分搅拌,加入B组分,继续搅拌至均匀油漆 a.达到爆炸极限下限(LEL)的10% 85m3b.达到安全卫生标准(TLV) 3510m3稀释剂 a.达到LEL的10% 270m3b.达到安全卫生标准(TLV) 9000m3密度约 1.5g / cm3干膜厚度 60μm湿膜厚度 120 μm闪点 27℃理论用量 0.25 kg/㎡熟化期(25℃) 30min适用期(25℃) 5小时复涂间隔时间 25℃,最短为6小时,最长7天建议涂装道数 2道,干膜厚度80μm后道配套用漆环氧类中间漆、面漆、氯化橡胶类面漆、聚氨酯类面漆、环氧沥青漆等。
2、表面处理除去钢铁表面的浮锈、油污和水,对表面上疏松氧化皮也应尽量清除干净。
钢材表面无可见的油脂、污垢,并且没有附着不牢的氧化皮、铁锈和油漆涂层等附着物。
对有旧漆膜的表面,除漆膜完整并与基材附着力较好者外,应用砂纸打磨干净。
3、施工条件和涂装施工建议涂装施工环境:适宜温度10-30℃,相对湿度80%以下;其他条件:钢材表面温度须高于露点3℃以上温度方可施工。
高氯化聚乙烯重防腐涂料的性能和特点高氯化聚乙烯通过氯气高度氯化而制得的无规则生成物,其氯含量超过60%,高氯化聚乙烯简称HCPE。
以高氯化聚乙烯作为主要成膜物质,加入不同的改性树脂、增塑剂、溶剂、添加剂、防锈颜料等可生产出多种高氯化聚乙烯重防腐涂料。
替代了氯璜化聚乙烯防腐涂料。
高氯化聚乙烯重防腐涂料具有以下性能和特点:1.优异的防腐蚀性、防水性、耐油性由于高氯化聚乙烯的主链上没有双键,故其性能稳定,涂膜对水蒸汽和氧气的渗透率低,因此具有优异的防水性。
漆膜封闭性强,对化工大气、酸、碱、盐具有优异的防腐蚀性能。
2.户外耐候性优高氯化聚乙烯系饱和结构的高聚物,这就决定了高氯化聚乙烯重防腐涂料具有耐臭氧、耐光老化、气候老化、热老化等性能,涂膜坚韧耐磨,稳定性佳。
3.附着力强高氯化聚乙烯重防腐涂料对钢铁结构表面、水泥墙面均有优良的附着力,涂层与涂层之间由于溶剂的浸渗作用,使与下层相互粘成一体,从而加强了涂膜间的粘附力。
4.干燥迅速高氯化聚乙烯重防腐涂料系溶剂型涂料,经施工涂装,溶剂挥发后干燥成膜,在带温下2-4小时后,即可再涂刷第二道涂料。
5.可低温施工耐高低温性能好高氯化聚乙烯防腐涂料可在-15℃~+50℃的的中施工,漆膜可在-20℃~+80℃条件下长期使用。
6.使用方便高氯化聚乙烯重防腐涂料系单组份包装,不需要在施工现场进行临时配制,只需打开包装桶盖,经搅拌均匀后,就能使用。
7.可获较厚的涂层由于高氯化聚乙烯重防腐涂料的固体含量较高,故一道漆膜即可获得较厚的涂层。
8.贮存稳定性好高氯化聚乙烯重防腐涂料在贮存过程中基本没有脱氯化氢分子现象,因此涂料在贮存过程中不会发生凝胶现象,其贮存期达一年以上。
9.涂层无毒,装饰性好由于高氯化聚乙烯本身无毒性,涂料配方中的其它组成也无毒性,故涂料在漆膜过程中溶剂挥发后漆膜不存在毒性,高氯化聚乙烯磁漆具有漂亮的光泽,装饰性好。
10.维修方便涂料在旧漆膜上如需重新涂装时,漆膜两层之间仍有互溶作用,当维修时不需要去掉牢固的旧漆膜,因此维修十分方便。
本资料由山东禄源漆业提供,未经允许请勿借用或转载,请登陆本公司网官,以便获得更完整的产品资讯
无穷花水性防锈漆
本产品吸收国内外防锈漆之精华,采用先进的工艺配方、科学设计方案,聚渗透型,转化型,稳定型三者为一的独特配方和工艺,科学的采取渗透转化机理为主导,终于攻克了水性防锈漆的种种禁区,以水做为分散介质,利用物理、化学等多重防锈机理,根据化学转化,络和反映等化学原理配制而成.各项技术指标均达到和超过国家及行业要求,开创了水性防锈漆的新纪元。
是传统防锈漆的最佳换代产品。
广泛应用于各种汽车、钢结构、船舶、网架、机械制造、集装箱、铁路、桥梁、锅炉、石化设备等防腐保护,是溶剂型油漆不可比拟的,是符合国内外涂料绿色环保发展方向的,自投放市场以来深受各行业的欢迎。
产品特点:
(1)“无穷花”牌水性防锈漆,无毒、无味、无污染,对人体健康没有任何危害,真正做到了绿色环保。
(2)“无穷花”牌水性防锈漆,不易燃不易爆,便于运输。
(3)“无穷花”牌水性防锈漆,用自来水稀释,施工工具、设备、容器也用自来水清洗,大大降低了涂装成本。
(4)“无穷花”牌水性防锈漆,干燥时间快,提高了工作效率,降低了劳动成本。
适用范围:汽车、船舶、网架、机械制造、集装箱、铁路、桥梁、锅炉、钢结构等行业。
施工说明
1、严禁与油性物质接触,使用前搅拌均匀,可根据实际需求,适当加水稀释,但一般添加0-10%的水量为最好。
2、刷涂、辊涂、喷涂、浸涂都可,施工温度≥5℃
3、施工前应清除表面油污、砂土杂物、疏松浮锈、锈层厚度不超过120微米。
4、贮存温度≥0℃,置阴凉干燥处存放,防冻、防暴晒,保质期18个月
无穷花水性防锈金属漆
一、水性防锈金属漆
水性金属面漆是韩国水性漆专家和我公司吸收国内外水性防腐面漆之精华共同研究开发的水性漆新型品种.本产品采用新一代离子稳定型自乳化“核壳”结构水性树脂、有关填料和助剂,聚交联型、反应型、乳化型三者为一的独特配方和工艺,科学的采用自乳化为主,兼顾交联、反应型为辅的设计方案。
精选超细度的无机、无毒颜料经科学配料,严格调制而成.,使新一代水性防腐面漆给祖国防腐蚀涂装事业增添了更新换代的最佳产品。
产品特点:
1.先进的工艺配方、科学的设计方案:
以水为稀释剂,无毒无味、无污染、无三废,不燃不爆,确保了环境保护和消防安全,保障了劳动者的身体健康。
2.坚韧漆膜性能优异:
具有硬度高、耐划伤、附着力强,耐盐雾、耐酸碱、耐水、耐油、抗紫外光、耐老化、抗低温、耐湿热,具有超强的漆膜柔韧性。
3.增效节能降低成本:
该产品以水为稀释剂,操作简单,该产品利用率100%,可大大提高工效,单位涂装成本极低。
表面要求:
涂装前应检查被涂件表面底漆是否彻底干燥,底漆表面是否粘有油污灰砂等污物,被涂饰面不可有损伤,必须清除油污灰砂,底表面平整无损的条件下方可进行施工。
搅拌稀释:
应将漆浆充分搅拌均匀,如遇粘度过大,可适量加自来水稀释。
施工环境:
1、自然干燥:应选择晴天施工。
环境温度5—40℃,相对环境湿度80%以下为佳,不适宜在3℃以下环境湿度大于80%条件下涂装,涂装后的漆膜4小时内应避免雨淋或用水冲洗。
2、烘干线:为加速漆膜干燥,可进行烘干,烘烤温度不低于40℃,烘干时间不少于20分钟。
施工方法:
本产品适用刷涂、喷涂、浸涂。
涂装工具:在施工过程中,必须单独使用涂装工具,不得和其它油性漆或器具混用,用后用自来水清洗干净,以备反复使用。
产品包装:
本产品采用印铁马口铁和塑料桶包装,规格有20kg、100kg。
产品运输:产品为水性、无毒、无味、不燃不爆、符合《非危险品规则》。
产品贮存:
本产品应存放在阴凉通风的库房中,贮存温度最低不能低于0℃,故北方地区冬季应存放在暖房中,避免冻结。
产品保质:
自出厂之日起24个月为有效期,如超出保质期只要产品没有结硬块,经搅
拌均匀后,经检验、技术指标若无变化、仍可继续使用。
无穷花长效底面合一型水性防锈金属漆
本产品吸收国内外防锈底漆、面漆之精华,聚渗透型,转化型,稳定型三者为一的独特配方和工艺,科学的采取渗透转化机理为主导,兼顾稳定惰性屏蔽化为辅
的设计方案,终于攻克了底面合一的种种禁区,各项技术指标均达到和超过国家及行业要求,开创了底面合一金属防锈漆的新纪元。
是传统漆的最佳换代产品。
它的问世为水性漆市场增添了一道绚丽的光彩,其卓越的物理性能比传统的水性防锈漆有了质的飞跃,可堪称为水性漆业内的一大创举。
产品特点:
1.卓越的环保安全性:无毒、无味、无污染、无三废,不燃不爆,确保
了环境保护和消防安全,保障了劳动者的身体健康。
2.漆膜恒久性能优异:具有优良的耐盐雾、盐水、淡水、耐汽油、抗
紫外光耐老化、耐高温、抗低温、耐湿热、耐温变等。
具有超强的漆膜
柔韧性.
3.增效节能降低成本:可直接使用,不用涂刷底漆,省时省力、简便快捷,
可大大提高工效,以水为稀释剂,产品利用率100%,单位涂装成本极低。
表面要求:
涂装前应检查被涂件表面是否彻底干燥,表面是否粘有油污灰砂等污
物,被涂饰面不可有损伤,必须清除油污灰砂,底表面平整无损的条件
下方可进行施工。
搅拌稀释:
应将漆浆充分搅拌均匀,如遇粘度过大,可适量加自来水稀释。
施工环境:
1、自然干燥:应选择晴天施工。
环境温度5—40℃,相对环境湿度80%
以下为佳,不适宜在3℃以下环境湿度大于80%条件下涂装,涂装后的
漆膜4小时内应避免雨淋或用水冲洗。
2、烘干线:为加速漆膜干燥,
可进行烘干,烘烤温度不低于40℃,烘干时间不少于20分钟。
施工方法:
本产品适用刷涂、喷涂、浸涂。
涂装工具:在施工过程中,必须单独使用涂装工具,不得和其它油漆或
器具混用,用后用自来水清洗干净,以备反复使用。
产品包装:
本产品采用印铁马口铁和塑料桶包装,20kg、100kg。
产品运输:产品为水性、无毒、无味、不燃不爆、符合《非危险品规则》。
产品贮存:
本产品应存放在阴凉通风的库房中,贮存温度最低不能低于0℃,故北
方地区冬季应存放在暖房中,避免冻结。
产品保质:
自出厂之日起24个月为有效期,如超出保质期只要产品没有结硬块,经搅
拌均匀后,经检验、技术指标若无变化、仍可继续使用。