曝气设备充氧能力实验报告
- 格式:doc
- 大小:337.69 KB
- 文档页数:17
1实验目的欧阳学文(1)掌握测定曝气设备的KLa和充氧能力α、β 的实验方法及计算 Qs;(2)评价充氧设备充氧能力的好坏;(3)掌握曝气设备充氧性能的测定方法。
2实验原理活性污泥处理过程中曝气设备的作用是使氧气、活性污泥、营养物三者充分混合,使污泥处于悬浮状态,促使氧气从气相转移到液相,从液相转移到活性污泥上,保证微生物有足够的氧进行物质代谢。
由于氧的供给是保证生化处理过程正常进行的主要因素,因此工程设计人员通常通过实验来评价曝气设备的供氧能力。
在现场用自来水实验时,先用Na2S03(或N2)进行脱氧,然后在溶解氧等于或接近零的状态下再曝气,使溶解氧升高趋于饱和水平。
假定整个液体是完全混合的,符合一级反应此时水中溶解氧的变化可以用以下式子表示:式中:dC/dt——氧转移速率,mg/(L·h);KLa——氧的总传递系数,L/h;Cs——实验室的温度和压力下,自来水的溶解氧饱和浓度,mg/L;C——相应某一时刻t的溶解氧浓度,mg/L。
将上式积分,得由于溶解氧饱和浓度、温度、污水性质和混乱程度等因素影响氧的传递速率,因此应进行温度、压力校正,并测定校正废水性质影响的修正系数α、β。
所采用的公式如下:充氧能力为3实验内容3.1实验设备与试剂(1)溶解氧测定仪(2)空压机。
(3)曝气筒。
(4)搅拌器。
(5)秒表。
(6)分析天平(7)烧杯。
(8)亚硫酸钠(Na2S03)(9)氯化钴(CoCl2·6H20)。
3.2实验装置实验装置如图31所示。
图31 曝气设备充氧能力实验装置简图3.3实验步骤(1)向曝气筒内注入20L自来水,测定水样体积V(L)和水温t (℃);(2)由实验测出水样溶解氧饱和值Cs,并根据 Cs和 V 求投药量,然后投药脱氧;a)脱氧剂亚硫酸钠(Na2S03)的用量计算。
在自来水中加入 Na2S03还原剂来还原水中的溶解氧。
相对分子质量之比为:故Na2S03理论用量为水中溶解氧的8倍。
可编辑修改精选全文完整版实验二 曝气设备的充氧能力的测定实验实验项目性质:验证性 所属课程名称:水污染控制工程 实验计划学时:41、实验目的(1)加深理解曝气充氧的机理及影响因素。
(2)掌握曝气设备清水充氧性能测定的方法。
(3)测定曝气设备的氧的总转移系数KLa (20)、氧利用率EA 、动力效率Ep 。
2、实验原理曝气的作用是向液相供给溶解氧。
氧由气相转入液相的机理常用双膜理论来解释。
双膜理论是基于在气液两相界面存在着两层膜(气膜和液膜)的物理模型。
氧在膜内总是以分子扩散方式转移的,其速度总是慢于在混合液内发生的对流扩散方式的转移。
所以只要液体内氧未饱和,则氧分子总会从气相转移到液相的。
曝气设备氧总转移系数KLa 的计算式:CtCs CoCs t t a o ---=ln 1KL 式中: KLa —氧总转移系数,l/min ; t 、t 0—曝气时间,min ;C 0 —曝气开始时烧杯内溶解氧浓度( t 0=0时,C 0=?mg/L ),mg/L ; Cs —烧杯内溶液饱和溶解氧值,mg/L ;Ct —曝气某时刻 t 时,烧杯内溶液溶解氧浓度,mg/L 3、实验设备与试剂(1)曝气装置,1个; (2)大烧杯;1000mL ,1个; (3)溶解氧测定仪,1台; (4)电子天平,1台; (5)无水亚硫酸钠;(6)氯化钴; (7)玻璃棒1根。
4 实验步骤(1)用1000mL 烧杯加入清水,测定水中溶解氧值,计算池内溶解氧含量G=DO·V 。
(2)计算投药1)脱氧剂(无水亚硫酸钠)用量: g=(1.1~1.5)×8·G2)催化剂(氯化钴)用量:投加浓度为0.1mg/L(3)将药剂投入烧杯内,至烧杯内溶解氧值为0后,启动曝气装置,向烧杯曝气,同时开始计时。
(4)每隔1min (前三个间隔)和0.5min (后几个间隔)测定池内溶解氧值,直至烧杯内溶解氧值不再增长(饱和)为止。
曝气设备充氧能力实验报告实验报告,曝气设备充氧能力实验一、实验目的本实验主要旨在通过曝气设备充氧能力的实验,研究曝气设备在不同条件下的充氧效果,并探讨影响曝气设备充氧能力的因素。
二、实验原理曝气设备是一种常用的水处理设备,常用于水体增氧以提高水质。
其工作原理是通过气泡的运动将空气中的氧气溶解在水中。
曝气设备一般由气泵、气管和曝气装置等组成。
曝气装置通常采用气泡产生器,气泡产生器内有大量小孔,通过气泵将气体推入气泡产生器,气体从小孔中逸出形成气泡进入水中。
气泡进入水后会随着水流的带动移动,从而增加水中氧气的含量。
三、实验步骤1.搭建实验装置:将曝气装置与气泵相连,连接气管后将气泵的出气口置于曝气装置的进气孔上。
2.准备实验样品:准备一定量的水样,并测定水样的初始溶解氧含量。
3.开始实验:打开气泵,使气泡进入水中。
根据需要,可调整气泡的密度和大小。
4.定时测定溶解氧含量:在一定时间间隔内,取样并测定水样中的溶解氧含量。
5.数据记录与分析:将实验数据记录下来,并进行数据分析和处理。
四、实验结果根据实验数据统计和分析,我们得到了以下结果:1.气泡密度对充氧能力的影响:实验中通过调节气泡的密度,发现气泡密度较大时,充氧效果更好,溶解氧含量也相应增加。
2.气泡大小对充氧能力的影响:实验中通过调节气泡的大小,发现气泡较大时,充氧效果较好,溶解氧含量也相对较高。
3.曝气时间对充氧能力的影响:实验中通过调节曝气时间,发现曝气时间越长,充氧效果越好,溶解氧含量也随之增加。
五、实验结论通过以上实验结果的分析,我们得出以下结论:1.曝气设备的充氧能力与气泡的密度、大小和曝气时间有关。
气泡密度较大、气泡较大且曝气时间较长时,充氧效果更好。
2.曝气设备的充氧能力受到环境条件的影响。
例如水的温度、压力、溶解氧初始含量等都会对充氧效果产生影响。
3.在实际应用中,需要根据实际情况调节曝气设备的工作参数,以达到最佳的充氧效果。
六、实验心得通过本次实验,我们深入了解了曝气设备充氧能力的影响因素,并通过实验数据分析和处理,得到了一些有价值的结论。
实验三曝气充氧实验报告一、实验目的(1)加深理解曝气充氧的机理及影响因素。
(2)掌握曝气设备清水充氧性能测定的方法。
(3)测定几种不同形式的曝气设备的总转移系数K La(20).二、实验原理曝氧是人为地通过一些设备向水中加速传递氧的过程。
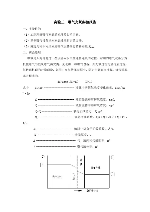
常用的曝气设备分为机械曝气与鼓风曝气两大类,无论哪一种曝气设备,其充氧过程均属传质过程,氧传递机理为双膜理论,如图1在氧传递过程中,阻力主要来自液膜,氧传递基本方程式为:d C/d t=K La(C s-C b) (3-1)式中 d C/d t -------------------- 液体中溶解氧浓度变化速率,kgO2/(m³·h)C------------------------ 液膜处饱和溶解氧浓度,mg/L sC------------------------ 液相主体中溶解氧浓度,mg/L bC-C b -------------------- 氧传质推动力,X L g/LsK----------------------- 氧总传移系数,K La=(D L·A)/(X L·V),La1/hD------------------------ 液膜中氧分子扩散系数,m²/h LX------------------------ 液膜厚度,mLA -------------------------- 气、液两相接触面积,m²V -------------------------- 曝气液体积,m³图1由于液漠厚度X L和液体流态有关,而且在实验中无法测定与计算,同样气液接触面积A的大小也无法测定与计算,故用氧总转移系数K La代替。
将式(4-42)积分整理后得曝气设备氧总转移系数K La计算式:K=1/(t-t0)Ln(C s- C0)/ (C s- C t) (3-2)La式中K La ------------- 氧总转移系数,1/min 或1/h;t、t---------- 曝气时间,min ;C-------------- 曝气开始时池内溶解氧浓度(t0=0时,C0=0 0mg/L),mg/L;C-------------- 曝氧池内液体饱和溶解氧值, mg/L;sC-------------- 曝气某一时刻t时,池催液体溶解氧浓度,tmg/L 。
1实验目的(1)掌握测定曝气设备的和充氧能力a、p的实验方法及计算Q s:(2)评价充氧设备充氧能力的好坏:(3)裳握曝气设备充氧性能的测定方法。
2实验原理活性污泥处理过程中曝气设备的作用是使氧气、活性污泥、营养物三者充分混合,使污泥处于悬浮状态,促使氧气从气相转移到液相,从液相转移到活性污泥上,保证微生物有足够的氧进行物质代谢。
由于氧的供给是保证生化处理过程正常进行的主要因素,因此工程设计人员通常通过实验來评价曝气设备的供氧能力。
在现场用自来水实验时,先用N 32S(h(或N?)进行脱氧,然后在溶解氧等于或接近零的状态下再曝气,使溶解氧升高趋丁•饱和水平。
假定整个液体是完全泯合的,符合一级反应此时水中溶解氣的变化可以用以下式子表示:d c= KLa (Cs — C) dt式中:de©——氧转移速率,mg/(L-h);K La——氧的总传递系数,L/11;C$—实验室的温度和圧力下,自来水的溶解氧饱和浓度,mg/L;C——相应某一时刻t的溶解氧浓度,mg/L。
将上式积分,得ln(Cs—C) = —K“t+ 常数由于溶解氧饱和浓度、温度、污水性质和混乱程度等因素影响氣的传递速率,因此应进行温度、压力校正,并测定校正废水性质影响的修正系数a、Po所采用的公式如下:K“(T) = K La(2O°C)1.O24T_203实验内容3.1实验设备与试剂 (1) 溶解氧测定仪 (2) 空压机。
(3) 曝气筒。
(4) 搅拌器。
(5) 秒表。
(6) 分析天平 (7) 饶杯。
(8) 亚硫酸钠(Na 2SO 3) (9) 氯化钻(C O C12-6H 20)O 3.2实验装置实验装置如图3・1所示。
充氧能力为Cs (校正) = Cs (实验)XQs =de标准大气压(kPa) 实验时的大气斥(kPa)废水的K“ 门來水的心 废水的Cs 白來水的0• V = (20°C). C s (SEiE) - V(kg/h)图01曜气设备充氧能力实验装置简图3.3实验步骤(1) 向曝气筒内注入20L H 來水,测定水样体积V(L)和水温t(°C):(2) 由实验测出水样溶解氧饱和值G ,并根据c$和V 求投药量,然后投药脱氧:a) 脱氧剂亚硫酸钠(Na 3SO 3)的用臺计算。
曝气充氧实验报告实验名称:曝气充氧实验报告实验日期:[实验日期]实验地点:[实验地点]实验目的:通过曝气充氧实验,检验不同气体对水体中溶解氧含量的影响。
实验器材:1. 水槽2. 气泵3. 氧气气缸4. 二氧化碳气缸5. pH计6. 溶解氧测试仪7. 温度计8. 支架9. 导管10. 水样收集瓶实验步骤:1. 准备实验器材,并将水槽装满水。
2. 将氧气气缸连接到气泵,并将导管放入水槽底部。
3. 打开氧气气缸和气泵,使气体通过导管进入水槽底部,实现曝气充氧。
4. 使用溶解氧测试仪,测量不同时间段水体中溶解氧的含量。
5. 在规定时间段后,关闭氧气气缸和气泵。
6. 重复实验步骤2-5,使用二氧化碳气缸进行实验。
7. 在实验过程中,记录水体温度和pH值的变化。
实验数据记录:- 实验组1:应用氧气曝气充氧时间(分钟) | 溶解氧含量(mg/L)-------------------------------------0 | 2.55 | 4.010 | 5.515 | 6.020 | 6.225 | 6.5- 实验组2:应用二氧化碳曝气充氧时间(分钟) | 溶解氧含量(mg/L)-------------------------------------0 | 2.55 | 3.010 | 3.515 | 4.020 | 4.225 | 4.5实验结果分析:从实验数据可以看出,应用氧气曝气充氧的实验组中,随着时间的增加,水体中溶解氧的含量呈递增趋势,并达到了6.5 mg/L。
而应用二氧化碳曝气充氧的实验组中,水体中溶解氧的含量也随着时间的增加而递增,但最终只达到了4.5 mg/L。
因此,可以得出结论:氧气具有更强的充氧能力,能够更有效地提高水体中溶解氧的含量。
同时,实验过程中观察到水体温度基本保持不变,pH值也没有明显变化,说明实验中的气体曝气并未对水体的温度和酸碱性产生重大影响。
结论:通过本实验的曝气充氧实验,发现氧气可以更有效地提高水体中溶解氧的含量,相比之下,二氧化碳的充氧效果较差。
12实验目的(1)(2)掌握测定曝气设备的K La和充氧能力α、β 的实验方法及计算Q s;(3)(4)评价充氧设备充氧能力的好坏;(5)(6)掌握曝气设备充氧性能的测定方法。
34实验原理活性污泥处理过程中曝气设备的作用是使氧气、活性污泥、营养物三者充分混合,使污泥处于悬浮状态,促使氧气从气相转移到液相,从液相转移到活性污泥上,保证微生物有足够的氧进行物质代谢。
由于氧的供给是保证生化处理过程正常进行的主要因素,因此工程设计人员通常通过实验来评价曝气设备的供氧能力。
在现场用自来水实验时,先用Na2S03(或N2)进行脱氧,然后在溶解氧等于或接近零的状态下再曝气,使溶解氧升高趋于饱和水平。
假定整个液体是完全混合的,符合一级反应此时水中溶解氧的变化可以用以下式子表示:d C=K La(C s−C)d t式中:d C/d t——氧转移速率,mg/(L·h);K La——氧的总传递系数,L/h;C s——实验室的温度和压力下,自来水的溶解氧饱和浓度,mg/L;C——相应某一时刻t的溶解氧浓度,mg/L。
将上式积分,得ln(C s−C)=−K La t+常数由于溶解氧饱和浓度、温度、污水性质和混乱程度等因素影响氧的传递速率,因此应进行温度、压力校正,并测定校正废水性质影响的修正系数α、β。
所采用的公式如下:K La(T)=K La(20℃)1.024T−20C s(校正)=C s(实验)×标准大气压(kPa)实验时的大气压(kPa)α=废水的K La 自来水的K Laβ=废水的C s 自来水的C s充氧能力为Q s=d Cd t·V=K La(20℃)·C s(校正)·V(kg/h)56实验内容6.16.2实验设备与试剂(1)(2)溶解氧测定仪(3)(4)空压机。
(5)(6)曝气筒。
(7)(8)搅拌器。
(9)(10)秒表。
(11)(12)分析天平(13)(14)烧杯。
曝气设备充氧能力的测定实验报告
本报告是针对检测曝气设备充氧能力而进行的实验报告。
测定的曝气设备是一台型号为XXXXX的曝气器,安装在XXXXX位置。
实验环境:室温25℃、湿度60%~70%,实验前先进行15min的稳定运行。
首先测量曝气器的输入气体的分析结果,分析结果示意图如下:空气中的氧含量为20.95%,其余均为含氮和其它混合气体,混合气体中含有水气,但水气含量较低。
最后,本实验结果表明,曝气器充氧能力明显,分析结果表明,曝气器输出气体的氧含量从20.95%提高到32.92%,说明曝气器的净化和充氧能力很好,结果可靠。
综上所述,本实验评价出的测定曝气设备充氧能力的结论是:实验结果表明,曝气设备的充氧能力良好,符合要求,可靠性满足用户需求。
评价:本实验可靠、正确,充氧能力满足用户需求。
清水曝气充氧实验报告实验一曝气设备清水充氧实验实验一曝气设备清水充氧实验曝气是活性污泥系统的一个重要环节。
它的作用是向池内充氧,保证微生物生化作用所需之氧,同时保持池内微生物、有机物、溶解氧,即泥、水、气三者的充分混合,为微生物降解创造有利条件。
因此了解掌握曝气设备充氧性能,不同污水充氧修正系数α、β值及其测定方法,不仅对工程设计人员、而且对污水处理厂运行和管理人员也至关重要。
此外,二级生物处理厂中,曝气充氧电耗占全厂动力消耗的60-70%,因此高效省能型曝气设备的研制是当前污水生物处理技术领域面临的一个重要课题。
因此本实验是水处理实验中的一个重要项目,一般列为必开实验。
一、目的1、加深理解曝气充氧的机理及影响因素2、了解掌握曝气设备清水充氧性能测定的方法。
3、测定几种不同形式的曝气设备氧的总转移系数KLas,氧利用率η%,动力效率E等,并进行比较二、原理曝气是人为的通过一些设备加速向水中传递氧的过程,常用的曝气设备分为机械曝气与鼓风曝气两大类,无论哪一种曝气设备。
其充氧过程均属传质过程,氧传递机理为双膜理论,如图3所示在氧传递过程中,阻力主要来自液膜,氧传递基本方程式为:dc?KLa(Cs?C) dt式中:dcdtmg/L?min;Cs?C――氧传质推动力,mg/LCs——液膜处饱和溶解氧浓度,C——液相主体中溶解氧浓度,KLa?DL?AYL?WKLa——氧总转移系数,1/min; DL——液膜中氧分子扩散系数; YL——液膜厚度; A——气液两相接触面积; W——曝气液体体积;由于液膜厚度YL和液体流态有关,而且实验中无法测定与计算,同样气液接触面积A的大小也无法测定与计算,故用氧总传递系数KLa代替。
将上式积分整理后得曝气设备氧总传递系数KLa计算式。
KLa?式中:KLa——氧总转移系数,1/min; t0、t——曝气时间,min;2?303Cs?C0lgt?t0Cs?CtC0——曝气开始时池内溶解氧浓度,t0,0时,C0,0,mg/L; Cs——曝气池内液体饱和溶解氧值,mg/L;Ct——曝气某一时刻t时,池内液体溶解氧浓度,mg/L。
曝气充氧实验报告曝气充氧实验报告引言:氧气是维持生命的重要元素,它在许多领域都有着广泛的应用。
曝气充氧是一种常见的氧气供应方式,通过将气体暴露在空气中,使氧气与其他气体混合,达到充氧的目的。
本实验旨在探究曝气充氧对氧气浓度的影响,以及曝气时间对充氧效果的影响。
实验方法:1. 准备工作:- 将实验所需的氧气容器、曝气装置、氧气浓度计等器材准备齐全。
- 确保实验环境通风良好,以确保实验的安全进行。
2. 实验步骤:- 将氧气容器连接到曝气装置,确保氧气能够通过装置流入。
- 打开氧气容器和曝气装置,使氧气开始曝气。
- 在不同时间间隔内,使用氧气浓度计测量氧气浓度。
- 记录实验数据,并进行分析。
实验结果:通过实验测量,我们得到了曝气充氧的实验结果如下:1. 曝气时间对氧气浓度的影响:- 在曝气开始后的最初几分钟,氧气浓度迅速上升,达到峰值。
- 随着曝气时间的增加,氧气浓度逐渐稳定在一个较高的水平。
- 当曝气时间超过一定阈值后,氧气浓度增长的速度减缓,趋于平缓。
2. 曝气充氧对氧气浓度的影响:- 曝气充氧是一种有效的氧气供应方式,能够显著提高氧气浓度。
- 曝气过程中,氧气与空气中的其他气体发生混合,使氧气浓度增加。
- 曝气时间越长,氧气浓度提高的效果越明显。
讨论与分析:曝气充氧实验结果表明,曝气时间和氧气浓度之间存在一定的关系。
在实验开始阶段,曝气时间的增加会显著提高氧气浓度,但随着时间的推移,增长速度逐渐减缓。
这可能是因为曝气过程中,氧气与其他气体混合的速度逐渐减慢,导致氧气浓度增长的速度减缓。
此外,曝气充氧是一种有效的氧气供应方式。
通过曝气,氧气能够与空气中的其他气体充分混合,从而提高氧气浓度。
实验结果显示,随着曝气时间的增加,氧气浓度呈现出逐渐增加的趋势。
这说明曝气时间的延长能够进一步提高氧气浓度,从而增强充氧效果。
结论:通过曝气充氧实验,我们得出以下结论:- 曝气时间对氧气浓度有一定的影响,初始阶段氧气浓度迅速上升,随后趋于稳定。
12实验目的(1)(2)掌握测定曝气设备的K La和充氧能力α、β 的实验方法及计算Q s;(3)(4)评价充氧设备充氧能力的好坏;(5)(6)掌握曝气设备充氧性能的测定方法。
34实验原理活性污泥处理过程中曝气设备的作用是使氧气、活性污泥、营养物三者充分混合,使污泥处于悬浮状态,促使氧气从气相转移到液相,从液相转移到活性污泥上,保证微生物有足够的氧进行物质代谢。
由于氧的供给是保证生化处理过程正常进行的主要因素,因此工程设计人员通常通过实验来评价曝气设备的供氧能力。
在现场用自来水实验时,先用Na2S03(或N2)进行脱氧,然后在溶解氧等于或接近零的状态下再曝气,使溶解氧升高趋于饱和水平。
假定整个液体是完全混合的,符合一级反应此时水中溶解氧的变化可以用以下式子表示:式中:d C/d t——氧转移速率,mg/(L·h);K La——氧的总传递系数,L/h;C s——实验室的温度和压力下,自来水的溶解氧饱和浓度,mg/L;C——相应某一时刻t的溶解氧浓度,mg/L。
将上式积分,得由于溶解氧饱和浓度、温度、污水性质和混乱程度等因素影响氧的传递速率,因此应进行温度、压力校正,并测定校正废水性质影响的修正系数α、β。
所采用的公式如下:充氧能力为56实验内容6.16.2实验设备与试剂(1)(2)溶解氧测定仪(3)(4)空压机。
(5)(6)曝气筒。
(7)(8)搅拌器。
(9)(10)秒表。
(11)(12)分析天平(13)(14)烧杯。
(15)(16)亚硫酸钠(Na2S03)(17)(18)氯化钴(CoCl2·6H20)。
6.36.4实验装置实验装置如图3-1所示。
图3-1 曝气设备充氧能力实验装置简图6.56.6实验步骤(1)(2)向曝气筒内注入20L自来水,测定水样体积V(L)和水温t (℃);(3)(4)由实验测出水样溶解氧饱和值C s,并根据C s和V 求投药量,然后投药脱氧;a)b)脱氧剂亚硫酸钠(Na2S03)的用量计算。
曝气充氧实验报告
曝气充氧实验报告
一、实验目的
本实验旨在观察曝气充氧反应的过程,并对充氧率进行测定,研究曝气充氧反应的特性。
二、实验原理
曝气充氧反应是通过将气态氧以曝气的形式加入液体水中,使水中氧含量持续升高的一种反应过程。
曝气充氧反应可以分为上曝气和下曝气两种方式。
在曝气充氧过程中,气态酸碱度对液态酸碱度有显著影响。
三、实验设备
本实验所使用设备和材料有:
1、实验槽;
2、充氧器;
3、气体源;
4、温度表;
5、湿度计;
6、气体流量计;
7、溶氧仪;
8、液体水样品。
四、实验步骤
1. 安装实验设备:安装实验槽、充氧器,设置气体源和气体流
量计,接通实验槽中的气体源,打开充氧器,打开湿度计和温度表。
2. 充氧:将溶氧仪放入实验槽中,并调节气体流量,调节温度和湿度,观察排气口气体泡沫和液体不断泡起的现象,检测溶氧仪的指标,并予以记录,以确定充氧率。
3. 实验结束:关闭充氧器,拆除设备,清理实验槽,统计实验数据,比较实验结果和理论值,并对比绘制实验曲线。
五、实验结果
实验溶氧量:20mg/L
排气泡沫:液体上出现大量泡沫
温度:25℃
湿度:50RH
气体流量:0.5mL/min
充氧率:80%
六、实验结论
当温度、湿度、气体流量等参数适当调整时,曝气充氧反应会发生,充氧率可以达到80%以上。
但添加氧气的流量越大,充氧率会有所提高,添加流量过大,充氧率反而会下降。
1实验目的(1)掌握测定曝气设备的K La和充氧能力α、β 的实验方法及计算Q s;(2)评价充氧设备充氧能力的好坏;(3)掌握曝气设备充氧性能的测定方法。
2实验原理活性污泥处理过程中曝气设备的作用是使氧气、活性污泥、营养物三者充分混合,使污泥处于悬浮状态,促使氧气从气相转移到液相,从液相转移到活性污泥上,保证微生物有足够的氧进行物质代谢。
由于氧的供给是保证生化处理过程正常进行的主要因素,因此工程设计人员通常通过实验来评价曝气设备的供氧能力。
在现场用自来水实验时,先用Na2S03(或N2)进行脱氧,然后在溶解氧等于或接近零的状态下再曝气,使溶解氧升高趋于饱和水平。
假定整个液体是完全混合的,符合一级反应此时水中溶解氧的变化可以用以下式子表示:式中:d C/d t——氧转移速率,mg/(L·h);K La——氧的总传递系数,L/h;C s——实验室的温度和压力下,自来水的溶解氧饱和浓度,mg/L;C——相应某一时刻t的溶解氧浓度,mg/L。
将上式积分,得由于溶解氧饱和浓度、温度、污水性质和混乱程度等因素影响氧的传递速率,因此应进行温度、压力校正,并测定校正废水性质影响的修正系数α、β。
所采用的公式如下:充氧能力为3实验内容3.1实验设备与试剂(1)溶解氧测定仪(2)空压机。
(3)曝气筒。
(4)搅拌器。
(5)秒表。
(6)分析天平(7)烧杯。
(8)亚硫酸钠(Na2S03)(9)氯化钴(CoCl2·6H20)。
3.2实验装置实验装置如图3-1所示。
图3-1 曝气设备充氧能力实验装置简图3.3实验步骤(1)向曝气筒内注入20L自来水,测定水样体积V(L)和水温t (℃);(2)由实验测出水样溶解氧饱和值C s,并根据C s和V 求投药量,然后投药脱氧;a)脱氧剂亚硫酸钠(Na2S03)的用量计算。
在自来水中加入Na2S03还原剂来还原水中的溶解氧。
相对分子质量之比为:故Na2S03理论用量为水中溶解氧的8倍。
1实验目的(1)掌握测定曝气设备的K La和充氧能力α、β 的实验方法及计算Q s;(2)评价充氧设备充氧能力的好坏;(3)掌握曝气设备充氧性能的测定方法。
2实验原理活性污泥处理过程中曝气设备的作用是使氧气、活性污泥、营养物三者充分混合,使污泥处于悬浮状态,促使氧气从气相转移到液相,从液相转移到活性污泥上,保证微生物有足够的氧进行物质代谢。
由于氧的供给是保证生化处理过程正常进行的主要因素,因此工程设计人员通常通过实验来评价曝气设备的供氧能力。
在现场用自来水实验时,先用Na2S03(或N2)进行脱氧,然后在溶解氧等于或接近零的状态下再曝气,使溶解氧升高趋于饱和水平。
假定整个液体是完全混合的,符合一级反应此时水中溶解氧的变化可以用以下式子表示:d C=K La(C s−C)d t式中:d C/d t——氧转移速率,mg/(L·h);K La——氧的总传递系数,L/h;C s——实验室的温度和压力下,自来水的溶解氧饱和浓度,mg/L;C——相应某一时刻t的溶解氧浓度,mg/L。
将上式积分,得ln(C s−C)=−K La t+常数由于溶解氧饱和浓度、温度、污水性质和混乱程度等因素影响氧的传递速率,因此应进行温度、压力校正,并测定校正废水性质影响的修正系数α、β。
所采用的公式如下:K La(T)=K La(20℃)1.024T−20C s(校正)=C s(实验)×标准大气压(kPa)实验时的大气压(kPa)α=废水的K La 自来水的K Laβ=废水的C s 自来水的C s充氧能力为Q s=d Cd t·V=K La(20℃)·C s(校正)·V(kg/h)3实验内容3.1实验设备与试剂(1)溶解氧测定仪(2)空压机。
(3)曝气筒。
(4)搅拌器。
(5)秒表。
(6)分析天平(7)烧杯。
(8)亚硫酸钠(Na2S03)(9)氯化钴(CoCl2·6H20)。
实验报告
实验名称:曝气设备充氧能力的测定班级:
姓名:
学号:
指导教师:
日期:
一.实验目的:二.实验原理:三.实验装置与设备: 四.实验步骤:
五. 实验结果整理
1.记录实验设备及操作条件的基本参数
模型曝气池 内径D= m 高度H= m 体积V= m 3
水温 ℃ 室温 ℃ 实验条件下自来水C S = mg/L+电动机输入功率 测定点位置
C 0Cl 2投加量 (Kg 或g ); Na 2SO 3 (Kg 或g );
2.参考表4—1记录不稳定状态下充氧试验测得的溶解氧值,并进行数据整理。
表1记录不稳定状态下充氧试验记录
3.以溶解氧浓度C 为纵坐标,时间t 为横坐标,用表1数据作C 点与t 关系曲线。
4.根据C 与t 实验曲线计算相应于不同C 值的dt dC
,记录于表2。
表2不同C 值的dC
5.以dt
为纵坐标,同时t 为横坐标,绘制出实验曲线。
六.根据指导书:求出采用叶轮表面曝气时的充氧能力(OC )和动力效率(E)-----计算过程。
曝气设备充氧能力测定一、实验目的:通过实验掌握测定曝气设备的氧总传递系数和充氧能力的方法,了解该试验数据整理方法的特点以及充氧全过程。
二、实验原理:评价曝气设备的实验方法有两种:(1)不稳定状态下进行试验(2)稳定状态下进行试验。
本实验采用不稳定状态下测定。
用还原剂使曝气设备中水的溶解氧初始为零,然后再曝气,直至溶解氧升高到接近饱和水平,假定该过程液体是完全混合的,符合一级动力学反应水中溶解氧的变化可以用如下公式表示:dC/dt=KLa (Cs-C) (1)其中: dC/dt――――氧转移速率(mg/l·h)KLa――――氧的总传递系数(1/h)KLa 可以认为是一混合系数。
它的倒数表示水中的溶解氧由C变为Cs所需要的时间,是气液界面阻力和界面面积的函数。
Cs――――试验条件下水的溶解氧饱和浓度(mg/l) C――――相应于某一时刻t的溶解氧浓度(mg/l)将(1)积分可得:ln (Cs -C) = -KLa·t+常数通过试验测定Cs 和相应于某一时刻t的溶解氧浓度C值后,绘制ln (Cs-C)与t的关系曲线,其斜率即为KLa。
三、实验装置及材料:1、模型曝气池2、泵型叶轮铜制3、电动机4、调速变压器5、溶解氧测定仪6、秒表,卷尺四、实验步骤:1、测定曝气池容积2、曝气池加入水,并进行曝气,半小时后,用溶解氧测定仪测定实验条件下水的溶氧饱和浓度Cs和水温,继续曝气。
3、将Na2SO3与CoCl2溶解后加入曝气池。
Na2SO3投加量为:W( Na2SO3)=V×Cs×7.9×(150%~200%)×10-3(g)V―――曝气池有效体积(l)7.9―――每去除1mg溶解氧需要投加7.9mg Na2SO3CoCl2投加量为:W(CoCl2)=V×0.5×129.9/58.9×10-3(g)V―――曝气池有效体积(l)0.5――钴离子浓度维持在0.5mg/l4、待溶解氧降到零时,定期测定曝气池中溶解氧浓度,大约0.5-1分钟测定一次,直到溶解氧接近溶解氧饱和值后结束试验。
1实验目的(1)掌握测定曝气设备的K La和充氧能力α、β 的实验方法及计算Q s;(2)评价充氧设备充氧能力的好坏;(3)掌握曝气设备充氧性能的测定方法。
2实验原理活性污泥处理过程中曝气设备的作用是使氧气、活性污泥、营养物三者充分混合,使污泥处于悬浮状态,促使氧气从气相转移到液相,从液相转移到活性污泥上,保证微生物有足够的氧进行物质代谢。
由于氧的供给是保证生化处理过程正常进行的主要因素,因此工程设计人员通常通过实验来评价曝气设备的供氧能力。
在现场用自来水实验时,先用Na2S03(或N2)进行脱氧,然后在溶解氧等于或接近零的状态下再曝气,使溶解氧升高趋于饱和水平。
假定整个液体是完全混合的,符合一级反应此时水中溶解氧的变化可以用以下式子表示:式中:d C/d t——氧转移速率,mg/(L·h);K La——氧的总传递系数,L/h;C s——实验室的温度和压力下,自来水的溶解氧饱和浓度,mg/L;C——相应某一时刻t的溶解氧浓度,mg/L。
将上式积分,得常数由于溶解氧饱和浓度、温度、污水性质和混乱程度等因素影响氧的传递速率,因此应进行温度、压力校正,并测定校正废水性质影响的修正系数α、β。
所采用的公式如下:校正实验标准大气压实验时的大气压废水的自来水的废水的自来水的充氧能力为校正3实验内容3.1实验设备与试剂(1)溶解氧测定仪(2)空压机。
(3)曝气筒。
(4)搅拌器。
(5)秒表。
(6)分析天平(7)烧杯。
(8)亚硫酸钠(Na2S03)(9)氯化钴(CoCl2·6H20)。
3.2实验装置实验装置如图3-1所示。
图3-1 曝气设备充氧能力实验装置简图3.3实验步骤(1)向曝气筒内注入20L自来水,测定水样体积V(L)和水温t (℃);(2)由实验测出水样溶解氧饱和值C s,并根据C s和V 求投药量,然后投药脱氧;a)脱氧剂亚硫酸钠(Na2S03)的用量计算。
在自来水中加入Na2S03还原剂来还原水中的溶解氧。
相对分子质量之比为:故Na2S03理论用量为水中溶解氧的8倍。
而水中有部分杂质会消耗亚硫酸钠,故实际用量为理论用量的1.5倍。
所以实验投加的Na2S03投加量为式中:W——亚硫酸钠投加量,g;C s——实验时水温条件下水中饱和溶解氧值,mg/L;V——水样体积,m3;b)根据水样体积V 确定催化剂(钴盐)的投加量。
经验证明,清水中有效钴离子浓度约0.4mg/L 为好,一般使用氯化钴(CoCl2·6H20)。
因为:所以单位水样投加钴盐量为:CoCl2·6H20 0.4×4.0 = 1.6 g/m3本实验所需投加钴盐为CoCl2·6H20 1.6 V(g)式中:V——水样体积,m3c)将Na2S03用煮沸过的常温水化开,均匀倒入曝气筒内,溶解的钴盐倒入水中,并开动循环水泵,小流量轻微搅动使其混合(开始计时),进行脱氧。
搅拌均匀后(时间t0),测定脱氧水中溶解氧量C0,连续曝气t 后,溶解氧升高至C t。
每隔溶解氧浓度升高0.01,记录一次所用时间(直到溶解氧值达到饱和为止)。
(3)当清水脱氧至零时,提高叶轮转速进行曝气,并计时。
每隔0.5min测定一次溶解氧值(用碘量法每隔1min 测定一次),知道溶解氧值达到饱和为止。
4数据记录与整理水温:28 ℃水样体积:0.018 m3饱和溶解氧浓度C s:8.00 mg/L 亚硫酸钠用量:1.8 g氯化钴用量:0.0288 g表4-1 曝气设备充氧能力实验数据记录5数据处理与分析5.1公式法求解K La值公式:式中:K La——氧的总传递系数,L/min;C s——实验室的温度和压力下,自来水的溶解氧饱和度,mg/L;C t——相应某一时刻t 的溶解氧浓度,mg/L;t0——脱氧使用时间,min;t ——开循环水泵后的时间,min。
实验中,t-t0的值对应表4-1 中的t 值,C0对应时间t=0 时的C t = 0.53mg/L。
将已知值代入公式中求出K La,计算结果如表5-1所示。
表5-1 公式法K La计算结果由上表可以看出,运用公式法计算出来的K La值总体上不断增大,且有较大的增幅,无论采用取平均值或者中间值等方法确定K La值都会存在较大误差,都无法很好表征曝气设备的充氧性能,因此使用公式法求解K La值不适用于本实验。
5.2线性回归法求解K La值5.2.1ln(C s - C t) - t关系曲线的绘制由公式“常数” 可知,作ln(C s - C t) 和t 的关系曲线,其斜率即为K La值。
于是,对ln(C s - C t)进行计算,结果如表5-2所示。
根据计算结果以t为横坐标、ln(C s - C t)为纵坐标,绘制ln(C s - C t) 和t 的关系曲线如图5-1所示。
表5-2 ln(C s - C t)计算结果图5-1 ln(C s - C t) - t关系曲线由上图可以观察到,在曝气充氧的整个过程中,随着时间的增长,ln(C s - C t)总体呈下降趋势。
①在曝气充氧的初始阶段,循环水泵处于启动初期,液体水还没有完全处于湍流状态,充氧系统未达到稳定,故出现ln(C s - C t)值短暂的上下波动情况,但波动幅度不大;同时,此阶段的曲线斜率较小,水中溶解氧量没有明显增加,这是因为曝气前加入水样中的脱氧剂是过量的,剩余的脱氧剂会与曝气时溶解到水样中的氧气反应,不断地消耗溶解氧。
②随着曝气充氧的进行,剩余的脱氧剂逐渐被反应完,水中的溶解氧不再被消耗,溶解氧量稳定增大。
③当曝气充氧进入到最后阶段,由于水中溶解氧量趋近饱和,增长速率逐步减慢,即曲线斜率越来越小。
综上所述,曝气充氧系统稳定阶段的斜率才真正对应本次实验的K La值。
5.2.2ln(C s - C t) - t线性拟合由上一部分对ln(C s- C t)-t关系曲线的分析可知,为求得较为准确的K La值,应将实验前半段数据及结束前一段时间内较平缓变化点去除,以免影响线性拟合结果。
剔除无效数据后,对ln(C s- C t)-t数据点进行线性拟合,拟合图像如图5-2所示,相关拟合数据如表5-3所示。
图5-2 ln(C s - C t) –t线性拟合图像表5-3 ln(C s - C t) –t线性拟合方程数据由上表可知,对ln(C s - C t) –t进行线性拟合,线性相关系数达0.99944,极其接近1,拟合效果极好,与理想条件下溶解氧的传递符合一级反应相符合,结果可用于理论分析。
由上表数据可得拟合方程为:其中,氧的总传递系数换算为20℃时氧的总传递系数5.3非线性回归法求解K La值由于使用线性回归法计算氧传递系数K La受C s取值的影响较大,所以C s值取值是计算结果合理与否的关键。
有研究表明,如果代入的C s值比真实值每减少1%,计算的K La将增大3%;只有测得的C s值大于或等于真实值的99.7%时,才能准确的计算出K La值,而这在我们的实验中一般是比较难达到的,因此,使用该种方法计算K La存在一定的弊端。
计算K La值的另一种方法是非线性回归法。
非线性回归法把C s看成未知量,在一定程度上减轻了采用线性回归法计算氧传递系数K La受C s取值的影响。
使用这种处理方法只需测得的C s大于或等于真实值的98%便可准确的计算K La值,因此,在实际测试中更加方便控制且计算结果准确性较高。
以下将采用非线性回归法对K La值进行求解。
已知曝气实验溶解氧转移速率满足下列一级反应:对该方程积分得:同线性回归法,剔除无效数据后,以t为横坐标、C为纵坐标绘制C-t散点图,用函数对C-t散点图进行拟合,拟合图像如图5-3所示,拟合方程数据如表5-4所示。
图5-3 C t–t非线性拟合图像表5-4 C t–t非线性拟合方程数据由上表可知,对C t–t进行非线性拟合,相关系数R2达0.99953,极其接近1,拟合效果极好,拟合结果可用于理论分析。
由上表数据可得拟合方程为:其中,溶解氧饱和浓度氧的总传递系数换算为20℃时氧的总传递系数5.4线性拟合与非线性拟合结果的比较表5-5 线性拟合与非线性拟合结果的比较由上表数据可知,①对于同一组数据,线性拟合与非线性拟合的拟合程度都极好。
②线性拟合结果K La值比非线性拟合偏小,相对误差为:③线性拟合结果C s值比非线性拟合偏小,相对误差为:本次实验中,线性拟合结果的K La值和C s值相对误差都很小,说明实验最开始测得的C s值具有很高的准确性度,实验K La值的求解可使用线性回归法也可以使用准确性更高的非线性拟合法。
5.5鼓风充氧能力Q s的计算公式式中K La——氧的总转移系数,L/min;C s——饱和溶解氧,mg/LV——水样的体积,m3。
式中K La值和C s值的选取采用准确性更高的非线性拟合法。
将V = 0.018 m3,K La(20℃) = 0.374 L/min,C s = 8.02 mg/L代入上式,得即计算所得鼓风机的充氧能力Q s为3.239×10-3 kg/h。
6思考与讨论6.1检测曝气设备充氧性能有哪些方法?(1)化学消氧法水处理曝气设备性能检测方法在曝气充氧测定中,将一定量的脱氧剂亚硫酸钠投入清水中,并以氯化钴作催化剂,消除清水中的溶解氧,化学反应式如下:由上式可知,1 kg 的氧气可以与8 kg 的亚硫酸钠相结合,从而导致水中溶解氧浓度的下降甚至消除。
曝气充氧测定过程中,在开启曝气系统之前,水中的溶解氧必须去除干净。
开启曝气系统后,水溶液通过吸收空气中的氧分子,氧的浓度会迅速的上升到饱和状态。
在此过程中,通常采用CoCl2·6H2O 作为催化剂,以加速亚硫酸钠的氧化,其催化剂投加量以Co2+浓度0.3~0.5 mg/L 计。
因为化学消氧法实验方法比较简单,故其成为曝气设备充氧能力测试的主要方法得到广泛应用。
但测试过程中要保证测试水溶液中盐浓度(TDS)≤2000 mg/L 电导率(CND)≤3000 μS/cm。
本实验采用该方法检测曝气设备充氧性能。
(2)氮气吹脱法水处理曝气设备性能检测方法气体溶解于液体的过程称为吸附,而溶解气体从液体中解析出来的过程称为解吸附。
若物质的吸附速率与解吸附速率相等,即达到吸附与解吸附现象的动平衡临界状态。
在此状态下,液体中的气体分子浓度保持不变,但气相或液相中任一气体分子浓度发生改变时,其将打破原平衡进而产生气-液相间的传质现象。
氮气吹脱法就是向水中通入N2,人为地降低气相氧分子浓度,使氧分子穿过气液相界面向气相转移,从而实现溶解氧在水中发生逆向传质现象而脱除水中溶解氧,达到曝气充氧测试反应初始的零溶解氧状态条件。
在开启曝气系统之前,水中的溶解氧必须去除干净。