悬挑式脚手架验收表
- 格式:docx
- 大小:18.91 KB
- 文档页数:2
悬挑式脚手架验收表一、项目基本信息项目名称项目地点负责单位施工单位监理单位二、验收依据•《建筑施工安全规范》GB5-1988•《悬挑式脚手架》GB/T11781-2000•《建筑施工安全技术规程》JGJT328-2019三、验收人员•验收人员:__________•监理人员:__________•施工单位代表:__________四、验收时间•验收时间:__________五、验收内容1. 脚手架搭设是否符合要求检查项目是否符合要求悬挑式脚手架的基础是否牢固,承重能力是否合格是 / 否悬挑式脚手架钢管规格、钢板尺寸和悬挑长度是否符合是 / 否求要求脚手架搭设是否标准,悬挂件和吊卡是否牢固可靠是 / 否端头扣件、悬挂点板卡等是否完好无损是 / 否是 / 否悬挂脚手架的受力梁材料尺寸、截面形状和间距是否满足要求悬挂脚手架是否符合规定的悬挂标高要求是 / 否悬挂脚手架单一个体的安全系数是否符合标准是 / 否2. 脚手架表面及周边是否存在安全隐患检查项目是否存在安全隐患脚手架周边是否有障碍物是 / 否脚手架表面是否有松动、破损、锈蚀等现象是 / 否脚手架是否有倾斜、下沉、断开等现象是 / 否脚手架是否有渗漏、漏水等现象是 / 否3. 人员安全防护措施是否符合要求检查项目是否符合要求工人是否佩戴安全帽、安全带等防护用品是 / 否是 / 否工人是否在脚手架内用电及挂置设备安装情况是否符合要求求职业健康检查结果是否符合要求是 / 否4. 使用人员是否经过培训及持证上岗检查项目是否符合要求其他操作人员是否进行了安全作业培训是 / 否其他操作人员是否持有相应的操作证是 / 否六、验收结果验收结论验收意见合格不合格七、不合格项处理意见不合格项目处理措施责任单位处理期限八、验收人员签字验收人员签字:__________监理人员签字:__________施工单位代表签字:__________。
悬挑式脚手架验收表脚手架安全三层防护是什么意思?脚手架工程一脚手架方案选择1、选择原则(1)工期的要求及施工组织安排情况;(2)工程的结构形式及高度情况;(3)架体的结构选型,力求做到结构要安全可靠,造价经济合理;(4)在规定的条件下和规定的使用期限内,能够充分满足预期的安全性和耐久性;(5)选用材料时,力求做到常见通用、可周转利用,便于保养维修;(6)结构选型时,力求做到受力明确,构造措施到位,升降搭拆方便,便于检查验收;(7)综合以上几点,脚手架的搭设,还必须符合《建筑施工安全检查标准》要求,要符合省文明标化工地的有关标准。
2、架体的选择根据以上原则,同时结合本工程的实际情况,综合考虑了以往的施工经验,决定采用以下脚手架方案:13#、16#、17#楼及商业5#楼、部分地下车库为框架剪力墙高层结构,考虑周材的周转、场地条件以及施工部署的要求,在一层至二层采用双排落地式钢管脚手架,搭设高度9m。
三层至十层、十一层至建筑顶部采用型钢悬挑双排钢管脚手架分段搭设。
3、脚手架材料选择(1)钢管采用48mm×3.5mm焊接钢管,钢材强度等级Q235-A,钢管表面应平直光滑,不应有裂纹、分层、压痕、划道和硬弯,新用的钢管要有出厂合格证。
脚手架施工前必须将入场钢管取样,送有相关国家资质的试验单位,进行钢管抗弯、抗拉等力学试验,试验结果满足设计要求后,方可在施工中使用。
(2)脚手架的搭设使用可锻铸造扣件,应符合建设部《钢管脚手扣件标准》JGJ22-85的要求,由有扣件生产许可证的生产厂家提供,不得有裂纹、气孔、缩松、砂眼等锻造缺陷,扣件的规格应与钢管相匹配,贴和面应干整,活动部位灵活,夹紧钢管时开口处最小距离不小于5mm。
钢管螺栓拧紧力矩达70N.m时不得破坏。
如使用旧扣件时,扣件必须取样送有相关国家资质的试验单位,进行扣件抗滑力等试验,试验结果满足设计要求后方可在施工中使用。
(3)搭设架子前应进行保养,除锈并统一涂色,颜色力求环境美观。
悬挑脚手架验收记录表(DOC 44页)部门: xxx时间: xxx整理范文,仅供参考,可下载自行编辑悬挑脚手架验收记录表年月日附件:1西安铁路枢纽西安站改扩建工程迁建机务段、车辆段及客整所剩余工程XZGS-1标段单身宿舍综合楼外架工程专项施工方案编制:日期:复核:日期:审批:日期:中铁二十局集团有限公司西安站改工程项目经理部二〇一六年一月目录一、工程概况及编制依据 (6)(一)工程概况 (6)(二)编制依据 (6)二、外脚手架搭设方案 (7)(一)双排扣件式落地钢管脚手架 (7)(二)外挑脚手架 (7)三、组织机构和主要周转料具计划 (9)(一)组织机构 (9)(二)主要周转料具需用计划 (9)四、脚手架工程施工要点 (9)(一)脚手架材质要求 (9)(二)搭设构造措施 (10)(三)、地基处理 (17)(四)脚手架的检查与验收 (17)五、悬挑式扣件钢管脚手架计算书 (18)六、落地脚手架计算 (30)七、安全管理工作 (38)一、工程概况及编制依据第一节(一)工程概况本工程为西安铁路枢纽西安站改扩建工程迁建西安机务段单身宿舍楼工程,建设地点在西安市火车东站内。
本工程结构形式为框架剪力墙结构,建筑结构安全等级为二级,建筑抗震设防类别为丙类,框架的抗震等级为二级,地基基础的设计等级为丙类,结构设计使用年限为50年;建筑耐火等级为二级。
本建筑为主楼主体16层,局部16层,附楼主体2层11.1m,局部3层14.4m,室内地面标高±0.000m相对于绝对高程409.1m,室内外高差450mm。
总建筑面积为23124平方米。
地上16层,建筑总高度为62.4m。
第二节(二)编制依据1. 西安铁路枢纽西安站改扩建工程迁建西安机务段工程施工图纸及设计文件;2.《建筑施工扣件式钢管脚手架安全技术规范》(JGJ130-2011);3.《建筑施工模板安全技术规范》(JGJ162-2008);4.《建筑结构荷载规范》(GB50009-2012);5.《混凝土结构设计规范》(GB50010-2010);6.《建筑施工高空作业安全技术规程》(JGJ80-2011);7.《建筑施工手册》第五版;8.《建筑施工计算手册》江正荣著。
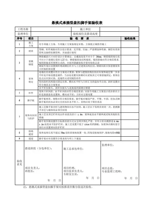
悬挑式脚手架搭设验收表
工程名称架体名称悬挑式脚手架搭设高度验收日期
序号验收项目验收标准结果
1 施工方案科学、合理、可行,针对性强,方案审批手续齐全,绘连墙件设置、悬挑梁安装施工图
2 悬挑梁悬挑梁用不小于12号型钢,材质符合要求,悬挑梁与结构应采用刚性框架和刚性节点连接
3 悬挑梁锚固达到设计抗拉强度,预埋尺寸正确
4 立杆、横杆立杆插入悬挑梁上焊接的短钢管内,并搭设扫地杆,纵向间距符合要求,立杆垂直偏差不大于架高1/300,大小横杆杆直、挠度符合规范标准
5 材质钢管符合48×3~3.5mm标准要求,扣件有产品合格证,定期测试报告
6 剪刀撑沿脚手架高度同步、连续设置,水平夹角为45o~60o,并与其它杆件交接处扣牢,搭接长度有效距大于1m,使用二只以上旋转扣件
7 连墙件采用刚性拉结、拉杆具有抗拉强度、拉结点有设计计算书、结点详图,结点处建筑物强度符合规范要求
8 脚手板挑板铺设无探头板,绑扎牢固,竹笆片铺设严密,绑扎稳定,底笆应满铺,首层与结构之间防护严密
9 架体防护架体外侧设置1.2m栏杆,踢脚杆和0.18米踢脚板,挂标准密目网封闭,架底与建筑物严密封闭
10 荷载荷载符合设计要求,架体上材料堆放均匀,无集中应力
验收结论
搭设负责人:安全负责人:
年月日
注:1.验收栏目内有数据的,必须在验收栏内填写实测的数据,无数据用文字说明。
2.此验收表只能用作一次使用,分阶段验收合格后挂牌,每次验收合格后挂一次牌。
验收合格牌有编号,并注明验收日期。
3.脚手架在使用过程中,必须要定期的检查、维修。
悬挑式脚手架验收记录表工程名称:宝山区大场镇锦秋路配套商品房项目单位名称:上海名华工程建筑有限公司安3-6-序号验收项目搭设要求结果1 施工方案搭设方案审批手续齐全,并绘制施工图,多层悬挑设计计算内容齐全、准确,焊接部分应有验收资料有经审批的方案焊接有验收资料2 悬挑梁及悬挑架悬挑梁、悬挑架与结构连接牢固,悬挑架应采用刚性框架和刚性节点悬挑架采用φ20工字钢框架与结构连接牢固,工字钢尾部设置2道U型环箍保护,环箍上不少于2颗螺帽3 架体稳定梁上应焊短管作底座,立杆插入固定,并绑扫地杆╱4 脚手板、防护栏杆底笆应铺满,首层与结构之间隔离严密、栏杆高度1.2M,密目网、操作层以下层踢脚板齐全╱5 杆件间距立杆间距按1.5M布置,(单层1.5-1.8M),立杆垂直偏差全长1/100H,接长交叉进行╱6 层间防护作业层下设置隔离措施(四步一隔离)╱7 脚手架材质钢管、外径φ48MM,壁厚不少于3.5MM,无严重锈蚀、裂纹变形╱8 扣件扣件要有生产许可证、扣件检测资料、紧固力矩45-50N.M ╱9 大小横杆搭设要做到横平坚直、大横杆固定间距≯3M、挠度≯杆长1/150╱10 剪刀撑每组剪刀撑跨越立杆数为5-7根(>6M),夹角45°-60°,杆件接长不应在同一平面╱验收情况:验收人员:1、验收栏目内有数据的,必须在验收栏内填写实测的数据,无数据用文字说明。
2、此验收表中能作一次使用,分阶段验收合格后挂牌,每次验收合格后挂一次牌。
验收合格牌必须有编号,并注明验收日期。
3、脚手架在使用过程中,必须要定有定期的检查,保养制度。
悬挑架总高度验收日期监理负责人专业单位技术负责人验收时高度合格牌编号搭设班组负责人总包单位技术负责人悬挑式脚手架验收记录表工程名称:宝山区大场镇锦秋路配套商品房项目单位名称:上海名华工程建筑有限公司安3-6-9序号验收项目搭设要求结果1 施工方案搭设方案审批手续齐全,并绘制施工图,多层悬挑设计计算内容齐全、准确,焊接部分应有验收资料施工方案齐全、手续完备,设计、计算书符合规定,计算准确。
悬挑式脚手架联合验收记录表
施工单位中建三局一公司工程名称冠亚·国际星城三期
验收时间验收部位
序
检查项目检查标准检查结果号
1、方案按规定审核、审批,超过规定允许高度经专
施工家论证;
一
2、脚手架搭设与方案是否一致
方案
3、有专项安全技术交底
1、预埋环位置准确,锚固环是否按规范设置三道
2、悬挑梁规格、尺寸符合要求,固定、安装牢固
悬挑
二3、悬挑梁固定端长度是否符合倍
钢梁
4、斜拉钢丝绳规格、紧固程度、上层挂点是否符合
要求
1、立杆底部是否与钢梁连接柱固定
架体
2、剪刀撑应沿架体高度连续设置,角度符合要求
三
稳定
3、连墙件是否按照方案要求设置
1、扫地杆是否符合要求
架体2、立杆间距、步距设置是否符合要求
四
搭设3、小横杆设置是否符合要求
4、钢筋网片全数铺设并绑扎牢固
1、底部封闭是否牢固、可靠
架体
2、安全网是否挂设严密
五
防护
3、水平网是否按要求挂设
1、架体上垃圾是否清理
六荷载
2、封闭层垃圾是否清理
使用单位验收意见:
负责人:
验收结论监理单位验收意见:
负责人:。
XXXXXX检查验收记录汇总表序号验收项目名称验收时间验收部位备注12填写说明:此表为汇总表,便于资料员自查资料是否及时更新和便于其他单位检查,应放于封面后第一页。
悬挑式脚手架验收表工程名称与施工许可证一致施工单位有限公司项目负责人报建项目经理专业承包单位/ 项目负责人/施工执行标准及编号建筑施工扣件式钢管脚手架安全技术规范JGJ130-2011验收部位:第一次悬挑1-3步搭设高度: 5.4 m 材质型号\序号检查项目检查内容与要求验收结果一资料部分架子工持省级以上建设主管部门颁发的特种作业人员操作资格证书已持证上岗脚手架搭设前必须编制专项方案,搭设高度20m及以上须有专家论证报告,审批手续完备已编制专项方案脚手架分段搭设分段验收,资料齐全资料齐全有安全操作规程及安全技术交底记录交底资料齐全悬挑梁安装符合设计要求符合设计要求立杆底部牢固,立杆垂直偏差满足规范要求,立杆纵横向间距满足专项方案要求底部牢固,垂直度在规定范围内架体与建筑结构连接,垂直不大于二步,水平不大于三跨两步三跨剪剪刀撑必须符合设计要求,夹角为45º~60º,搭设长度不少于1m,扣件距钢管端部大于10㎝,等距离设置三个旋转扣件固定符合要求三安全防护施工层外侧设置1.2m高防护栏杆和18㎝高的挡脚板已设置架体外侧用密目式安全网严密封闭,架体搭设应超过作业层1.5m 1.8m脚手板满铺、牢固,不得有探头板采用钢板网片作业层下用安全平网严密防护,施工层以下每隔10m以内封闭一次已用兜网封闭四荷载脚手架荷载不得超过设计规定未超过设计规定五其他验收结论:年月日技术负责人安全员栋号长搭设负责人监理单位意见:总/专业监理工程师(签字盖章):日期:年月日填写说明;此表用于悬挑脚手架验收,必须按三步一验收(1.8X3=5.4米),收集时按栋号验收。
监理单位必须签字盖章后面附现场检查验收时的影像资料。