水平控制网专业技术标准设计
- 格式:ppt
- 大小:2.06 MB
- 文档页数:78
网络设备配置与管理课程标准课程代码:59012920 课程性质:必修课课程类型:B类一、课程性质该课程是物联网专业的专业核心课程,主要面向网络工程设计和网络管理岗位,培养学生网络设备的配置能力和管理能力,是对前导课程的综合应用,为后续拓展课程的学习打下良好的基础二、课程目标总体目标:培养物联网应用技术专业相应职业岗位的职业能力;培养学生可持续发展能力。
1.能力目标1) 能熟练完成路由器的基本配置;能使用静态路由协议配置网络;能使用主要动态路由协议(RIP/OSPF等)配置网络;能合理选择路由器和适当的路由协议实现网间互联。
2) 能熟练完成交换机(二层和三层交换机)的基本配置;能划分和配置交换机VLAN;能配置VLAN间路由;能使用生成树协议(STP)配置交换机;能合理选择交换机配置交换式以太网络。
3) 能配置广域网协议(PPP/Frame Relay等)。
4) 能熟练编写访问控制列表(ACL),能应用ACL技术来控制网络安全;能够使用常用的网络安全技术(Firewall/NAT/VPN等)进行网络安全规划和配置。
5) 能运用网络可靠性技术保障网络可靠运行。
6) 具备网络管理、维护的基本能力。
2.知识目标1) 掌握路由器的工作原理、主要功能,了解路由协议的基本概念。
2) 掌握交换机的工作原理、主要功能,了解交换式以太网技术,包括端口技术、VLAN技术和STP技术。
3) 掌握常用广域网协议,掌握各种远程接入技术。
4) 掌握网络安全基本技术;掌握访问控制列表(ACL)技术并熟练应用ACL 来控制网络安全。
5) 掌握网络可靠性基本技术。
3.素质目标1) 培养学生团队协作精神,树立诚信意识,锻炼学生沟通交流的能力;2) 通过项目法教学模式,让学生亲身体验项目的设计、管理和实施;3) 通过撰写方案设计报告,提高学生书面表达能力,培养学习常用专业英语词汇的兴趣;4) 通过课外拓展训练,锻炼学生自我学习的能力。
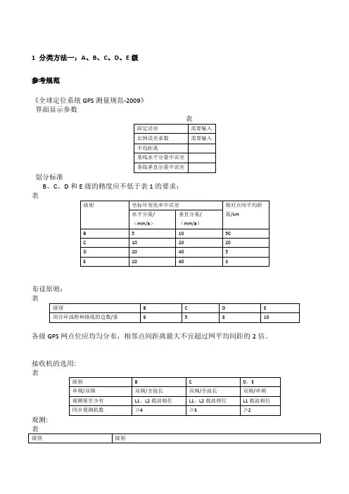
1 分类方法一:A、B、C、D、E级1.1参考规范《全球定位系统GPS测量规范-2009》1.2 界面显示参数1.3 划分标准B、C、D和E级的精度应不低于表1的要求:表1.2布设原则:表1.3各级GPS网点位应均匀分布,相邻点间距离最大不宜超过网平均间距的2倍。
接收机的选用:表1.4级别 B C D、E单频/双频双频/全波长双频/全波长双频/单频观测量至少有L1、L2载波相位L1、L2载波相位L1载波相位同步观测机数≥4 ≥3 ≥2观测:表1.5级别级别B C D E卫星截止高度角/度10 15 15 15同时观测有效卫星数≥4 ≥4 ≥4 ≥4有效观测卫星总数≥20 ≥6 ≥4 ≥4 观测时段数≥3 ≥2 ≥1.6 ≥1.6时段长度≥23h ≥4h ≥60min ≥40min采样间隔30 10-30 5-15 5-15注1:计算有效观测卫星总数时,应该各时段的有效观测卫星扣除期间的重复卫星数注2:观测时段长度,应为开始纪律数据到结束记录的时间段注3:观测时段≥1.6,指采用网观测模式时,每站至少观测一时段,其中二次设站点数应不少于GPS网总点数的60%注4:采用基于卫星定位连续运行基准站点观测模式时,可连续观测,但观测时间应不低于表中规定的各时段观测时间的和数据处理(1)外业数据检核1)B级GPS网基线外业预处理和C、D、E级GPS网基线处理,复测基线的长度较差ds应满足公式1.1的规定:ds≦2σ (1.1)σ---为基线测量中误差,单位为毫米2)B、C、D、E级GPS网基线测量中误差σ采用外业测量时使用的GPS接收机的标称精度,计算时变长按实际平均边长计算。
3)B、C、D、E级GPS网同步环闭合差,不宜超过以下规定:三边同步环中只有两个同步边成果可以视为独立的成果,第三边成果应为其余两边的代数和。
由于模型误差和处理软件的内在缺陷,第三边处理结果与前两边的代数和常不为零,其差值应符合公式1.2≦≦≦(1.2)式中:σ----基线测量中误差,单位为毫米,计算按12.2.5规定执行。
在GPS观测技术出现之前,一般平面控制网都是采用三角网、导线网等形式进行观测。
90年代我国引入了GPS观测技术,由于其精度高且控制点间不需通视的优点,很快就成为平面控制网的主要观测手段。
现在除美国的GPS以外,还有俄罗斯的格洛纳斯(GLONASS),欧盟的伽利略(Galileo)和中国的北斗(BD)等全球卫星导航系统,都可以为我们提供全球高精度的导航定位服务。
全球卫星导航系统简称GNSS,原来的GPS接收机发展到现在基本上都能同时接收GPS、GLONASS、Galileo、BD等卫星信号,所以现在在称为GPS接收机已经不太准确,一般称为GNSS接收机,原来的GPS观测技术也扩展为GNSS观测技术,采用GNSS技术进行观测的平面控制网则称为GNSS控制网。
本文就GNSS控制网的观测和平差进行介绍。
一、GNSS控制网的设计GNSS控制网设计最重要的是确定控制网的等级。
GNSS测量规范比较多,有国家标准也有行业标准。
由于不同的规范对等级的规定不一致,比如《全球定位系统(GPS)测量规范》中规定的等级为B、C、D、E(A级为连续运行参考站网),《全球定位系统(GPS)铁路测量规程》也是B、C、D、E四级,《卫星定位城市测量技术规范》、《城市测量规范》和《工程测量规范》中规定的精度级别为二等、三等、四等、一级、二级,《公路全球定位系统(GPS)测量规范》中规定的等级为一级、二级、三级、四级。
所以要确定GNSS控制网的等级,首先要确定采用的技术依据,也就是用哪个规范。
这个就要根据实际的需求来进行确定,如果实在不确定采用哪个规范,可以直接采用国家标准《全球定位系统(GPS)测量规范》。
图1 《全球定位系统(GPS)测量规范》中的精度等级规定图2 《工程测量规范》中的精度等级规定根据采用的规范确定好GNSS控制网的等级后,就可以根据规范的相关规定进行具体的技术设计。
主要有坐标系统的确定,起算点的选择,控制点点位及布网概略设计,采用的GNSS接收机与数据处理软件及平差软件,控制网观测、数据处理及平差技术要求及上交成果资料等内容。
幕墙工程施工测量专项方案一、概述幕墙是现代建筑中常见的围护结构,其施工质量直接影响到建筑的安全、美观和使用功能。
为了确保幕墙工程的施工质量,施工测量工作至关重要。
本方案旨在明确幕墙工程施工测量的各项要求和方法,确保测量工作的准确性和可靠性。
二、测量依据1. 设计图纸及技术文件:包括幕墙设计图纸、施工方案、技术要求等。
2. 施工规范和标准:国家和行业相关幕墙工程施工规范、标准及验收规范。
3. 测量仪器设备:水准仪、经纬仪、全站仪、激光测距仪等。
4. 基准资料:包括场地坐标、高程、相邻建筑物位置、地形地貌等。
三、测量工作内容1. 施工控制网建立:根据设计图纸和现场条件,建立合理的施工控制网,确保控制网的精度和可靠性。
2. 幕墙定位测量:依据设计图纸,进行幕墙立柱、横梁等主要构件的定位测量,确保幕墙整体位置准确。
3. 幕墙垂直度测量:测量幕墙立柱、横梁等构件的垂直度,保证幕墙整体的垂直度要求。
4. 幕墙水平度测量:测量幕墙立柱、横梁等构件的水平度,确保幕墙整体水平度符合设计要求。
5. 幕墙幕墙间距测量:测量幕墙立柱、横梁等构件之间的间距,保证幕墙整体间距准确。
6. 幕墙连接节点测量:测量幕墙立柱、横梁等构件的连接节点位置,确保连接节点符合设计要求。
四、测量方法及步骤1. 施工控制网建立:根据设计图纸和现场条件,采用坐标法或角度法建立施工控制网,控制网应满足精度要求。
2. 幕墙定位测量:依据设计图纸,采用全站仪或激光测距仪进行幕墙立柱、横梁等主要构件的定位测量,测量结果应符合设计要求。
3. 幕墙垂直度测量:采用经纬仪或全站仪进行幕墙立柱、横梁等构件的垂直度测量,测量结果应符合设计要求。
4. 幕墙水平度测量:采用水准仪或全站仪进行幕墙立柱、横梁等构件的水平度测量,测量结果应符合设计要求。
5. 幕墙间距测量:采用激光测距仪或卷尺进行幕墙立柱、横梁等构件之间的间距测量,测量结果应符合设计要求。
6. 幕墙连接节点测量:采用尺子或卷尺进行幕墙立柱、横梁等构件的连接节点位置测量,测量结果应符合设计要求。
《内部控制与制度设计》课程标准一、课程定位《内部控制与制度设计》是财会类专业针对财会岗位(群)职业能力培养设置的理实一体化专业课程,是财务管理专业的专业核心课程。
本课程培养对象是财会类专业大三学生,即已经掌握会计核算、成本核算与管理、会计信息化、财务管理等基本理论与实务,熟悉企业管理基本知识和基本生产经营管理过程等相关知识的学生。
课程教学采取项目引导、任务驱动的方式进行,分为知识储备、知识转化和能力展示三个教学基本环节;通过项目与相关案例的引导,把所需要的基本知识和如何将知识转化为能力作为学习任务,并将知识学习、知识转化、能力训练与能力展示紧密结合起来,融教、学、做一体。
本课程是财会专业职业岗位中主管会计及以上层级的学习领域,目的是为学生毕业后能够按照财会职业成长的一般要求,顺利实现自身发展目标奠定基础。
通过本课程的学习,使学生了解内部控制的基本理论、明确内部控制的关键点、熟悉内部控制流程、掌握内部控制制度的设计依据、步骤和方法。
课程所培养的专业能力、社会适应能力和自我发展能力是学生进行毕业模拟设计的基本能力。
二、课程目标通过对《内部控制与制度设计》课程的学习,使学生初步具备以下专业能力、社会适应能力和自我发展能力。
1.专业能力(1)具备从事中小企业内部控制制度设计工作最基本的理论知识;(2)具有内部控制分析与判断能力;(3)能独立完成进行内部控制制度设计的相关调查、资料收集、资料整理与分析和制度设计工作;(4)具有严格执行《企业内部控制基本规范》和《企业内部控制应用指引》等相关法律法规的工作态度。
2.社会适应能力(1)具有较强的语言表达、职业沟通和协调能力;(2)具有团队合作与协作精神,有较强的全局意识、关键意识和责任意识;(3)具有良好的职业道德与法律意识,社会责任感强。
3.自我发展能力(1)能自主学习内部控制新知识、新技术等,具有终生学习的能力;(2)能通过各种学习资源查找所需信息,有独立开展社会调查的能力;(3)能够在了解企业生产经营管理方式、熟悉经济业务活动、掌握会计核算和财务管理要求的基础上,拟订内部控制制度设计方案,进行制度设计。
第一章1、控制测量的根本任务是测定控制点的位置在一定的区域范围内通过建立水平控制网和高程控制网,精确地测定地面控制点的位置,即平面坐标(x,y)和高程(H)2、建立控制网的基本方法(分平面和高程两方面)平面控制网:导线测量、三角测量、三边测量和边角测量、卫星定位测量高程控制网:几何水准测量法、三角测量法、光电测距高程导线高程测量法、GPS高程测量法3、控制网的布设原则(1)分级布网、逐级控制(2)应用足够的精度(3)应用足够的密度(4)应用统一的技术规格4、控制测量的工作流程1、任务书2、编写技术设计书3、完成控制测量的内外业4、编写技术总结5、质量检查验收第二章5、控制测量技术设计书应包含的内容1、任务概述2、测区自然地理概况3、已有资料的分析、评价和利用4、设计方案(1)控制测量外业(2)控制测量计算(3)新技术新方法的采用5、建议和措施6、附图、附表(1)技术设计图(2)综合工作量表(3)工天利用表(4)主要物资器材表(5)预计上交产品和资料表等6、控制测量常用的坐标系:地心坐标系、参心坐标系、大地坐标系、空间直角坐标系、高斯平面直角坐标系、工程坐标系第四章7、导线测量实地选点工作结束后应提交的资料1、选点图。
选点图的比例尺视测区而定。
图上应注明点名和点号。
并绘出交通干线、主要河流和居民地点等。
2、控制点位置说明。
填写点的位置说明,是为了日后寻找点位方便,同时也方便其他单位使用控制点资料,了解埋设标石情况。
3、文字说明。
内容包括:任务说明,测区概况,已有测量成果及精度情况,设计的技术依据,旧点的利用情况,最长和最短边长、平均边长及最小角的情况,精度估算的结果、对埋石和观测工作的建议等。
8、全圆方向法一测回的观测流程、记录与计算、限差1、一测回的观测流程:①安置仪器后,进行盘左观测。
将仪器照准零方向,按观测度盘表配置水平度盘和测微器。
②顺时针旋转照准部1~2周后精确照准零方向,进行水平读盘和测微器读数(重合对径分划线两次)。
工程测量技术专业人才培养方案根据《教育部关于提高高等职业教育教学质量的若干意见》(教高[2006]16号)文件精神,为了进一步深化教学改革,提高教学质量,在专业指导委员会指导下,结合实际,对现行工程测量技术专业人才培养方案进行修订。
一、修订依据(一)对现行方案进行修订是适应人才市场的需要近年来,我国工程测量行业发展迅速,产业规模不断扩大、科学技术水平大幅提高,对本专业毕业生的知识与技能结构也提出了新的要求。
经过对部分用人单位和人才市场的实地考察,听取用人单位和往届毕业生的意见,专业指导委员会认为,原人才培养方案对人才的定位与市场对人才培养的需要有一定距离,必须进行针对性的修订。
(二)现行方案存在的问题1.高职教育的特色不突出。
现行的人才培养方案始定于2004年,制订时主要参照了专科院校相同专业的人才培养方案,培养目标中高职特色不突出,产学结合特色不突出。
2.实践教学的地位不突出。
现行人才培养方案侧重学生对知识的全面掌握,课程设置广而全,实践教学占总学时的比例不足40%,学生动手能力培养未得到足够的重视。
(三)修订思路针对原方案的不足,专业指导委员会拟定了如下修订思路:1.培养目标更符合高职教育的定位。
高职教育要以就业为导向确定培养目标,新方案将培养目标定位为:培养德、智、体、美全面发展,面向工程测量行业生产、建设、管理、服务第一线需要,熟悉工程测量必需的理论知识和专业知识,掌握工程测量职业技能,具有良好的计算机应用能力、较强的实践动手能力、较高的综合素质的高技能人才。
2.构建合理的课程体系和教学内容体系。
新方案以适应社会需要为目标、以培养技术应用能力为主线设计学生的知识、能力、素质结构,以“应用”为主旨和特征构建课程和教学内容体系。
(1)加大实践教学比例,提高学生动手能力和实践技能。
新方案中实践教学占总学时比例已超过50%,较好地体现了“理论够用,实践为主”的育人思想。
(2)改革课程体系。
新方案以地面应用测量为主线,围绕主线开设测量技术、控制测量、测量平差、数字地籍测量、GPS测量和工程测量等课程,另外增加若选修课,以拓宽学生的知识面,适应个性发展的需要。
一、设计依据、内容及范围 ----------------------------- 1-(一)设计依据--------------------------------------- 1—(二)主要设计内容---------------------------------- 1 -(三)设计范围------------------------ 错误!未定义书签。
二、无昨轨道CPIII控制网测量的时机 ____________________ - 1 -三、cpm控制网测量_____________________________________ 1 -(一)CP n控制网平面测量____________________________ 1 -(二)CPIII控制网平面测量____________________________ 3 -(三)CPIII控制网平面数据处理_______________________ 9 -(四)CPIII控制网高程测量____________________________ 9 -四、CPI测量标志详图设计说明--------------------------- 11 -(一)路基地段______________________________________ - 11 -(二)隧道地段______________________________________ 13 -(三)桥梁地段-------------------------------------- 14 -五、CPI网的维护______________________________________ 15 -一、设计依据、内容及范围(一)设计依据1、《客运专线无砟轨道铁路工程测量暂行规定》铁建设[2006]189 号。
2、《精密工程测量规范》GB/T15314-94。
3、《无碴轨道工程的技术要求纲要(第4修订版)》DB-RO 03/20024、旭普林公司无砟轨道CPIII测量施工培训手册。
第二章水平控制网的技术设计内容摘要:本章介绍了国家水平控制网的布设原则和方案;工程水平控制网的布设原则和方案;水平控制网技术设计时的精度估算(含三角网、锁的精度估算和导线网的精度估算。
由于三角网基本不再使用,三角网、锁的精度估算不再作为教学要求的内容—-打星号;)工程水平控制网优化设计的概念;工程水平控制网技术设计书的编制;水平控制点的实地选点、造标埋石。
目的是解决如何根据工程建设要求,结合测区实际情况,将水平控制点的位置在实地选定并标志出来。
§2.1 国家水平控制网的布设原则和方案2.1.1 布设原则我国幅员辽阔,在大部分领域(约9 600 OOOkm2)上布设国家天文大地网,是一项规模巨大的工程。
为完成这一基本工程建设,在建国初期国民经济相当困难的情况下,国家专门抽调了一批人力、物力、财力,从1951年即开始野外工作,一直延续到1971年才基本结束。
面对如此艰巨的任务,显然事先必须全面规划、统筹安排,制定一些基本原则,用以指导建网工作。
这些原则是:分级布网,逐级控制;应有足够的精度;应有足够的密度;应有统一的规格。
现进一步论述如下。
1.分级布网、逐级控制由于我国领土辽阔,地形复杂,不可能用最高精度和较大密度的控制网一次布满全国。
为了适时地保障国家经济建设和国防建设用图的需要,根据主次缓急而采用分级布网、逐级控制的原则是十分必要的。
即先以精度高而稀疏的一等三角锁尽可能沿经纬线方向纵横交叉地迅速布满全国,形成统一的骨干大地控制网,然后在一等锁环内逐级(或同时)布设二、三、四等控制网。
2.应有足够的精度控制网的精度应根据需要和可能来确定。
作为国家大地控制网骨干的一等控制网,应力求精度更高些才有利于为科学研究提供可靠的资料。
为了保证国家控制网的精度,必须对起算数据和观测元素的精度、网中图形角度的大小等,提出适当的要求和规定。
这些要求和规定均列于《国家三角测量和精密导线测量规范》(以下简称国家规范)中。
监控网络设计方案概述:科技的进步和技术的运用的一个主要目的就是为了扩展或延伸人类自身的能力。
眼观八路、耳听四方、放眼千里、过目不望,这一直是人们的梦想。
随着数字技术、计算机技术、通信技术、网络技术的发展和普及应用,人类对视听觉能力扩展的梦想已逐步变为现实。
视频监控系统就是人类实现这一梦想已逐步变为现实。
视频监控系统就是人类实现这一梦想的天梯。
随着嵌入式计算机技术的完善普及,基于TCP/IP协议的网络的广泛普及,高速宽带主干网的建成以及高速接入网的迅速发展,视频监控技术步入了一个更高的境界,即数字化、网络化、摸块化的视频系统。
图像监控一直是人们关注的应用技术热点之一,它以其直观、方便、信息内容丰富而被广泛应用于许多场合。
从摄像机、电视机出现的那天起,原始的图像监视系统就已诞生。
它被广泛应用于保安、生产管理等场合。
本地图象监控系统主要由摄象机、视频矩阵、监视器、录象机等组成,由视频线、控制线缆等连接。
本地图象监控系统一般采用模拟方式传输,采用视频电缆(少数采用光纤),传输距离不能太远,主要应用于小范围内的监控,如大楼监控、小区监控等。
监控图象一般只能在控制中心查看。
数字视频压缩编码技术的日益成熟,微机的普及化,为基于PC 的多媒体监控创造了条件。
多媒体监控系统是一般采用下面的结构:在远端监控现场,有若干个摄像机、各种检测、报警探头与数据设备,通过各自的传输线路,汇接到多媒体监控终端上,多媒体监控终端可以是一台PC机,也可以是专用的工业机箱组成多媒体监控终端。
除了处理各种信息和完成本地所要求的各种功能外,系统利用视频压缩卡和通信接口卡,通过通信网络,将这些信息传到一个或多个监控中心。
基于PC的多媒体监控系统功能较强,但稳定性不够好;功耗高;需要有人值守;同时,软件的开放性不好。
特别是难以支持远程图像监控。
随着技术的进步,现在出现了一种新型的网络化远程视频监控,即基于嵌入式技术的远程网络视频监控。
基于嵌入式技术的远程网络视频监控主要的原理是:网络摄像机内置一个嵌入式芯片,采用嵌入式实时操作系统。
gnss控制网策划书3篇篇一《GNSS 控制网策划书》一、引言GNSS(全球导航卫星系统)控制网在各类工程建设、地理测绘等领域具有重要的应用价值。
本策划书旨在全面规划和部署 GNSS 控制网的建设工作,确保其能够高效、准确地满足相关需求。
二、项目背景随着科技的不断发展,对高精度定位和测绘数据的需求日益增长。
GNSS 控制网凭借其全球覆盖、高精度等优势,成为实现精确测量和定位的重要手段。
三、目标与任务1. 目标建立高精度、可靠的 GNSS 控制网。
为后续的工程建设、地理测绘等提供准确的坐标基准。
2. 任务进行 GNSS 控制网的选点与布设。
选择合适的 GNSS 接收机和设备。
进行数据采集、处理与分析。
提交完整的 GNSS 控制网成果报告。
四、技术方案1. 选点原则点位应位于开阔、无遮挡的区域,避免信号干扰。
便于后续观测和维护。
2. 布设方式根据项目需求和区域特点,采用适当的布设形式,如三角网、导线网等。
3. GNSS 接收机选择考虑精度、可靠性、兼容性等因素,选择适合项目的接收机型号。
4. 数据采集与处理按照规范的操作流程进行数据采集。
采用专业的数据处理软件进行数据处理和精度分析。
五、实施计划1. 前期准备阶段([具体时间 1])收集相关资料,进行现场勘查。
确定选点方案和布设方案。
准备设备和工具。
2. 选点与埋石阶段([具体时间 2])按照选点原则进行点位选定和标记。
进行埋石工作,确保点位稳固。
3. 设备安装与调试阶段([具体时间 3])安装 GNSS 接收机和相关设备。
进行设备的调试和校准。
4. 数据采集阶段([具体时间 4])按照计划进行数据采集,确保数据的准确性和完整性。
5. 数据处理与分析阶段([具体时间 5])对采集的数据进行处理和分析,评估控制网的精度。
6. 成果报告编制阶段([具体时间 6])整理数据和资料,编制完整的 GNSS 控制网成果报告。
7. 验收与交付阶段([具体时间 7])组织验收,确保控制网符合相关标准和要求。
测量放线施工方案一、本工程施工测量的特点1.本工程地下室轴线众多,轴线投测精度要求高。
2.本工程对控制网精度要求高。
必须布设分级控制,才能保证整个工程点位的相对精度,同时确保各施工区域的准确衔接。
3.现场内施工机械与人员相对集中,控制网的建立与保护难度大。
二、施测准备1.人员组织根据本工程施工测量的工作量和工作难度,以及施工规范技术要求,进行人员组织安排,并对所有施测人员进行:专业技术交底、安全技术培训、环保培训等。
2.测量设备施工用测量仪器须严格按照有关规定、规程进行检定,不得有未检定或超过有效期、或检定不合格的计量器具在现场使用。
全站仪、经纬仪、水准仪、50m钢尺需经市级计量检定部门进行检定;对于测力计、盒尺、水平尺等普通计量器具应按照企业的相关规定进行自检。
工程开工前对所有仪器进行检测,向监理和建设单位提供全部测量仪器计量检定单位检定的合格证书,测量设备的管理执行ISO10012管理体系标准。
3.会审图纸、学习规范:组织测量人员会审图纸,了解建筑物总体布局,掌握结构特点及工艺流程,对重要点位的坐标,轴线尺寸,标高关系进行验核。
学习《工程测量规范》、《建筑变形测量规范》相关章节,掌握施测技术要求及限差要求。
4.现场勘查:交接桩位:与建设单位进行平面控制点和水准点的交接工作。
要求所有桩位必须现场确认,索取点之记和成果表,填写交接桩记录。
5.复核测量:对起始的平面控制桩和水准点进行复核测量,测量方法及精度与原等级测量的技术要求相同。
6.建立施工测量专用电子版图纸:依据设计图纸中的坐标和高程系统,用AutoCAD制作建筑物平面图和轴网图及主要节点剖面图,形成电子版图纸。
成图后点取主要点的坐标和高程进行手算验核,确保电子版图纸准确性,为整个施工过程测量工作提供可靠的点位坐标和高程。
三、控制测量要求1.平面控制测量:1.1按照由整体到局部先控制后细部逐级控制的原则,本工程拟布设三级控制网。
1.2布设平面控制网首先根据设计总平面图,现场施工平面布置图。