运行转热备用操作票格式
- 格式:doc
- 大小:41.50 KB
- 文档页数:1
电气工作票和操作票填写和使用规范培训目的学习电气运行“两票”、“三制”中的“两票”,即电气工作票、操作票的执行规定,工作步骤和流程,以杜绝各类违章和事故的发生。
主要内容包括:电气设备倒闸操作票的填写;电气设备倒闸操作票的使用;电气工作票的填写;电气工作票的使用;操作票、工作票管理规定。
第一章电气设备倒闸操作票的填写变电站倒闸操作票的填写变电站倒闸操作票分为手工填写和计箅机打印两种形式,两种形式的倒闸操作票均要使用变电站倒闸操作票标准格式。
手工填写的变电站倒闸操作票要用蓝色或黑色的钢笔或圆珠笔填写,填写字迹要工整、清楚。
计箅机打印的变电站倒闸操作票正文采用宋体、四号、黑色字,变电站倒闸操作票操作开始时间、操作结束时间、操作人、监护人、运行值班负责人、承上页X X号、接下页X X号等栏目均要手工填写,不能用计算机打印。
填写变电站倒闸操作票应使用正确的操作术语,设备名称编号应严格按照变电站现场设备标示牌双重名称填写。
使用计算机打印变电站倒闸操作票必须与变电站现场实际设备相符,不得直接使用变电站典型操作票作为现场实际操作票。
操作任务的填写要求操作票中对操作任务的要求:操作任务应根据调度指令的内容和专用术语进行填写,操作任务要填写被操作电气设备变电站名称,变电站名称要写全称,不能只写简称或代号。
操作任务的填写要简单明了,做到能从操作任务中看出操作对象、操作范围及操作要求。
操作任务应填写设备双重名称,即电气设备中文名称和编号。
每张操作票只能填写一个操作任务,“一个操作任务”是指根据同一操作命令为了相同的操作目的而进行的一系列相关联并依次进行的不间断倒闸操作过程。
一项连续操作任务不得拆分成若干单项任务而进行单项操作。
一个操作任务用多张操作票时,在首张及以后操作票的接下页X X号中填写下页操作票号码,在第二张及以后操作票的承上页X X号中填写上页操作票号码。
为了同一操作目的,根据调度指令进行中间有间断的操作,应分别填写操作票。
变电站(发电厂)操作票、工作票填写执行规则1总则1.1 为贯彻执行《电力安全工作规程》(变电站和发电厂电气部分、电力线路部分) (国家电网安监〔2005〕83号)(以下统称为《安规》),确保操作票和工作票填写执行的标准化、规范化和程序化,结合公司实际情况制定本规则。
1.2 凡在公司变电站(发电厂)、开闭所、配电室等电气设备上工作,都必须严格执行《安规》和本规则。
2变电站(发电厂)操作票2.1变电站(发电厂)操作票的填写2.1.1编号:由公司统一编号,在印刷时一并排印,使用单位应按照编号顺序依次使用。
微机辅助生成倒闸操作票,必须具备打印过号功能,编号应符合公司统一标准:2.1.1.1前两位为厂编号:01—橡胶厂;02—炼油厂;03—第二化肥厂;04—烯烃厂;05—塑料厂;06—氯碱厂;07—热电厂;08—储运厂;09—供排水厂;10—腈纶厂;11—动力管理中心;12—社区管理部;13—达州化肥厂。
2.1.1.2后五位各单位分别从00001开始排版印刷,下一年票号与本年票号连续。
2.1.2单位:指变配电站(开关站、配电室),按公司调度规程或厂命名的名称填写。
如:XX厂XX变电站、热电厂电站等。
2.1.3发令时间、操作开始时间和结束时间:2.1.3.1发令时间:值班调度员下达操作命令时间。
2.1.3.2操作开始时间:操作人员开始实施操作时间。
2.1.3.3操作结束时间:全部操作完毕并复查无误后的时间。
一个操作任务使用多页操作票时,首页填写发令时间和操作开始时间,末页填写操作结束时间。
2.1.4操作票上下页接号:2.1.4.1印刷票:一个操作任务使用多页操作票时,在首页和以后的右下角填写“接下页:XX号”,在次页和以后的各页右上角填写“承上页:XX号”。
2.1.4.2微机生成票:打印一份多页操作票时,在首张及以后各张的备注栏内右下角自动生成:接下页№××号;在第二张及以后操作任务栏右上角自动生成:承上页№××号。
变电站(发电厂)操作票、工作票填写执行规则1总则1.1 为贯彻执行《电力安全工作规程》(变电站和发电厂电气部分、电力线路部分) (国家电网安监〔2005〕83号)(以下统称为《安规》),确保操作票和工作票填写执行的标准化、规范化和程序化,结合公司实际情况制定本规则。
1.2 凡在公司变电站(发电厂)、开闭所、配电室等电气设备上工作,都必须严格执行《安规》和本规则。
2变电站(发电厂)操作票2.1变电站(发电厂)操作票的填写2.1.1编号:由公司统一编号,在印刷时一并排印,使用单位应按照编号顺序依次使用。
微机辅助生成倒闸操作票,必须具备打印过号功能,编号应符合公司统一标准:2.1.1.1前两位为厂编号:01—橡胶厂;02—炼油厂;03—第二化肥厂;04—烯烃厂;05—塑料厂;06—氯碱厂;07—热电厂;08—储运厂;09—供排水厂;10—腈纶厂;11—动力管理中心;12—社区管理部;13—达州化肥厂。
2.1.1.2后五位各单位分别从00001开始排版印刷,下一年票号与本年票号连续。
2.1.2单位:实用文档指变配电站(开关站、配电室),按公司调度规程或厂命名的名称填写。
如:XX 厂XX变电站、热电厂电站等。
2.1.3发令时间、操作开始时间和结束时间:2.1.3.1发令时间:值班调度员下达操作命令时间。
2.1.3.2操作开始时间:操作人员开始实施操作时间。
2.1.3.3操作结束时间:全部操作完毕并复查无误后的时间。
一个操作任务使用多页操作票时,首页填写发令时间和操作开始时间,末页填写操作结束时间。
2.1.4操作票上下页接号:2.1.4.1印刷票:一个操作任务使用多页操作票时,在首页和以后的右下角填写“接下页:XX号”,在次页和以后的各页右上角填写“承上页:XX号”。
2.1.4.2微机生成票:打印一份多页操作票时,在首张及以后各张的备注栏内右下角自动生成:接下页№××号;在第二张及以后操作任务栏右上角自动生成:承上页№××号。
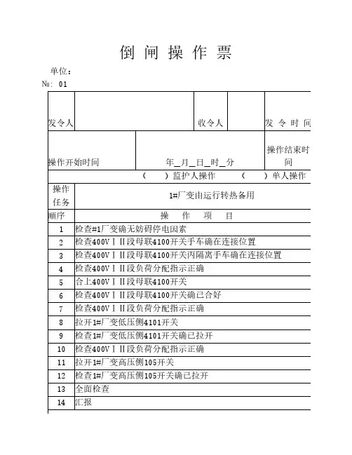
35kVxx变电站典型操作票二零一四年五月目录1.1号主变由运行转热备用2.1号主变由运行转冷备用3.1号主变由冷备用转检修4.1号主变由检修转冷备用.5.1号主变由冷备用转运行.6.1号主变501开关运行转冷备用7.1号主变501开关由冷备用转检修.8.1号主变501开关由检修转冷备用9.1号主变501开关由冷备用转运行10.1号站变由运行转冷备用11.1号站变由冷备用转检修12.1号站变由检修转冷备用13.1号主变由冷备用转运行14.35kV母线PT由运行转冷备用15.35kV母线PT由冷备用转检修16.35kV母线PT由检修转冷备用17.35kV母线PT由冷备用转运行18.35kV柏鹤线522开关由运行转冷备用19.35kV柏鹤线522开关由冷备用转检修20.35kV柏鹤线522开关由检修转冷备用21. 35kV柏鹤线522开关由冷备用转运行22. 35kV柏鹤线522线路由冷备用转检修23. 35kV柏鹤线522线路由检修转冷备用24 35kV剑柏线5111线路由运行转检修25. 35kV剑柏线5111线路由检修转运行26. 35kV母线由运行转冷备用27.35kV母线由冷备用转检修28.35kV母线由检修转冷备用29.35kV母线由冷备用转运行30. 10kV母线由运行转冷备用31.10kV母线由冷备用转检修32.10kV母线由检修转冷备用33.10kV母线由冷备用转运行34. 10kV母线PT由运行转冷备用错误!未定义书签。
35.10kV母线PT由冷备用转检修36.10kV母线PT由检修转冷备用37. 10kV母线PT由冷备用转运行38. 10kV2号站变由运行转冷备用39.10kV2号站变由冷备用转检修40.10kV2号站变由检修转冷备用41. 10kV2号站变由冷备用转运行42. 10kV柏田路912开关由运行转冷备用错误!未定义书签。
43. 10kV柏田路912开关由冷备用转检修44. 10kV柏田路912开关由检修转冷备用45. 10kV柏田路912开关由冷备用转运行46. 10kV柏田路912线路由冷备用转检修47. 10kV柏田路912线路由检修转冷备用错误!未定义书签。
301总变操作票范本一.#1变压器运行转检修操作步骤(就地操作)1. 检查总变110KV的I、II段母联1100断路器确在运行状态;2. 检查#1、#2主变压器负荷,确认#2主变压器可带35KV的I、II段全部负荷;3. 检查#1、#2主变压器110KV母线隔离开关11011、11022均在合位,11012、11021均在分位;4. 检查总变35KV的I、II段母联3500A断路器确在热备用状态;5. 合上35KV的I、II段母联3500A断路器;6. 检查35KV的I、II段母联3500A断路器已在合位;7 .检查#1、#2主变压器负荷电流,确认已发生转移变化;8. 拉开#1主变压器35KV侧3501断路器;9. 检查#1主变压器35KV侧3501断路器已在分位;10.检查#1、#2主变压器负荷电流,确认#1、#2主变压器电流已发生转移变化,#2主变压器可带部全负荷;11. 现场检查#2主变压器,确认运行正常,无异常现象;12.拉开#1主变压器35KV侧35016三工位隔离开关到分位;13.检查#1主变压器35KV侧35016三工位隔离开关已在分位;14.拉开#1主变压器35KV侧3501断路器控制、保护电源,储能电源,和35016三工位隔离开关控制电源;15.检查#1主变压器35KV侧3501断路器控制、保护电源,储能电源,和35016三工位隔离开关控制电源已在分位;16.在#1主变压器35KV侧35016三工位隔离开关操作把手上挂“有人工作,禁止合闸”的标示牌;17. 合上#1主变压器一次中性点01117接地开关;18. 检查#1主变压器一次中性点01117接地开关已在合位;19. 在#1主变压器一次中性点01117接地开关把手上挂“已接地”的标示牌;20. 拉开#1主变压器110KV 侧1101断路器;21. 检查#1主变压器110KV 侧1101断路器已在分位;22. 检查#1主变压器110KV侧电流情况,确认空载电流为零;23. 拉开#1主变压器110KV侧1101断路器控制、保护电源,储能电源;24. 检查#1主变压器110KV侧1101断路器控制、保护电源,储能电源,已在分位;;25. 拉开#1主变压器110KV 变压器侧11016三工位隔离开关;26. 检查#1主变压器110KV 变压器侧11016三工位隔离开关已在分位;27. 验明#1主变压器110KV变压器侧11016三工位隔离开关确无电压(带电显示器A、B、C三相指示灯灭);28. 合上#1主变压器110KV 变压器侧110107(11016三工位)接地开关;29检查#1主变压器110KV 变压器侧110107(11016三工位)接地开关已在合位;30. 在#1主变压器110KV 变压器侧110107(11016三工位)接地开关把手上挂“已接地”的标示牌;31. 拉开#1主变压器110KV 母线侧11011隔离开关;32. 检查#1主变压器110KV 母线侧11011隔离开关已在分位;33. 在#1主变压器110KV 母线侧11011、11012隔离开关把手上均挂“有人工作,禁止合闸”的标示牌;34. 合上#1主变压器35KV侧3501断路器控制、保护电源,储能电源,和35016三工位接地开关控制电源;35. 检查#1主变压器35KV侧3501断路器控制、保护电源,储能电源,和35016三工位接地开关控制电源已在合位;36. 合上#1主变压器35KV侧3501断路器;37. 检查#1主变压器35KV侧3501断路器已在合位;38. 验明#1主变压器35KV侧3501断路器母线侧确无电压,(带电显示器A、B、C三相指示灯灭);39.合上# 1主变压器35KV侧35016三工位接地开关到接地位置;40. 检查# 1主变压器35KV侧35016三工位接地开关已到接地位置;41. 拉开.# 1主变压器35KV侧3501断路器控制、保护电源,储能电源,和35016三工位接地开关控制电源;42. 检查# 1主变压器35KV侧3501断路器控制、保护电源,储能电源,和35016三工位接地开关控制电源已在分位;43.在# 1主变压器35KV侧35016三工位接地开关操作把手上挂“已接地”的标示牌;44. 再次复查确认操作任务执行的正确性。