钼铁标准
- 格式:docx
- 大小:16.58 KB
- 文档页数:4
钼铁60b的标准全文共四篇示例,供读者参考第一篇示例:钼铁60B是一种常用的合金材料,具有很高的硬度和抗腐蚀能力,在工业生产中有着广泛的应用。
为了确保钼铁60B的质量和性能符合要求,制定了一系列的标准。
本文将详细介绍钼铁60B的标准,包括化学成分、机械性能、热处理要求等内容。
一、化学成分标准钼铁60B的化学成分是其性能的基础,合金含量的控制非常重要。
根据国家标准,钼铁60B的化学成分应符合以下要求:1. 钼含量:60%~65%2. 铁含量:余量3. 硅含量:≤1.0%4. 硼含量:2.8%~3.2%5. 其他杂质:≤0.5%以上是钼铁60B的化学成分标准,生产厂家在生产过程中需要控制好合金的成分比例,确保符合标准要求。
二、机械性能标准钼铁60B具有优良的机械性能,其硬度、强度和韧性等指标需要符合国家标准规定:1. 抗拉强度:≥1000MPa2. 屈服强度:≥800MPa3. 延伸率:≥5%4. 硬度:≥250HB以上是钼铁60B的机械性能标准,生产厂家需要通过相应的实验和检测手段来验证合金的性能是否符合要求。
三、热处理要求钼铁60B的热处理是影响其性能的重要环节,正确的热处理工艺可以使其获得更好的性能表现。
根据国家标准,钼铁60B的热处理要求如下:1. 固溶处理:在1050℃~1100℃的温度下保温1小时,然后冷却到室温2. 冷却介质:水冷或风冷均可3. 固溶度:≥95%以上是钼铁60B的热处理要求,生产厂家需要根据实际情况选择合适的热处理工艺,确保产品达到设计要求的性能指标。
通过对钼铁60B的化学成分、机械性能和热处理要求的详细介绍,相信读者对该合金材料的标准有了更深入的了解。
在工业应用中,只有严格遵守标准要求,才能生产出高质量的钼铁60B产品,确保其在工程项目中发挥最佳的效果。
希望以上内容对相关从业人员有所帮助,谢谢阅读!第二篇示例:钼铁60b是一种常见的工业材料,具有优良的性能和广泛的用途。
钼黄光度法测定钼铁中的钼的方法讨论采用钼黄光度法测定钼铁中的钼,结果表明,被测钼铁中的钼含量分别为59.50%和61.42%,与钼酸铅重量法测定结果基本一致,相对误差均在2%以内,该方法操作简便、快速、准确。
标签:钼钼黄钼黄光度法钼铁是钼与铁的合金。
它的主要用途是在炼钢中作为钼元素的加入剂。
钢中加入钼可使钢具有均匀的细晶组织,并提高钢的淬透性,有利于消除回火脆性。
在高速钢中,钼可代替一部分钨。
钼同其他合金元素配合在一起广泛地应用于生产不锈钢、耐热钢、耐酸钢和工具钢,以及具有特殊物理性能的合金。
钼加于铸铁里可增大其强度和耐磨性。
按GB3649-87规定,钼铁按钼及杂质含量的不同分为三个牌号,其化学成分应符合表3的规定。
由于其钼含量较高,对钼含量的检测要求具有很高的准确度,在实际生产中,我们需要一种简便、快速、准确的方法,本文采用钼黄分光光度法测定钼铁中的钼。
1 研究对象取钼铁矿石原料,样品取回后用研磨仪制样,试样要求通过0.125mm筛孔。
2 仪器和试剂2.1 仪器HSM100研磨仪;Maschinenfabrlk GMBH+Co D4500 Osnabrǘk.;751-GW分光光度计;中华人民共和国上海分析仪器厂;SX2-5-12箱式电阻炉,上海精密仪器仪表有限公司。
2.2 试剂钼铁标准,中华人民共和国冶金工业部。
硫酸(1:1);过氧化氢(30%);氯化亚锡(10%),称取氯化亚锡50g于烧杯中,加入100ml盐酸溶解,加水400ml;硫酸铜溶液(2.4%)称取硫酸铜0.4g 溶解于100ml水中。
3 分析步骤试样0.2g置于150ml锥形瓶中,加入15ml硫酸,5ml过氧化氢不时摇动使试样溶解,再加入5ml过氧化氢,待试样全溶后,加30ml水,再煮沸2-5分钟,流水冷却至室温,将溶液移入100ml容量瓶中,以水稀释至约80ml,加硫酸铜溶液0.5ml,加入10ml氯化亚锡,以水稀释至刻度,摇匀。
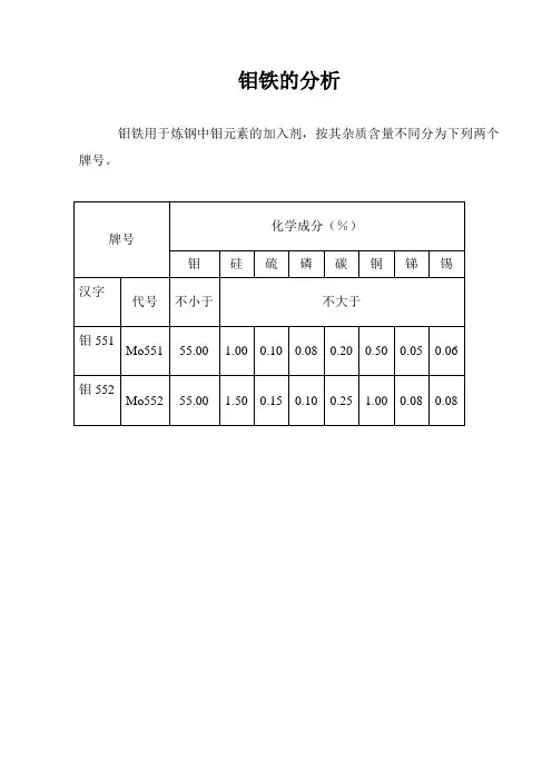
钼铁的分析钼铁用于炼钢中钼元素的加入剂,按其杂质含量不同分为下列两个牌号。
钼铁中Mo的测定——铜离子接触剂比色法一、方法要点:以Cu2+为接触剂,用氯化亚锡还原钼至低价而呈黄色,借此进行比色。
二、试剂:1、硫酸铜溶液:0.4%2、氯化亚锡溶液:10%。
称10 g氯化亚锡溶于20ml盐酸中,稀释至100ml。
3、硝酸溶液:1+34、硫酸溶液:1+1三、分析方法:称样0.3g于250ml烧杯中,加入硝酸20ml,加热溶解后加(1+1)硫酸25ml,蒸发至冒硫酸烟2~3分钟(呈乳白状),冷却后移入100ml容量瓶中,加水至刻度,摇匀.用25ml移液管取出25ml上述溶液移至50ml容量瓶中,加硫酸铜溶液15ml,氯化亚锡溶液5ml,静置10分钟,加水稀释至刻度,摇匀.在721型比色计420nm处用1cm比色皿比色.四、注:1、硝酸要赶尽,冒硫酸烟时温度要低,待水分蒸发完后才冒硫酸烟。
硫酸烟为白色丝絮状。
2、加氯化亚锡前体积不得少于25ml。
3、此法斜率低。
4、蒸发至冒硫酸烟时,如有白色浑浊现象,冒完烟后稍冷可加些水,加热至其溶液清亮。
冷却后移入容量瓶中。
5、也可称0.1g试样加硝酸溶解,加(1+1)硫酸冒白烟,稍冷后加水30ml溶解盐类,再加水45ml,加入铜溶液1ml,边摇边加氯化亚锡10ml,用水稀至100ml,待10分钟后比色。
(加氯化亚锡前体积不得少于70ml)。
——8-羟基喹啉重量法一、方法要点:试样溶在硝酸中,加入EDTA络合,然后调节试液酸度为PH4,在加热的情况下用8-羟基喹啉使钼产生羟基喹啉钼【MoO2(C9H6ON)2】沉淀,称重后计算出钼含量。
二、分析方法:称样0.2g于250ml烧杯中,加入硝酸(1+2)15ml,加热溶解,加水100ml,加入5%EDTA溶液50ml,加甲基橙指示剂3滴,用氨水调节至试液呈黄色,加缓冲溶液4毫升,再滴加氨水(1+1)5滴(此时试液PH=4),加热近沸,即加8-羟基喹啉液25ml,充分搅拌,用已称重的玻璃砂芯坩埚抽气过滤,以水洗涤至无色,于130℃处烘干至恒重。
钼铁检测标准摘要:一、钼铁检测标准概述二、钼铁检测方法及指标1.化学分析法2.仪器分析法3.物理性能测试三、钼铁检测中的应用四、钼铁检测的注意事项五、结论与展望正文:钼铁检测标准是衡量钼铁产品质量和性能的重要依据。
钼铁是一种铁合金,具有良好的抗磨性、耐腐蚀性和高温性能,广泛应用于钢铁、航空、航天等行业。
为确保钼铁产品的质量和可靠性,有必要对钼铁进行严格的检测。
一、钼铁检测标准概述钼铁检测标准主要包括化学成分、物理性能、表面质量等方面。
检测标准的制定旨在规范钼铁的生产、加工和质量评价,为用户提供可靠的参考依据。
二、钼铁检测方法及指标1.化学分析法:化学分析法是检测钼铁成分的传统方法,通过对钼铁样品进行湿法分析、原子吸收光谱分析等手段,测定钼铁中钼、铁、硅、锰、磷、硫等元素的含量。
2.仪器分析法:仪器分析法包括X 射线荧光光谱分析、电感耦合等离子体光谱分析等,具有快速、准确、灵敏等特点,适用于钼铁中多种元素的定量分析。
3.物理性能测试:物理性能测试包括硬度、抗拉强度、伸长率等指标,通过测试钼铁的物理性能,评价其在实际应用中的性能表现。
三、钼铁检测中的应用钼铁检测在以下领域中具有重要意义:1.钢铁行业:钼铁作为合金元素,可以提高钢铁的强度、硬度和耐磨性。
检测钼铁的成分和性能,有助于优化钢铁产品的设计和生产。
2.航空航天领域:钼铁在高温环境下具有优异的抗氧化性能,可用于制造涡轮叶片、喷嘴等高温部件。
检测钼铁的性能,确保其在航空航天领域的应用安全。
3.电子行业:钼铁具有良好的导电性和热稳定性,可用于制造电子元件。
检测钼铁的电性能和热稳定性,有助于提高电子产品的可靠性和稳定性。
四、钼铁检测的注意事项1.取样:在钼铁检测过程中,样品的取样方法至关重要。
应确保样品具有代表性、可靠性和准确性。
2.检测环境:钼铁检测应在恒温、恒湿的环境中进行,以消除环境因素对检测结果的影响。
3.仪器设备:定期对检测仪器进行校准和维护,确保检测数据的准确性。
钼铁检测标准钼铁检测标准是指对钼铁材料进行质量评定的一系列规范和要求。
钼铁是指含有钼和铁的合金材料,常用于制造耐热、耐腐蚀的工业零部件。
为了确保钼铁的质量和性能,需要严格按照相关标准进行检测。
下面是一些常见的钼铁检测标准和相关参考内容。
1. GB/T 3700-2006 金属材料拉伸试验方法:该标准规定了金属材料拉伸试验的基本原则、试样形状和尺寸、试验设备、试验程序以及结果的计算和表示。
在对钼铁进行拉伸试验时,可以参考该标准进行操作和评定。
2. GB/T 10561-2018 钢铁及合金化学分析方法:该标准规定了钢铁及合金中各元素的化学分析方法。
对于钼铁中的元素含量进行分析时,可以参考该标准中的相应方法和要求。
3. GB/T 11352-2019 金属理化检验室实验室质量控制标准:该标准规定了金属理化检验室实验室质量控制的基本要求。
通过对实验室环境、设备、人员和实验操作流程等方面进行规范,确保测试结果的准确性和可靠性。
4. YY/T 0698-2008 Medici钼铁用含11%钼车钢、焊材和粉末冶金品原料质量标准:该标准规定了Medici钼铁制造过程中使用的含11%钼车钢、焊材和粉末冶金品的原料质量标准。
主要包括化学成分要求、机械性能要求、缺陷检测和尺寸允许偏差等方面的内容。
5. ASTM E1019-18 Standard Test Methods for Determination of Carbon, Sulfur, Nitrogen, and Oxygen in Steel, Iron, Nickel, and Cobalt Alloys by Various Combustion and Fusion Techniques:该标准规定了钢、铁、镍和钴合金中碳、硫、氮和氧的测定方法。
包括了燃烧技术和熔融技术等不同方法,可用于钼铁中碳、硫、氮和氧的测定。
6. ISO 6506-1:2014 Metallic materials -- Brinell hardness test -- Part 1: Test method:该标准规定了布氏硬度试验的测试方法。
钼铁中钼量测定法钼酸铁重量法的允差范围钼铁中钼量测定是分析化学中的一种重要方法,而钼酸铁重量法是测定钼的一种常用方法之一。
在实际操作中,我们需要了解钼铁中钼量测定法钼酸铁重量法的允差范围,以确保实验数据的准确性和可靠性。
一、钼铁中钼量测定法的允差范围1. 在进行钼铁中钼量测定时,我们需要注意以下允差范围:2. 试样的加热温度应控制在800℃-900℃范围内,过高或过低都会影响测定的准确性。
3. 在溶液的酸度方面,pH值应控制在1-2之间,过高或过低都会影响测定结果。
4. 合理选择还原剂的用量和种类,以确保还原反应可以充分进行。
5. 对于制备钼的溶液和稀释液,需控制其浓度的精度和稳定性。
二、钼酸铁重量法的允差范围1. 在进行钼酸铁重量法测定时,允差范围是非常关键的。
2. 在称取试样和草酸铵的过程中,需严格控制称量精度,避免误差的产生。
3. 在进行还原反应时,还原剂的用量应符合实验设计要求,以免影响反应的进行。
4. 同样需要对制备溶液的浓度和稳定性进行控制,确保实验数据的准确性和可靠性。
三、总结以上所述是钼铁中钼量测定法和钼酸铁重量法的允差范围的一些关键点,这些允差范围的控制对于实验结果的准确性和可靠性至关重要。
在进行实验操作时,需要严格按照标准操作程序进行,确保每一个步骤都符合实验设计的要求。
只有这样,我们才能获得准确可靠的实验数据,为科学研究和工程应用提供有力的支持。
钼铁中钼量测定法和钼酸铁重量法在实际操作中的允差范围非常重要,其严格的控制是保证实验结果准确性和可靠性的关键。
在进行钼铁中钼量测定法和钼酸铁重量法实验时,实验人员需要严格遵守操作规程,控制好每一个步骤的允差范围,确保实验数据的可信度。
在进行实验操作前,实验人员需要对整个实验过程有清晰的认识,并了解每一个步骤中允许的误差范围。
针对钼铁中钼量测定法和钼酸铁重量法的允差范围,实验人员应该在以下方面加以注意:1. 温度控制:在进行钼铁中钼量测定法实验时,加热温度的控制至关重要。
钼铁的国际标准是ISO5452-80。
钼铁是一种铁钼二元合金,其中钼的含量通常在55%~75%之间。
这种合金的密度约为9.0\~9.5g/cm³,熔点范围为1750\~1980℃。
外层电子结构为4d5s,具有较高的熔点和沸点。
在工业应用中,钼铁通常含有约60%Mo,熔化温度为1800\~1900℃。
钼铁主要用于炼钢中作为钼元素的加入剂,以提高钢的强度、韧性、耐腐蚀性和高温性能。
此外,钼铁还可用于生产不锈钢、合金钢、高速工具钢等特殊钢材,广泛应用于机械、汽车、航空、石油等行业。
如需了解更多信息,可以咨询金属材料领域的专业人士或查阅相关的国际标准文件。
另外,建议在选购和使用钼铁时,选择符合国际标准的产品,以确保其质量和性能符合要求。
以上内容仅供参考,如有需要,建议查阅相关网站或咨询专业人士。
请注意,对于具体的金属材料和合金,其性能和用途可能因成分、状态和其他因素而有所不同。
在使用前应进行充分了解和测试,以确保其适用于特定的应用场景。
钼铁基础知识(牌号化学成分、检验标准等)钼铁是钼和铁的合金。
它的主要用途是在炼钢中作为钼元素的加入剂。
钢中加入钼可使钢具有均匀的细晶组织,并提高钢的淬透性,有利于消除回火脆性。
在高速钢中,钼可代替一部分钨。
钼同其他合金元素配合在一起广泛地应用于生产不锈钢、耐热钢、耐酸钢和工具钢,以及具有特殊物理性能的合金。
钼加于铸铁里可增大其强度和耐磨性。
钼铁通常采用金属热法熔炼。
钼铁是法定检验商品。
主要产地有吉林、河北、江苏、河南、辽宁等,主要输往美国、荷兰、德国等。
1.牌号和化学成分按GB3649—87规定,钼铁按钼及杂质含量的不同分为三个牌号,其化学成分应符合下表的规定,如需方对表列元素有特殊要求,可由供需双方另行协商。
需方要求时,可协商提供表列以外其它元素的实测数据。
钼铁化学成分指标牌号化学成分 %Mo Si S P C Cu Sb Sn不大于FeMo70 65.0~75.0 1.5 0.1 0.05 0.1 0.5FeMo70Cu1 65.0~75.0 2 0.1 0.05 0.1 1FeMo70Cu1.5 65.0~75.0 2.5 0.2 0.1 0.1 1.5FeMo60-A 55.0~65.0 1 0.1 0.04 0.1 0.5 0.04 0.04FeMo60-B 55.0~65.0 1.5 0.1 0.05 0.1 0.5 0.05 0.06FeMo60-C 55.0~65.0 2 0.15 0.05 0.2 1 0.08 0.08FeMo60 ≥60.0 2 0.1 0.05 0.15 0.5 0.04 0.04FeMo55-A ≥55.0 1 0.1 0.08 0.2 0.5 0.05 0.06FeMo55-B ≥55.0 1.5 0.15 0.1 0.25 1 0.08 0.082.物理状态产品以块状交货,块度范围为10~150mm,10 10mm以下粒度不得超过该批总重的5%,允许少量块度在一个方向最大尺寸为180mm。
金属钼执行标准一、钼纯度金属钼的纯度应满足以下要求:1.单一钼元素制品的纯度应不低于99.95%。
2.合金制品的纯度应不低于99.5%。
二、力学性能金属钼的力学性能应符合以下要求:1.抗拉强度:不小于1100MPa。
2.屈服强度:不小于800MPa。
3.延伸率:不小于15%。
4.断面收缩率:不小于30%。
5.冲击韧性:不小于20J/cm²。
三、化学成分金属钼的化学成分应符合以下要求:1.单一钼元素制品的化学成分应符合表1的规定。
2.表1 单一钼元素制品的化学成分(%)3.元素 Al Ti V Nb Fe Co Ni Cu Sn S C O总杂质最大含量 0.2 0.15 0.05 0.250.15 0.15 0.05 0.03 0.03 0.03 0.15 0.25 0.34.合金制品的化学成分应符合表2的规定。
5.表2 合金制品的化学成分(%)6.元素 Al Ti V Nb Fe Co Ni Cu Sn S C O总杂质最大含量合金A 0.2 0.2 0.150.25 0.15 0.15 0.05 0.03 0.03 0.03 0.15 0.25 0.3合金B 0.4 0.3 0.25 0.350.25 0.25 0.1 0.05 0.05 0.1 0.2 0.35 0.4四、表面质量金属钼的表面质量应符合以下要求:1.外表面应光滑、洁净,无明显划痕、气孔、裂纹等缺陷。
2.内表面应光滑,无明显划痕、夹杂物等缺陷。
3.所有加工表面应无毛刺、飞边等缺陷。
4.经热处理后的表面应无氧化皮、锈蚀等缺陷。
五、金相组织金属钼的金相组织应符合以下要求:1.经热处理后的组织应为α-Mo或α+β-Mo。
2.金相组织中不得出现明显的晶界腐蚀和内氧化现象。
3.经热处理后的晶粒度应不小于6级(按ASTM E112标准)。
4.金相组织中不得有超过允许范围的沉淀相或夹杂物。
六、热处理状态金属钼的热处理状态应符合以下要求:经过充分和恰当的热处理,金属钼材料将获得所需的性能。
钼铁检测标准钼铁检测标准是什么?1、GB/T 5059.5-2014 钼铁硅含量的测定硫酸脱水重量法和硅钼蓝分光光度法2、GB/T 5059.7-2014 钼铁碳含量的测定红外线吸收法3、GB/T 5059.2-2014 钼铁锑含量的测定孔雀绿分光光度法4、GB/T 5059.3-2014 钼铁铜含量的测定火焰原子吸收光谱法5、GB/T 5059.1-2014 钼铁钼含量的测定钼酸铅重量法、偏钒酸铵滴定法和8-羟基喹啉重量法6、GB/T 24484-2009 钼铁试样的采取和制备方法7、GB/T 5059.9-2008 钼铁.硫含量的测定.红外线吸收法和燃烧碘量法8、GB/T 3649-2008 钼铁9、GB/T 5059.4-1988 钼铁化学分析方法极谱法测定锡量钼铁成分检测钼铁检验标准:(1)质量检查和验收。
产品的质量检查和验收应符合GB/T3650—95《铁合金验收、包装、储运、标志和质量证明书的一般规定》的要求。
(2)组批。
产品以一炉为一批交货或由供需双方商定按炉组批时,每批产品中的最高或最低含钼量与平均试样含钼量之差不得超过3%。
(3)取样。
化学分析用试样的采取应按GB/T4010—94《铁合金化学分析用试样采取和制备》进行。
(4)制样。
化学分析用试样的制备按GB/T4010—94《铁合金化学分析用试样采取和制备》进行。
(5)化学分析方法。
相应各元素按下列标准进行检验:GB5059.1 测定钼量。
GB5059.2 测定锑量。
GB5059.3 测定铜量。
GB5059.4 测定锡量。
GB5059.5 测定硅量。
GB5059.6 测定磷量。
GB5059.7 测定碳量。
GB5059.8 测定碳量。
GB5059.9 测定硫量。
GB5059.10 测定硫量。
钼铁检测流程:1、填写申请表:联系华谨检测工作人员确认检测标准,项目,签订委托书。
2、安排寄样:将样品快递或直接送至我司实验室。
3、产品检测:付款后实验室安排测试,出草稿报告。
钼铁研究报告
钼铁研究报告
一、概述:
钼铁是一种金属合金,主要成分为钼和铁,是一种高硬度、高强度、高耐蚀性的材料。
钼铁研究主要关注的是其物理性质、化学性质以及机械性能等方面。
二、物理性质:
1. 密度:钼铁的密度约为8.2g/cm3。
2. 熔点:钼铁的熔点约为2620℃。
3. 导电性:钼铁是优秀的导电材料,具有优异的电导率和热导率。
4. 磁性:钼铁对磁场的响应较弱,具有一定的抗磁性。
三、化学性质:
1. 耐蚀性:钼铁具有很好的耐蚀性,能够抵抗酸、碱等化学腐蚀。
2. 氧化性:钼铁在高温下容易氧化,在1000℃以上会发生氧化反应。
四、机械性能:
1. 强度:钼铁具有很高的强度,能够承受较大的载荷。
2. 韧性:钼铁具有一定的韧性,能够在一定程度上承受外部冲击。
3. 耐磨性:钼铁是一种优秀的耐磨材料,具有很好的耐磨性能。
五、应用领域:
1. 刀具制造:钼铁制成的刀具具有很好的切削性能和耐用性。
2. 航空航天领域:钼铁的高强度、高硬度和高耐腐蚀性,使其成为航空航天领域的重要结构材料。
3. 电子行业:钼铁因其优异的导电性能,广泛应用于电子元件、电极等领域。
综上所述,钼铁是一种性能优良、功能多样的金属合金,其在刀具制造、航空航天、电子行业等领域都有广泛的应用。
随着科技的不断进步和工业制造的不断发展,钼铁的研究和应用前景将会更加广阔。
钼铁规格钼铁是一种具有优异物理化学性能的金属材料,其广泛应用于石油、化工、航空航天、电子、冶金等领域。
以下是有关钼铁的规格和相关参考内容。
1. 钼铁的基本规格:- 成分:钼铁的主要成分是钼和铁,其中钼的含量一般在30%~70%之间。
- 密度:钼铁的密度为9.8~10.2 g/cm³,因其含有较高比例的钼,比纯铁的密度要大。
- 熔点:钼铁的熔点约为2620°C,具有较高的耐高温性能。
- 硬度:钼铁具有较高的硬度,通常为6-6.5 Mohs硬度。
2. 钼铁的制备方法:- 粉末冶金法:将钼粉和铁粉按一定比例混合,通过高温烧结、热压或等离子烧结等方法制备得到钼铁材料。
- 熔炼法:将钼和铁按比例加入电弧炉或感应炉等熔炼设备中进行熔炼,经过冷却后得到钼铁合金。
3. 钼铁的特性和应用:- 耐腐蚀性:钼铁具有良好的耐腐蚀性,可在酸、碱等恶劣环境下使用,因此广泛应用于化工和石油工业中的设备制造。
- 耐高温性:钼铁的高熔点和较低的热膨胀系数使其在高温环境下具有优异性能,适用于航空航天、核能等领域的高温结构材料。
- 电子性能:钼铁具有良好的电子性能,可用于电子器件的制造,例如X射线管、电阻器等。
- 强度和刚性:钼铁具有较高的强度和刚性,可用于制造机械零部件、刀具等。
4. 钼铁的应用案例:- 太空航天:钼铁合金可用于制造航天器的热保护罩、发动机喷管等部件,以抵御极端的高温和高速气流。
- 化工工业:钼铁在化工工业中常作为反应容器的内衬材料,以提供良好的耐腐蚀性和耐磨性,保证设备的长期稳定运行。
- 电子器件:钼铁可用于制造X射线管、半导体材料、发光二极管等器件,其良好的热导性和电导性可以提高设备的性能和稳定性。
综上所述,钼铁作为一种具有优异物理化学性能的金属材料,具有广泛的应用前景。
其特性包括耐高温性、耐腐蚀性、优良的电子性能等,因此在航空航天、化工、电子等领域中有着重要的应用价值。
钼铁检测标准钼铁是指钼和铁元素的合金,通常以钼含量为10%至90%为范围。
钼在钢中的加入可以提高钢的各项力学性能和耐蚀性能,因此钼铁广泛应用于航空、航天、化工、电子、军工等领域。
为了保证钼铁材料的质量,需要进行相关检测。
下面是针对钼铁的检测标准的相关参考内容。
1. 化学成分检测:钼铁的化学成分是评估其质量的重要指标。
参考标准可以包括钼含量、铁含量、杂质元素等。
例如,ASTM E1019-03《标准测试方法钼含量的电感耦合等离子体发射光谱法》可以用来测试钼铁中钼的含量。
2. 金相组织检测:金相组织检测可以通过显微镜观察和分析钼铁的显微组织,评估其晶粒大小、相组成以及可能存在的缺陷。
常用的金相组织检测方法包括金相显微镜观察和扫描电镜观察等。
相关参考内容可以包括评价显微组织的标准图像、典型显微组织的描述等。
3. 机械性能检测:机械性能是评估钼铁材料性能的重要指标之一。
参考标准可以包括抗拉强度、屈服强度、延伸率、冲击韧性等。
ASTM E8-09a《金属拉伸测定材料拉伸性能的标准试验方法》是一种常用的标准,可用来测试钼铁材料的拉伸性能。
4. 硬度检测:硬度是评估材料抗划伤和变形能力的指标之一,也是评估钼铁材料质量的重要参数。
常用的硬度检测方法包括布氏硬度和洛氏硬度等。
ASTM E140-07《金属材料硬度试验的标准试验方法》可以作为硬度检测的参考标准。
5. 腐蚀性能检测:由于钼铁广泛应用于耐蚀性要求严格的领域,因此评估其腐蚀性能也是检测标准的一个重要内容。
可以参考ASTM G31-72(2018)《用于测定钼合金和钼铁耐腐蚀性的标准实施规程》。
6. 热处理性能检测:钼铁材料经过热处理后,其组织结构和性能会有所变化,热处理性能的评估对于确定适宜的热处理工艺具有重要意义。
可以参考ASTM A600-92a(2016)《钼高速钢综合材料标准规范》,对于钼铁材料的热处理性能进行评估和测试。
综上所述,钼铁的检测标准涉及化学成分、金相组织、机械性能、硬度、腐蚀性能和热处理性能等方面,以上列出的参考内容对于进行钼铁的质量检测具有一定的指导意义。
ICP-AES法测定钼铁中的钼原材料检验中心乔 蓉 易凤兰摘 要本文研究了ICP-AES法测定钼铁中钼元素的方法,对溶样方法、雾化器的选择、母液浓度和谱线的选择进行了实验,讨论了主要干扰因素及消除方法,进行了准确度和精密度试验。
结果表明,采用(1+3)硝酸加热溶解法,试样溶解完全,准确度高,精密度较好,分析速度快,,可节约大量的试剂及人力, 能满足目前快节奏的大生产需求。
目前,关于钼铁中钼的测定常用方法是8—羟基喹啉重量法和钼酸铅重量法,我们公司采用的就是钼酸铅重量法[1]。
重量法的特点是不需要标准试样或基准物质进行比较,只要操作细心,即可获得准确的分析结果。
但缺点是步骤繁琐、分析周期长,耗能高。
ICP适合测定微量元素,本文通过减少称样量,优化分析条件,建立了ICP 法,试样溶解后,直接用ICP光谱仪测定,方法简单,且结果准确,可节约大量的试剂及人力[2]。
1 实验部分1.1 仪器及分析参数TJA IRIS Intrepid型电感耦合等离子体原子发射光谱仪:分光系统采用中阶梯光栅+棱镜;检测器为CID半导体检测器;进样系统采用同心型雾化器,旋流型雾化室。
分析参数:RF发生器功率1150W,雾化器压力:0.18MPa,泵速130r/min,冲洗时间30s,长波积分时间为10s,短波积分时间为15s,辅助气流量0.5L/min,氩气纯度≥99.99%。
因钼铁中的钼含量比较高,而ICP-AES适合分析低含量的试样,故多选了几条钼的分析谱线,包括灵敏级的和次灵敏级的,以便对结果进行分析比对,选用的谱线见表1。
1.2 主要试剂硝酸:分析纯。
1.3 试样处理称试样0.0500g,加入20ml(1+3)的硝酸,加热至完全溶解,溶液清亮,冷却至室温后,定容至250ml容量瓶中。
表1 钼元素分析谱线元素Mo分析谱线;nm202.030281.615 204.598 203.844 203.844级次166 119 164 164 1651.4 标准溶液的制备和工作曲线的绘制我们拥有的钼铁标准物质太少,已有的钼铁标样,钼含量接近,不适合用来绘制标准曲线。
钼铁中钼量测定法钼酸铁重量法的允差范围钼铁中钼量测定法是一种常用的分析方法,用于确定钢铁中的钼含量。
其中,钼酸铁重量法是一种经典的测定方法。
然而,该方法存在一定的允差范围,即测定结果与实际值之间的差异。
本文将讨论钼酸铁重量法的允差范围,并提供一些相关的分析结果和实验操作技巧。
钼酸铁重量法是一种基于化学反应的测定方法。
该方法是通过将样品中的钼与高浓度的钼酸铁溶液反应生成蓝色络合物,然后重量测定络合物中的钼含量。
具体操作步骤如下:首先,取适量的样品并溶解到容器中。
然后,加入适量的硫酸和氢氧化钠溶液进行碱熔。
接着,将样品溶液加热至沸腾,并继续加热一段时间以除去水分。
然后,冷却样品溶液,并加入适量的稳定剂,如亚硝酸钠或亚硒酸钠。
接下来,准备钼酸铁溶液。
首先,称取适量的钼酸铁并溶解到容器中。
然后,用盐酸调节溶液的酸度,并加入稳定剂。
接下来,将样品溶液和钼酸铁溶液混合,充分搅拌,使两者反应生成蓝色络合物。
然后,将混合溶液过滤,将产生的沉淀收集在滤纸上。
然后,将滤纸上的沉淀转移到预称重的烧杯中,并将滤纸洗涤干净。
然后,将烧杯连同沉淀加热至恒定重量。
最后,根据相应的计算公式计算样品中钼的含量。
然而,钼酸铁重量法的测定结果并不总是完全准确。
其中,允差范围是指测定结果与实际值之间的差异。
该差异的大小取决于实验操作的准确性、仪器的精度以及样品本身的特性。
为了减小允差范围,可以采取一些实验操作技巧。
首先,保持实验室的环境稳定,如温度、湿度等因素对实验结果的影响应该最小化。
其次,使用精确的仪器和设备进行实验操作,确保测量结果的准确性。
另外,可以采取多次重复实验的方法,计算平均值以减小随机误差。
此外,样品的制备也是影响测定结果的一个重要因素。
确保样品的均匀性和代表性非常重要。
避免样品中的杂质和其他干扰物,以减小测定结果中的系统误差。
总结起来,钼酸铁重量法是一种常用的测定钢铁中钼含量的方法。
然而,该方法的测定结果存在一定的允差范围。
钼铁标准本标准适用于炼钢中作为钼元素加入剂用的钼铁。
1 技术要求1 牌号和化学成分1.1 钼铁按钼及杂质含量的不同分为九个牌号.其化学成分应符合下表1的规定:表11.2 物理状态1.2.1 产品以块状交货,块度范围为10-15mm,l0×10mm以下粒度不得超过该批总重量的5%。
允许少量块度在一个方向最大尺寸为180mm。
1.2.2 如用户有要求,对提供10-100mm,10一50mm,10mm 以下不同粒度的产品。
每种粒度范围所允许的上、下限的重量百分数,出供需双方商定。
1.2.3 如用户对粒度还有特殊需要,可由双方商定。
2 试验方法2.1 取样化学分析用试样的采取应按GB 4010-83《铁合金化学分析用试样制取法》进行。
2.2 制样化学分析用试样的制取应按GB 4332-84《铁合金化学分析用试样制取法》进行。
2.3 化学分析钼铁的化学分析按GB 5059.1-5059. 4—85《钼铁化学分析方法》进行。
3 检验规则3.1 质量检查和验收产品的质量检查和验收应符合GB 3650-83《铁合金验收、包装、储运、标志和质量证明书的一般规定》的要求。
3.2 组批3.2.1 按炉组批法产品以一炉作为一批交货或由供需双方商定。
按炉组批时,每批产品中的最高或最低含钼量与平均试样含钼量之差不得超过3%。
3.2.2 按级组批法按级组批法是一批交货产品出一种牌号的若干炉钼铁组成。
构成一批交货产品的各炉之间钼含量之差不应大于3%(绝对值)。
4 包装、储运、标志和质量证明书41 包装产品采用铁桶包装.每桶净重100kg,如需方对包装有特殊要求,可由供需双方协商解决。
4.2 储运包装后的产品应存放于库房内,发运时要用棚车,如露天存放或敞车发运时,须用篷布盖好,严防件内渗水或混入杂质,在储运过程中不得混批混号。
4.3 标志产品包装件上应涂有明显标志,包装件内应附有成品标签,标志和标签的内容应符合GB 3650-83的要求。
钼铁标准
本标准适用于炼钢中作为钼元素加入剂用的钼铁。
1 技术要求
1 牌号和化学成分
1.1 钼铁按钼及杂质含量的不同分为九个牌号.其化学成分应符合下
表1的规定:
表1
1.2 物理状态
1.2.1 产品以块状交货,块度范围为10-15mm,l0×10mm以下粒度
不得超过该批总重量的5%。
允许少量块度在一个方向最大尺寸为180mm。
1.2.2 如用户有要求,对提供10-100mm,10一50mm,10mm以下不同粒度的产品。
每种粒度范围所允许的上、下限的重量百分数,出供需双方商定。
1.2.3 如用户对粒度还有特殊需要,可由双方商定。
2 试验方法
2.1 取样
化学分析用试样的采取应按GB 4010-83《铁合金化学分析用试样制取法》进行。
2.2 制样
化学分析用试样的制取应按GB 4332-84《铁合金化学分析用试样制取法》进行。
2.3 化学分析
钼铁的化学分析按GB 5059.1-5059. 4—85《钼铁化学分析方法》进行。
3 检验规则
3.1 质量检查和验收
产品的质量检查和验收应符合GB 3650-83《铁合金验收、包装、储运、标志和质量证明书的一般规定》的要求。
3.2 组批
3.2.1 按炉组批法
产品以一炉作为一批交货或由供需双方商定。
按炉组批时,每批产品中的最高或最低含钼量与平均试样含钼量之差不得超过3%。
3.2.2 按级组批法
按级组批法是一批交货产品出一种牌号的若干炉钼铁组成。
构成一批交货产品的各炉之间钼含量之差不应大于3%(绝对值)。
4 包装、储运、标志和质量证明书
41 包装
产品采用铁桶包装.每桶净重100kg,如需方对包装有特殊要求,可由供需双方协商解决。
4.2 储运
包装后的产品应存放于库房内,发运时要用棚车,如露天存放或敞车发运时,须用篷布盖好,严防件内渗水或混入杂质,在储运过程中不得混批混号。
4.3 标志
产品包装件上应涂有明显标志,包装件内应附有成品标签,标志和标签的内容应符合GB 3650-83的要求。
4.4 质量证明书
发货同时,供方应开据产品质量证明书,证明书内容应符合GB 3650-83的要求。
编者按:附加说明:
本标准由中华人民共和国冶金工业部提出。
本标准由吉林铁合金厂起草。
本标准主要起草人吕振江、孙岩锋、张明泉。
本标准中FeMo70、FeMo70Cu1、FeMo 70Cu1.5、FeMo50-A、FeMo60-B、FeMo60-C等七个牌号标准水平等级标记为“Y”,其他牌号标淮水平等级标记为“I”。