最新城市轨道交通安全生产工作督查要点表
- 格式:doc
- 大小:101.50 KB
- 文档页数:6
城市轨道交通工程质量安全督查表
(省、市建设行政主管部门)
单位名称:
督查组成员(签字):督查日期:
城市轨道交通工程质量安全督查表
(建设单位)
单位名称:
督查组成员(签字):督查日期:
城市轨道交通工程受检项目基本情况省(直辖市)市(县、区)
督查组成员(签字):督查日期:
城市轨道交通工程质量安全督查表
(勘察单位)
单位名称:工程名称:
督查组成员(签字):督查日期:
城市轨道交通工程质量安全督查表
(设计单位)
单位名称:工程名称:
督查组成员(签字):督查日期:
城市轨道交通工程质量安全督查表
(监理单位)
督查组成员(签字):督查日期:
城市轨道交通工程质量安全督查表
(施工单位)
单位名称:工程名称:
督查组成员(签字):督查日期:
城市轨道交通工程质量安全督查表
(第三方监测单位)
单位名称:工程名称:
督查组成员(签字):督查日期:。
城市轨道交通工程质量安全督查表(施工单位安全防护)1 城市轨道交通工程质量安全督查表(施工单位安全防护)单位名称:工程名称:检查项目检查内容评价备注符合不符合一、内业资料(一) 防护用品1 安全帽、安全带、安全网等安全防护用品应符合国家有关标准,具有产品质量合格证;(二) 攀登作业、悬空作业2 悬空作业所用的索具、吊具、料具等设备,经过技术鉴定或验收;3 攀登、悬空高处作业人员以及搭设高处作业安全设施的人员,需持证上岗,并定期进行体检;(三) 移动式操作平台、物料平台4 使用构配件材质符合规范要求;5 安装、使用和拆除安全技术交底资料齐全有效;6 物料平台验收合格,资料齐全。
二、工程实体(四) 防护用品安全帽7 作业人员应正确佩戴安全帽;安全网8 在建工程外侧使用密目式安全网封闭;9 基坑边、上下通道应安装护栏、使用安全网;安全带10 高处作业应正确系挂安全带;(五)洞口防护11 洞口防护措施符合要求;12 电梯井、管道井、风道井内每隔两层(不大于l0m)设置一道平网;13 在醒目位置设置安全警示标志牌;(六) 爬梯防护14 高于2.0m 的爬梯有防护笼等措施;15 防护措施符合要求;(七) 通道口防护16 有防护棚且防护严密;17 在醒目位置设置安全警示标志牌;(八) 临边防护18 临边防护符合要求(防护严密、牢固且高度满足规范规定高度等);19 站台靠轨行区临边按规定设置防护栏;(九) 攀登作业20 移动式梯子的梯脚底部不得垫高使用;21 折梯使用有可靠拉撑装置;22 梯子的制作质量或材质符合要求;(十) 悬空作业23 悬空作业处设置防护栏杆或有其他可靠的安全设施;(十一)移动式操作平台24 操作平台的面积或高度满足规定值;2 25 移动式操作平台,轮子与平台的连接牢固可靠及立柱底端距离地面满足规定值;26 操作平台四周按规定设置防护栏杆且设置登高扶梯;(十二)悬挑式物料钢平台27 物料平台支撑架与工程结构连接且连接符合要求;28 平台台面铺板严密且台面层下方按要求设置安全平网;29 物料平台在明显处设置限定荷载标牌。
城市轨道交通工程质量安全检查表(土建施工单位)单位名称:工程名称:(52项)序号检查内容检查要点评价需要说明的问题符合不符合1内业资料施工组织设计、专项方案按照规定要求编制,专家论证、审批符合规定原材料、构配件等合格证、复试,以及工程过程检验、检测符合要求隐蔽检查、验收等施工记录完备2矿山法支护加固前掌子面封闭牢固,超前支护施工、注浆等参数控制满足规范、方案和设计要求,超前支护及加固效果满足开挖要求大管棚或小导管的材质、规格、长度、间距、外插角等符合规范、设计和方案要求爆破器材符合国家及行业标准,存储、处置符合规定起爆设备和检测仪表应定期标定,性能良好炮眼布置及钻孔、装药符合爆破设计、规范,当需有调整时应征得同意炮眼残存率、炮眼衔接台阶、爆破岩面最大块度等满足规范开挖循环进尺、超挖欠挖、台阶长度及导洞之间、临近隧道错开距离等参数控制符合规范、方案及设计要求钢架、网片、锚杆等加工与施工符合设计、规范,初期支护施作及时喷射混凝土厚度、平整度偏差符合设计、规范,未出现明显的开裂等岩体锚杆施工安装满足设计、规范,且安装及时,锚固方法及抗拔力满足要求钢架底部垫实牢固,连接筋间距、搭接长度及焊缝符合设计文件要求背后注浆及时,喷射混凝土厚度、强度达到设计、规范要求初期支护拆除施工符合设计及方案要求二衬厚度、限界符合设计及规范要求,二衬施工段划分,或施工缝、变形缝设置和处理符合设计、方案及规范预埋管安装、搭接符合设计、方案及规范要求3盾构法端头加固范围、方法、参数符合设计及方案要求,盾构始发、接收洞门无明显渗漏、涌水涌砂现象洞门洞圈密封装置符合设计要求,密封效果满足施工要求盾构姿态、负环管片定位符合设计要求始发/接收质量安全措施(反力架和基座的受力计算、焊缝质量检测,负环管片限位固定措施)符合设计、规范和方案要求掘进参数(土压、出土量、推力、刀盘扭矩等)符合施工方案要求盾构轴线偏差符合规范或设计要求同步注浆及时,注浆量和注浆压力符合方案要求二次补浆各项参数(注浆压力、注浆量)符合方案和施工安全要求隧道运输(防溜车措施,车辆安全、警示装置或动力、制动功能,车辆、轨道日常检修保养记录等)符合安全操作规程要求开仓作业(地层加固、条件核查、气体检测、高压仓体检、用火用电、照明灯具防爆措施、舱内外通讯、加压与减压操作流程)符合方案和安全操作规程要求管片堆放符合规范要求,管片质量(进场验收、管片保护、涂刷防腐防水材料、粘贴密封止水条、密封止水条质量证明文件等)符合设计和规范要求管片拼装质量(漏水、崩块、缺棱掉角、封堵等)符合设计和规范要求,管片防水密封质量符合设计要求联络通道地层加固符合方案要求,满足管片拆除安全要求,施工(初期支护、二衬质量等)符合设计、方案及规范要求联络通道前后管片按方案进行支撑保护盾构停机位置位于已加固区内或采取其他防沉降、坍塌、渗漏措施的区域4明挖法围护结构及施工符合规范及设计要求支撑结构构件及架设符合设计要求,支撑体系架设及时且安装牢固,防坠落措施可靠支撑结构拆除符合规范要求地下水控制措施及效果符合设计及施工要求基坑周边挡排水措施符合规范和方案要求土方开挖方式、步序符合方案及设计要求,土方开挖、运输设备施工运行符合规范要求基坑周边堆载、临时荷载符合设计要求5钢筋工程、混凝土工程及防水工程钢筋品种、级别、规格和数量符合规范和设计要求,加工制作符合设计、规范,变更时需有设计变更手续混凝土试块留置数量、养护环境、标识符合规范要求混凝土的外观质量和尺寸偏差符合规范和设计要求防水工程符合规范及设计要求6地基、路基、高架危险地段施工应做好防护和警示,应满足夜间施工照明需要及时核对土质,并及时修整压实,路堑施工质量符合规定基底土质符合设计,填筑前按规定对基底进行处理路堤填料种类、含水量和填筑压实度符合设计及规范,分层回填时在下层合格后才能进行上层施工基底承载力、标高应符合设计及规范砌筑结构涵洞施工顺序及拱圈支撑符合方案及规范桥梁支座、桥梁预埋件、预留空洞符合要求桥面铺装及声屏障位置等满足设计要求结果统计符合项不符合项检查人员:检查日期:年月日。
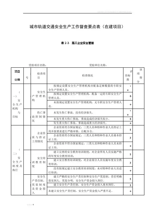
城市轨道交通安全生产工作督查要点表一、轨道交通安全生产管理1.安全生产责任制度的建立和实施情况。
2.轨道交通安全生产管理机构和人员设置及配备情况。
3.安全生产管理体系的建立和实施情况。
4.安全生产制度、规章制度、操作规程、安全技术标准等管理制度的制定和执行情况。
5.安全检查制度和内部审核制度建立和执行情况。
6.安全生产教育、培训与考核情况。
7.事故应急救援预案和演练情况。
8.安全生产信息化建设。
二、轨道交通运营管理1.运营质量管理制度建立和执行情况,包括列车、站点和乘客服务质量等。
2.行车调度、运输组织、人员配备等运营管理规定的执行情况。
3.运输设备、设施、行车组织安全问题的处理情况。
4.运行监测与分析情况,包括列车运行数据的收集、分析和使用。
5.运行数据的管理和分析,包括安全指标的监测、分析和预测。
三、轨道交通设施设备管理1.轨道交通设施设备的安全设计、制造、维护情况。
2.轨道交通设施设备年度检修计划的制定和执行情况。
3.轨道交通设施设备日常检修和维护的实施情况。
4.轨道交通设施设备故障及危险隐患的管理和处理情况。
5.轨道交通设施设备技术改造和更新的计划和实施情况。
四、轨道交通安全风险评估1.轨道交通安全风险评估的管理制度和实施情况。
2.安全风险评估的指标体系、方法和数据来源的建立情况。
3.安全风险评估的结果分析、整改和监测情况。
五、轨道交通安全监管1.轨道交通安全监管体制、机构和职责的落实情况。
2.轨道交通安全监管工作的规划、管理和执行情况。
3.安全监管的信息化建设和数据管理情况。
4.轨道交通安全监管的法律制度、规章制度、监管标准等建设和执行情况。
5.轨道交通安全监管的应急处置和事故调查情况。
六、文件资料1.轨道交通安全生产管理、设备管理、运营管理、安全风险评估、安全监管等方面的制度、文件及相关资料的梳理和整理情况。
2.文件及相关资料的安全保密、存档管理和使用情况。
3.文件及相关资料的公示、发布和反馈情况。