工业企业生产流程
- 格式:doc
- 大小:34.00 KB
- 文档页数:6
生产工艺流程讲解首先是原材料准备阶段。
在生产过程中,需要准备符合标准和规范的原材料。
这些原材料可以是来自供应商的标准原料,也可以是企业自产的半成品或者配方原料。
原材料准备阶段包括收货、检验、储存等子阶段,确保原材料符合质量要求,并储存在合适的仓库中。
接下来是生产准备阶段。
在进行实际生产之前,需要准备生产设备、工具和人员。
生产设备包括各种机械设备、燃料、动力设备等。
工具包括各种模具、刀具、量具等。
人员包括操作工人、技术人员、检验人员等。
生产准备阶段还包括制定生产计划、安排生产队列、调整生产线等。
然后是生产操作阶段。
在生产操作阶段,根据产品的设计要求和生产计划,进行具体的生产过程。
生产操作包括原料的取样、称量、混合、加热、冷却、挤压、注塑、成型、焊接、组装等。
不同的产品具有不同的生产操作,需要根据产品的特性选择合适的工艺和设备。
在生产操作阶段,需要进行质量控制。
质量控制包括工艺参数的控制、产品尺寸的检测、产品外观的检验等。
质量控制的目标是确保产品符合质量标准,并运用统计方法进行质量分析和改进,以提高产品质量和生产效率。
生产操作阶段还包括工艺辅助阶段。
这些辅助工艺包括检测、清洁、涂层、包装、储存等。
检测包括检验产品质量、检测产品性能等。
清洁包括清洗产品表面、去除产品残留物等。
涂层包括给产品表面涂上特殊材料、保护产品表面等。
包装包括将产品进行包装、封装,以便运输和销售。
储存包括将产品储存在合适的环境中,以确保产品质量和保存期限。
最后是成品出厂阶段。
在产品完成生产后,需要进行质量检验和产品包装,确保产品的质量和外观符合要求。
然后将产品运输到仓库并进行储存,等待发货。
在发货前,需要对产品进行核对、清点、记录等,确保发货的准确性和及时性。
综上所述,生产工艺流程是指从原材料准备到成品出厂的一系列步骤和环节。
在每个阶段,都需要进行严格的质量控制和管理,以保证产品的质量和符合要求。
生产工艺流程对于企业的生产效率和产品质量起着重要的作用。
工业生产流程的三个基本步骤下载温馨提示:该文档是我店铺精心编制而成,希望大家下载以后,能够帮助大家解决实际的问题。
文档下载后可定制随意修改,请根据实际需要进行相应的调整和使用,谢谢!并且,本店铺为大家提供各种各样类型的实用资料,如教育随笔、日记赏析、句子摘抄、古诗大全、经典美文、话题作文、工作总结、词语解析、文案摘录、其他资料等等,如想了解不同资料格式和写法,敬请关注!Download tips: This document is carefully compiled by theeditor. I hope that after you download them,they can help yousolve practical problems. The document can be customized andmodified after downloading,please adjust and use it according toactual needs, thank you!In addition, our shop provides you with various types ofpractical materials,such as educational essays, diaryappreciation,sentence excerpts,ancient poems,classic articles,topic composition,work summary,word parsing,copy excerpts,other materials and so on,want to know different data formats andwriting methods,please pay attention!工业生产流程是指将原材料通过一定的工艺手段转化为成品的过程。
简述工业制造业企业供产销业务的具体流程下载温馨提示:该文档是我店铺精心编制而成,希望大家下载以后,能够帮助大家解决实际的问题。
文档下载后可定制随意修改,请根据实际需要进行相应的调整和使用,谢谢!并且,本店铺为大家提供各种各样类型的实用资料,如教育随笔、日记赏析、句子摘抄、古诗大全、经典美文、话题作文、工作总结、词语解析、文案摘录、其他资料等等,如想了解不同资料格式和写法,敬请关注!Download tips: This document is carefully compiled by theeditor.I hope that after you download them,they can help yousolve practical problems. The document can be customized andmodified after downloading,please adjust and use it according toactual needs, thank you!In addition, our shop provides you with various types ofpractical materials,such as educational essays, diaryappreciation,sentence excerpts,ancient poems,classic articles,topic composition,work summary,word parsing,copy excerpts,other materials and so on,want to know different data formats andwriting methods,please pay attention!工业制造业企业的供产销业务流程详解在工业制造业中,供产销业务是企业运营的核心环节,涵盖了从原材料采购、生产制造到产品销售的全过程。
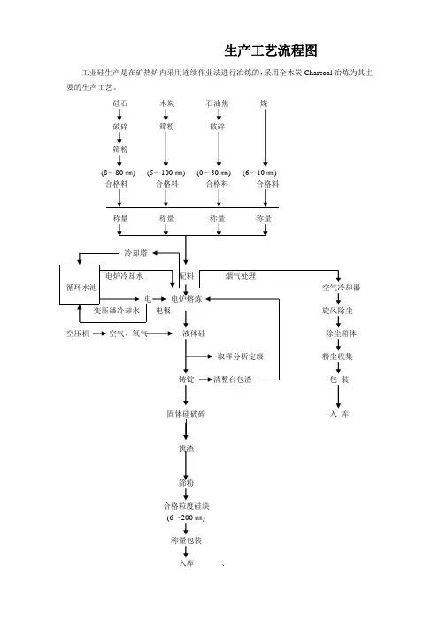
生产工艺流程图工业硅生产是在矿热炉内采用连续作业法进行冶炼的,采用全木炭Charcoal冶炼为其主要的生产工艺。
硅石木炭石油焦煤破碎筛粉破碎筛粉(8~80㎜) (5~100㎜) (0~30㎜) (6~10㎜)入库挑渣筛粉合格粒度硅块(6~200㎜)称量包装入库、将原料硅石经过洗选、筛分并干燥后,根据所用还原剂的种类,分别按不同的比例配料,用计算机程序控制各料比例,分别从料仓汇集到一条皮带上,通过送料过程进行混匀,进入电炉内;自动化程度高和规模化的加料过程是连续进行的。
在电极上通往电流,加热颅内的物料,达到1800摄氏度以上的高温,硅在颅内被还原出来,并呈液态,通过出硅口放出并铸成硅锭,经过破碎、包装成工业硅粉销售。
1/3将原料硅石经过洗选、筛分并干燥后,根据所用还原剂的种类,分别按不同的比例配料,用计算机程序控制各料比例,分别从料仓汇集到一条皮带上,通过送料过程进行混匀,进入电炉内;自动化程度高和规模化的加料过程是连续进行的。
将原料硅石经过洗选、筛分并干燥后,根据所用还原剂的种类,分别按不同的比例配料,用计算机程序控制各料比例,分别从料仓汇集到一条皮带上,通过送料过程进行混匀,进入电炉内;自动化程度高和规模化的加料过程是连续进行的。
在电极上通往电流,加热颅内的物料,达到1800摄氏度以上的高温,硅在颅内被还原出来,并呈液态,通过出硅口放出并铸成硅锭,经过破碎、包装成工业硅粉销售采用氧气和空气混和底吹的方式,底吹氧的透气砖安装在包底中,透气砖内有较多的细铜管,氧气和空气从细铜管中吹向硅熔液实施精炼,空气在吹氧结束后亦通过透气砖向硅熔液中形成正压。
精炼过程需要搅拌,搅拌采用压缩空气搅拌,其目的是为了改善渣—金属元素相反应的动力学条件,加速造渣,尽快脱除杂质,减少热损失和硅液粘包。
中国铁合金在线是一家完全基于中国铁合金行业的门户网站,它面向全球铁合金用户,提供了信息,宣传,贸易,资料等全方位的增值服务。
工业硅生产工艺流程简介硅石及炭质还原剂按一定的配比称量自动加到矿热炉内,将炉料加热到2000摄氏度以上,二氧化硅被炭质还原剂还原生成工业硅液体和一氧化碳(CO)气体,CO气体通过料层逸出。
在硅水包底部通入氧气、空气混合气体,以除去钙、铝等其他杂质。
通过电动包车将硅水包运到浇铸间浇铸成硅锭。
硅锭冷却后进行破碎、分级、称量、包装、入库得到成品硅块。
烟气经炉口烟罩进入烟道,经空冷器、风机进入布袋除尘器除尘等环保设施处理后,达到国家规定排放标准排放。
一、原材料及电力(一)硅石:储量丰富,但整体质量不高硅在地壳中资源极为丰富,仅次于氧,占地壳比重超四分之一,主要以二氧化硅或硅酸盐形式存在于岩石、砂砾、尘土之中。
其中,硅石的主要成分是二氧化硅,种类包括石英岩、石英砂岩、天然石英砂、脉石英等。
我国硅石矿资源丰富,保有矿石储量超过40亿吨,但整体质量不高。
石英岩、石英砂岩、天然石英砂岩是国内常见的硅石资源,三者占我国硅石矿资源的99.07%,而高品质的脉石英仅占我国石英矿资源的0.93%。
每生产1吨工业硅大约需要2.7-3吨硅石,大约占比成本10%左右。
国内工业硅使用的硅石矿主产地集中在新疆、云南、湖北、江西、广西等地。
其中湖北、江西硅石质量较高,云南硅石供应充足但质量较普通,新疆硅石供给在品位上则较为复杂。
在考虑经济成本的情况下,硅石品位的高低直接决定了产成品工业硅的品质,具体而言:纯净的硅(Si)是从自然界中的石英矿石(主要成分二氧化硅)中提取出来的,分几步反应:1.二氧化硅和炭粉在高温条件下反应,生成粗硅:SiO2+2C=Si(粗)+2CO2.粗硅和氯气在高温条件下反应生成氯化硅:Si(粗)+2Cl2=SiCl43.氯化硅和氢气在高温条件下反应得到纯净硅:SiCl4+2H2=Si(纯)+4HCl以上是硅的工业制法,在实验室中可以用以下方法制得较纯的硅:1.将细砂粉(SiO2)和镁粉混合加热,制得粗硅:SiO2+2Mg=2MgO+Si(粗)2.这些粗硅中往往含有镁,氧化镁和硅化镁,这些杂质可以用盐酸除去:Mg+2HCl=MgCl2+H2MgO+2HCl=MgCl2+H2OMg2Si+4HCl=2MgCl2+SiH4(二)太阳能级多晶硅新工艺技术(1)改良西门子法—闭环式三氯氢硅氢还原法改良西门子法是用氯和氢合成氯化氢(或外购氯化氢),氯化氢和工业硅粉在一定的温度下合成三氯氢硅,然后对三氯氢硅进行分离精馏提纯,提纯后的三氯氢硅在氢还原炉内进行CVD反应生产高纯多晶硅。
生产制造流程生产制造流程是指将原材料转化为最终产品的一系列操作步骤和流程。
在现代工业生产中,生产制造流程通常包括原材料采购、生产加工、装配和包装等环节。
下面将详细介绍生产制造流程的各个环节。
首先,原材料采购是生产制造流程的第一步。
企业需要根据产品的需求,选择合适的原材料供应商进行采购。
在采购过程中,需要考虑原材料的质量、价格、供货周期等因素,以确保生产过程中原材料的充足和质量稳定。
接下来是生产加工环节。
在这个环节中,原材料将被加工成半成品或成品。
这个过程通常包括原料的加工、成型、热处理等工艺。
生产加工环节需要严格控制生产过程中的各项参数,以确保产品质量符合标准要求。
然后是产品装配环节。
在这个环节中,各个零部件将被装配成最终的产品。
装配过程需要严格按照产品装配图纸和工艺流程进行操作,以确保产品的装配质量和性能。
最后是产品包装环节。
在这个环节中,产品将被包装成最终的成品。
包装不仅仅是为了美观,更重要的是保护产品在运输和储存过程中不受损坏。
因此,包装材料和包装方式需要根据产品的特性和运输方式进行选择。
总的来说,生产制造流程是一个复杂而严谨的过程。
在每一个环节中,都需要严格控制质量,确保产品符合标准要求。
同时,生产制造流程也需要不断优化和改进,以提高生产效率和产品质量。
在实际生产中,企业需要根据自身的实际情况,结合先进的生产技术和管理方法,不断完善生产制造流程,提高生产效率,降低生产成本,提高产品质量,从而保持竞争力,赢得市场。
工业企业分生产运作概述工业企业的生产运作是指企业根据生产计划,将原材料转化为成品的过程。
为了提高生产效率和质量,工业企业通常会进行生产线分工和生产单元划分,以实现生产流程的优化和标准化管理。
本文将介绍工业企业分生产运作的相关内容。
1. 生产线分工在工业企业中,生产线分工是将生产过程按照不同的环节进行划分,并将不同环节的任务分配给不同的工人或机器进行处理。
生产线分工的目的是提高生产效率和产品质量,并降低生产成本。
一般情况下,生产线分工按照工序的不同进行,每个工序由不同的人员或设备负责。
例如,在汽车制造领域,生产线可以分为焊接、喷漆、总装等不同的工序,每个工序都有专门的工人或机器负责。
生产线分工的好处包括: - 可以提高生产效率:不同的工人或机器专注于自己擅长的领域,从而减少生产时间和资源的浪费。
- 可以提高产品质量:专门的工人或机器处理特定的工序,可以确保工序的准确性和质量。
- 可以降低生产成本:通过分工,可以实现生产过程的规模化和标准化,从而减少资源的浪费和成本的增加。
2. 生产单元划分除了生产线分工外,工业企业还可以将生产过程按照不同的产品或产品系列进行划分,形成不同的生产单元。
每个生产单元负责特定产品或产品系列的生产,包括原材料采购、生产计划制定、生产过程控制等。
生产单元划分的好处包括: - 有利于产品的专业化生产:每个生产单元负责特定产品或产品系列的生产,可以充分发挥人员和设备的专业化优势,提高产品的质量和竞争力。
- 有利于生产过程的灵活性和适应性:生产单元之间可以相对独立地进行生产运作,从而可以根据市场需求的变化灵活调整生产计划和生产过程,提供及时的产品供应。
3. 生产流程优化工业企业分生产运作的目的之一是通过优化生产流程提高生产效率和质量。
生产流程优化包括以下几个方面:a. 流程分析流程分析是对生产过程中每个环节进行详细的分析,包括工序的先后关系、工序的执行时间和资源消耗等。
通过流程分析,可以找出生产过程中的瓶颈和问题,以便进行改进和优化。
认识传统工业的生产流程
传统工业的生产流程主要分为以下几个阶段:
1. 原材料准备:首先需要准备相关的原材料,如金属、塑料、纺织品等。
2. 加工制造:将原材料进行加工和制造。
这一过程可以包括锻造、冲压、铸造、注塑、纺织等工艺。
3. 组装装配:将经过加工制造的零件进行组装和装配。
这可能涉及到机械装配、手工装配、焊接、粘接等方法。
4. 检验质量控制:对成品进行检验,确保产品符合质量标准和规范。
5. 包装和运输:将成品包装起来,以便运输和储存。
这包括使用适当的包装材料,如纸箱、塑料袋、包装纸等。
6. 销售与分销:将成品销售给市场,可能通过经销商、批发商或直接销售给客户。
需要注意的是,这只是传统工业的一般生产流程,不同行业和企业可能会有细微的区别。
现代工业生产流程可能包含更多的自动化和数字化技术,以提高生产效率和质量。
生产的全部流程在现代工业社会中,生产是供应各种商品和服务的重要环节。
生产的整个流程可以分为几个主要阶段,每个阶段都有其独特的作用和重要性。
本文将深入探讨生产的全部流程,从原材料采购到最终产品交付的全过程。
1. 原材料采购生产的第一步是原材料采购。
企业需要选择合适的原材料供应商,确保原材料的质量和供应稳定性。
采购部门负责与供应商进行洽谈,签订采购合同,并监督原材料的运输和质量检验。
2. 加工制造一旦获得原材料,接下来就是加工制造阶段。
生产部门将原材料按照一定的工艺流程进行加工,制造成半成品或成品。
生产过程中需要严格控制生产线的运作,确保产品质量和生产效率。
3. 质量检验在加工制造过程中,质量检验是至关重要的环节。
质量部门将对生产出的产品进行各项检测和测试,以确保产品符合质量标准和客户要求。
合格的产品将继续进行下一步工序,而不合格品将被返工或废弃。
4. 包装和运输生产完成后,产品需要进行包装和运输。
包装部门将为产品设计适当的包装方式,以保护产品在运输和储存过程中不受损坏。
运输部门负责选择合适的运输方式和物流渠道,将产品送达客户手中。
5. 售后服务生产并不仅仅是生产出产品,还包括售后服务的提供。
售后服务部门将协助客户安装、维修和保养产品,解决客户在使用过程中遇到的问题,提升客户满意度。
结语生产的全部流程是一个复杂而有序的系统,各个环节相互依赖,共同构成了一个完整的生产链条。
只有各个环节密切合作,互相协调,才能保证产品的质量和生产效率。
希望本文对生产流程有所启发,让我们更加深入地理解和关注生产这一重要环节。
纤维素企业生产工艺流程纤维素是一种重要的生物基材料,在工业生产中起到了非常重要的作用。
它可以用于制作纸张、纺织品、化学品、药品、食品等。
纤维素生产工艺流程是一个非常复杂的过程,需要经过多道工序才能得到最终的产品。
下面我们来详细介绍一下纤维素企业生产工艺流程。
首先,纤维素的生产过程通常是从植物的原料中提取,主要包括木材、竹子、草木、植物根茎、棉籽壳等。
这些原料经过预处理,如破碎、磨碎、除杂等,然后进入下一步工艺流程。
第二步是浸出。
在这一步,原料通常会被置于碱性溶液中,以使纤维素从原料中溶解出来。
这一步骤需要在严格的温度和压力控制下进行,以确保溶解效率和纤维素产物质量。
第三步是脱色。
在浸出过程中所得的溶液通常会含有大量的杂质和色素,需要进行脱色处理以得到纯净的纤维素溶液。
通常会使用化学漂白剂或者氧化剂进行脱色处理,也可以通过过滤或者沉淀的方式去除杂质和色素。
第四步是还原。
在得到纯净的溶液后,通常需要还原处理来得到纤维素的产物。
还原通常是在高温高压条件下进行,使用还原剂将纤维素还原成还原纤维素,同时还原剂会被还原成低价状态。
第五步是再生。
在脱色和还原的过程中,得到的纤维素产物一般为溶液状态,需要通过再生过程来得到纤维素的固体产品。
通常会通过蒸发浓缩、结晶沉淀、干燥等工艺步骤来将纤维素产物转化为固体产品。
第六步是加工。
得到的纤维素固体产品可以通过不同的加工工艺进行二次加工,以满足不同行业的需求。
比如制作纸张、纺织品、化学品、食品等。
最后,对于纤维素企业来说,生产过程中还需要严格控制废水、废气、废渣等污染物的排放,以确保生产过程的环保性。
总的来说,纤维素的生产工艺流程是一个较为复杂的过程,需要严格的工艺控制和设备支持。
随着科技的不断进步,纤维素生产工艺也在不断改进和完善,以满足市场对高品质纤维素产品的需求。
希望通过本文的介绍,读者能够对纤维素生产工艺流程有所了解,为相关领域的工作者提供一定的参考价值。
一、工业硅生产炉型及工艺工业硅的生产流程为:对硅矿石进行开采,将硅矿石经过洗选、筛分并干燥后,与碳质还原剂(石油焦、木炭、木片、洗精煤)一起送入矿热炉内,经过石墨电极通电加热炉内原料,在炉内发生高温还原反应,将硅石中的二氧化硅还原成工业硅液体,经过浇铸、通氧、冷却、破碎等步骤生产成块或粉状工业硅。
根据还原剂种类,工业硅生产可以分为全煤工艺与高煤高焦工艺,全煤工业中,还原剂仅使用硅煤和木块,而高煤高焦工艺还原剂为硅煤、石油焦、木炭及木片。
据百川盈孚统计,新疆东方希望使用全煤工艺进行生产,四川部分地区由于较为严格的环保政策,逐渐使用全煤工艺替代石油焦生产,剩余地区厂家基本使用高煤高焦工艺进行生产,还原剂根据各地原材料情况比例有所不同。
二、工业硅生产材料工业硅的生产环节中主要可以分为三大板块,原材料硅矿石、石墨电极以及各种碳质还原剂,上述部分占工业硅生产成本的40-45%,根据不同的生产工艺以及生产品位,所使用的原材料和碳质还原剂也各有不同,具体来看:1.硅矿石:自然界中硅元素储量丰富,占地壳总重量的25.7%,是仅次于氧的第二大元素。
通常以含氧化合物形式存在,其中最简单的就是硅和氧的化合物SiO2,是硅石的主要成分,根据其内部的组织结构分类,可以分为石英岩、脉石英、石英砂岩、粉石英和石英砂,具有不同纯度的SiO2,工业硅生产多使用石英岩和脉石英。
而根据工信部发布的《中华人民共和国黑色冶金行业标准(2014版)》可以将硅石分为耐火材料用硅石、铁合金用硅石、工业硅用硅石,其中耐火材料用硅石SiO2不低于96%,铁合金用硅石SiO2不低于97%,工业硅用硅石理化指标为SiO2不小于99%。
根据我国自然资源部2020年发布的数据,按照组织形式分类,我国石英岩、石英砂岩、石英砂三者的储量之和占硅石的98.21%,脉石英和粉石英储量占比仅有1.79%,主要分布在江西、安徽、海南等地区。
按照用途分类,冶金用硅石国内储量为24501.38万吨,占全国储量的10.37%,主要分布在青海、贵州、陕西地区,占比分别为35.16%,16.62%,11.45%.据我们前期调研了解,目前国内工业硅生产所使用的硅石,主产地主要来自于新疆、云南、湖北、江西等地。
工业企业生产流程制度(中英文实用版)英文文档:Industrial Enterprise Production Process SystemThe production process system of an industrial enterprise is a crucial aspect of its operations.It encompasses the methods, procedures, and policies that guide the transformation of raw materials into finished goods.This system ensures efficiency, quality, and compliance with industry standards.The first step in the production process is the acquisition of raw materials.This involves procuring high-quality inputs from reliable suppliers.Once received, the materials are inspected to ensure they meet the required specifications.ext, the production planning phase begins.This involves creating a detailed schedule of the manufacturing activities, taking into account the availability of resources and the production timeline.The production team then coordinates with other departments, such as engineering and quality control, to ensure a smooth workflow.The actual manufacturing process involves the use of machinery and equipment to transform the raw materials into the desired products.Skilled workers operate the machines, monitor the production process, and make adjustments as necessary.Quality control checks areperformed at various stages to ensure the products meet the desired standards.Once the manufacturing process is complete, the finished goods are inspected and tested to ensure they meet all quality requirements.Any defective products are identified and either repaired or discarded.The acceptable products are then packaged and prepared for distribution.In addition to the production process, an effective production system also includes waste management and environmental considerations.This involves minimizing waste generation and implementing recycling and reuse pliance with environmental regulations is also a critical aspect of the production process system.In conclusion, the production process system of an industrial enterprise is a complex and comprehensive framework that ensures efficient and high-quality production.It involves careful planning, coordination, and adherence to established procedures and policies.By maintaining an effective production process system, industrial enterprises can remain competitive in the market while ensuring customer satisfaction and regulatory compliance.中文文档:工业企业生产流程制度工业企业的生产流程制度是其运营的关键方面之一。
生产流程模板一、引言在现代工业生产中,生产流程是确保产品质量和生产效率的重要环节。
一个完善的生产流程模板能够帮助企业规范生产操作,提高生产效率,并确保产品的一致性和稳定性。
本文将介绍一个常用的生产流程模板,以供企业参考和使用。
二、生产流程模板的基本结构一个典型的生产流程模板包括以下几个部分:1. 产品信息- 产品名称:填写产品的名称或代号。
- 产品描述:简要描述产品的特征和用途。
2. 生产准备- 原材料准备:列出所需原材料的名称、规格和数量。
- 设备准备:列出所需设备的名称、型号和数量。
- 人力资源准备:列出所需人力资源的职责和数量。
3. 生产流程- 步骤1:详细描述第一个生产步骤,包括操作方法、所需时间和所需设备。
- 步骤2:详细描述第二个生产步骤,同样包括操作方法、所需时间和所需设备。
- ...- 步骤n:详细描述最后一个生产步骤。
4. 质量控制- 检验方法:列出产品质量检验的方法和标准。
- 抽样方法:说明产品抽样检验的方法和频率。
- 不合格品处理:描述不合格品的处理方式和责任人。
5. 安全措施- 安全要求:列出生产过程中的安全要求和注意事项。
- 紧急情况应对:描述生产过程中可能发生的紧急情况和应对措施。
6. 生产记录- 生产日期:记录每次生产的日期。
- 生产数量:记录每次生产的产品数量。
- 质量记录:记录每次生产的产品质量情况。
7. 变更记录- 变更日期:记录生产流程模板的变更日期。
- 变更内容:记录每次对生产流程模板的修改内容。
三、生产流程模板的使用方法使用生产流程模板时,需要按照以下步骤进行操作:1. 填写产品信息:在模板中填写产品的名称和描述。
2. 准备工作:根据产品的要求,准备好所需的原材料、设备和人力资源。
3. 执行生产流程:按照模板中的生产流程步骤,依次执行每个步骤。
4. 进行质量控制:在生产过程中进行质量检验,并按照模板中的标准进行判定和处理。
5. 注意安全:遵守生产过程中的安全要求,确保生产过程的安全性。
工业企业生产流程:签订合同,原料采购,验收入库,生产领用,生产加工,检验,装配产品,验收入库,签订销售合同,收款,发货,开票结算。
这是大致的工业生产企业流程。
一、审计立项与授权(一)审计立项审计立项是指确定具体的内部审计项目,即审计对象。
审计对象包括集团下属的各子公司,集团内部的各职能部门、各项经营活动或项目、系统等一、审计立项与授权(一)审计立项审计立项是指确定具体的内部审计项目,即审计对象。
审计对象包括集团下属的各子公司,集团内部的各职能部门、各项经营活动或项目、系统等。
审计对象的选择一般由以下三种方式决定:1、集团法审部通过对集团的经营活动进行系统地分析风险来制定年度内部审计工作计划表,经批准后逐项实施。
2、由集团总经理或董事会下达的计划外专项审计任务。
3、由被审计者提出审计要求,经批准实施审计业务。
(二)审计批准与授权对于已立项的审计项目,法审部应在审计实施前以正式报告的形式报集团总经理/主管副总经理审核、批准与授权。
二、审计准备在确定内部审计事项后,审计人员开始审计准备工作,制订审计计划。
审计准备工作包括以下内容:(一)初步确定具体审计目标和范围1、内部审计的总目标是审查和评价集团各项经营管理活动,协助集团组织的成员有效地履行他们的职责。
针对已确定的具体审计任务,审计人员应制定具体的审计目标以有助于拟定审计方案和审计工作结束后的审计评价。
2、内部审计的范围一般包括以下几个方面:1)公司内部控制系统的恰当性、有效性。
2)财务会计信息、资料的准确性、完整性、可靠性。
3)经营活动的效率和效果。
4)资产的完整和利用情况。
5)工程项目的预(概)、决算情况。
6)投资项目的可行性、可控性和效益性。
7)对法律、法规及政策、计划的遵守、执行情况。
审计人员应根据具体的审计任务确定具体的审计范围以确保审计目标的实现。
(二)研究背景资料在制定审计计划时应收集、研究审计对象的背景资料。
当审计对象为集团子公司、职能部门时,背景资料主要包括其组织结构、经营管理情况、管理人员相关资料、定期的财务报告、有关的政策法规和预算资料等。
当审计对象为某一项目、系统时,背景资料主要指其立项、预算资料、合同及相关责任人资料等。
如果在以前年度实施过内部审计,则应调阅以前的审计文件,关注以前的审计发现及审计对象对审计建议的态度。
(三)成立审计小组并确定审计时间不同的审计项目要求审计人员具备不同的知识和技能,根据实际业务的需要,审计部门应安排适当的审计人员,指定审计项目负责人,成立审计小组,并对审计工作进行具体的安排。
审计小组成立的同时,应初步确定审计时间,包括审计开始的时间、外勤工作时间、审计结束及审计报告的提出时间。
(四)准备初步审计方案审计方案是说明审计目标、范围和具体进行的程序。
完成审计工作后,审计方案是审计工作的记录。
审计方案在计划审计工作时由审计负责人初步制定,并在审计工作实际进行中根据需要进行修改和调整。
在被审计单位背景资料不全或实施突击性检查等情况下,审计人员也可以在审计过程中制订和完善审计方案。
(五)计划审计报告的提交方式、时间和对象(六)发出审计通知书在审计前,审计人员应通知被审计单位进行审计的时间、审计目标和范围,并要求被审计单位及时准备相关的文件、报表和其他资料、告知需要配合的相关事项。
在经授权实施突击审计的情况下,审计部门可不预先通知被审计单位。
以上为审计工作的准备阶段,完成准备工作后,审计工作即进入外勤工作阶段,主要包括步骤(三)、(四)、(五)、(六)。
三、初步调查(一)审计座谈会审计开始前,审计人员应与被审计单位负责人、财务负责人及其他相关人员召开审计座谈会。
了解基本情况,说明审计的目标和范围以及审计中需要提供的各种资料和需要协助的范围等。
(二)实地考察审计人员应实地观察被审计单位的经营地点、设备、职员及业务情况,对被审计单位的业务活动获得感性认识。
(三)研究文件资料对被审计单位提供的及实地考察过程中得到的文件资料进行整理归档,并进行查阅、研究。
(四)编写初步调查说明书初步调查完成后,审计人员应编写简要的初步调查说明书,概括被审计单位的基本情况及初步调查的实施情况。
四、分析性程序及符合性测试(一)分析性程序(比较、比率和趋势分析)审计人员应根据财务报表和有关业务(项目)数据计算相关比率、趋势变动,用定量的方法更好地理解被审计单位的经营状况或项目的实施和完成情况。
主要的分析、比较包括:实际与预算的比较;年度内各月份数据的比较及趋势分析;年度间数据的比较及趋势分析;账户间关系分析;财务和经营比率与前期、同类经营机构的分析比较;审计人员通过比较和分析各项指标所发现的异常情况,应引起充分关注,从而有针对性地采取更详细的审计程序来审查重点领域。
(二)描述和分析内部控制设计的恰当性审计人员应采用绘制流程图、文字说明等方式描述被审计单位现有的内部控制制度。
审计人员应在认真研究、分析被审计单位现有内部控制系统的相关制度、规定等文件的情况下,对内部控制系统设计的恰当性进行评价。
(三)初步分析和评价内部控制执行的有效性1、审计人员可采用内部控制调查表或询问相关人员等方式获得内部控制执行情况的相关信息。
2、审计人员可采用对经营活动进行“穿行测试”或小样本测试的方式,初步评价内部控制系统的执行情况。
“穿行测试”是审计人员针对关键控制点,选取一定的交易和经营活动进行程序测试或文件测试(根据组织的记录来追踪选定测试项目的整个过程)。
小样本测试是选择较少的样本量对选定项目进行测试、复核,以测试真实性,了解经营活动或项目实施的实际处理是否与预期一致。
3、研究信息系统的控制制度、进行信息系统的相关测试。
信息系统的内部控制涉及到被审计活动的信息收集、处理、传递和保管各个环节。
尤其是集团各下属企业和部门的信息系统控制的有效性、恰当性直接影响其资金、资产安全及财务信息等的准确、完整性。
审计人员应对被审计单位信息系统的内控制度进行全面熟悉与分析,并根据实际情况进行相关的测试。
4、分析重大风险领域,确定重点审计的范围及方法。
通过对内部控制系统进行描述和测试后,审计人员应对被审计单位的内部控制情况进行分析并做出初步评价,评估风险,确定控制薄弱环节以及审计的重点。
五、实质性测试及详细审查(一)实质性测试及详细检查实质性测试及详细检查是在对内部控制的初步评价基础上,运用适当的审计技术详细审查、评价被审计单位的经营活动。
(二)审计证据的收集及判断审计人员应收集充分的、可靠的、相关的和有用的审计证据(包括文件、函证、笔录、复算、询问等),进行审核、分析与研究,形成审计判断。
一般应包括以下内容:1、加总相关明细账户余额与总账余额比较核对二者是否一致。
2、运用统计抽样,抽查会计记录,从凭证到账户。
3、巡视库房,抽查清点库存物品等账面存货,确定存货的保管情况以及存货资产的存在性、完整性及计价的准确性。
4、清查固定资产,确定资产的管理、使用情况以及增减值情况。
5、盘点现金,核对银行存款余额,确定货币资金的安全性及账实核对情况。
6、函证主要往来账户余额,选取无法函证或未取得回函的重要账户实行替代程序,确定往来结算的准确性。
7、审核收费系统的收入日报表、商品销售日报表、现金收入日报表,交叉核对并与系统核对一致。
8、审核各类经济合同,对重要合同签订的招、投标及执行情况进行审查与评价。
9、审查工程的预、决算资料,复算工程量,确定工程支出的合理性、准确性。
10、检查采购计划、采购合同与fapiao、入库单、付款支票是否一致。
11、采用分析性复核程序,审查成本计算的准确性、折旧计提的正确性等。
12、检查涉税项目,确定被审计单位是否遵守国家税收法律、法规及其他规定,是否按时、足额缴纳税款。
13、审核费用的发生情况、审批手续,确定其真实性、合法性、合理性。
14、其他审计程序六、审计发现和审计建议内部审计人员通过执行初步调查、符合性测试和详细审查,收集适当的、有用的及相关的审计证据,并通过分析与评价形成审计发现,并提出适当的审计建议。
(一)审计发现审计发现应包括事实、标准及期望、原因及结果。
事实是指在审计过程中审计人员发现的实际情况、相关问题。
标准及期望是指评价这些问题所依据的相关政策、规范、考核目标、预算指标等。
原因是审计人员分析的实际情况与相关标准产生差异的原因。
结果是指实际情况与标准产生差异造成的影响及相关风险。
审计人员应用书面文字、相关图表等详细阐述相关的审计发现,审计人员成文的审计发现应有相关的审计证据来支持。
(二)审计建议审计人员应根据具体的内部控制情况及相关的审计发现提出具体的、适当的审计建议,以利于被审计单位完善内部控制、降低经营风险。
七、审计报告(一)审计复核与监督审计项目负责人应对审计人员的审计工作底稿及收集的相关证明资料进行详细的复核,并对审计人员实施的相关审计程序进行适当的监督和管理。
(二)整理审计工作底稿并编写意见交换稿1、外勤工作中,审计人员应对编制的审计工作底稿及收集的相关文件、报表、记录等证据资料及时整理、归类。
审计人员应根据统一的标准对审计工作底稿及证据资料编制索引号,以便查阅。
2、召开退出会议前,审计项目负责人应编写详细的意见交换稿,也可以编制审计报告初稿代替。
意见交换稿应简要说明项目的审计目标、审计范围、实施的审计程序,并对具体的审计发现和初步的审计建议进行详细阐述。
(三)交换意见与被审计单位的沟通包括重大问题的沟通及退出会议上的意见交换。
1、重大问题主要是指,在审计过程中发现的正在进行的重大违规或对集团利益造成严重损害的问题。
在这种情况下,需要被审计单位马上采取相关的措施。
审计人员应根据具体情况分析所发现问题的实质及影响,确定沟通的对象,并报集团总经理分管副总经理批准。
2、召开退出会议,就相关审计发现与审计建议与被审计单位交换意见。
外勤工作结束前,审计人员应与被审计单位负责人及相关责任人召开退出会议,就意见交换稿上的相关问题听取被审计单位的解释与意见,并详细记录。
双方应在意见交换书上签名确认。
对在有关问题上的不同意见,可由被审计单位进行书面陈述并交与审计人员与审计人员的审计发现与建议一齐归档,以便查阅、分析。
(四)编制正式审计报告外勤工作结束后,审计项目负责人应及时编制正式的审计报告。
正式的审计报告是在意见交换稿的基础上根据与被审计单位沟通的结果,正式编制完成。
审计报告应用简捷、扼要的文字阐述审计目标、审计范围、审计人员执行的审计程序以及审计结论,并适当地表明审计人员的意见。
被审计单位对审计结论和建议的看法,也可根据需要包括在审计报告中。
(五)审核并报送审计报告审计部门负责人应对审计报告及相关的审计资料进行详细审核,确认后正式报送给集团总经理分管副总经理,并对审计结果进行简要的口头汇报。