船舶涂料检测报告
- 格式:docx
- 大小:28.44 KB
- 文档页数:14
船舶涂装质量的检测内容及方法要点钣金喷漆 >涂装质量的检测内容及方法文章来源:作者:发布时间: ( 2021-11-12 ) 浏览次数:12一、涂料施工性能的检测涂料的施工性能是至关重要的,它直接影响到涂膜的质量。
现代化流水线的涂装生产中,对涂料施工性能的检测是涂装生产前的重要准备工作。
如果涂料施工出现质量问题,其损失将是很大的。
所以,必须要在涂装前作好涂料施工性能的检测。
(一)涂料施工性能包含的内容涂料施工性能,包括从将涂料施工到被涂物上开始,至形成干燥的漆膜为止。
其中包括施工性(刷涂性、喷涂性或刮涂性)、双组分涂料的混合性能、活化时间和使用有效时间、使用量和标准涂装量、湿膜和干膜厚度、流平性、流挂性、最低成膜温度、干燥时间、遮盖性能等。
对电泳漆、粉末涂料则各有其特定的施工性能。
对涂料施工性能的检测是对涂料能否符合被涂物需要的一个重要检验,也是防止涂装质量出问题的一个重要措施。
(二)涂料施工性能具体检测的主要内容及方法 1、使用量涂装施工的使用量,是指涂料在正常施工的情况下,在单位面积上制成一定厚度的涂膜所需用的漆量,以g/m2为单位表示。
使用量的测定,可作为设计和施工单位作估算涂料用材计划的参考。
测定的方法有刷涂法和喷涂法。
喷涂法所测得的数据,不包括喷涂时飞溅和损失的部分,因此,它比实际消耗量低。
测试的方法我国目前执行GB-79(89)涂料使用量测定法。
2、施工性施工性用来测定涂料产品施工的难易程度。
液体涂料施工性能好,涂料用刷、喷或刮涂等方法施工,都很容易把涂料涂装在被涂物表面上,而不易出现因涂装方法引起的涂装质量问题。
根据施工方法,对施工性分别称为刷涂性、喷涂性和刮涂性(对腻子的施工)等。
施工性的考查用实际施工结果给予定性的结论,在评定时存在着主观因素,所以最好用与标准样品比较得出结果。
测试的方法我国目前执行GB-753.6-86涂料产品的大面积刷涂试验。
3、流平性流平性是涂料施工性能中的一个重要项目。
大连涂料检验报告,出具CMA检测报告1. 大连涂料检验报告1.1 检验概述本次涂料检验的目的是对大连某涂料厂生产的涂料进行质量检测,以确保其符合相关标准要求。
本次检验涵盖了涂料的物理性能、化学成分、外观质量等方面。
1.2 检验方法本次检验采用了以下方法进行涂料检测:- 物理性能测试:粘度测定、干燥时间测定、耐热性测试等。
- 化学成分测试:挥发性有机化合物含量测定、重金属元素含量测定等。
- 外观质量检验:颜色一致性、光泽度、附着力等。
2. 检验结果2.1 物理性能测试结果- 粘度测定:在25℃下,涂料的粘度为XX mPa.s,符合标准要求。
- 干燥时间测定:涂料的干燥时间为XX小时,符合标准要求。
- 耐热性测试:经过XX℃高温暴露XX小时后,涂料表面没有出现明显的变化,符合标准要求。
2.2 化学成分测试结果- 挥发性有机化合物含量:涂料中的挥发性有机化合物含量为XX%,低于标准限值要求。
- 重金属元素含量:涂料中的铅、汞、镉等重金属元素含量均低于标准限值要求。
2.3 外观质量检验结果- 颜色一致性:所有批次涂料的颜色与样品颜色一致。
- 光泽度:涂料的光泽度为XX,满足标准要求。
- 附着力:经划格试验,涂料与基材的附着力良好。
3. 结论与建议综合以上检验结果,大连某涂料厂生产的涂料在物理性能、化学成分和外观质量等方面均符合标准要求。
建议涂料厂继续保持生产过程中的质量控制,以确保产品的一致性和稳定性。
4. 附件本文档涉及的附件详见附件清单。
5. 法律名词及注释- 涂料:一种用于涂刷在物体表面,用于保护和美化物体的物质,通常由树脂、颜料、稀释剂和助剂等组成。
- 物理性能:指涂料在物理状态下的特性,如粘度、干燥时间、耐热性等。
- 化学成分:指涂料中的化学元素和化合物组成。
- 外观质量:指涂料在视觉上的外观特征,如颜色、光泽度、附着力等。
2. 出具CMA检测报告1. 检测概述本次检测报告出具的目的是通过对某产品进行CMA认证检测,以验证其符合相关标准和法规要求。
(完整word版)船舶、游艇检验报告(2023完整)船舶、游艇检验报告(2023完整)1. 引言本报告基于对船舶、游艇的检验工作进行全面调查和分析,旨在评估其性能和安全性,并提供相应的建议和改进措施。
2. 检验目的本次检验的目的是确保船舶、游艇在设计、制造和使用过程中符合相关标准和规定。
通过对船舶、游艇的核心部件、结构和系统进行细致的检查,以确保其安全性和使用性能,为船舶、游艇的使用者提供安全保障。
3. 检验范围本次检验主要包括以下方面:- 船舶、游艇的外观和内部结构检查- 船舶、游艇的机械系统检查,包括发动机、推进装置等- 船舶、游艇的电气系统检查,包括电器设备、电缆布线等- 船舶、游艇的安全设备检查,包括救生设备、消防设备等- 船舶、游艇的航行设备检查,包括导航系统、通信设备等4. 检验方法本次检验采用以下方法:- 目视检查:对船舶、游艇的外观、内部结构、设备状况进行目视检查,以确定是否存在损坏、磨损或其他异常情况。
- 测试检查:对船舶、游艇的机械系统、电气系统、安全设备、航行设备等进行测试检查,以确认其运行状态和功能是否正常。
5. 检验结果本次检验得出以下结果:- 船舶、游艇的外观和内部结构整体良好,并无明显的磨损、损坏或其他异常情况。
- 船舶、游艇的机械系统、电气系统正常运行,各项指标符合相关标准和规定。
- 船舶、游艇的安全设备完好有效,能够满足相关安全要求。
- 船舶、游艇的航行设备如导航系统、通信设备等正常工作。
6. 建议和改进措施根据本次检验的结果,提出以下建议和改进措施:- 定期维护:建议船舶、游艇的使用者定期进行维护和保养工作,以确保其长期稳定的性能和安全性。
- 更新设备:根据航行设备的技术发展和更新需求,建议及时更换和升级老化的设备,以提高船舶、游艇的使用效果和安全性。
7. 结论本次船舶、游艇的检验结果显示其性能和安全性良好,符合相关标准和规定。
在维护和更新设备的前提下,船舶、游艇可以继续安全使用。
涂料船级社认证测试要求篇一【涂料船级社认证测试要求】为啥要搞这个涂料船级社认证测试要求呢?这可不是咱闲着没事干。
随着航运业的发展,船舶涂料的质量那可是至关重要。
好的涂料能保护船舶不受海水侵蚀,延长船舶的使用寿命,保障航行安全。
要是涂料质量不过关,那可就麻烦大啦!下面咱就来好好说说这些要求:**一、涂料性能要求**1. 耐腐蚀性:这涂料得能在海水里泡上个好几年,腐蚀程度不能超过 5%,你说要是一两年就被腐蚀得不成样子,那船还能安全吗?2. 耐磨性:在船舶航行过程中,难免会有各种摩擦,这涂料可不能轻易就被磨掉了,至少要经得起 1000 次高强度的摩擦,这要求不过分吧?3. 附着力:涂料得紧紧地贴在船身上,不能随便一刮就掉,附着力低于 90%那可不行!**二、环保要求**1. 挥发性有机物(VOC)含量:可不能让这涂料释放出太多有害气体,VOC 含量必须低于 50g/L,不然对船员和环境都是个大威胁,难道你想在毒气室里工作?2. 重金属含量:像铅、汞、镉这些重金属可不能超标,要不然污染了海洋,咱们可就成了罪人啦!**三、施工要求**1. 施工温度:要在 5℃至 40℃之间施工,温度不合适可会影响涂料的效果,这道理大家都懂吧?2. 施工厚度:每一层涂料的厚度得均匀,误差不能超过 10%,要不然有的地方厚有的地方薄,能好看吗?这些要求可都是为了保证涂料的质量和船舶的安全,要是达不到这些要求,那认证可就别想通过,船舶也别想出海!大家都得重视起来,可别不当回事儿!篇二【涂料船级社认证测试要求】嘿,你知道为啥咱要整这涂料船级社认证测试要求吗?简单来说,就是为了让船舶穿上一件“坚固耐用又环保的衣服”!要是这衣服质量不行,船在大海里跑着跑着出问题了,那可咋整?来,看看具体要求:**一、化学成分要求**1. 有机成分比例:涂料中的有机成分得控制在合理范围内,比如说70%至 80%,多了少了都不行,这可不是闹着玩的!2. 无机成分稳定性:无机成分得稳定,不能说今天好好的,明天就分解了,这不是瞎折腾吗?**二、防火要求**1. 阻燃性能:这涂料得有一定的阻燃能力,万一船上着火了,可不能让涂料助燃啊!得能承受至少 30 分钟的高温不燃烧,你想想,这多重要!2. 烟密度:着火时产生的烟可不能太浓,不然船员都看不清路,怎么逃生?烟密度不能超过 50%。
船舶防污涂料抗菌性与抗硅藻附着性能实验室测试白秀琴;张德阳;贺小燕;常江凡【摘要】为了评价船舶防污涂料的抗菌性能和抗硅藻附着性能,采用超景深显微镜、接触角测量仪对防污涂层表面形貌、水接触角进行测量,并采用GB/T 21866—2008《抗菌涂料抗菌性测定法和抗菌效果》对抗菌性进行测试,设计静态防污实验对涂层抗硅藻附着性能进行测试,建立有效的实验室测试评价方法.测试结果表明,选用的防污涂料均具有良好的抗菌性,但是在抗硅藻附着性能上差异化明显,对于低表面能防污涂料,在实验室静态条件下没有抗硅藻附着能力,需要静态实验与动态实验相结合,才能准确评价此类防污涂料的防污性能.【期刊名称】《船海工程》【年(卷),期】2018(047)004【总页数】5页(P55-59)【关键词】海洋污损;抗菌性;抗硅藻附着;防污涂料【作者】白秀琴;张德阳;贺小燕;常江凡【作者单位】武汉理工大学能源与动力工程学院,武汉430063;武汉理工大学能源与动力工程学院,武汉430063;武汉理工大学能源与动力工程学院,武汉430063;武汉理工大学能源与动力工程学院,武汉430063【正文语种】中文【中图分类】U672.7船舶防污涂料在投入使用之前,必须验证其防污性能[1-2],目前采取的方法主要有浅海浮笩静态浸泡试验,小面积的船体表面涂装实验和海上实船考核。
这些实验能够较为全面、准确地评价防污涂料的防污性能,但是实验周期长、成本高,耗费大量的人力、财力,并且存在诸如试样丢失、残缺等众多不稳定的因素,不利于实验开展。
在实验室进行抗菌性能和抗硅藻附着性能测试,预判其防污效果方面,有学者采用叶绿素实验检测试样表面舟形藻的附着情况,实验表明室内静态浸泡实验可以有效地评估防污涂料的防污性能[3],然而实验步骤复杂。
也有以海洋细菌、甲壳类幼虫、海藻等为目标生物,研究自抛光防污涂料涂层对典型海洋污损生物的毒性效应[4],这种方法可以快速有效地评价含防污剂涂料的防污性能,但是无法判断不含防污剂样品的防污性能。
《产品认可指南》二期涂料修改稿第4篇非金属材料第1章涂料1.1适用范围1.1.1本章适用于船舶用涂料的工厂认可和检验,海上设施用涂料可参考使用。
1.1.2按在船舶上的使用部位和用途,本章将船舶涂料分为船用车间底漆、船体防锈漆、船体防污漆、阳极屏涂料、船用防锈漆、船用水线漆、船壳漆、甲板漆、船用货舱漆、舱室内部用面漆、船用饮水舱漆、船舶压载舱涂料、船用油舱漆、机舱舱底涂料,分类及用途见表1.1.2:1.2认可和检验依据(1)CCS《钢质海船入级规范》、《材料与焊接规范》、《船舶结构防腐检验指南》;(2)IACS PR34(2008.07 Rev.3 Corr.1)《关于在IACS散货船和油船结构共同规范中实施MSC.215(82)决议通过的IMO保护涂层性能标准(PSPC)的IACS程序要求》;(3)IMO《1974年国际海上人命安全公约》及其修正案;(4)IMO《国际控制船舶有害防污底系统公约》简称AFS;(5)IMO MSC.215(82)《所有类型船舶专用海水压载舱和散货船双舷侧处所保护涂层性能标准》、MSC.244(83)《散货船和油船空舱处所保护涂层性能标准》;(6)IMO MEPC.102(48)《船舶防污底系统检验和发证指南》、MEPC.104(49)《船舶防污底系统简单取样指南》、MEPC.105(49)《船舶防污底系统检查指南》;(7)ISO/DIS 20340《色漆和清漆-海上和有关结构防护漆系统性能要求》;(8)国家标准及CCS接受的其它标准。
以上标准发生变动,CCS遵循最新有效标准的规定。
1.3术语和定义(1)涂料:涂于物体表面能形成具有保护、装饰或特殊性能(如绝缘、防腐、标志等)的固态涂膜的一类液体或固体材料之总称,又称“漆”。
(2)底漆:多层涂装时,直接涂到底材上的涂料。
(3)涂层:经一次施涂所得到的连续的膜。
(4)漆膜:涂于底材上的一道或多道涂层所形成的连续的膜。
(5)涂装:将涂料涂覆于基底表面形成具有防护、装饰或特定功能涂层的过程,又称涂料施工。
船舶涂料检测报告船舶涂料检测涂料检测之船舶涂料检测船舶涂料是对用于船舶及海洋工程结构物各部位,满足防止海水、海洋大气腐蚀和海洋生物附着及其他特殊要求的涂料的统称,该类涂料一般要求具有良好的附着力、较好的耐水性、耐化学品性和耐磨性。
下面以科标检测为例来对于船舶涂料检测做简要说明。
科标无机检测中心可专业提供船舶涂料相关检测服务,中心主要根据国内外被广泛接受的标准进行检测并出具相关的检测报告。
一、主要检测产品:1、甲板漆、船壳漆,船用油舱漆,船用车间底漆,船用防锈漆,船舶压载舱漆,船用水线漆,船用货舱漆,机舱舱底涂料,船用饮水舱涂料,船体防污防锈漆;2、L44-87铝粉沥青船底漆,L40-39沥青防污漆,L40-40沥青防污漆,L44-87铝粉沥青船底漆;3、船舶及海洋工程阳极屏涂料,防腐蚀涂料二、检测项目:1、物理性能:外观、透明度、颜色、附着力、粘度、细度、灰分、PH值、闪点、密度、体积固体含量等;2、施工性能:遮盖力、使用量、消耗量、干燥时间(表干、实干)、漆膜打磨性、流平性、流挂性、漆膜厚度(湿膜厚度、干膜厚度)等;3、化学性能:耐水性,耐酸碱性,耐腐蚀性,耐磨性,耐候性;4、有害物质:VOC、苯含量、甲苯、乙苯、二甲苯总量、游离甲醛含量、TDI 和HDI含量总和、乙二醇醚、重金属含量(铅、汞、铬、镉等)。
三、部分检测标准:GB/T 9261-2008甲板漆GB/T 6745-2008船壳漆GB/T 6746-2008船用油舱漆GB/T 6747-2008船用车间底漆GB/T 6748-2008船用防锈漆GB/T 6823-2008船舶压载舱漆GB/T 9260-2008船用水线漆GB/T 9262-2008船用货舱漆篇二:船舶涂料与涂装技术作业船舶涂料与涂装技术作业——辣椒素低表面能船舶防污涂料完成人:班级:姓名:大连海事大学完成时间:2015.6.29- 1 -设计思路1.通常的海洋防污技术是以毒料释放型防污为主要途径,通过涂料中可释放的铜、锡、汞、铅等防污剂,在材料周围形成对海洋植物孢子以及海洋动物幼虫有毒杀作用的毒料浓度层,从而达到防污效果。
最新船舶涂料特性检测方法介绍金晓鸿(中船重工集团公司第七二五研究所厦门分部,厦门双瑞船舶涂料有限公司 361101)摘要:对船舶涂料的特性检测方法作了介绍。
关键词:船舶涂料;性能测试;标准中图分类号:TQ 630.7+2 文献标识码:A 文章编号:1009-1696(2008)06-0032-040 前言在大海中航行的船舶,保证船舶的安全和对海洋环境的保护是至关重要的事情。
作为将船舶结构材料里里外外包覆的船舶涂料起到了重要作用,尤其在面临严酷的海洋腐蚀环境中,船舶的各种防腐涂料承担着主要防护功能,因此设计和选择船舶涂料的特性试验方法也相当重要。
近年来,国际海事组织(IMO)对船舶压载舱、货油舱、空舱等部位的保护涂层正在制定一些强制性和推荐性标准,提出了一些专门的试验方法和程序。
我国的相关船舶涂料的国家标准中也有一些船舶涂料的专用试验方法,本文将分别予以介绍。
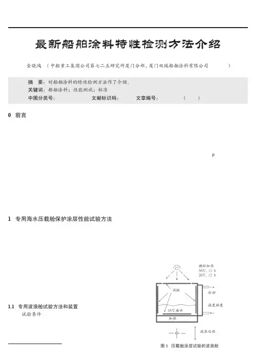
1 专用海水压载舱保护涂层性能试验方法2006年12月8日的国际海事组织(IMO)海上安全委员会(MSC)第82次会议通过了海上人命安全公约(SOLAS)的修正案,其中作为公约的附件之一,专用船舶压载舱保护涂层性能标准(简称PSPC)也成为了强制性的标准。
在PSPC中,为了保证压载舱保护涂层具有15年的预期使用寿命,在保护涂料的实验室性能试验中,规定了专用波浪舱和冷凝舱的试验方法,因为该试验方法和试验装置的特殊性,没有以往的试验设备可以参照,介绍如下。
1.1 专用波浪舱试验方法和装置1.1.1 试验条件专用波浪舱是一种模拟压载舱条件的试验,应满足下列各项条件:(1) 试验期为180 d。
[收稿日期] 2008-05-07(2) 5块试验样板,每块样板尺寸为200 mm×400 mm×3 mm。
分别位于波浪舱的顶部、侧面和底面。
其中的2块样板,焊上U型条,以模拟压载舱内的加强筋焊接结构型式。
样板应按照标准的表面处理要求:喷射(或喷砂)处理至Sa 2.5级,粗糙度介于30~75 μm,钢板表面的水溶性盐含量(相当于氯化钠)≤50 mg/m2。
新型船舶涂料性能评定和标准金晓鸿 (中国船舶重工集团公司第725研究所厦门分部,福建361002)摘要:叙述了船舶防锈涂料、防污涂料的性能对比和研究,对相关的性能评定及标准提出了修改建议。
关键词:防锈涂料;防污涂料;性能评定;标准在使用各类船舶去探索未知世界和开发利用海洋的历史进程中,就一直面临着海水的严重腐蚀环境和防除海洋附着生物的问题。
在众多防污方法中,采用船舶防锈涂料和防污涂料是船舶防锈防污方法中最方便和最可实际应用的手段。
防锈防污涂料的发展也促进相应的性能检测方法和标准。
1 船舶防锈涂料的性能检测和标准在各类船舶保护涂料中,对钢基体来讲,防锈涂料是最基本的材料。
船底防锈涂料从沥青系、乙烯系、氯化橡胶系到目前普遍应用的环氧沥青系,但由于沥青致癌的危险性,已引起世界各国的关注和限制,采用厚膜的纯环氧系作为船底防锈涂料已成为趋势。
一次干膜厚度超过100um已是普遍,但是相应的性能检测方法,特别与相关的国家标准比较,就有许多不适应,如附着力对防锈涂料来讲,是一项最基本的性能评定方法,还有其他物理性能,如柔韧性、抗冲击性等,其方法和指标方面都有不适应的,表1说明目前国标船舶涂料的附着力和其他试验方法比较。
从表1可以看到:(1)附着力试验方法虽然多数已采用直接拉开法,但是直接拉开法也有多种试验方法和对应的仪器,对于一种涂料采用不同的测量方法和仪器,其测量的结果会有很大的不同,如目前在施工现场对涂料体系采用附着力试验的方法:ASTM D4541和便携式附着力测定仪,按目前标准规定的仪器有A1~A5共5种,有人采用其中4种仪器,分别对同一种涂料体系进行测定,发现结果有很大的差异,表2说明试验结果情况。
从表2可以看到,在应用直接拉开法进行附着力测试时,有必要说明采用的试验方法和试验仪器,只有采用同一试验方法和试验仪器的比较才有意义,而同一方法(如:ASTM D4541)、不同仪器就可能有不同的结果,这种由于试验方法和试验仪器不同而造成的差异在对不同涂料进行比较时应当仔细分析结果。
涂料检测报告目录1. 涂料检测报告的重要性1.1 涂料检测的定义1.1.1 涂料检测的概念1.1.2 涂料检测的意义1.2 涂料检测的内容1.2.1 化学成分检测1.2.2 物理性能检测2. 涂料检测报告的常见项目2.1 VOC含量检测2.1.1 VOC的危害2.1.2 VOC检测的方法2.2 耐候性能检测2.2.1 耐候性能的影响因素2.2.2 耐候性能检测方法3. 涂料检测报告的应用范围3.1 工业领域3.1.1 汽车制造3.1.2 机械设备3.2 建筑领域3.2.1 室内涂料3.2.2 外墙涂料4. 涂料检测报告的作用和意义4.1 保障产品质量4.1.1 产品质量认证4.1.2 质量管控4.2 保护人类健康4.2.1 VOC限制4.2.2 减少污染---涂料检测报告的重要性涂料检测的定义涂料检测的概念涂料检测是指对涂料产品进行相关性能、成分等方面的检测分析,以确保涂料品质符合标准要求。
涂料检测的意义涂料检测能够评估涂料产品的质量和性能,为产品的生产和使用提供重要依据,保障人类健康和环境安全。
涂料检测的内容化学成分检测化学成分检测主要包括有害物质含量检测、重金属元素检测等,确保涂料产品不含有害物质,符合环保要求。
物理性能检测物理性能检测包括耐磨性、耐候性、附着力等性能的检测,保证涂料产品具有良好的性能表现和使用寿命。
---涂料检测报告的常见项目VOC含量检测VOC的危害挥发性有机化合物(VOC)是涂料中常见的有害物质,长期接触可能对人体健康产生危害,如引发呼吸道疾病等。
VOC检测的方法VOC含量检测通常采用气相色谱等检测技术,确定涂料中VOC的浓度,评估其对环境和人体的危害程度。
耐候性能检测耐候性能的影响因素耐候性能受到光照、温度、湿度等多种因素的影响,对涂料产品的使用寿命和外观保持具有重要意义。
耐候性能检测方法耐候性能检测常通过模拟自然环境,如光照老化试验、盐雾试验等,评估涂料产品的抗老化性能和耐候性。
船舶涂料行业报告一、行业概况。
船舶涂料是一种专门应用于船舶表面的保护性涂料,其主要功能是防止船体腐蚀、抗海洋生物附着、减少水阻力、提高船体速度等。
船舶涂料市场主要分为新造船和船舶维修两大部分,其中新造船市场需求受全球船舶制造行业的影响,而船舶维修市场则受到船舶运营情况的影响。
二、市场规模。
根据市场研究报告显示,全球船舶涂料市场规模呈现稳步增长的趋势。
2019年,全球船舶涂料市场规模达到了约50亿美元,预计到2025年将达到65亿美元。
亚太地区是全球船舶涂料市场的主要增长驱动力,其中中国、韩国、日本等地区的船舶制造业发展迅速,对船舶涂料市场的需求也在不断增加。
三、市场需求。
船舶涂料的市场需求主要来自于船舶制造业、船舶维修业以及海洋工程等领域。
随着全球贸易的增加,船舶运输需求也在不断增加,这推动了船舶涂料市场的发展。
另外,环保意识的提高也促使船舶涂料行业向着环保型、低VOC的方向发展。
四、行业竞争格局。
目前全球船舶涂料市场竞争格局较为激烈,主要的竞争对手包括阿克苏诺贝尔、PPG、亚洲油漆等知名企业。
这些企业在产品技术、品牌知名度、销售渠道等方面都具有一定的优势。
另外,一些新兴企业也在不断涌现,它们往往以创新产品、定制化服务等方式来挑战传统企业的地位。
五、发展趋势。
未来,全球船舶涂料市场将呈现以下几个发展趋势:1. 环保型涂料的发展。
随着全球环保政策的不断加强,船舶涂料行业也将朝着环保型、低VOC的方向发展,研发更加环保的产品。
2. 高性能涂料的需求增加。
船舶运营商对于船舶性能的要求越来越高,因此对高性能船舶涂料的需求也在增加。
3. 服务化趋势。
船舶涂料企业将更加关注客户需求,提供定制化的产品和服务,以满足不同客户的需求。
4. 亚太地区市场的增长。
亚太地区的船舶制造业发展迅速,对船舶涂料的需求也在不断增加,未来亚太地区市场将成为全球船舶涂料市场的主要增长点。
六、市场挑战。
船舶涂料行业也面临一些挑战,主要包括原材料价格波动、技术创新压力、环保法规的不确定性等。
P I工作报告海洋船舶涂料修船油漆检查施工报告船名:中国渔政201船东公司:东海渔政局船厂:舟山沈家门船舶修造有限公司日期:2003.4.12-2003.5.10进坞修理原因:常规修理abcdeP I工作报告海洋船舶涂料施工部位.平底.直底.干舷.甲板.上层建筑.等ABCDEP I工作报告海洋船舶涂料船舶资料坞修历史记录ABCDEP I工作报告海洋船舶涂料油漆情况检查摘要污染情况检查细节ABCDEP I工作报告海洋船舶涂料ABCDEP I工作报告海洋船舶涂料油漆情况检查细节ABCDEP I工作报告海洋船舶涂料表面准备细节ABCDEP I工作报告海洋船舶涂料油漆配套ABCDEP I工作报告海洋船舶涂料油漆配套ABCDEP I工作报告海洋船舶涂料油漆使用摘要ABCDEP I 工作报告 海洋船舶涂料无有无是是有同意流挂ABCDE船东代表是否同意与原配套不相符的地方产品问题证明无质量问题。
船东是否注意到油漆施工未达标准工厂是否注意到油漆施工/表面处理准备未达标准例外报告东代表感觉此次EPA007似乎与上条船的EPA007有质量不同,后来用同样的EPA007喷干舷时笫二部份状态及问题异常天气状况(*不适用于新造船)机械/人员方面的问题材料方面的问题1)沈家门船厂油漆工没有预涂经验,对边角死角部位预涂较差,尽管多次劝告他们,但他们很不习惯,也不愿意,也不很努力认真的去做预涂。
产品代码稀释剂沉淀干喷2)喷涂舷墙内侧时,因为喷漆工的技术水平和喷涂技巧较差,造成明显的EPA007流挂,但船右舷左舷船艏船艉。
船用涂料分析报告模板1. 概述本报告旨在对船用涂料的性能参数进行分析,并提供数据结果和建议,以帮助船东或使用船舶的企业进行合理的涂料选择和使用。
本分析报告针对以下两种涂料进行分析:•防污漆•重防腐涂料2. 实验方法本次分析采用以下方法和步骤进行:1.对涂料中各种化学物质进行检测。
2.对涂料进行干燥时间、硬度、附着力、弯曲耐折等性能的测试。
3.综合以上数据分析涂料的适用范围和潜在问题。
3. 数据结果3.1 防污漆分析结果化学物质检测结果本次检测的防污漆主要含有以下化学物质:化学物质含量(%)铜 5.8偏铜氧化物10.2亚铜绿 4.3酸 2.6性能测试结果1.干燥时间:8小时。
2.硬度:5H。
3.附着力:第一等级。
4.弯曲耐折:30次。
3.2 重防腐涂料分析结果化学物质检测结果本次检测的重防腐涂料主要含有以下化学物质:化学物质含量(%)锌粉18.6硅酸钡 4.2红色氧化铁 3.5碳酸钙7.9性能测试结果1.干燥时间:24小时。
2.硬度:7H。
3.附着力:第二等级。
4.弯曲耐折:50次。
4. 结论综合以上数据分析,本次防污漆分析结果表明,此种防污漆主要是以铜为主要成分,适用于较浅海域和淡水环境下使用,但也存在铜污染对环境影响较大的问题。
而在重防腐涂料方面,其主要以锌粉为主要成分,适用于大多数海域使用,但需要注意两种涂料的干燥时间、硬度、附着力和弯曲耐折等性能参数,以便进行合理选择。
5. 建议根据本次涂料分析的结果,建议对于不同环境及船舶不同部位的采用不同的防护涂料,同时推广低污染环保型涂料的使用,提高涂料的使用效率和降低环境污染风险。
船舶涂料检测报告船舶涂料检测涂料检测之船舶涂料检测船舶涂料是对用于船舶及海洋工程结构物各部位,满足防止海水、海洋大气腐蚀和海洋生物附着及其他特殊要求的涂料的统称,该类涂料一般要求具有良好的附着力、较好的耐水性、耐化学品性和耐磨性。
下面以科标检测为例来对于船舶涂料检测做简要说明。
科标无机检测中心可专业提供船舶涂料相关检测服务,中心主要根据国内外被广泛接受的标准进行检测并出具相关的检测报告。
一、主要检测产品:1、甲板漆、船壳漆,船用油舱漆,船用车间底漆,船用防锈漆,船舶压载舱漆,船用水线漆,船用货舱漆,机舱舱底涂料,船用饮水舱涂料,船体防污防锈漆;2、L44-87铝粉沥青船底漆,L40-39沥青防污漆,L40-40沥青防污漆,L44-87铝粉沥青船底漆;3、船舶及海洋工程阳极屏涂料,防腐蚀涂料二、检测项目:1、物理性能:外观、透明度、颜色、附着力、粘度、细度、灰分、PH值、闪点、密度、体积固体含量等;2、施工性能:遮盖力、使用量、消耗量、干燥时间(表干、实干)、漆膜打磨性、流平性、流挂性、漆膜厚度(湿膜厚度、干膜厚度)等;3、化学性能:耐水性,耐酸碱性,耐腐蚀性,耐磨性,耐候性;4、有害物质:VOC、苯含量、甲苯、乙苯、二甲苯总量、游离甲醛含量、TDI 和HDI含量总和、乙二醇醚、重金属含量(铅、汞、铬、镉等)。
三、部分检测标准:GB/T 9261-2008甲板漆GB/T 6745-2008船壳漆GB/T 6746-2008船用油舱漆GB/T 6747-2008船用车间底漆GB/T 6748-2008船用防锈漆GB/T 6823-2008船舶压载舱漆GB/T 9260-2008船用水线漆GB/T 9262-2008船用货舱漆篇二:船舶涂料与涂装技术作业船舶涂料与涂装技术作业——辣椒素低表面能船舶防污涂料完成人:班级:姓名:大连海事大学完成时间:2015.6.29- 1 -设计思路1.通常的海洋防污技术是以毒料释放型防污为主要途径,通过涂料中可释放的铜、锡、汞、铅等防污剂,在材料周围形成对海洋植物孢子以及海洋动物幼虫有毒杀作用的毒料浓度层,从而达到防污效果。
此类防污涂料在使用过程中,部分毒剂会造成海水水体污染,对海洋生态平衡以及人类健康具有潜在的危害。
2.在百度上搜“船舶防污涂料”的时候,我们看到了这样的话“人们期待使用环境友好型防剂,特别是虽不具杀灭生物活性的物质,但有高度的麻醉性、趋避性以及阻碍附着性能的防污助剂”,据此我们作了以下几个考虑:高度麻醉性——医用麻醉剂,麻油,辣椒;阻碍附着性能——涂料表面光滑,荷叶疏水性;经过小组讨论加上查阅文献资料,我们确定了做辣椒素(防污剂)加低表面能成膜物。
(注:详细思考讨论过程在总结中有体现)3.对于配方,我们按照一份简单的防污涂料的配方,经模仿查阅资料得出我们的配方,但是由于没有条件做实验,没有做出精确的配比。
设计的基础与依据- 2 -1. 主防污剂:辣椒素(又名辣椒碱类化合物,俗名辣索)是辣椒中引起辛辣味的物质,含量仅万分之一时,味觉就可感觉到明显的辣味。
它是一类含酚羟基的生物碱,其分子式辣椒素最早是由D.J.Bennet等人用色谱、核磁共振等仪器详细分析其组成后发现的,之后日本的Fukaya等以乙醇为夹带剂,采用超临界技术从辣椒中直接分离得到80%左右的辣椒素。
辣椒素热稳定性高,通常条件下纯品为白色(或淡黄色、微红色)针状微晶体,熔点范围为57-66℃,沸点范围为210~220℃,无毒性,但刺激性很强。
易溶于甲醇、乙醇、丙酮、三氯甲烷、二氯甲烷、乙酸乙酯及碱性水溶液中,难溶于冷水。
辣椒素作防污剂,可以是均匀分散的辣椒素、含油树脂辣椒素液态溶液,也可以是结晶的辣素。
它作为一种稳定的生物碱,不受温度的影响,并具有抗菌、趋避海洋附着生物的功能,而且不破环自然生态,不污染环境。
2. 成膜物:目前应用最多的低表面能材料主要以有机氟系列化合物物和有机硅系列化。
(《涂料化学》课程)(1)有机硅低表面能防污涂料:有机硅是指有机聚硅氧烷,根据其摩尔质量和结构不同,可分为硅油、硅树脂和硅橡胶等。
以硅橡胶为基料的地表面能防污涂料,有机硅树脂一般- 3 -由有机硅单体水解缩聚而得,兼有无机和无机材料的优点,是非常好的低表面能材料。
硅树脂涂料有不少缺点:成膜性能较差,包括固化温度高、时间长,大面积施工不方便,且涂膜对底层附着力差。
用氟化改性主要是增加有机硅树脂的耐溶剂性,斥油性(抗黏性)和降低表面能。
(2)有机氟低表面能防污涂料:聚四氟乙烯具有很低的表面能,从理论上将上应具有优异的防污性。
但许多专家对有有机氟树脂的防污性进行了专门的研究,得出了基本理论如下:a) 涂料为热熔成膜,涂膜的致密性较差,海洋微生物深入涂膜内部,牢固粘附在涂膜的微孔内。
b) 树脂中特别是涂膜表面绝大部分是CF2基团,与CF3基团相比,其耐沾污性明显较差。
c) 海洋微生物接触涂膜表面时,诱导表层聚合物分子发生重排,是涂膜表面能提高。
(3)人们在研究过程中发现,引起表面能防污涂料防污性能不好的一个很大的原因是:涂料中大量的不惧有地表面能性质成分的存在。
为了降低这些成分在树脂中的比例,将有机硅、有机氟配用,值得一种新型的低表面能防污涂料以氟代聚硅氧烷为基料的防污涂料。
a)基本原理:以硅氧链为主链,在侧链中引入一定浓度的CF3基团。
该基团由于其极大地表面活性将严格取向于表面,整个大分子既保持了线型聚硅氧烷的高弹性及高流动性,又吸收了- 4 - CF3基团的超低表面能特性。
b)该类涂料在一定程度上比有机硅地表面能防污涂料性能有所提高,特别是机械强度,同时对细菌型和藻类海生物的黏附有所减少,但不能完全消除,该类涂料还需要定期进行水下清洗。
3. 填料:SiO2和TiO2(1)纳米SiO2由于具有优越的稳定性、补强性、增稠性和触变性等,无机填料的粒径越细,填料的作用就越突出。
无机填料可以改善涂料成膜性能,使原封闭较严的有机树脂膜由颜填料微粒阻隔成微孔网状结构,从而使防污剂的毒性物质渗出较多较快,以迅速达到防止污损生物生长的目的。
(2)纳米级TiO2与传统的TiO2相比有许多优良特性。
纳米TiO2的粒径为普通钛白粉的1/l0。
纳米TiO2受光照射,且只需微弱的紫外光照射,就可以产生活性很高的过氧负离子、过氧化氢自由基和氢氧自由基。
他们具有很强的氧化、分解能力,可破坏有机物中的C-H、N—H、DH、C-O等键,具有抗菌和净化作用。
而且,仅起到催化作用,自身不消耗,理论上可以永久使用,对环境无二次污染。
另一方面,纳米TiO2不仅能够杀灭微生物,而且也能够分解微生物赖以繁衍生存的有机营养物,达到更好的抗菌杀菌目的。
(3)以上两种纳米级填料改善成膜性能,并在涂料表面形成纳米--微纳米涂层4. 溶剂:- 5 -篇三:2014年我国船舶涂料市场发展现状2014年我国船舶涂料市场发展现状智研数据研究中心网讯:内容提要:近几年,船舶涂料占到全部海洋涂料需求量的90%以上,随着国家海上风电市场发展的进一步推进,国家海洋政策的出台,被用于船舶工程的涂料需求量不断增加,船舶涂装工作被列为船舶设计的重要内容之一。
一直以来,涂料行业对宏观经济波动的反应表现比较敏感,过去一年里,船舶涂料业一边面临着船舶市场的低迷,另一边面临着国外船舶涂料企业的市场挤占,尽管“内忧外患”,但国内的船舶涂料行业仍然取得了不小的突破,对于船舶涂料业的未来,相关企业依然信心满满。
“质”与“量”的提升近几年,船舶涂料占到全部海洋涂料需求量的90%以上,随着国家海上风电市场发展的进一步推进,国家海洋政策的出台,被用于船舶工程的涂料需求量不断增加,船舶涂装工作被列为船舶设计的重要内容之一。
船舶涂料业已经制定出一系列除锈涂装技术标准,完善了标准体系相关技术,例如建立分段除锈、喷涂车间,配备了相应的自动、半自动除锈和喷涂设备;高性能涂料施工工艺和成品油船特种涂装技术、计算机辅助涂装设计和管理技术、区域涂装技术等,均在大型船厂推广;钢材预处理工艺也得到广泛运用。
这些涂装新技术的应用,使涂装技术水平、生产效率和涂装质量得到了大的提高。
从产量上来看,即便受到船市低迷影响,我国船舶涂料的产量也保持相对稳定的水平,其中,2011年销量达到了50万吨;从产品的技术含量上来看,2012年,我国成立了由22家企业及科研单位组成的中国涂料产业技术创新联盟,以期打破目前涂料产品低端、产业无序竞争的现状,引导涂料产业向高科技、绿色环保的方向发展。
国内船舶涂料企业也卯足劲儿抓发展。
2013年,大连裕祥集团承担的“十一五”国家科技支撑计划“船舶与大型海洋工程防护涂料及关键技术研发”重点项目通过了科技部验收;去年6月,在宁波举行的科技部863计划主题项目启动会上,宁波企业重点推出的一项船舶防腐新型涂料,因其环保、降耗、价廉等特色突出,得到了行业的肯定。
不仅打破了国外企业的市场垄断,还比同类产品更环保、更省钱,堪称高科技的海洋“防护衣”。
近几年,我国还先后建立了“中国船舶工业船舶涂料厦门检测站”、“海洋涂料产品质量监督中心”等质量管理监督机构,为船舶涂料质量的监督提供了新的保障。
“外”主“内”的尴尬然而,我国船舶涂料企业虽然势头猛增,但与国外企业仍有较大差距。
国外知名品牌涂料依然占据我国船舶涂料市场的主导地位,并纷纷在我国建立独资或合资企业,以期进一步在中国市场“攻城略地”。
目前,国内市场上的涂料90%是进口产品,我国本土制造的海洋涂料难觅踪影。
据智研数据研究中心研究员,虽然我国船舶涂料企业多,但是产业集中度较低、缺乏技术创新,尤其是高端船用涂料市场依然被国外企业所垄断,而国产船用涂料整体结构偏于低端,所占市场份额不大。
同时,国内企业整体研发水平落后于国外企业,很多技术含量高的船用涂料研制处于空白状态,基本只能在渔船、小型运输船等低端产品市场“小打小闹”,与国外船用涂料企业的竞争中“处于下风”。
“虽然进口的船舶涂料既防腐又环保,但价格高昂,渔民更喜欢买国产的普通产品。
”专家表示,为提高船体防腐能力,有时还要人为添加毒性较大的化工原料,这对海洋生态环境很不利。
一边是国外企业不断抢占船舶涂料市场,另一边是国际海洋船舶涂料标准不断提升。
比如,《船舶专用海水压载舱和散货船双舷侧处保护涂层性能标准》PSPC、船舶能效设计指数EEDI等国际新标准、新规范的实施,对船用涂料的环保性、技术、质量等提出了更高的要求,对我国船舶涂料生产企业的技术力量、创新能力也提出了严峻挑战。
更加需要重视的是,我国船用涂料企业售后服务环节较为薄弱。
虽然国际上涂料涂装一体化已经成为一种发展趋势,但国内很多涂料企业却缺乏产品的涂装指导、后续保养等服务。
此外,欠缺既能够进行涂料防腐研究又精通涂装施工技术的“全能型”研究人员也是制约企业发展的重要因素之一。