人造奶油 标准
- 格式:docx
- 大小:36.46 KB
- 文档页数:1
国家标准《人造奶油》编制说明2008年10月一、任务来源和起草单位根据国标委计划[2008] 号文,人造奶油国家标准已列入2008年国家标准制定修订计划,项目编号为-T-449 植物油脂人造奶油。
本标准由中国焙烤食品糖制品工业协会和国家粮食局标准处共同提出,国家粮食局标准处归口。
中国焙烤食品糖制品工业协会、中国食品发酵工业研究院、南侨油脂有限公司、英联马利食品(上海)有限公司、东海粮油工业(张家港)有限公司、不二制油(张家港)有限公司、南海油脂工业有限公司共同起草。
二、制定标准的目的和意义人造奶油在国际上已有100多年的历史。
特别是在西方国家先后出现了人造奶油,而在欧美地区取得了较大的发展。
其消费市场较为成熟。
20世纪50年代,日本的人造奶油工业也取得了较快发展,人造奶油类制品年产量高达25万吨左右,其产品品种向多样化、专用化发展的趋向十分明显。
我国人造奶油工业起步较晚,80年代初首次引进丹麦设备,开始在国内生产但生产量较小,随着外资企业的进入,我国人造奶油的产量才取得快速增长,根据行业掌握情况近两年我国人造奶油的年产量已从1997年的3万吨左右,增长到约为万吨,但与国外相比,仍有较大差距。
随着我国食品工业的快速发展,食品种类的增多和品质的提高,“人造奶油”已成为食品加工的重要原料之一。
“人造奶油”是焙烤食品是焙烤食品、冰淇淋等食品的原料,它的质量直接关系到下游产品的质量。
自1987年以来“人造奶油”一直执行ZBX14010-87《人造奶油》行业标准,二十年过去了,标准中的部分内容已不能适应现有产品的需要。
为了更好地适应目前特种油脂行业的需要,保障下游产品的质量,并与国际标准接轨,尽快制定人造奶油国家标准是非常有必要的。
三、编制过程根据制标工作的需要,中国焙烤食品糖制品工业协会组建了人造奶油和代可可脂国家标准起草工作组,工作组的成员单位除中国焙烤食品糖制品工业协会作为组织单位外,还有食品科研单位以及多家国内生产人造奶油和代可可脂的龙头骨干企业,这些单位的参与,为标准制定工作奠定了可靠的基础。
奶油和涂布乳制品国际乳品协会(IDF)介绍了一种包括奶油和涂沫制品的标准,即IDF标准166:1993,“涂布脂肪指南”,这些指南的意图是用来提供一个主要框架,在该框架下不同国家可以根据自身需要设定更加明确详细的一组或单一的标准。
1定义涂布脂肪:“涂布脂肪”是一种以乳浊液形式存在的食物,主要是油包水型,并且主要由水相、食用脂肪和油组成。
食用脂肪和油主要由脂肪酸的甘油三酸脂组成,它们来源于蔬菜、动物、乳或海产品。
下列表(1和2)选自于该标准。
表1乳脂肪和人造奶油制品的主要组成乳脂产品 混合脂肪产品 人造奶油产品总脂肪中含乳 总脂肪中乳脂含量 总脂肪中乳脂含量脂100% 最高为80%,最低为15% 最高为3%注意,按照一些国家的或其它的有关法规:脂肪含量和乳脂与其它种类脂肪的比例会有一些更严格的限制性范围。
主要的原料应该是水和/或乳制品,食用脂肪和/或油或者是它们的混合物,关于脂肪含量及涂布脂肪的标准可依据脂肪的来源不同分为三类,最高脂肪含量应达到95%。
食物的名称应符合国家法规的规定,但产品需遵守表12.2所列的一般要求,该表将所有产品全部覆盖在以下三大类中:表2乳脂肪和人造奶油制品的名称脂肪含量% 乳脂产品 混合脂肪产品 人造奶油产品80-95 奶油 混合物 人造奶油 762-<80 涂布乳品 涂布混合物 涂布脂肪60-62 3/4脂肪或 3/4脂肪或 3/4稀释脂肪稀释脂肪 稀释脂肪 稀释脂肪 奶油 混合物 人造奶油<41-<60 减量脂肪 减量脂肪 减量脂肪涂布涂布乳品 涂布混合物 涂布 39-41 1/2或低脂奶油 1/2或低脂混合物 1/2或低脂人造奶油或米纳林<39 涂布低脂肪乳品 涂布低脂肪混合物 涂布低脂肪下列联合国粮农组织/世界卫生组织(FAO/WHO)的标准普遍适用于在国际贸易中并指明所允许使用的产品的名称:A1-奶油和乳清奶油标准(A16-涂布低脂乳品标准——草稿)规范标准32-1981是人造奶油标准规范标准13-1981是低脂奶油标准23表3列出的一些瑞典商品脂肪产品的名称、组份等,可以做为上述分类的一个例子。
ZB X 14010 —87人造奶油(人造黄油)人造奶油系指精制食用油添加水及其他辅料,经乳化急冷捏合成具有天然奶油特色的可塑性制品。
1适用范围本标准适用于人造奶油,供直接食用或用作食品加工。
2技术条件2.1 感官指标夕卜观呈鲜明的淡黄色或白色可塑性固体,质地均匀、细腻,风味良好,无霉变和杂质。
2.2 质量指标见下表。
注:以脂肪为基础的熔点,可根据用户要求确定2.3 卫生指标金属残留量、食品添加剂、细菌指标(细菌总数、大肠菌群、致病菌)按GB 2716—81《食用植物油卫生标准》和卫生部颁布的有关标准执行。
3 检验方法3.1 酸价的测定:按GB 5530—85《植物油脂检验酸价测定法》的标准方法检验。
双试验结果允许差不超过0.1 mg KOH/g 油。
测定结果取小数点后第二位。
3.2 过氧化值的测定:按GB5538—85《植物油脂检验油脂酸败试验及过氧化值测定法》的标准方法检验。
但样品取全样,不需加热过滤。
双试验结果允许差不超过0.4 meq/kg 。
测定结果取小数点后第一位。
3.3 水分及挥发物的测定:3.3.1 仪器和用具3.3.1.1 电热干燥箱。
3.3.1.2 备有变色硅胶的干燥器。
3.3.1.3 天平:感量0.0001 g 。
331.4 平底玻璃皿:直径50〜60 mm 高20〜30 mm331.5 玻璃棒:直径5 mm 长60〜70 mm3.3.2 药品和试剂石英砂:化学纯或分析纯,外观白净。
3.3.3 操作方法在平底玻璃皿内置短玻璃棒一支及10〜15 g石英砂,以105± 2C烘至恒重(约1.5 h ),于玻璃皿内加入2〜3 g 试样(准确至0.0002 g )放入电热干燥箱内5 min,待样品熔化后用玻璃棒与石英砂搅拌均匀后计时,隔一小时再用玻璃棒搅拌一次。
在105± 2C的电热干燥箱内约烘2〜2.5 h后,在干燥器内冷却称重,然后置上述烘箱每烘30 min 冷却称重一次,直至恒重为止(如发现重量增加,则以前次最小重量为准)。
1目的规范人造奶油进料的检验流程,明确人造奶油进料的抽样方法、质量标准、检验方法和结果判定,确保人造奶油检验结果的准确。
2适用范围适用于人造奶油进料检验和在储存、使用过程中的抽查检验。
3定义:人造奶油:食用油脂加水和其他辅料乳化后,经速冷捏和或不经速冷捏和而制成的可塑性或流动性产品。
4职责4.1品保部:负责对人造奶油的进料进行抽样检验和判定;参与物料评审。
4.2生产部:负责对人造奶油进料通知取样和进行检验状态标识和储存。
负责人造奶油使用过程进行抽查;参与物料评审。
4.3采购部:负责人造奶油进料检验异常时与供应商进行反馈;主导进行物料评审。
4.4技术研发部:负责制定人造奶油质量标准;参与物料评审。
5内容5.1抽样方法5.1.1人造奶油进料到厂后,生产部仓管员开《进料请验单》发品保部,品保部进料检验员按每一次交货的人造奶油为一个检验批,根据来货数量进行随机抽样检验。
5.1.2每20桶抽取1桶,进行检查,并对包装进行封合和标识。
5.2检验方法5.2.1感官检验5.2.1.1包装:包装袋外面应注有产品名称、生产厂厂名、厂址、净含量、生产日期、保质期、执行标准和规格,观察其是否清晰、完整、洁净和规范。
5.2.1.2杂质:打开包装袋,观察人造奶油内无肉眼可见外来杂质。
5.2.1.3感官:呈均匀一致的白色,乳白色、乳黄色的固体,具有良好的滋味和气味,无异味,无霉变。
5.2.2试味取适量样品由技术部进行试味,结果反馈给品保部进料检验员并处判定结果。
5.3 检验结果判定5.3.1 将检验结果记录在《原辅料及包材验收报告》中,并对照《人造奶油质量标准》对每一项检验结果进行检验结果判定。
5.3.2如检验结果合格,品保部进料检验员则回复生产部仓管员在《进料请验单》上签批检验合格,仓管员办理正常入库。
5.3.3 如第一次检验结果不合格,品保部进料检验员重新加倍抽样,复检不合格项目,如复检结果仍不合格,则在《进料请验单》上签批检验不合格,并即时反馈给采购部,由采购部确定是否需要进行物料评审。
人造奶油检验规程
1、定义
人造奶油系指精制食用油添加水及其它辅料,经乳化、急冷捏合成具有天然奶油特色的可塑性制品。
2、参考标准: NY 479-2002《人造奶油》、GB 15196-2003《人造奶油卫生标准》
3、感官指标
4、理化指标
5、微生物指标
6、标签、标志、包装、运输和贮存
6.1标签
6.1.1标签应符合GB7718的规定,须有下列内容:产品名称、净含量、制造包装或经销单位依法登记注册的名称和地址、产品标准号、生产日期、保质期。
6.1.2若使用的是转基因原料,须在标签上注明产品为转基。
6.2运输和贮存
6.2.1每批食用油出厂时,由生产商附产品出厂检验报告。
6.2.2运载工具和贮存仓必须清洁、干燥、严禁与有毒、有害、有异味和其他易污染物品混运、混贮。
7、其他要求:每批产品必须附有出厂检验报告(应包含3、4、5表格出厂中带“√”的项目),同批送货的生产日期不得超过三个,到厂生产日期不得超过保质期的三分之一时间;每年提供一次有效期内的第三方检测报告(应包含3、4、5表格第三方带“√”的项目)。
ZB X 14010—87人造奶油(人造黄油)人造奶油系指精制食用油添加水及其他辅料,经乳化急冷捏合成具有天然奶油特色的可塑性制品。
1 适用范围本标准适用于人造奶油,供直接食用或用作食品加工。
2 技术条件2.1 感官指标外观呈鲜明的淡黄色或白色可塑性固体,质地均匀、细腻,风味良好,无霉变和杂质。
2.2 质量指标见下表。
注:以脂肪为基础的熔点,可根据用户要求确定。
2.3 卫生指标金属残留量、食品添加剂、细菌指标(细菌总数、大肠菌群、致病菌)按GB 2716—81《食用植物油卫生标准》和卫生部颁布的有关标准执行。
3 检验方法3.1 酸价的测定:按GB 5530—85《植物油脂检验酸价测定法》的标准方法检验。
双试验结果允许差不超过0.1 mg KOH/g油。
测定结果取小数点后第二位。
3.2 过氧化值的测定:按GB 5538—85《植物油脂检验油脂酸败试验及过氧化值测定法》的标准方法检验。
但样品取全样,不需加热过滤。
双试验结果允许差不超过0.4 meq/kg。
测定结果取小数点后第一位。
3.3 水分及挥发物的测定:3.3.1 仪器和用具3.3.1.1 电热干燥箱。
3.3.1.2 备有变色硅胶的干燥器。
3.3.1.3 天平:感量0.0001 g。
3.3.1.4 平底玻璃皿:直径50~60 mm,高20~30 mm。
3.3.1.5 玻璃棒:直径5 mm,长60~70 mm。
3.3.2 药品和试剂石英砂:化学纯或分析纯,外观白净。
3.3.3 操作方法在平底玻璃皿内置短玻璃棒一支及10~15 g石英砂,以105±2℃烘至恒重(约1.5 h),于玻璃皿内加入2~3 g试样(准确至0.0002 g)放入电热干燥箱内5 min,待样品熔化后用玻璃棒与石英砂搅拌均匀后计时,隔一小时再用玻璃棒搅拌一次。
在105±2℃的电热干燥箱内约烘2~2.5 h后,在干燥器内冷却称重,然后置上述烘箱每烘30 min冷却称重一次,直至恒重为止(如发现重量增加,则以前次最小重量为准)。
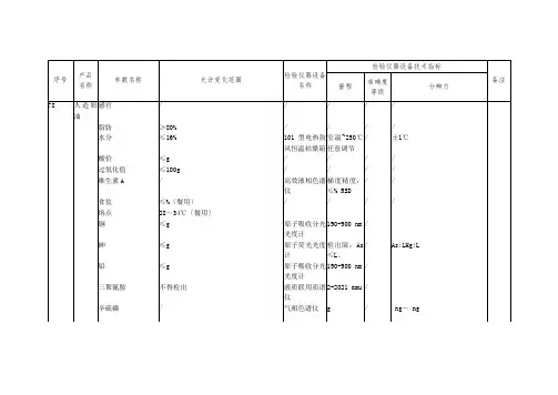
检测人造奶油的指标有这些
温馨提示:
人造奶油比奶油安全”这个观念,其实是个天大的错误。
人造奶油又称为乳玛琳(margarine),自从100年前被发明以来,都是以液态的植物油“氢化”而成,所以属于“氢化植物油”,含有反式脂肪酸。
反式脂肪酸在自然界几乎不存在,人体不会自行分解,比毒蛇猛兽还可怕,所以碰都不能碰,但却有很多人误以为它是好东西,大吃特吃。
按照人造奶油可参考NY 479-2002《人造奶油》,GB15196-2003《人造奶油卫生标准》标准检测。
★理化指标:
我们还可提供专业各类检测服务,成分分析,质量性能诊断等服务,我们拥有色谱仪,质谱仪,热谱仪,光谱仪,核磁共振仪等大型仪器进行分析检测。
并提供CMA,CNAS检测报告资质。
欢迎大家随时咨询。
成分分析配方分析质量控制工业诊断
多一份沟通,便是多一份信任,欢迎大家前来咨询!。
人造奶油油脂产品——人造奶油人造奶油又叫麦加林和人造黄油。
麦加林是从希腊语“珍珠”一词转化来的,因为在制作过程中流动的油脂会闪现出珍珠般的光泽。
人造奶油是在精制食用油中加水及其辅料,经乳化、急冷、捏合而成的具有类似天然奶油特点的一类可塑性油脂制品。
人造奶油配方的确定应顾及多方面的因素,各生产厂家的配方自有特点,传统人造奶油的典型配方为:氢化油80-85%,水分14-17%,食盐0-3%,硬脂酸单甘脂0.2-0.3%,卵磷脂0.1%,胡萝卜素微量,奶油香精0.1-0.2毫克/千克,脱氢醋酸0-0.05%,奶粉0-2%。
如:将200kg精制椰子氢化油(上升熔点34.7?、SFI值:10?为66.6、15?为59.2、20?为46.77)配200kg精制菜籽氢化油(上升熔点36?,SFI值:10?为38.9、15?为29.7、20?为23.5)混合后加温,使之熔化,再添加1000g不饱和甘油酯(碘价为80、纯度为90%)、800g饱和甘油酯(碘价为2、纯度为90%)与1600g大豆磷脂,溶解后作为油相。
另外在330kg水中添加200kg山梨糖醇(70%水溶液)、40kg 脱脂奶粉、5kg酪蛋白钠、20kg甘氨酸、300g蔗糖酯、2kg六偏磷酸钠、加温,使之分散溶解,作为水相。
然后将水相部分加到油相部分中,在76?的温度中搅拌15min,进行预乳化和灭蓖,尔后在同温度下,用高压均质机在15MPa的压力下进行均持质处理。
将均质处理后的乳化液迅速冷却到10?以下,得到水包油型乳化液。
人造奶油的生产工艺包括原料、辅料的调合、乳化、急冷、捏合、包装和熟成五个阶段。
1(什么是植脂鲜奶油,简单地说,植脂鲜奶油是以植物油脂为主要原料,经乳化,均质和速冻等严格工艺而生产的,专用于蛋糕西点的涂饰和裱花的一种特殊奶油产品。
简称鲜奶油。
2(鲜奶油与人造奶油的异同广义来说,鲜奶油也是一种人造奶油。
另一方面,鲜奶油与通常的人造奶油,无论从组分、保存方法、生产工艺及基本用途等各方面都有明显区别: (1)从组分上:前者油脂含量相对较低,含高糖份、高水份;而后者含量高油脂、低水份。
什么是人造奶油?对人体有哪些危害?
小编希望什么是人造奶油?对人体有哪些危害?这篇文章对您有所帮助,如有必要请您下载收藏以便备查,接下来我们继续阅读。
本文概述:奶油大家都知道了,但是对于人造奶油大家了解的并不多吧?什么是人造奶油?人造奶油对身体有哪些伤害?今天小编会跟大家详细的讲解一下。
有一种奶油叫人造奶油?什么是人造奶油呢?就是人造的吗?对!就是人造的,那么是怎么造出来的?人造奶油对人的身体又有哪些危害呢?跟安全网小编一起来了解一下吧。
1、什么是人造奶油?
因为“天然奶油”比较贵,产量也是有限的。
后来人们研究把植物油经过加氢处理后把它变成固体,模仿“天然奶油”的形状跟味道,加入一些防腐剂、香精、色素等等,进而达到和“天然奶油”口感差不多的效果,所以叫“人造奶油”。
2、人造奶油对人体健康有什么危害?
我国国家标准里的“奶油”,其主要成分是从新鲜牛奶中提炼出来的油脂。
营养师说的,人造奶油主要是从食用油脂当中提取出来加工而成的,所以人造奶油中含有较多的油脂,尤其是反式脂肪酸。
大量的食用反式脂肪酸会影响人体的记忆力,对于青少年们来说,就会影响中枢神经系统的发育。
反式脂肪酸长期过量积。
奶油的介绍1. 人造奶油的定义:人造奶油在国外被称为Margarine,这一名称是从希腊语“珍珠”(Margarine)一词转化来的,这是根据人造奶油在制作过程中流动的油脂放出珍珠般的光泽而命名的。
人造奶油的定义和标准,各国对人造奶油的最高含水量的规定,以及奶油与其它脂肪混合的程度上存在差别。
(1)国际标准案的定义:人造奶油是可塑性的或液体乳化状食品,主要是油包水型(W/O),原则上是由食用油脂加工而成。
(2)中国专业标准定义:人造奶油系指精制食用油添加水及其它辅料,经乳化、急冷捏合成具有天然奶油特色的可塑性制品。
(3)日本农林标准定义:人造奶油是指在食用油脂中添加水等乳化后急冷捏和,或不经急次序捏和加工出来的具有可塑性或流动性的油脂制品。
2. 人造奶油的发展史天然奶油已具有4000多年的历史,而人造奶油100多年前才出现。
最早的人造奶油是普法战争时期法国化学家发明的,1870年拿破伦三世授予奶油代用品发明奖,后来在其它国家都先后出现了人造奶油,特别在欧美地区取得了较大的发展。
近十年来美国人造奶油产量稳定在53万t/a─54万t/a,其消费市场已基本成熟。
20世纪50年代,日本的人造奶油工业也取得了较快发展,人造奶油类制品年产量高达25万吨左右,其产品品种向多样化、专用化发展的趋向十分明显。
我国人造奶油起步较晚,1984年首次引进丹麦设备,当年的产量仅为772吨,大部分用于食品工业。
近年,随着外资企业的进入,我国人造奶油的产量才取得快速增长,1996~1997两年间,人造奶油的年产量仅为3万吨左右,但与国外相比,仍有较大差距。
3. 人造奶油的种类人造奶油可分成两大类:家庭用人造奶油和食品工业用人造奶油。
1.家庭用人造奶油:主要在饭店或家庭就餐时直接涂抹在面包上食用,少量用于烹调。
市场上销售的多为小包装。
家庭用人造奶油必须具备以下性质:⑴保形性:置于室温时,不熔化,不变形。
在外力作用下,易变形,可做成各种花样。
人造奶油标准
人造奶油标准是一种营养饮品,它有轻松淡雅的口感,能为各类
食物甜点提供独特的质地。
人造奶油标准一般由水、脂肪、乳脂、防
腐剂、增稠助剂、香料以及糖等成分组成,其特征是有良好的持久性,保持长期不变形、耐热、不流淌和易于操作性。
人造奶油标准通常有三种类型:分别是:低脂、轻脂和普通脂肪,具体的脂肪量可以占到总重量的20-80%之间,一般将低脂的脂肪配比
在30-40%,轻脂的脂肪配比在50-60%,普通脂肪的脂肪配比会在80-95% 之间。
对于人造奶油标准的脂肪量高度要求,其主要功能是使这种食品
具备较强的黏度和延展性,同时又能保证食品的口感和脆性,部分特
殊的人造奶油标准,还可以加入适量的保湿剂以增强其口感。
人造奶油标准的配方中,通常会加入一定量的添加剂,包括防腐
剂和增稠剂等,这些物质的作用是防止食物受潮,增强口感,提高人
造奶油标准的黏性,以及保持和增强其特定的口感。
最后,人造奶油标准还会加入一定量的香料,以提供简单可口的
口味。
常规用于人造奶油标准的香料材料有大豆提取物、糖糊、芝士
香精、香料、食用颜色添加剂等,一般情况下,添加量在0.5%,最多不
超过2%。
人造奶油标准
人造奶油是一种替代天然奶油的产品,其主要成分是植物油和其他添加剂。
它在制作甜点、咖啡和其他烹饪食品时常被使用。
然而,人造奶油的质量因品牌和制造工艺的不同可能存在差异。
一般而言,人造奶油应符合以下标准:
1. 成分透明:人造奶油的成分应明确标示,消费者能够清楚地了解产品中所含的植物油和其他添加物。
2. 质地和口感:人造奶油应具有类似天然奶油的质地和口感,并且能够顺利融化。
3. 味道:人造奶油的味道应类似于天然奶油,不应有明显的异味或人工味道。
4. 储存稳定性:人造奶油在储存过程中应保持稳定性,不易变质。
5. 食品安全:人造奶油的制造过程应符合食品安全标准,确保产品无害且符合卫生要求。
总之,人造奶油需要满足上述标准,以确保消费者在食用过程中能够获得安全、美味的体验。