谷坊工程的设计
- 格式:doc
- 大小:66.00 KB
- 文档页数:4
1. 项目背景和概述谷坊工程是一个位于中国农村的农田开垦与农业发展项目。
该项目的目标是利用现代农业技术和设备,优化农业生产过程,提高农田利用率和农产品产量。
本文将介绍谷坊工程的施工方案,包括施工目标、施工流程、施工时间表以及施工资源的配备等。
2. 施工目标谷坊工程的施工目标包括: - 开垦农田:清理土地、平整地面、翻耕土壤,为种植作物做好准备。
- 引水工程:修建引水渠道,将水源引入农田,保证农作物的灌溉需求。
- 建设温室大棚:为农作物提供恒温、湿度和光照条件,增加种植的可控性。
- 养殖设施建设:修建养殖场和畜舍,提供良好的生活环境和管理条件。
3. 施工流程整个谷坊工程的施工流程分为以下几个阶段: ### 阶段一:土地准备 - 清理土地:清除农田表面的杂草、石块和其他障碍物。
- 土地平整:使用土方机械对土地进行平整处理,为后续施工工作做好准备。
- 土壤改良:在土地上施加有机肥料和土壤改良剂,改善土壤质量和肥力。
阶段二:基础设施建设•引水工程:根据地形和水源位置,进行引水渠道的规划和修建。
•温室大棚建设:选择合适的位置和规模,建设温室大棚,提供良好的种植环境。
•养殖设施建设:根据养殖需求,建设相应的养殖场和畜舍。
阶段三:设备安装•农业机械设备安装:根据需求,安装各种农业机械设备,如拖拉机、播种机、收割机等。
•温室设备安装:安装温室大棚内的温度、湿度和光照控制设备。
•养殖设备安装:根据养殖需求,安装相应的养殖设备,如喂养器、通风设备等。
阶段四:试验种植和养殖•种植试验:在温室大棚内进行种植试验,测试不同农作物的适应性和产量。
•养殖试验:在养殖场内进行养殖试验,测试不同养殖方式的效果和质量。
阶段五:正式种植和养殖•完成试验后,根据试验结果和市场需求,正式进行种植和养殖。
•进行定期的田间管理和养殖管理,确保农田和畜舍的正常运营。
4. 施工时间表根据谷坊工程的规模和施工流程,制定了以下施工时间表: - 阶段一:土地准备(1周) - 阶段二:基础设施建设(3周) - 阶段三:设备安装(2周) - 阶段四:试验种植和养殖(3个月) - 阶段五:正式种植和养殖(长期)5. 施工资源配备为了有效地进行谷坊工程的施工,需要合理配置以下资源: - 人力资源:包括项目经理、土建工人、农业技术人员等。
# 谷坊工程施工方案## 1. 项目背景谷坊工程是一项重要的水利工程,其主要目的是为了防止水土流失,改善流域生态环境,提高土地利用率,保障农业生产和人民生活的需要。
本方案旨在详细阐述谷坊工程施工的具体步骤、方法和技术要求。
## 2. 工程概述本项目位于XX流域,主要包括XX座谷坊的建造,工程总量约为XX立方米。
谷坊高度一般在3-5米之间,采用砌筑或混凝土浇筑的方式进行施工。
## 3. 施工准备### 3.1 材料准备- 砌筑材料:符合规范的砖、石、砂、水泥等。
- 混凝土材料:符合规范的砂、石、水泥、钢筋等。
### 3.2 设备准备- 砌筑设备:挖掘机、装载机、推土机、混凝土搅拌机等。
- 混凝土浇筑设备:混凝土泵、混凝土搅拌车、振动棒等。
### 3.3 技术准备- 熟悉施工图纸和相关规范,明确施工要求和技术指标。
- 对施工人员进行技术培训和安全教育。
## 4. 施工方法### 4.1 基坑开挖- 根据设计图纸,确定基坑的位置和尺寸,进行开挖。
- 开挖过程中,应保证基坑的稳定性和安全性。
### 4.2 基础处理- 对基坑进行平整,处理基础表面,保证基础的平整度和垂直度。
### 4.3 砌筑或浇筑- 按照设计要求,进行砌筑或浇筑施工。
- 砌筑过程中,应保证墙体的稳定性和垂直度。
- 浇筑过程中,应保证混凝土的密实性和强度。
### 4.4 施工缝处理- 施工缝应按照规范要求进行处理,保证缝隙的平整度和宽度。
### 4.5 养护- 砌筑或浇筑完成后,应进行养护,保证墙体的强度和稳定性。
## 5. 质量控制- 施工过程中,应严格按照设计图纸和相关规范进行施工。
- 施工完成后,应进行质量检查和验收,保证工程质量符合要求。
## 6. 安全施工- 施工过程中,应严格遵守安全操作规程,保证施工人员的安全。
- 施工现场应设置安全警示标志,提醒施工人员注意安全。
## 7. 环境保护- 施工过程中,应采取有效措施,减少对环境的影响。
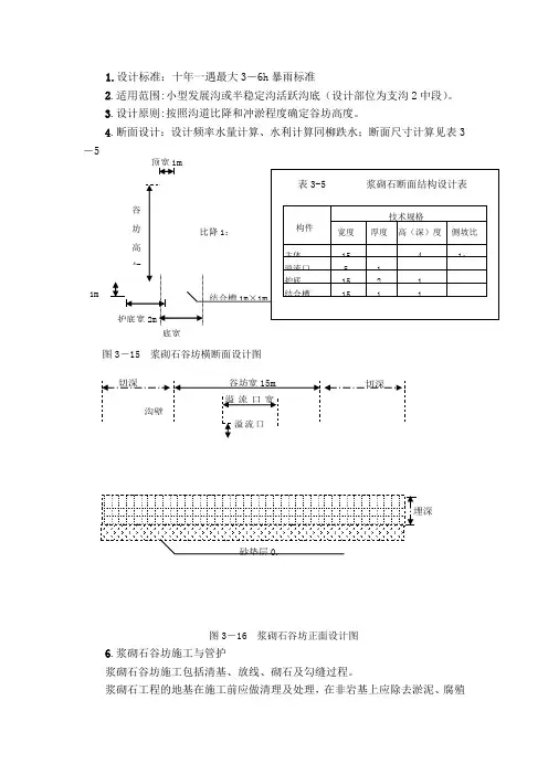
1.设计标准:十年一遇最大3-6h 暴雨标准
2.适用范围:小型发展沟或半稳定沟活跃沟底(设计部位为支沟2中段)。
3.设计原则:按照沟道比降和冲淤程度确定谷坊高度。
4.断面设计:设计频率水量计算、水利计算同柳跌水;断面尺寸计算见表3-5
图3-15 浆砌石谷坊横断面设计图
图3-16 浆砌石谷坊正面设计图
6.浆砌石谷坊施工与管护
浆砌石谷坊施工包括清基、放线、砌石及勾缝过程。
浆砌石工程的地基在施工前应做清理及处理,在非岩基上应除去淤泥、腐殖
1m
底宽
土,直至坚实土壤。
砌石之前应进行施工放线,定出基础范围、伸缩缝的位置,以及砌石时必需的样板、准绳等。
浆砌方法。
在工程中常用挤浆法砌面石,以保证砌体的形状,而内心填砌。
挤浆法是边铺浆边砌石的一种方法,其施工步骤是先将石块干摆试放,然后移开、铺浆、再行砌石,并用小石填紧卡稳,将灰浆挤满。
此法砌石质量较高,用灰少,工效随石块加大而提高,一般低于灌浆法,常用于重要的砌体,以及灌浆砌体边缘的成形砌石。
为了保证石块能与砂浆结合牢固,在砌石前应用钢刷将块石上的泥污物刷净,。
另外,块石刷净后,在砌筑前应淋水浸湿,在炎热的气候下施工更易被忽视。
对砌筑好的坡面用高压水冲洗块石表面及缝隙,清除杂物及污泥。
然后对于砌石缝隙灌注强度等级为C20的一级配混凝土,混凝土的抗冻标号为D20,最大骨料粒径为20mm,砂的细度模数不小于。
浆砌石谷坊修好后,要在每次有较大降雨后,要及时进行检查,如发现谷坊四周发生侵蚀时要及时覆土踏实,如发现谷坊损坏时要及时给予修复,以保证谷坊正常使用。
谷坊工程技术的基本规定和规划(图)一、基本规定1、谷坊工程必须在以小流域为单元的全面规划、综合治理中,与沟头防护、淤地坝等沟壑治理措施相互配合,以收到共同控制沟壑侵蚀的效果。
2、谷坊工程主要修建在沟底比降较大(5%-10%或更大)沟底下切剧烈发展的沟段,其主要任务是巩固并抬高沟床,制止沟底下切,同时,也稳定沟坡、制止沟岸扩张(沟坡崩塌、泄溜等)。
3、谷坊工程在制止沟蚀的同时,应利用沟中水土资源,发展林(果)牧生产和小型水利,做到除害与兴利并举。
4、谷坊工程的防御标准为10-20年一遇3-6h最大暴雨。
根据各地降雨情况,分别采用当地最易产生严重水土流失的短历时,高强度暴雨。
二、规划1、选定谷坊类型根据谷坊的建筑材料,分土谷坊、石谷坊、植物谷坊三类。
石谷坊土谷坊柳编谷坊2、确定谷坊位置2.1 通过沟壑情况调查,选沟底比降大于5%-10%的沟段,系统地布设谷坊群,用手水准(或水平仪)测出其比降,绘制沟底比降(纵断面)图。
2.2 根据沟底比降图,从下而上初步拟定每座谷坊位置,一般高2-5m,下一座谷坊的顶部大致与上一座谷坊基部等高,见下图。
谷坊布设示意图2.3 谷坊坝址要求2.3.1 “口小肚大”,工程量小,库容大。
2.3.2 沟底与岸坡地形、地质(土质)状况良好,无孔洞或破碎地层,没有不易清除的乱石和杂物。
2.3.3 取用建筑材料(土、石、柳桩等)比较方便。
3、谷坊间距计算下一座谷坊与上一座谷坊之间的水平距离按下式计算:式中:L——谷坊间距,m;H——谷坊底到溢水口底高度,m;i——原沟床比降,%;i’——谷坊淤满后比降,%。
不同淤积物质,淤满后形成的不冲比降见下表。
淤积物粗沙(夹石砾)粘土粘壤土沙土比降,%2.01.00.8 0.5。
谷坊工程施工方案1. 项目背景谷坊工程是一项位于城市郊区的新建工程项目,旨在建设一个现代化城市社区,提供住宅、商业和休闲设施。
该项目涵盖了土地准备、基础设施建设、建筑施工等多个方面。
2. 工程概述谷坊工程总建筑面积约为100,000平方米,包括住宅楼、商业综合体和公共景观区。
施工范围包括地基处理、建筑物结构施工、道路建设、管道及电力设备安装等。
3. 施工流程3.1 土地准备阶段在施工前,需要对土地进行准备工作,包括: - 土地调查和测量 - 土地清理,包括除草、割草和清理垃圾 - 土地平整,包括填方和挖方3.2 基础设施建设阶段在土地准备阶段完成后,需要进行基础设施建设,包括: - 道路建设,包括道路设计、路面铺装和标线绘制 - 管道建设,包括给水管道、下水道和天然气管道 -电力设备安装,包括变电站建设和电缆敷设3.3 建筑施工阶段基础设施建设完成后,进入建筑施工阶段,包括: - 建筑物结构施工,包括地基处理、混凝土浇筑、钢结构搭建等 - 室内装修,包括墙面装饰、地板铺设、门窗安装等 - 外立面装饰,包括外墙喷涂、石材贴面等3.4 规划与审批阶段施工完成后,需要进行最终的规划与审批工作,包括: - 提交施工验收报告 -进行相关部门的审批工作 - 完成工程竣工手续4. 施工时间安排根据项目规模和工程概况,初步估计施工时间为18个月。
具体施工时间安排如下: - 土地准备阶段:1个月 - 基础设施建设阶段:6个月 - 建筑施工阶段:9个月 - 规划与审批阶段:2个月5. 施工资源需求为了顺利实施谷坊工程,需要合理分配以下资源:- 人力资源:包括项目经理、工程师、施工人员等 - 材料资源:包括建筑材料、电力设备、管道材料等 - 设备资源:包括挖掘机、起重机、混凝土搅拌机等 - 财务资源:用于支付人力、材料和设备成本等6. 健康安全环境保护计划为确保施工过程中的健康、安全和环保,制定以下计划: - 建立健康安全管理制度,包括施工现场管理、劳动保护、应急预防等 - 采取各种措施确保工人的安全,包括安全培训、佩戴个人防护装备等 - 进行环境影响评估,并采取相应措施减少环境污染 - 定期对施工现场进行检查和评估,确保施工符合相关规定和标准7. 施工质量管理计划为确保谷坊工程的施工质量,制定以下计划: - 建立质量管理体系,包括施工验收标准和检测流程 - 严格控制施工材料的质量,确保符合相关标准和规定 - 定期进行质量检查和评估,并及时纠正和改进 - 结合建设过程中的经验教训,改进施工方法和流程,提高施工质量8. 施工风险管理计划在施工过程中,存在一定的风险,为避免和减少风险对项目造成的影响,制定以下计划: - 确定施工风险,包括人员安全、材料质量、设备故障等因素 - 制定相应的应对措施和预案,减少风险的发生和影响 - 加强施工现场的管理和监督,保证各项安全规定和操作流程的执行 - 定期进行风险评估和分析,及时调整施工计划和措施9. 施工费用预算根据工程概况和资源需求,初步预算谷坊工程的施工费用为1,000万元。
谷坊工程设计1 .规划布局根据《水土保持治理技术规范~沟壑治理技术》有关规定,谷坊的主要作用是防止沟床下切冲刷,具体布局应遵循以下原则:沟口狭窄地段,沟床稳定,基础坚固,坝址上游宽阔平坦,支流汇入口的下游,避开天然跌坎。
根据以上原则修筑谷坊,选沟底比降大于5%~10%的沟段布设。
兼顾就地取材的原则,主干沟适宜采用浆砌石谷坊,支毛沟宜采用土谷坊。
根据实地勘测,在各个支毛沟布设断面较小的土谷坊20座,在干沟布设断面较大的谷坊10座。
2.间距组合工程实施地点为土石山沟,坡度在7%以上,为在减少工程量节省投资的前提下提高拦蓄标准,根据沟道不同情况分两种布局方式,即:支毛沟按照底顶相照,全拦全蓄的方式布局,做到小多成群,当年见效;主干沟按照其控制流域面积设溢洪流豁口,与溢流口对应下游坝脚处设防洪消能设施。
3.结构和断面的拟定(1)结构确定根据项目实施地点的材料资源和材料状况,主干沟谷坊结构全部采用浆砌片石,支毛沟为土谷坊。
(2)断面拟定按照《水土保持综合治理技术》有关规定,支毛沟谷坊高1.5米,顶宽1.5米,向水侧为1:1,背水侧1:0.8。
主干沟谷坊按重力式石谷坊确定,高2米,顶宽为1米,向水侧1:0.1,背水侧1:0.6。
4 .主干沟谷坊设计以1号谷坊为例进行设计2.6.4.1 水文计算①设计暴雨量计算采用《淤地坝工程技术规范》(晋Q834-85)中(3-1)式计算:H24·p = K P·24H计算式中:H24·p——频率为P的24小时暴雨量(mm);K P——频率为P的皮Ⅲ型曲线模比系数;H——最大24小时暴雨均值(mm)。
24查相关资料,该地区最大24小时暴雨H24=57,相应变差系数C v=0.5,当p=10时,K p=1.66。
代入参数得:H24·10%= 1.66×57=94.62(mm)H·6·10%= 94.62÷24×6=23.66(mm)②设计洪峰流量的计算采用《淤地坝工程技术规范》(晋Q834-85)中(3-2)式计算:Q P=C1H24·P·F2/3式中:Q P—频率为P的洪峰流量(m3/s);C1—洪峰地理参数,取C1=0.17;H24.P—频率为P的24小时暴雨量(mm);F—控制流域面积(km2)。
干砌谷坊工程施工方案一、工程概况干砌谷坊是中国古代的一种建筑形式,其特点是采用干砌石块相互叠放构筑而成,不使用任何胶结材料。
因为古代建筑工艺精湛,经得住时间的考验,因此现在许多人都喜欢用干砌石块来打造庭院、别墅等建筑。
本文将为大家介绍一种典型的干砌谷坊工程施工方案。
二、工程准备1.施工前的准备(1)测量取样:在施工前,首先需要进行现场测量和取样,确定具体的建筑位置和平面布置。
(2)材料采购:根据测量的结果,确定所需的石材种类和数量,并按照施工方案提前采购。
(3)施工人员:确定施工人员数量和资质要求,保证施工队伍的稳定和专业性。
2.工程设备(1)砂石搅拌机:用于制备混合砂浆。
(2)电锤、切割机等:用于石材的切割和加工。
(3)搬运工具:用于搬运石料和施工工具。
三、施工流程1.地基处理(1)清理场地:在建造谷坊前,需要对场地进行清理,清除杂物和平整地基。
(2)压实处理:对清理后的地基进行适当的压实处理,保证地基坚实。
2.石材切割和加工(1)石料采购:按照需求采购好所需的各种规格的石材。
(2)切割加工:将购买的石材按照需要的规格进行切割和加工,以备后续施工使用。
3.干砌谷坊施工(1)墙体搭建:在地基处理完成后,根据设计要求将石材逐层搭建成墙。
此过程需要施工队员严格按照设计要求进行逐层叠放,确保墙体的牢固和坚实性。
(2)墙体修整:待墙体搭建完成后,对墙面进行修整和打磨,使其更加平整、美观。
(3)预留门窗口:根据设计图纸,在适当位置留出门窗口的位置,方便后续的门窗安装。
(4)顶部封顶:将墙体逐层搭建直至达到设计高度,并对顶部进行封顶处理。
4.礼堂打造(1)室内装饰:根据设计要求,进行室内装饰,包括地板、天花板、壁饰等。
(2)门窗安装:根据预留的门窗位置,进行门窗的安装工作。
(3)设计雕刻:根据需求对门窗等位置进行设计雕刻处理,增添古朴的气息。
四、工程验收完成干砌谷坊施工后,需要进行全面的验收工作,包括施工质量、安全和环保等方面。
1.柳桩编篱植物谷坊工程施工方案1.1植物谷坊意义与作用植物谷坊,由于其使用的材料是柳条植物,成活后对小流域生态环境的改善和提高具有极好的价值作用,这是区别于其它材料所修建的谷坊工程的不同之处,生态治沟效益十分显著。
植物谷坊,通过绿色植物,实现透水拦淤,减缓流速,防止沟道冲刷和下切,稳定沟床,具有极好的水土保持生物治沟效果。
同时,植物谷坊,还可以不断扩大和扩展其治理成果,当栽植的柳条成型后,还可进行间伐或截伐,然后,利用间伐和截伐的柳条,再进行谷坊的加密或用于其它沟道的治理,以实现对各条沟道的彻底封沟治理,变黑沟为绿沟,变浊水为清水,最终实现绿色植物生态治沟的美丽目标。
1.2植物谷坊施工(1)植物谷坊高度及柳桩间距应符合设计要求,上游一侧为填土,填土顶宽、边坡符合设计要求。
下游用梢捆(用细柳梢捆成梢捆,用铅丝捆成一道)平铺一层作为护底,为了防止梢捆受水流冲刷滚动,在护底下游边界打设一排木桩固定梢捆。
修筑插柳谷坊时,沿轴线开挖沟槽,两端切入岸坡,取出的土堆在上游侧,以免影响下游铺设护底工程。
挖好沟槽后,沿沟槽两侧各插一行柳桩,桩距、插入槽底深度符合要求,共插入五排柳桩,用柳梢在桩上编篱,编篱呈拱形,拱背向上,其曲度为篱长的1/8左右。
编篱的中部要稍低于两侧,以防止沟道流水通过时冲毁两侧沟坡。
且两排柳篱之间用块石填平压实,填石高度与柳篱齐平。
(2)植物谷坊安全性高,通透性好,不易冲毁;便于成活,柳条栽植好,可以成活,长期运用,并具有绿色生态特点;植柳谷坊具有就地取材,造价低廉,节省投资,便于实施。
植柳谷坊不仅具备拦截泥沙、滞洪滤水的作用,且能成为薪炭林、用材林。
特别是在大型沟道中,是其他形式的谷坊不可比拟的,也是其他谷坊所不具备的优势。
石笼谷坊工程施工方案一、项目概况石笼谷坊工程是指在山区、丘陵、水土保持等工程领域中采用石笼技术修复森林、植被、水土保持等工程的一种特殊工程。
石笼是一种用线把多面体网格固定成各种大小的方形、长方形或其他形状的网眼箱子,然后把箱子中填充石块、碎石、碎砖等原料组成的石笼箱。
谷坊是指山区农田中对坡地的分类保护和整治式的耕作模型,其目的就是在对土地合理利用的同时,有效保护土地不被洪水、泥石流等自然灾害所侵蚀。
项目地点位于山区,是一个丘陵地形地带。
山地区域在不断的自然力作用下,容易发生山泥塌方、山体滑坡、土质冲蚀等自然灾害,给当地的土地利用、农田生产、水土保持等方面带来极大的危害。
因此,对该地区进行石笼谷坊工程的施工,对保护当地农田的生产、对保护地方自然生态环境、保护地方水土资源保护、水土保持等领域带来极大的意义。
二、项目内容与工作要求1. 项目内容根据对项目地点的实地考察情况及行业相关标准规范要求,进行石笼谷坊工程的设计、施工。
主要包括石笼的制作、运输、敷设、固定,谷坊的改造、整治等工作。
2. 工作要求(1)设计制作时,应具有一定的技术经验,其设计应符合石笼谷坊工程的实际使用需要,具有一定的安全性、稳定性。
(2)施工过程中,应符合施工过程各个环节的相关要求,使工程能够有效地实施。
(3)工程完工后,应进行验收测试,确保工程符合工程设计依据的相关技术要求。
三、项目组织与管理1. 项目组织项目采取项目经理负责制,项目设计人员、施工人员、监理人员等构成项目组织,由项目经理全面负责项目管理和进度控制。
2. 项目管理项目管理严格执行国家相关标准规范要求,对项目施工工作、人员管理进行全面的调控和监督。
3. 施工流程(1)项目设计:根据实际情况进行详细的勘察、设计工作。
(2)项目施工:按照设计要求进行施工,保证质量、保证工程实施安全。
(3)验收监理:对工程完工后进行验收,监理工程的合格程度。
(4)竣工验收:对验收工程进行总体检查,确保工程符合相关技术要求。
谷坊典型设计为了更好地完项目,科学合理地安排布置2007年9座谷坊的计划任务,依据可研对项目区内二级沟的一条小支沟进行典型设计,其汇水面积0.13km2,沟底比降6.9%,两岸边坡比约25度,沟口宽50m。
1、设计标准由于当地暴雨具有短历时、高强度的特点,因此本项目设计标准按拦截20年一遇24小时最大暴雨量设计。
2、类型根据当地地形、地质及土壤状况确定采用土谷坊形式。
3、工程设计(1)设计洪水总量由于谷坊布设流域无任何水文资料,因此采用相邻区域神池县城区的水文气象资料,并参考《忻州地区水文手册》中的有关经验公式和参数进行计算。
采用公式:W=1000KRF ;R=KPH24 公式中各符号意义详见沟头防护工程设计。
查《忻州区水文手册》得:H24=60mm,CV=0.85,CS=3.5CV, KP=5%=2.70,则20年一遇24小时最大降雨量H24·P=5%=60×2.70=162mm,其对应暴雨径流系数为K=0.30。
设计洪水总量为:W总=1000K·H24·P=5%·F=6318m3(2)谷坊库容根据西北大学出版的《水土保持原理及规划》对于沟道近似弧形或半圆形时,沟道体积采用公式:V单=BHL/4.5式中:V单——单个谷坊库容,m3;B ——沟宽,为50m;H ——相应坝高,m;L ——回水长度,m。
经试算得:当拦洪坝高为3.5m时,L=44m,V单=1973m3。
(3)谷坊座数n=W总/V单=6318/1973≈3座(4)谷坊断面:谷坊坝高确定为4.0m(拦洪坝高3.5m),坝顶宽3.0m,坝底宽14.2m,迎水坡1:1.5,背水坡1:1.3。
(5)谷坊间距L=H /(i -i′)=4.0/(0.073-0.005)=59m(6)谷坊溢洪口设计溢洪口设在土坝一侧的坚硬土层或岩基上,上下两座谷坊的溢洪口要左右交错布设。
①设计洪峰流量计算:采用公式:Q=278KIF10-6式中:Q——设计流量,m3/s,;I——20年一遇1小时最大降雨强度,根据《忻州地区水文手册》计算得:I=74mm;F——沟头以上集水面积,为13hm2;K——径流系数,为0.40。
谷坊工程实施方案一、项目概述谷坊工程是指利用当地谷物资源进行深加工,生产各类谷类食品和副食品的加工生产工程。
本工程主要包括原料加工、生产制造、包装销售等环节,是一个良好的项目投资选择。
二、项目建设内容1. 建设原料加工车间:主要用于对谷类原料进行初步加工处理,如去壳、研磨等。
2. 建设生产制造车间:主要用于生产各类谷类食品和副食品,包括面粉、面条、米饭、米线、粥品等。
3. 建设包装销售车间:主要用于对生产好的产品进行包装,并进行销售和配送。
4. 建设办公楼和员工宿舍:提供办公场所和员工宿舍,为员工提供一个良好的工作和生活环境。
三、项目投资估算1. 原料加工车间投资:500万元。
2. 生产制造车间投资:1000万元。
3. 包装销售车间投资:300万元。
4. 办公楼和员工宿舍投资:200万元。
5. 其他费用:200万元。
总投资为2200万元。
四、项目效益分析1. 市场需求:随着人们生活水平的提高,对谷类食品的需求在不断增加,市场潜力巨大。
2. 技术优势:引进先进的生产设备和工艺,加工制造出的产品质量好,口感佳。
3. 经济效益:根据市场调查,本项目投产后预计年销售收入可达3000万元,年利润可达800万元,投资回收期为3年左右。
4. 社会效益:可提供就业机会,促进当地经济发展,增加税收收入,提高居民生活水平。
五、项目实施步骤1. 确定项目地址:选定适合建设谷坊工程的地点,考虑交通便利、资源丰富等因素。
2. 确定项目规模:根据市场需求和投资估算,确定项目建设规模。
3. 筹集资金:通过银行贷款、企业融资等渠道筹集项目所需资金。
4. 设计规划:进行项目建设的细化设计和规划,确定建设方案和布局图。
5. 建设施工:进行项目的土地开发、厂房建设等工程。
6. 设备购置:购买生产所需的机器设备和工具。
7. 生产试运营:进行项目试生产,进行产品质量检验和市场推广。
8. 正式投产:进行正式生产,销售推广。
六、项目实施风险预警1. 市场风险:市场需求波动,竞争压力大。
谷坊工程技术方案一、项目概述谷坊工程是一种基于智能化技术的农业生产模式,旨在提高农作物产量和质量,降低生产成本,同时减少对环境的影响。
本技术方案将以传统耕作和种植模式为基础,结合物联网技术、大数据分析、人工智能和自动化设备,优化种植管理,实现精准化农业生产。
二、技术解决方案1. 物联网技术利用物联网技术,将各类传感器安装在田地中,监测土壤温度、湿度、pH值、光照强度等环境参数,实现实时数据采集。
同时,利用GPS定位系统精确地记录农田的位置和大小,为后续作物管理提供精准化数据支持。
2. 大数据分析将采集到的各类环境数据和作物生长数据进行整合与分析,通过大数据算法研究出最佳的种植方案,并为种植管理提供科学依据。
同时,根据历史数据和气象预测等因素调整作物生长模型,提前预判并应对可能的自然灾害和疫病,减少产量损失。
3. 人工智能结合大数据分析结果,建立适应不同地区和季节的智能化种植方案,并利用人工智能技术优化农田管理,实现自动化、智能化的农业生产。
通过机器学习算法不断调整植物生长模型,提高作物产量和品质。
4. 自动化设备引入自动化设备,如精准施肥机、自动灌溉系统、无人机植保机等,实现种植管理的自动化和精准化。
通过远程监控系统,实现对农田情况的实时监测和远程控制,有效提高作物产量和品质。
5. 信息化管理建立全面信息化管理系统,对农田的各项数据进行统一管理和分析,同时与农民手机进行连接,实现对种植过程的远程监控和管理,提高农民的种植管理效率。
6. 可持续发展通过科技手段精准施肥、减少灌溉、提高作物抗病抗虫能力等措施,降低农业生产对环境的影响,并提高耕地的生产力,实现可持续发展。
三、实施方案1. 联合开发与电信运营商、农业科研机构、农业企业等合作,共同开发适用于不同地区和不同作物类型的智能农业设备和系统。
2. 示范推广在一些典型种植区域进行谷坊工程技术的示范推广,向当地农民宣传并演示谷坊工程的种植模式和技术特点。
4.4.2小型水保工程一、浆沏石谷坊1、布设原则以保护生产用地为目的,坚持因地制宜,就地取材,经久耐用,抗滑抗倾,能溢能泄,便于开发。
2、设计标准(1)谷坊工程的设计洪水标准为10年—20年一遇3h —6h最大暴雨设计。
(2)谷坊选址要求“口小肚大”沟底和岸坡地形,地质状况良好,材料方便。
3.水文计算最大洪峰流量Qp(10年一遇),采用下列公式:Qp=Q(H-Z)3/2×F4/5×BRSQp——洪水频率为10年的洪峰流量(m3/s)F——流域面积(km2)Q——地貌系数,采用0.07H——径流深,经查可选18.5mmZ——滞留的径流深,可选5mmB——洪水传播影响洪峰折减系数,采用0.8R——流域降雨不匀的折减子数,取1.0S——受谷坊,渣地调节影响折减子数,取1.0Qp=0.07×(18.5-5)3/2×1.24/5×0.8×1×1=3.214.断面尺寸的断定以上谷坊采用浆砌石,并采用200#砂浆进行砌筑,中间留出溢流口,初步设计基础深为1.5m,基础以上部分高4m,顶宽0.8m,顶长12m,背水坡采用1:0.5坡度。
(1)溢流口宽B的计算B=Q/m(2g)1/2H3/2M——流量系数,取0.42—0.5H——溢流口上水深,取0.5mg——重力加速度(2g)1/2=4.43B=3.21/(0.5×4.43×0.82/3)=2.0m最后确定溢流口的尺寸为:高为0.8m,宽为2.0m。
5.消力池尺寸的确定(1)单宽流量计算q=Q/B=3.21/2.0=1.61m3/s(2)谷坊前水头Eo=1.61+0.8=2.41m根据Eo=hc+q2/2gqhc2公式可以试算出跃前水深Eo——坝前总水头Hc——跃前水深Q——流量系数,取0.9a——单宽流量代入公式:2.41=hc+1.612/(2×9.8×0.9×hc2)代简:2.41=hc+2.59/17.64hc2可试算法求得:hc=0.3跃后水深:hcˊ=hc/2〔1+(8q2ghc)1/2-1〕=1.01消力池长度LK=3.1×1.01=3.13m,计算得池深取0.5m (3)谷坊间距在布设谷坊群的沟道时,为了实现沟底川台化,谷坊间距常用“顶底相照”原则确定。
水利工程谷坊施工方案一、项目背景随着人口的增长和城市化进程的加快,对供水、排水、灌溉等水利设施的需求日益增加。
为了满足这一需求,水利工程谷坊项目应运而生。
该项目的主要目的是为周边地区提供供水、排水和灌溉等基础设施,以解决水资源短缺和水利设施不完善的问题。
二、项目地点水利工程谷坊项目位于XX省XX市的XX县,地处长江流域,地势平坦,气候温和,是一个适合灌溉农田和供水的地区。
项目范围包括XX江的灌溉系统、XX河的排水系统以及周边村庄的供水系统,总面积约XXX平方公里。
项目的实施将有力地推动当地农业生产和城市化进程。
三、项目内容1. 灌溉系统建设灌溉系统是水利工程谷坊项目的核心内容之一。
灌溉系统将主要包括XX江的分级灌溉渠道、钢铁管道和农田水利设施等。
系统的设计目标是保证农田的灌溉需求,提高农田的水资源利用效率,以及加强灌溉设施的可持续性和抗灾性。
为了实现这一目标,我们将采用现代化的灌溉设备和技术,以确保水资源的平衡和高效利用。
2. 排水系统建设排水系统是水利工程谷坊项目的另一个重要内容。
排水系统将主要包括XX河的河道疏浚、排水渠道和排水泵站等。
系统的设计目标是加强排水设施的排水能力,改善地区的排水条件,以及提高地区的防洪能力。
为了实现这一目标,我们将采用先进的排水设备和技术,以确保地区的排水需求得到满足。
3. 供水系统建设供水系统是水利工程谷坊项目的另一个关键内容。
供水系统将主要包括周边村庄的供水管网、水源保护工程和水处理设施等。
系统的设计目标是保证周边村庄的供水需求,提高供水设施的供水能力,以及改善供水水质和供水环境。
为了实现这一目标,我们将采用现代化的供水设备和技术,以确保周边地区的供水需求得到满足。
四、施工方案1. 施工组织设计水利工程谷坊项目的施工组织设计将严格按照国家相关法规和标准进行。
施工单位将根据项目的特点和施工任务,合理规划施工组织,确保施工过程安全、高效、有序进行。
施工单位将建立健全的施工组织机构,明确各级管理人员的职责和权限,确保施工进度得到有效控制。
谷坊典型设计为了更好地完成项目,科学合理地安排布置2007年9座谷坊的计划任务,依据可研对项目区内二级沟的一条小支沟进行典型设计,其汇水面积0.13km2,沟底比降 6.9%,两岸边坡比约25度,沟口宽50m。
1、设计标准由于当地暴雨具有短历时、高强度的特点,因此本项目设计标准按拦截20年一遇24小时最大暴雨量设计。
2、类型根据当地地形、地质及土壤状况确定采用土谷坊形式。
3、工程设计(1)设计洪水总量由于谷坊布设流域无任何水文资料,因此采用相邻区域神池县城区的水文气象资料,并参考《忻州地区水文手册》中的有关经验公式和参数进行计算。
采用公式:W=1000KRF ;R=K P H24公式中各符号意义详见沟头防护工程设计。
查《忻州区水文手册》得:H24=60mm,C V=0.85,C S=3.5C V, K P=5%=2.70,则20年一遇24小时最大降雨量H24·P=5%=60×2.70=162mm,其对应暴雨径流系数为K=0.30。
3设计洪水总量为:W总=1000K·H24·P=5%·F=6318m(2)谷坊库容根据西北大学出版的《水土保持原理及规划》对于沟道近似弧形或半圆形时,沟道体积采用公式:V单=BHL/4.5式中:V单——单个谷坊库容,m3;B ——沟宽,为50m;H ——相应坝高,m;L ——回水长度,m。
经试算得:当拦洪坝高为3.5m时,L=44m,V单=1973m3。
(3)谷坊座数n=W总/V单=6318/1973≈3座(4)谷坊断面:谷坊坝高确定为 4.0m(拦洪坝高 3.5m),坝顶宽 3.0m,坝底宽14.2m,迎水坡1:1.5,背水坡1:1.3。
(5)谷坊间距L=H /(i-i′)=4.0/(0.073-0.005)=59m(6)谷坊溢洪口设计溢洪口设在土坝一侧的坚硬土层或岩基上,上下两座谷坊的溢洪口要左右交错布设。
①设计洪峰流量计算:采用公式:Q=278KIF10-6式中:Q ——设计流量,m3/s,;I —— 20年一遇1小时最大降雨强度,根据《忻州地区水文手册》计算得:I=74mm;F ——沟头以上集水面积,为13 hm2;K ——径流系数,为0.40。
标题:谷坊工程施工组织设计摘要:本工程施工组织设计是针对谷坊工程的建设项目,从施工准备到工程实施,对工程做了详细介绍。
本工程采用先进的技术和设备,注重安全文明施工,提出应对工程实际需要,从施工组织总设计,到单位工程施工组织设计和分部分项工程施工方案做出详细编制。
为了保障工程的顺利实施,制定适当的工期分布与文明施工措施,保证工程进行与实施。
本工程将严格按照国家相关法律法规和标准进行施工,确保工程质量、安全、进度等目标的实现。
关键词:谷坊工程、施工组织设计、安全文明施工、工期控制、质量保障一、工程概况本工程为谷坊工程,位于某河流上游,主要目的是为了防止水土流失,提高河道治理能力,增加农田灌溉面积。
工程主要包括土方工程、石方工程、混凝土工程、绿化工程等。
工程规模较大,施工周期较长,涉及多个施工单位。
二、施工组织设计1. 施工组织总设计施工组织总设计主要包括工程概述、施工部署、施工进度计划、施工准备、施工现场管理、施工平面图等内容。
针对本工程的特点和需求,制定合理的施工部署和施工进度计划,确保工程顺利实施。
2. 单位工程施工组织设计根据不同单位工程的特点,制定单位工程施工组织设计。
主要包括工程概况、施工部署、施工进度计划、施工准备、施工现场管理等内容。
单位工程施工组织设计要充分考虑施工过程中的各个环节,确保工程质量、安全、进度等目标的实现。
3. 分部分项工程施工方案针对工程中的各个分部分项,制定详细的施工方案。
主要包括工程概述、施工部署、施工工艺、施工进度计划、施工准备、施工现场管理等内容。
分部分项工程施工方案要结合工程实际,充分考虑施工过程中的安全、质量、进度等问题,确保工程顺利实施。
三、施工准备1. 技术准备:根据工程特点和需求,编制相关施工技术规范和施工工艺,组织技术人员进行培训和学习,确保施工过程中技术水平的提高。
2. 施工现场准备:对施工现场进行调查和勘测,了解地形地貌、水文地质等情况,为施工提供基础数据。
谷坊工程的设计、计算(图)
文章来源:蓝白蓝网 2010-05-25 09:06
一、土谷坊设计
1、土谷坊坝体断面尺寸,应根据谷坊所在位置的地形条件,参照下表进行。
2、溢洪口设计
2.1 图谷坊的溢洪口设在土坝一侧的坚实土层或岩基上,上下两座谷坊的溢洪口尽可能左右交错布设。
2.2 对沟道两岸是平地、沟深小于
3.0m的沟道,坝端没有适宜开挖溢洪口的位置,可将土坝高度修到超出沟床0.5-1.0m,坝体在沟道两岸平地上各延伸
2-3m,并用草皮或块石护砌,使洪水从坝的两端漫至坝下农、林、牧地,或安全转入沟谷,不允许水流直接回流到坝脚处。
2.3 设计洪峰流量计算,按下式计算
Q=278KIF10-6
式中:Q——设计流量,m3/s;
I——10年一遇1h最大降雨强度,mm/h;
F——沟头以上集水面积,hm2;
K——径流系数。
2.4 土质溢洪口断面尺寸计算:
土质溢洪口其下紧接排洪渠,按明渠流计算。
A=Q/V
A=(b+ph)h
式中:A——溢洪口断面面积,m2;
Q——设计洪峰流量,m3/s;
V——相应的流速,m/s;
b——溢洪口底宽,m;
h——溢洪口水深,m;
p——溢洪口边坡系数。
2.5 明渠式溢洪断面示意图,见下图。
明渠式溢洪口断面示意图2.6 流速按下式进行计算:
式中:V——流速,m/s;
R——水力半径,m;
i——渠底比降,%;
C——谢才系数。
2.7 水力半径按下式进行计算:
R=A/x
式中:R——水力半径,m;
A——溢洪口断面面积,m2;
x——溢洪口断面湿周,m。
2.8 溢洪口断面湿周按下式进行计算:
2.9 谢才系数按下式进行计算:
式中:C——谢才系数;
n——糙率,土质渠一般取0.025左右。
上述计算过程中,A与R为不定式关系,需通过试算求解,实际工作中应根据各地具体条件,先求得Q等值,再假定不同的溢洪口断面尺寸,分别算得相应的A、R、C等值,结合已定的i值,最后求得适合的A值。
二、石谷坊设计
1、坝体断面尺寸有两种情况,见下图。
a)干砌阶梯式石谷坊断面示意图b)浆砌石谷坊断面示意图
石谷坊断面示意图
1.1 阶梯式石谷坊。
一般坝高2-4m,顶宽1.0-1.3m,迎水坡1:0.2,背水坡1:0.8,坝顶过水深0.5-1.0m。
一般不蓄水,坝后2-3年淤满。
1.2 重力式石谷坊。
一般坝高3-5m,顶宽为坝高0.5-0.6倍(为便利交通),迎水坡1:0.1,背水坡1:0.5-1:1。
此类谷坊在巩固沟床的同时,还可蓄水利用,质量要求较高,需作坝体稳定分析,有关技术参照各地小型水利工程手册或规范执行。
2、溢洪口尺寸,石谷坊的溢洪口一般设在坝顶,采用矩形宽顶堰公式计算:
Q=Mbh3/2
式中:Q——设计流量,m3/s;
b——溢洪口底宽,m;
h——溢洪口水深,m;
M——流量系数,一般采用1.55。
三、植物(柳、杨)谷坊设计
1、多排密植型
1.1 在沟中已定谷坊位置,垂直于水流方向,挖沟密植柳杆(或杨杆)。
沟深0.5-1.0m,杆长1.5-
2.0m,埋深0.5-1.0m,露出地面1.0-1.5m。
1.2 每处(谷坊)栽植柳(或杨杆)5排以上,行距1.0m,株距0.3-0.5m。
埋杆直径5-7cm。
2、柳桩编篱型
2.1 在沟中已定谷坊位置,打2-3排柳桩。
桩长1.5-2.0m,打入地中0.5-1.0m。
排距1.0m,桩距0.3m。
2.2 用柳梢将柳桩编制成篱。
在每排篱中填入卵石(或块石),再用捆扎柳梢盖顶。
2.3 用铅丝将前后2-3排柳桩联系绑牢,使之成为整体,加强抗冲能力。