自动化元件明细表
- 格式:docx
- 大小:22.83 KB
- 文档页数:4
自动化常用标准件汇总(持续更新),请大家留言添加
一、FA工厂自动化零件(包含多个系列标准件)MISUMI(米思米)
怡合达
二、伺服电机
松下
三菱
安川
三、步进电机
雷赛电机
步科
东方马达
SKD
四、调速电机
精研电机
万鑫电机
城邦电机
SEW电机
中大电机
德国诺德电机
日本住友电机
五、减速机
APEX(精锐)
新宝
杰牌
SEW
ZD(中大)
六、导轨
THK
HIWIN
PMI
七、丝杆
THK
HIWIN
PMI
八、线性模组
HIWIN(上银)
THK
TOYO(东佑达)
银光
九、DD马达
CKD
NSK
HIWIN
十、拖链
易格思
十一、脚轮、脚杯、铰链、柜锁坤龙
生久柜锁
十二、旋转平台、滑台
芬创
联谊
上海华赋
十三、丝杆固定端座、支撑端座
黑田
THK
十四、气动
SMC
CKD
亚德客
气立可(CHELIC)
HITOP
FESTO
十五、铝型材
荣昌铝材
十六、分割器
古田分割器
三共分割器
潭子分割器
十七、开关、按钮、继电器、接触器台湾天得(TEND)
施耐德
欧姆
龙正泰
德力西
十八、安全光栅神视安全光栅基恩士安全光栅
十九、CCD
欧姆龙
康耐视
二十、传感器基恩士
欧姆龙
松下
SICK。
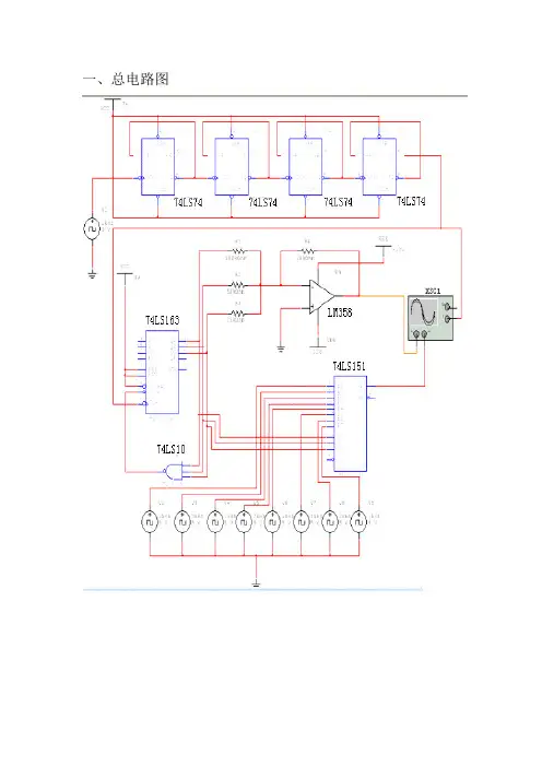
一、总电路图
二、附录
元器件明细表
主要器件说明
74LS74N
逻辑符号
逻辑功能表
逻辑功能说明
当4号端口输入低电平,1号端口输入高电平输出Q=1 Q非=0 当1号端口输入低电平,4号端口输入高电平输出Q=0 Q非=1 当1号端口和4号端口同时输入低电平输出Q=1 Q非=1 当1号端口和4号端口同时输入高电平,3号端口下降沿触发
D=1时 Q=1 Q非=0
D=0时 Q=0 Q非=1
74LS163N
逻辑符号
逻辑功能表
逻辑功能说明
清零端输入低电平,CP脉冲下降沿触发,输出全为0。
清零端输入高电平,预置端输入低电平,CP脉冲下降沿触发输出QA=A QB=B QC=C QD=D。
清零端、预置端输入高电平,ENT、ENP输入高电平,CP脉冲下降沿触发电路计数,没词加1。
清零端、预置端输入高电平,ENT、ENP一个输入高电平,一个输入低电平,输出保持不变。
74LS10N
逻辑符号
逻辑功能表
逻辑功能说明
输出Y=ABC 输入全为1,输出为0。
74LS151N
逻辑符号
逻辑功能表
逻辑功能说明
使能端输入高电平,输入端Y=0 W=1
使能端输入低电平,输出端Y的信号为CBA最小项的输入端的信号,W为Y 的互补信号。
电气自动化元件(法国施耐德)空气开关型号C65H —DCC65H —DC C65H —DC C65H —DC C65H —DC C65H —DC C65NC65NC65NC65NC65NC65NC65NC65C65NC65N —DC B1B3NDB2 —63NDB2Z —63 CHNTDZ47—60 CHNTDZ47—60 CHNTDZ47—60 DZ47—63DZ47—63DZ47—63 DZ47—63 DZ47—63 DZ47DZ47LE 电流C3AC3AC6AC65AC4AC25C1C6C6C10C16C50C20C25C6C4AC1C6C5C6C16C106000AC504500AC50C10C3C106000A频率(HZ)505050505050505050电压(V)400250250127250250400400250400400400400400400250250400400400250400250400230/400400400400230/400400230电流(KA)leu101010数量(个125342648261311106301177131141121111513相数22222单相32223323233222单相2单相434单相2单相备注直交流通用直交流通用直交流通用直交流通用直交流通用直交流通用D4直交流通用直交流通用GB1096.3IEC60898.1直交流通用直交流通用D25型号及规格Telemeca niqu X B —BVM4LC AC/DC 220VTelemeca niqu X B —BVM4LC AC/DC 220VTelemeca niqu X B —BVM4LC AC/DC 220VTelemeca niqu X B —BVM4LC AC/DC 220Vr 型号及规格Telemeca niqu X B —BVM4LC AC/DC 220VTelemeca niqu X B —BVM4LC AC/DC 220VTelemeca niqu X B —BVM4LC AC/DC 220VTelemeca niqu X B —BVM4LC AC/DC 220V 数量(个) 24819588按钮数量(个) 141318颜色红色黄色绿色白色颜色红色黄色绿色白色备注备注400C63 50 400C63 400C6 400C6 250220/23 0—80 380/415 —50 440 〜40 500 〜30525 〜25 660/690 —10 Ui:750V Uimp:8KV50HZ/60HZNaderDNM1 —63 CNC DZ47 —63 3KANaderDNM1 —63 NaderDNM1 —63 NaderNDB2Z —63Schn eider IEC 60947-2 Ue(V) lcu(KA)111153633222直交流通用法国施耐德(指示灯及按钮)指示灯型号及规格RT16—2 NT2R033 RT18—32 10 X 38 RT14—20RT0—400保险及熔断器电压(电流)500V 〜12KA 660 〜50KA500V 〜32A380V 〜20A380V 〜50KA5A 250V A VI 5A 30V DCI数量(个)21106111217备注gl400Agl400A型号APT LW3 9 —16万能转换开关电压及电流Ui :690 Ith: 16A A C15 380V 1.8A D C —13备注ZB—2BE101CIEC94 7—5 —1 LW5 —15LW38 A—16 YH4/2220V 0.2AIth: 10A AC 15 Ui:600V 240V —3AUimp: 6KAUi:660V Ith :16A额定发热电流16A 额定绝缘电压500VUi:660V Ith:16A2342电流表数量(个)518483电压表数量(个)761111型号及规格(厂家)PA- 1941 —2X1 PA- 1941 —DXIT YOKO GAW A型号及规格(厂家)PZ194V—2X4 CHNTPZ194V—9X1V YOKO GAW A YOKO GAW A备注I. ii 桥输出电流表备注待并电压表定子电压表转子电压表量程0—150A0—750A量程0—450V0—15KV0—300V数量(个)16型号及规格Direct KM4N I —D220KM2N 3—D24 DZ—6OMRONMY4NJOMRONMK2 P — 1 CONTACTSS—仃BHH52P952(MY2)J2X—18FFHQ30—32 10—3X38 OMRON MK2 P —1 CONTACT HH54 P —L CONTACT CONTACTKDY A —DG 75 —24MIND HH64P CONTACT MY2NJMY4NJSSD —37KW IEC94 7—442西安江河(继电器)电压及电流AC —15 380/360VA DC —13220V/33W5A 240VAC 5A 30VDC7A 240VAC 7A 30VDC32A220V/240V AC250VAC/260VDC 10RES250VAC 7A GEN5A 240VAC1280VDC32A 380V/50 0250V/AC 28VDC 10A RES250VAC 74A GEN5A 240VAC 5A 30VDC COLL220VAC250VAC 30VDC SINGLE PHASEONLY:1OA(N.O)10(N.O)RES 5A(N.C) 7AOUTPUT: 24 V 3.2AINPUT:100 —240VAC 3.5AOUTPUT: 24V 50HZ/60HZ5A 250V ACI5A 30V DCI10A 240V AC 10A 30VDC COLL220VDC24VDC220—240VAC 50HZ/60HZ数量(个)213715115014256136411121271备注电子式热过载继电器时间继电器直交流电压通用输出直交流电压通用机电软启动器西安江河名称油混水信号器油位计磁线位移传感器磁线位移传感器”智能温度检测仪剪断销信号器剪断销铂热电阻铂热电阻铂热电阻型号YHX— CUHZ—57MSLMSL—650—12JX—14WZP—190WZ P—892JB/T863 2 —1997WZP—200规格测量范围:0—5%电压:24V 电级长度:300测量长度:800mm 工作压力:4.0mpa 工作密度:0.88g/cm2电压24V 量程250mm插入深度150mm数量(个或者块)9663271001001001006备注磁性液位计主机厂名称数量备注制动器(制动块) 8 块制动器(密封圈) 8 个围带 3 个活塞(中硬耐磨橡胶 1 —2) 3 个绝缘套16 个抗磨板(1X A4) 3 只①4 耐油橡胶条(橡胶 1 —2) 50 米①6 耐油橡胶条(橡胶 1 —2) 20 米①8 耐油橡胶条(橡胶 1 —2) 50 米①250 导叶接力器活塞密封 6 组VA100 X 120X 10名称吊转子索具吊定子(上机架)索具吊转轮索具卸扣棉纱手套:滑胶手套线手套鞋套口罩金相砂纸毛巾白布角磨机切割片毛毡抛光片钻头密封胶研磨膏工业毡专用索具。
自动化控制图例与字母说明表完整自动化控制图例是一种用来表示自动化系统中各个元件、设备、信号和控制逻辑关系的图形符号和线条组合,它是自动化控制系统设计和分析的重要工具。
字母说明表则是对图例中使用的各个字母和符号进行解释和说明的表格。
以下是一份完整的自动化控制图例与字母说明表,详细描述了各个元件、设备、信号和控制逻辑的含义和功能。
1. 控制器(Controller)- 符号:矩形框- 功能:控制系统的中央处理器,接收输入信号并根据设定的控制算法产生输出信号。
2. 传感器(Sensor)- 符号:圆形- 功能:用于检测和测量物理量,将其转换为电信号并传递给控制器。
3. 执行器(Actuator)- 符号:箭头- 功能:根据控制器的输出信号执行相应的动作,控制系统的执行部份。
4. 信号线(Signal Line)- 符号:直线- 功能:用于传输信号,连接传感器、控制器和执行器。
5. 电源(Power Supply)- 符号:直线和加号- 功能:为控制系统提供电能。
6. 开关(Switch)- 符号:直线和弯曲线- 功能:用于控制电路的通断。
7. 运算器(Operator)- 符号:圆形中带有加号或者乘号- 功能:对输入信号进行数学运算,产生输出信号。
8. 计时器(Timer)- 符号:圆形中带有时钟符号- 功能:根据设定的时间参数,控制输出信号的时间延迟或者持续时间。
9. 计数器(Counter)- 符号:圆形中带有数字- 功能:对输入信号进行计数,根据设定的计数值产生输出信号。
10. 过程变量(Process Variable)- 符号:圆形中带有"P"字母- 功能:表示控制系统中需要被测量或者控制的物理量。
11. 设定值(Setpoint)- 符号:圆形中带有"S"字母- 功能:控制器设定的期望值或者目标值。
12. 输出值(Output)- 符号:圆形中带有"O"字母- 功能:控制器输出的控制信号。
自动化部门标准件库清单名称型号数量3气接头(白)7?6直通(可调速)10?6气接头(白)1?4直通(可调速)18?4三通(直)19?8三通(直)4?6M10气接头24?6M5气接头1?4M5气接头21?8M13弯头2 4-6转换器26 8-10转换器4?8三通(弯)4?4三通(弯)1?4直头1?6直头23?8直头4?4M5气接头(金属)4气源处理器AR20001气源处理器AFR20002气源处理器AFC20005电磁阀4V210-08 DC24V10缓冲器AC0806-28缓冲器AC1005-25红色急停开关LA384控制按钮LA383控制按钮(红)LA3829控制按钮(绿)LA389信号灯(黄)ND16-22DS/43信号灯(红)ND16-22DS/44直流电源MS-35-24(24V,1.5A)4交流接触器CJX1-12/2Z1线排5小型电磁继电器JZX-22F(D)/4Z 24VDC9小型电磁继电器JZX-22F(D)/2Z 24VDC8小型电磁继电器JZX-22F(D)/4Z 220VAC10小型电磁继电器JZX-22F(D)/2Z 220VAC8小型电磁继电器JQX-13F 220VAC3继电器底座PYF-08A17继电器底座PYF-14A19铁扎带19磁性开关CS1-U9磁性开关D-A932单头光纤FRS-3106单头光纤M4备用1 1.5米电源连接线19三口插座配电源线19滚动轴承内外径10-2218滚动轴承内外径8-2216?8顶杆150长10?8直线轴承2 8芯线1 2芯线1?4气管1?6气管1?8气管1旧货:直流电源24V-6A1直流电源24V-2.1A2电磁阀4v410-152电磁阀4V210-08 6气排2调压阀AFR2000-AL20001计数器TH11J2气缸MA16*352气缸MA16*15-S-CA2气缸MJ8*10-10-S1气缸SCJ125*50-501。
电器控制常用器件空气开关空气开关主要提供可以恢复的短路保护,当线路或电气装置发生瞬间短路或大电流时,空气开关自动跳闸断开,空气开关分为线路保护型和电动机保护型,线路保护型允许的跳闸电流约为7倍额定电流,电动机保护型为11倍额定电流。
交流接触器主要用来控制主电路设备的通断,控制电流较大,其内有消弧装置,主触点接通主电路辅触点用于自锁.安全互锁或告知功能。
中间继电器原理同交流接触器一样,主要用来控制中间线路和其他小功率电器装置的通断,在主电器元件中起中继作用或发出告知信号,触点无主辅之分。
热继电器热继电器原理不同于中间继电器,由热感元件,动作电流设定旋钮和辅助触点等组成,热继电器的主端子串入被保护的电路,当线路有电流流过时,热感元件发热,当流过的电流超过设定值,经过一定时间热感元件发热使辅助触点动作,辅助触点用于使交流接触器断电或接通故障信号灯,一般用于保护线路或电动机避免过载,当过载过后可以人工复位或自动复位,热继电器一般对瞬间电流不敏感,延时继电器延时继电器由时间设定旋钮和控制触点组成,有通电延时和断电延时之分,通电延时型,继电器通电后,其触点延时一定时间后在发生动作,触点断电后立即释放。
漏电开关主要用于保护人身安全,主要原理是根据线路中各项电流矢量之和为零,有单相和三相漏电开关之分,以单相漏电开关为例,它在一根铁芯上把火线和零线绕相同的圈数,正向电流形成的磁场和负向电流的磁场想抵,有人触电时测量线圈有感应电流,该感应电流接在一个电磁线圈上,并使磁铁吸下。
控制电压器和自耦变压器控制电压器用于控制电路或装置提供低压电源或隔离电源,输入侧电压和输出侧电压之比等于输入线圈匝数和输出匝数之比,自耦变压器是通过绕在铁芯上统一组线圈在不同处的抽头实现升压或降压电抗器电抗器就是可以流过较大电流的电感,利用电感线圈中的电流不能突变的原理,提供续流和稳流的作用,在变频器应用中,有时需要在三相电源输入侧串三进三出的三相输入电抗器,以减少变频器产生的谐波对电网的干扰,在变频器的中间直流环节接一进一出的直流电抗器,以提高功率因数,在电动机的输出侧接三相输出电抗器,以减少变频器产生的谐波对大地形成的位移电流漏电效应,以延长变频器和电动机之间的距离固态继电器和调功器固态继电器用于控制交流单相电源或交流三相电源的通断,它的控制侧为直流电压信号,;利用光电耦合或变频变压器耦合,控制反向并联的单相可控硅或双向可控硅切点和接通供电电源和负载的连接,双向可控硅在电压过零时开启,负载电流过零时关断。
自动化元件那点事,详细解释!每天都要长知识,小编今天用已有的资源对几种典型的自动化元器件进行了汇总,包括知名的品牌、元器件的简单介绍、故障分析以及维护。
一、气动元器件气动元件通过气体的压强或膨胀产生的力来做功的元件,即将压缩空气的弹性能量转换为动能的机件。
如气缸、气动马达、蒸汽机等。
气动元件是一种动力传动形式,亦为能量转换装置,利用气体压力来传递能量。
日本:CKD、SMC、太阳铁工(TAIYO)、小金井(KOGANEI)、住友(SUMITOMO)韩国:韩国PMC公司、韩国YSC气动、SANG-A 接头、软管美国:霍尼韦尔HONEYWELL、MAC气动、ROSS气动元件、ASCO气动、ACE 气动、CPC气动德国:费斯托FESTO、宝德(BURKERT)、力士乐(REXROTH)、GSR高压电磁阀日本:CKD、SMC、太阳铁工(TAIYO)、小金井(KOGANEI)、住友(SUMITOMO)、力士乐,诺冠英国:诺冠NORGREN气动、斯派莎克SPIRAXSARCO、欧陆法国:乐可利(LEGRIS)接头、软管、阀门台湾:亚德克,气立可,油顺,金器MINDMAN、SUNWELL、新恭SHAKO、中鼎MODENTIC、兴冶阀门意大利:ODE电磁阀、杰夫伦GEFRAN国内:济南杰菲特(原济南华能JPC)、上海新益、肇庆方大、烟台未来如何保养一套气动元件设备如果维护不得当,那么就会减少设备的寿命,严重的话发生故障所带来的安全隐患也是不可小觑的,那么如何维护好一套气动元件设备呢?接着学习……1、保证正确的供气系统:进气压力于工具入口处(非空压机之出气压力)一般为90PSIG(6.2Kg/cm^2),过高、过低均有损工具之性能及寿命。
进气必须含有充分润滑油,尽量不含水份。
2、不可任意拆除工具的零件后而操作,除了会影响操作者的安全关会致使工具损坏。
3、若工具略有故障或经使用不能达到原有功能时,不可再继续使用,要立即检查。
如何让proe自动生成零件明细表用Pro/E做产品设计时,应用BOM技术,则可自动生成标准的明细表。
(一)参数设计工程师设计零件时,有些信息可自动列入明细表中,但更多的相关信息,可以通过设定参数的方式,在设计阶段设定,通常情况下,可遵照下列步骤进行。
1.为保证整个设计小组设计的一致性,我们可以预设一个只含有三个基准参考面标准零件模板,如start.prt。
这样可以使将来的装配中没有太多的参考面,影响视觉效果,也可把参考面放入层(Layer)中,并保存成不显示状态(Blank)。
2.设定质量信息,对于start.prt 做质量计算。
给入一个密度值,然后加入一个Relation, cmass=mp_mass(””),其中cmass 即为将来的质量参数,建议在取参数名时,使用连续的字符串,不要用“-”“_”等,在后面的设定中会有冲突,然后编辑Program(Program; Edit Design),在文件最后,应该是如下内容:MASSPROPPart start 加入此一行END MASSPROP编辑Program的目的是为了当零件修改后,Regenerate 时,软件会重新计算质量。
但此一项需要Pro/ASSEMBLY 模块。
如无此模块,那么每次设计修改后,请在总装配后,再做一次质量计算,然后在二维图(含BOM 的二维图)中,Regenerate 一次。
3.设定其它参数(Set up; parameter; create; string)cmat: 代表材料,输入一个常用材料,如:Q-235cname: 代表中文名称,输入‘基本件’cindex: 代表件号,一般情况下,明细表中件号一栏,可以和零件名称(model name)保持一致,这样可少设一个参数,件号不要用“.”或空格分成几段,这种命名方式在Pro/E中是非法的,另一种情况是,在产品设计阶段、零件件号尚不确定,用户可以按某种编号方式先定零件名,再由cindex 参数来列示于明细表中,但这样均会有一定的副作用,就是在没有PDM 的情况下,不启动Pro/E 软件,操作系统检索不到件号栏。