最新液压-方向控制回路-公开课教案
- 格式:docx
- 大小:282.62 KB
- 文档页数:9
《液压方向控制回路》说课稿《液压方向控制回路》说课稿各位评委、老师,大家好。
我是我说课的内容是《液压方向控制回路》。
我将从教材、学情、教法、教学过程、板书设计五个方面阐述我对本堂课的理解与设计。
一、说教材我选用这本《液压与气动技术》教材是机电类专业高职高专“十二五”国家规划教材,江苏凤凰教育出版社出版,江建刚主编本次课节选于第六章第一节《液压方向控制回路》。
本课能够进一步巩固以前学习的动力装置、执行装置等液压元件知识,让学生对液压传动系统这一概念有更深刻的认识,同时为学生下一步进行液压系统的设计打下坚实的基础。
\教学目标:知识目标能掌握方向控制回路的工作原理及各组成元件作用技能目标能够自行组装简单的方向控制回路情感目标培养学生严谨认真的学习态度、勤于思考的学习习惯和周密细致的分析能力。
教学重难点:教学重点:(1)方向控制回路工作原理。
(2)方向控制回路的各组成元件的作用教学难点:连接方向控制回路二、说学情:本堂课开课对象为我校机电系13机电2、3班。
优点:好奇心强,思维活跃,有较强的求知欲望精力充沛,活泼好动,有较强的动手能力。
缺点:自制力差,上课容易走神,多数学生自主学习能力较薄弱,自信心不足,遇到难学的知识,容易选择放弃。
三、教法与学法为了能够实现本堂课的教学目标,突破本堂课的重、难点,结合学情分析及专业特点,在教法上我采用了多媒体演示法、分组讨论法、案例分析法、巡回指导法。
以“诱发―――质疑―――探讨”为主线,通过“观察―――演示―――讨论―――总结―――实操”的程序来实施教学。
四、教学过程整个教学过程的设计以”必需、够用”为度,分“引、思、学、导、练”五个环节展开,分别为:引:案例引入,激发兴趣;思:演示讲授,启发思考;学:分组讨论,合作学习;导:引导分析、归纳总结;练:即时实践,强化能力。
1、案例引入,激发兴趣:首先从学生感兴趣的生产实例引入,通过播放磨床工作视频,引发学生对本课程的联想。
【课题编号】26—11.5【课题名称】液压基本回路【教学目标与要求】一、知识目标了解组成液压传动系统的四大基本回路的结构、运动特点和应用场合。
二、能力目标能够将液压传动系统分成几个基本回路,以便分析运动分析。
三、素质目标能分析液压系统的传动过程。
四、教学要求1. 能够认识四个基本回路的组成,即各回路中不同类型的特点。
2. 能够把液压传动系统图分成相应的基本回路,分析各个回路在传动中的作用。
【教学重点】各典型回路的运动特点分析。
【难点分析】1.换向阀不同中位机能的作用。
2.进油节流调速与回油节流调速比较。
3.二次进给回路的应用。
分析学生】由于传动系统的图形符号不复杂,比较直观,难度不大,只要各种阀的动作机理清楚,各个典型回路应当比较容易理解。
方向控制阀的各中位机能的作用对执行元件运动的影响,估计学生缺少感性认识,可能理解不深。
【教学思路设计】重点是分析各种典型回路的特点,比较各回路对执行件的影响,所以要注意采用比较法来记住各种回路的特点。
【教学安排】2 学时(90 分钟)【教学过程】对于任何一种液压传动系统,无论其结构有多么的复杂,总归是由一些基本回路组成的,只要熟悉这些基本回路,就能比较容易地分析传动的过程,正如分析机器时,先将它拆成各个机构一样。
一、方向控制回路1.换向如图11—35 的换向回路由手动三位四通阀来控制工作台的左右运动,图示位置换向阀处于左位,油液进入油缸左腔,执行元件右移;当换向改换成为右位时,油液进入油缸右腔,执行元件左移,实现左右移动。
而换向阀处于中位时,由于进油口与回油口相通,油液全部流回油箱,油缸左右两腔油液被封闭,执行元件固定不动。
图中溢流阀、压力表、液压泵和配件为基本配置元件。
2 . 锁紧将执行元件锁紧在某个位置上不得左右窜动。
常用的回路有换向阀锁紧和单向阀锁紧两种1)换向阀锁紧回路如图11—36 所示,换向阀的中位机能为O型,即进、出油口全部封闭不相通,油泵的油液由溢流阀流回油箱。
液压方向控制回路教案教案标题:液压方向控制回路教案教案目标:1. 了解液压方向控制回路的基本原理和组成结构;2. 掌握液压方向控制回路的工作原理和调试方法;3. 能够设计和搭建简单的液压方向控制回路。
教学内容:1. 液压方向控制回路的基本原理和组成结构a. 液压方向控制回路的作用和应用领域;b. 液压方向控制回路的基本组成部分,如液压泵、液压阀、液压缸等;c. 液压方向控制回路的工作流程和信号传递方式。
2. 液压方向控制回路的工作原理和调试方法a. 液压方向控制回路的工作原理,包括压力传递、流量控制和方向控制;b. 液压方向控制回路的调试方法,如调整液压阀的工作压力和流量、检查液压缸的密封性等。
3. 设计和搭建液压方向控制回路a. 根据实际需求,设计液压方向控制回路的结构和参数;b. 搭建液压方向控制回路的实验装置;c. 进行实验验证,调试回路的工作性能。
教学步骤:1. 引入课题,介绍液压方向控制回路的重要性和应用领域;2. 讲解液压方向控制回路的基本原理和组成结构;3. 展示液压方向控制回路的工作流程和信号传递方式;4. 分析液压方向控制回路的工作原理和调试方法;5. 演示液压方向控制回路的调试过程和技巧;6. 引导学生设计和搭建液压方向控制回路的实验装置;7. 指导学生进行实验验证,并调试回路的工作性能;8. 总结本节课的内容,强调液压方向控制回路的重要性和应用前景。
教学资源:1. 液压方向控制回路的教材和参考书籍;2. 液压方向控制回路的实验装置和工具;3. 液压方向控制回路的示意图和实物图。
评估方式:1. 学生课堂表现评估,包括听讲、提问和参与讨论的能力;2. 学生实验报告评估,包括实验结果的准确性和分析能力;3. 学生设计方向控制回路的评估,包括结构合理性和性能稳定性。
教学延伸:1. 鼓励学生进行液压方向控制回路的改进和优化;2. 推荐学生深入学习液压技术的相关知识,如液压传动系统、液压缸的工作原理等;3. 鼓励学生参与液压方向控制回路的实际应用项目,提升实践能力和创新能力。
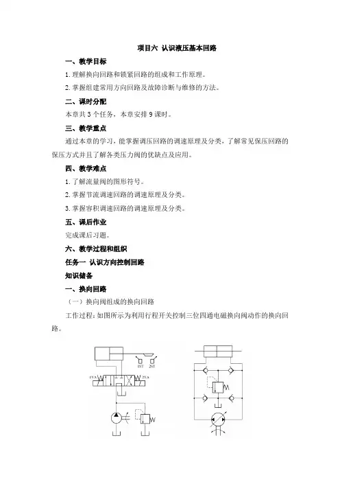
项目六认识液压基本回路一、教学目标1.理解换向回路和锁紧回路的组成和工作原理。
2.掌握组建常用方向回路及故障诊断与维修的方法。
二、课时分配本章共3个任务,本章安排9课时。
三、教学重点通过本章的学习,能掌握调压回路的调速原理及分类,了解常见保压回路的保压方式并且了解各类压力阀的优缺点及应用。
四、教学难点1.了解流量阀的图形符号。
2.掌握节流调速回路的调速原理及分类。
3.掌握容积调速回路的调速原理及分类。
五、课后作业完成课后习题。
六、教学过程和组织任务一认识方向控制回路知识储备一、换向回路(一)换向阀组成的换向回路工作过程:如图所示为利用行程开关控制三位四通电磁换向阀动作的换向回路。
(二)其他方法组成的换向回路1.由双向变量泵组成的换向回路如图所示为由双向变量泵组成的换向回路。
利用双向变量泵直接改变输油方向,以实现液压缸和液压马达的换向。
2.时间控制制动式换向回路所示为时间控制制动式换向回路。
回路中的主油路只受换向阀3(主阀)的控制。
二、锁紧回路1.利用三位换向阀的中位机能的锁紧回路如图所示,利用三位换向阀的中位机能(O形或M形)封闭液压缸左右两腔的进、出油口,使液压缸锁紧。
2.采用用液控单向阀的锁紧回路如图所示为采用液控单向阀的锁紧回路。
当换向阀处于中位时,由于换向阀的中位机能是H形,液压泵卸荷,两个液控单向阀均关闭,液压缸双向锁紧。
任务实施一、训练场地及设备(1)场地:液压实训室、实训基地。
(2)设备:各种液压实训台、实验室模拟设备等。
二、训练步骤(一)平面磨床工作台液压控制回路安装为了方便了解,将任务中平面磨床工作台的运动分为三种,即:一是工作台向左运动,二是工作台向右运动,三是工作台在任意位置停止。
Step 1依据任务要求和选定的液压元件,设计出如图所示的平面磨床工作台液压控制回路。
Step 2回路分析:如图所示,若活塞杆固定,当阀左位接入回路,液压油进入液压缸左腔,使工作台右移;当阀右位接入系统,液压油进入液压缸右腔,使工作台左移;当阀中位接入系统时,液压缸左、右腔均没有液压油流入,且左、右腔不相同,工作台停止运动。
第7章液压基本回路7. 1方向控制回路定义:控制液流的通、断和流动方向的回路称为方向控制回路功用:在液压系统中用于实现执行元件的启动、停止以及改变运动方向分类:换向回路、闭锁回路一、换向回路核心元件一一换向阀换向阀类型:二位三通、二位四通、二位五通、三位四通或三位五通换向阀换向控制方式:人力、机动、电动、液动、电液动二位换向阀与三位换向阀的区别二位阀:可以使执行元件正反两个方向运动,不能在任意位置停止。
三位阀:有中位,可以使执行元件在其行程中的任意位置停止。
数控车床液压刀塔换向回路分析二位换向阀的应用:钢球定位式二位换向阀具有自保持功能数控车床卡盘换向回路分析二、锁紧回路锁紧回路:防止液压缸在停止运动时因外界影响而发生漂移或窜动核心元件--- 三位换向阀、液控单向阀锁紧回路有以下几种:企业案例分析企业案例分析二位换向阀的应用六套浪压刀塔钢球定位或二位换丽其有白保枷能钢球定位式丁(0.5-5MP«)1.换向阀锁紧回路利用三位换向阀的。
型(或M型)中位机能,封闭液压缸两腔,使活塞能在行程的任意位置上锁紧。
由于滑阀式换向阀不可避免地存在泄漏,这种锁紧回路能保持执行元件锁紧的时间不长,锁紧效果较差。
2.液控单向阀锁紧回路特点:液控单向阀的密封性能很好,从而能使执行元件长期锁紧。
为了保证中位锁紧,三位换向阀应采用H型、Y型中位机能。
举例分析:数控机床液压分度盘锁紧回路、数控车床液压卡盘双向锁紧、数控车床液压尾架锁紧回路、数控车床液压中心架锁紧回路。
举例分析:卧式加工中心液压系统方向控制回路(综合分析)托盘锁紧与松开:采用二位双电控换向阀的换向回路托盘抬起与下降:采用三位换向阀(Y型)的换向回路采用液控单向阀锁紧回路转台夹紧:采用二位双电控换向阀的换向回路交换台旋转:采用三位换向阀(Y型)的换向回路,液控单向阀锁紧回路刀具的松开与夹紧:采用二位单电控换向阀的换向回路,弹簧复位式,失电夹紧,安全可靠。
体验式课堂教学模式之专业理论课课题:基本液压回路第课时总第个导学案主备人:任课教师:授课时间:年月日背景分析基本液压回路是在掌握所有阀类零件的基础上,组成的简单回路。
教学三维目标知识目标:了解基本液压回路的分类,正确认识液压回路的路线,掌握液压回路的进油路线和回油路线。
能力目标:引导和鼓励学生养成多听,多看,多问的学习方法,调动学生主动学习的积极性,逐步学会独立思考,达到在思考中掌握知识的目的。
情感目标:通过本节课的学习,使学生对基本液压回路有一定的了解。
教学重点基本液压回路的分类,方向控制回路的分类及进回油路线教学难点方向控制回路的进回油路线教法学法多媒体教学方法以任务驱动,通过启发、诱导使学生自觉掌握本节知识内容。
教具学具多媒体教学环节教学活动过程思考与调整活动内容学生行为教师行为情境创设情感体验液压传动系统的基本组成:(1)动力元件(2)执行元件(3)控制元件(4)辅助元件(5)工作介质结合课前的预习思考并讨论问题:液压传动系统的基本组成有哪些?引导学生进入本节课题:基本液压回路任务引领探究体验任务一:基本液压回路的分类所谓基本回路是指系统中起某一作用或控制某一参数,由部分元件和管路构成的单元回路。
用基本回路组成系统,完成复杂的动作。
按油路的功能不同,基本回路可分为:压力控制回路:是用压力阀在油路中调节系统的压力,以满足执行机构对压力的要求。
按照使用的目的不同,压力控制回路又可分为调压、减压、增压、卸荷等回路。
速度控制回路:是控制和调节液压执行元件运动速度的单元回路。
方向控制回路:是用来控制液压系统各条油路中的油流的接通、切断或改变流向,从而使各执行元件按照需要相应地做出起动、停止或换向等一系列动作。
任务二:方向控制回路换向回路1、功能元件:换向阀2、作用:通过改变油液的流动方向从而改变执行元件的运动方向。
3、工作过程思考问题,并分组抢答,什么是基本回路?学生分组讨论,基本回路的分类?作答后思考所学过的压力控制阀,速度控制阀,方向控制阀有哪些?对照书本,找出方向控制回路的概念及关键词。
【课题编号】24—11.3【课题名称】液压缸与方向控制阀【教学目标与要求】一、知识目标1.了解液压缸的结构及特点。
2.熟悉方向控制阀的作用及图形符号。
二、能力目标1.能区分单、双杠活塞缸和差动连接的特点。
2能够看懂换向阀的图形符号。
三、素质目标1.了解液压缸的种类及特点。
2.了解方向控制阀的作用及其图形符号的含义。
四、教学要求1.熟悉液压缸的结构及活塞杆运动速度的计算,差动连接的工作特点。
2.了解液压缸的密封方式,缓冲结构的特点及排气孔的作用。
3.熟悉方向控制阀的工作原理,图形符号的含义及中位机能与控制方式。
【教学重点】1.方向控制阀图形符号的含义。
2.差动连接与单、双活塞缸的活塞运动速度的差别。
【难点分析】1. 差动连接活塞运动速度计算。
这里区别在于活塞的回油进了进油腔,流量加大,活塞杆的运动速度得到较大的提高。
2. 排气塞的作用,由于没有维护经验,不理解必须有排气塞,且要开在上方,正如暖气管道每年通汽时要到最高层把滞留在管道里的空气排空,暖气的水才能流过去的道理一样。
3. 方向阀中位机能的作用根据工作要求来选择。
可参考机能特点及作用的介绍。
【分析学生】由于学生缺少实践经验,教师讲课时应多举实例,换向阀的结构简图不太清晰,需老师帮助学生识图。
至于中位机能,待工作后慢慢体会。
【教学思路设计】1. 用比较法讲授不同类型的液压缸及连接方法。
2. 方向阀先识好结构图,再分析“通”与“位”的含义。
【教学安排】2学时(90分钟)【教学过程】一、液压缸液压缸是液压系统的执行原件,将液压能转换成直线运动的机械能。
可分三种类型:1. 双活塞杆如图11—13所示,缸体固定,活塞两缸配有活塞杆带动工作台左右移动;也可以活塞杆固定,液压缸带工作台左右移动。
移动距离为活塞有效长度的2倍。
推力 F=A p =π(D2-d2)p/4速度V=q/A=4q/π(D2-d2)2. 单杆活塞缸如图11—14所示,仅活塞的右端配有杆,活塞两端面积不等,有杆端的面积小,其活动速度大于无杆端,但其产生的推力也小。
任务五正确连接与安装方向控制回路[工作任务分析]:本任务主要掌握方向控制阀的工作原理、结构、操纵方式及阀的选用,能进行方向控制阀的故障检测与排除,掌握方向控制回路的组成、功用及使用特点。
[工作任务实施]:一、部分概述(一)液压阀的作用液压阀是用来控制液压系统中油液的流动方向或调节其压力和流量的,因此它可分为方向阀、压力阀和流量阀图单向阀(a)结构图(b)职能符号图1—阀体2—阀芯3—弹簧图液控单向阀(a)结构图(b)职能符号图 1—活塞2—顶杆3—阀芯工作原理图。
该阀由阀体1、阀芯2和使阀芯转动的操作手柄3组成,在图示位置,通口转换到“止”位置时,通口P、A、B和T均不相通,当操作手柄转换到另一位置时,则通口通。
5—3(b)所示是它的职能符号。
图5-4滑阀操纵方式(b)机动式(c)电磁动(d)弹簧控制(e)液动(f)液压先导控制在液压传动系统中广泛采用的是滑阀式换向阀,在这里主要介绍这种换向阀的几种典型结构。
图5-7二位三通电磁换向阀(a)结构图(b)职能符号图1—推杆2—阀芯3—弹簧所述,电磁换向阀就其工作位置来说,有二位和三位等。
二位电磁阀有一个电磁铁靠弹簧复位;三位电磁阀有两个电磁铁,如图5-8示为一种三位五通电磁换向阀的结构和职能符号。
图5-8三位五通电磁换向阀 (a)结构图(b)职能符号图④液动换向阀。
液动换向阀是利用控制油路的压力油来改变阀芯位置的换向阀,图5-9阀的结构和职能符号。
图5-9三位四通液动换向阀(a)结构图(b)职能符号图图5-10液换向阀(a)结构图(b)职能符号(c)简化职能符号1,6-节流阀2,7-单向阀3,5-电磁铁4-电磁阀阀芯8-主阀阀芯换向阀的中位机能分析在分析和选择阀的中位机能时,通常考虑以下几点:①系统保压。
②系统卸荷。
③启动平稳性。
④液压缸“浮动”和在任意位置上的停止。
①工作可靠性。
②压力损失。
③内泄漏量。
6-10 自控平衡阀控制的锁紧回路这种回路有自控式和远控式两种。
最新液压-方向控制回路-公开课教案-CAL-FENGHAI-(2020YEAR-YICAI)_JINGBIAN湖南工贸技师学院课时授课计划时间分配教学内容教学过程教学方法新课教学︵约50 分钟︶(一)方向控制回路的概念(2分钟)教师展示方向控制回路演示模型,引导学生参与到演示教学中来,通过不同方向控制回路演示,教师提出问题:什么是方向控制回路?引发学生思考。
得出方向控制回路的概念与分类:能控制执行元件的启动、停止及换向作用的液压回路,一般分为换向回路和锁紧回路。
模型演示启发提问引出概念演示法对比法引导法(一)知识分层学习之一换向回路(各约10分钟):1、用二位四通电磁换向阀使双作用缸换向的回路(9.87b图)回路构成:(略)核心元件:二位四通电磁换向阀Flash播放回路动作过程。
工作原理:当电磁铁通电(YA+)换向阀3左位工作进油路:泵→3阀左位→缸左腔,活塞带动工作台向右移动。
回油路:缸右腔→3阀左位→油箱工作台右移至到设定位置,左挡块压下位置开关,发出电信号,使换向阀电磁铁断电(YA-),换向阀3右位工作。
进油路:泵→3阀右位→缸右腔,活塞带动工作台向左移动。
回油路:缸左腔→3阀右位→油箱工作台左移至到设定位置,右挡块压下位置开关,发出电信号,使换向阀电磁铁通电(YA+),换向阀3左位工作。
完成自动循环换向。
特点:电磁阀换向最为方便,对于多缸系统易于实现自动循环,但电磁阀动作快,换向时间短,当运动部件惯量较大,速度较快时,换向时容易产生冲击。
交流电磁铁一般不宜作频繁切换,以免烧坏线圈。
应用:多缸顺序专用铣床液压传动系统。
说明:为减小换向冲击,可将电磁阀换成电液换向阀。
教与学Flash演示教师提问学生回答引导法演示法类比法自学法讲授法分配教学内容教学过程教学方法新课教学︵约50 分钟︶2、用电液换向阀使双作用缸换向的回路(图9.87c)回路构成:(略)核心元件:电液换向阀(电磁先导阀、单向节流阀、液控换向阀)由于回路中出现单向节流阀(阻尼器),对其作用、特点和应用应详细介绍。
湖南工贸技师学院课时授课计划
阀左位→缸左腔,活塞带动工作台
工作台右移至到设定位置,左挡块压下位置开关,发出
),换向阀3右位工作。
阀右位→缸右腔,活塞带动工作台
工作台左移至到设定位置,右挡块压下位置开关,发出
同上例一样,该系统能完成自动循环换向。
特点:可通过调节单向节流阀(阻尼器)来控制其液动阀的换向速度,换向冲击小,但仍不能进行频繁切换。
应用:组合机床液压滑台传动系统,其上可配置各种用途的刀具或工件。
对需要频繁连续的往复运动,且换向过程又有很多要
并防止泵压油口的油误入油箱;单向阀5、6使溢在两个方向实现过载保护。
特点:功率大、换向精度不高、可用于频繁换向。
换向回路小结:换向回路可利用换向阀换向,也可利用
汽车起重机支腿收放机构、飞机起落架收放机构。
采用液控单向阀的锁紧回路,在液压缸的进、
又称液压锁), 换向阀的中位机
补充图1若希望活塞在任意行程位置上被锁紧,只要调节行程开
型中位机能的锁紧回路。
型中位机能的锁紧回路相同,不同的是,上图液压泵不卸荷,并联的其他执行元件运动不受影响,下图液压泵卸荷,并联的其他执行元件运动因液压。