检查井检查记录表
- 格式:doc
- 大小:25.00 KB
- 文档页数:1
WORD 格式可以编辑
专业资料整理 检查井工程检验批质量验收记录表
市政验收-14
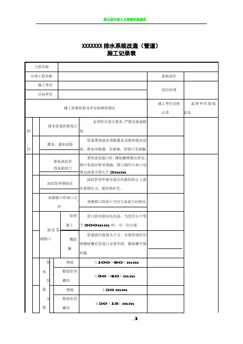
工程名称
分部分项 工程名称 验收部位 施工单位项目经理技术负责人
施工执行标准
名称及编号
质量验收规范的规定施工单位检查记录监理(建设)单位验收记录
主 控 1所用的原材料、预制构件符合国家标准和设计要求 2砌筑水泥砂浆强度、结构混凝土强度符合设计要求;项
目 砌筑结构应灰浆饱满、灰缝平直,不得有通缝、瞎缝;
混凝土结构无严重质量缺陷;井室无渗水、
水珠现象;
3
井壁抹面应密实,不得有空鼓,裂缝等现象;
混凝土无1 明显湿渍现象;
井内部构造符合设计和水力工艺要求,且部位位置及尺 2寸正确,无建筑垃圾等杂物;检查井流槽应平顺、圆滑、 光洁;
3井室内踏步位置正确、牢固
4井盖、座规格符合设计要求、安装稳固
检查项目允许偏差(mm )
1平面轴线位置(轴向、垂直轴向)15
2结构断面尺寸+10,0
一 般 3 井室 尺寸 长、宽 直径
±20 项 目 4 井口 高程 农田或绿地+20 路面与道路规定一致
5 井底 开槽法管道铺设
Di ≤1000±10 Di >1000±15 高程 6不开槽法管道铺设 Di <1500+10,-20 Di ≥1500+20,-15
7踏步安装水平及垂直间距、外露长度+10
8脚窝高、宽、深+10
9流槽宽度+10
施工单
位检查
结果 专业技术负责人:质检工程师:技术负责人:年月日
监理单
位审查
专业监理工程师: 结论
年月日
建设单
位验收 结论 现场负责人:
年月日。
检查井隐蔽工程检查验收记录一、项目背景为确保城市排水系统的正常运行和维护,检查井的建设和验收工作显得尤其重要。
本次任务旨在编写检查井隐蔽工程检查验收记录,详细记录检查井隐蔽工程的施工情况和验收结果,以便后续的运维工作。
二、1. 工程信息检查井名称:XXX检查井工程位置:XXX市XXX区XXX街道工程编号:XXX-XXXXX2. 施工单位信息施工单位名称:XXX建设工程公司施工单位负责人:XXX施工单位联系方式:XXX-XXXXXXX3. 监理单位信息监理单位名称:XXX监理有限公司监理单位负责人:XXX监理单位联系方式:XXX-XXXXXXX4. 检查井隐蔽工程施工情况4.1 施工时间:2022年1月1日至2022年2月1日4.2 施工内容:根据设计方案,施工单位按照规定的施工工艺和标准进行了检查井隐蔽工程的施工。
具体施工内容包括:- 土方开挖:按照设计要求,对检查井周围的土方进行开挖,确保检查井的基础能够承受设计荷载。
- 基础施工:在土方开挖完成后,进行检查井基础的浇筑和加固,确保基础的稳定性和承载能力。
- 井筒施工:在基础施工完成后,进行检查井井筒的砌筑和防水处理,确保井筒的密封性和耐久性。
- 盖板安装:在井筒施工完成后,安装检查井盖板,确保盖板的坚固性和防护功能。
5. 检查井隐蔽工程验收情况5.1 验收时间:2022年2月2日5.2 验收人员:由监理单位的相关工作人员组成的验收小组进行验收。
5.3 验收内容:- 检查井基础验收:验收人员对检查井基础进行了检查,包括基础的平整度、强度和防水处理等方面的验收。
- 井筒验收:验收人员对检查井井筒进行了检查,包括井筒的垂直度、内部光滑度和防水处理等方面的验收。
- 盖板验收:验收人员对检查井盖板进行了检查,包括盖板的平整度、坚固度和防护功能等方面的验收。
5.4 验收结果:- 检查井基础验收结果:通过验收,基础平整度符合设计要求,基础强度满足标准要求,防水处理效果良好。
检查井隐蔽工程检查验收记录2隐蔽工程检查验收记录
质检表4
年月日
编号:工程名称
隐检项目
燕山新区燕湖路电力管线
工程
三通井、四通井
施工单位
隐检部位
XXX隐检内容:
外观要求:
1、砌筑结构应灰浆饱满、灰缝平直,不得有通缝、瞎缝;预制装配式结构应坐浆、灌浆饱满密实,无裂缝;混凝土结构无严重质量缺陷;井室无渗水、水珠现象
2、井壁抹面应密实平整,不得有空鼓,裂缝等现象;混凝土无明显一般质量缺陷;井室无明显湿渍现象
3、井内部构造符合设计和水力工艺要求,且部位位置及尺寸正确,无建筑垃圾等杂物;检查井流槽应平顺、圆滑、光
洁4、井室内踏步位置正确、牢固;井盖、座规格符合设计要求,安装牢固实测要求:
1、平面轴线位置允许偏差≤10mm
2、结构断面尺寸允许偏差0,+10mm隐检
3、井室尺寸允许偏差±20mm
内容
4、井口高程允许偏差±20mm或与门路同等及检
5、井底高程允许偏差±10mm或±15mm查情
6、踏步安装程度及垂直间距、外露长度允许偏差±10mm 况
7、脚窝高、宽、深允许偏差±10mm
8、流槽宽度允许偏差±10mm
检查情况:
经检查外观均符合设计及施工规范的规定。
实测:
1、平面轴线位置偏差
2、结构断面尺寸偏差
3、井室尺寸偏差
4、井口高程偏差
5、井底高程偏差
6、踏步安装水平及垂直间距、外露长度偏差
7、脚窝高、宽、深偏差
8、流槽宽度偏差
验收
意见
处理
情况
监理单位
施工项目
手艺负责人。
检查井检验批质量检验记录一、检验项目1.外观检验:对检查井的外观进行全面检查,包括井盖、井壁、井底等部位的表面是否平整,有无变形、破损以及裂缝等缺陷。
2.尺寸检验:对检查井的尺寸进行测量,包括井盖的直径、井筒的内径、井底的深度等指标,以确保符合设计要求。
3.标志检验:检查井应该有明显的标志,以便于识别和定位。
对检查井的标志进行检验,包括标定的字体、标志的位置是否正确。
4.材料检验:检查井的材料应符合相关的标准和要求,进行材料检验。
包括检查井井壁材料、井盖材料的材质、强度等指标。
5.密封性检验:对检查井的密封性进行检验,以确保防止地下水的渗入。
检查井的井壁、井盖之间的连接部位是否密封良好。
6.漏水试验:对已安装的检查井进行漏水试验,以验证其漏水情况。
在试验时需要加压至一定数值,并观察井底和井壁是否有明显的漏水现象。
7.电气性能检验:对设备井进行电气性能检验,包括检查接地电阻、电缆连接的可靠性、接线盒的保护性能等。
二、检验结果记录1.外观检验结果记录对检查井的外观进行检查后,记录其表面平整度、有无变形和破损的情况。
如有变形或破损,需进一步做出处理和修复。
2.尺寸检验结果记录对检查井的尺寸进行测量后,记录测量结果,包括井盖的直径、井筒的内径、井底的深度等指标。
如有超出设计要求的情况,需要采取措施进行调整。
3.标志检验结果记录对检查井的标志进行检验后,记录标志的位置是否正确、字体是否清晰可辨。
如有问题,需进行调整和修复。
4.材料检验结果记录对检查井的材料进行检验后,记录材料的材质和强度等指标是否符合要求。
如不符合要求,需要更换材料。
5.密封性检验结果记录对检查井的密封性进行检验后,记录连接部位是否密封良好。
如有漏水情况,需要重新进行密封处理。
6.漏水试验结果记录对已安装的检查井进行漏水试验后,记录试验的加压数值以及井底和井壁是否有明显的漏水现象。
如有漏水情况,需要重新进行处理和修复。
7.电气性能检验结果记录对设备井进行电气性能检验后,记录接地电阻、电缆连接的可靠性和接线盒的保护性能等指标。