地面青砖施工技术交底
- 格式:doc
- 大小:47.00 KB
- 文档页数:4
地砖工程技术交底最新地砖工程技术交底是指在地砖施工前,施工方与监理方进行技术交底,明确施工要求、工艺流程和质量标准,以确保地砖工程质量。
下面将从施工前准备、材料选用、施工工艺、验收标准和注意事项五个方面进行详细介绍。
一、施工前准备1.1 确认施工图纸和设计要求,包括地砖规格、铺贴方式等。
1.2 检查施工现场,确保地面平整、无裂缝和积水等问题。
1.3 确定施工人员及监理人员,明确责任分工和沟通方式。
二、材料选用2.1 地砖选用要符合设计要求,规格一致、颜色统一。
2.2 砂浆选用要符合强度要求,根据地砖种类选择合适的砂浆。
2.3 防水材料选用要符合防水要求,确保地砖施工后具有良好的防水性能。
三、施工工艺3.1 清洁施工现场,保持干净整洁,避免杂物影响施工质量。
3.2 铺贴地砖时要注意规整、平整、缝隙均匀,确保地砖铺贴质量。
3.3 砂浆拌和要均匀充分,施工时要注意厚度一致、坡度正确,避免砂浆开裂或者渗水。
四、验收标准4.1 地砖铺贴完毕后,应进行验收,检查地砖平整度、缝隙一致性等。
4.2 检查地砖与墙角、门框等接缝处是否处理妥当,防止裂缝和渗水。
4.3 验收合格后,及时进行保护处理,避免施工过程中的破坏。
五、注意事项5.1 施工过程中要注意安全,避免发生意外事故。
5.2 施工人员要遵守规范操作,严格按照设计和要求进行施工。
5.3 如遇特殊情况或者问题,及时与监理方沟通,共同解决。
通过以上几个方面的详细介绍,可以看出地砖工程技术交底对于地砖施工的重要性。
惟独在技术交底过程中,各方能够明确责任、提前预防问题,才干确保地砖工程的质量和安全。
希翼施工方和监理方在地砖工程施工前充分沟通,共同努力,打造高质量的地砖工程。
一、交底目的为确保铺青石砖工程的安全顺利进行,提高施工人员的安全意识,预防事故发生,特制定本安全技术交底。
二、工程概况1. 工程名称:_______2. 施工单位:_______3. 施工地点:_______4. 施工内容:铺青石砖,包括砖的切割、铺设、勾缝等。
三、安全注意事项1. 人员配备:- 施工人员必须经过专业培训,熟悉铺青石砖的操作规程和安全知识。
- 施工现场应配备足够的安全员,负责现场安全监督。
2. 施工准备:- 施工前应检查施工现场,确保场地平整、排水畅通。
- 所有施工材料必须符合国家标准,并经过检验合格。
- 施工工具必须完好,如有损坏应立即更换。
3. 施工操作:- 施工人员应佩戴安全帽、手套、防尘口罩等个人防护用品。
- 砖块切割时,操作人员应站在切割机侧面,防止砖块飞溅伤人。
- 铺砖时,应使用水平尺检查砖面平整度,确保砖缝均匀。
- 勾缝时,操作人员应避免直接接触水泥砂浆,以防化学灼伤。
4. 高处作业:- 如需进行高处作业,应使用安全带,并设置安全防护栏杆。
- 高处作业人员应穿着防滑鞋,并注意脚下踏板稳固。
5. 用电安全:- 施工现场用电设备必须符合安全标准,并定期检查。
- 施工人员应掌握用电安全知识,避免触电事故。
四、应急措施1. 事故预防:- 施工人员应熟悉常见事故的预防措施,如砖块滑落、触电等。
- 施工现场应设置警示标志,提醒人员注意安全。
2. 事故处理:- 如发生事故,应立即停止施工,并组织人员救治伤员。
- 及时上报事故情况,配合相关部门进行调查处理。
五、交底记录1. 交底时间:_______2. 交底人:_______3. 接收人:_______4. 交底内容:按照上述安全技术交底内容进行详细讲解。
六、附则1. 本安全技术交底自发布之日起生效,施工过程中应严格遵守。
2. 施工单位应定期对施工人员进行安全技术培训,提高安全意识。
3. 如遇特殊情况,应及时调整安全技术措施,并重新进行交底。
一、工程概况1. 工程名称:___________2. 施工单位:___________3. 施工地点:___________4. 施工期限:___________5. 施工内容:地面瓷砖铺贴工程二、安全技术交底为确保地面贴砖工程的安全进行,现将有关安全技术要求交底如下:一、施工前的安全检查1. 工地现场必须符合安全文明施工要求,设置明显的安全警示标志。
2. 施工前,对施工人员进行安全教育和技能培训,确保每位施工人员了解安全操作规程。
3. 检查施工区域是否有障碍物,如电线、管道等,确保施工安全。
4. 检查施工工具和设备是否完好,如有损坏,应及时更换或维修。
二、施工过程中的安全技术1. 个人防护:- 施工人员必须佩戴安全帽、安全带、防护眼镜、手套等个人防护用品。
- 作业过程中,禁止赤脚、穿拖鞋、高跟鞋等。
- 遇到高温、高湿等恶劣天气,应采取相应的防护措施。
2. 高空作业:- 高空作业时,必须使用安全带,并系在可靠的位置。
- 高空作业人员必须经过专业培训,具备相应的操作技能。
- 高空作业区域应设置警戒线,禁止无关人员进入。
3. 机械操作:- 机械设备操作人员必须持证上岗,熟悉机械性能和操作规程。
- 机械设备运行过程中,严禁操作人员离开操作岗位。
- 定期对机械设备进行维护保养,确保其正常运行。
4. 施工材料:- 施工材料必须符合国家相关标准,严禁使用不合格产品。
- 材料堆放应整齐有序,不得占用消防通道和施工通道。
5. 施工环境:- 施工现场应保持通风良好,确保施工人员呼吸新鲜空气。
- 施工现场不得有积水、油污等,防止滑倒事故发生。
三、应急处理1. 发生安全事故时,立即停止施工,组织人员撤离危险区域。
2. 及时拨打急救电话,并组织人员进行现场救援。
3. 保护事故现场,协助相关部门进行调查处理。
四、安全教育培训1. 施工单位应定期对施工人员进行安全教育培训,提高安全意识。
2. 新员工上岗前,必须经过岗前培训,熟练掌握安全操作规程。
地砖地面施工技术交底(二)引言概述:本文旨在交底地砖地面施工技术的相关知识,为施工人员提供指导。
本文将从以下五个大点展开,分别是:1. 地基处理;2. 砖料选择与准备;3. 施工工具与设备准备;4. 施工方法与技巧;5. 施工安全与质量控制。
每个大点将包含5-9个小点进行详细阐述,以确保施工过程的顺利进行。
一、地基处理:1.1 清理地面:清除杂物和污垢,确保地面干净整洁。
1.2 填平地面:根据设计要求,进行必要的填土和夯实,确保地面平整。
1.3 防水处理:根据需要,施工防水层以保护地砖免受潮湿和渗水的影响。
1.4 施工膨胀缝:根据设计规范,预留膨胀缝,防止地面因温度变化而产生龟裂。
二、砖料选择与准备:2.1. 砖料种类选择:根据使用环境和装饰效果,选择合适的地砖种类。
2.2. 规格标准化:统一地砖规格,确保施工的一致性和美观性。
2.3. 砖料验收:对每批砖料进行验收,确保质量合格,减少施工风险。
2.4. 砖料储存:储存地砖时要避免湿度和温度过高,防止砖料变质或开裂。
三、施工工具与设备准备:3.1. 施工工具准备:包括铺贴工具、切割工具和打码工具等。
3.2. 施工设备准备:确保有足够的挖掘机、搅拌机等设备,以提高施工效率。
3.3. 安全设备准备:包括安全帽、手套等防护用具,以确保工人的人身安全。
四、施工方法与技巧:4.1. 砖缝施工:合理选择砖缝宽度,使用专业的填缝剂进行施工,确保砖缝的牢固性和美观性。
4.2. 瓷砖切割:使用合适的切割工具进行瓷砖的精确切割,保证砖块的规整性。
4.3. 砖块铺贴:均匀涂抹胶水,使砖块与地面紧密粘合,避免震动和移动。
4.4. 砖面清理:及时清除施工过程中的胶水和泥土,保持地面的干净整洁。
4.5. 质量检测:对施工的每个阶段进行质量检测,确保施工质量符合规范要求。
五、施工安全与质量控制:5.1. 安全措施:施工前,安排好施工区域,设置好警示标识,确保施工过程的安全。
5.2. 工序交接:在施工过程中,不同工序之间要做好交接,防止质量问题的出现。
一、交底目的为确保地面铺砖工程的顺利进行,保障施工人员的人身安全和工程的质量,特进行本次安全技术交底。
二、施工人员要求1. 施工人员必须经过专业培训,具备相应的操作技能和安全意识。
2. 所有施工人员进入施工现场前,必须进行入场安全教育,并通过考试合格。
3. 进入施工现场必须佩戴合格的安全帽,并正确系好下额带和锁好带扣。
三、施工安全措施1. 材料搬运与堆放:- 运输材料时,注意平稳,防止滚动或滑落。
- 砖块堆放整齐,高度不超过1.5米,堆放处距施工边缘至少1米,以防滑落伤人。
- 砖块堆放时,底部应垫高,避免积水。
2. 施工工具与设备:- 所用工具必须符合国家安全标准,并定期检查和维护。
- 电动工具必须安装漏电保护器,确保使用安全。
3. 脚手架与梯子:- 脚手架搭设必须稳固,符合安全规范,并定期检查。
- 搭设高度超过2米时,必须设置防护栏杆和安全网。
- 使用梯子时,必须选择坚固的梯子,并确保梯子与地面成稳固角度。
4. 高处作业:- 高处作业人员必须佩戴安全带,并确保安全带正确使用。
- 高处作业时,禁止在同一垂直面进行上下操作。
- 高处作业下方不得有人站立或通行。
5. 交叉作业:- 交叉作业时,必须设置可靠的安全防护隔离层。
- 高处作业时,应避免抛掷工具或材料。
6. 施工环境:- 施工现场必须保持整洁,道路畅通,材料堆放有序。
- 施工过程中,注意通风,防止有害气体积聚。
四、施工注意事项1. 砖块铺设前,必须检查基层的平整度和强度,确保符合要求。
2. 铺设砖块时,注意砖块之间的缝隙,确保缝隙均匀。
3. 砖块铺设完成后,应及时进行勾缝处理。
4. 施工过程中,如发现安全隐患,应立即停止施工,并及时报告。
五、应急处理1. 如发生人员受伤事故,应立即停止施工,并立即进行救治。
2. 如发生火灾事故,应立即启动应急预案,并迅速疏散人员。
六、总结本次安全技术交底旨在提高施工人员的安全意识,确保地面铺砖工程的顺利进行。
一、交底目的为确保地面铺砖工程的施工安全,预防安全事故的发生,提高施工人员的安全意识,现将地面铺砖工程的安全技术要求交底如下。
二、施工人员安全教育1. 施工人员必须参加入场安全教育,并经考试合格后方可上岗。
2. 进入施工现场必须穿戴符合国家标准的安全帽、工作服、安全鞋等防护用品。
3. 严禁酒后作业、疲劳作业,确保施工人员身体健康。
三、施工环境安全要求1. 施工现场道路应保持畅通,不得堆放杂物,确保施工通道安全。
2. 施工现场应设置明显的安全警示标志,警示区域应设置安全防护设施。
3. 施工现场应配备必要的消防器材,并确保其完好有效。
四、施工过程安全措施1. 铺砖前,应检查基层处理是否符合要求,如有裂缝、空鼓等现象,应及时进行处理。
2. 铺砖时应保持砖块表面清洁,避免砖块表面有油污、泥土等杂质。
3. 铺砖时,应使用水平尺或拉线检查砖块水平度,确保砖块铺贴平整。
4. 铺砖过程中,应使用工具夹持砖块,避免用手直接抓握,防止滑落伤人。
5. 铺砖时,严禁在砖块上行走或站立,以免造成砖块移位或损坏。
6. 铺砖过程中,应保持施工现场整洁,及时清理施工垃圾。
五、高处作业安全措施1. 高处作业时,必须佩戴安全带,并系好保险绳。
2. 高处作业平台应设置防护栏杆和挡脚板,确保作业人员安全。
3. 高处作业时,严禁攀爬、跳跃或进行危险动作。
4. 高处作业过程中,应随时检查安全带、防护栏杆等安全设施,确保其完好有效。
六、其他安全注意事项1. 施工现场应配备必要的急救药品和器材,并设置急救箱。
2. 施工过程中,如发现安全隐患,应立即停止作业,并及时报告上级部门。
3. 施工结束后,应清理施工现场,确保无安全隐患。
七、总结地面铺砖工程施工过程中,施工人员必须严格遵守安全技术要求,提高安全意识,确保施工安全。
各级管理人员应加强监督检查,确保各项安全措施落实到位。
一、交底目的为确保外墙粘贴青砖施工过程中的安全,预防事故发生,特进行安全技术交底,要求所有参与施工人员认真学习并严格执行。
二、交底内容1. 施工现场安全注意事项(1)进入施工现场必须佩戴合格的安全帽,并系好下额带。
(2)严禁酒后作业,保持清醒的头脑。
(3)现场禁止吸烟,确保施工环境安全。
(4)禁止私自拆除或移动防护设施、电器设备,确保施工安全。
(5)禁止追逐打闹,保持施工现场秩序。
(6)禁止操作与自己无关的机械设备,防止误操作事故。
(7)高处作业必须系好合格的安全带,高挂低用,确保人员安全。
(8)使用手持切割机时,必须戴绝缘手套,防止触电事故。
2. 外墙粘贴青砖作业安全要点(1)检查脚手板是否有空隙、有无探头板,护身栏、挡脚板是否齐全,确认合格后方可使用。
(2)作业过程中,严禁拆除脚手架与建筑物拉接点,禁止攀爬外脚手架。
(3)脚手架上物料重量不得超过200平方米,集中载荷不得超过150平方米,防止脚手架坍塌。
(4)无证人员严禁操作吊篮,上下吊篮走专用通道口,严禁攀爬或蹦跳上下吊篮。
(5)使用吊篮作业时,必须系挂安全带,挂在安全绳上,确保人员安全。
(6)废料、边角料不得随意抛掷,吊篮不得超载使用。
(7)遇有六级以上强风、大雨、大雾等恶劣天气,应停止室外高处作业。
(8)吊篮下方必须设双层水平安全网,防止物体坠落伤人。
3. 施工过程中应注意的其他事项(1)施工人员应穿戴合适的劳动保护用品,如手套、眼镜等。
(2)施工过程中,注意保持施工现场整洁,及时清理施工垃圾。
(3)施工人员应严格遵守操作规程,不得擅自改变施工方法。
(4)施工过程中,如发现安全隐患,应立即停止作业,并及时报告负责人处理。
三、交底要求1. 所有参与外墙粘贴青砖施工的人员必须参加安全技术交底,并认真学习和领会交底内容。
2. 施工单位应将安全技术交底记录在案,并存档备查。
3. 施工过程中,安全员应加强对施工现场的监督检查,确保安全技术措施得到有效落实。
道路青砖铺设技术交底技术交底文档交底项目:道路青砖铺设技术适用范围:道路建设项目交底时间:[填写日期]编写人员:[填写姓名]审核人员:[填写姓名]1. 项目背景道路青砖铺设是道路建设项目中的一项关键技术。
为了确保道路铺设工作的顺利进行,特制定本技术交底文档,旨在对道路青砖铺设的技术要求、操作规范等进行明确和规范。
2. 技术要求2.1 青砖选用- 选用青砖应符合相关标准要求,并经过质量检验合格。
- 青砖应具有良好的耐久性、抗冻性和防滑性能。
2.2 基底处理- 道路基底应进行充分的平整和压实,确保承载力满足要求。
- 基底表面应清除杂物、污泥和水分,以确保青砖与基底之间的粘结质量。
2.3 铺设方法- 青砖应按照设计要求进行铺设,采用一定的均匀间隙和方正的铺设方式。
- 青砖之间的间隙应保持一定的一致性,以便便于排水和防滑。
2.4 固定方法- 铺设完成后,应采用专用的胶水或沥青等材料对青砖进行固定,以增强其抗滑移能力。
- 固定材料应确保与青砖和基底之间的粘结牢固,并具有一定的耐候性。
2.5 后期维护- 铺设完成后,应及时清理道路表面和青砖间的杂物,保持其整洁。
- 定期对道路青砖进行检查,发现破损或松动的情况应及时修补或固定,以确保道路使用的安全性和美观性。
3. 操作规范- 铺设人员应具备相关技术知识和经验,熟悉青砖铺设的技术要求和操作规范。
- 在铺设过程中,严禁乱切、乱放和乱扔青砖,以防止破损和伤害事故的发生。
- 安全操作,佩戴符合要求的劳动防护用品,遵守相关安全规定,确保施工过程安全可靠。
4. 监督和验收- 道路青砖铺设过程将进行监督,确保施工符合技术要求和操作规范。
- 铺设完成后,由专业人员进行验收,对青砖的铺设质量、固定效果等进行检查。
> 注意事项:注意事项:> - 本技术交底文档仅适用于道路青砖铺设,不适用于其他类似项目。
> - 铺设过程中如有疑问或问题,应及时向相关负责人进行咨询和报告。
地面铺砖安全技术交底1. 介绍本文档旨在提供地面铺砖的安全技术交底,以确保在施工过程中遵守相关安全规范和要求。
2. 前期准备在地面铺砖之前,必须进行一些前期准备工作,以确保施工过程的安全性。
- 确保施工区域周围没有明显的障碍物和危险物,如电线、水管等。
- 清理施工区域,移除地面上的杂物和碎片,确保地面平坦且无杂物。
- 检查地面的承重能力是否足够,如果存在结构问题,必须在铺砖之前进行修复。
3. 材料和工具在地面铺砖过程中,需要准备以下材料和工具:- 砖块:选择合适的砖块,确保质量和尺寸符合要求。
- 粘结剂:选择适合地面铺砖的粘结剂,确保其质量可靠。
- 工具:铺砖所需的工具包括切砖机、铺砖橡皮锤、砂浆刀等。
4. 施工步骤地面铺砖的施工步骤如下:1. 准备砖块:先将砖块按照设计要求分类,并确保砖块干燥清洁。
2. 涂抹粘结剂:使用砂浆刀在地面上均匀涂抹粘结剂,同时注意控制粘结剂的厚度。
3. 铺砖:将砖块按照设计要求在粘结剂上铺设,确保砖块之间的间隙均匀。
4. 切割砖块:根据需要,使用切砖机将砖块进行必要的切割。
5. 敲实砖块:使用铺砖橡皮锤轻击砖块,确保其与粘结剂之间充分贴合。
6. 清理和修正:在铺设一定数量的砖块后,及时清理多余的粘结剂,并进行必要的修正。
7. 等待固化:根据粘结剂的指导,等待砖块完全固化。
5. 安全注意事项在地面铺砖过程中,必须注意以下安全事项:- 戴上合适的个人防护装备,如安全帽和手套。
- 避免长时间直接接触粘结剂,以免对皮肤产生不良影响。
- 确保施工区域通风良好,避免吸入粘结剂和砂浆产生的有害气体。
- 熟悉并遵守所用材料和工具的安全使用规范。
- 在使用切砖机时要小心操作,避免意外发生。
6. 总结本文档提供了地面铺砖的安全技术交底,包括前期准备、材料和工具、施工步骤以及安全注意事项。
在施工过程中,务必遵循相关规范和要求,确保工作的安全性和质量。
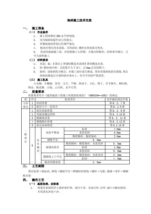
地砖施工技术交底一、施工准备(一)作业条件1、墙上四周弹好500水平控制线。
2、室内墙面润湿作业已经做完。
3、穿楼地面的管洞已经堵严塞实。
4、板块应预先用水浸湿,并码放好,铺时达到表面无明水.5、复杂的地面施工前,应绘制施工大样图,并做出样板间,经检查合格后,方可大面积施工.(二)材料要求1、水泥:32。
5级以上普通硅酸盐水泥或矿渣硅酸盐水泥.2、砂:粗砂或中砂,含泥量不大于3%,过8mm孔径的筛子。
3、面砖:进场验收合格后,在施工前应进行挑选,将有质量缺陷的先剔除,然后将面砖挑选后分别码放在垫木上。
色号不同的严禁混用。
(三)施工机具小水桶、半截桶、笤帚、方尺、平锹、铁抹子、大杠、筛子、窄手推车、钢丝刷、喷壶、橡皮锤、小线、云石机、水平尺等.二、质量要求基层处理→找标高、弹线→铺找平层→弹铺砖控制线→铺砖→勾缝、擦缝→养护→踢脚板安装四、操作工艺(一)基层处理、定标高1、将基层表面的浮土或砂浆铲掉,清扫干净,有油污时,应用10%火碱水刷净,并用清水冲洗干净。
2、根据500水平控制线和设计图纸找出板面标高.(二)弹控制线1、先根据排砖图确定铺砌的缝隙宽度。
2、根据排砖图及缝宽在地面上弹纵、横控制线。
注意该十字线与墙面抹灰时控制房间方正的十字线是否对应平行,同时注意开间方向的控制线是否与走廊的纵向控制线平行,不平行时应调整至平行.以避免在门口位置的分色砖出现大小头.注:排砖原则:①开间方向要对称(垂直门口方向分中);②破活尽量排在远离门口及隐蔽处,如:暖气罩下面;③为了排整砖,可以用分色砖调整;④与走廊的砖缝尽量对上,对不上时可以在门口处用分色砖分隔;⑤根据排砖原则画出排砖图,有地漏的房间应注意坡度、坡向.(三)铺砖为了找好位置和标离,应从门口开始,纵向先铺2~3行砖,以此为标筋拉纵横水平标高线,铺时应从里面向外退着操作,人不得踏在刚铺好的砖面上,每块砖应跟线,操作程序是:1、铺砌前将砖板块放入半截水桶中浸水润湿,晾干后表面无明水时,方可使用。
第1篇为确保地砖施工质量,提高施工效率,现将地砖施工技术交底如下,请各施工人员认真阅读并严格执行。
二、施工准备1. 材料准备(1)地砖:选择符合设计要求、质量合格的地砖,要求表面平整、无裂纹、色差小。
(2)水泥:选用强度等级符合设计要求的水泥,要求细度好、无结块。
(3)砂:选用中粗砂,要求级配合理、不含杂物。
(4)胶粘剂:选用环保型瓷砖胶粘剂,粘结强度高、耐水、耐老化。
(5)填缝剂:选用环保型填缝剂,颜色与地砖相协调。
2. 工具准备(1)切割机:用于切割地砖。
(2)水平尺:用于检测地砖铺设的平整度。
(3)墨斗:用于弹线定位。
(4)锤子、錾子:用于敲打地砖。
(5)瓷砖胶:用于粘贴地砖。
(6)填缝剂:用于填充缝隙。
(7)抹子、刷子:用于涂抹胶粘剂和填缝剂。
三、施工工艺1. 施工前准备(1)检查基层平整度、垂直度,如有缺陷,应进行处理。
(2)清理基层表面的杂物、油污等,确保基层干净、平整。
(3)根据设计要求,确定地砖的铺设方向和规格。
2. 地砖铺设(1)弹线定位:根据设计要求,在地面上弹线定位,确保地砖铺设的整齐、美观。
(2)粘贴地砖:将胶粘剂均匀涂抹在地砖背面,然后将其粘贴在基层上。
粘贴时,注意保持地砖的平整度,避免出现高低不平的情况。
(3)检查调整:粘贴完毕后,用水平尺检查地砖的平整度,如有偏差,应及时进行调整。
(4)切割处理:对于无法整砖铺设的地方,使用切割机进行切割,确保切割边缘整齐、美观。
(5)清理胶粘剂:粘贴地砖过程中,如有胶粘剂溢出,应及时清理干净。
3. 填缝处理(1)清洁缝隙:用刷子将缝隙内的杂物清理干净。
(2)填充填缝剂:将填缝剂均匀涂抹在缝隙中,用抹子压实。
(3)清理溢出填缝剂:填缝剂涂抹完毕后,用刷子清理溢出的填缝剂。
四、质量控制1. 材料质量:选用符合设计要求、质量合格的地砖、水泥、砂、胶粘剂和填缝剂。
2. 施工质量:严格按照施工工艺进行操作,确保地砖铺设的平整度、垂直度、缝隙均匀。
青砖挑灰砌筑施工技术交底
1、排砖法:按三顺一丁法砌筑.
2、砌筑时要求三刀灰:打灰条加碰头灰,爪子灰,锁口灰加碰头灰,不可有断条
现象,以免造成孔洞.
3、砌筑时要求上跟线下跟棱,上下平齐.灰缝控制在3-4mm.
4、大角及中间腰线处应做到三层一吊五层一靠,保证垂直度.垂直误差控制在±
2mm(用2m托线板检查)。
5、墙面砌筑时应控制好水平缝和垂直缝,垂直缝的允许偏差为±5mm(吊线检
查),水平缝平直度允许偏差5mm(拉10M线检查)。
6、墙面及墙心退台宽度要一致,墙心叉角处砖应平整垂直,允许偏差为±2mm.叉
角处灰缝应控制在2-3mm,且保持方正.墙心线砖:水平方向的下层用上线,上层用下线.立面用靠尺靠齐且垂直,垂直偏差为±3mm.
7、冰盘檐线砖砌筑时应用下线,出檐尺寸应一致.枭混砖弧度应顺齐流畅,枭砖砌
筑时应用小边的下棱线,砖椽砌筑时用下棱线,盖板砖砌筑时应用下棱线,挑出要一致,并将砖椽处扫口灰打满,以免出现空洞.砌筑时必须随时砌筑衬里墙,以免造成塌落.
8、灰缝处的舌头灰在砌筑时不可随砌随铲,以免造成墙面污染.应等砌筑几层后
(以不沾手为度)用竹芊划缝勾抹好,而后用笤帚分别沿水平和垂直方向清扫干净。
双丰建筑公司工程部:
班组:
2007-5-12。
(完整版)地砖、地面砖安装工程施工技术交底1. 前言本文档旨在详细说明地砖、地面砖安装工程施工技术交底的相关要点和步骤。
2. 施工前准备在开始安装地砖、地面砖之前,必须进行以下准备工作:- 清洁施工区域,确保地面平整、干燥、无杂物。
- 对于有水泥浆层的地面,应先进行打磨处理。
- 准备所需的工具和材料,包括砖瓷、砂浆、防水剂等。
3. 砖砌施工技术交底下面是地砖、地面砖砌施工的技术要点:- 瓷砖应按照设计图纸和规格要求进行排放。
- 使用砂浆将瓷砖牢固地固定在地面上,并确保砖与砖之间的间隙均匀一致。
- 使用水平仪校正瓷砖的水平度,以保证安装的砖面平整。
- 砖缝应使用专用填缝剂进行填充,并确保填充均匀、平整。
4. 防水工程施工技术交底在进行地砖、地面砖安装之前,必须进行防水工程的施工:- 清洁施工区域,确保地面干燥、无杂物。
- 使用专用的防水剂对地面进行涂刷,覆盖面积应符合设计要求。
- 对接缝处进行处理,确保防水剂的连续性和密封性。
5. 施工安全要求在地砖、地面砖安装工程施工过程中,应注意以下安全要求:- 工人必须佩戴适当的劳动保护用品,如安全帽、手套、口罩等。
- 施工现场应设置明显的安全警示标志,并保持整洁有序。
- 工人应熟悉使用的工具和设备的操作规程,避免发生意外事故。
6. 施工验收完成地砖、地面砖安装工程后,应进行验收工作:- 检查瓷砖的铺设质量,包括平整度、缝隙填充度等。
- 检查防水工程的效果,确保无漏水现象。
- 完成验收记录,并进行签字确认。
以上是地砖、地面砖安装工程施工技术交底的完整内容。
注意:本文档仅供参考,请根据具体情况进行施工操作。
地面砖工程技术交底地面砖工程技术交底是指在进行地面砖铺设工程前,施工方与监理方、设计方进行技术交底,明确工程要求、工艺流程和质量标准,确保施工顺利进行。
本文将从施工前准备、材料准备、施工工艺、质量控制和安全注意事项五个方面进行详细阐述。
一、施工前准备1.1 确认设计图纸:施工前要认真查看设计图纸,了解铺贴范围、铺贴方式、砖块规格等信息。
1.2 确定施工工期:根据设计要求和实际情况,确定施工工期,并制定施工计划。
1.3 确认施工人员:确保施工人员具备相关技术资质和经验,做好施工队伍的组织和调配。
二、材料准备2.1 地砖选材:选择符合设计要求的地砖,注意规格、颜色、质量等方面的要求。
2.2 粘结剂选择:根据地面情况和地砖种类选择适合的粘结剂,确保粘结坚固。
2.3 基层处理:对基层进行清理、打磨、防水处理等,确保地面平整、干净、无裂缝。
三、施工工艺3.1 布局定位:根据设计要求和实际情况确定地砖铺贴的起始点和布局方式,保证铺贴效果美观。
3.2 粘贴砖块:采用适量的粘结剂,按照设计要求将地砖粘贴到基层上,注意砖缝的一致性和平整度。
3.3 整体验收:完成铺贴后,进行整体验收,检查地砖的平整度、间距、规格等,确保质量符合要求。
四、质量控制4.1 质量验收:在施工过程中,定期进行质量验收,发现问题及时整改,确保施工质量。
4.2 施工记录:做好施工记录,记录施工过程中的关键节点和问题处理情况,为后续工作提供参考。
4.3 质量保证:施工完成后,做好质量保证工作,确保地砖工程的质量达到设计要求。
五、安全注意事项5.1 施工现场安全:在施工过程中,要严格遵守施工现场安全规定,做好安全防护措施,确保施工人员安全。
5.2 材料安全:对使用的地砖、粘结剂等材料进行检查,确保材料符合国家标准,避免安全隐患。
5.3 施工工艺安全:严格按照施工工艺要求进行操作,避免操作失误导致安全事故发生。
通过以上五个方面的详细阐述,可以匡助施工方在地面砖工程技术交底时更加全面、专业地进行准备和施工,确保工程顺利进行并达到设计要求。
地面砖工程技术交底一、项目背景地面砖工程是指在建筑物内外地面铺设砖石材料的施工工程。
本次交底旨在详细说明地面砖工程的施工要求、步骤和注意事项,确保施工质量和安全。
二、施工要求1. 材料准备1.1 砖石材料应符合设计要求和规范要求。
1.2 砖石材料应在施工前进行验收,检查其质量和数量是否符合要求。
1.3 砖石材料应储存于干燥通风的地方,避免受潮和损坏。
2. 工具准备2.1 施工所需的工具应齐全,并保证其完好无损。
2.2 常用工具包括切割机、铺砖工具、水平仪、扫帚、抹灰刀等。
3. 施工准备3.1 施工前应对施工现场进行清理,确保地面平整、干净。
3.2 施工前应对地面进行检查,确保地面无裂缝、起砂等问题。
3.3 如有需要,应提前进行地面防水处理,并确保防水层干燥。
4. 施工步骤4.1 根据设计图纸确定砖石材料的铺设方式和图案。
4.2 在施工现场进行试铺,确认铺设效果和砖石材料的搭配。
4.3 进行地面砖的铺设,按照设计要求进行粘贴。
4.4 控制砖缝的宽度和一致性,确保整体美观。
4.5 使用水平仪对铺设的砖石进行调整,保证地面平整。
4.6 在铺设完成后,使用抹灰刀清理砖缝,并确保缝隙充满。
4.7 进行砖面的清洁,去除施工过程中的污垢和残留物。
5. 施工注意事项5.1 施工过程中应注意安全,佩戴必要的防护用品。
5.2 施工现场应保持整洁,避免杂物堆放和滑倒事故。
5.3 施工过程中应注意砖石材料的保护,避免划伤和损坏。
5.4 施工过程中应及时清理施工垃圾,保持环境整洁。
5.5 如遇特殊情况或问题,应及时与项目负责人沟通解决。
三、质量验收1. 施工完成后,应进行质量验收,确保施工质量符合要求。
2. 质量验收内容包括砖石材料的平整度、缝隙处理、图案搭配等。
3. 如发现质量问题,应及时整改,确保施工质量达标。
四、施工安全1. 施工过程中应遵守相关安全规范和操作规程。
2. 施工人员应佩戴安全帽、防护眼镜等个人防护用品。
一、工程名称:________________________二、施工单位:________________________三、施工地点:________________________四、施工时间:________________________五、交底内容:一、施工前的准备工作1. 人员要求:施工人员必须经过专业培训,熟悉青石砖铺装工艺和安全操作规程。
施工前应进行安全技术培训,确保每位施工人员掌握必要的安全知识和技能。
2. 工具及材料要求:施工前应准备好铺砖工具,如:水平尺、钢卷尺、钢钎、锤子、刷子、水泥、砂浆等。
所有工具及材料应保持完好,确保施工过程中的安全。
3. 施工现场要求:施工现场应平整、干燥,避免积水。
施工前应对施工现场进行清理,确保无障碍物。
二、施工过程中的安全措施1. 高处作业安全:(1)施工人员在高处作业时,必须佩戴安全帽,系好安全带,并检查安全带是否牢固可靠。
(2)高处作业区域应设置安全防护栏,防止施工人员坠落。
2. 搬运及堆放安全:(1)搬运青石砖时,施工人员应使用专用工具,避免直接用手搬运,以免造成身体伤害。
(2)堆放青石砖时,应整齐有序,避免堆放过高,防止倾倒伤人。
3. 砂浆搅拌及施工安全:(1)搅拌砂浆时,施工人员应穿戴防护手套、眼镜,防止砂浆溅入眼睛或皮肤。
(2)施工过程中,应保持施工现场清洁,防止砂浆沾染衣物。
4. 破损砖块处理:(1)施工过程中,如发现破损砖块,应及时清理,避免造成滑倒等安全事故。
(2)破损砖块应集中堆放,不得随意丢弃。
三、施工结束后的清理与验收1. 施工结束后,应对施工现场进行彻底清理,确保无剩余材料、工具等。
2. 施工单位应组织验收小组,对施工质量进行验收,确保青石砖铺装工程符合设计要求。
四、注意事项1. 施工过程中,施工人员应严格遵守操作规程,确保施工安全。
2. 施工单位应加强现场安全管理,及时发现并消除安全隐患。
3. 施工人员应相互关心、相互监督,共同维护施工安全。