水泥土搅拌桩资料表格(习题教学)
- 格式:doc
- 大小:210.00 KB
- 文档页数:13
桩基定位测量验收记录质控(建)表4.1.2-2 共页第页试桩记录质控(建)表4.1.6.3-6 共页第页水泥土搅拌桩地基施工记录质控(建)表4.1.6.3-9 共页第页钻芯法检测现场操作记录质控(建)表4.1.8.2-6 共页第页钻芯法检测芯样编录表质控(建)表4.1.8.2-7 共页第页钻芯法检测芯样综合柱状图质控(建)表4.1.8.2-8 共页第页地基承载力试验报告质控(建)表4.1.8.1 共页第页批准:审核:校核:检测:质控(建)表4.1.8.2-1 共页第页质控(建)表4.1.8.2-2 共页第页水泥土搅拌桩地基工程检验批质量验收记录010314□□说明010314主控项目:1、水泥及外掺剂质量。
按设计要求选用,并按规定进行检测试验。
检查产品合格证及试验报告。
2、水泥用量。
符合设计要求。
检查水灰比及查看流量表。
3、桩体强度。
按设计要求进行检查。
4、地基承载力。
按规定方法检查。
一般项目:1、机头提升速度:≤0.5m/min。
量机头上升距离及时间。
2、桩底标高:±200mm。
量测机头深度计算。
3、桩顶标高:+100mm,50mm。
水准仪检查(最上部500mm不计入)。
4、桩位偏差:<50mm。
尺量检查,根据设计桩位点位置。
5、桩径:<0.04D。
尺量检查桩的直径。
6、垂直度:≤1.5%。
用经纬仪检查。
7、搭接:>200mm,尺量检查。
施工前检查水泥及外掺剂的质量、桩位、搅拌机工作性能及各种计量设备完好程度。
施工中检查机头提升速度、水泥浆或水泥注入量、搅拌桩的长度及标高。
施工结束后检查桩体强度,桩体直径及地基承载力。
强度检查:承重桩取90天后的试件;支护桩取28天后的试件。
检查后形成施工记录或检验报告。
检查施工记录和检验报告。
桩基定位测量验收记录质控(建)表4.1.2-2 共页第页试桩记录质控(建)表4.1.6.3-6 共页第页水泥土搅拌桩地基施工记录质控(建)表4.1.6.3-9 共页第页钻芯法检测芯样综合柱状图地基承载力试验报告批准:审核:校核:检测:水泥土搅拌桩地基工程检验批质量验收记录说明010314主控项目:1、水泥及外掺剂质量。
按设计要求选用,并按规定进行检测试验。
检查产品合格证及试验报告。
2、水泥用量。
符合设计要求。
检查水灰比及查看流量表。
3、桩体强度。
按设计要求进行检查。
4、地基承载力。
按规定方法检查。
一般项目:1、机头提升速度:≤0.5m/min。
量机头上升距离及时间。
2、桩底标高:±200mm。
量测机头深度计算。
3、桩顶标高:+100mm,50mm。
水准仪检查(最上部500mm不计入)。
4、桩位偏差:<50mm。
尺量检查,根据设计桩位点位置。
5、桩径:<0.04D。
尺量检查桩的直径。
6、垂直度:≤1.5%。
用经纬仪检查。
7、搭接:>200mm,尺量检查。
施工前检查水泥及外掺剂的质量、桩位、搅拌机工作性能及各种计量设备完好程度。
施工中检查机头提升速度、水泥浆或水泥注入量、搅拌桩的长度及标高。
施工结束后检查桩体强度,桩体直径及地基承载力。
强度检查:承重桩取90天后的试件;支护桩取28天后的试件。
检查后形成施工记录或检验报告。
检查施工记录和检验报告。
水泥土搅拌桩资料表格桩基定位测量验收记录质控(建)表4.1.2-2 共页第页施测部位施测日期测量仪器检定日期及编号施测人复核人测量复核情况(简图)试桩记录质控(建)表4.1.6.3-6 共页第页建设单位设计单位试打桩号总包单位设计桩型施工机械打桩单位设计勘察单位砼强度等级试打桩情况:确定打桩标准:水泥土搅拌桩地基施工记录质控(建)表4.1.6.3-9 共页第页深层搅拌机外加剂名称水泥名称集料斗含量(%) 强度等级灰浆泵名称水灰比拌浆机含量(%) 喷射型式桩号施工异常情况记录钻进喷浆开始时间结束时间提升喷浆开始时间结束时间喷射量(m3) 喷浆深度(m)钻进喷浆开始时间结束时间提升喷浆开始时间结束时间喷射量(m3) 喷浆深度(m)钻进喷浆开始时间结束时间钻芯法检测现场操作记录质控(建)表4.1.8.2-6 共页第页委托单位建设单位设计单位勘测单位施工单位监理单位检测单位检测日期桩型号孔号桩长(m) 桩径(mm)间钻芯(m)芯样编号芯样长度(m)残留芯样芯样初步描述及异常情况记录至自至计总长>10cm 长度钻芯法检测芯样编录表质控(建)表4.1.8.2-7 共页第页钻芯法检测芯样综合柱状图质控(建)表4.1.8.2-8 共页第页地基承载力试验报告质控(建)表4.1.8.1 共页第页批准:审核:校核:检测:单桩竖向抗压静载检测报告质控(建)表4.1.8.2-1 共页第页单桩竖向抗压静载试验记录水泥土搅拌桩地基工程检验批质量验收记录010314□□说明010314主控项目:1、水泥及外掺剂质量。
按设计要求选用,并按规定进行检测试验。
检查产品合格证及试验报告。
2、水泥用量。
符合设计要求。
检查水灰比及查看流量表。
3、桩体强度。
按设计要求进行检查。
4、地基承载力。
按规定方法检查。
一般项目:1、机头提升速度:≤0.5m/min。
量机头上升距离及时间。
2、桩底标高:±200mm。
量测机头深度计算。
3、桩顶标高:+100mm,50mm。
第
页m,
共
页
监理(建设)单位见证员:
深圳市建设局、深圳市档案局监制 深圳市文档服务中心印制
注:喷浆采用的水灰比、施工中的异常现象均应在备注栏中注明;根据复搅次数在“序号”、“日期”、“桩 号”、“施工总时间”、“水泥用量”、“备注”栏目划横线分隔。
记录员:
施工班组长:
专业工长(施工员):
项目专业质量检查员:
m/min,
提升控制速度:
m/min ﹪,设计90天水泥 土试块强度:
MPa,
下沉控制速度:
设计桩长:
m,
设计桩径:
设计水泥掺量:
分包单位:分包负责人:
工程名称:.
总包单位:
项目经理:
178
水 泥 土 搅 拌 桩 施 工 记 录 表。
旋喷桩基本参数几何参数布置方式1桩径d0.6桩间间距s 1.3桩长L19承载力参数qu3000KPa与桩身加固土配比相同的室内加固土试块(边长70.7mm或5η0.3桩身强度折减系数fsk80KPa桩间土的天然承载力qp180Kpa桩端未经修正的承载力特征值β0.2桩间土承载力折减系数0.5-0.9[fspk]复合地基承载力加固深度范围内的土层桩侧土土层编号加固深度li qsi(KPa)qsi*li1 1.830544.220840.740284.420882.8401124.320860.85040桩端土αqp(KPa)桩端天然地基土承载力折减系数0.4160单桩承载力Ra的计算所需参数d qi*li qp quαη0.649216030000.40.3中间参数up Ap1.88495560.2827433计算结果945.49373KN254.469KNRa=254.469KN置换率m的计算所需参数布置方式d s Ap10.6 1.30.282743339中间参数de1.365Ao= 1.4633735计算结果m=0.1932134复合地基计算承载力所需参数m Ra Apβfsk0.1932134254.4690.2827433390.280计算结果fspk=186.80063[fspk]h=0.8H1= 3.8h2= 2.57.117120.7块(边长70.7mm或50mm的立方体)90天无侧限抗压平均值(fcu,k)500525.58734391.051174688。
桩基定位测量验收记录质控(建)表4.1.2-2 共页第页试桩记录质控(建)表4.1.6.3-6 共页第页水泥土搅拌桩地基施工记录质控(建)表4.1.6.3-9 共页第页钻芯法检测现场操作记录质控(建)表4.1.8.2-6 共页第页钻芯法检测芯样编录表质控(建)表4.1.8.2-7 共页第页钻芯法检测芯样综合柱状图质控(建)表4.1.8.2-8 共页第页地基承载力试验报告质控(建)表4.1.8.1 共页第页批准:审核:校核:检测:单桩竖向抗压静载检测报告质控(建)表4.1.8.2-1 共页第页单桩竖向抗压静载试验记录质控(建)表4.1.8.2-2 共页第页水泥土搅拌桩地基工程检验批质量验收记录10314□□说明010314主控项目:1、水泥及外掺剂质量。
按设计要求选用,并按规定进行检测试验。
检查产品合格证及试验报告。
2、水泥用量。
符合设计要求。
检查水灰比及查看流量表。
3、桩体强度。
按设计要求进行检查。
4、地基承载力。
按规定方法检查。
一般项目:1、机头提升速度:≤0.5m/min。
量机头上升距离及时间。
2、桩底标高:±200mm。
量测机头深度计算。
3、桩顶标高:+100mm,50mm。
水准仪检查(最上部500mm不计入)。
4、桩位偏差:<50mm。
尺量检查,根据设计桩位点位置。
5、桩径:<0.04D。
尺量检查桩的直径。
6、垂直度:≤1.5%。
用经纬仪检查。
7、搭接:>200mm,尺量检查。
施工前检查水泥及外掺剂的质量、桩位、搅拌机工作性能及各种计量设备完好程度。
施工中检查机头提升速度、水泥浆或水泥注入量、搅拌桩的长度及标高。
施工结束后检查桩体强度,桩体直径及地基承载力。
强度检查:承重桩取90天后的试件;支护桩取28天后的试件。
检查后形成施工记录或检验报告。
检查施工记录和检验报告。
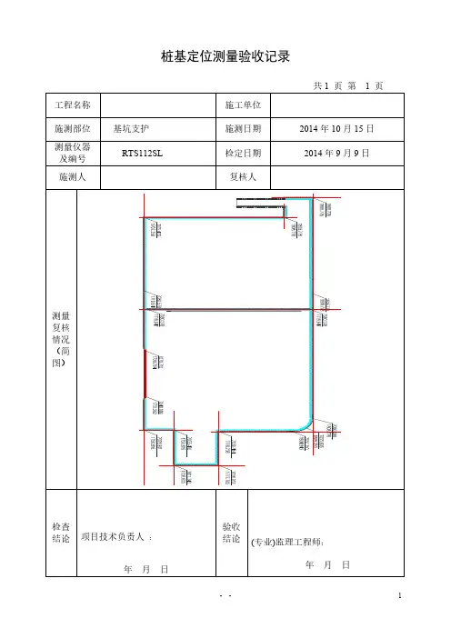
桩基定位测量验收记录
质控(建)表4.1.2-2 共页第页工程名称施工单位
施测部位施测日期
测量仪器
及编号
检定日期
施测人复核人
测量
复核
情况
(简
图)
检查
结论项目专业技术负责人:验收
结论监理工程师:
(建设单位项目专业技术负责人)
年月日
知识试题#
年月日
质控(建)表4.1.6.3-6 共页第页工程名称试桩日期
建设单位设计单位试打桩号
总包单位设计桩型施工机械
打桩单位设计勘察单位砼强度等级
试打桩情况:
确定打桩标准:
勘察单位设计单位施工单位监理(建设)单位知识试题#。