155几何精度设计与测试 网考试题模板
- 格式:docx
- 大小:678.90 KB
- 文档页数:53
一、填空题1、优先数系共包含、和三种系列。
2、优先数系中的基本系列包含、、和四个系列。
3、测量过程的四要素是、、和。
4、量块的使用方法可以分为和。
5、构成尺寸公差带的两个要素是公差带大小和公差带位置,前者由决定,后者由决定。
6、GB/T1800.1-2009规定标准尺寸公差等级分为级,其中IT01级最高,IT18级最低,基本偏差分为种。
7、GB/T1800.1-2009中规定了两种等效的配合制,分别是和。
一般情况下优先采用。
8、零件的几何要素按检测关系可以分别和。
9、零件的几何要素按结构特征可以分别和。
10、一般情况下,评定长度包含个取样长度。
11、表面粗糙度中的中线包含和两种。
12、滚动轴承内圈的基本偏差为,外圈的基本偏差为。
13、滚动轴承外圈与外壳孔的配合应采用配合,滚动轴承内圈与轴颈的配合应采用配合。
14、平键联结中的配合尺寸是,其配合常采用配合。
15、平键联结中键宽与键槽宽采用基轴制配合,其配合类型分为、、和。
16、影响齿轮传动平稳性的必检参数包括和。
17、影响齿轮传动传递运动准确性的必检参数包括和。
18、齿轮精度选择的方法主要包括和两种。
二、选择题1、互换性生产的技术基础是()。
A.大量生产B.公差C.检测D.标准化2、优先数学中R10/3 系列是()。
A.基本系列B.补充系列C.派生系列D.等差系列3、相配合的孔、轴中,某一实际孔与某一实际轴装配后得到间隙,则此配合为()。
A.间隙配合B.过渡配合C.可能是间隙配合也可能是过渡配合D.过盈配合4、基本偏差代号为H 的基准孔与基本偏差代号为a ~h 的轴形成()。
A.间隙配合B.过盈配合C.过渡配合D.间隙配合或过渡配合5、基本偏差代号为J 、K 、M 的孔与基本偏差代号为h 的轴可以构成()。
A.间隙配合B.间隙或过渡配合C.过渡配合D.过盈配合6、孔的最小实体尺寸就是其()。
A.最大极限尺寸B.最小极限尺寸C.体外作用尺寸D.体内作用尺寸7、轴的最小实体尺寸就是其()。
第五章精度检测基本概念内容概要:主要论述几何量精度检测的基本理论,包括测量的基本概念、计量单位、测量器具、测量方法、测量误差和测量数据处理等。
教学要求:在掌握机械精度设计的基础上,对其检测技术方面的基础知识有一个最基本的了解,并能运用误差理论方面的知识对测量数据进行处理后,正确地表达测量结果。
学习重点:测量误差和测量数据的处理。
学习难点:测量误差的分析。
习题一、判断题(正确的打√,错误的打×)1、直接测量必为绝对测量。
( )2、为减少测量误差,一般不采用间接测量。
( )3、为提高测量的准确性,应尽量选用高等级量块作为基准进行测量。
( )4、使用的量块数越多,组合出的尺寸越准确。
( )5、0~25mm千分尺的示值范围和测量范围是一样的。
( )6、用多次测量的算术平均值表示测量结果,可以减少示值误差数值。
( )7、某仪器单项测量的标准偏差为σ=0.006mm,若以9次重复测量的平均值作为测量结果,其测量误差不应超过0.002mm。
( )8、测量过程中产生随机误差的原因可以一一找出,而系统误差是测量过程中所不能避免的。
( )9、选择较大的测量力,有利于提高测量的精确度和灵敏度。
( )10、对一被测值进行大量重复测量时其产生的随机误差完全服从正态分布规律。
( )二、选择题1、下列测量中属于间接测量的有_____________A、用千分尺测外径。
B、用光学比较仪测外径。
C、用内径百分表测内径。
D、用游标卡尺测量两孔中心距。
E、用高度尺及内径百分表测量孔的中心高度。
2、下列测量中属于相对测量的有__________A、用千分尺测外径。
B、用光学比较仪测外径。
C、用内径百分表测内径。
D、用内径千分尺测量内径。
E、用游标卡尺测外径。
3、下列论述中正确的有_________A、指示表的度盘与指针转轴间不同轴所产生的误差属于随机误差。
B、测量力大小不一致引起的误差,属随机误差。
C、测量被测工件的长度时,环境温度按一定规律变化而产生的测量误差属于系统误差。
几何公差测量试题库_标注题:答案六、标注题:1.将下列精度要求标注在图样上。
(1)内孔尺寸为Φ30H7,遵守包容要求;(2)圆锥面的圆度公差为0.01mm,母线的直线度公差为0.01mm;(3)圆锥面对内孔的轴线的斜向圆跳动公差为0.02mm;(4)内孔的轴线对右端面垂直度公差为0.01mm。
(5)左端面对右端面的平行度公差为0.02mm;(6)圆锥面的表面粗糙度Rz的最大值为6.3µm,其余表面Ra的上限值为3.2µm。
N2.如图所示零件,试在图样上标注各项形位公差要求。
(1)、孔Φ1轴线的直线度公差为0.01mm;(2)、外圆柱面的圆柱度公差为0.04mm;(3)、圆锥孔Φ2对孔Φ1轴线的同轴度公差为0.02mm;(4)、左端面对右端面的平行度公差为0.05mm;(5)、左端面对孔Φ1轴线的垂直度公差为0.03mm。
3.如图所示为圆锥齿轮的毛坯,试在图样上标注各项形位公差要求。
(1)、齿轮轴孔Φ1采用包容原则;(2)、齿顶圆锥面的圆度公差为0.02mm;(3)、齿顶圆锥面的斜向圆跳动度公差为0.04mm;(4)、右端面对左端面的平行度公差为0.05mm;(5)、右端面的全跳动度公差为0.03mm。
4.将下列形位公差要求标注在图样上。
(1)A面的平面度公差为0.01mm;(2)Φ50孔的形状公差遵守包容要求,且圆柱度误差不超过0.011mm;(3)Φ65孔的形状公差遵守包容要求,且圆柱度误差不超过0.013mm;(4)Φ50和Φ65两孔心线分别对它们的公共孔心线的同轴度公差为Φ0.02mm:(5)Φ50和Φ65两孔心线分别对A面的平行度公差为Φ0.015mm。
5.将下列形位公差要求标注在图样上。
(1)Φ40h8圆柱面对两Φ25h7公共轴线的径向圆跳动公差为0.015mm;(2)两Φ25h7轴颈的圆度公差为0.01mm;(3)Φ40h8左右端面对Φ25h7两公共轴线的端面圆跳动公差为0.02mm;(4)键槽10H9中心平面对Φ40h8轴线的对称度公差为0.015mm。
几何量精度复习题邢台职业技术学院一、填空题(25分)1.公差标准是对__的限制性措施,__是贯彻公差与配合制的技术保证。
2.机械零件的几何精度包括_________精度、_______•精度和表面粗糙度。
3.测量误差按其特性可分为____________,____________和____________三类。
4.实际偏差是指__,极限偏差是指__。
5.尺寸公差带具有和两个特性。
标准化后,尺寸公差带的大小,由决定;尺寸公差带的位置由决定。
6.滚动轴承内圈与轴颈配合采用制配合,其内圈的基本偏差为;外圈与外壳孔配合采用制配合。
mm的公差等级为__,基本偏差代号为__。
7.孔φ65 -0.042-0.0728.尺寸φ80JS8,已知IT8=46μm,则其最大极限尺寸是__mm,最小极限尺寸是__mm。
9.孔的基本偏差数值为__mm,孔的的公差为__mm。
10.φ50H10的孔和φ50js10的轴,已知IT10=0.100mm,其ES=__mm,EI=__mm,es=__mm,ei=__mm。
11.已知基本尺寸为φ50mm的轴,其最小极限尺寸为φ49.98mm,公差为0.01mm,则它的上偏差是__mm,下偏差是__mm。
12.常用尺寸段的标准公差的大小,随基本尺寸的增大而__,随公差等级的提高而__。
13.公差等级的选择原则是__的前提下,尽量选用__的公差等级。
14.孔的公差带在轴的公差带之上为__________配合;•孔的公差带与轴的公差带相互交叠为__________配合;孔的公差带在轴的公差带之下为__________配合。
15.标准规定,•基孔制配合中,基准孔的基本偏差代号为,其数值等于____。
16.圆柱度和径向全跳动公差带相同点是__,不同点是__。
17.在形状公差中,当被测要素是一空间直线,若给定一个方向时,其公差带是__之间的区域。
若给定任意方向时,其公差带是__区域。
18.圆度的公差带形状是__,圆柱度的公差带形状是__。
几何量精度设计与检测复习题参考答案2013《几何量精度设计与检测》复习题参考答案一、填空题1.互换性;2. 先疏后密;3. 十进等比级数(数列);4. 标准化;5.互换性;6.检验;7.统一;8.功能;9.3;10.R5;11.位置;12.较低;13.基轴制;14.最大实体尺寸;15.正态分布;16.类比法;17.键;18.小于等于(不大于);19.形状公差;20.唯一的;21.位置;22.几何要素;23.变动量;24.最小条件;25.加工经济性;26.1;27.波纹度;27.5;28. 取样长度; 29. 小径定心;30. 载荷分布均匀性;31. 循环负荷;32. 键宽;33. 传递运动准确性;34. 局部负荷;35.基轴制;36. 齿侧间隙;37.以下(之下);38. 位置度;39. 载荷分布均匀性;40. 对称度二、选择填空题1.B;2.C;3.C;4.C;5.D;6.B;7.C;8.D;9.D; 10.A; 11.B; 12.A(基轴制);13.C;14.B;15.C; 16.D; 17.D; 18.D; 19. A(基轴制); 20.D; 21.A; 22.C; 23.B; 24.A; 25.C; 26.A; 27.A; 28.B; 29.A; 30.C; 31.D; 32.D; 33.C ; 34.D; 35.A; 36.B; 37.A; 38.B; 39.A;40.D三、简答题四、标注与改错题1.标注题2. 标注题3. 标注题AØ35H7Ø10H7Ø20h60.010.02Ø0.05A0.0050.0060.05AØ0.05A4. 标注题5 .改错题6. 改错题7. 改错题8. 改错题五、计算题1. 解:因为 Ts=es-ei 所以 ei=es- Ts=-0.040-0.021=-0.061mm由 Xmax=ES-ei=+0.013-(-0.061)=+0.074mm有 Xmin =-Xmax+2 Xav=-0.074+2×0.057=+0.040mm则 Tf= Xmax- Xmin=+0.074-0.040=0.034mm由 Ymax=EI-es有 EI=Ymax+es=+0.040-0.040=0则 Th=ES-EI=+0.013-0=0.013mm由此可知:属于基孔制间隙配合。
一、判断题〔〕1 .公差可以说是允许零件尺寸的最大偏差。
()2 .基本尺寸不同的零件,只要它们的公差值相同,就可以说明它们的精度要求相同。
()3 .国家标准规定,孔只是指圆柱形的内表面。
()4 .图样标注mm 的轴,加工得愈靠近基本尺寸就愈精确。
()5 .孔的基本偏差即下偏差,轴的基本偏差即上偏差。
()6. 某平面对基准平面的平行度误差为 0 . 05mm ,那么这平面的平面度误差一定不大于0 . 05mm 。
()7. 某实际要素存在形状误差,则一定存在位置误差。
()8.零件的表面粗糙度值越小,则零件的尺寸精度应越高。
()9、对一般的紧固螺纹来说,螺栓的作用中径应小于或等于螺母的作用中径。
()10.影响齿轮传递运动准确性的误差,是齿距分布不均而产生的以齿轮一转为周期的误差。
()二、选择题〔〕1.零件的截面轮廓形状波距小于1mm的属于()。
A.形状误差 B. 位置误差 C. 粗糙度 D. 波纹度2. Φ40f6、Φ40f 7和Φ40f 8的相同偏差是()。
A.下偏差B. 上偏差C. 实际偏差D. 公差3.Φ55G8/h8与Φ55G9/h9两种配合的()相同。
A.最小间隙B. 最大间隙C.平均间隙D. 间隙变动范围7.齿轮的单个齿距偏差主要影响齿轮传动的()。
A.齿侧间隙B. 传递运动的准确性C. 传动的平稳性D. 载荷分布均匀性8.在一定的测量条件下,对同一被测几何量进行连续多次测量时,其误差的大小、方向均保持不变的测量误差为()。
A. 定值系统误差B. 粗大误差C. 随机误差D. 变值系统误差9.与Φ40H8/g7基准制不同、配合性质相同的配合是( )。
A .Φ40H8/g8B .Φ40G7/h7C . Φ40H7/g7D .Φ40G8/h710.孔的最大实体尺寸就是其( )。
A. 最大极限尺寸B. 最小极限尺寸C. 体外作用尺寸D. 体内作用尺寸C.可能是间隙配合也可能是过渡配合D. 过盈配合 1.孔的最小实体尺寸为 尺寸。
参考答案一、判断题(每小题1分,共10分)1.为减少测量误差,一般不采用间接测量。
( √)2.使用的量块数越多,组合出的尺寸越准确。
(×)3.某一零件的实际尺寸正好等于其基本尺寸,则这尺寸必适合格。
(╳)4.某平面对基准平面的平行度误差为0.05mm,那么这平面的平面度误差一定不大于0.05mm。
(√)5.对同一要素既有位置公差要求,又有形状公差要求时,形状公差值应大于位置公差值。
(╳)6.端面圆跳动公差和端面对轴线垂直度公差两者控制的效果完全相同。
(╳)7.当包容要求用于单一要素时,被测要素必须遵守最大实体实效边界。
(╳)8.零件的尺寸精度越高,通常表面粗糙度参数值相应取得越小。
(√)9.受交变载荷的零件,其表面粗糙度值应小。
(√)10.螺纹中径是影响螺纹互换性的主要参数。
(√)二.选择题(每小题1 分,共15 分)1. C2. B3. A4. C5. B6. C7.C8.A9.D 10.B11.C 12.C 13.C 14.B 15.C三. 简答题 (每小题5 分,共25 分)1.答:区别如下:(1)分度间距(刻度间距)是指计量器具的刻度标尺或度盘上两相邻刻线中心之间的距离,般为1-2.5mm;而分度值(刻度值)是指计量器具的刻度尺或度盘上相邻两刻线所代表的量值之差。
(2)示值范围是指计量器具所显示或指示的最小值到最大值的范围;而测量范围是指在允许的误差限内,计量器具所能测出的最小值到最大值的范围。
2.答:规定取样长度的目的是为了限制或减弱表面波度的影响;规定评定长度的目的是为了合理地反映轮廓的真实情况。
3.答:6代表键数;23H7/f7代表小径尺寸及配合;26H10/a11代表大径尺寸及配合;6H11/d10 代表键(键槽)宽度尺寸及配合。
4.答:判断螺纹中径合格性的准则应遵循泰勒原则,即螺纹的作用中径不能超越最大实体牙型的中径;任意位置的实际中径(单一中径)不能超越最小实体牙型的中径。
几何精度设计与检测模拟试卷考试时间:100 分钟考试方式:闭卷学院班级姓名学号题号一二三四五总分分数10 15 25 20 30 100得分阅卷人一、判断题(每小题1分,共10分1.为减少测量误差,一般不采用间接测量。
(2.使用的量块数越多,组合出的尺寸越准确。
(3.某一零件的实际尺寸正好等于其基本尺寸,则这尺寸必适合格。
(4.某平面对基准平面的平行度误差为0.05mm,那么这平面的平面度误差一定不大于0.05mm。
(5.对同一要素既有位置公差要求,又有形状公差要求时,形状公差值应大于位置公差值。
(6.端面圆跳动公差和端面对轴线垂直度公差两者控制的效果完全相同。
(7.当包容要求用于单一要素时,被测要素必须遵守最大实体实效边界。
(8.零件的尺寸精度越高,通常表面粗糙度参数值相应取得越小。
(9.受交变载荷的零件,其表面粗糙度值应小。
(10.螺纹中径是影响螺纹互换性的主要参数。
(二、选择题(每小题 1 分,共 15 分在下列每小题的四个备选答案中选出一个正确的答案,并将其字母标号填入题干的括号内。
1.零件的截面轮廓形状波距小于1mm的属于(。
A.形状误差B. 位置误差C. 粗糙度D. 波纹度2. Φ40f6、Φ40f 7和Φ40f 8的相同偏差是(。
A.下偏差B. 上偏差C. 实际偏差D. 公差3.Φ55G8/h8与Φ55G9/h9两种配合的(相同。
A.最小间隙B. 最大间隙C.平均间隙D. 间隙变动范围4. 下列配合中,最松的配合为(。
A.H7/h6B. JS7/h6C. H7/f6D. U7/h65.向心轴承的公差等级从高到低分为(。
A. 2、3、4、5、6五级B. 2、4、5、6、0五级C. 1、2、3、4、5五级D. 2、3、4、5、0 五级6.基本偏差代号为a~h的轴与基本偏差代号为H的孔的配合属于(。
A. 基孔制过盈配合B. 基孔制过渡配合C. 基孔制间隙配合D. 基轴制间隙配合7.齿轮的齿距偏差主要影响齿轮传动的(。
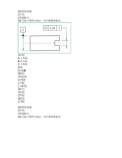
[题型]单选题[章节][类别]练习[题干]如下图所示标注,其中被测要素是:[选项]A.上表面B.中心面C.下表面D.轴[答案]B[解析][难度]易[分数]3[子题][子题型][题干][选项][答案][解析][分数][题型]单选题[章节][类别]练习[题干]如下图所示标注,其中基准要素是:[选项]A.圆柱面B.平面C.轴的轴线D.孔的轴线[答案]C[解析][难度]易[分数]3[子题][子题型][题干][选项][答案][解析][分数][题型]单选题[章节][类别]练习[题干]如图所示标注的基准约束的自由度有几个:[选项]A. 1个B. 2个C. 3个D. 4个[答案]C[解析][难度]难[分数]3[子题][子题型][题干][选项][答案][解析][分数][题型]单选题[章节][类别]练习[题干]如图所示零件标注的直线度综合公差带是:[选项]A. 两平行直线之间的区域B. 两平行平面之间的区域C. 圆柱面内的区域D. 四棱柱内的区域[答案]D[解析][难度]中[分数]3[子题][子题型][题干][选项][答案][解析][分数][题型]单选题[章节][类别]练习[题干]当孔的轴线与基准轴线之间的平行度公差为0.06mm时,其轴线间的尺寸公差为:C.0.02mmD.不确定[答案]D[解析][难度]中[分数]3[子题][子题型][题干][选项][答案][解析][分数][题型]单选题[章节][类别]练习[题干]若某零件的同轴度要求如图所示,当测得中心线与基准轴线的最大距离x 为+0.06mm,最小距离y 为0.04mm 时,该零件的同轴度误差为[选项]A. 0.06mmB. 0.12mmC.0.04mmD. 0.08mm[答案]B[解析][难度]中[分数]3[子题][子题型][题干][选项][答案][解析][分数][题型]单选题[章节][类别]练习[题干]某轴线的同轴度公差为?0.08mm,那么该轴线的直线度公差一定不大于[选项]A. 0.08mm[答案]A[解析][难度]中[分数]3[子题][子题型][题干][选项][答案][解析][分数][题型]单选题[章节][类别]练习[题干]某端面的端面全跳动公差值为0.08mm,那么该端面相同基准的圆跳动公差值一定不大于[选项]A. 0.08mmB. 0.16mmC.0.04mmD. 0.02mm[答案]A[解析][难度]中[分数]3[子题][子题型][题干][选项][答案][解析][分数][题型]单选题[章节][类别]练习[题干]如图所示标注的孔中心距尺寸应该为30±()mm。
1.互换性生产的基础是( )。
A .大量生产 B. 公差 C. 检测 D. 标准化2. Φ30F6、Φ30F7和Φ30F8的相同偏差是( )。
A .下偏差B . 上偏差C . 实际偏差D . 公差3.Φ30E8/h8与Φ30E9/h9两种配合的( )相同。
A . 最大间隙B . 最小间隙C .平均间隙D . 间隙变动范围4. 下列配合中,最紧的配合为( )。
A . H7/h6B . JS7/h6C . H7/f6D . U7/h65.可以根据具体情况规定不同形状的公差带的形位公差特征项目是( )。
A . 直线度B . 平面度C . 圆度 圆柱度6.滚动轴承内圈与m6轴径配合,它们的配合性质为( )。
A . 间隙配合B . 过盈配合C . 过渡配合D . 过渡或间隙配合7.齿轮的齿向误差主要影响齿轮传动的( )。
A .齿侧间隙B . 传递运动的准确性C . 传动的平稳性D . 载荷分布均匀性8.在一定的测量条件下,对同一被测几何量进行连续多次测量时,其误差的大小、方向按一定规律变化的测量误差为( )。
A. 随机误差B. 粗大误差C. 定值系统误差D. 变值系统误差9.与Φ40H7/k6基准制不同、配合性质相同的配合是( )。
A .Φ40H7/k7B .Φ40K7/h7C .Φ40K7/h6D .Φ40H6/k610.在评定齿轮传递运动准确性的精度时,若测得r F ∆与w F ∆两项误差中有一项超差,则应再测( )。
A .''i F ∆ B . p F ∆ C . βF ∆ D . b F ∆11.光滑极限量规的通规是用来控制被检验零件的( )。
A .极限尺寸 B. 局部实际尺寸C . 体内作用尺寸 D. 体外作用尺寸12.在图样上标注被测要素的形位公差,若形位公差值前面加“Φ”,则形位公差带的形状为()。
A . 两同心圆 B. 两同轴圆柱C . 圆形或圆柱形 D. 圆形、圆柱形或球形13.普通螺纹的公称直径是指螺纹()的基本尺寸。
精度设计基础部分(表面粗糙度、极限与配合、形位公差)复习题一、填空题1.表面粗糙度是指。
2.评定长度是指,它可以包含几个。
3.测量或评价表面粗糙度时,规定评定长度的目的在于。
4.表面粗糙度与高度特性有关的评定参数是、与与间距和形状特性有关的参数是、。
5.要求车削加工表面粗糙度的算数平均偏差值不得大于12.5μm,则在图样上标注为。
6.测量误差按其特性可分为、和三类。
7.测量误差产生的原因可归纳为、、和。
8.被测量的真值一般是不知道的,在实际测量中,常用代替。
9.某次测量测得值是x=30.002.标准偏差σ=0.0002,置信概率取99.73%,测量结果是。
10.尺寸公差标准(GB/T1800-1999)规定的公差等级有级,其中基准孔的基本偏差代号为,基本偏差为偏差,且偏差值为。
基准轴的基本偏差代号为,基本偏差为,且偏差值为。
11.常用尺寸段的标准公差的大小,随基本尺寸的增大而,随公差等级的提高而。
12.公差等级的选择原则是的前提下,尽量选用的公差等级。
13.公差是指,实际偏差是指,极限偏差是指。
14.基本偏差一般为的那个极限偏差。
15.孔和轴的公差带由决定大小,由决定位置。
16.配合是指基本尺寸相同,相互结合的孔、轴_______________之间的关系。
17.选择孔、轴配合的基准制时,应优先选用,原因是。
18.尺寸公差标准规定有、、三大类配合,当孔轴无相对运动,要求有良好定心精度,且易于拆卸时,应选用配合。
19.φ60JS9的公差为0.074mm,上偏差为mm,其最大实体尺寸为mm,最小实体尺寸为mm。
20.φ20的轴,上偏差为+0.006mm,下偏差为-0.015mm,则轴的基本偏差为mm,轴的公差为mm。
21.配合公差是指,它表示的高低。
22.利用同一加工方法,加工φ50H7的孔和φ100H7的孔,两孔加工的难易程度。
23.国家标准规定的优先、常用配合在孔、轴公差等级的选用上,采用“工艺等价原则”,高于IT 8的孔均与级的轴相配:低于IT 8的孔均和级的轴相配。
北京理工大学智慧树知到“机械电子工程”《几何精度设计与测试》网课测试题答案(图片大小可自由调整)第1卷一.综合考核(共15题)1.卡尺的主要作用是测量()等尺寸A.长度B.厚度C.深度D.高度E.直径2.实际表面轮廓构成不包括()A.粗糙度轮廓B.基准面C.形状轮廓D.波纹度轮廓3.齿厚合格条件为Esni≦Esn≦Esns。
()A.错误B.正确4.内螺纹公差带的基本偏差为上偏差,采用H和G的两种基本偏差。
()A.错误B.正确5.三坐标结构形式有()A.悬臂式B.龙门式C.桥式D.镗式E.点式6.滚动轴承工作时产生振动的主要因素是() A.表面波纹度B.表面粗糙度C.结合的密封D.表面形状误差7.下列花键结合的图样标记符合的规定对应正确的是()A.内花键INTB.外花键EXTC.花键副INT/EXTD.齿数ZE.模数m8.9.按照被测量的不同,计量学可以分为()A.几何量计量B.光学计量C.力学计量D.声学计量E.热工计量10.国家基准是根据定义复现和保存计量单位、具有最高计量特性、经国家检定、批准作为统一全国量值最高依据的计量器具。
()A.错误B.正确11.下列不属于测量要素的是()A.测量对象B.测量方法C.测量过程D.测量结果12.下列不属于测量基准要求的是()A.稳定不变B.便于保存C.易于复现D.便于使用13.表面缺陷数与给定的评定区域面积的比值是指()A.表面缺陷数B.表面缺陷长度C.表面缺陷面积D.单位面积上表面缺陷数14.采用包容要求的尺寸要素对应的实际轮廓应遵守()A.其体外作用尺寸不得超过最大实体尺寸,且其局部实际尺寸不得超出最小实体尺寸B.其体外作用尺寸不得超过最小实体尺寸,且其局部实际尺寸不得超出最小实体尺寸C.其体外作用尺寸需超过最大实体尺寸,且其局部实际尺寸需超出最小实体尺寸D.其体外作用尺寸需超过最小实体尺寸,且其局部实际尺寸需超出最大实体尺寸15.第2卷一.综合考核(共15题)1.零件几何要素的基本精度不包括以下哪一个()A.表面精度B.尺寸精度C.形状与位置精度D.结构2.计量单位是定量表示不同种量的量值而约定采用的特定量。
第一章几何精度设计概论1-1 判断题1.任何机械零件都存在几何误差。
(√)2.只要零件不经挑选或修配,便能装配到机器上,则该零件具有互换性。
(×)3.为使零件具有互换性,必须把加工误差控制在给定的范围内。
(√)4.按照国家标准化管理委员会的规定,强制性国家标准的代号是GB/Q,推荐性国家标准的代号是GB/T(×)1-2 选择填空1.最常用的几何精度设计方法是(计算法,类比法,试验法)。
2.对于成批大量生产且精度要求极高的零件,宜采用(完全互换,分组互换,不需要互换)的生产形式。
3.产品标准属于(基础标准,技术标准,管理标准)。
4.拟合轮廓要素是由(理想轮廓,实际轮廓,测得轮廓)形成的具有(理想形状,实际形状,测得形状)的要素。
第二章尺寸精度2-1 判断题1.公差可以认为是允许零件尺寸的最大偏差。
(×)2.只要两零件的公差值相同,就可以认为它们的精度要求相同。
(×)3.基本偏差用来决定公差带的位置。
(√)4.孔的基本偏差为下偏差,轴的基本偏差为上偏差。
(×)5.30f7与30F8的基本偏差大小相等,符号相反。
(√)6.30t7与30T7的基本偏差大小相等,符号相反。
(×)7.孔、轴公差带的相对位置反映配合精度的高低。
(×)8.孔的实际尺寸大于轴的实际尺寸,装配时具有间隙,就属于间隙配合。
(×)9.配合公差的数值愈小,则相互配合的孔、轴的公差等级愈高。
(√)10.配合公差越大,配合就越松。
(×)11.轴孔配合最大间隙为13微米,孔公差为28微米,则属于过渡配合。
(√)12.基本偏差a~h与基准孔构成间隙配合,其中a配合最松。
(√)13.基孔制的特点就是先加工孔,基轴制的特点就是先加工轴。
(×)14.有相对运动的配合选用间隙配合,无相对运动的均选用过盈配合。
(×)15.不合格的轴孔装配后,形成的实际间隙(或过盈)必然不合格。
[题型]单选题[章节][类别]练习[题干]如下图所示标注,其中被测要素是:[选项]A.上表面B.中心面C.下表面D.轴[答案]B[解析][难度]易[分数]3[子题][子题型][题干][选项][答案][解析][分数][题型]单选题[章节][类别]练习[题干]如下图所示标注,其中基准要素是:[选项]A.圆柱面B.平面C.轴的轴线D.孔的轴线[答案]C[解析][难度]易[分数]3[子题][子题型][题干][选项][答案][解析][分数][题型]单选题[章节][类别]练习[题干]如图所示标注的基准约束的自由度有几个:[选项]A. 1个B. 2个C. 3个D. 4个[答案]C[解析][难度]难[分数]3[子题][子题型][题干][选项][答案][解析][分数][题型]单选题[章节][类别]练习[题干]如图所示零件标注的直线度综合公差带是:[选项]A. 两平行直线之间的区域B. 两平行平面之间的区域C. 圆柱面内的区域D. 四棱柱内的区域[答案]D[解析][难度]中[分数]3[子题][子题型][题干][选项][答案][解析][分数][题型]单选题[章节][类别]练习[题干]当孔的轴线与基准轴线之间的平行度公差为0.06mm时,其轴线间的尺寸公差为:[选项]D.不确定[答案]D[解析][难度]中[分数]3[子题][子题型][题干][选项][答案][解析][分数][题型]单选题[章节][类别]练习[题干]若某零件的同轴度要求如图所示,当测得中心线与基准轴线的最大距离x 为+0.06mm,最小距离y 为0.04mm 时,该零件的同轴度误差为[选项]A. 0.06mmB. 0.12mmC.0.04mmD. 0.08mm[答案]B[解析][难度]中[分数]3[子题][子题型][题干][选项][答案][解析][分数][题型]单选题[章节][类别]练习[题干]某轴线的同轴度公差为ø0.08mm,那么该轴线的直线度公差一定不大于[选项]A. 0.08mmB. 0.16mm[解析][难度]中[分数]3[子题][子题型][题干][选项][答案][解析][分数][题型]单选题[章节][类别]练习[题干]某端面的端面全跳动公差值为0.08mm,那么该端面相同基准的圆跳动公差值一定不大于[选项]A. 0.08mmB. 0.16mmC.0.04mmD. 0.02mm[答案]A[解析][难度]中[分数]3[子题][子题型][题干][选项][答案][解析][分数][题型]单选题[章节][类别]练习[题干]如图所示标注的孔中心距尺寸应该为30±()mm。
[选项]A. 0.02mmB. 0.10mmC.0.01mmD. 0.04mm[答案]C[解析][难度]难[分数]3[子题][子题型][题干][选项][答案][解析][分数][题型]单选题[章节][类别]练习[题干]如图所示标注中的公差值之间的关系是:[选项]A. t2 > t1B. t2 < t1C.t2 = t1D. t2 与t1 没有关联关系[答案]A[解析][难度]中[分数]3[子题][子题型][题干][选项][答案][解析][分数][题型]单选题[章节][类别]练习[题干]如图所示标注中的公差值之间的关系是:[选项]A. t2 > t1B. t2 < t1D. t2 与t1 没有关联关系[答案]A[解析][难度]中[分数]3[子题][子题型][题干][选项][答案][解析][分数][题型]单选题[章节][类别]练习[题干]下图中1所指表面的表面结构要求Ra的上限值是:[选项]A. 25μmB. 12.5μmC. 6.3μmD. 没有规定[答案]C[解析][难度]中[分数]3[子题][子题型][题干][选项][答案][解析][题型]单选题[章节][类别]练习[题干]查表确定Ф50H8的上极限尺寸数值(单位mm)。
[选项]A. 50.046mmB. 50.030mmC.50.025mmD. 50.039mm[答案]D[解析][难度]中[分数]3[子题][子题型][题干][选项][答案][解析][分数][题型]单选题[章节][类别]练习[题干]Ф30D9/h9是:[选项]A. 间隙配合B. 过渡配合C.过盈配合D. 无配合[答案]A[解析][难度]中[分数]3[子题型][题干][选项][答案][解析][分数][题型]单选题[章节][类别]练习[题干] 下列配合中,配合公差最小的是:[选项]A. Ø100H6/g6B. Ø30H7/g7C.Ø100H7/g6D. Ø30H6/g6[答案]D[解析][难度]难[分数]3[子题][子题型][题干][选项][答案][解析][分数][题型]单选题[章节][类别]练习[题干]若某配合的最大间隙为103μm,配合公差为78μm,孔的下偏差为0μm,轴的公差为39μm ,则其轴的上偏差为:(单位为μm)[选项]A. -25B. -29C.-22D. 0[答案]A[解析][难度]难[分数]3[子题][子题型][答案][解析][分数][题型]单选题[章节][类别]练习[题干]已知ø20F7的上偏差为+0.041mm,下偏差为+0.020mm,则ø20f7的上偏差为:(单位mm)[选项]A. -0.02B. +0.02C. +0.041D. 0[答案]A[解析][难度]中[分数]3[子题][子题型][题干][选项][答案][解析][分数][题型]单选题[章节][类别]练习[题干]某孔、轴配合,孔的公差为27微米,最大间隙为0微米,则该配合是:[选项]A. 过盈配合B. 过渡配合C.间隙配合D. 无配合[答案]A[解析][难度]难[分数]3[子题][子题型][题干][选项][分数][题型]单选题[章节][类别]练习[题干]如图所示导管衬套与基座之间应采用:[选项]A. 全部配合种类B. 间隙配合C.过盈配合D. 过渡配合[答案]C[解析][难度]中[分数]3[子题][子题型][题干][选项][答案][解析][分数][题型]单选题[章节][类别]练习[题干]如图所示标注的孔的最大实体实效尺寸是:(单位:mm)[选项]A. 15.937mmB. 15.957mmC. 16mmD. 16.043mm[答案]A[解析][难度]中[分数]3[子题][子题型][题干][选项][答案][解析][分数][题型]单选题[章节][类别]练习[题干]如图所示标注的轴的最大实体实效尺寸是:(单位:mm)[选项]A. 29.8mmB. 29.5mmC. 30mmD. 29.9mm[答案]C[解析][难度]中[分数]3[子题][子题型][题干][选项][答案][解析][分数][题型]单选题[章节][类别]练习[题干]当相互配合的孔、轴的定心精度要求较高时,不宜采用:[选项]A. 无法确定B. 过渡配合C.过盈配合D. 间隙配合[答案]D[解析][难度]中[分数]3[子题][子题型][答案][解析][分数][题型]单选题[章节][类别]练习[题干]螺纹的公称直径是指螺纹的:[选项]A. 大径B. 中径C.小径D. 作用中径[答案]A[解析][难度]易[分数]3[子题][子题型][题干][选项][答案][解析][分数][题型]单选题[章节][类别]练习[题干]图纸标注的尺寸的测量温度是:[选项]A. 20.5°B. 21°C.20°D. 19.5°[答案]C[解析][难度]中[分数]3[子题][子题型][题干][选项][答案][题型]单选题[章节][类别]练习[题干]测量如图箱体零件孔组的孔心距,若测量L1的标准不确定度为±0.06mm,测量L2的标准不确定度为±0.08mm,则孔心距测量值的标准不确定度为±:(单位为mm)[选项]A. 0.06mmB. 0.10mmC.0.04mmD. 0.05mm[答案]D[解析][难度]中[分数]3[子题][子题型][题干][选项][答案][解析][分数][题型]单选题[章节][类别]练习[题干]测量仪器的精度一般是被测量精度的:[选项]A. 1/10~1/3B. 1/2[答案]A[解析][难度]中[分数]3[子题][子题型][题干][选项][答案][解析][分数][题型]单选题[章节][类别]练习[题干]某仪器单次测量的标准测量不确定度为0.006mm ,若以其进行9 次重复测量的平均值作为测量结果,其标准测量不确定度为[选项]A. 0.006mmB. 0.002mmC.0.003mmD. 0.001mm[答案]B[解析][难度]中[分数]3[子题][子题型][题干][选项][答案][解析][分数][题型]单选题[章节][类别]练习[题干]某平面对基准平面的平行度误差为0.08mm,那么该平面的平面度误差一定不大于[选项]A. 0.08mmB. 0.16mmC.0.04mm[解析][难度]中[分数]3[子题][子题型][题干][选项][答案][解析][分数][题型]单选题[章节][类别]练习[题干]生产中评定表面粗糙度最常用的方法是:[选项]A. 干涉显微镜测量B. 光切显微镜测量C.轮廓仪测量D. 样板比较法[答案]C[解析][难度]中[分数]3[子题][子题型][题干][选项][答案][解析][分数][题型]单选题[章节][类别]练习[题干]优先数系R10系列中从1到10有多少个优先数?[选项]A. 10mmB. 9mmC. 11mmD. 12mm[答案]C[解析][子题][子题型][题干][选项][答案][解析][分数][题型]多选题[章节][类别]练习[题干]下图中哪些尺寸是孔要素的尺寸:[选项]A.L1B.L2C.L4D.L7[答案]B##C##D[解析][难度]易[分数]4[子题][子题型][题干][选项][答案][题型]多选题[章节][类别]练习[题干]上偏差是:[选项]A.一定小于0B.一定大于0C. 比下偏差大D.最大极限尺寸减去公称尺寸[答案] C##D[解析][难度]中[分数]4[子题][子题型][题干][选项][答案][解析][分数][题型]多选题[章节][类别]练习[题干]尺寸精度的不合格条件是实际尺寸[选项]A.大于上极限尺寸B.小于下极限尺寸C. 大于下极限尺寸D.小于上极限尺寸[答案] A##B[解析][难度]中[分数]4[子题][子题型][题干][选项][答案][解析][分数][题型]多选题[章节][类别]练习[题干]设计时不可以给孔轴要素的中心平面规定的几何公差项目有:[选项]A.圆柱度B.平行度C. 全跳动D.平面度[答案] A##C[解析][难度]中[分数]4[子题][子题型][题干][选项][答案][解析][分数][题型]多选题[章节][类别]练习[题干]轴线的平行度公差限制:[选项]A.被测轴线的长度大小B.被测轴线的方向C. 被测轴线的形状D.被测轴线的位置[答案] B##C[解析][难度]难[分数]4[子题][子题型][题干][选项][答案][解析][分数][题型]多选题[类别]练习[题干]中心平面的对称度公差限制了:[选项]A.被测中心面的长度大小B.被测中心面的方向C. 被测中心面的形状D.被测中心面的位置[答案] B##C##D[解析][难度]难[分数]4[子题][子题型][题干][选项][答案][解析][分数][题型]多选题[章节][类别]练习[题干]如图所示标注的线轮廓公差限制了:[选项]A.被测轮廓的形状B.被测轮廓的方向C. 被测轮廓的大小D.被测轮廓的位置[答案]A##C##D[解析][子题][子题型][题干][选项][答案][解析][分数][题型]多选题[章节][类别]练习[题干]如图所示标注的面轮廓公差限制了:[选项]A.被测面的形状B.被测面的方向C. 被测面的大小D.被测面的位置[答案] A##B##D[解析][难度]难[分数]4[子题][子题型][题干][选项][分数][题型]多选题[章节][类别]练习[题干]如下图所示标注全跳动的公差带与相同基准、相同公差值的端面垂直度的公差带:[选项]A. 大小相同B. 形状相同C. 方向相同D. 位置相同[答案] A##B##C##D[解析][难度]难[分数]4[子题][子题型][题干][选项][答案][解析][分数][题型]多选题[章节][类别]练习[题干]能够控制被测孔和轴直径大小的公差项目有:[选项]A.圆截面的线轮廓度B.圆柱面的面轮廓度C. 径向圆跳动D.径向全跳动[答案] A##B[解析][难度]难[分数]4[子题][子题型][题干][选项][答案][题型]多选题[章节][类别]练习[题干]如图所示标注的两种几何公差,它们的:[选项]A.公差带形状相同B.公差带大小相同C. 公差带方向相同D.公差带位置相同[答案] A##B[解析][难度]难[分数]4[子题][子题型][题干][选项][答案][解析][分数][题型]多选题[章节][类别]练习[题干]如图所示标注中:[选项]A. 1正确B. 2正确C. 3正确D. 4正确[答案] A##C##D[解析][难度]难[分数]4[子题][子题型][题干][选项][答案][解析][分数][题型]多选题[章节][类别]练习[题干]配合ø80JS7/js6与配合ø35JS7/js6的:[选项]A.配合公差值相同B.最大极限间隙相同C. 配合公差值不同D.最大极限间隙不同[答案] C##D[难度]难[分数]4[子题][子题型][题干][选项][答案][解析][分数][题型]多选题[章节][类别]练习[题干]孔的单一体外作用尺寸≤:[选项]A.实际尺寸B.单一体内作用尺寸C. 公称尺寸D.上极限尺寸[答案] A##B[解析][难度]难[分数]4[子题][子题型][题干][选项][答案][解析][分数][题型]多选题[章节][类别]练习[题干]如图所示标注的包容要求的含义是:A.实际尺寸大于20mmB. 遵守最大实体实效边界C. 遵守最大实体边界D. 实际尺寸小于20.1mm[答案] A##C##D[解析][难度]难[分数]4[子题][子题型][题干][选项][答案][解析][分数][题型]多选题[章节][类别]练习[题干]如图所示孔的最大实体要求的含义是:[选项]A. 实际尺寸大于29.9mmB. 遵守最大实体实效边界C. 遵守最大实体边界D. 实际尺寸小于30.052mm[答案] A##B##D[解析][难度]难[分数]4[子题][子题型][选项][答案][解析][分数][题型]多选题[章节][类别]练习[题干]如图所示孔的最大实体要求的含义是:[选项]A. 实际尺寸大于15.89mmB. 遵守最大实体实效边界C. 遵守最大实体边界D. 实际尺寸小于16mm[答案] A##B##D[解析][难度]难[分数]4[子题][子题型][题干][选项][答案][解析][分数][题型]多选题[章节][类别]练习[题干]如图所示的两种标注,它们:[选项]A.遵守的边界尺寸不相同B.实际尺寸的合格条件不相同C. 遵守的边界尺寸相同D.实际尺寸的合格条件相同[答案] C##D[解析][难度]难[分数]4[子题][子题型][题干][选项][答案][解析][分数][题型]多选题[章节][类别]练习[题干]当滚动轴承内圈固定、外圈旋转,承受定向载荷时,其内圈与轴的配合应采用:[选项]A.过渡配合B.大间隙配合C. 基孔制D.基轴制[答案] A##C[解析][难度]难[分数]4[子题][子题型][题干][选项][答案][解析][分数][题型]多选题[章节][类别]练习[题干]平键配合的配合尺寸是:[选项]A.键宽B.键长C. 槽宽D.槽长[答案] A##C[解析][难度]中[分数]4[子题][子题型][题干][选项][答案][解析][分数][题型]多选题[章节][类别]练习[题干]螺纹标示M10-5h 中的5h含义是:[选项]A.大径公差带代号B.中径公差带代号C. 小径公差带代号D.螺距公差带代号[答案] A##B[解析][难度]难[分数]4[子题][子题型][题干][选项][答案][解析][题型]多选题[章节][类别]练习[题干]汽车减速器中齿轮的主要精度要求是:[选项]A.传递运动的准确性B.合理侧隙C. 传递运动的平稳性D.传递载荷的均匀性[答案] B##C[解析][难度]难[分数]4[子题][子题型][题干][选项][答案][解析][分数][题型]多选题[章节][类别]练习[题干]如图所示尺寸链,A0为封闭环,减环有:[选项]A.A1B.A3C. A5D.A2[答案] B##C[解析][难度]难[分数]4[子题][选项][答案][解析][分数][题型]多选题[章节][类别]练习[题干]如图所示尺寸链,N为封闭环,A1合格的尺寸有:[选项]A.14.90mmB. 14.85mmC. 15.00mmD. 15.10mm[答案] A##B[解析][难度]难[分数]4[子题][子题型][题干][选项][答案][解析][分数][题型]多选题[章节][类别]练习[题干]在我国机械图纸中凡是与长度有关的数值,没有注明单位时,其单位是: [选项]A.毫米B.英寸[答案] A##B##D[解析][难度]中[分数]4[子题][子题型][题干][选项][答案][解析][分数][题型]多选题[章节][类别]练习[题干]导出要素的主要作用是:[选项]A.表征对应轮廓要素的形状B.表征对应轮廓要素的方向C. 表征对应轮廓要素的位置D.表征对应轮廓要素的大小[答案] A##B##C[解析][难度]难[分数]4[子题][子题型][题干][选项][答案][解析][分数][题型]多选题[章节][类别]练习[题干]影响机械零部件几何精度要求的主要因素有:[选项]A.生产成本B.制图美观程度C. 设计速度D.产品的性能要求[分数]4[子题][子题型][题干][选项][答案][解析][分数][题型]多选题[章节][类别]练习[题干]零件尺寸的加工难易程度取决于:[选项]A. 公差等级B. 基本偏差C. 公差带宽度D. 基本尺寸大小[答案] A##C##D[解析][难度]难[分数]4[子题][子题型][题干][选项][答案][解析][分数][题型]多选题[章节][类别]练习[题干]使用三坐标测量机可以测量:[选项]A. 距离B. 角度C. 表面粗糙度D. 齿轮切向综合误差[答案] A##B[解析][子题型][题干][选项][答案][解析][分数][题型]多选题[章节][类别]练习[题干]下列仪器可以测量直径:[选项]A. 轮廓仪B. 万能角度尺C. 立式比较仪D. 工具显微镜[答案] C##D[解析][难度]中[分数]4[子题][子题型][题干][选项][答案][解析][分数][题型]判断题[章节][类别]练习[题干]只要零件不经挑选或修配,便能装配到机器上去,则该零件具有互换性。