重要识图填空题
- 格式:doc
- 大小:824.00 KB
- 文档页数:10
识图重点一·填空题1.在给排水,采暖,热水供应,燃气,及空调用制冷系统中的冷,热媒等管道工程中常用的管材有焊接钢管,无缝钢管,铜管,铸铁管,铝塑管。
2.管道的链接方法螺纹连接,法兰连接,焊接连接,承插连接。
3.控制附件用以启闭管路,调节水压和水量。
4.通风空调工程中常用型钢有角钢,圆钢,扁钢和槽钢,用以制作风管法兰,支吊架和风管部件。
5.供暖系统主要有热源,供暖管道和散热设备三部分组成。
6.热水供暖系统按循环动力不同还可分为自然循环系统和机械循环系统两类。
7.供暖,给水及热水供应系统的金属管道立管管卡安装,楼层高度小于或等于5米,每层必须安装一个;楼层高度大于5米,每层不得少于2个。
8.室外供热管道的敷设方式有架空敷设,地沟敷设和直埋敷设三种。
9.室内给水系统按用途可分为三类:生活给水系统,生产给水系统,消防给水系统。
10.热水系统按循环管道的情况不同分为:全循环系统,半循环系统,不循环系统。
11.消防栓箱是将室内消火栓,消防水龙带,消防水枪及电气设备集装于一体。
12.离心式水泵的主要工作部分有泵轴,叶轮,泵壳。
13.流速式水表按叶轮构造不同分为旋翼式(小于50mm)和螺翼式(大于50mm)。
14.自然通风是利用空气的自然压力使空气流动换气。
15.空气调节系统的分类方法有许多,按其空气处理设备设置的情况可分为集中式,分散式和半集中式空调三种类型。
16.管道保温结构由绝热层,防潮层,保护层三个部分组成。
17.暖卫工程施工图一般由以下部分组成:首页,系统平面图,剖面图,系统图。
18.给水排水施工图中标高以米为单位,一般应注写到小数点后第三位。
19.常用的导线可分为绝缘导线和裸导线。
20.6-10千伏室内变电所主要由三部分组成:高压配电室,变压器室,低压配电室。
21.电缆的敷设方式有直接埋地敷设,电缆隧道敷设,电缆沟敷设,电缆桥架敷设,电缆排管敷设。
二.判断A卷判断1.采暖施工图包括首页,平面图,系统图,祥图等。
识图培训考试题姓名: 得分: 一、填空题(40分)1、 在图纸上,一般用 实线来表示可见轮廓线, 虚线来表示不可见轮廓线, 点划线 表示轴线、中心线。
2、在图纸上,最基本的三视图是: 主视图 、 俯视图 、 左视图 。
3、形状公差包括:直线度 、 平面度 、 面轮廓度 、 圆柱度 等。
4、形状公差包括: 位置度 、 对称度 、 同轴度 、 平行度 。
5、轮廓度公差包括线 线轮廓度 与 面轮廓度 。
6、如图1所示其公差带是 正截面为t1×t2的四棱柱内 的区域。
7、三视图的投影规律是 长对正 、 高平齐 、 宽相等 。
8、零件的常用表达方法有视图、 剖视图 、断面视图和 局部放大图 及其它规定图法。
二、选择题 (15分)1、平行度是指( )A 、两平面或两直线平行的程度B 、两平面平行的程度C 、两直线平行的程度D 、都不是2、视图中的虚线可用作:( )A、可见轮廓线 B、对称中心线 C、不可见轮廓线3、水平面的( )反应实形。
A、正面投影 B 、水平投影 C、侧面投影4、同轴度是( )。
A、 B、 C、 D 、5、如图2选择主视方向C ,视图为( )。
A、 B、 C、图三、识读零件图(45分)1、表达该零件共用了 3 个图形,分别是 基本视图 、 剖视图 和 局部放大图 。
2、基本视图采用的绘图比例是 1:1 。
局部放大图采用的绘图比例是 4:1 。
3、0.0200.05325φ--的基本尺寸为 25 ,最大极限尺寸为 24.980 ,最小极限尺寸为 24.947。
4、该零件上φ32轴段的长为 5 mm 。
5、右侧螺纹为连接螺纹,其长为 27 mm ;中间螺纹为传动螺纹,其长为 136 mm 。
6、零件左侧有4个尺寸相同的矩形平面,其定形尺寸分别为 20 mm 和 20 mm 。
7、局部放大图表示的是螺纹的形状,小径为 φ18 。
建筑制图与识图复习题一、填空题1、尺寸标注的四要素是:(尺寸界线)、(尺寸线)、(尺寸起至符号)、(尺寸数字)2、城市规划图中各个阶段规划图的主要内容有:(城镇体系规划图)、(城市总体规划)、(城市分区规划)、(控制性详细规划)、(修建性详细规划)3、结构施工图按照表达部位的不同可以分为:(基础结构图)、(上部结构布置图)和(构件结构详图)4、建筑物的相对标高是指(以室内主要地面为基准(零点)而测出其他的高度尺寸),标高的单位为(米)5、建筑详图分为:(节点详图)、(房间详图)和(构配件详图)6、建筑平面图中,一般在底层平面图附近画出(指北针),以确定建筑物的方向7、根据投射方向是否垂直于轴测投影面,轴测投影可分成两类即(正轴测投影)和(斜轴测投影)8、钢筋混凝土构件中的钢筋按其作用可分为(受力钢筋)、(架力钢筋)、(箍筋)、(分部钢筋)9、标高应以(米)为单位,(绝对)标高以青岛附近的黄海平均海平面为零点;(相对)标高以房屋的室内地坪为零点10、房屋结构施工图的图样一般包括(结构布置图)和(结构详图)两种11、中心投影法、斜投影法、正投影法三种投影方法中,本课程主要学习的投影方法是(正投影法)12、在建筑平面图中的外部尺寸共有三道,由外至内,第一道表示建筑总长、总宽的外形尺寸,称为(外包尺寸);第二道为墙柱中心轴线间的尺寸,称为(轴线尺寸);第三道主要用来表示门、窗洞口的宽度和定位尺寸,称为(细部尺寸)13、在建筑平面图中,横向定位轴线应用(阿拉伯数字)从(左)至(右)依次编写;竖向定位轴线应用(大写拉丁字母)从(下)至(上)顺序编写14、在建筑平面图中,M是(门)的代号15、当截平面倾斜于柱轴时,截交线为(椭圆)16、水平面与侧垂面相交,其交线是(侧垂线)17、两个回转体共轴时,其相贯线是(圆)18、正垂面与侧垂面相交,其交线是(直线)二、判断题1、图样比例是指图形与其事物相应要素的线性尺寸之比,1:50表示图上尺寸为1而事物尺寸为50。
初中生物识图填空题精选1、根据右图的植物细胞结构示意图回答1图中①是细胞壁,它有保护和支持作用;2、图中②的功能除保护以外,还能控制物质的进出;3、烟叶中的烟碱和尼古丁等物质存在于细胞的 ⑤液泡中;4一个细胞的控制中心是 ④细胞核;5在生命活动旺盛的细胞中,可以看⑥细胞质缓缓流动,以此来加速细胞与外界环境的相互联系;6洋葱、大象和小蚂蚁,都是由相同的基本结构单位即细胞构成; 2、图为某生态系统中的食物网,根据图回答有关问题: 1、图中生产者是草,属于生态系统的生物部分;该食物网中共有 5条食物链,最长的一条食物链可表示为:草→鼠→蛇→鹰;2该食物网中数量最多的生物是草 ,数量最少的生物是鹰 ;通过食物链和食物网,生态系统进行着物质 和能量流动;3在这个生态系统中,各种生物的数量和所占比例总量维持在相对稳定的状态,说明生态系统有一定的自动调节能力;如果由于人类大量围捕猎狐狸,野兔和老鼠的数量会增多,最后会导致生态平衡的破坏;4、图中所有动物可统称为消费者;其中,兔与草、鹰与鼠的关系是吃与被吃的关系;5、若要构成一个生态系统,图中还缺少的是细菌 和真菌 ;3、右图是生态系统的组成示意图,请据图回答问题:1、图中生产者是A ,消费者是B 和C ,分解者是D ;填写编号2、消费者与生产者之间的关系主要是吃与被吃的关系;4、右图是光学显微镜结构示意图;1使看到的物像更清晰,应轻微调节的结构是 细准焦螺旋2物镜是指图中的结构43取显微镜时,手握显微镜的部位应是.结构12 镜臂4观察洋葱表皮细胞的临时装片,看到的物像是倒像5用低倍镜观察洋葱表皮细胞时,所使用的目镜是“8 X”, 物镜是“15X”,则物像的放大倍数是 120倍5、图是描述克隆羊多莉的身世的示意图,回答下列问题:1多莉是由受精卵发育而来的吗不是 ; ; 草鼠鹰蛇兔狐二氧化碳2与它身世有关的母羊有3 只,它们是A 、B 、 C ;3多莉的长相几乎与B 一模一样;4通过这个实验,我们知道,细胞中的遗传信息在细胞核 内;6、观察下列3种病毒,回答问题:1图中A 、B 、C 各代表的是哪一种病毒 A 植物病毒 B 动物病毒 C 细菌病毒2从结构上看,它们都有非常相似的地方,那就是由蛋白质外壳和内部的遗传物质构成;7、下图是一朵花的主要部分及传粉后的变化情况示意图,分析回答:1图中所指的1是花粉 ,它是在花药里产生的;2图中4是花粉管 ,根据这一结构的生长情况分析,说明这朵花还没完成受精作用;这一作用一经完成,子房将发育成果实;8、下图为光合作用示意图,请分析并回答:1该图表示了光合作用的现象,它的实质是完成了物质和能量的转化;2现在,生物圈正受到碳氧平衡失调温室效应的威胁,温室效应主要是大气中二氧化碳气体含量增加造成的;解决这一问题的方法:一方面要减少二氧化碳等温室气体的排放,另一方面要大力开展植树造林活动;9、右图是叶片结构示意图,据图回答:1写出图中序号所示结构名称:②栅栏组织 ⑥气孔2叶片进行光合作用时,所需二氧化碳从标号处进入叶内,所需水分通过图中标号③所示部分运输而来;3叶片正面比背面颜色深,主要是因为图中标号②所示部分含有较多的叶绿体;10、实验步骤如下:①把盆栽的天竺葵放在黑暗处一昼夜. ②用黑纸把一片叶的部分从正面和背面盖住, 然后移到阳光下, 照射3至4小时. ③剪下遮光的叶片, 去掉黑纸. ④将叶片放在盛有酒精的小烧杯中,再放入大烧杯内隔水加热, 叶片逐渐由绿色变成黄白色. ⑤取出叶片, 用清水漂洗干净. 然后放在培养皿里, 向叶片滴加碘液.⑥稍停片刻, 用清水冲洗掉碘液.时可以看到没有遮光的部分变成蓝色.1步骤①的作用:让叶片内的有机物运走耗尽; 2步骤④中酒精的作用:脱去叶绿素 ;3这个实验说明了:绿叶在光下制造淀粉 ;11、取5毫升新鲜血液,立即注入盛有5%柠檬酸钠溶液的量筒中,轻轻振荡量筒,静置数小时后,出现如图所示现象,请根据实验的方法步骤和图中所示现象回答:1量筒中出现分层现象; 2量筒中1、2、3三层的物质依次是血浆、白细胞和血小板、红细胞,2、3 层的细胞总称为血细胞 ; 3本实验证实了血液的成分包括血浆和血细胞两部分; 4量筒里放入柠檬酸钠的目的是防止血液凝固 ;12、右图为模拟隔肌的运动示意图,据图回答:1图B 表示吸气状态,图A 表示呼气状态; 2图B状态中,膈肌处于__收缩__填“收缩”或“舒张”状态; 3A、B过程合起来表示肺与外界进行气体交换的过程;4古代有些女子将胸部和腰部束得很紧,以保持苗条的身材,但是会直接影响“图B”填“图A”或“图B”所示生理过程的进行,经常这样会引起体质下降;13、下图为女性生殖系统的一部分;据图回答:1精子与卵细胞结合形成受精卵是在图中数字②输卵管所示的结构内;2受精卵不断地进行分裂,形成胚泡并且埋人图中数字④所示的结构内;3胎儿成熟后从图中数字③所示的结构排出体外的过程叫分娩;14、观察心脏结构,回答问题:1心脏四个腔的名称:一是左心房,二是左心室,三是右心房,四是右心室;2心脏四个腔中壁最厚的是二,和它相连的血管是①;3在心脏的心室和心房之间、心室和动脉之间都有防止血液倒流的瓣膜; 4在连接心房的血管中,血液里含氧较少,含营养物质较多的血管是⑥下腔静脉和⑦上腔静脉 ;5、当人体发生煤气中毒时,血液中的一氧化碳首先通过图中③肺静脉进入心脏;6、如果对心脏进行灌注实验,若向7内注水,则水将从②肺动脉流出;7某人患感冒,若静脉注射药物,则该药物经过心脏各腔的先后顺序是三、四、一、二;填数码8假设某人大腿股动脉出血,你认为该如何救助先打“120”求救,同时,用手指、止血带、或绷带压迫止血15、欲购买无污染、安全、优质的食品,要关注下列哪一个标志 A16、右图为人的消化系统关系图,椐图填空内填序号,横线上填名称:1、1口腔是消化系统的开始;人体的消化系统由消化道和消化腺组成; 2、人体的外消化腺中最大的消化腺是 4 肝脏;它分泌的胆汁可以有利于帮助消化脂肪; 3、9 小肠是消化和吸收营养物质的主要场所; 说明肾脏的肾小管发生了病变;17、如图所示实验,甲、乙两个瓶中都装有澄清的石灰水,在吸入气体时,左手捏紧橡皮管,右手松开;在呼出气体时,右手捏紧橡皮管,左手松开;据图回答下列问题:1呼出的气体在成分上发生的变化是,呼出的气体中氧含量减少了,而二氧化碳的含量增加了;乙瓶中较浑浊; 2产生以上变化的原因是,氧气透过肺泡壁和毛细血管壁进入了血液;而毛细血管内的二氧化碳透过毛细血管壁和肺泡壁进入了肺泡 ,然后随湿润的气体一起排出来;18、右图是人体血液循环模式图,请据图回答:1在心脏的四腔中,左心室的壁最厚; 2血液流经6后,有毒物质明显减少; 3经过1处的气体交换后,血液成分的主要变化是静脉血变成动脉血氧气增多,二氧化碳减少; 4若在患者d处输药液,应在e处扎胶皮管填c或e;药物最先到达心脏的右心房 ;19、下表表示刘庆同学在进行“馒头在口腔中的变化”实验时,设计的部分实验,请根据他的实验设计和加碘液后应出现的现象,加以说明:试管编号加入材料水温℃恒温时间分钟加碘液后的现象1 馒头碎屑+唾液2 mL 90 10 A2 馒头碎屑+唾液2 mL 10 10 B3 馒头碎屑+唾液2 mL 37 10 C4 馒头碎屑+清水2 mL 37 10 D1在1~4号试管中分别加入实验材料后,为使实验现象更加明显,应采取的操作方法是将各试管中的材料充分搅拌_;2表中C:不变蓝 ,原因是淀粉在唾液淀粉酶的作用下被分解了 ;3表中A和B都可能:变蓝 ,原因是 1号试管温度过高,2号试管温度过低,唾液淀粉酶都不能促进淀粉的分解 ;4比较1~4四组实验的过程和分别出现的现象A~D,经过认真分析,可得出的结论是:_唾液淀粉酶在适宜的温度下能促进淀粉的分解;20、右图是肾单位及其周围的毛细血管示意图,请据图回答:1肾单位是由3 肾小球、4 肾小囊和5 肾小管构成;2图中A、B两处所表示的生理过程,A是过滤,B是重吸收 ;3①②中流的血液分别是动脉血和动脉血;从⑥中流出的液体是尿液 ;4下表是血浆、原尿和尿液的成分比较表,请你分析样品A 、B 、C 中代表血浆、原尿和尿液的样品分别是 A 为原尿 、B 为尿液 、 C 为血浆 ; 5.右图是尿的形成过程示意图: 图中①是 肾小球 ;②是肾小囊 ;③的液体是原尿 ,正常情况下,主要成分为 水 、无机盐 、葡萄糖 和 尿素 等物质;④的液体是 尿液;图中 肾小管 具有重吸收作用,它能将蛋白质和全部的 葡萄糖 吸收回血液;21、请你回答:右图是“低倍显微镜下观察到的金鱼尾鳍内血液流动示意图”,箭头表示血流的方向,请据图分析回答:1图中M 是 动脉 血管,其中流的是 动脉 血;N 为 静脉 血管,其中流的是 静脉 血;2其中血液流速最快的是 M 血管,血管壁比较厚的是 M 血管;3图中O 是 毛细血管 血管,血细胞在通过血管O 时是 单行 通过;1.右图是眼球结构图,请回答下列问题;1填写各序号的结构名称;①1瞳孔 ,②角膜 ,③晶状体 ,④ 玻璃体 ,⑤ 视网膜 ,⑥ 脉络膜 ,⑦ 视神经 ;2外界物体反射来的光线,依次经过角膜 、瞳孔、 ,并经过晶状体 和 玻璃体 等的折射,最终落在视网膜 上,形成一个物像;物像信息通过视觉神经 传给大脑的一定区域,人就产生了视觉;3如果长期不注意用眼卫生,使晶状体 的凸度增大,形成的物像就会落在视网膜的 前面 ,造成近视眼;4刚走进电影院时几乎什么也看不见,片刻后才可看见周围的人,这种变化是由于眼球的 瞳孔 变大了; 5想一想我们的眼睛,通常被称为“黑眼珠”的部分是 虹膜 ,“白眼珠”的部分是 巩膜 ;6你能看到远处的一棵树,是因为它反射的光线形成的物象是落在 5 视网膜 上,这个信息通过7传导到 大脑皮层 ,形成视觉;7若长时间近距离看书写字,就容易造成假性近视,这时眼球中4的特点是 晶状体过度变凸 ;以后如果仍不注意用眼卫生,成像就有可能如下图右所示,这种情况下要想看清楚远处的物体,就需选用此下图左边的 A 种填字母透镜加以纠正;8预防近视眼,除了注意用眼卫生外,还应注意平时的饮食营养,缺乏 维生素A 易患夜盲症;比较血细胞 蛋白质 葡萄糖 样品A× × √ 样品B× × × 样品C × √ √22.右图为反射弧与反射示意图,请据图回答下列问题:1、神经系统结构和功能的基本单位是神经元 _神经调节的基本方式是_反射___完成这种活动的结构叫_反射弧_,它由感受器,传入神经,神经中枢,传出神经组成2、当手不小心受到针或火的刺激,会发生缩手发射,参与此反射的反射弧的组成是 1→2→3→4→5 用图中的数字和箭头表示,该反射的类型属于简单反射;3、当手受到针或火的刺激后会感到疼痛,以后见到针或火就会有意识地躲避,此反射的类型属于复杂反射;4、在此反射弧中,剪断4能否发生反射不能 ;为什么传出神经被切断,反射弧不完整;23、我国南方某些地区建立了“桑基鱼塘”农业生态系统,获得了鱼、猪、蚕和粮食全面丰收;下图是该生态系统的物质循环和能量流动示意图,据图回答:⑴该生态系统所需要的能量来自光能或阳光;⑵该生态系统的生产者是作物 ;⑶该生态系统中除了已知的生物种类外,还必须有细菌真菌等生物作为分解者 ;⑷该生态系统是根据生态平衡的原理建立的;⑸作物枝叶的综合利用提高了农业效率,其根本原因在于物质经多次重复利用⑹沼气池中存在的功能类群是分解者或细菌和真菌;⑹沼气池中存在的功能类群是分解者或细菌和真菌;24、填图回答,下图是关节模式图,请回答:1、①关节头__ ②关节窝③关节软骨④_关节囊⑤关节腔 2、关节面很光滑,是因为其上有一层关节软骨 ;3、关节一般很牢固,是因为关节囊是由致密的结缔组织构成的;4、在运动中,用力过猛或不慎摔倒,会造成关节头从关节窝中滑脱出来,这叫脱臼 ;32.如图1表示一草原生态系统,请分析回答:1此生态系统中的生产者是草;消费者中,草食动物是鼠和兔 ,此图生物部分中缺少生产者 ;2生产者与消费者之间主要是吃与被吃的关系,它们之间相互交叉形成了食物网 ;3此图中含有 5 条食物链,写出其中最长的一条食物链:草→鼠→蛇→鹰;4此生态系统中各种生物的数量和所占的比例总是维持在相对稳定的状态,图1 ①④⑤③②这种现象被称为生态平衡 ;5倘若一些不法分子为了获取毛皮而大量捕杀狐狸,则会使鼠和兔大量增多,导致草大量减少 ,最终导致生态平衡被破坏 ;25.图2 是人的屈臂、伸臂示意图,请结合自己的运动回答问题;1当①肱二头肌收缩时,可产生屈前臂、当②肱三头肌收缩时,可产生伸臂运动的产生可以看出,人体完成一个运动都要有神经系统的调节,由骨、骨骼肌、和关节的共同参与,多组肌肉的协同作用,才能完成;2如果你手提一桶水,容易感到累,这是因为肱二头肌处于收缩状态,肱三头肌处于收缩状态,这说明任何一个动作都不是由一块骨骼肌单独完成的; 图23由图中可知,肱二头肌的肌腱至少固定在两块骨上;屈肘动作符合杠杆作用原理,起支点作用的是③肘关节;26.右图为细菌的结构示意图,据图回答:1写出细菌细胞以下各部分的名称:①荚膜;②细胞壁③未成形的细胞核 2细菌结构中,①的作用是保护;③的作用是贮存遗传信息;3与植物细胞相比,大多数的细菌不含叶绿体 , 所以不能自己制造有机物 ,营养方式为异养 ;4从分类的角度来看,大肠杆菌、乳酸菌、肺炎双球菌等都属于细菌 ,青霉菌属于真菌 ,两者的主要区别是细胞中有无成形的细胞核 ;5细菌的生殖方式是分裂生殖,如果你的口腔中有100个细菌,细菌的繁殖速度按30分钟繁殖一代计算,在最适合状态下,4小时后,在你口腔内的细菌数目应达到 25600 个;但是,实际上细菌并不会繁殖到这个数目,原因是当细菌繁殖到一定程度后,营养物质和代谢物质等多个因素都会限制细菌的生长和繁殖; 6从微生物培养的角度来说,培养基中必须有有机物 ,以保证细菌生长的需要,在制作固体培养基时,还必须添加琼脂作为凝固剂27.右图是蘑菇形态结构示意图;请根据该图思考有关的问题:1填出图中各部分的名称:①菌盖②菌褶③菌柄④菌丝2蘑菇的整个地上部分叫子实体 ,3⑤是从②中散落开来的孢子 ,28、识图作答题,右图是鸟卵的结构示意图,据此回答下列问答:1填写图中各结构各称;①卵壳膜②气室③卵壳④胚盘⑦卵黄⑧卵白 2具有保护卵细胞作用的结构是卵壳膜和卵壳 ;3进行胚胎发育的部位是胚盘;4为受精卵发育成胚胎提供营养的结构是卵黄和卵白;5为受精卵发育成胚胎提供氧的结构是气室;29、如右图是嫁接示意图,据此回答问题:1写出图中各结构的名称;A 接穗 B 砧木 2假如A是柿子的枝条,B是黑枣树,进行嫁接时,应使接穗和砧木的形成层紧密结合,以确保其成活;那么长成植株后,所结果实为柿子30.分析说明题. 1图中①、②表示的细胞中的一对染色体 ,其中①来自父方,②来自母方 ,因此后代个体具有父母双方的遗传物质 ;2.遗传物质中决定生物性状的小单位叫基因 ;在生物体细胞中,基因是成对存在的,它们分别位于成对染色体上;图中A和a表示一对基因;其中A表示显性基因,a表示隐性基因,如图所示,这个生物表现显性性状;31、分析说明题,下图表示人的生殖发育过程及染色体数目的变化,请据图回答1a、b分别表示父母的体细胞,他们的染色体数均为_46 条;2A表示产生生殖细胞的过程,生殖细胞c、d的染色体数均为_23 条,是体细胞染色体数目_一半 ;3B过程叫__受精__,形成的e细胞叫_受精卵___,染色体数为 46 条;4 f是女儿的体细胞,C过程叫__发育_;5由上述可以看出,人类上下代之间的体细胞中染色体数是_恒定 __的,并且具有__父母双亲____的遗传物质;32.右图是杏花的基本结构模式图,请仔细观察后回答下列问题;1图中部分数字标号代表的结构分别是指杏花的什么部位花的结构模式图①花冠瓣②柱头③花药 _④花柱 _⑤花丝⑥子房__⑦萼片⑧雌蕊⑨雄蕊 2怒放后的杏花随风飘落,她已将自己的骄傲──果实悄悄留在了树上;夏日收获的甜美的杏是经过传粉和受精,由杏花的⑥子房发育而成的,杏仁是由__胚珠 _发育而成的;因此⑨__雄蕊和⑧_雌蕊_是杏花的最重要的结构;女儿ab d卵细胞精子ceAABB父母fC。
建筑识图试题及答案一、填空题:1. 建筑图纸中用阴影表示的部分通常代表建筑物的□(主体结构)。
2. 图纸中标有的“F.FL”代表建筑物的□(完成楼层)。
3. 建筑物剖面图中,用短线表示的部分通常代表建筑物的□(构造)。
4. 建筑物平面图中表示窗户的符号通常为□(带斜线的小矩形)。
5. 图纸中的坐标系一般用来表示□(位置和尺寸)。
6. 建筑图纸中,用实线表示的部分通常代表建筑物的□(墙体)。
7. 图纸上的“1:50”通常代表建筑图纸的□(比例尺)。
8. 建筑物平面图中表示门的符号通常为□(直线和“L”形)。
9. 图纸中标有的“E.S”代表建筑物的□(东南)方向。
10. 建筑物剖面图中,用长线表示的部分通常代表建筑物的□(实体部分)。
二、选择题:1. 下图是某建筑物的平面图,根据图纸,可以得出以下哪个结论?A. 室内有四个房间B. 室内有一个大厅C. 室内有一个门D. 室内有一个窗户答案:A. 室内有四个房间2. 下图是某建筑物的剖面图,根据图纸,可以得出以下哪个结论?A. 墙体采用砖石结构B. 屋顶采用平顶结构C. 地板上铺设了地板砖D. 建筑物没有窗户答案:B. 屋顶采用平顶结构3. 下图是某建筑物的立面图,根据图纸,可以得出以下哪个结论?A. 建筑物的高度为4层B. 建筑物正门朝向西方C. 建筑物立面采用玻璃幕墙D. 建筑物外墙颜色为浅灰色答案:C. 建筑物立面采用玻璃幕墙三、解答题:1. 下图是某建筑物的平面图,请你根据图纸,简要描述该建筑物的功能和结构特点。
答案:根据图纸,该建筑物由多个房间组成,中间为一个大厅,推测该建筑物可能是一座办公楼或者商业大楼。
结构特点是采用了矩形的平面布局,墙体采用实线表示,窗户和门的位置合理,可以满足室内采光和通风的需求。
2. 下图是某建筑物的剖面图,请你根据图纸,简要描述该建筑物的结构特点和材料选择。
答案:根据图纸,该建筑物采用了砖石结构的墙体和混凝土结构的楼层和屋顶。
人教版七年级生物上册识图填空题精选及答案1.除病毒外,生物体都是由细胞构成的。
生物体都有代谢作用。
2.生物体对外界的刺激作出反应。
生物体都有生长、发育和繁殖的现象。
生物都能适应环境,也能改变环境。
生物体都有遗传和进化的特性。
1.2 初中生物课的研究方法主要有听讲、笔记、思维导图。
1.3 按照形态学特征可以将生物分为植物、动物、微生物。
2.1 地球表层生物和生物的生存环境构成了生态系统。
2.2 鸟儿和鱼儿都能在自己的生存环境中自由自在地活动和生存,说明生物对环境的适应性很强。
2.3 生物所需要的基本条件是一样的,它们都需要水、空气、食物和温度,还有光照和适当的压力。
2.4 生物圈包括陆地、海洋和大气层,其中陆地是人类的“立足点”。
2.5 影响生物生活的环境因素可以分为两类,一类是光、温度、水和气体等非生物因素,另一类是生物因素。
2.6 生物的生存依赖于环境。
植物的蒸腾作用能增加空气的湿度,光合作用能使大气中的氧气和二氧化碳量保持恒定。
这说明生物也能够影响环境。
草原上狼和羊的关系是捕食关系。
2.7 稻田里水稻和野草的关系是竞争关系。
海洋是最大的生态系统。
2.8 在一定地域内,生物和非生物所形成的统一的整体叫做生态系统,生产者和消费者之间的关系主要是食物链和食物网的关系,这样就形成了生态平衡。
一个生态系统中,往往有很多条食物链,它们彼此交错连接,形成食物网。
2.9 生态系统中的能量和物质就是沿着食物链和食物网流动的。
生态系统都具有自我调节的能力。
2.10 一般情况下,生态系统中各种生物的数量和所占的比例是相对稳定的,这说明生态系统具有一定的稳定性。
2.11 下图是草原生态系统图,请回答下列问题:①此图中的生产者是植物,消费者中,草食动物是兔子和羊,肉食动物是狼。
2.此图中含有多条食物链,它们相互连接构成了食物网。
生产者与消费者的关系是相互依存的。
3.此图中各种动物可统称为生物。
4.此图中最长的一条食物链可表示为植物→蚜虫→瓢虫→鸟。
姓名:工号:
钳工识图和操作技能考试试题
一、填空题:( 40分,每题5分)
1.在图样中,一般常用实线来表示可见轮廓线,___虚____线表示不可见轮廓线,点划线表示轴线、中心线。
2.在图样中,最基本的三视图是:主视图、俯视图、左视图。
3.在尺寸标注符号中,Φ,R ,分别表示___直径________、____半径_________。
4. 在标注中,M16X1.5LH 表示__公称直径为16mm ,螺距为 1.5的左旋普通螺纹__。
5.在螺纹的标注中,M 表示__标准普通________螺纹,Tr 表示___梯形____螺纹。
6. 螺纹连接的拆卸工具有____螺丝刀(平口、十字槽)、扳手(通用、专用)
________。
7.钳工划线的两大类型为__平面划线_______、___立体划线______。
8、一般板厚<__5___mm ,采用冷弯法进行弯曲构件。
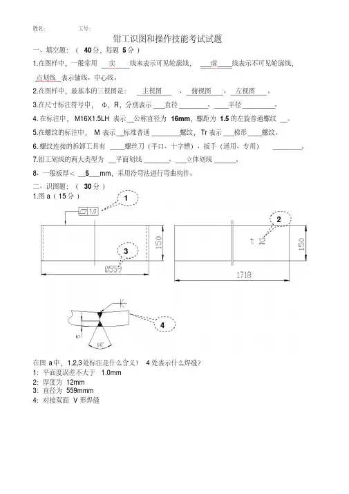
二、识图题:( 30 分)
1.图a ( 15 分)在图a 中,1,2,3处标注是什么含义?4处表示什么焊缝?
1:平面度误差不大于 1.0mm
2:厚度为12mm
3:直径为559mmm
4:对接双面V 形焊缝 4
1
2
3。
A. 许昌职业技术学院第一届建筑识图技能竞赛填空题(每空1分, 共30分)1.建筑工程图一般是采用 投影法绘制的。
2、房屋建筑施工图按照专业设计分工不同, 主要分为: 施工图、 施工图和 施工图。
3、建筑施工图主要包括: 、 、 、 、 、 等内容。
4. 结构施工图的主要包括 、 、 。
5.目前结构施工图中钢筋混凝土构件常用的表达方式为 。
6.A2图幅的幅面尺寸BXL为: 。
7、图样绘制比例为1: 50是指图上的 相当于实际的 。
8、标 高 是 标 注 建 筑 物 某一位置高度的一种尺寸形式, 分为标高和 标高, 建 筑 施 工图上一般采用 标高, 即以建筑物 为零点所测定的标高。
标高数字是以 为单位。
9、定位轴线是确定建筑构配件位置及相互关系的基准线, 为了设计和施工的便利, 定位轴线通常需要编号, 拉丁字母中 、 、 不得用作轴线编号。
10、根据下列门的图例可判定该门为 门。
11.根据下列门的图例可判定该门为 门。
题 号 一 二 三 总 分 得 分 评卷人班级 姓名 学号············密··················封························线···················8、梁平面注写包括集中标注和原位标注, 集中标注表达梁的数值, 原位标注表达梁的数值。
识图测试题及答案一、选择题1. 下列哪一项是正确的识图方法?A. 仅凭直觉判断B. 仔细分析图像内容C. 忽略细节D. 快速浏览答案:B2. 在识图测试中,以下哪项是不需要的?A. 观察力B. 想象力C. 记忆力D. 创造力答案:B二、填空题3. 在进行识图测试时,我们通常需要______和______相结合。
答案:观察力;分析力4. 识图测试中,细节的观察对于______和______至关重要。
答案:理解图像;记忆图像三、判断题5. 识图测试中,我们只需要关注图像的主要部分,而不需要关注细节。
答案:错误6. 在识图测试中,理解图像的背景信息有助于我们更好地记忆图像。
答案:正确四、简答题7. 请简述识图测试中观察力的重要性。
答案:观察力在识图测试中至关重要,因为它帮助我们捕捉到图像的细节和特征,从而更准确地理解图像内容。
8. 在识图测试中,如何有效地记忆图像?答案:在识图测试中,有效地记忆图像可以通过以下方法:一是仔细观察图像的每个部分,包括形状、颜色、纹理等;二是尝试将图像与已知的信息或经验联系起来;三是利用图像中的特定特征或模式来构建记忆;四是多次重复观察和回忆图像。
五、综合题9. 观察以下图像,并回答以下问题:(1)图像中的主要颜色是什么?(2)图像中的主要形状有哪些?(3)图像中是否有文字?如果有,请描述文字的内容。
答案:(1)图像的主要颜色是蓝色和白色。
(2)图像中的主要形状有圆形和三角形。
(3)图像中没有文字。
10. 根据以下图像,描述其可能代表的场景。
答案:根据图像,可能代表的场景是一个人在公园里散步,周围有树木和长椅,天空中有云朵,可能是一个晴朗的下午。
选择题,填空题* 1.图纸本身的大小规格称为图纸幅面,A1的图幅为( B )。
A.841×1189B.594×841C.420×5942.在下列绘图比例中,比例放大的是( B );比例缩小的是( A );比例为原图样大小的是( C )。
A.1:2B.3:1C.1:13.标题栏的边框用( A )绘制,分格线(C)绘制。
A.粗实线B.中实现C.细实线D.单点长划线E.双点长划线* 4.拉丁字母及数字的一般字体笔画宽度为字高的(C)。
A.6/10B.3/10C.1/10* 1.点划线与点划线或点划线与其他图线相交时,应是线段交接;虚线与虚线交接或虚线与其他图线交接时,应是线段交接。
2.水平方向的尺寸,尺寸数字要从左到右写在尺寸线上面,字头朝上;竖直方向的尺寸,尺寸数字要从下到上写在尺寸线的左侧,字头朝左。
* 3.通常书写汉字时,子高应不小于3.5mm,长方形字体的字宽约为字高的2/3。
* 4.绘图所用的铅笔以铅芯的软硬程度划分,铅笔上标注的“H”表示硬铅笔,“B”表示软铅笔,“HB”表示软硬适中。
1.* 投影可分为中心投影和平行投影两类。
2.平行投影可分为正投影和斜投影两类。
3.* 平行投影的基本性质有积聚性、显实性、类似性。
4.* 三面投影体系中投影的基本规律为长对正、高平齐、宽相等。
5.点的水平投影到OX轴的距离等于空间点到正立面的距离;点的正面投影到OX轴的距离等于空间点到水平面的距离;点的侧面投影到OZ轴的距离与点的水平投影到OY轴的距离,都等于空间点到侧立面的距离。
6.* 当空间的两点位于同一条投影线上时,它们在该投影线所垂直的投影面上的投影重合为一点,称这样的两点为对该投影面的重影点。
7.直线在三面投影体系中的位置,可分为水平线、正平线、侧平线。
8.平面在三面投影体系中的位置,可分为正平面、水平面、侧平面。
2.在A号轴线之后附加的第二根轴线时,正确的是( B )。
建筑制图与识图题库一、填空题1、工程建设制图中的主要可见轮廓线应选用粗实线2、图样上的尺寸包括尺寸界线、尺寸线、一尺寸起止符号、,尺寸数字3、标高有相对标高和绝对标高,相对标高的零点是青岛附近黄海海平面4、房屋施工图由于专业分工的不同,分为建筑施工图、结构施工图和设备施工图5、指北针圆的直径宜为24mm ,用细实线绘制。
6、在建筑平面图中,横行定位轴线应用阿拉伯数字从左至右依次编写;竖向定位轴线应用,大写拉丁字母从下至,上顺序编写。
7、工程制图图幅幅面主要有5种。
8、根据不同的剖切方式,剖面图有全剖面图、一阶梯剖面图、展开剖面图、局部剖面图和分层剖面图。
9、为保护钢筋、防蚀防火,并加强钢筋与混凝土的粘结力,钢筋至构件表面应有一定厚度的混凝土,这层混凝土称为—混凝土保护层_。
10、民用建筑一般由基础、—墙和柱―、楼板层和地坪层、—楼梯_、屋顶、门窗等六大部分组成。
11、混凝土是由—水泥、沙子、石子和水—按一定例配合,经搅拌、捣实、养护而成的一种人造石12.定位轴线是确定_结构及构造____ 位置及标志______ 尺寸的基准线。
13.两点水平面投影重合,且 ___上面___可见,___ 下面__ 不可见。
14.建筑工程图上的尺寸单位,除标高及总平面图―以M为单位外,均以__MM ____ 为单位。
15.当采用1:1000的比例绘图时,比例尺上的1mm代表实际长度为_1000MM ____ 。
16.组合体尺寸可分__定形 ____ 尺寸、_定位 ___ 尺寸、_总_____ 尺寸。
19.纵轴是指建筑物的长轴,其编号是以阿拉伯数字________ 标注的。
20.字体的号数,即字体的__高度__ ,汉字的高度应不小于___3.5_MM__ .二、单选题1、在建筑平面图中,位于2和3轴线之间的第一根分轴线的正确表达为(A )。
(A)(B)(C)(D)2.建筑的耐火等级可分为(B )级。
A、3B、4C、5D、63、填充不得穿越尺寸数字,不可避免时。
工程识图试题及答案一、选择题(每题2分,共20分)1. 工程图纸中,尺寸线通常使用什么颜色?A. 黑色B. 红色C. 蓝色D. 绿色2. 以下哪个符号表示“中心线”?A. ∅B. ⊥C. ∣∣D. ∞3. 在工程图纸中,“M10”表示的螺纹规格是?A. 外径为10mm的螺纹B. 内径为10mm的螺纹C. 螺距为10mm的螺纹D. 直径为10mm的螺纹4. 工程图纸中的“剖面线”通常用来表示什么?A. 物体的表面B. 物体的内部结构C. 物体的轮廓D. 物体的对称面5. 以下哪个符号表示“对称”?A. ∽B. ≠C. ≡D. ∝...二、填空题(每空1分,共20分)1. 工程图纸上的尺寸标注应遵循______、______、______的原则。
2. 在工程图纸中,______是用来表示物体长度的单位。
3. 螺纹的基本要素包括______、______和______。
4. 当图纸中需要表示物体的内部结构时,可以使用______来表示。
5. 工程图纸中的“材料标记”通常用来指明材料的______。
...三、简答题(每题10分,共30分)1. 简述工程图纸中“视图”的概念及其重要性。
2. 解释什么是“剖面图”,并说明其在工程图纸中的应用。
3. 描述在工程图纸中标注尺寸时应注意的事项。
四、绘图题(共30分)1. 根据所给的三视图,绘制一个简单的机械零件的立体图。
(15分)2. 绘制一个简单的剖面图,展示一个物体的内部结构。
(15分)工程识图答案一、选择题1. 答案:A. 黑色2. 答案:C. ∣∣3. 答案:A. 外径为10mm的螺纹4. 答案:B. 物体的内部结构5. 答案:C. ≡二、填空题1. 答案:清晰、准确、规范2. 答案:毫米(mm)3. 答案:螺距、螺纹角、螺纹类型4. 答案:剖面线5. 答案:种类和规格三、简答题1. 答案:视图是工程图纸中用来表示物体不同方向的图形,它的重要性在于能够帮助人们全面理解物体的形状和结构。
识图用图测试题一、选择题1. 下列图片中,哪一个展示了正确的交通信号灯?A. 红色圆圈中有白色横线的图案B. 绿色圆圈中有黑色竖线的图案C. 蓝色圆圈中有白色走路标志的图案D. 黄色三角形中有黑色感叹号的图案答案:C2. 根据以下地图,从A点到B点的正确路线是哪一条?A. 沿着红色线路直行B. 沿着绿色线路先左转再右转C. 沿着蓝色线路先右转再左转D. 沿着紫色线路绕过中心区域答案:B3. 图中所示的是哪个历史人物?A. 孔子B. 秦始皇C. 诸葛亮D. 李白答案:A4. 下面哪一幅图代表了春天的景象?A. 落叶满地的公园B. 雪花飘落的街道C. 鲜花盛开的田野D. 金黄色的麦田答案:C二、填空题1. 在给出的组织结构图中,部门经理的直接下属有三人,他们分别是________、________和________。
答案:市场部经理、财务部经理、人力资源部经理2. 根据流程图,完成产品组装的第一步是________,最后一步是________。
答案:采购原材料、产品检验三、判断题1. 图中所示的交通标志表示禁止鸣笛。
(正确/错误)答案:正确2. 根据统计图表,去年该公司的销售额在第四季度达到最高。
(正确/错误)答案:错误3. 这幅世界地图展示了所有的大洲和大洋。
(正确/错误)答案:正确四、简答题1. 描述图中所示的家庭电路连接方式,并说明其安全性如何。
答案:图中所示的家庭电路采用了并联连接方式,每个电器都直接连接到电源,互不影响。
这种连接方式较为安全,因为即使其中一个电器发生故障,其他电器仍然可以正常工作。
此外,电路中应配备熔断器或断路器,以防电流过大导致火灾。
2. 解释图中所示的化学实验装置的作用,并指出操作时应注意的安全事项。
答案:图中所示的化学实验装置是一个简单的蒸馏装置,用于分离液体混合物中的不同组分。
操作时应注意的安全事项包括:确保所有接口紧密密封,防止化学品泄漏;使用防护眼镜和手套保护自己免受化学品伤害;在加热时使用温度计监控温度,避免过热引起爆炸或火灾。
姓名: 工号:钳工识图和操作技能考试试题一、填空题:( 40分,每题5分 )1.在图样中,一般常用 实 线来表示可见轮廓线,___虚____线表示不可见轮廓线, 点划线 表示轴线、中心线。
2.在图样中,最基本的三视图是: 主视图 、 俯视图 、 左视图 。
3.在尺寸标注符号中,Φ,R ,分别表示___直径________、____半径_________。
4. 在标注中,M16X1.5LH 表示__公称直径为16mm ,螺距为1.5的左旋普通螺纹__。
5.在螺纹的标注中,M 表示__标准普通________螺纹,Tr 表示___梯形____螺纹。
6. 螺纹连接的拆卸工具有____螺丝刀(平口、十字槽)、扳手(通用、专用)________。
7.钳工划线的两大类型为__平面划线_______、___立体划线______。
8、一般板厚<__5___mm ,采用冷弯法进行弯曲构件。
二、识图题:( 30 分 ) 1.图a ( 15 分 ) 在图a 中,1,2,3处标注是什么含义?4处表示什么焊缝?1:平面度误差不大于1.0mm2:厚度为12mm3:直径为559mmm4:对接双面V 形焊缝41232.图b( 15 分)在图d中,1,2处标注表示什么?3处标注的尺寸范围是什么?4处标注表示什么?基准是什么,在图中指出来。
1234三、问答题:( 30 分)1、薄板容易出现哪些形式的变形?应如何加以矫正?如下图(c)有槽钢出现立弯变形,应采取什么方法进行矫正?( 15 分)变形:中凸、波浪变形、对角翘矫正:中凸:从外缘向中部由重到轻、由密到疏的顺序进行捶击;波浪变形:从中间向四周由重到轻、由密到疏的顺序进行捶击;对角翘:沿没有翘曲的对角线进行捶击槽钢矫正:将槽钢两端垫起,使突起部分朝上,然后用大捶捶击矫正(c)2、螺纹连接的装配要求包括哪些?螺纹连接可以采取哪些方法和措施防松?( 15 分)。
初中生物常考的识图填空题1、下图是普通光学显微镜的结构图,据图回答下列问题。
(1)填写图中标号的名称:1目镜2镜筒3转换器11镜柱(2)使用显微镜的正确步骤是取镜和安放、对光和观察。
(3)在显微镜已经看见物象,但不够清晰,要使物象更加清晰,需要调节[13]细准焦螺旋。
2、下图是菜豆种子结构图,据图回答下列问题。
(1)填写图中标号的名称:1 种皮2 子叶 3胚轴 4胚芽 5 胚根(2)图中含有丰富营养的结构是发育成茎和叶的结构是具[2] 子叶。
(3)图中2、3、4、5组成[6] 胚,它实际上是幼小的生命体。
3、下图是木本植物幼茎的切面示意图,据图回答下列问题。
(1)填写图中标号的名称1 木质部 2韧皮部(2)运输水分和无机盐的结构是[ 3 ] 导管,它是由许多长形、管壮的细胞组成的,上下细胞间的细胞壁已经消失。
(3)在木质部和韧皮部之间有[ 2 ] 形成层,它的细胞能不断地分裂、分化,形成新的木质部细胞和韧皮部细胞,使茎不断长粗。
4.下图是玉米种子的结构图,填写有关结构名称和功能。
(1)①的结构名称是_胚乳_,功能是_储存营养_;(2)②的结构名称是_种皮_,功能是_保护_;(3)⑦是_胚_,是新植物体的_幼体_,是种子的_主要结构_。
5、下图是家鸽的呼吸系统示意图,请据图回答:(1)写出图中各部分名称:①气管②气囊③肺(2)家鸽在吸气和呼气时肺里都能进行气体交换,能保证飞翔时肌肉所需的氧气供应。
6、下图为关节模式图,请在图中标出关节各部分的名称:(在“”中填名称)(1)1、关节腔,2、关节头,3、关节软骨,4、关节窝,5、关节囊。
(2)在你身上有哪些关节,试着说出三个腕关节、肘关节、踝关节。
7.下图为鸡卵的结构图,据图回答:(1)图中⑥所代表的结构名称是:气室。
(2)鸡卵的结构中,将来发育成雏鸡的部位是图中[4] 胎盘,里面含有细胞核。
(3)胚胎发育过程中营养物质主要来自于图中标号[3]卵黄。
8、哺乳动物的牙齿(1)兔等草食性动物的牙齿应是图甲。
基础识图试题及答案一、单项选择题(每题2分,共20分)1. 下列哪个选项是正确的地图方向表示方法?A. 指向标指示北方B. 经线指示北方C. 纬线指示北方D. 地图上方通常为北方2. 在地图上,比例尺1:10000表示:A. 实际距离1厘米代表图上10000厘米B. 实际距离10000厘米代表图上1厘米C. 实际距离1米代表图上10000米D. 实际距离10000米代表图上1米3. 地图上等高线越密集,表示地形:A. 越平坦B. 越陡峭C. 越复杂D. 越简单4. 地图上蓝色通常表示:A. 陆地B. 海洋C. 森林D. 河流5. 下列哪个符号通常用于表示医院?A. 红色十字B. 绿色十字C. 蓝色十字D. 黄色十字6. 在地图上,海拔高度200米和500米的等高线之间,相对高度为:A. 300米B. 200米C. 100米D. 500米7. 地图上表示铁路的符号通常是:A. 虚线B. 实线C. 点线D. 双线8. 地图上的比例尺2cm:100km表示:A. 图上2厘米代表实际100公里B. 图上2厘米代表实际10公里C. 图上2厘米代表实际1公里D. 图上2厘米代表实际100米9. 在地图上,等高线闭合且中间高四周低,表示的地形是:A. 山峰B. 山谷C. 盆地D. 山脊10. 地图上表示国家公园的符号通常是:A. 绿色圆圈B. 黄色三角形C. 红色正方形D. 蓝色菱形二、判断题(每题1分,共10分)1. 地图上的方向可以通过指向标来确定。
(对)2. 地图上的比例尺越大,表示的实际范围越小。
(对)3. 等高线越稀疏,表示的地形越陡峭。
(错)4. 地图上的颜色可以用来区分不同的地理要素。
(对)5. 地图上海拔高度相同的点连成的线称为等高线。
(对)6. 地图上表示道路的符号通常是虚线。
(错)7. 地图上的比例尺1:50000表示图上1厘米代表实际50000厘米。
(对)8. 地图上的等高线闭合且中间低四周高,表示的是盆地地形。
识图机械图纸考试题及答案一、选择题(每题5分,共40分)1. 机械图纸中,表示物体内部结构的视图是()。
A. 主视图B. 左视图C. 剖视图D. 俯视图答案:C2. 以下哪个符号表示螺纹()。
A. ∅B. ∇C. ∞D. ∅∅答案:D3. 机械图纸中,尺寸线通常使用什么颜色()。
A. 黑色B. 蓝色C. 红色D. 绿色答案:A4. 机械图纸上,尺寸标注的数字表示()。
A. 长度B. 宽度C. 高度D. 重量答案:A5. 机械图纸中,表示物体对称性的符号是()。
A. ⊥B. ∥C. ≡D. ⊕答案:C6. 在机械图纸中,表示轴线的线型是()。
A. 实线B. 虚线C. 点划线D. 双点划线答案:C7. 机械图纸中,表示孔的符号是()。
A. ●B. ▬C. ▭D. ■答案:D8. 机械图纸中,表示焊接符号的线型是()。
A. 虚线B. 点线C. 波浪线D. 双折线答案:C二、填空题(每题5分,共20分)1. 机械图纸中,表示物体长度的单位通常是____。
答案:毫米(mm)2. 在机械图纸中,表示物体厚度的线型通常是____。
答案:粗实线3. 机械图纸上,表示物体深度的符号通常是____。
答案:▬▬▬4. 机械图纸中,表示物体直径的符号是____。
答案:∅三、简答题(每题10分,共40分)1. 简述机械图纸中尺寸标注的基本要求。
答案:尺寸标注应清晰、准确,尺寸线应与尺寸数字垂直,尺寸数字应放置在尺寸线外侧,并且尺寸数字应易于阅读。
2. 解释机械图纸中剖面图的作用。
答案:剖面图用于展示物体内部结构,通过剖切面揭示物体内部的细节,以便更清楚地理解物体的构造。
3. 描述机械图纸中装配图与零件图的区别。
答案:装配图展示的是多个零件组合在一起的完整结构,而零件图则展示单个零件的详细尺寸和形状。
4. 说明机械图纸中公差标注的意义。
答案:公差标注表示零件尺寸的允许误差范围,确保零件在制造过程中的可互换性和装配的可行性。
七年级生物下册重要识图填空题1、下图是排卵、受精、受精卵发育、植入子宫内膜的连续过程,试回答下列问题。
1.填写下列标号的器官名称:①②③④2.精子和卵细胞结合的场所是。
3.胚胎发育的场所是。
4.器官①的功能是。
2、图中的曲线表示食物通过消化道时,糖类、蛋白质和脂肪被消化过程中数量的变化,分析并回答下列问题:(1)、甲表示___________的消化曲线,因为其到了__________才开始消化。
(2)、丙表示_____________的消化曲线,因为其在__________就开始消化。
(2)、这三种营养物质在_______中都以被消化3、如图所示,在探究馒头在口腔中的变化的实验中(1)实验中所用A、B、C三块馒头应该是_____________________。
此同学把A块和B块分别用刀细细地切碎、拌均,而C块不做任何处理。
其中A、B的处理是模拟________的________作用,以及________的________作用,C的作用是________。
(2)如果这三支试管都放入37℃左右的温水中,那么10分钟后,取出并加碘液,摇均,能变蓝的有_____。
A和B的结果对比说明_______;A和C的结果对比说明____________________________________________。
(3)如果这三支试管都放入80℃的热水中加热10分钟,取出加碘、摇均后,能变蓝的有____________。
我们可以得到怎样的结论?_________________________。
4、右图是呼吸系统的模式图,请据图回答:(1)对吸入气体有过滤、湿润和温暖作用的结构是[]。
(2)痰是由[]和[]内表面的黏膜所分泌的黏液,及被黏液粘着的灰尘和细菌等组成的。
(3)体内进行气体交换的功能单位是[],它的壁由上皮细胞构成,外面有围绕着,适于与血液之间进行气体交换。
(4)肺泡内的氧气进入血液与红细胞中的血红蛋白结合需要穿过层细胞膜。
5、看右图回答:(1)该图是(2)毛细血管经过肺泡后血液 含 多,含 少。
(3)毛细血管壁和肺泡壁都由 构成,有利于 交换。
6:根据右图(模拟膈肌的运动示意图)完成下列各题。
(1)该模型此时模拟的状态是 (吸气还是呼气)(2)图中A 表示 ,图中B 表示的是 ,图中C 表示的是 。
图中D 表示的是 ,图中E 表示的是 。
(3)用手下拉E ,小气球 ,表示 过程,说明 。
(4)用手上推E ,小气球 ,表示 。
(5)此模型不能演示胸廓的 径的变化,因此不能完全演示呼吸运动。
7、请根据下面的图和表回答问题:(1)图中同学想证明呼出气体中是否有二氧化碳,那么甲乙两瓶中的装的是_____________,而他在吸气时,应该把________手捏紧,另只手松开,呼气时相反。
(2)甲瓶的作用是____________________________。
(3)最后________瓶的液体混浊一些。
(4)从表中可以看出,在呼出的气体中,________最多,____________变化最大。
(5)在肺内的气体交换中,氧气进入血液,____________________和___________从血液进入了肺泡内,而肺泡壁和毛细血管壁都是________层上皮,使得这一过程能充分进行。
8、右图为血液的组成图,请据图回答: 气体成分 环境中的气体(%)呼出的气体(%) 氮气78 78 氧气21 16 二氧化碳0.03 4 水0.07 1.1 其他气体0.9 0.9(1) 甲试管出现分层现象,原因是试管内加入了__________ 。
(2) 乙图中这些细胞位于甲试管中的处。
(3) A的功能是____________。
(4) 血友病患者受伤后血流不止,这主要与乙图标号这种成分有关。
(5) 某病人经检验3的数量比一般人多得多,该病人身体某部位可能。
9、甲、乙、丙、丁四名成年男子到医院检查,下表是四人的尿检和血检情况统计。
请分析回答下列问题:(+ +表示检出该成分,—表示未检出该成分;白细胞的正常值是(4~10)×109个/升,血红蛋白的正常值是120~160克/升)(8分)尿检血检红细胞葡萄糖蛋白质白细胞血红蛋白甲—+ + —×109个/升140克/升乙———×109个/升80克/升丙———×1010个/升140克/升丁+ + —+ + ×109个/升140克/升(1) 根据甲的尿检报告,医生很可能建议他注射进行治疗。
(2) 医生看过乙的检查结果后,要求他取消近期要去西藏旅游的行程,但没有为他实施药物治疗,而是让他多吃含和丰富的食物治疗(3) 丙的检查结果显示,他体内有,需要用抗生素进行治疗。
(4) 丁的检查结果可以推断,丁患病的部位可能是肾脏中的。
10、据下图回答下列问题:(1)写出图中字母所代表的结构名称:B_________;AC____________C(2)从图中可看出,A细胞除了能运氧气外还可以运___________。
(3)水、氧气和营养物质从C进B入B内一共要穿过________层膜。
11、下图是人体的三种血管模式图(1)图中A血管是把血液从______输送到________去的血管。
图中B血管是把血液从______输送到_________的血管。
(2)人手臂上看到的一条条“青筋”属于图中的[ ]血管,人体表层摸到一些在搏动的血管,这属于图中的[ ]血管。
A B C (3)图中[ ]血管是血液同组织细胞之间进行物质交换的重要场所。
该血管的特点是:在人体内数量________,分布_________,管壁_______,管内血流速度极慢。
12、根据“用显微镜观察小鱼尾鳍内的血液流动”实验,回答下列问题:(1)选取尾鳍________少的活小鱼,用________棉花或纱布裹住鱼体,露出尾部,将鱼平放在_________中,并置于显微镜的载物台上,将尾鳍对准通光孔,用________倍镜观察尾鳍血管中血液的流动情况,红细胞通过毛细血管时呈_________________。
(2)若血流从较粗的血管流向较细的血管,则较粗的血管是_________;若血液从较细的血管流向较粗的血管,则这较粗的血管是_______________。
(3)毛细血管是连通于______________和_____________之间的血管,其管壁仅由______________构成,管内血流速度______________。
13、下面是血液循环和气体交换示意图,请据图回答:(1)、图中的6是指的,7是指的。
(2)、血液由2射出,流经5、6到3的循环途径叫;血液由4射出流经7、8至1的途径叫。
(3)、由M到N处,血液成分发生了变化,血变成了血。
(4)、血液流经肺泡由血变成了血。
(5)心脏结构中心壁最厚的是[ ] ,它是循环的起点.14、右图是心脏结构示意图,识图回答:(1)填写各部分名称①②③④⑤⑥⑦⑧⑨⑩⑾(2)在图中,②使血液从流向,④使血液从流向,从而保证血液按流动而不能。
15、下图表示了人体循环系统与呼吸系统、消化系统和泌尿系统的关系。
请据图回答:(1)流经小肠后的血液中_________的含量较多,这是因为小肠是__________的主要场所。
(2)流经肺后的血液中_________________的含量增多,这是因为肺是__________的场所。
(3)流经肾脏后的血液中____________的含量减少,这是因为肾脏是________的场所。
(4)流经组织细胞后的血液中__________的含量会减少,这是因为它要参与分解有机物,为生命活动提供_______________。
16、右图为有关循环系统某部分示意图,根据要求填空(A、C为血管,箭头示血流方向)(1)如果B依次代表左心房和左心室时,则A是_________血管,C是___________血管。
(2)当心室舒张时,防止血液倒流的瓣膜叫____________。
(3)如果B处为毛细血管网,当A流的是静脉血,C流的是动脉血时,则B缠绕在呼吸系统的__________壁上。
17、右图是尿的形成过程示意图,请回答:(1)图中⑥名称是。
④处的几个箭头表示的是的过程。
(2)⑦中的液体成分与血液的主要不同之处是一般没有和。
(3)有一病人出现血尿,被医生诊断为急性肾小球肾炎,该病人的病变部位是图中的。
(4)图中①③⑤中的血分别是。
A.①③中是动脉血,中是静脉血B.①③⑤中全是动脉血C.①③⑤中全是静脉血D.①中是动脉血,③⑤中是静脉血。
18、右图所示的是脑的侧面。
根据此图完成下列各题。
(1)①是,它的表层叫做,具有感觉、运动、语言等多种功能区,这些功能区又称为。
(2)②是,它的主要功能是。
(3)③是,它有一些调节的中枢。
19、右图是人体主要的内分泌腺示意图,据图回答:(1)以碘为原料合成激素的腺体是[],若幼年时它分泌的激素不足,所患的疾病是。
(2)能分泌多种激素,调节其他内分泌腺活动的腺体是[]。
(3)⑤分泌的激素是,如分泌不足会引起病。
(4)○1是○2③是,④是○5○6。
20、根据反射弧的模式图,分析回答下列问题。
(1)当手偶然碰到了某种刺激(如火焰),手上皮肤里的[]__________受到刺激而产生神经冲动,神经冲动沿着[]_______传到脊髓里的[]__________,由此再发出神经冲动通过[]__________传达到手臂上的[]_________,引起肌肉收缩使手避开刺激。
(2)一个完整的反射活动,除了要有完整的五个部分外,还要有________ 。
(3)人在睡梦中拍打蚊子,此反射活动经过的途径是________________(用序号和箭头);醒来后感到搔痒,此感觉是在________内产生的。
4)[1]指_______神经末梢,[5]指_______神经末梢和它所支配的_______或腺体。
21、学校里戴眼镜的同学越来越多,引起了人们对学生用眼卫生的高度关注。
右图是近视眼的成像示意图,请据图回答:⑴眼球内对光线具有调节作用的主要结构是[ ] 。
⑵刚走进电影院时几乎什么也看不见,片刻后才可看见周围的人,这种变化是由于眼球的变大了。
⑶想一想我们的眼睛,通常被称为“黑眼珠”的部分是[ ] ,“白眼珠”的部分是[]。
⑷你能看到远处的一棵树,是因为它反射的光线形成的物象是落在[ ] 上,这个信息通过[10]传导到,形成视觉。
⑸若长时间近距离看书写字,就容易造成假性近视,这时眼球中[4]的特点是。
以后如果仍不注意用眼卫生,成像就有可能如下图右所示,这种情况下要想看清楚远处的物体,就需选用此下图左边的种(填字母)透镜加以纠正。
⑹预防近视眼,除了注意用眼卫生外,还应注意平时的饮食营养,缺乏易患夜盲症。