康沃FSCG05P05变频器说明书
- 格式:pdf
- 大小:3.10 MB
- 文档页数:28
目 录前 言 (5)第一章 注意事项 (7)1.1安全标识定义 (7)1.2安装注意事项 (7)1.3使用注意事项 (10)1.4报废注意事项 (14)第二章 安装与配线 (15)2.1产品技术指标及规格 (15)2.2系列型号说明 (17)2.3安装环境要求 (17)2.4变频器的安装尺寸 (18)2.5操作面板尺寸 (20)2.6盖板的拆卸与安装 (21)2.7操作面板的拆卸与安装 (21)2.8安装方向与空间 (22)2.9变频器的配线 (23)2.10回路端子台的配线 (31)2.11JP跳线说明 (38)2.12接线说明 (39)2.13各功率保护功能表 (45)第三章 操作与运行 (46)3.1面板操作 (46)3.2名词术语说明 (47)3.3键盘参数拷贝 (49)3.4面板功能说明 (51)3.5键盘操作方法 (52)3.6变频器的运行 (56)第四章 功能参数一览表 (59)4.1基本运行参数(B参数) (59)4.2中级运行参数(L参数) (60)4.3高级运行参数(H参数) (63)4.4应用扩展参数(E参数) (66)4.5状态监控参数一览表 (67)4.6保护功能及对策 (69)4.7故障记录查询 (70)第五章 功能详细说明 (72)5.1基本运行参数( B参数) (72)5.2中级运行参数(L参数) (76)5.3高级运行参数(H参数) (99)5.4应用扩展参数(E参数) (113)第六章 RS485通讯协议 (120)6.1自定义协议: (120)6.1.1概述 (120)6.1.1.1 协议内容 (120)6.1.1.2 适用范围 (120)6.1.2总线结构及协议说明 (120)6.1.2.1 总线结构 (120)6.1.2.2 协议说明 (121)6.1.2.3 报文结构 (123)6.1.2.4 报文数据编码 (124)6.1.3.使用范例 (129)6.2M ODBUS通讯协议: (131)6.2.1协议内容 (131)6.2.2应用方式 (131)6.2.3总线结构 (131)6.2.4协议说明 (131)6.2.5通讯帧结构 (132)6.2.6命令码及通讯数据描述 (135)6.2.6.1命令码:03H(0000 0011),读取N个字(Word)(最多可以连续读取5个字) (135)6.2.6.2命令码:06H(0000 0110),写一个字(Word)1376.2.6.3通讯帧错误校验方式 (139)6.2.6.4通信数据地址的定义 (142)6.2.6.5 Modbus错误通讯时的响应 (145)第七章 使用范例 (147)7.1面板控制起、停,面板电位器设置频率 (147)7.2三线制控制模式 (148)7.3外部控制方式、外部电压设定频率 (149)7.4多段速运行、外部控制方式 (150)7.5可编程多段速控制 (151)7.6多台变频器的联动控制(群组控制) (152)7.7用变频器构成闭环控制系统 (156)7.8用上位机(PC)控制多台变频器 (157)第八章 选件 (158)8.1远控线缆和远控适配器 (158)8.2供水附件 (158)8.2.1.适用范围 (158)8.2.2.外形尺寸 (158)8.2.3.供水附件与变频器的连接 (159)8.2.4.系统配线图(4泵方式) (160)8.2.5.供水控制及模式 (161)8.2.6.参数设置 (161)8.3制动组件 (162)第九章 维护与保养 (164)9.1日常检查与保养 (164)9.2定期维护 (165)9.3易损部件的检查与更换 (166)9.3.1 滤波电容 (166)9.3.2 冷却风扇 (166)9.4存放及保修 (166)9.4.1 存放 (166)9.4.2 保修 (166)附录 G2/G3-G5功能码对应表 (168)前 言感谢您选用博世力士乐(西安)电子传动与控制有限公司的变频调速器(以下简称变频器)!FSCG05 (即G5/P5)系列变频器是公司自主开发、生产的高性能变频器,该产品采用高品质的元器件、优质材料,并融合高新微电脑控制技术制造而成。
FSCG05 系列变频器三相 380V 0.75-350kW行业应用u 暖通空调: 风机,水泵,压缩机u 电力石化: 搅拌机,离心机,注水泵u 机床行业: 磨床,车床,刨床u 纺织行业: 大圆机,定型机,卷验机功能强大n 功率范围宽广 (0.75-350kW)n 控制功能全面,内置 PID ,定时计数器,摆频,16段速运行,智能防呆n 7 路可编程数字输入,3 路专属数字输入 3 路模拟输入,2 路模拟输出n 恒压供水专用附件经济实惠n 性价比高n 节电率高 (25%-60%)n 回报率高 (风机水泵寿命延长 20%)使用简单n G/P 合一,选型灵活n LCD & LED 中文液晶及数码双重显示,面板参数复制n 瞬时停电再启动,掉电自记忆功能,无需重复参数设置n 风扇可拆除,便于维护清理稳定可靠n 十年市场鉴定n 卓越品质来自博世标准生产系统n 保护完善 (缺相,短路,过流,过压,欠压,过载,过热等)n 电路板增强涂层,防尘防腐蚀— 高性能通用变频器 —电气与机械参数博世力士乐 (西安) 电子传动与控制有限公司FSCG05 系列变频器三相 380V 0.75-350kW行业应用u 暖通空调: 风机,水泵,压缩机u 电力石化: 搅拌机,离心机,注水泵u 机床行业: 磨床,车床,刨床u 纺织行业: 大圆机,定型机,卷验机功能强大n 功率范围宽广 (0.75-350kW)n 控制功能全面,内置 PID ,定时计数器,摆频,16段速运行,智能防呆n 7 路可编程数字输入,3 路专属数字输入 3 路模拟输入,2 路模拟输出n 恒压供水专用附件经济实惠n 性价比高n 节电率高 (25%-60%)n 回报率高 (风机水泵寿命延长 20%)使用简单n G/P 合一,选型灵活n LCD & LED 中文液晶及数码双重显示,面板参数复制n 瞬时停电再启动,掉电自记忆功能,无需重复参数设置n 风扇可拆除,便于维护清理稳定可靠n 十年市场鉴定n 卓越品质来自博世标准生产系统n 保护完善 (缺相,短路,过流,过压,欠压,过载,过热等)n 电路板增强涂层,防尘防腐蚀— 高性能通用变频器 —电气与机械参数博世力士乐 (西安) 电子传动与控制有限公司。
康沃FSCG05P05变频器说明书正文:1.产品概述1.1 产品介绍康沃FSCG05P05变频器是一款先进的电力控制设备,可实现精确的转速控制和功率调节。
它具有高效、能耗低、响应速度快等特点,广泛应用于工业生产中。
1.2 主要特性- 频率范围:0.1Hz-400Hz- 输出功率:0.5kW- 输入电压范围.220V- 扭矩控制模式选择:V/F控制、矢量控制- 通信接口:RS485,MODBUS等2.安装与调试2.1 安装要求在安装FSCG05P05变频器前,请确保以下条件满足:- 供电电源符合要求并稳定;- 安装位置通风良好,温度适宜;- 机械传动装置已正确安装;- 所有接线已正确连接。
2.2 调试方法- 按照电气接线图将变频器与电源及电机连接;- 根据使用要求,设置频率、起始频率、运行时间等参数;- 把变频器的电源开关打开,检查相关指示灯是否正常;- 故障排除与维修。
3.参数设置与调整3.1 基本参数设置- 频率设置:设置变频器的输出频率范围,根据工作要求进行调整;- 起始频率设置:设置启动时的初始频率,适用于负载较重的场景;- 加速时间设置:设置启动到达额定频率所需的时间。
3.2 高级参数设置- 输出电流限制:设置变频器的输出电流上限,以保护电机和设备;- PID控制参数设置:用于实现闭环控制,根据需要进行调整;- 功率调节:根据实际需求调整功率输出。
4.故障诊断与维修4.1 常见故障及解决方法- 变频器无法启动:检查电源连接是否正常;- 变频器发生过载:检查负载是否超出变频器额定功率;- 变频器出现跳频现象:调整输出频率范围或减小输出负载。
4.2 维修指引- 在维修前请确保断电,并遵守相关安全操作规程;- 如果无法自行修复,请联系售后服务部门进行维修。
5.其他注意事项- 在使用过程中,应定期对变频器进行巡检和维护;- 在停电情况下,应关闭变频器的电源。
本文档涉及附件:- 康沃FSCG05P05变频器电气接线图- 康沃FSCG05P05变频器故障诊断表法律名词及注释:- 变频器:也称为变流器,是一种能够改变电力频率的设备。
由衷地感謝您購買日本サンケン(S A N K E N )牌32位元R I S C 架構、具有V /F 控制模式與Se n s o r l e s s �或稱速度推算式、無速度傳感式�向量控制模式可供選擇的S A M C O -v m 05系列雙重額定、高性能、靜音型汎用變頻器。
裝設這部變頻器之後�您的三相感應馬達立刻具有無段變速的機能。
由於32位元R I S C 演算速度快、程式容量大�因此具備多機能、操作容易的特點。
為了讓您充分地享用這部變頻器的特性與機能�務必詳閱這本操作說明書。
當您使用中發現任何疑難時�請立刻就近向士林電機的F A 產品經銷商洽詢�或撥電話�03�597-0921轉231~233通知士林電機自動化營業部營業三課�我們的專業人員隨時都等待著為您做熱誠地服務。
在此我們再度深切地期望您永遠愛顧 的優良產品。
台灣總代理�士林電機廠股份有限公司安全通告●為了要預先防範您以及第三者因採用本產品而導致對人體危害或財產損失�因此在這本操作說明書上明確地登載著各種警告與禁制事項�請務必遵守。
使用本產品以前請務必詳閱這本操作說明書�並請依照正確的方式使用。
●這本操作說明書務必放置在設備、機台的旁邊或是便於取閱的地方�以便使用者查閱。
●對於安全注意事項等級�在說明書內分為「危險」、「注意」兩級。
操作人員如果不理會而誤操作時�可能會造成人體傷害或對財物造成損失的事項。
注意操作人員如果不理會而誤操作時�可能會對人體造成傷亡事件的事項。
危險※還有�即使是「注意」所記載內容都是屬於必需遵守的重要事項�不予理會時亦可能會引發不可臆測的後果。
標誌之後所敘述的是具體的強制內容。
強制�不可不為�標誌標誌之後所敘述的是具體的禁止內容。
禁止�不可為�標誌標誌之後所敘述的是具體的注意內容。
注意標誌標誌之後所敘述的是具體的危險內容。
危險標誌標誌解說安全注意事項1.請採用3-2-(1)所指定的螺絲�將變頻器牢牢地固定在平整的水泥或金屬板類的牆面上�並加以適當地屏蔽。
康沃FSCG05P05变频器说明书康卡公司推出的FSCG05P05变频器是一款高性能、高可靠性的电器设备。
在工业自动化控制领域,变频器是一种常见的设备,主要用于对电机转速的调节和控制。
本篇文章将详细介绍FSCG05P05变频器的主要性能参数、特点及使用注意事项,以帮助读者更好地了解和使用该设备。
1、FSCG05P05变频器的主要性能参数FSCG05P05变频器的额定电压为380V,频率范围为50/60Hz,额定输出电流为5A。
该变频器具有多种运行模式,包括定速模式、调速模式、多点速度控制模式等。
同时,该设备还具有多种保护功能,如过流保护、过热保护、欠压保护等,可以有效保障设备的安全稳定运行。
2、FSCG05P05变频器的特点FSCG05P05变频器具有多种特点,其中比较突出的包括:(1)体积小、重量轻:相比传统的变频器设备,FSCG05P05变频器体积更小,重量更轻,便于安装和维护。
(2)运行稳定:FSCG05P05变频器采用先进的控制技术和高品质的电子元器件,能够保证设备的运行过程中稳定性和可靠性。
(3)易于操作:该设备采用数字化控制系统,用户可以通过简单的按钮设定和参数调整实现对设备的操作和控制。
(4)节能环保:FSCG05P05变频器具有节能环保的特点,通过实时控制电机的转速,可以避免过度能耗和资源浪费。
3、FSCG05P05变频器的使用注意事项在使用FSCG05P05变频器时,需要注意以下事项,以确保设备的安全、稳定运行:(1)设备的负载应在额定负载范围内,过载操作容易导致设备的损坏。
(2)安装时应避免电缆过长和过小,以免导致稳压性变差和操作不稳定。
(3)按照设备说明书进行接线和安装,确保电器设备的接地工作。
(4)设备需要定期维护和保养,检查设备运行状态、电缆连接和接线端子是否松动等情况。
(5)在更换设备配件时,应选择与原配件相同规格、型号和技术参数的产品,并严格按照说明书操作。
总之,FSCG05P05变频器具有高可靠性、稳定运行、易于操作等特点,是工业自动化控制领域的优秀设备。
第三章 操作与运行3.1面板操作 3.1.1面板布局用操作面板可对变频器进行运转、功能参数设定、状态监控等操作,面板布局如图3-1所示。
关于数码管显示的特别提示:当实际显示数值≥10000时,数码管最低位小数点点亮,表示一个0,如1234.表示12340,3.2名词术语说明为了您能正确理解本使用手册的有关内容,更好地使用本系列变频器,请仔细阅读本节内容。
3.2.1 变频器的运行参数选择为了简化变频器在不同应用层次的操作,本系列变频器将所有的功能参数分为3组,它们是:基本运行参数、中级运行参数和高级运行参数。
根据应用层次的不同,使用者可以屏蔽中、高级参数,从而使参数设置变得简单明了。
运行参数的选择由参数b-0完成。
参数修改Hz )V )A )图3-1操作面板布局图① 基本参数运行模式参数b-0的数值设为“0”,此时变频器仅受控于基本运行参数(即b 参数),中级运行参数(L 参数)、高级运行参数(H 参数)不显示、也不起作用。
当变频器只用于完成很简单的调速功能时,可选择基本参数运行模式。
基本参数运行模式时,变频器的绝大多数高级功能被关闭。
② 中级参数运行模式参数b-0的数值设为“1”,此时变频器受控于基本运行参数(即b 参数)和中级运行参数(L 参数),高级运行参数(H 参数)不显示、也不起作用。
中级参数运行模式能够满足大多数应用的需要。
③ 高级参数运行模式参数b-0的数值设为“2”,此时变频器受控于全部功能参数。
当需要一些特殊的功能时,如:检速再启动、可编程多段速运行、内置PID 控制、多台变频器的连动运行、RS485通讯等,必须选择高级参数运行模式。
3.2.2 操作面板的工作模式操作面板根据显示内容和接受指令的不同,分为4种操作模式,除数字设定频率的修改模式外,操作模式之间的切换用按键完成。
① 状态监控模式状态监控模式是操作面板在大多数情况下的工作模式,在任何情况下,只要连续1分钟无按键输入,操作面板都会自动返回到状态监控模式。
Convo 变频器 2013u VFC 2600u FSCS01u FSCG05u FSCZ01/Z02博世力士乐 (西安)电子传动与控制有限公司2产品采用高性能功率模块,确保设备运行稳定可靠;高速微电脑芯片配以高效的专业控制软件,保证设备始终运行在最佳状态;壳体和配件由数控设备自动完成加工,美观坚固;引入ISO9001质量体系,最大化消除质量隐患,承诺提供给客户最优的产品。
Convo 在解决变频器各种应用问题方面是您强大的合作伙伴。
我公司高能效的变频器产品可以提供精准的程序及速度调控,为您实现可观的能源减耗。
作为博世力士乐品牌家族的成员,我们始终致力于为我们的客户呈递高品质的变频器产品。
3公司介绍博世力士乐 (西安) 电子传动与控制有限公司致力于在中国工控传动领域发展,这也是博世力士乐未来在中国工控传动领域成功的重要保证。
博世力士乐 (西安) 电子传动与控制有限公司是德国博世集团的全资子公司。
力士乐是独一无二的,因为在世界市场上,没有其他的品牌能向顾客提供所有的传动与控制技术。
专业化与一体化并举,正因如此,我们在驱动、控制及运动控制技术等领域成为了世界性的榜样。
所有这一切既给予我们鼓舞,也赋予我们责任。
博世力士乐,The Drive & Control Company,独一无二。
4节能目前Convo系列变频器在中国区域内应用于众多行业,如纺织、印染、冶金、电力、石油、化工、建筑楼宇、市政、建材、机床等,其应用节能率在风机、水泵行业尤其突出,另外在球磨机、空压机、注塑机、压铸机等专用设备上也非常明显,节能率最高可达到60 %。
5系列产品技术指标Convo6VFC 2600系列变频器玲珑实惠、简单可靠功能强大的迷你变频器单相220 V 0.4-2.2 kW三相380 V 0.4-4.0 kW产品特点玲珑n比以往产品小40 %n零距离无缝并排安装,节省安装空间实惠n高性价比,内置PID,内置制动单元n高过载能力,无需增档使用n高节能率,省电30 %n高利用率,面板可拆卸,切换使用简单n操作便捷,参数可复制n维护容易,风扇可自由拆卸,1.5 kW以下自冷散热n调试方便,结构化参数组n功能智能,自动限流,自/手动转矩提升,转速捕获可靠n卓越品质来自博世标准生产系统n系统的安规和可靠性测试n保护完善 (缺相、相间短路、对地短路、过流、过压、欠压、过载、过热、电机热保护)n电路板增强涂层,防尘、防腐蚀行业应用食品包装u覆膜机u包装机u制袋机暖通空调u风机u水泵机床行业u线切割u自动精研机u磨床u轴承加工纺织行业u绕纱机u卷验机陶瓷行业u打磨机u送粉机u釉线设备其他设备u传送带u跑步机7高性能VF C 2600采用进口核心器件,系统智能化防呆设计,低频性能明显提升,满足3 Hz/150 %的启动转矩,功能强劲且十分节能,能够满足150 %/1 min 过载需求的同时具备180 %/2s 的高过载能力。
下载文档收藏康沃变频器说明书康沃变频器说明书康沃变频器的简单介绍报告人:李奋祥报告人李奋祥 2005年12月28日年月日目录第一章通用变频器发展史第一节通用变频器发展历史及特点第二节新型变频器发展趋势第二章通用变频器结构与原理第一节通用变频器的类别结构第二节通用变频器的工作原理第三节康沃变频器简介第四节国内外其他变频器简介 2 深圳市康沃电气技术有限公司 Shenzhen CONVO Electric Technologies Co. Ltd 第一章通用变频器发展史第一节通用变频器发展历史及特点随着微机技术、电力电子技术和调速控制理论的不断发展,变频器作为一种智能调速“电源”也在不断地更新。
从变频器问世以来,通用变频器主要经历以下几个发展阶段: 80年代初期的模拟式、80年代中期的数字式、90年代初期的智能式、90年代中期的多功能型及现在的集中型通用变频器。
通用变频器发展主要有以下特点:1、功率器件不断更新换代双极晶体管BJT、绝缘栅双极晶体管IGBT、集成门极换流晶闸管IGCT、巨型晶体管GTO 2、应用范围不断扩大在纺织、印染、塑胶、石油、化工、冶金、造纸、食品、装卸搬运等行业都有着广泛应用 3.控制理论不断成熟 3.控制理论不断成熟 3 深圳市康沃电气技术有限公司 Shenzhen CONVO Electric Technologies Co. Ltd 第一章通用变频器发展史第二节新型通用变频器发展趋势低电磁噪音、 1、低电磁噪音、静音化新型通用变频器采用高频载波方式的正弦波SPWM调制实现静音化 2、专用化新型通用变频器为更好地发挥变频调速控制技术的独特功能,并尽可能满足现场控制的需要,派生了许多专用机型如风机水泵空调专用型、起重机专用型、恒压供水专用型、交流电梯专用型、纺织机械专用型、机械主轴传动专用型、电源再生专用型、中频驱动专用型、机车牵引专用型等。
3、系统化通用变频器除了发展单机的数字化、智能化、多功能化外,还向集成化、系统化方向发展。
变频器功能及使用说明一、技术规格额定电压频率 单相220V 50Hz输入电压允许变动范围170V~260V 电压 三相 0~220V 频率 0~400Hz 输 出 调制方式 SVPWM 控制方式V/F 控制 模拟电压频率分辨率 0.1Hz 数字设定频率分辨率 1Hz 转矩提升 0~30%控 制 特 性段速控制16段可编程段速,外部端子控制二、变频器接口说明,如下图所示l 电源输入:图中CN1为电源输入端子,变频器额定输入电压为220V/50Hz, 一般可在170V~260V 之间使用。
l 驱动输出:图中CN2为三相电机驱动输出端子。
l 控制接口:图中CN3为速度控制接口,各端子功能如下。
端子序号功能说明1 电压调速地(GND)2 电压调速输入3 电压调速电源(VDD)4 模式1:正向开机(低电平)模式2/3:开机(低电平),关机(高电平)5 模式1:反向开机(低电平)模式2:正向运行(低电平),反向运行(高电平)模式3:使用速度1(低电平),使用电压调速(高电平)6 速度选择bit 37 速度选择bit 28 速度选择bit 19 速度选择bit 010 公共地(GND)11 12V(最大输出50mA)注意:各端子与控制器DSP没有光耦隔离,内部有上拉,控制输入无需提供高电平。
如控制输入有高电平,其电位不得高于5V。
电压调速输入电位器只在模式3有效,使用电位器调速时,要求电位器的阻值大于50K。
在变频器运行在模式3外的他模式时,请将电位器调到高速端。
l散热风扇驱动接口:图中CN4可接一12V、2.5W以下的小型散热风扇,系统会根据散热器的温度自动开启关闭风扇。
如果机箱已有散热风扇,可以不接此风扇。
l显示控制接口:图中CN5为显示控制接口,各端子功能如下。
端子序号功能说明1 电压调速输入2 数据输出(TX)3 数据输入(RX)4 GND5 VDD (5V)6 DSP 复位DSP与显示控制部分使用9600bps双工串行通讯方式,如需远距离显示控制,可外加RS485硬件接口。
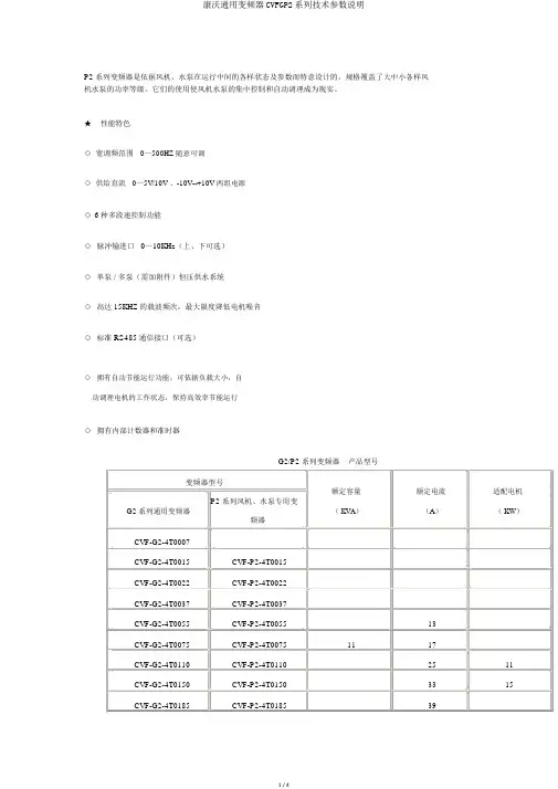
P2 系列变频器是依据风机、水泵在运行中间的各样状态及参数而特意设计的,规格覆盖了大中小各样风机水泵的功率等级。
它们的使用使风机水泵的集中控制和自动调理成为现实。
★性能特色◇宽调频范围0—500HZ 随意可调◇供给直流0—5V/10V 、-10V--+10V 两组电源◇6 种多段速控制功能◇脉冲输进口 0~10KHz(上、下可选)◇单泵 / 多泵(需加附件)恒压供水系统◇高达 15KHZ 的载波频次,最大限度降低电机噪音◇标准 RS485通信接口(可选)◇拥有自动节能运行功能,可依据负载大小,自动调理电机的工作状态,保持高效率节能运行◇拥有内部计数器和准时器G2/P2 系列变频器产品型号变频器型号额定容量额定电流适配电机P2 系列风机、水泵专用变G2 系列通用变频器( KVA)(A)( KW)频器CVF-G2-4T0007CVF-G2-4T0015 CVF-P2-4T0015CVF-G2-4T0022 CVF-P2-4T0022CVF-G2-4T0037 CVF-P2-4T0037CVF-G2-4T0055 CVF-P2-4T0055 13CVF-G2-4T0075 CVF-P2-4T0075 11 17CVF-G2-4T0110 CVF-P2-4T0110 25 11CVF-G2-4T0150 CVF-P2-4T0150 33 15CVF-G2-4T0185 CVF-P2-4T0185 39CVF-G2-4T0220 CVF-P2-4T0220 45 22 CVF-G2-4T0300 CVF-P2-4T0300 60 30 CVF-G2-4T0370 CVF-P2-4T0370 75 37 CVF-G2-4T0450 CVF-P2-4T0450 60 91 45 CVF-G2-4T0550 CVF-P2-4T0550 112 55选型指南 ..以上变频器均为三相380V 输入,三相380V 输出。
目录一、用户须知 2二、注意事项 3三、系统简介 4四、输出逆变系统 5五、可控整流系统 40附录一维护与保养 54附录二、依照EMC导则进行传动装置设计的说明 55一、用户须知该变频调速装置为电力电子器件组成,在运输及安装过程中,尽量避免强烈的震动,尽量垂直运输。
该变频调速装置尽量安装在干燥通风的区域,变频器的散热片距墙壁(或遮挡物)距离应大于米。
长期不用时,应存放在清洁干燥的地方;在井下安装好而不运行的状况下,该设备尽量不停电。
使用之前,必须详细阅读用户手册。
二、注意事项变频调速装置其隔爆外壳体及本安控制盒的结构和非本安及本安电路的电气参数,在出厂前均已装配调试合格,用户严禁改动变频调速装置壳体的结构和电气参数,以确保本产品的防爆性能、电气性能和本安性能。
设备在带电情况下,严禁松动隔爆壳紧固件,在检修或处理故障时,请注意“断电源后开盖”。
(注:本安接线腔不受此限制)外壳应接地良好。
电源接线隔爆腔在接线时请注意按图接线,不得接错。
装置防爆主腔内进行操作时,手上必须带接地导线或静电环。
装置电源R、S、T停电以后5分钟内禁止对变频器隔爆主腔内的任意电路进行操作,且必须用仪表确认机内电容已放电完毕,方可实施机内作业。
停电以后1分钟内禁止再次给电。
负载运行过程中尽量减少瞬时停电次数。
禁止对变频器主回路及控制回路进行耐压试验,如对与变频有电路联系的相关设备进行耐压试验之前应将与变频相关的电路切断。
测量变频器输出电压时必须使用整流式交流电压表,使用其它非整流式电压表测量高频脉冲电压时,容易产生误操作或显示不准确。
变频器安装应远离大容量变压器及电动机(容量为变频器的10倍以上)。
该系统输出端不可以加装进项电容或阻容吸收装置。
该系统变频器箱与电抗器箱连接必须完全按照相关图纸,以保证反馈电压相序一致。
未经唐山开诚电器有限责任公司许可,用户不得随意改动本系统安装调试后设置的ZJT-MSC参数及ZJT-MSC2参数(尤其是不允许通过操作防爆主腔内部的键盘更改ZJT-MSC2参数)。
P2系列变频器是根据风机、水泵在运行当中的各种状态及参数而专门设计的,规格覆盖了大中小各种风机水泵的功率等级。
它们的使用使风机水泵的集中控制和自动调节成为现实。
★性能特点
◇ 宽调频范围0—500HZ任意可调
◇ 提供直流0—5V/10V、-10V--+10V两组电源
◇ 6种多段速控制功能
◇ 脉冲输入口 0~10KHz(上、下可选)
◇ 单泵/多泵(需加附件)恒压供水系统
◇ 高达15KHZ的载波频率,最大限度降低电机噪音
◇ 标准RS485通信接口(可选)
◇ 具有自动节能运行功能,可根据负载大小,自
动调节电机的工作状态,保持高效率节能运行
◇ 具有内部计数器和定时器
G2/P2系列变频器技术指标。
第七章 使用范例7.1 面板控制起、停,面板电位器设置频率 7.1.1 参数设置根据变频器拖动电动机的额定铭牌数据,对参数b-5、b-6进行参数设置。
必须设置的参数 如下:[b- 1] = 0 :参数b- 1设置为0,选择面板电位器设置频率。
[b- 3] = 0 :参数b- 3设置为0,选择面板起、停控制。
7.1.2 基本接线图面板控制起、停,面板电位器设置频率基本接线图如图7-1所示(仅供参考)。
7.1.3按键启动变频器,顺时针旋动面板电位器旋钮,设定频率按键,变频器将停机。
三相电源外部控制端子FWD 决定电机的运转方向,FWD-CM 断开电机正转,FWD-CM 闭合则电机反转。
图7-1面板控制起、停,面板电位器设置频率基本接线图 提示7.2 三线制控制模式7.2.1 参数设置根据变频器拖动电动机的额定铭牌数据,对参数b-5、b-6进行参数设置。
[b-0]=1 :参数b-0设置为1,选择中级运行参数。
[b-1]=0 :参数b-1设置为0,选择面板电位器来确定频率输入。
[b-3]=1 :参数b-3设置为1,选择外部控制。
[b-10]=2 :参数b-10设置为2,选择AM输出为电压输出。
[b-11]=0 :参数b-11设置为0,选择AO输出为频率输出。
[L-33]=0 :参数L-33设置为0,选择外部运行指令方式为两线式模式1。
时将REV 闭合,变频器停机。
REV,X1,CM 同时断开、或者其中的一个断开、或者此时将FWD 闭合,变频器停机。
7.3 外部控制方式、外部电压设定频率 7.3.1 参数设置根据变频器拖动电动机的额定铭牌数据,对参数b-5、b-6进行参数设置。
必须设置的参数如下:[b-1] = 2[b-3] = 17.3.2 基本接线图外部控制方式、外部电压设定频率基本接线图如图7-3所示。
7.3.3 操作说明FWD-CM 闭合,电机正转(正转指令)。
REV-CM 闭合,电机反转(反转指令)。
康沃变频调速器变频器系列前言感谢您选用深圳市康沃电气技术有限公司的通用变频调速器,本使用手册提供如下二种系列产品的操作指南:①CVF-G2系列通用变频器②CVF-P2系列风机、水泵专用变频器为充分发挥本产品的卓越性能及确保使用者和设备的安全,在使用之前,请详细阅读本手册。
本使用手册为随机发送的附件,使用后请务必妥善保管,以备今后对变频器进行检修和维护时使用。
如对于本变频器的使用存在疑难或有特殊要求,请随时联络本公司的各地办事处或经销商,也可直接与本公司总部售后服务中心联系,我们将竭诚为您服务。
本手册内容如有变动,恕不另行通知。
欢迎选用本公司的其它系列变频器:ØCVF-G1系列通用变频调速器ØCVF-P1系列风机、水泵专用变频调速器ØCVF-S1系列单相小功率变频调速器ØCVF-ZS 系列注塑机专用变频调速器ØCVF-ZC 系列注塑一体化柜机深圳市康沃电气技术有限公司代理商:广州方菱电气有限公司网址:目录1.注意事项...................................................11.1安全注意事项..........................................11.2使用范围..............................................11.3使用注意事项..........................................21.4报废注意事项..........................................22.购入检查及变频器的型号与规格..........................32.1购入检查.............................................32.2变频器型号说明.......................................32.3变频器的铭牌数据.....................................32.4产品外观及部件名称.................................42.5系列型号说明.........................................42.6产品技术指标及规格...................................53.变频器的安装.............................................73.1 安装环境要求.........................................73.2 安装方向与空间.......................................73.3 操作面板的拆卸与安装.................................83.4 盖板的拆卸与安装.....................................83.5 变频器的安装尺寸.....................................93.6 操作面板尺寸.........................................94.变频器的配线............................................104.1配线注意事项.........................................104.2主回路端子台的配线图.................................114.3控制回路端子.........................................114.4推荐使用的电器规格...................................144.5 基本配线图..........................................144.5 系统配线图..........................................155.面板操作.................................................165.1名词术语说明.........................................165.2面板布局.............................................185.3面板功能说明........................................195.4键盘操作方法.........................................205.5状态监控参数一览表...................................226.变频器的运行............................................256.1 变频器的初始设置....................................256.2 变频器的简单运行....................................257.功能参数一览表..........................................287.1 基本运行参数(b参数).................................287.2 中级运行参数(L参数).................................297.3 高级运行参数(H参数).................................328.功能说明.................................................358.1 基本运行参数(b参数).................................358.2 中级运行参数(L参数).................................438.3 高级运行参数(H参数).................................589.故障诊断与对策...........................................749.1 保护功能及对策.......................................749.2 故障记录查询.........................................759.3 故障复位.............................................76 10.维护与保养..............................................7710.1 日常检查与保养......................................7710.2 易损部件的检查与更换................................7810.3 存放及保修..........................................78 11.使用范例.................................................8011.1 面板控制起、停, 面板电位器设置频率.....................8011.2 外部控制方式、外部电压设定频率.........................8111.3 多段速运行、外部控制方式...............................8211.4 可编程多段速控制......................................8311.5 多台变频器的连动运行(群组控制) .......................8411.6 用变频器构成闭环控制系统..............................86 12.选件.....................................................8712.1 操作面板............................................8712.2 远控线缆和远控适配器................................8712.3 制动组件............................................88 附录1:RS485通讯协议.........................................89附录2:供水附件的应用........................................991. 注意事项为确保您的人身、设备及财产的安全,在使用变频器之前,请您务必阅读本章内容,并在以后的搬运、安装、运行、调试与检修过程中遵照执行。
康沃变频器说明书(总4页) -CAL-FENGHAI.-(YICAI)-Company One1-CAL-本页仅作为文档封面,使用请直接删除下载文档收藏康沃变频器说明书康沃变频器说明书康沃变频器的简单介绍报告人:李奋祥报告人李奋祥 2005年12月28日年月日目录第一章通用变频器发展史第一节通用变频器发展历史及特点第二节新型变频器发展趋势第二章通用变频器结构与原理第一节通用变频器的类别结构第二节通用变频器的工作原理第三节康沃变频器简介第四节国内外其他变频器简介 2 深圳市康沃电气技术有限公司 Shenzhen CONVO Electric Technologies Co. Ltd 第一章通用变频器发展史第一节通用变频器发展历史及特点随着微机技术、电力电子技术和调速控制理论的不断发展,变频器作为一种智能调速“电源”也在不断地更新。
从变频器问世以来,通用变频器主要经历以下几个发展阶段: 80年代初期的模拟式、80年代中期的数字式、90年代初期的智能式、90年代中期的多功能型及现在的集中型通用变频器。
通用变频器发展主要有以下特点:1、功率器件不断更新换代双极晶体管BJT、绝缘栅双极晶体管IGBT、集成门极换流晶闸管IGCT、巨型晶体管GTO 2、应用范围不断扩大在纺织、印染、塑胶、石油、化工、冶金、造纸、食品、装卸搬运等行业都有着广泛应用 3.控制理论不断成熟 3.控制理论不断成熟 3 深圳市康沃电气技术有限公司 Shenzhen CONVO Electric Technologies Co. Ltd 第一章通用变频器发展史第二节新型通用变频器发展趋势低电磁噪音、 1、低电磁噪音、静音化新型通用变频器采用高频载波方式的正弦波SPWM调制实现静音化 2、专用化新型通用变频器为更好地发挥变频调速控制技术的独特功能,并尽可能满足现场控制的需要,派生了许多专用机型如风机水泵空调专用型、起重机专用型、恒压供水专用型、交流电梯专用型、纺织机械专用型、机械主轴传动专用型、电源再生专用型、中频驱动专用型、机车牵引专用型等。
Convo 变频器 2013u VFC 2600u FSCS01u FSCG05u FSCZ01/Z02博世力士乐 (西安)电子传动与控制有限公司2产品采用高性能功率模块,确保设备运行稳定可靠;高速微电脑芯片配以高效的专业控制软件,保证设备始终运行在最佳状态;壳体和配件由数控设备自动完成加工,美观坚固;引入ISO9001质量体系,最大化消除质量隐患,承诺提供给客户最优的产品。
Convo 在解决变频器各种应用问题方面是您强大的合作伙伴。
我公司高能效的变频器产品可以提供精准的程序及速度调控,为您实现可观的能源减耗。
作为博世力士乐品牌家族的成员,我们始终致力于为我们的客户呈递高品质的变频器产品。
3公司介绍博世力士乐 (西安) 电子传动与控制有限公司致力于在中国工控传动领域发展,这也是博世力士乐未来在中国工控传动领域成功的重要保证。
博世力士乐 (西安) 电子传动与控制有限公司是德国博世集团的全资子公司。
力士乐是独一无二的,因为在世界市场上,没有其他的品牌能向顾客提供所有的传动与控制技术。
专业化与一体化并举,正因如此,我们在驱动、控制及运动控制技术等领域成为了世界性的榜样。
所有这一切既给予我们鼓舞,也赋予我们责任。
博世力士乐,The Drive & Control Company,独一无二。
4节能目前Convo系列变频器在中国区域内应用于众多行业,如纺织、印染、冶金、电力、石油、化工、建筑楼宇、市政、建材、机床等,其应用节能率在风机、水泵行业尤其突出,另外在球磨机、空压机、注塑机、压铸机等专用设备上也非常明显,节能率最高可达到60 %。
5系列产品技术指标Convo6VFC 2600系列变频器玲珑实惠、简单可靠功能强大的迷你变频器单相220 V 0.4-2.2 kW三相380 V 0.4-4.0 kW产品特点玲珑n比以往产品小40 %n零距离无缝并排安装,节省安装空间实惠n高性价比,内置PID,内置制动单元n高过载能力,无需增档使用n高节能率,省电30 %n高利用率,面板可拆卸,切换使用简单n操作便捷,参数可复制n维护容易,风扇可自由拆卸,1.5 kW以下自冷散热n调试方便,结构化参数组n功能智能,自动限流,自/手动转矩提升,转速捕获可靠n卓越品质来自博世标准生产系统n系统的安规和可靠性测试n保护完善 (缺相、相间短路、对地短路、过流、过压、欠压、过载、过热、电机热保护)n电路板增强涂层,防尘、防腐蚀行业应用食品包装u覆膜机u包装机u制袋机暖通空调u风机u水泵机床行业u线切割u自动精研机u磨床u轴承加工纺织行业u绕纱机u卷验机陶瓷行业u打磨机u送粉机u釉线设备其他设备u传送带u跑步机7高性能VF C 2600采用进口核心器件,系统智能化防呆设计,低频性能明显提升,满足3 Hz/150 %的启动转矩,功能强劲且十分节能,能够满足150 %/1 min 过载需求的同时具备180 %/2s 的高过载能力。
全新一代技术平台VFC 2600采用了全新一代技术平台,软件设计完全来自德国,该平台通过各项测试满足欧洲多种技术标准,且具备强大的功能和完善的保护。
更加轻巧、迷你VFC 2600是新一代迷你型产品,尺寸较以往产品减小40 %,可轻松实现零距离无缝并排安装,有效节省有限的安装空间。
8技术数据输入电气与结构参数9 VFC 2600配线图10FSCS01 (CVF-S1)系列变频器精巧、实惠、灵活、可靠多功能单相变频器单相220 V 0.4-2.2 kW产品特点精巧n专注单相小功率n紧凑设计,节省安装空间实惠n高性价比,内置PID控制,内置制动单元n高利用率,面板可拆卸,多机切换使用灵活n16段速运行,特有摆频功能n5路可编程数字输入,3路专属数字输入n支持脉冲输入 (0-10 kHz) ,自带调速电位器n可通过面板延长轻松实现远程控制可靠n卓越品质来自博世标准生产系统n保护完善 (缺相、短路、过流、过压、欠压、过载、过热等)n电路板增强涂层,防尘防腐蚀行业应用机床行业u研磨机u磨床u线切割机纺织印染u纺纱机u整定机u染布机塑料行业u网套机暖通空调u风机u水泵u压缩机u玻璃研磨机械玻璃行业u玻璃研磨机械其他设备u陶瓷送粉机u传送带u医疗离心机u游戏机丰富的市场经验,可靠的品质保证FSCS01系列均通过博世标准生产系统,蕴含多年的市场品质保证。
灵活操控丰富的IO 端子实现16段速运行,支持1 k -100 kHz 脉冲输入以及特有的摆频功能,操作更加灵活便捷。
专注于单相产品FSCS01系列专注于单相小功率,范围从0.4-2.2 kW ,是一款高性能精巧变频器。
技术数据输入电气与结构参数FSCS01 (CVF-S1)配线图FSCG05 (CVF-G5)系列变频器功能强大、经济实惠、使用简单、稳定可靠高性能通用变频器三相380 V 0.75-315 kW产品特点功能强大n 功率范围宽广n 控制功能全面,内置PID ,定时计数器,摆频,16段速运行,智能防呆n 7路可编程数字输入,3路专属数字输入3路模拟输入,2路模拟输出n 恒压供水专用附件经济实惠n 性价比高n 节电率高 (25 %-60 %)n 回报率高 (风机水泵寿命延长20 %)使用简单n G/P 合一,选型灵活n LCD & LED 中文液晶及数码双重显示,面板参数复制n 瞬时停电再启动,掉电自记忆功能,无需重复参数设置n 风机可拆除,便于维护清理稳定可靠n 十年市场鉴定n 卓越品质来自博世标准生产系统n 保护完善 (缺相、短路、过流、过压、欠压、过载、过热等)n 电路板增强涂层,防尘防腐蚀行业应用暖通空调u 风机 u 水泵电力石油u 引风机 u 循环泵 u 注水泵机床行业u 磨床 u 车床u 刨床纺织行业u 大圆机 u 定型机 u 验布机包装行业u 纸机调速 u 传送带 u 贴标记其他设备u 塑料机械 u 空压机 u 球磨机u离心机强大的IO 控制3路专属数字输入实现变频器基本功能,7路可编程数字输入,提供30种功能选项和最多16段速运行,此外,3路模拟输入和2路模拟输出提供电压、电流和频率的灵活组合。
供水附件独有的恒压供水扩展卡,通过连接线与变频器进行连接,通过控制端子实现与接触器的连接,可最多实现4台泵的循环控制。
功率范围宽广G5系列是一款高性价比,高灵活性的G/P 合一的产品,其中G 型:0.75-315 kW ,P 型:4-350 kW ,满足各类重载和轻载的应用需求,110 kW以上可采用柜式安装。
技术数据输入输出电气与结构参数FSCG05 (CVF-G5)配线图FSCZ01 (CVF-ZC)系列变频器功能强大、经济实惠、使用简单、稳定可靠注塑专用一体化柜式变频器三相380 V 11-55 kW产品特点节能n省电25 %-60 %,投资回报快n性价比高n节约生产及维护成本简单n结构紧凑, 安装简单n调试、操作方便n预设优化参数n可锁柜式设计,实现参数保护专业n注塑机专用输入接口n降低噪声及液压油温n专有高效控制程序n180 %/5s的强大过载能力和独特的限流技术n市电/节能双回路运行设计可靠n卓越品质来自博世标准生产系统n系统的安规与可靠性实验n电路板增强涂层,防尘防腐蚀n全面而强大的保护功能行业应用注塑机塑料挤出机压铸机柜式安装内置开关控制装置, 无需额外安装即可使用,直接一步到位,双接触器提供工频/变频自由切换, 提升了系统的可靠性。
过载&PID采用强大的模块,先进的PID 自动调节功能,确保在注塑过程中,能承受超重负载的冲击而不跳闸,保证生产连续性及生产效率,高速的动态响应,最大限度减小制品成形周期的延迟现象。
专注于注塑行业FSCZ01系列变频器是结合专业的注塑机传动控制技术,为注塑机用户节能改造所设计开发的整套解决方案,该系列产品可靠性强、精度高、可与所有定量泵类注塑机相匹配,灵活多样的组合设定保证注塑机的最佳节能效果。
技术数据电气与结构参数21 FSCZ01 (CVF-ZC)配线图22FSCZ02 (CVF-ZS1)系列变频器功能强大、经济实惠、使用简单、稳定可靠注塑机专用变频器三相380 V 11-90 kW产品特点节能n省电25 %-60 %,投资回报快n性价比高n节约生产及维护成本简单n结构轻巧,节省空间n预设优化参数n调试、操作方便专业n注塑机专用输入接口n降低噪声及液压油温n专有高效控制程序n180 %/5s的强大过载能力和独特的限流技术可靠n卓越品质来自博世标准生产系统n系统的安规与可靠性实验n电路板增强涂层,防尘防腐蚀n全面而强大的保护功能行业应用注塑机塑料挤出机压铸机23良好的环境适应性全封闭独立风道设计,壁挂式安装,防尘,防气,防腐蚀,系统发热量小,油温稳定,延长液压系统的使用寿命。
完美的PID 调节采用强大的模块,先进的PID 自动调节功能,确保在注塑过程中,能承受起超重负载的冲击而不跳闸,保证生产连续性及生产效率,高速的动态响应,最大限度减小制品成形周期的延迟现象。
专注于注塑行业FSCZ02系列变频器是结合专业的注塑机传动控制技术,为注塑机用户节能改造所设计开发的整套解决方案,该系列产品可靠性强、精度高、可与所有定量泵类注塑机相匹配,灵活多样的组合设定保证注塑机的最佳节能效果。
24技术数据输入输出电气与结构参数25 FSCZ02 (CVF-ZS1)配线图26附件与选件1. 操作面板远控线缆和远控适配器操作面板最远可通过10 m的远控线缆与变频器主机连接。
2. 供水附件 (扩展卡)供水附件为多泵供水系统专用附件,需和FSCG05系列变频器配合使用,通过该附件扩展卡以实现对多泵供水系统的循环控制。
3. 用于控制柜安装的附件1) 控制柜安装用托盘操作面板(FPCC)安装在控制柜上,可以方便用户在控制柜外面操作、控制变频器。
用户需要额外定购控制柜安装用托盘(FSAM)及其附件。
2) 控制柜安装用操作面板连接电缆连接电缆用于操作面板与装有变频器的控制柜之间的连接,配合安装托盘对变频器进行远程控制,使用前需要将变频器自带操作面板取下,然后将电缆连接在此处。
4. 制动单元三相交流电机停止时(频率降低时),再生的能量回馈到变频器内。
为防止变频器过电压,可使用外部制动单元。
功率晶体管把直流母线电压能量通过制动单元释放给制动电阻,转换为热能。
27我们拥有经验丰富的应用团队帮您选择最合适的变频器产品我们会提供预防性的维护措施以避免一些问题的发生我们在全国各主要城市及地区设有分销中心及仓库,销售伙伴就在您身边,显著缩短交货期限无论是客户送修或是工程师现场服务,我们的售后伙伴及售后中心都会为您提供快速可靠的维修服务服务及支持从应用支持到售后服务,我们一直都是您坚强并且可靠的合作伙伴我们的服务承诺,全天24小时响应,一周7天不间断的技术服务支持!应用咨询销售维护维修博世力士乐 (西安) 电子传动与控制有限公司西安经济技术开发区尚稷路3999号邮编:710021总机:029 - 8655 5100传真:029 - 8655 5106售后服务电话:400 887 6910售后电子邮件:service.fc@邮箱地址:sales@网站:上述数据仅用于说明产品的技术参数。