锚杆钻机型号
- 格式:doc
- 大小:62.00 KB
- 文档页数:3
XP-50A型锚固旋喷工程钻机
一、钻机用途
XP-50A型锚杆旋喷工程钻机主要用于单重管也可以用于双重管旋喷灌浆,作提升和旋转喷射管用途,在垂直度要求不是太高的地基加固工程中也可以担当自成孔任务。
二、钻机特点
1、钻机扭力大,具高低速档位,使用高速档位时可自行钻进;.
2、钻机提速可以任意调节,适应旋喷作业各种提升速度的需要;
3、钻机设计紧凑,重心稳定,熟练工人善于利用动力头顶压功能时,移动并不
困难;
4、设备适应小型场地的高喷作业。
三、技术参数
1、钻孔深度:50-60m
2、桩径:400-800mm
3、钻杆规格:单管ø42-50mm
双管ø50mm
4、旋喷倾角:-5°到90°
5、输出转速:正:19,38,70,120rpm
反:16rpm
6、提升力:额定24kN,最大30kN
7、给进力:额定16kN,最大21kN
8、滑道行程: 2.3或1.8m任选
9、提升速度:0-25mm/Min(可调)
10、额定扭矩:1500N.m
11、电机型号:Y160L-6 功率11kw
12、外形尺寸:长×宽×高:3400×1500×1500mm
13、钻机净重:950kg。
高长臂锚杆钻机参数高长臂锚杆钻机是一种用于地下工程施工的设备,具有特定的参数和技术指标。
下面将从主要参数、工作原理和适用范围三个方面介绍高长臂锚杆钻机。
一、主要参数1. 钻孔直径:高长臂锚杆钻机适用于直径为φ42mm~φ150mm的钻孔。
2. 钻孔深度:该设备能够钻探深度达到30m,满足大部分地下工程的需求。
3. 旋转速度:高长臂锚杆钻机具有高速旋转和低速旋转两档,高速旋转时转速可达350r/min,低速旋转时转速为100r/min。
4. 出杆力矩:该设备的出杆力矩为2000N·m,能够满足钻杆的进出需求。
5. 工作压力:高长臂锚杆钻机的工作压力为0.5~1.2MPa,可以根据具体工程需求进行调节。
6. 机器重量:设备的整体重量为8.5t,便于搬运和操作。
二、工作原理高长臂锚杆钻机通过动力系统驱动钻杆进行旋转,同时通过油缸推动钻杆的进出。
在钻孔过程中,先将钻杆插入地下,然后启动设备,使钻杆旋转并逐渐向下钻探。
当达到所需深度时,停止旋转,将注浆管插入钻孔中进行注浆。
注浆完毕后,将钻杆逐渐拔出,完成整个钻孔过程。
三、适用范围高长臂锚杆钻机广泛应用于地下工程施工中的锚杆支护、喷射混凝土支护和地下水排放等工作。
它适用于各种地质条件下的钻孔作业,如软土、黏土、砂岩和粉煤等。
由于其具有较大的钻孔直径和钻孔深度,适用于需要较长锚杆的工程,如地铁、隧道和矿山工程等。
高长臂锚杆钻机是一种具有特定参数和技术指标的地下工程施工设备。
通过旋转钻杆和推动进出杆的方式,完成钻孔和注浆作业。
它适用于各种地质条件下的钻孔作业,并广泛应用于地铁、隧道和矿山等工程中。
高长臂锚杆钻机的出现为地下工程的施工提供了更高效、更便捷的解决方案。
锚杆钻机的发展现状锚杆钻机是实现锚杆支护技术的重要机械设备,随着锚杆支护技术的飞速发展,用于钻凿锚杆孔的锚杆钻机也得到了快速发展。
展望它的发展,有助于不断促进锚杆钻机设备的技术进步,使其更加适应现代支护技术的需要。
本文就目前煤矿专用锚杆钻机的现状作以阐述,希望对今后锚杆钻机的研制生产有所参考。
1 国外锚杆钻机技术发展状况目前,国外应用较为普遍的单体锚杆钻机主要有风动和液压锚杆钻机两种。
风动锚杆钻机有澳大利亚的克莱姆公司WOMBAT型,阿明克公司GO.PHER型和瑞典PRB一300型等;液压锚杆钻机有英国WlSP型,澳大利亚PROBAM型等。
特别是澳大利亚在风动锚杆钻机方面一直保持着较为领先的技术和产品,主要有柱塞马达与齿轮马达2种,采用玻璃钢碳素纤维支腿,产品特点是重量轻、扭矩大、噪音低、耗气量小、机身矮等。
新型锚机组的出现虽然只有l0多年,这种一体化的锚杆支护技术在国外越来越受到重视,发展也很快,常采用性能优良、技术先进、操作维修方便、应用范围广的锚杆钻机与采掘设备配套的锚机组。
如乔伊公司生产的14CM10型采掘锚机组,12ED18型采锚机组,鲍拉特公司的E230型掘锚机组,郎艾道公司的RBI一50L型锚杆钻车等班工作效率已达120—240根。
2国内锚杆钻机的研制状况我国煤矿专用锚杆钻机的研究始于20世纪70年代末,先后研制过机械支腿式锚杆钻机、钻车式锚杆钻机,支腿与导轨式液压锚杆钻机、支腿式气动锚杆钻机、非机械传动电动锚杆钻机、机载式锚杆钻机等。
已形成液压、电动、气动三大系列30多个品种。
(I)液压锚杆钻机液压锚杆钻机是通过液压马达驱动旋转切削破岩的。
通常都附带泵站,由泵站输送的液压油提供动力.带动液压马达转动。
现多采用低速转动的结构,省去齿轮传动机构,直接带动钻机。
液压锚杆钻机可分为单体型和手持型2种形式。
单体钻机主要是MZ系列,由主机、操纵架和泵站三大部分组成。
这种机型只能钻顶部锚杆孔,但钻孔平稳,一次推进行程长。
MYT-125-380液压锚杆钻机
MYT-125-380液压锚杆钻机以液压油为工作介质,其特点是;工作压力高,效率高,动力头输出扭矩大,体积小,重量轻、回转速度无机可调、锚杆锚索通用且操作方便。
由于该钻机钻进过程中独特的支腿推力和推进速度任意可调,因而适应范围广范zmjt054,可在f≤8的各种岩石硬度的巷道内实现高速度高质量的钻进工作。
在具备压缩空气的巷道内使用可以节能增效中,煤,集,团,在没有铺设风路的巷道内是用户必须的设备。
在综掘巷道内可以与掘进机配套使用。
可称得上目前理想的锚杆支护钻孔设备。
MYT-125-380液压锚杆钻机型号意义
型号:MYT-125-380液压锚杆钻机;
M——锚杆钻机;
Y——液压;
T——支腿式;
125——额定转矩(N.m);
380——额定转速(r-min)。
一、工程概况本工程为某住宅小区建设项目,总建筑面积约12万平方米,占地面积约2.5万平方米。
工程地质条件复杂,土方工程量较大,施工难度较高。
为确保工程顺利进行,现对土方工程施工设备进行以下部署。
二、设备选型1. 土方开挖设备(1)挖掘机:选用中联挖掘机,型号为ZL50,主要用于土方开挖、运输等。
(2)装载机:选用徐工装载机,型号为LW950F,主要用于土方运输。
(3)自卸汽车:选用东风自卸汽车,型号为EQ1108GLJ2,主要用于土方运输。
2. 土方平整设备(1)推土机:选用卡特彼勒推土机,型号为D6N,主要用于土方平整、压实。
(2)压路机:选用沃尔沃压路机,型号为WA200,主要用于土方压实。
3. 土方支护设备(1)喷锚设备:选用上海宝钢喷锚设备,型号为SGJ-500,主要用于边坡支护、基坑支护。
(2)锚杆钻机:选用浙江华岩锚杆钻机,型号为HLD-50,主要用于锚杆钻孔。
4. 测量设备(1)全站仪:选用南方全站仪,型号为TC1700,主要用于测量放线、边坡监测。
(2)水准仪:选用苏一光水准仪,型号为S3,主要用于测量标高。
三、设备配置1. 土方开挖设备:配置挖掘机3台、装载机2台、自卸汽车5台。
2. 土方平整设备:配置推土机2台、压路机2台。
3. 土方支护设备:配置喷锚设备1套、锚杆钻机1台。
4. 测量设备:配置全站仪1台、水准仪1台。
四、设备使用与维护1. 设备使用:严格按照操作规程进行操作,确保设备安全运行。
2. 设备维护:定期对设备进行保养、润滑、清洗等,确保设备处于良好状态。
3. 设备故障处理:发现设备故障时,及时报修,确保工程进度不受影响。
五、设备调度与管理1. 设备调度:根据工程进度和施工需求,合理调配设备,确保工程顺利进行。
2. 设备管理:建立健全设备管理制度,明确设备使用、维护、保养等责任,确保设备完好。
通过以上设备部署,确保土方工程施工顺利进行,为后续工程奠定坚实基础。
MQT-120/2.7锚杆钻机济宁东亚工矿物资有限公司主要生产的气动锚杆钻机型号主要有:MQT-85气动锚杆钻机,MQT-110气动锚杆钻机,MQT-120气动锚杆钻机,MQT-130气动锚杆钻机,MQTB气动支腿式锚杆钻机,MQS-35手持式帮锚杆钻机,MQS-60手持式帮锚杆钻机,锚杆安装机等。
MQT-120/2.7型气动锚杆钻机广泛适用于岩石硬度≤f8的巷道,特别适应煤巷的锚杆支护作业,既可钻顶板锚杆孔,又可钻锚索孔,还可搅拌和安装树脂药卷类锚杆、锚索,无需其他设备,即可实现锚杆螺母一次安装拧紧,达到初锚预紧力的要求。
特点:体积小,重量轻,操作简单,维护方便。
齿轮式气动马达,运转稳定,可靠性高。
新型玻璃钢气腿设计,安全防爆、使用寿命更长。
主要技术参数:MQT-110/2.5气动锚杆钻机MQT-110/2.5型气动锚杆钻机广泛适用于岩石硬度≤f8的巷道,特别适应煤巷的锚杆支护作业,既可钻顶板锚杆孔,又可钻锚索孔,还可搅拌和安装树脂药卷类锚杆、锚索,无需其他设备,即可实现锚杆螺母一次安装拧紧,达到初锚预紧力的要求。
特点:体积小,重量轻,操作简单,维护方便。
齿轮式气动马达,运转稳定,可靠性高。
新型玻璃钢气腿设计,安全防爆、使用寿命更长。
MQT-130/2.8气动锚杆钻机MQT-130气动锚杆钻机MQT-130/2.8型气动锚杆钻MQT-130/2.8型气动锚杆钻机广泛适用于岩石硬度≤f10的巷道,特别适应煤巷的锚杆支护作业,既可钻顶板锚杆孔,又可钻锚索孔,还可搅拌和安装树脂药卷类锚杆、锚索,无需其他设备,即可实现锚杆螺母一次安装拧紧,达到初锚预紧力的要求。
特点:体积小,重量轻,操作简单,维护方便。
齿轮式气动马达,运转稳定,可靠性高。
新型玻璃钢气腿设计,安全防爆、使用寿命更长。
主要技术参数:工作气压 Mpa 0.4-0.63额定气压 Mpa 0.5额定转速 r/min 206额定转矩 N.m 130失速转矩 N.m 220空载转速 r/mi n ≥ 560耗气量 m3/min 4.5最大推力 KN 8冲洗水压力 Mpa 0.6-1.2噪声 dB(A)≤ 95钻尾六方尺寸 mm 19:22锚杆机系列规格号 MQT-130/2.8-A MQT-130/2.8-B MQT-130/2.8-C 整机最大高度mm 2457 ± 50 3057±50 3657±50整机最小高度mm 1126 ± 50 1276±50 1426±50整机重量 Kg 53 55 57。
说明
廊坊景隆重工机械有限公司(以下称:我公司)是一家致力于煤矿、大型工程隧道高效快速掘进新技术、新工艺、新装备的研发、生产、销售和服务于一体的创新型企业,获国家《高新技术企业证书》,中国最大的锚杆锚索钻车专业企业。
我公司自主研发的煤矿专用锚杆锚索钻车CMM2系列产品包括CMM2-16型、CMM2-21型、CMM2-24型和CMM2-27型等适用不同巷道条件的两臂和多臂锚杆锚索钻车,其中公司在国内外原创的紧凑型(宽度1~1.3m)锚杆锚索钻车已在全国各大主要煤炭生产企业大量推广使用,包括中煤集团、神华集团神东公司、宁煤集团、华电集团、国电集团、陕煤集团、兖矿集团、同煤集团、淮南矿业集团、京煤集团和伊泰集团等,累计销售400余台。
我公司自主研发的大型工程隧道专用锚杆台车系列产品广泛应用于高铁、高速公路、水工、市政等行业。
CMM2系列全液压锚杆锚索钻车技术规格书
(一)设备构成
CMM2系列全液压锚杆锚索钻车由行走机构、机体部、推进机构、钻孔机构、前部支撑机构、钻臂机构、液压系统、水系统、电气控制系统等九大部分构成(详见下表),能够实现顶板、侧帮的全部锚杆、锚索支护作业。
钻车在结构和功能上采用了整体升降的工作平台,可以根据巷道高度情况通过平台升降使作业人员进行上下调整,从而很方便的实现巷道内不同高度、不同角度的锚杆、锚索机械化施工作业。
设备机构构成表:
(二)主要技术参数
景隆重工机械有限公司
2017年。
分包:MQT-130气动锚杆钻机及配件一、货物规格及数量二、资质要求1、投标厂家应为中华人民共和国境内注册的合法生产厂商。
2、投标单位应根据项目情况提供矿用产品安全标志证及第三方检验报告等主要相关证书。
三、税金要求17%增值税。
四、技术要求1、执行标准:MT/T688-1997。
2、工作压力0.4-0.63Mpa。
3、额定转矩≥95-≥150N.m。
4、额定转速175-220r/min。
5、空载转速≥480-≥670r/min。
6、最大输出功率≥2.0-≥3.5kW。
7、支腿推力一级≥6.3-≥9.9kN;二级≥5.3-≥8.2kN;三级≥4.0-≥6.4kN。
8、空载推进速度≥150mm/s。
9、最大负荷转矩≥170-≥270N.m。
10、起动转矩≥175-≥275N.m。
11、动力失速转矩≥180-≥270N.m。
12、1/2空载转速≥190-≥225r/min。
13、1/2空载转速下转矩≥90-≥160 N.m。
14、负载耗气量≥3.0-≥4.8m³/min。
15、整机最大高度2460±50-3660±50mm。
16、整机最小高度1125±50-1425±50mm。
17、重量46±2-53±2kg。
18、冲洗水压力0.6-8Mpa。
五、供货周期2015年3月1日起至2016年2月29日止。
六、质保期合同签订之日起6个月。
七、交货时间:按需方要求分批到货。
八、交货地点:需方指定地点。
分包:MQT-120气动锚杆钻机及配件一、货物规格及数量二、资质要求1、投标厂家应为中华人民共和国境内注册的合法生产厂商。
2、投标单位应根据项目情况提供矿用产品安全标志证及第三方检验报告等主要相关证书。
三、税金要求17%增值税。
四、技术要求1、执行标准:MT/T688-1997。
2、工作压力0.4-0.63Mpa。
3、额定转矩≥100-≥130N.m。
MYT—120/320系列液压锚杆钻机MYT—120/320系列液压锚杆钻机是锚杆支护作业中的一种新型产品,以液压油为工作介质,具备工作压力高,适应范围广,效率高(≥75%),重量轻且操作方便的显著特点。
可在f≤10的各种岩石硬度的巷道内实现高速高质量的钻进工作,在有压缩空气的巷道内使用可以节能增效,在没有敷设压风管路的巷道内是用户的必备设备。
在综掘巷道内可与综掘机配套使用。
1.基本技术性能参数钻机部分配套泵站部分序号名称单位参数序号名称单位参数1 额定压力MPa 15 1 电机电压v 660/380 2 额定转矩N•m 120 2 电机转速r/min 1450 3 额定转速r/min 320 3 电机功率kw 11 4 输出功率kw 4.5 4 额定压力MPa 15 5 额定流量L/min 36 5 额定流量L/min 36 6 噪声声压级dB(A) 92 6 泵站外形尺寸mm1650×550×750 声功率级108 7 钻机重量kg 40/53/58 7 最高油温℃≤65 8 钻机最大高度mm3520/3120/1620 8 泵站重量(含油重)kg 270 9 钻机最小高度mm 1520/1320/950 9 油箱有效容积L 120 10 支腿推力kN 10 11 推进行程mm 2000/1800/670 12 推进速度m/s 0.34 13 反回速度m/s 0.15 14 适应岩石硬度 f ≤10 15 冲洗水压力MPa 0.6-1.2 16 钎杆六方尺寸mm S=19(22) 本产品执行的标准为Q/YKP01-2005《MYT-120/320液压锚杆钻机》M Y T –120/320 额定转矩120Nm/额定转速320r/min 表示支腿式表示液压式表示锚杆钻机安全警示:(1)溢流阀调定压力出厂时已设定好,使用中不得随意将卸载压力调高;(2)配套的防爆电机、液压胶管、电缆等不允许随意更换;(3)液压系统不得在泄漏状态下工作,并对泄漏的工作场所的矿物油及时清理、掩埋。
本产品执行:MT/T688—1997标准和Q/320925RZJ001-2007企标MQT-130/3.0型MQT—120/2.5型气动锚杆钻机使用维护说明书建湖县荣州工矿机械安全警告1 .使用该产品前,请您先详细阅读本说明书,以便掌握该产品的主要结构、功能和操作安全事项。
2 .施工操作时,请操作员工穿、戴好劳保衣帽和器具,按操作程序进行该机的操作使用。
3 .在使用过程中,出现诸如噪声、压力异常等故障,请停机排查后再运行,以免造成不必要的事故。
4 .本机配套用注油器为英格索兰()工具生产的FY200A 型铝合金外壳注油器及其配件,不得随意更换。
5 .本产品的工作压力为0.4-0.63MPa,严禁超压工作,以防意外事故发生。
尊敬的用户:MQT-120/2.5、MQT-130/3.0型气动锚杆钻机用于顶板硬度f=3-8的各种隧道、岩巷、煤巷、半煤巷进行锚网支护作业时使用。
本钻机重量轻、操作灵活方便,集钻孔、搅拌、安装锚索、锚杆于一体,是煤矿巷道、工程遂道锚索、锚杆支护配套的理想机具。
使用该钻机前,请您先详细阅读本说明书,以便掌握该钻机的各部分主要结构、功能和操作事项。
施工操作,请操作人员穿、戴好劳保衣帽和器具,严格按操作规程进行该机的操作使用。
在使用过程中,出现如噪声、气压异常或漏气现象等故障,请停机排查后再进行操作,以免造成不必要的事故。
您的合作!本公司愿以优质的产品和良好的售后服务成为广大客户的合作伙伴。
目录1主要用途及适用围 4 2产品特点 4 3型号表示方法 4 4主要参数 5 5工作原理 5 6操作说明 5 7作业前的检查 6 8钻锚杆孔作业 8 9安装锚杆支护 8 10作业之后检查 8 11安全规程 9 12常见故障及排除方法 10 13随机技术文件、易损件、工具清单 12 14钻机部件明细 121、主要用途及适用围MQT-120/2.5、130/3.0型气动锚杆钻机主要用于隧道、煤巷、半煤巷中钻凿锚杆锚索孔和离层观察孔等,还可搅拌和安装锚杆。
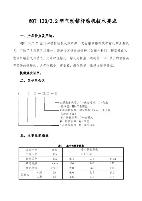
MQT-130/3.2型气动锚杆钻机技术要求一、产品特点及用途。
MQT-130/3.2型气动锚杆钻机是煤矿井下进行锚索锚杆支护钻孔的主要机具,它除了具有钻孔功能外,还能安装锚索或锚杆(如搅拌树脂、拧紧螺母)。
它以压缩空气为动力,用水冲洗钻孔,钻孔无粉尘。
该机对f >10以上的硬岩具有良好的钻进性。
具有体积小,重量轻,操作简单,维修方便等特点。
提供煤安证书。
二、型号及含义M Q □—□/□—□支腿高度代号:Ⅰ-代表矮型;Ⅱ-代表标准型;Ⅲ-代表高型主要参数代号:额定转矩(N.m)/最大输出功率(kW)第二特征代号:T—支腿式第一特征代号:Q—气动产品类型代号:M—锚杆钻机三、主要性能指标四、随机附件清单2五、执行的标准:MT/T688-1997 、Q/ST001-2014六、资质、证件要求要求投标厂商提供有效的营业执照、组织机构代码证及税务登记证,法人委托书(附法人及委托人身份证复印件)。
配件送达买受人时,为便于验收,出卖人除发装箱清单外,使用说明书、合格证等资料。
七、技术培训及售后服务事宜在保质期内非人为损坏,免费维修、更换,如出现质量问题,出卖人应在48小时内赶到产品使用现场进行服务。
如为非正常使用造成的问题由使用人负责,如确为产品质量问题,所造成的损失由出卖人全额承担。
投标时,投标人应承诺质量保质期及相关服务。
八、交货时间及交货通知在合同有效期内采用分批次的形式进行送货、交货,委托人保证在接到受托人书面送货通知(送货通知单)后,于10日内将代储物资运至受托人指定现场并提供产品合格证等相关资料,对受托人安全生产或抢险救灾所需的急用物资应保证在接通知后双方协商,以最短时间到货,确保使用。
不在合同约定范围内的,同样的品种按相邻较低的规格单价执行。
九、其它要求推荐生产厂家:河南顺天实业有限公司、江阴长力科技有限公司、江阴市瀚威煤矿机械制造有限公司未尽事宜,协商解决。
3。
CMM2-30煤矿用液压锚杆钻车
CMM2-30煤矿用液压锚杆钻车配有两部锚杆钻机,单独操作,互不影响,具有结构合理紧凑、动作灵活、操作简便等特点,采用变量先导操作系统,充分体现了产品的先进性、可靠性、zmjt054适用性和经济性等特点。
行走机构所配置的一体式马达减速机选用进口件,履带板采用优质合金铸钢材料保证其运行可靠。
整体结构简单,紧凑,功能齐全。
CMM2-30型煤矿液压锚杆钻车在结构上采用了整体升降的工作平台,可以根据巷道高度情况通过平台升降使作业人员进行上下调整,从而很方便的实现巷道内不同高度、不同顶板角度锚杆(索)孔中,煤,集,团、侧帮锚杆孔的机械化施工。
本钻车具有钻进功能全面,工作效率高,工人劳动强度低等特点,采用全液压控制,液压锚杆钻机,其转矩、推力、转速能随工作负载的变化,实现较合理的匹配,使液压锚杆钻机始终保持良好的钻削性能,提高支护效率和支护质量。
机的性能。
每次钻孔作业完毕,应先停水,再让钻机空运转一会,有利于去水防锈。
3.润滑3.1马达组件马达组件的润滑是通过主轴座上的两个注油嘴来加注黄油。
每使用0.5∽1个月通过传动箱上的两个注油嘴补充注入润滑脂。
3.2滑道与滑槽的润滑通过表面注油来解决。
要求每班工作完成后对滑动工作表面用水冲洗掉机体上的泥沙并注油润滑。
以防止机件生锈和延长钻机使用寿命。
3.3润滑油料环境温度在-150C∽100C时,可采用20#机械油。
环境温度在100C∽350C时,可采用30#机械油。
马达组件中的滚动轴承和密封圈处的润滑,使用3号二硫化钼锂基脂。
3.3润滑作业钻孔作业时,禁止无油作业。
先涂上润滑油脂,可有效的延长钻杆和钎套的使用寿命。
4.钻杆钻杆六方对边尺寸为22mm。
要求钻杆具有一定的弹性和耐磨性,因此一定要配用优质的成品钻杆,禁止使用弯曲的钻杆。
六.操作规范1.操作钻机的操纵使用多路控制阀进行操作。
2.使用前的准备;⑴应满足“使用条件”所述各项要求。
⑵操作者应由两人组成,应处于能够方便观察钻机工作状态的位置(在切割减速箱上部为宜)。
⑶事先将钻杆装入马达的钎套中。
钻孔前,先空运转,检查马达旋转、油缸升降、水路启闭,全部正常后,才正式投入作业。
⑷将锚杆机调整到需要钻孔的位置,将支撑架伸出支撑于顶板上并锁定。
3.钻锚杆孔作业(1)开眼位时,钻杆转速不可过快,油缸推进要慢一些,当钻进孔眼30毫米左右时,方可开启冷却水,加快转速,加大推力,进入正常钻孔作业。
(2)钻孔到位后,使推进油缸反向供液,使马达组件平稳地带着钻杆回落。
(3)关闭马达和冷却水。
4.搅拌和安装锚杆(1)不允许使用弯曲不直的锚杆,即单独将锚杆插入锚杆孔应能转动自如,无卡紧状况。
(2)摘除钻杆并装入注锚器。
(3)将树脂药卷塞入锚杆孔内,锚杆托盘通过锚杆机支撑头与顶板间的空隙放置在孔眼位置,将锚杆带螺母的一端装入注锚器中,另一端透过托盘孔眼顶住树脂药卷。
启动滑动架和链条驱动油缸,当树脂药卷前端到达孔底时,开始启动马达慢速旋转,使锚杆刺破药卷开始搅拌。
电机招聘专家锚杆钻机技术简介锚杆钻机是煤矿锚杆支护中必不可少的工具,锚杆支护的发展需要大量锚杆孔钻进设备作保证。
煤矿锚杆支护是巷道支护的发展方向,为了更好应用锚杆支护技术,为安全采掘保驾护航,现将锚杆钻机的基本情况作如下梳理:一,锚杆钻机的分类:锚杆钻机按结构分为单体式、钻车式、机载式;按动力分为电动式、气动式、液压式;按破岩方式分为回转式、冲击式、冲击回转式、回转冲击式。
到目前为止,我国已开发了30多种型号和不同类型的锚杆钻机,但适于井下使用且可靠性较好的只有3~4种产品。
另外,还有许多煤矿在锚杆支护施工中大量使用的还是传统气动凿岩机与煤电钻,这不利于安全、高效作业。
二,主流产品介绍1、单体气动回转式锚杆钻机。
基本情况:该钻机是锚杆钻机产品的主流,在齿轮式、柱塞式和电机招聘专家叶片式三种类型气动马达中,叶片马达式已基本淘汰,齿轮式马达与柱塞式马达在扭矩——转速特性、不同气压下的性能、噪声特性、对润滑的要求与抗污染等方面各有优缺点,在不同使用条件下都有各自的市场。
总的来说,齿轮气动马达式已基本能代替进口产品,但玻璃钢支腿等部分的可靠性需要进一步提高;柱塞马达式锚杆钻机尚处于小批量生产阶段,尚需考核。
气动冲击式锚杆钻机基本以双级气腿式为主,因其结构较成熟,可以在坚硬岩石上钻进。
尽管在某种岩石条件下的凿岩速度低于回转式,且噪声颇高,仍被相当多地应用于锚杆支护。
条件限制:国产气动锚杆钻机已基本能代替进口产品。
但煤矿井下压缩空气系统的输送管道距离长,井下气动设备多,工作面气体工作压力偏低,常常在0.4MPa以下,使钻机性能与钻进速度都比0.63MPa压力下下降30%以上,影响锚杆孔钻进的效果,特别是在坚硬岩石与深孔作业条件下,钻进作业更加困难。
2、液压锚杆钻机。
基本情况:该机型输出的扭矩高于气动锚杆钻机,在某些场合下应用较好,特别是与掘进机配套是较优越的工作方式。
条件限制:从目前已正式投入使用的支腿式液压锚杆钻机来看,电机招聘专家钻机输出扭矩仍然偏低,液压系统容易发热。
锚杆钻孔机设备参数锚杆钻孔机是一种用于地下工程施工的设备,主要用于钻孔、安装锚杆。
以下是锚杆钻孔机的一些常见参数:1. 型号:根据不同的钻孔需求和工程场景,锚杆钻孔机有多种型号,如手持式、中小型、大型等。
2. 钻孔直径:锚杆钻孔机的钻孔直径范围较大,一般为16-120毫米。
不同型号的钻机可适应不同直径的锚杆施工。
3. 钻孔深度:锚杆钻孔机的钻孔深度也因型号而异,一般为5-60米。
大型钻机可实现更深度的钻孔。
4. 转速:锚杆钻孔机的转速一般在0-300转/分钟之间,可根据钻孔材料和钻头类型进行调整。
5. 扭矩:锚杆钻孔机的扭矩值表示钻机在钻进过程中产生的驱动力。
不同型号的钻机扭矩值不同,一般在10-100牛·米之间。
6. 推进力:锚杆钻孔机的推进力用于驱动锚杆向前推进。
推进力越大,锚杆安装速度越快。
常见推进力范围为10-100吨。
7. 液压系统:锚杆钻孔机通常采用液压传动系统,实现钻机的升降、旋转、推进等功能。
液压系统的压力一般在10-60兆帕之间。
8. 控制系统:锚杆钻孔机通常配备先进的控制系统,实现自动化钻孔、锚杆安装等功能。
控制系统可实时监测钻机的工作状态,并进行相应调整。
9. 电源:锚杆钻孔机一般采用电动或内燃机动力,电动钻机需配备合适的电源设备,而内燃机钻机则需加油。
10. 重量和尺寸:锚杆钻孔机的重量和尺寸因型号而异,小型钻机重量较轻,便于携带和搬运;大型钻机则重量较大,占地面积较大。
11. 安全性:锚杆钻孔机应具备一定的安全防护措施,如防触电、防滑、防溅水等,以确保操作人员的人身安全。
在选购锚杆钻孔机时,需根据实际工程需求,综合考虑以上参数,选择适合的设备。
同时,还需关注锚杆钻孔机的售后服务、制造商的信誉等因素,以确保购买到高质量的设备。
煤矿井下常用钻机型号1. 引言煤矿是我国重要的能源资源,为了有效开采和利用煤炭资源,钻机在煤矿井下的开采作业中起着重要的作用。
本文将介绍几种常用的煤矿井下钻机型号,包括岩心钻机、旋转式钻机和锚杆钻机。
2. 岩心钻机岩心钻机是一种常见的井下钻机,主要用于地质勘探和岩层取样。
它可以在井下进行不同深度的岩心取样,并提供有关地质情况和煤层结构的重要信息。
以下是几种常见的岩心钻机型号:2.1 液压式岩心钻机液压式岩心钻机采用液压系统驱动,具有稳定性好、工作效率高等特点。
它通常由液压泵、油缸、电动机等部件组成。
这种类型的钻机适用于不同类型的地质条件,如软土层、硬岩等。
2.2 电动式岩心钻机电动式岩心钻机采用电动机驱动,具有操作简便、噪音小等优点。
它通常由电动机、减速器、钻杆等部件组成。
这种类型的钻机适用于较小规模的岩心取样工作。
2.3 气动式岩心钻机气动式岩心钻机采用气动系统驱动,具有结构简单、维护方便等特点。
它通常由气压缸、气源装置、控制阀等部件组成。
这种类型的钻机适用于井下无电源供应的情况。
3. 旋转式钻机旋转式钻机是一种常见的井下开采设备,主要用于钻孔和爆破作业。
它可以在井下进行不同直径和深度的钻孔,为煤层开采提供必要支持。
以下是几种常见的旋转式钻机型号:3.1 旋转挖掘器旋转挖掘器是一种高效率的井下开采设备,它通过旋转刀具进行地层切削和破碎。
它通常由电动机、行走装置、刀具等部件组成。
这种类型的钻机适用于硬质煤层的开采作业。
3.2 旋转钻探机旋转钻探机是一种多功能井下开采设备,它可以进行钻孔、取样、爆破等作业。
它通常由电动机、变速器、钻杆等部件组成。
这种类型的钻机适用于不同深度和直径的钻孔作业。
3.3 旋转锚杆机旋转锚杆机是一种专用的井下开采设备,主要用于锚杆安装和支护作业。
它通常由电动机、液压泵站、支架等部件组成。
这种类型的钻机适用于煤层支护和安全工作。
4. 锚杆钻机锚杆钻机是一种常见的井下工程设备,主要用于煤层支护和加固作业。
mtt 1055-2008 煤矿用机载锚杆钻机通用技术条件摘要:一、引言二、标准概述三、技术要求1.主要参数2.钻机结构3.钻杆及配件4.操作与维护四、试验方法五、检验规则六、标志、包装与运输正文:一、引言随着我国煤矿行业的快速发展,煤矿用机载锚杆钻机的应用越来越广泛。
为了规范这一设备的技术要求,确保其安全可靠,我国制定了相应的技术标准。
本文将对MT 1055-2008《煤矿用机载锚杆钻机通用技术条件》这一标准进行详细解读。
二、标准概述MT 1055-2008是我国煤矿用机载锚杆钻机的通用技术条件标准,适用于煤矿井下、露天煤矿及地下矿山的锚杆钻机。
本标准规定了煤矿用机载锚杆钻机的术语和定义、型号与基本参数、技术要求、试验方法、检验规则、标志、包装与运输等。
三、技术要求1.主要参数煤矿用机载锚杆钻机的主要参数包括:额定转矩、额定钻孔直径、最大钻孔深度、最大钻孔倾角等。
这些参数应符合标准规定的要求。
2.钻机结构钻机结构应具有足够的强度和刚度,确保其在井下恶劣环境中稳定工作。
主要部件包括:主机、操作台、履带行走装置、液压系统、电气系统等。
3.钻杆及配件钻杆及配件应具有良好的抗弯、抗扭和抗冲击性能。
钻杆的连接方式有螺纹连接和快速接头连接,应保证连接牢固、拆卸方便。
4.操作与维护煤矿用机载锚杆钻机的操作应简单便捷,易于掌握。
操作人员应经过专业培训,熟悉设备的结构、性能和工作原理。
设备的维护保养应定期进行,确保设备的正常运行。
四、试验方法本标准规定了煤矿用机载锚杆钻机的试验方法和步骤,包括:结构强度试验、性能试验、安全保护装置试验等。
五、检验规则设备出厂前应进行逐台检验,检验项目包括:外观检查、结构检查、性能检查、安全保护装置检查等。
设备应符合本标准的要求,才能出厂。
六、标志、包装与运输设备的标志应包括:产品名称、型号、规格、生产厂家、生产日期等。
包装应符合运输要求,确保设备在运输过程中不受损坏。
设备应有明确的运输注意事项,防止在运输过程中发生意外。
MQT-120/2.7锚杆钻机
济宁东亚工矿物资有限公司主要生产的气动锚杆钻机型号主要有:MQT-85气动锚杆钻机,MQT-110气动锚杆钻机,MQT-120气动锚杆钻机,MQT-130气动锚杆钻机,MQTB气动支腿式锚杆钻机,MQS-35手持式帮锚杆钻机,MQS-60手持式帮锚杆钻机,锚杆安装机等。
MQT-120/2.7型气动锚杆钻机广泛适用于岩石硬度≤f8的巷道,特别适应煤巷的锚杆支护作业,既可钻顶板锚杆孔,又可钻锚索孔,还可搅拌和安装树脂药卷类锚杆、锚索,无需其他设备,即可实现锚杆螺母一次安装拧紧,达到初锚预紧力的要求。
特点:
体积小,重量轻,操作简单,维护方便。
齿轮式气动马达,运转稳定,可靠性高。
新型玻璃钢气腿设计,安全防爆、使用寿命更长。
主要技术参数:
MQT-110/2.5气动锚杆钻机
MQT-110/2.5型气动锚杆钻机广泛适用于岩石硬度≤f8的巷道,特别适应煤巷的锚杆支护作业,既可钻顶板锚杆孔,又可钻锚索孔,还可搅拌和安装树脂药卷类锚杆、锚索,无需其他设备,即可实现锚杆螺母一次安装拧紧,达到初锚预紧力的要求。
特点:
体积小,重量轻,操作简单,维护方便。
齿轮式气动马达,运转稳定,可靠性高。
新型玻璃钢气腿设计,安全防爆、使用寿命更长。
MQT-130/2.8气动锚杆钻机
MQT-130气动锚杆钻机
MQT-130/2.8型气动锚杆钻
MQT-130/2.8型气动锚杆钻机广泛适用于岩石硬度≤f10的巷道,特别适应煤巷的锚杆支护作业,既可钻顶板锚杆孔,又可钻锚索孔,还可搅拌和安装树脂药卷类锚杆、锚索,无需其他设备,即可实现锚杆螺母一次安装拧紧,达到初锚预紧力的要求。
特点:体积小,重量轻,操作简单,维护方便。
齿轮式气动马达,运转稳定,可靠性高。
新型玻璃钢气腿设计,安全防爆、使用寿命更长。
主要技术参数:
工作气压 Mpa 0.4-0.63
额定气压 Mpa 0.5
额定转速 r/min 206
额定转矩 N.m 130
失速转矩 N.m 220
空载转速 r/mi n ≥ 560
耗气量 m3/min 4.5
最大推力 KN 8
冲洗水压力 Mpa 0.6-1.2
噪声 dB(A)≤ 95
钻尾六方尺寸 mm 19:22
锚杆机系列规格号 MQT-130/2.8-A MQT-130/2.8-B MQT-130/2.8-C 整机最大高度mm 2457 ± 50 3057±50 3657±50
整机最小高度mm 1126 ± 50 1276±50 1426±50
整机重量 Kg 53 55 57。