电气接地装置隐蔽记录
- 格式:doc
- 大小:23.00 KB
- 文档页数:1
建筑电气接地装置隐蔽工程检查记录建筑电气接地装置隐蔽工程检查记录项目名称:项目地点:检查日期:检查人员:一、接地装置材料检查:1. 接地装置材料是否符合设计要求,包括接地极、接地线、接地排等。
2. 接地装置材料的规格、型号、材质是否符合设计要求。
3. 接地装置材料的数量、尺寸是否与设计要求一致。
4. 接地装置材料是否有损坏、变形、锈蚀等情况。
二、接地装置施工检查:1. 接地极的埋设深度是否符合设计要求。
2. 接地极的埋设位置是否符合设计要求。
3. 接地极的固定方式是否牢固可靠。
4. 接地极与接地线的连接是否紧固可靠。
5. 接地线的敷设是否符合设计要求,是否有明显的弯曲、拉伸等情况。
6. 接地线与接地排的连接是否紧固可靠。
7. 接地排的固定方式是否牢固可靠。
8. 接地排与主接地线的连接是否紧固可靠。
三、接地装置测试检查:1. 使用接地电阻测试仪对接地装置进行测试,记录测试结果。
2. 测试结果是否符合设计要求,接地电阻是否在规定范围内。
3. 如有测试结果不符合要求的情况,需记录具体情况,并提出整改措施。
四、其他检查事项:1. 检查接地装置的标识是否清晰可见。
2. 检查接地装置周围是否有其他设备或物品影响其正常工作。
3. 检查接地装置的防护措施是否到位,如防雷装置、防腐涂层等。
五、存在的问题及整改措施:1. 根据检查结果,列出存在的问题及整改措施。
2. 给出整改问题的时间要求和责任人。
六、备注:在此处记录其他需要说明的事项。
以上是建筑电气接地装置隐蔽工程检查记录的详细内容,根据具体项目情况,可以适当增加或调整检查内容。
接地装置隐蔽验收记录隐蔽验收是指在施工过程中,对一些不能直接检测的工程质量要素进行的检查,目的是确保这些工程质量要素符合设计要求和验收规范。
接地装置作为电气系统中重要的安全措施之一,必须经过隐蔽验收来确保其质量和可靠性。
以下是一份接地装置隐蔽验收记录的范本。
项目名称:***工程工程地点:***施工单位:***监理单位:***验收日期:***一、验收内容1.接地装置的施工是否符合相关设计要求和规范要求。
2.接地装置施工过程中的关键节点是否有照片或视频记录。
3.接地装置施工过程中的质量抽查情况。
二、验收过程1.确认相关文件和技术资料的准备情况。
2.查看接地装置的施工记录和施工图纸,与设计文件进行核对。
3.查看接地装置施工过程中的照片和视频记录,确认施工质量和施工流程。
4.对关键节点进行现场查看和质量抽查,包括接地体的埋设、焊接、连接等。
5.检查接地体与导线的连接情况,确认连接牢固可靠。
6.检查接地体的埋设深度和埋设方法,确保符合设计要求。
7.检查接地装置的标志和标识,包括接地标志牌、接地警示标志等。
8.检查接地装置的绝缘电阻和接地电阻,确认符合规范要求。
9.检查接地体与周围金属构件的连接情况,确认连接可靠。
10.检查接地装置的接地线与主设备的连接情况,确认连接可靠。
三、验收结论根据现场的施工质量情况和相关文件的核对,结合设计要求和规范要求,对接地装置的隐蔽验收给出以下结论:1.接地装置的施工符合相关设计要求和规范要求。
2.接地装置的施工过程中的关键节点有照片或视频记录。
3.接地装置施工过程中的质量抽查合格。
四、修改和处理意见根据现场的检查情况,在隐蔽验收过程中发现以下问题及处理意见:1.一些接地体焊接点的焊接工艺不符合要求,需要重新焊接。
2.一些接地线与主设备的连接不够紧固,需要加固或重新连接。
3.一些接地装置的标志和标识不清晰,需要重新制作或更换。
五、下一步工作根据现场的验收结果和修改处理意见,确定接地装置隐蔽验收的下一步工作:1.对检查出的问题进行整改和处理,确保接地装置的质量和可靠性。
接地装置隐蔽资料填写范例1. 接地装置的重要性嘿,朋友们!今天咱们聊聊接地装置。
听起来有点枯燥,但别急,我保证让你觉得这话题比你想的有趣多了。
接地装置其实就是咱们在电力系统中用来保护设备和人身安全的一个关键部件。
没它可真不行!如果没有接地,设备就像是在“高空行走”,一不小心就可能摔得粉碎,更别提咱们自己了。
所以,安全第一,这话一点都不夸张。
想象一下,你正兴致勃勃地在家里用电器,突然“啪”一声,电器坏了,甚至还可能发生触电的危险,听着就让人毛骨悚然,对吧?这时候,接地装置就像是咱们的“保护神”,给我们和设备提供一个安全的出口。
所以,了解接地装置的隐蔽资料,简直是“保命”的关键。
2. 隐蔽资料的填写要点2.1 基本信息填写隐蔽资料的时候,首先要明确一些基本信息。
比如说,接地装置的类型、位置,以及相关的电气参数。
这些就好比是咱们的身份证,没它们可真不行。
务必要仔细、认真,别马虎了事。
记得曾经有位同事,填写的时候走了神,结果上报的资料全错,后果可想而知,办公室可是一片“乌云密布”,哈哈。
2.2 施工记录接下来,要记录施工过程中的一些细节。
这就像是给你的接地装置做个“成长记录”,把它的成长历程一一记下。
这些信息包括施工时间、参与人员、使用的材料等等。
记住,这些都不能轻视,有时候一个小细节可能会影响到整个系统的运行,就像你吃饭时放盐,放多了没味儿,放少了又腥,所以控制得恰到好处,才是王道。
3. 常见问题及解决方案3.1 数据不完整在填写隐蔽资料时,很多人会遇到数据不完整的问题。
就好比你在写日记,却总忘了写今天的天气。
这时候,建议先列个清单,把该填的内容一项一项写下来,确保不会漏掉。
比如说,接地电阻值、接地电缆的规格,啥都不能少。
别小看这些信息,它们都是后续维护的重要依据,缺了可真是“死马当活马医”!3.2 注意规范另外,还得注意规范。
每个地方的要求可能都不太一样,就像吃饭时的礼仪,南北方差异大。
所以,填写之前最好先了解一下当地的标准和格式。
2电气接地装置隐蔽验收记录电气接地装置作为电力系统中重要的安全设备之一,其合理的设计与安装对于保障电力系统的安全稳定运行至关重要。
为了确保电气接地装置的可靠性和有效性,隐蔽验收工作必不可少。
下面是一份电气接地装置隐蔽验收记录。
一、项目概况项目名称:xxxx电力系统接地装置安装工程项目位置:xxxx地区xxxx市xxxx街道xxxx号隐蔽验收日期:xxxx年xx月xx日二、验收项目及要求1.接地电阻测量:接地电阻应符合国家标准要求,测量值不得超过规定上限。
2.接地装置材料检查:接地装置材料应符合国家标准要求,无破损、变形、腐蚀等现象。
3.接地装置安装位置确认:接地装置设置应符合设计要求,位置合理、周围无阻碍物。
4.接地体焊缝检查:接地体的焊缝应均匀、牢固,无明显缺陷。
5.接地装置接线检查:接地装置的接线应规范、牢固,连接部分无松动现象。
6.接地装置标志标识:每个接地装置应标明装置编号、接地电阻值等信息。
三、隐蔽验收内容及结果1.接地电阻测量根据国家标准要求,对接地装置的电阻进行了测量。
测量结果如下:(1) A相接地电阻:xxxΩ(2) B相接地电阻:xxxΩ(3) C相接地电阻:xxxΩ(4) N相接地电阻:xxxΩ根据国家标准要求,电阻测量结果均符合规定上限要求。
2.接地装置材料检查对接地装置的材料进行了仔细检查,材料无破损、变形、腐蚀等现象,符合国家标准要求。
3.接地装置安装位置确认反复核对设计要求及现场布置图,确认接地装置设置位置合理,周围无阻碍物,符合要求。
4.接地体焊缝检查对接地装置的焊缝进行了全面检查,焊缝均匀、牢固,无明显缺陷。
5.接地装置接线检查仔细检查接地装置的接线情况,接线规范、牢固,连接部分无松动现象。
6.接地装置标志标识每个接地装置均标明装置编号、接地电阻值等信息,标志标识清晰可辨。
四、结论与意见经过本次隐蔽验收,确认该电气接地装置安装工程符合国家标准要求,所有验收项目均符合设计要求。
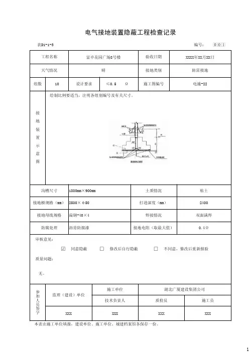
一、接地装置隐蔽1、分自然接地体(其中分形式一和形式二)、人工接地体、接地模块、接地干线;2、接地装置的隐蔽要记录其埋设深度、轴线、间距、采用材料的规格、材质、焊接质量情况及防腐状态和电阻测试值等。
3、具体示例如下表,此示例仅供参考,具体内容应按照工程实际发生编写。
电气(梯)隐蔽工程检查验收记录制表日期:2002年4 月13 日检查验收日期:2002 年4 月13 日工程名称:医大二院门诊楼施工单位:金广建设集团建设单位:医科大学附属二院分项工程名称:接地装置(自然接地1)隐蔽部位:基础直埋与管沟:直埋设计图号:电施29 管道材种:镀锌圆钢、镀锌扁钢规格:Ф8、40×4隐蔽段的划分及数量:基础操作班(组)长:电气专业技术负责人:质量检查员:施工员:填表人:注:可用于电梯工程、动力与照明管线、通信管线、有线电视管线、接地等工程电气(梯)隐蔽工程检查验收记录制表日期:2002年4 月13 日检查验收日期:2002 年4 月13 日工程名称:医大二院门诊楼施工单位:金广建设集团建设单位:医科大学附属二院分项工程名称:接地装置(自然接地2)隐蔽部位:基础直埋与管沟:直埋设计图号:电施29 管道材种:镀锌圆钢、镀锌扁钢规格:Ф8、40×4隐蔽段的划分及数量:基础操作班(组)长:电气专业技术负责人:质量检查员:施工员:填表人:注:可用于电梯工程、动力与照明管线、通信管线、有线电视管线、接地等工程电气(梯)隐蔽工程检查验收记录制表日期:2002年4 月13 日检查验收日期:2002 年4 月13 日工程名称:医大二院门诊楼施工单位:金广建设集团建设单位:医科大学附属二院分项工程名称:接地装置(人工接地)隐蔽部位:基础直埋与管沟:直埋设计图号:电施29 管道材种:镀锌圆钢、镀锌扁钢规格:Ф8、40×4隐蔽段的划分及数量:基础操作班(组)长:电气专业技术负责人:质量检查员:施工员:填表人:注:可用于电梯工程、动力与照明管线、通信管线、有线电视管线、接地等工程电气(梯)隐蔽工程检查验收记录制表日期:2002年4 月13 日检查验收日期:2002 年4 月13 日工程名称:医大二院门诊楼施工单位:金广建设集团建设单位:医科大学附属二院分项工程名称:接地装置(接地模块)隐蔽部位:基础直埋与管沟:直埋设计图号:电施29 管道材种:规格:隐蔽段的划分及数量:基础操作班(组)长:电气专业技术负责人:质量检查员:施工员:填表人:注:可用于电梯工程、动力与照明管线、通信管线、有线电视管线、接地等工程电气(梯)隐蔽工程检查验收记录制表日期:2002年4 月13 日检查验收日期:2002 年4 月13 日工程名称:医大二院门诊楼施工单位:金广建设集团建设单位:医科大学附属二院分项工程名称:接地干线隐蔽部位:基础直埋与管沟:直埋设计图号:电施29 管道材种:镀锌扁钢规格:隐蔽段的划分及数量:基础操作班(组)长:电气专业技术负责人:质量检查员:施工员:填表人:注:可用于电梯工程、动力与照明管线、通信管线、有线电视管线、接地等工程二、配管隐蔽:1、分PVC管和金属管(镀锌钢管、可绕金属软管或非镀锌钢管)2、隐蔽的内容中应写明管路的具体位置、规格、弯曲度、管口处理、埋入混凝土内管路距混凝土表面距离、管的连接处处理(跨接地线)及使用功能等情况及设计变更或材料代换,并应写明量化值。
1电气接地装置隐蔽验收记录一、工程概述本工程是为了确保电气设备的安全运行,保护人身安全而进行的电气接地装置的安装。
为此,对电气接地装置的隐蔽工程进行验收。
二、隐蔽验收的目的1.确保电气接地装置的安装质量,避免出现漏电、触电等事故。
2.验收已完成的隐蔽工程是否符合技术规范和设计要求。
3.在未完工前发现问题并及时处理,减少后期改动和维修工作的难度和费用。
4.对施工单位的施工质量进行评估,提高施工单位的施工水平和质量管理水平。
三、验收内容1.防雷接地装置的铺设情况,是否符合设计要求。
2.防静电接地装置的铺设情况,是否符合设计要求。
3.电气设备的接地电阻是否达标。
4.接地电极的埋设深度和安装质量。
5.地网的焊接质量和防腐处理是否符合要求。
6.接地装置的标识是否完整清晰。
四、验收流程1.隐蔽验收应在工程竣工前进行。
2.由施工单位提供相关隐蔽工程完工报告。
3.验收由建设单位、监理单位和施工单位共同参与,制定验收方案和隐蔽检查计划。
4.内部专业人员组建验收小组,负责隐蔽验收过程中的考察和记录。
5.按照设计文件和技术要求进行检查,查验施工资料和施工户口。
6.重点检查接地装置的铺设情况、电阻测试结果等要点。
7.如发现问题,及时记录并提出整改要求。
1.工程名称:2.隐蔽验收时间:3.参与验收单位:4.施工单位:5.监理单位:6.验收人员及职务:7.验收内容:7.1防雷接地装置的铺设情况:检查发现防雷接地装置的铺设符合设计要求,铜排焊接牢固,与设备连接紧密,无松动现象。
7.2防静电接地装置的铺设情况:检查发现防静电接地装置的铺设符合设计要求,导电铜带安装牢固,与设备接触良好,无氧化情况。
链条连接牢固,并符合设计要求。
7.3电气设备的接地电阻:检测电气设备的接地电阻,符合设计要求,均小于2Ω。
7.4接地电极的埋设深度和安装质量:接地电极的埋设深度符合设计要求,固定牢固,无松动现象。
7.5地网的焊接质量和防腐处理:地网的焊接质量符合设计要求,焊点均匀牢固,防腐处理符合要求。
基础接地隐检内容:(基础筏板-5.300m:镀锌扁钢40X4(mm)HRB400E 25)1.利用建筑物基础接地体,将基础底板上下两层主筋沿建筑物外圈焊接成环形,并将主轴线上的基础梁及结构底板上下两层主筋相互焊接成网状体作接地体,基础底板内图中注明的水平主筋焊接连通做水平接地体;2.外墙引下线在室外地坪下0.8~1.0m处焊出一根40mmX4mm镀锌钢导体,伸出墙外大于1m;3.每根柱子的钢筋与基础底板钢筋可靠联接;4.由基础引上的接地LEB其接地连接板距室内地面0.5m;5.强弱电竖井内设40X4(mm)镀锌扁钢做接地干线,并预留接地端子;6.电梯导轨采用40X4(mm)镀锌扁钢与接地装置可靠连接;7.实测接地电阻值符合设计要求,见试验记录编号XX。
人工接地隐检内容:(基础筏板-1.300m:镀锌扁钢40X4(mm)HRB400E 22)1.人工接地装置采用-40X4镀锌扁钢,其质量合格证明文件齐全、进场验收合格,见记录编号XX;2.人工接地体长度为3m,距墙或基础不小于1m,数量、位置符合电气施工图纸;3.接地装置分别与结构基础钢梁进行焊接,并与避雷引线连成一体,焊接出做防锈处理;4.扁钢连接处焊接长度为其宽度的2倍以上,且三面施焊,焊接处药皮已清除,无夹渣咬肉等现象,并做防锈处理;5.建筑物外墙按设计要求的位置设置断接卡子;6.实没接地电阻值符合设计要求,见试验记录编号XX。
低压电源引出电缆管安装隐检内容:(地下一层-1.300m:镀锌钢管DN150、止水钢板、800X1050(mm)、镀锌扁钢40X4(mm))1.低压电源引出电缆管为12根DN150镀锌钢管,与预制好的止水钢板焊接在一起,双面施焊,焊缝均匀、牢固,焊接处药皮清理干净;2.低压电源引出电缆管及止水钢板通过40X4(mm)镀锌扁钢与总等电位联接线进行焊接,焊接倍数大于扁钢宽度的2倍(100mm),三面施焊;3.焊缝均匀、牢固,无漏焊、虚焊等现象,焊接处药皮清理干净;4.穿墙止水钢板上部标高为-1.300m,镀锌钢管顶部标高为-1.375m,检查位置、标高正确,符合设计要求及施工验收规范规定。
电气接地装置隐蔽验收记录
所属分类:数据/知识/短文-> 建筑电气
资料来源:筑龙建筑施工网点击:1527
电气接地装置隐蔽验收记录
说明
1.接地装置敷设后,隐蔽前必须进行质量验收,监理专业工程师必须到位。
2.验收以设计为依据,必须满足设计和现行国家施工质量验收规范的要求。
3.接地类别:防雷接地、保护接地、重复接地、静电接地或其他接地要写清楚。
4.接地装置示意图应把坐标、尺寸写清,如本表面不开,可另附图并应把接头的连
接情况画图说明。
5.沟槽尺寸指实开挖尺寸。
6.土质情况是指粘土、沙土、砾沙土等简单描述,如风化岩、岩石采取的措施应另
加说明。
7.接地极规格,指采用接地极所用的钢材的规格及制作长度。
8.打进深度是指在开挖沟槽深度的槽底将接地极打进多少,是否满足设计要求。
9.接地母线规格是指连接接地极之间的母线至引入线断接卡或引下线连接处。
10.焊接情况,应描述焊接质量、焊接面及焊接搭接长度。
11.接地材料当采用钢材应为热镀锌制品,在焊接处必须作防腐处理、基层处理,遍
数应进行简单描述。
12.接地电阻:取测试的最大值。
结论:是否满足设计或规范要求。
012电气接地装置隐蔽验收记录电气接地装置是保证电气设备安全运行的重要设施,验收记录是对安全性能的验证和确认。
下面是一份电气接地装置隐蔽验收记录,供参考:一、项目概述项目名称:XXX项目工程编号:XXXXXX施工单位:XXXX公司工程师:XXX验收人员:XXX验收日期:XXX年XX月XX日二、隐蔽工程检查1.验收范围:本次验收主要针对电气接地装置的隐蔽工程进行检查。
2.检查项目:(1)电气接地装置的设计是否符合国家相关标准和规范要求。
(2)电气接地装置的施工工艺是否正确、合理。
(3)电气接地装置的安装质量是否达到要求。
(4)电气接地装置的标志和警示是否清晰可见。
3.检查过程:(1)检查电气接地装置的设计文件,核对设计是否符合国家相关标准和规范要求。
确认设计文件的正确性和合理性。
(2)检查电气接地装置的施工工艺,核对施工工艺的正确性和合理性。
确认施工工艺是否符合设计要求。
(3)检查电气接地装置的安装质量,核对安装是否符合相关标准和规范要求。
确认安装质量达到要求。
(4)检查电气接地装置的标志和警示,核对标志和警示是否清晰可见。
确认标志和警示符合要求。
4.检查结果:(1)电气接地装置的设计符合国家相关标准和规范要求。
(2)电气接地装置的施工工艺正确、合理。
(3)电气接地装置的安装质量达到要求。
(4)电气接地装置的标志和警示清晰可见。
三、隐蔽工程验收记录1.验收项目:(1)电气接地装置的设计文件。
(2)电气接地装置的施工工艺。
(3)电气接地装置的安装质量。
(4)电气接地装置的标志和警示。
2.验收方法:(1)查阅设计文件,比对设计要求。
(2)现场查看施工工艺,检查施工质量。
(3)实地测量接地装置的参数,验证安装质量。
(4)检查标志和警示的清晰度和可见性。
3.验收结果:(1)电气接地装置的设计文件符合国家相关标准和规范要求。
(2)电气接地装置的施工工艺正确、合理。
(3)电气接地装置的安装质量达到要求。
(4)电气接地装置的标志和警示清晰可见。
2. 电气接地装置隐蔽验收记录1. 项目背景本工程是某大型建筑企业的一处新建项目,该项目是一座多功能综合楼,包括商务办公、公寓等各种功能。
在该项目中,电气接地装置的安装是保障人员和建筑物安全的重要内容。
2. 验收标准本次电气接地装置安装验收遵循以下标准: - GB 50169-2008《电气工程地面工程施工及验收规范》 - JJG 496-2014《电气安全测试器具检定规则》 - GB/T 6907-2017《电气接地保护与控制装置》3. 隐蔽验收记录本次电气接地装置安装分两个阶段进行,第一阶段为接地装置敷设,第二阶段为接地装置接线和测试。
验收人员根据工程进度和实际情况对两个阶段进行了隐蔽验收。
3.1 接地装置敷设本次电气接地装置敷设工作在2020年10月中旬完成。
验收人员在施工现场进行了隐蔽验收,验收结果如下: - 接地线敷设符合规范要求 - 接地线与设备连接牢固可靠 - 接地电阻缝隙充分填充 - 接地电阻值符合规范要求3.2 接地装置接线和测试接地装置接线和测试工作在2020年11月上旬完成。
验收人员在施工现场进行了隐蔽验收,验收结果如下: - 接线牢固可靠,连接符合规范要求 - 接地电阻值符合规范要求 - 系统接地可靠4. 风险评估在电气接地装置的安装过程中,如果没有经过专业的工程师进行施工,就有可能出现接地线路接触不良、接地电阻过大、系统短路等安全隐患。
因此,在每个工序的验收过程中,应严格按照规范进行验收,以防止隐蔽的安全隐患。
5. 总结本次电气接地装置的安装工作已经完成,经过严格的隐蔽验收,保障了工程的正常进行和人员的安全。
验收人员对安装过程中的每一步进行了严格的把关,以确保施工符合规范要求,接地装置的安装质量保证。