网线8根线接法现用图解
- 格式:docx
- 大小:273.67 KB
- 文档页数:12
网线水晶头接法序(图文详解)————————————————————————————————作者:————————————————————————————————日期:2网线水晶头接法和线序(图文详解)网线制作是搞网络的人的必修课,也是最为基础的实战项目。
网线制作方法有很多,我们在此简单的制作一下现在出现最多的RJ45通用8针网线制作方法。
我们使用网线钳的剥皮功能剥掉网线的外皮,会看到彩色与白色互相缠绕的八根金属线。
橙、绿、蓝、棕四个色系,与他们相互缠绕的分别是白橙、白绿、白蓝、白棕,有的稍微有点橙色,有的只是白色,如果是纯色,千万要注意,不要将四个白色搞混了。
我们分别将他们的缠绕去掉,注意摆放的顺序是:橙绿蓝棕,白在前,蓝绿互换。
也就是说最终的结果是:白橙、橙、白绿、蓝、白蓝、绿、白棕、棕(适合电脑与路由器、拨号猫、交换机)。
摆好位置之后将网线摆平捋直,使用切线刀将其切齐,切线刀通常的网线钳都有,一定要确保切的整齐,然后平放入水晶头,使劲儿往前顶,当从水晶头的前放都看到线整齐的排列之后,使用网线钳子的水晶头压制模块将其挤压。
这种网线制作的顺序是通用的B类网线制作方法。
如果是A类网线制作顺序是橙绿互换,变成:白绿、绿、白橙、蓝、白蓝、橙、白棕、棕直连线是网线两端的水晶头都是A或者B,如果是交叉线则一头是A一头是B。
直连线(适合电脑与路由器、拨号猫、交换机)两头都是白橙、橙、白绿、蓝、白蓝、绿、白棕、棕交叉连接一头568A一头568B (适用于电脑与电脑)568A标准:绿白,绿,橙白,蓝,蓝白,橙,棕白,棕568B标准:橙白,橙,绿白,蓝,蓝白,绿,棕白,棕我们常见的以下情况需要直连线,如:计算机和交换机互连,交换机与路由器互连。
如果是计算机和计算互连则需要交叉线。
当然了,这些网线制作方法也都不一定每个人都在使用。
因为很多网络设计者通常并没有严格遵守这个规则,不过如果不遵守这个规则,网线的抗干扰性能和抗衰减性能就很差。
网线接法 - 网线水晶头接法 (图)网线接法 - 网线水晶头接法(很多网友在问网线怎么接,网线标准接法,网线制作方法,现收集网线接法如下:)RJ45 型网线插头又称水晶头,广泛应用于局域网和 ADSL 宽带上网用户的网络设备间网线(称作五类线或双绞线)的连接。
在具体应用时,RJ45 型插头和网线有两种连接方法(线序),分别称作 T568A 线序(图1)和 T568B 线序(图2)。
RJ45 型网线插头引脚号的识别方法是:手拿插头,有 8 个小镀金片的一端向上,有网线装入的矩形大口的一端向下,同时将没有细长塑料卡销的那个面对着你的眼睛,从左边第一个小镀金片开始依次是第1 脚、第2 脚、…、第8 脚。
图1:RJ45 型网线插头的 T568A 线序接法示意图T568A 线序的适用范围这种接法用于网络设备需要交叉互连的场合,所谓交叉是指网线的一端和另一端与 RJ45 网线插头的接法不同,一端按 T568A 线序接(图1),另一端按 T568B 线序接(图2),即有几根网线在另一端是先做了交叉才接到 RJ45 插头上去的,适用的连接场合有:1. 电脑←—→电脑,称对等网连接,即两台电脑之间只通过一条网线连接就可以互相传递数据;2. 集线器←—→集线器;3. 交换机←—→交换机。
T568A 线序的接法如图1 所示,RJ45 型网线插头各脚与网线颜色标志的对应关系是:插头脚号网线颜色1 ————绿白2 ————绿3 ————橙白4 ————蓝5 ————蓝白6 ————橙7 ————棕白8 ————棕图2:RJ45 型网线插头的 T568B 线序接法示意图T568B 线序的适用范围一、直连线互连网线的两端均按 T568B 接1. 电脑←—→ADSL 猫2. ADSL猫←—→ADSL 路由器的 WAN 口3. 电脑←—→ADSL 路由器的 LAN 口4. 电脑←—→集线器或交换机二、交叉互连网线的一端按 T568B 接,另一端按 T568A 接1. 电脑←—→电脑,即对等网连接2. 集线器←—→集线器3. 交换机←—→交换机T568B 线序的接法如图2 所示,RJ45 型网线插头各脚与网线颜色标志的对应关系是:插头脚号网线颜色1 ————橙白2 ————橙3 ————绿白4 ————蓝5 ————蓝白6 ————绿7 ————棕白8 ————棕两台电脑通过网线直接连接(即对等网)的有关设置上面已经提到两台电脑之间通过网线进行连接时,RJ45 型网线插头与网线的接法是:一端按 t568a 线序接,一端按 t568b 线序接,然后网线经 RJ45 插头播入要连接电脑的网线插口中,这就完成了两台电脑间的物理连接。
如果你拿着RJ-45连接头对着自己,锁扣朝上,那么从左到右各插脚的编号依次是1到8。
根据TIA/EIA568规范各插脚的用途如下:插脚编号作用1 输出数据 (+)2 输出数据 (-)3 输入数据 (+)4 保留为电话使用5 保留为电话使用6 输入数据 (-)7 保留为电话使用8 保留为电话使用网线做法(转载)2007-12-08 15:07如果只有一根网线,但想两台机子同时上网,不增加外设,做网线时45水晶头连接方法水晶头金属面对自己,从左到右为1-8 (白橙、橙,白绿、蓝,白蓝、绿,白棕、棕)网线的接法一、PC连HUB (电脑连接上网设备)A端:(标准568B):白橙,橙,白绿,蓝,白蓝,绿,白棕,棕。
B端:(标准568B):白橙,橙,白绿,蓝,白蓝,绿,白棕,棕。
二、PC连PC (电脑连接电脑)A端:(568A):白绿,绿,白橙,蓝,白蓝,橙,白棕,棕;B端:(标准568B):白橙,橙,白绿,蓝,白蓝,绿,白棕,棕。
三、HUB连HUB (上网设备连接上网设备)A端:(568A):白绿,绿,白橙,蓝,白蓝,橙,白棕,棕;B端:(568B):白橙,橙,白绿,蓝,白蓝,绿,白棕,棕。
千兆5类或超5类(包括6类线)双绞线的形式与百兆网线的形式相同,也分为直通和交叉两种。
直通网线与我们平时所使用的没有什么区别,都是一一对应的。
但是传统的百兆网络只用到4 根线缆来传输,而千兆网络要用到8 根来传输,所以千兆交叉网线的制作与百兆不同,制作方法如下:1对3,2对6,3对1,4对7,5对8,6对2,7对4,8对5。
例如:一端为:白橙、橙,白绿、蓝,白蓝、绿,白棕、棕;另一端:白绿、绿,白橙、白棕、棕,橙,蓝,白蓝;T568B:橙白、橙、绿白、蓝、蓝白、绿、棕白、棕T568A:绿白、绿、橙白、蓝、蓝白、橙、棕白、棕直连线:两端都做成T568B或T568A。
用于不同设备相连(如网卡到交换机)。
交叉线:一端做成T568B一端做成T568A。
工具: 驳线钳 (用于接驳水晶头 )(必备) 水晶头接法 :关于双绞线的色标和排列方法是有统一的国际标准严格规定的,现在常用的是TIA/EIA568B 。
在打线时应使用如下的顺序: (TIA/EIA568B)1-> 橙白 2-> 橙 3-> 绿白 4-> 蓝 5-> 蓝白 6-> 绿 7-> 棕白 8-> 棕而且,使用电缆两头一对一的连接方式,会使一组信号(负电压信号)通过不绞合在一起的两根芯线传输,造成极大的近端串扰( NEXT->Near-end-crosstalk )所以应按照国际标准打线!!网线水晶头排列顺序网线水晶头接法窍门网线水晶头接法局域网就是将单独的微机或终端,利用通信线路相互连接起来,遵循一定的协议,进行信息交换,实现资源共享。
其中,通信线路,即传输介质常用的有:双绞线、同轴电缆、光纤等。
从性价比和可维护性出发,大多数局域网使用非屏蔽双绞线 (UTP—UnshieldedTwistedPair) 作为布线的传输介质来组网。
网线由一定距离长的双绞线与 RJ45头组成。
双绞线由8根不同颜色的线分成 4对绞合在一起,成队扭绞的作用是尽可能减少电磁辐射与外部电磁干扰的影响,双绞线可按其是否外加金属网丝套的屏蔽层而区分为屏蔽双绞线( STP和非屏蔽双绞线(UTP。
在EIA/TIA-568A标准中,将双绞线按电气特性区分有:三类、四类、五类线。
网络中最常用的是三类线和五类线,目前已有六类以上线。
第三类双绞线在 LAN 中常用作为10Mbps以太网的数据与话音传输,符合IEEE802.310Base-T的标准。
第五类双绞线目前占有最大的LAN市场,最高速率可达100Mbps,符合IEEE802.3100Base-T的标准。
做好的网线要将 RJ45水晶头接入网卡或 HUB等网络设备的RJ45插座内。
相应地RJ45插头座也区分为三类或五类电气特性。
4芯、8芯网线水晶头接法网线有两种做法,一种是交叉线,一种是平行线(网线RJ45做法、电话线RJ11)交叉线的做法是:一头采用568A标准,一头采用568B标准平行线的做法是:两头同为568A标准或568B标准,(一般用到的都是568B平行线的做法)568A标准:绿白,绿,橙白,蓝,蓝白,橙,棕白,棕568B标准:橙白,橙,绿白,蓝,蓝白,绿,棕白,棕你可以注意下,两种做法的差别就是橙色和绿色对换而已。
如果连接的双方地位不对等的,则使用平行线,例如电脑连接到路由器或交换机如果连接的两台设备是对等的,则使用交叉线,例如电脑连接到电脑注意:我实际测试过,在XP WIN7 系统中,在距离10米内,568A、568B、平行线不论交换机、电脑对连都可以用。
在100M的网络中,实际只有4根线,在1000M的网络中才用上8根线4芯线接法:把水晶头从左到右1、2、3、6接上就行了,如下图家里网线一端(八芯网线)做成了两个四芯的网线分别连着两台电脑??你要是用一根网线当两根使是没问题的,如下图所示将网线两端都这么做就OK了,一端的两个水晶头分别接你得两台电脑,另一端的两个接头分别接交换机或者是你路由器的内网接口就OK了<>100M/1000M网线打法568A/568B5类线(100M)的制作:a: 绿白(3)、绿(6)、橙白(1)、蓝(4)、蓝白(5)、橙(2)、棕白(7)、棕(8)b:橙白(1)、橙(2)、绿白(3)、蓝(4)、蓝白(5)、绿(6)、棕白(7)、棕(8)常见普通线为:b-b 常见对拷线:a-b(1-3、2-6交叉)6类线的制作(千兆线):a:橙白(1)、橙(2)、绿白(3)、蓝(4)、蓝白(5)、绿(6)、棕白(7)、棕(8)b:绿白(3)、绿(6)、橙白(1)、棕白(7)、棕(8)、橙(2)、蓝(4)、蓝白(5)常见普通线为:b-b 常见对拷线:a-b(1-3、2-6、4-7、5-8交叉)-(与100M的不同)网线质量标准:网线的质量差别很大,有全铜的,有四铜四铝的,有杂铜的,。
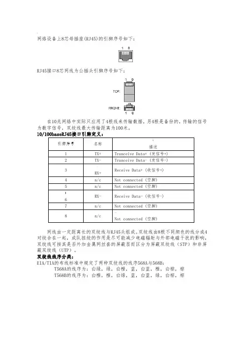
"网络设备上8芯母插座(RJ45)的引脚序号如下:RJ45接口8芯网线为公插头引脚序号如下:在10兆网络中实际只应用了4根线来传输数据,另4根是备份的,传输的信号为数字信号,双绞线最大传输距离为100米。
网线由一定距离长的双绞线与RJ45头组成。
双绞线由8根不同颜色的线分成4对绞合在一起,成队扭绞的作用是尽可能减少电磁辐射与外部电磁干扰的影响,双绞线可按其是否外加金属网丝套的屏蔽层而区分为屏蔽双绞线(STP)和非屏蔽双绞线(UTP)。
双绞线线序分类:EIA/TIA的布线标准中规定了两种双绞线的线序568A与568B:T568A的线序为:白绿,绿,白橙,蓝,白蓝,橙,白棕,棕T568B的线序为:白橙,橙,白绿,蓝,白蓝,绿,白棕,棕]双绞线一般有三种连接类型:直通、交叉、和全反。
在实践中,一般可以这么理解:1、同种类型设备之间使用交叉线连接,不同类型设备之间使用直通线连接;2、路由器和PC属于DTE类型设备,交换机和集线器属于DCE类型设备;3、RJ45网络接头做法一般有568A和568B两种标准做法,按同一标准即直通线,不同标准即交叉线。
不管如何接线,最后完成后用RJ-45测线仪测试时,8个指示灯都应依次闪烁。
1.直通线一般用来连接两个不同性质的接口。
一般用于:PC机到交换机/集线器<路由器到交换机/集线器直通线的做法就是使两端的线序相同,要么两头都是568A标准,要么两头都是568B标准。
1 <------------>12 <------------>23 <------------>36 <------------>62.交叉线一般用来连接两个性质相同的端口。
一般用于:交换机到交换机集线器到集线器PC机到PC机集线器到交换机$路由器直连到PC机做法就是两端使用不同的线序,一头做成568A,一头做成568B。
1 <------------>32 <------------>63 <------------>16 <------------>23.全反线,不用于以太网的连接,主要用于主机的串口和路由器(或交换机)的console口连接的console线。
一根八芯网线接上两台电脑同时上网
家里宽带接口在楼上,楼上有两台电脑上网,楼下也有两台电脑上网。
我买了多个水晶头、压线钳子、路由器。
我在楼上安上四口路由器,楼上两台电脑的两条网线的两端水晶头(水晶头有金属面向上,从左到右为1、2、3、4、5、6、7、8如下图)接线,按左起1-白橙、2-橙、3-白绿、4-蓝、5-白蓝、6-绿、7-白棕、8-棕,我用压线钳子压好水晶头,接到路由器和电脑上,楼上两台电脑上网顺畅。
楼下也有两台电脑上网,但穿电话线的墙里管子只能穿上一条网线,怎么办呢?我想若是一条八芯的网线能接上两台电脑同时上网就好了?!
我先在楼上到楼下的网线楼上那端,按左起1-白橙、2-橙、3-白绿、6-绿四线做好水晶头,又到楼下对应的线也做好水晶头;再在楼上那端剩下的四根线,按1(4-蓝)、2(5-白蓝)、3(7-白棕)、6(8-棕)做好水晶头,又到楼下对应的也做好水晶头;
一条八芯网线,每头做两个水晶头;把楼上两个水晶头插到路由器两个插口里,到楼下把两个水晶头插到两台电脑网卡孔中,同时开机上网,哈哈!都能上网了,一条八芯网线叫两台电脑同时上网实验成功!?。
8芯水晶头接法图解教程8芯水晶头接法图解教程2018-06-22 16:26:29查看U大师官网【U大师】U盘启动盘制作工具网线水晶头接法看着比较复杂,但是只要你记住了他们的顺序,那么操作起来也是比较简单的,那么按照教程的简单方法去操作,也能轻松的制作一条网线。
这个在网吧里用的比较普遍,家庭用户也是用的到的,当宽带网线遭到损坏或折断,那么你对这些网线如何连接的?操作步骤:一般来说,网线水晶头接法主要有两种,一种是平行线接法,另一种是交叉线接法。
下面具体来讲解下这两种接法的详细步骤。
必备工具:压线钳,水晶头,网线平行线接法1、用双绞线网线钳把五类双绞线的一端剪齐(好先剪一段符合布线长度要求的网线),然后把剪齐的一端插入到网线钳用于剥线的缺口中。
注意网线不能弯,直插进去,直到顶住网线钳后面的挡位,稍微握紧压线钳慢慢旋转一圈。
2、剥除外包皮即可见到双绞线的 4 对 8 条芯线,并且可以看到每对的颜色都不同。
先把4 对芯线一字并排排列,然后再把每对芯线分开,并按从左到右:白橙、橙、白绿、蓝、白蓝、绿、白棕、棕的顺序排列(这种排列称为 568B 排序)。
然后用网线钳垂直于芯线排列方向剪齐。
3、左手水平握住水晶头,然后把剪齐、并列排列的 8 条芯线对准水晶头开口并排插入水晶头中,注意一定要使各条芯线都插到水晶头的底部,不能弯曲。
4、确认所有芯线都插到水晶头底部后,即可将插入网线的水晶头直接放入网线钳压线缺口中。
水晶头放好后即可压下网线钳手柄,一定要使劲,使水晶头的插针都能插入到网线芯线之中,与之接触良好。
交叉线接法交叉线主要适用于 ADSL MODEM 和集线器 HUB 的连接,以及两台计算机直接通过网卡相互连接。
有些朋友想将家里的两台PC 连接起来组成一个小局域网,还有 ADSL MODEM 和 HUB 的连接,都属于这一情况。
交叉线接法和直通线接法的基本步骤是一样的,不同的就是芯线的排列规则了,并且两个头的排列规则也不一样。
图解8芯双绞线中线芯工作原理不知道又没有小伙伴跟LT一样在很长一段时间内都搞不清楚网线中的八根铜导线,到底哪几根才是网络正常传输的保障。
今天小编就跟大家通过图解的方式直观地来解释一下这个问题,觉得有用的小伙伴还请关注、转发和收藏哦~首先,大家需要明确的一个概念是,这八根铜导线是整体起作用的,每两根按照一定密度缠绞在一起就能够抵消彼此的干扰。
双绞线的名字就是这么引申出来的。
双绞线最早是用在电话信号的传输,后来逐渐被引入到数字信号的传输当中,现在广泛运用的一般是五类绞线或六类绞线。
最大能够达到1000Mbps的宽带。
双绞线仅有的缺点是传输间隔较短,只能达到100米。
五类双绞线要求用到四对线,也就是八根芯线。
当宽带在100M 以下的时候,一般运用到的是1、2、3、6这四根线芯。
运用方法如下图所示:正线(标准568B):两端线序一样,都是橙白,橙,绿白,蓝,蓝白,绿,棕,棕白反线(568A):一端是正线线序,如上面所写,另一端是绿,绿,橙白,蓝,蓝白,橙,棕白,棕568A的线序因为已经没有人再用了,所以不用特意去记了,而且,只要在B线序的基础上,将13和26的线序进行调换就可以了。
1236这四根线具体有哪些作用呢?为了更好的帮助大家进行理解,我们接下来说一下每一根线的作用1-输出数据 (+)2-输出数据 (-)3-输入数据 (+)4-保留为电话使用5-保留为电话使用6-输入数据 (-)7-保留为电话使用8-保留为电话使用虽然双绞线有8根芯线,但是在目前广泛使用的百兆网络后真能干,实际上用到的只有四根,也就是1、2、3、6,它们分别起着收发信号的作用;4、5、7、8是双向线,保留使用。
但是在高于100M的网络运行下,通常八芯会全部使用,比如六类的网线就需要用到全部线芯,否则网络运行会很不稳定。
如果剥开线芯你会发现,这四对线芯缠绕的密度不一样,用来传输数据的橙绿两对密度要更大一些,所以大家在做跳线的时候,一定要严格按照568B的顺序。
线8根线的作用1,2,3,6为有效线,他是负责传输和接受数据的~其他的用于电话~如果你拿着RJ-45连接头对着自己,锁扣朝上,那么从左到右各插脚的编号依次是1到8。
根据TIA/EIA568规范各插脚的用途如下:插脚编号作用1 输出数据(+)2 输出数据(-)3 输入数据(+)4 保留为电话使用5 保留为电话使用6 输入数据(-)7 保留为电话使用8 保留为电话使用网线做法(转载)2007-12-08 15:07如果只有一根网线,但想两台机子同时上网,不增加外设,做网线时45水晶头连接方法水晶头金属面对自己,从左到右为1-8 (白橙、橙,白绿、蓝,白蓝、绿,白棕、棕)网线的接法一、PC连HUB (电脑连接上网设备)A端:(标准568B):白橙,橙,白绿,蓝,白蓝,绿,白棕,棕。
B端:(标准568B):白橙,橙,白绿,蓝,白蓝,绿,白棕,棕。
二、PC连PC (电脑连接电脑)A端:(568A):白绿,绿,白橙,蓝,白蓝,橙,白棕,棕;B端:(标准568B):白橙,橙,白绿,蓝,白蓝,绿,白棕,棕。
三、HUB连HUB (上网设备连接上网设备)A端:(568A):白绿,绿,白橙,蓝,白蓝,橙,白棕,棕;B端:(568B):白橙,橙,白绿,蓝,白蓝,绿,白棕,棕。
千兆5类或超5类(包括6类线)双绞线的形式与百兆网线的形式相同,也分为直通和交叉两种。
直通网线与我们平时所使用的没有什么区别,都是一一对应的。
但是传统的百兆网络只用到4 根线缆来传输,而千兆网络要用到8 根来传输,所以千兆交叉网线的制作与百兆不同,制作方法如下:1对3,2对6,3对1,4对7,5对8,6对2,7对4,8对5。
例如:一端为:白橙、橙,白绿、蓝,白蓝、绿,白棕、棕;另一端:白绿、绿,白橙、白棕、棕,橙,蓝,白蓝;T568B:橙白、橙、绿白、蓝、蓝白、绿、棕白、棕T568A:绿白、绿、橙白、蓝、蓝白、橙、棕白、棕直连线:两端都做成T568B或T568A。
工具: 驳线钳(用于接驳水晶头)(必备)水晶头接法:关于双绞线得色标与排列方法就是有统一得国际标准严格规定得,现在常用得就是TIA/EIA568B。
在打线时应使用如下得顺序:(TIA/EIA568B)1—〉橙白 2—>橙3—>绿白4—>蓝 5->蓝白 6->绿 7-〉棕白 8-〉棕而且,使用电缆两头一对一得连接方式,会使一组信号(负电压信号)通过不绞合在一起得两根芯线传输,造成极大得近端串扰(NEXT->Near—end—crosstalk)所以应按照国际标准打线!!网线水晶头排列顺序网线水晶头接法窍门网线水晶头接法局域网就就是将单独得微机或终端,利用通信线路相互连接起来,遵循一定得协议,进行信息交换,实现资源共享。
其中,通信线路,即传输介质常用得有:双绞线、同轴电缆、光纤等。
从性价比与可维护性出发,大多数局域网使用非屏蔽双绞线(UTP-UnshieldedTwistedPair)作为布线得传输介质来组网。
网线由一定距离长得双绞线与RJ45头组成。
双绞线由8根不同颜色得线分成4对绞合在一起,成队扭绞得作用就是尽可能减少电磁辐射与外部电磁干扰得影响,双绞线可按其就是否外加金属网丝套得屏蔽层而区分为屏蔽双绞线(STP)与非屏蔽双绞线(UTP)。
在EIA/TIA-568A标准中,将双绞线按电气特性区分有:三类、四类、五类线。
网络中最常用得就是三类线与五类线,目前已有六类以上线。
第三类双绞线在LAN中常用作为10Mbps以太网得数据与话音传输,符合IEEE802。
310Base-T得标准。
第五类双绞线目前占有最大得LAN市场,最高速率可达100Mbps,符合IEEE802、3100Base—T得标准。
做好得网线要将RJ45水晶头接入网卡或HUB等网络设备得RJ45插座内。
相应地RJ45插头座也区分为三类或五类电气特性。
RJ45水晶头由金属片与塑料构成,特别需要注意得就是引脚序号,当金属片面对我们得时候从左至右引脚序号就是1-8,这序号做网络联线时非常重要,不能搞错。
8芯网线水晶头接法,4芯网线水晶头接法网线有两种做法,一种是交叉线,一种是平行线(网线RJ45做法、电话线RJ11)交叉线的做法是:一头采用568A标准,一头采用568B标准平行线的做法是:两头同为568A标准或568B标准,(一般用到的都是568B平行线的做法)568A标准:绿白,绿,橙白,蓝,蓝白,橙,棕白,棕568B标准:橙白,橙,绿白,蓝,蓝白,绿,棕白,棕你可以注意下,两种做法的差别就是橙色和绿色对换而已。
如果连接的双方地位不对等的,则使用平行线,例如电脑连接到路由器或交换机如果连接的两台设备是对等的,则使用交叉线,例如电脑连接到电脑注意:我实际测试过,在XP WIN7 系统中,在距离10米内,568A、568B、平行线不论交换机、电脑对连都可以用。
在100M的网络中,实际只有4根线,在1000M的网络中才用上8根线4芯线接法:把水晶头从左到右1、2、3、6接上就行了,如下图家里网线一端(八芯网线)做成了两个四芯的网线分别连着两台电脑??你要是用一根网线当两根使是没问题的,如下图所示将网线两端都这么做就OK了,一端的两个水晶头分别接你得两台电脑,另一端的两个接头分别接交换机或者是你路由器的内网接口就OK了<>100M/1000M网线打法568A/568B5类线(100M)的制作:a: 绿白(3)、绿(6)、橙白(1)、蓝(4)、蓝白(5)、橙(2)、棕白(7)、棕(8)b:橙白(1)、橙(2)、绿白(3)、蓝(4)、蓝白(5)、绿(6)、棕白(7)、棕(8)常见普通线为:b-b 常见对拷线:a-b(1-3、2-6交叉)6类线的制作(千兆线):a:橙白(1)、橙(2)、绿白(3)、蓝(4)、蓝白(5)、绿(6)、棕白(7)、棕(8)b:绿白(3)、绿(6)、橙白(1)、棕白(7)、棕(8)、橙(2)、蓝(4)、蓝白(5)常见普通线为:b-b 常见对拷线:a-b(1-3、2-6、4-7、5-8交叉)-(与100M的不同)网线质量标准:网线的质量差别很大,有全铜的,有四铜四铝的,有杂铜的,在建设120急救指挥调度系统时,一定要选择好点网线,网线故障是系统故障中的常见问题。
网线中各线的功能与作用(8根线)1000M网卡数据传输是双向的,需要使用四对线,即8根芯线。
100M以下,一般使用1、2、3、6,四根线。
按标准是橙色、绿色共四根线。
其中1、3一组,2、6一组网线有8根细线,这种网线称为:双绞线。
外观看两两绞在一起,主要还是为了防止干扰。
颜色也有不同:国标1.白橙、2.橙、3.白绿、4.兰、5.白兰、6.绿、7.白棕、8.棕,它们起的作用:接收、发送信号、电源、公共线等。
一根线的两头可以接成一样标准接法,同上述说法,此线称作对等线。
还有一种叫交叉线,只要把1、3和2、6对调即可,接法不同,作用不同。
1.白橙、2.橙、3.白绿、4.兰、5.白兰、6.绿、7.白棕、8.棕,是568b用来经过交换机多台电脑相连.1.白绿、2.绿、3.白橙、4.兰、5.白兰、6.橙、7.白棕、8.棕,是568a用于两只电脑相连在整个网络布线中应用一种布线方式,但两端都有RJ-45 的网络联线无论是采用568A,还是568B,在网络中都是通用的。
规定双工方式下本地的1、2两脚为信号发送端,3、6两脚为信号接收端,所以讲,这两对信号必须分别使用一对双绞线进行信号传输,因此用4根线就行了,8根线的制造是为更高网络传输所设计。
100BASE-T4 RJ-45对双绞线的规定如下:1、2用于发送,3、6用于接收,4、5,7、8是双向线。
1、2线必须是双绞,3、6双绞,4、5双绞,7、8双绞。
网线是四对双绞线, 网线做法按规则分为两种,568a和568b两种,两端都是568a或都是568b的叫做直连线 ;一端是568a另外一段是568b叫做交叉线颜色只是用来区分每对线 4对双绞线颜色为橙橙白兰兰白绿绿白棕棕白568a的做法橙白橙绿白兰兰白绿棕白棕 568b的做法绿白绿橙白兰兰白橙棕白棕关于双绞线的色标和排列方法是有统一的国际标准严格规定的,现在常用的是TIA/EIA568B。
在打线时应使用如下的顺序:(TIA/EIA568B) 1->橙白 2->橙 3->绿白 4->蓝 5->蓝白 6->绿 7->棕白 8->棕而且,使用电缆两头一对一的连接方式,会使一组信号(负电压信号)通过不绞合在一起的两根芯线传输,造成极大的近端串扰(NEXT->Near-end-crosstalk) 所以应按照国际标准打线!RJ45接双绞线定义为: ( 10BaseT,100BaseTX ) 1 Rx+ 2 Rx- 3 Tx+ 6 Tx- 其余4,5,7,8都NA AMP双绞电缆内有8根电线,分为4对,每一对就是一对双绞线,依次为:(橙,白/橙);(绿,白/绿);(棕,白/棕);(蓝,白/蓝)(“白/橙”指白线上有橙色的色点) 2、如果用于电脑与集线器(Hub)相连,请按下列顺序排线:橙;白/橙;绿;白/棕;棕;白/绿;蓝;白/蓝 3、如果用于两台电脑直接相连,(不经过集线器)则一端如下接:橙;白/橙;绿;白/棕;棕;白/绿;蓝;白/蓝另一端如下排线:绿;白/绿;橙;白/棕;棕;白/橙;蓝;白/蓝不管如何接线,最后完成后用RJ-45测线仪测试时,4个绿灯都应依次闪烁。
568B:橙白、橙、绿白、兰、兰白、绿、棕白、棕面板的后面接线头上应该标有颜色,按照568B指定的颜色接线就可以了。
网线和模块的接线方法一般需要接两种线:一种从面板上的模块到交换机/路由器,这些线已经在装修的时候预埋在墙里面了;另一种是面板插口到计算机网卡的线。
大家接线时一定要牢记住下面两组接线顺序:顺序A:橙白橙绿白蓝蓝白绿棕白棕顺序B: 橙白绿绿白蓝蓝白橙棕白棕拨开超五类线的外皮,大家可以看到8根线分成了四组,每组两根绞在一起,颜色分别是橙白/橙、绿白/绿、蓝白/蓝、棕白/棕。
有的厂家会把橙白、绿白、蓝白、棕白都直接都做成白色。
对于从面板模块到交换机/路由器的接线,面板模块上都有色块指示如何接线,一般有A组和B组两种接法,任意选择A组或者B组,按照色块指示接线即可。
要注意的是,如果面板模块端选择了A组,那么另一端的水晶头就要选择上述的顺序A接线;如面板模块端选择了B组,那么另一端要选择顺序B接线。
例如:若面板模块端选择A组接线,将另一端水晶头带小卡子的面冲外,不带小卡子的面冲自己,从左自由的顺序依次是:橙白、橙、绿白、蓝、蓝白、绿、棕白、棕。
对于面板插口到计算机网卡的线,要求两个水晶头同时用顺序A或者顺序B接线,顺序要一致。
另外,还有一种连接在两台计算机网卡之间直接连接的超五类线,要求两个水晶头一个用顺序A,而另一个用顺序B接线。
二、TIA/EIA568规范的RJ-45各脚用途RJ45接头的8个接脚的识别方法是,铜接点朝自己,头朝右,从上往下数,分别是1、2、3、4、5、6、7、8。
1. 输出数据(+)2. 输出数据(-)3. 输入数据(+)4. 保留为电话使用5. 保留为电话使用6. 输入数据(-)7. 保留为电话使用8. 保留为电话使用EIA/TIA的布线标准中规定了两种双绞线的线序:EIA/TIA568A和EIA/TIA568B。
标准568B(金属线朝正前方时):橙白--1,橙--2,绿白--3,蓝--4,蓝白--5,绿--6,棕白--7,棕--8标准568A(金属线朝正前方时):绿白--1,绿--2,橙白--3,蓝--4,蓝白--5,橙--6,棕白--7,棕--8三、直通线(Straight-through)和交叉线(Cross-over)的制作双绞线的连接方法有两种:直通线和交叉线。
工具:驳线钳(用于接驳水晶头)(必备)水晶头接法:关于双绞线的色标和排列方法是有统一的国际标准严格规定的,现在常用的是TIA/EIA568B。
在打线时应使用如下的顺序:(TIA/EIA568B)1->橙白2->橙3->绿白4->蓝5->蓝白6->绿7->棕白8->棕而且,使用电缆两头一对一的连接方式,会使一组信号(负电压信号)通过不绞合在一起的两根芯线传输,造成极大的近端串扰(NEXT->Near-end-crosstalk)所以应按照国际标准打线!!双机用网卡互连水晶头做法匕图任_ 一边即为询小赠#制嚇网线水晶头排列顺序网线水晶头接法窍门网线水晶头接法局域网就是将单独的微机或终端,利用通信线路相互连接起来,遵循一定的协议,进行信息交换,实现资源共享。
其中,通信线路,即传输介质常用的有:双绞线、同轴电缆、光纤等。
从性价比和可维护性出发,大多数局域网使用非屏蔽双绞线(UTP — Un shieldedTwistedPair)作为布线的传输介质来组网。
网线由一定距离长的双绞线与 RJ45头组成。
双绞线由8根不同颜色的线分成4 对绞合在一起,成队扭绞的作用是尽可能减少电磁辐射与外部电磁干扰的影响,双绞线可按其是否外加金属网丝套的屏蔽层而区分为屏蔽双绞线(STP)和非屏蔽双绞线(UTP)。
在EIA/TIA-568A 标准中,将双绞线按电气特性区分有:三类、四类、五类线。
网络中最常用的是三类线和五类线,目前已有六类以上线。
第三类双绞线在LAN中常用作为10Mbps以太网的数据与话音传输,符合IEEE802.310Base-T的标准。
第五类双绞线目前占有最大的LAN市场,最高速率可达100Mbps,符合IEEE802.3100Base-T的标准。
做好的网线要将 RJ45 水晶头接入网卡或HUB等网络设备的RJ45插座内。
相应地RJ45插头座也区分为三类或五类电气特性。
RJ45水晶头由金属片和塑料构成,特别需要注意的是引脚序号,当金属片面对我们的时候从左至右引脚序号是1-8,这序号做网络联线时非常重要,不能搞错。
双绞线的最大传输距离为100米。
EIA/TIA的布线标准中规定了两种双绞线的线序 568A与568B。
标准568A :橙白--1,橙--2,绿白--3,蓝--4,蓝白--5,绿--6,棕白--7,棕 --8 ;标准568B :绿白--1,绿--2,橙白--3,蓝--4,蓝白--5,橙--6,棕白--7,棕 --8 o 在整个网络布线中应用一种布线方式,但两端都有RJ-45plug的网络联线无论是采用端接方式A,还是端接方式B,在网络中都是通用的。
双绞线的顺序与 RJ45头的引脚序号--对应。
10M以太网的网线使用1,2,3,6编号的芯线传递数据,100M以太网的网线使用4 , 5,7,8编号的芯线传递数据。
为何现在都采用4对(8芯线)的双绞线呢?这主要是为适应更多的使用范围,在不变换基础设施的前提下,就可满足各式各样的用户设备的接线要求。
例如,我们可同时用其中一对绞线来实现语音通讯。
100BASE-T4RJ-45 对双绞线的规定如下:1、2用于发送,3、6用于接收,4、5,7、8是双向线。
1、2线必须是双绞,3、6双绞,4、5双绞,7、8双绞。
下面介绍几种应用环境下双绞线的制作方法。
MDI表示此口是级连口,而 MDI-X时表示此口是普通口。
1) PC等网络设备连接到HUB时,用的网线为直通线,双绞线的两头连线要一一对应,此时,HUB为MDI-X 口,PC为MDI 口。
10Mbps网线只要双绞线两端对应即可,不必考虑不同颜色的线的排序,而如果使用 100M速率相连的话,则必须严格按照EIA/TIA568A 或568B布线标准制作。
2)在进行间HUB级连时,应把级连口控制开关放在 MDI ( Uplink )上,同时用直通线相连。
如果HUB没有专用级连口,或者无法使用级连口,必须使用MDI-X 口级连,这时,我们可用交叉线来达到目的,这里的交叉线,即是在做网线时,用一端RJ-45plug 的1脚接到另一端 RJ-45plug 的3脚;再用一端RJ-45plug的2脚接到另一端RJ-45plug的6脚。
可按如下色谱制作:A端:橙白,橙,绿白,蓝,蓝白,绿,棕白,棕;B端:绿白,绿,橙白,蓝,蓝白,橙,棕白,棕。
同时,我们也应该知道,级连 HUB间的网线长度不应超过100米,HUB的级连不应超过4级。
因交叉线较少用到,故应做特别标记,以免日后误作直通线用,造成线路故障。
另外交叉网线也可用在两台微机直连。
最后须对线路进行通断测试,用RJ-45测线仪测试时,4个绿灯都应依次闪烁。
软件调试最常用的办法,就是用 Windows95、Windows98 自带的Ping命令。
如果工作站得到服务器的响应则表明线路正常和网络协议安装正常,而这是网络应用软件能正常工作的基础。
RJ-45连接器<8线UTP"RJ45连接器的TIAZEIA话68B标准卜虹鑒侖咲-hl网线水晶头排列顺序网线水晶头接法窍门网线水晶头接法双绞网络线接法详解一直以来很多人(包括作者)都认为 10Base-T10M 网络使用了网线中8条信号线之4条,而100Base-T100M 则使用了全部8条信号线(要不怎么那么快呢?)。
可是作者前不久在使用一条按所谓10M直连接法(1与3、2与6交换,其余四线接外壳屏蔽)接出的网线时,意外地发现网络正以100M高速传输,百思不得其解,于是上网查阅了大量资料,加上好几台机实验验证,终于发现了事实真相,那就是,100M的双绞线与10M的标准接法完全是一样!可惜国内站点的看法(代表大多数人的看法)基本与作者老观点一致,或者是虽有提及,但也是讲得语焉不详,没有深究,所以笔者认为有撰写本文之必要。
双绞线接头(RJ45)针脚号码定义_____"1 6蜒藐之水晶接头丄(图一”Hixsky网线水晶头排列顺序网线水晶头接法窍门网线水晶头接法10M双绞线接头的标准接法线材要求CAT-3(3类线).100M双绞线接头的标准接法线材要求CAT-5(5类线),接头接法与10M完全兼容1000M双绞线接头的标准接法线材要求CAT-5e(5类增强线,俗称超五类),接头接法与10M/100M 完全兼容1000Base-T双向地使用了 RJ45接头中全部信号线。
线材用5类线虽然也能工作,但是推荐使用5类增强线。
各类双绞线的标准接法总结综合上述10M、100M、1000M各种标准,可以发现尽管各标准对线对功能定义稍有不同,但是最终接头的接法都是同一的,如下图所示:兰兰自躱I Sc明网线水晶头排列顺序网线水晶头接法窍门网线水晶头接法双绞线的标准接法的由来(囲三)网线水晶头排列顺序网线水晶头接法窍门网线水晶头接法如图三所示,双绞线的标准接法不是随便硬性规定出来的,而是为了尽量保持线缆接头之布局的对称性而作出,这样一来除了就可以使接头内线缆互相的干扰相互抵消而降到最低,同时也使外界干扰的差分信号值尽量能相等以便抗干扰电路作相减运算来消除之。
所以说我们平时制作网络线时,如果不按标准制作,虽然有时线路也能接通,但是线路内部各线对之间的干扰不能有效消除,从而使信号传送出错率增加,最终导致网络性能下降。
事实上我们本文所用的网线接法是 EIA/TIA568B标准,还有一个EIA/TIA568A的标准,它只不过是将图中的橙线对与绿线对交换了一下位置(也就是绿白 -1,绿-2,橙白-3,兰-4,兰白-5,橙-6,棕白-7,棕-8 ),线缆接头之布局仍然是对称的。
网线水晶头排列顺序网线水晶头接法窍门网线水晶头接法比对上图与标准接法图,可以发现二者其实只是交换了绿线对与橙线对,细心的人会发现它刚好就是EIA/TIA568A标准,所以说,直连双绞线的制作的标准接法,就是一头按EIA/TIA568A,另一头按EIA/TIA568B接法接线就行了。
两头都符合国际标准,这就是按标准做线的好处。
3类、5类、超5类线有什么不同首先说说,为什么要用双绞线而不是平行线呢?平行线不是更容易生产吗?这是因为网络线上通过的是>10MHz的高频信号,这时导线之间的绝缘线相当于一个介电板,它与导线所形成的电容对高频信号起旁路衰减作用(信号相位被滞后),由于信号频率之高而变得不可忽略,所以平行线传递高频网络信号是不行的。
但是如果我们将该平行线对双绞,就会在线对形成电容的同时形成一个串联的电感,草图如下:网线水晶头排列顺序网线水晶头接法窍门网线水晶头接法由电子电路知识可知,电感的作用刚好与电容相反,它使信号相位超前,只要调整电线的绕度,使线对形成的电感与电容就能够刚好抵消,而且随着线对长度的增加二者的作用均同等程度的增加,理想情况下信号就可以无衰减的在双绞线对上传输了。
由此我们就可以知道,市面上 3类、5类、超5类线虽然从外观上看基本类似,其内部肯定有以下几方面区别:一是信号线的绝缘材料不同,线越好,它的介电常数就应该越小,从而使形成的电容越小,二是线对的绕度可能不同(根据绝缘材料介电常数确定)。
还有一点就是越软的线品质越好,这有二方面的原因,一是表明该线的导线含铜量很高(因为纯铜很软),它的直流损耗就会很小,另一面表明该导线可能是多股线而不是单股线,因为多股线对高频信号传递能力强一些。
这与另外一种物理现象有关(好象叫集肤效应)。
HUB上的级连口的妙用通常HUB上都会留一个口用于 HUB之间的级连,也就是将许多HUB连在一起用,为了在不级连时充分利用硬件资源,该接口一般与其旁边一个普通网卡接口是相通的(图五)。
另外一种情形是设置一个拨动开关用来改变最后一个网口的功能(图六),那么作为级连用的网口到底有什么不同呢?<團石〉网线水晶头排列顺序网线水晶头接法窍门网线水晶头接法事实上非常简单,级连的网口就是一个标准的双机直连接口,也就是1与3、2 与6交叉,想不到吧。
那么我们知道这个事实,就可以:1、图五情形时,在HUB没电的时候也可以用二条普通网线连接二台电脑,只需将一条网线插在级连口,另一个接它旁边的接口就行。
2、对没有级连口的HUB,我们可以通过一条双机直连线将它与别的 HUB级连起来(各插任意一个普通网口即可)。
3、将双机直连线插入HUB之级连口,可以象普通网线一样插其它 HUB网口一样连网(1与3、2与6交叉二次,又变回去了嘛),这样你出门只需带一条双机直连线即可,直连与插HUB二不误,上门服务人员特有用。
注意:因为本人只是先转载朋友的资料,还没有亲身体验过,所以有人说,在EIA/TIA的布线标准中规定了两种双绞线的线序568A与568B。
标准568A :橙白--1,橙--2,绿白--3,蓝--4,蓝白--5,绿--6,棕白--7,棕--8 ;标准568B :绿白--1,绿--2,橙白--3,蓝--4,蓝白--5,橙--6,棕白--7,棕--8 o所以有可能排序有错,应把它们调换就对了。