建筑施工现场漏电保护器试跳记录
- 格式:doc
- 大小:32.50 KB
- 文档页数:3
C6-8 001 工程名称:金马凯旋家居CBD项目施工单位:宏华建筑安装电箱编号:( 1# )箱:位置: 2#地块 1#塔吊处C6-8 002 工程名称:金马凯旋家居CBD项目施工单位:宏华建筑安装电箱编号:( 1# )箱:位置: 2#地块 1#塔吊处C6-8 003 工程名称:金马凯旋家居CBD项目施工单位:宏华建筑安装电箱编号:( 1# )箱:位置: 2#地块 1#塔吊处C6-8 004 工程名称:金马凯旋家居CBD项目施工单位:宏华建筑安装电箱编号:( 1# )箱:位置: 2#地块 1#塔吊处C6-8 005 工程名称:金马凯旋家居CBD项目施工单位:宏华建筑安装电箱编号:( 1# )箱:位置: 2#地块 1#塔吊处C6-8 006 工程名称:金马凯旋家居CBD项目施工单位:宏华建筑安装电箱编号:( 1# )箱:位置: 2#地块 1#塔吊处C6-8 007 工程名称:金马凯旋家居CBD项目施工单位:宏华建筑安装电箱编号:( 1# )箱:位置: 2#地块 1#塔吊处C6-8 008 工程名称:金马凯旋家居CBD项目施工单位:宏华建筑安装电箱编号:( 1# )箱:位置: 2#地块 1#塔吊处C6-8 009 工程名称:金马凯旋家居CBD项目施工单位:宏华建筑安装电箱编号:( 1# )箱:位置: 2#地块 1#塔吊处C6-8 0010 工程名称:金马凯旋家居CBD项目施工单位:宏华建筑安装电箱编号:( 1# )箱:位置: 2#地块 1#塔吊处C6-8 0011 工程名称:金马凯旋家居CBD项目施工单位:宏华建筑安装电箱编号:( 1# )箱:位置: 2#地块 1#塔吊处C6-8 0012 工程名称:金马凯旋家居CBD项目施工单位:宏华建筑安装电箱编号:( 1# )箱:位置: 2#地块 1#塔吊处C6-8 0013 工程名称:金马凯旋家居CBD项目施工单位:宏华建筑安装电箱编号:( 1# )箱:位置: 2#地块 1#塔吊处。
施工现场临时用电漏电保护器试跳检查记录日期:20XX年XX月XX日检查人员:XXX一、检查目的:1.验证漏电保护器是否正常工作,能够及时切断漏电,保护人员和设备的安全;2.检查现场是否存在漏电等安全隐患,如有,及时排除。
二、检查范围:1.所有临时用电设备的电源插座;2.施工现场重要设备和电气线路。
三、检查工具:1.漏电保护器;2.电源插座测试器;3.手持式数字万用表。
四、检查内容:1.检查临时用电设备的电源插座(1)使用电源插座测试器测试所有的插座,确保地线连接良好;(2)使用手持式数字万用表检测所有插座的线路电压是否符合标准要求。
2.检查施工现场重要设备和电气线路(1)检查重要设备和电气线路的接地情况,确保接地良好;(2)对重要设备及电气线路进行检测,确保漏电保护器的额定漏电动作电流与设备额定漏电动作电流相匹配;(3)执行漏电保护器试跳测试,记录其是否能够及时切断漏电。
五、检查结果:1.所有临时用电设备的电源插座均通过测试,地线连接良好,线路电压符合标准要求;2.施工现场重要设备和电气线路的接地均良好,漏电保护器的额定漏电动作电流与设备额定漏电动作电流相匹配;3.执行漏电保护器试跳测试,记录如下:设备/线路名称,试跳前电流(mA),试跳后电流(mA),是否及时切---------------,-----------------,-----------------,-------------设备1,5,0,线路1,10,0,设备2,8,8,六、检查结论:根据以上检查结果,漏电保护器正常工作,能够及时切断漏电。
但发现设备2存在漏电问题,需要及时排查和修复。
七、检查人员签字:XXXXXXXXXX施工现场负责人签字:XXXXXXXXXX以上是一份施工现场临时用电漏电保护器试跳检查记录的示例,通过定期的检查和测试,可以确保漏电保护器的正常运行,减少安全事故发生的风险。
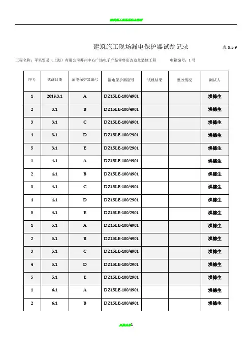
建筑施工现场漏电保护器试跳记录表8.5.9工程名称:苹果贸易(上海)有限公司苏州中心广场电子产品零售店改造及装修工程电箱编号:1号
注:漏电保护器试跳由建筑电工测试,依据JGJ 46-2005标准执行。
建筑施工现场漏电保护器试跳记录表8.5.9工程名称:苹果贸易(上海)有限公司苏州中心广场电子产品零售店改造及装修工程电箱编号:2号
注:漏电保护器试跳由建筑电工测试,依据JGJ 46-2005标准执行。
建筑施工现场漏电保护器试跳记录表8.5.9工程名称:苹果贸易(上海)有限公司苏州中心广场电子产品零售店改造及装修工程电箱编号:3号
注:漏电保护器试跳由建筑电工测试,依据JGJ 46-2005标准执行。
建筑施工现场漏电保护器试跳记录表8.5.9工程名称:苹果贸易(上海)有限公司苏州中心广场电子产品零售店改造及装修工程电箱编号:4号
注:漏电保护器试跳由建筑电工测试,依据JGJ 46-2005标准执行。
建筑施工现场漏电保护器试跳记录表8.5.9工程名称:苹果贸易(上海)有限公司苏州中心广场电子产品零售店改造及装修工程电箱编号:5号
注:漏电保护器试跳由建筑电工测试,依据JGJ 46-2005标准执行。
表8.5.9 建筑施工现场漏电保护器试跳记
录
工程名称:金地国际城二期
电箱编号:总配电箱
注:漏电保护器试跳由建筑电工测试,依据JGJ 46-2005标准执行。
表8.5.9 建筑施工现场漏电保护器试跳记录
工程名称:金地国际城二期电箱编号:1#电箱
注:漏电保护器试跳由建筑电工测试,依据JGJ 46-2005标准执行。
表8.5.9 建筑施工现场漏电保护器试跳记录
工程名称:金地国际城二期电箱编号:2#电箱
注:漏电保护器试跳由建筑电工测试,依据JGJ 46-2005标准执行。
表8.5.9 建筑施工现场漏电保护器试跳记录
工程名称:金地国际城二期电箱编号:3#电箱
注:漏电保护器试跳由建筑电工测试,依据JGJ 46-2005标准执行。
表8.5.9 建筑施工现场漏电保护器试跳记录
工程名称:金地国际城二期电箱编号:4#电箱
注:漏电保护器试跳由建筑电工测试,依据JGJ 46-2005标准执行。
表8.5.9 建筑施工现场漏电保护器试跳记录
工程名称:金地国际城二期电箱编号:5#电箱
注:漏电保护器试跳由建筑电工测试,依据JGJ 46-2005标准执行。
表8.5.9 建筑施工现场漏电保护器试跳记录
工程名称:金地国际城二期电箱编号:6#电箱
注:漏电保护器试跳由建筑电工测试,依据JGJ 46-2005标准执行。
表8.5.9 建筑施工现场漏电保护器试跳记录
工程名称:金地国际城二期电箱编号:7#电箱
注:漏电保护器试跳由建筑电工测试,依据JGJ 46-2005。
精心整理漏电保护器试跳记录
a.本表单为安全员/值班电工在施工过程中检查A、B三级电箱的漏电保护器试跳时用。
b.A、B级电箱试跳周期最长不应超过产品说明书的时间,无说明书的每半月一次;阴雨天、
电箱搬动,电缆重新布线后应增加检查次数;“电箱状态”填写“正常”/“阴雨天”/“搬
动”。
c.A、B级电箱的试跳记录应用胶带纸粘贴在电箱门后,记录满一张纸,揭下插在“安2-5”
之后。
d.C级(开关)箱的试跳周期为每周一次,阴雨天/电箱搬动/电缆重新布线后应增加检查次
数;记录插在“安全环保监督记录”(安2-5)之后。
e.安全员/施工员/项目经理/区域管理员/公司的项目督导员应有一定量的复查。
项目名称:锐拓资本大厦检测人:电箱编号:
试调日期电
箱
状
态
A、B级电箱内漏电开
关编号(C级开关箱
编号)
漏电开关型
号规格容量
(A)
试跳结果
检测人复查人
动作
不动
作
精心整理。
施工现场漏电保护器测试记录C6-8 001 工程名称:郑州金马凯旋家居CBD项目施工单位:南通宏华建筑安装有限公司电箱编号:( 1# )箱:位置: 2#地块 1#塔吊处注意原则上漏电保护器试跳由操作人员每周测试一次,依据JGJ 46-2005标准执行。
施工现场漏电保护器测试记录C6-8 002 工程名称:郑州金马凯旋家居CBD项目施工单位:南通宏华建筑安装有限公司电箱编号:( 1# )箱:位置: 2#地块 1#塔吊处注意原则上漏电保护器试跳由操作人员每周测试一次,依据JGJ 46-2005标准执行。
施工现场漏电保护器测试记录C6-8 003 工程名称:郑州金马凯旋家居CBD项目施工单位:南通宏华建筑安装有限公司电箱编号:( 1# )箱:位置: 2#地块 1#塔吊处注意原则上漏电保护器试跳由操作人员每周测试一次,依据JGJ 46-2005标准执行。
施工现场漏电保护器测试记录C6-8 004 工程名称:郑州金马凯旋家居CBD项目施工单位:南通宏华建筑安装有限公司电箱编号:( 1# )箱:位置: 2#地块 1#塔吊处注意原则上漏电保护器试跳由操作人员每周测试一次,依据JGJ 46-2005标准执行。
施工现场漏电保护器测试记录C6-8 005 工程名称:郑州金马凯旋家居CBD项目施工单位:南通宏华建筑安装有限公司电箱编号:( 1# )箱:位置: 2#地块 1#塔吊处注意原则上漏电保护器试跳由操作人员每周测试一次,依据JGJ 46-2005标准执行。
施工现场漏电保护器测试记录C6-8 006 工程名称:郑州金马凯旋家居CBD项目施工单位:南通宏华建筑安装有限公司电箱编号:( 1# )箱:位置: 2#地块 1#塔吊处注意原则上漏电保护器试跳由操作人员每周测试一次,依据JGJ 46-2005标准执行。
施工现场漏电保护器测试记录C6-8 007 工程名称:郑州金马凯旋家居CBD项目施工单位:南通宏华建筑安装有限公司电箱编号:( 1# )箱:位置: 2#地块 1#塔吊处注意原则上漏电保护器试跳由操作人员每周测试一次,依据JGJ 46-2005标准执行。
C6—8 001 工程名称:郑州金马凯旋家居CBD项目施工单位:南通宏华建筑安装有限公司电箱编号:( 1# )箱 : 位置: 2#地块 1#塔吊处C6—8 002 工程名称: 郑州金马凯旋家居CBD项目施工单位:南通宏华建筑安装有限公司电箱编号:( 1# )箱:位置: 2#地块 1#塔吊处C6—8 003 工程名称: 郑州金马凯旋家居CBD项目施工单位: 南通宏华建筑安装有限公司电箱编号:( 1# )箱:位置: 2#地块 1#塔吊处C6-8 004 工程名称:郑州金马凯旋家居CBD项目施工单位:南通宏华建筑安装有限公司电箱编号:( 1#)箱 : 位置: 2#地块 1#塔吊处C6—8 005 工程名称:郑州金马凯旋家居CBD项目施工单位:南通宏华建筑安装有限公司电箱编号:( 1# )箱:位置: 2#地块 1#塔吊处C6—8 006 工程名称:郑州金马凯旋家居CBD项目施工单位:南通宏华建筑安装有限公司电箱编号:( 1# )箱:位置: 2#地块 1#塔吊处C6-8 007 工程名称: 郑州金马凯旋家居CBD项目施工单位:南通宏华建筑安装有限公司电箱编号:( 1#)箱:位置: 2#地块 1#塔吊处C6-8 008 工程名称:郑州金马凯旋家居CBD项目施工单位:南通宏华建筑安装有限公司电箱编号:( 1# )箱:位置: 2#地块 1#塔吊处C6-8 009 工程名称:郑州金马凯旋家居CBD项目施工单位: 南通宏华建筑安装有限公司电箱编号:( 1# )箱 : 位置: 2#地块 1#塔吊处C6-8 0010 工程名称:郑州金马凯旋家居CBD项目施工单位:南通宏华建筑安装有限公司电箱编号:( 1#)箱:位置: 2#地块 1#塔吊处C6—8 0011 工程名称:郑州金马凯旋家居CBD项目施工单位: 南通宏华建筑安装有限公司电箱编号:( 1# )箱 : 位置: 2#地块 1#塔吊处C6-8 0012 工程名称:郑州金马凯旋家居CBD项目施工单位:南通宏华建筑安装有限公司电箱编号:( 1# )箱:位置: 2#地块 1#塔吊处C6-8 0013 工程名称:郑州金马凯旋家居CBD项目施工单位:南通宏华建筑安装有限公司电箱编号:( 1# )箱:位置: 2#地块 1#塔吊处。
表8.5.9 建筑施工现场漏电保护器试跳记录
工程名称:金地国际城二期电箱编号:总配电箱
注:漏电保护器试跳由建筑电工测试,依据JGJ 46-2005标准执行。
表8.5.9 建筑施工现场漏电保护器试跳记录
工程名称:金地国际城二期电箱编号:1#电箱
注:漏电保护器试跳由建筑电工测试,依据JGJ 46-2005标准执行。
表8.5.9 建筑施工现场漏电保护器试跳记录
工程名称:金地国际城二期电箱编号:2#电箱
注:漏电保护器试跳由建筑电工测试,依据JGJ 46-2005标准执行。
表8.5.9 建筑施工现场漏电保护器试跳记录
工程名称:金地国际城二期电箱编号:3#电箱
注:漏电保护器试跳由建筑电工测试,依据JGJ 46-2005标准执行。
表8.5.9 建筑施工现场漏电保护器试跳记录
工程名称:金地国际城二期电箱编号:4#电箱
注:漏电保护器试跳由建筑电工测试,依据JGJ 46-2005标准执行。
表8.5.9 建筑施工现场漏电保护器试跳记录
工程名称:金地国际城二期电箱编号:5#电箱
注:漏电保护器试跳由建筑电工测试,依据JGJ 46-2005标准执行。
表8.5.9 建筑施工现场漏电保护器试跳记录
工程名称:金地国际城二期电箱编号:6#电箱
注:漏电保护器试跳由建筑电工测试,依据JGJ 46-2005标准执行。
表8.5.9 建筑施工现场漏电保护器试跳记录
工程名称:金地国际城二期电箱编号:7#电箱
注:漏电保护器试跳由建筑电工测试,依据JGJ 46-2005。
建筑施工现场漏电保护器试跳记录表8.5.9工程名称:苹果贸易(上海)有限公司苏州中心广场电子产品零售店改造及装修工程电箱编号:1号
注:漏电保护器试跳由建筑电工测试,依据JGJ 46-2005标准执行。
建筑施工现场漏电保护器试跳记录表8.5.9工程名称:苹果贸易(上海)有限公司苏州中心广场电子产品零售店改造及装修工程电箱编号:2号
注:漏电保护器试跳由建筑电工测试,依据JGJ 46-2005标准执行。
建筑施工现场漏电保护器试跳记录表8.5.9工程名称:苹果贸易(上海)有限公司苏州中心广场电子产品零售店改造及装修工程电箱编号:3号
注:漏电保护器试跳由建筑电工测试,依据JGJ 46-2005标准执行。
建筑施工现场漏电保护器试跳记录表8.5.9工程名称:苹果贸易(上海)有限公司苏州中心广场电子产品零售店改造及装修工程电箱编号:4号
注:漏电保护器试跳由建筑电工测试,依据JGJ 46-2005标准执行。
建筑施工现场漏电保护器试跳记录表8.5.9工程名称:苹果贸易(上海)有限公司苏州中心广场电子产品零售店改造及装修工程电箱编号:5号
注:漏电保护器试跳由建筑电工测试,依据JGJ 46-2005标准执行。
精品文档word文档可以编辑!谢谢下载!。
施工现场漏电保护器测试记录C6-8 001 工程名称:郑州金马凯旋家居CBD项目施工单位:南通宏华建筑安装有限公司电箱编号:( 1# )箱:位置: 2#地块 1#塔吊处注意原则上漏电保护器试跳由操作人员每周测试一次,依据JGJ 46-2005标准执行。
施工现场漏电保护器测试记录C6-8 002 工程名称:郑州金马凯旋家居CBD项目施工单位:南通宏华建筑安装有限公司电箱编号:( 1# )箱:位置: 2#地块 1#塔吊处注意原则上漏电保护器试跳由操作人员每周测试一次,依据JGJ 46-2005标准执行。
施工现场漏电保护器测试记录C6-8 003 工程名称:郑州金马凯旋家居CBD项目施工单位:南通宏华建筑安装有限公司电箱编号:( 1# )箱:位置: 2#地块 1#塔吊处注意原则上漏电保护器试跳由操作人员每周测试一次,依据JGJ 46-2005标准执行。
施工现场漏电保护器测试记录C6-8 004 工程名称:郑州金马凯旋家居CBD项目施工单位:南通宏华建筑安装有限公司电箱编号:( 1# )箱:位置: 2#地块 1#塔吊处注意原则上漏电保护器试跳由操作人员每周测试一次,依据JGJ 46-2005标准执行。
施工现场漏电保护器测试记录C6-8 005 工程名称:郑州金马凯旋家居CBD项目施工单位:南通宏华建筑安装有限公司电箱编号:( 1# )箱:位置: 2#地块 1#塔吊处注意原则上漏电保护器试跳由操作人员每周测试一次,依据JGJ 46-2005标准执行。
施工现场漏电保护器测试记录C6-8 006 工程名称:郑州金马凯旋家居CBD项目施工单位:南通宏华建筑安装有限公司电箱编号:( 1# )箱:位置: 2#地块 1#塔吊处注意原则上漏电保护器试跳由操作人员每周测试一次,依据JGJ 46-2005标准执行。
施工现场漏电保护器测试记录C6-8 007 工程名称:郑州金马凯旋家居CBD项目施工单位:南通宏华建筑安装有限公司电箱编号:( 1# )箱:位置: 2#地块 1#塔吊处注意原则上漏电保护器试跳由操作人员每周测试一次,依据JGJ 46-2005标准执行。
建筑施工现场漏电保护器试跳记录
工程名称:办公楼电箱编号:总配电箱
注:漏电保护器试跳由建筑电工测试,依据JGJ 46-2005标准执行。
序号试跳日期漏电保护器编号漏电保护器型号试跳结果整改情况测试人
1 7.10 A DZ201-400/3300 合格符合要求
2 7.10 B DZ15CE-100/490 合格符合要求
3 7.10 C DZ15CE-100/490 合格符合要求
4 7.10 D DZ15CE-100/490 合格符合要求
5 7.10 E DZL25-250/4301 合格符合要求
6 7.10 F DZL25-250/4301 合格符合要求
建筑施工现场漏电保护器试跳记录
工程名称:办公楼电箱编号:总配电箱
注:漏电保护器试跳由建筑电工测试,依据JGJ 46-2005标准执行。
序号试跳日期漏电保护器编号漏电保护器型号试跳结果整改情况测试人
1 8.10 A DZ206/-400/3300 合格符合要求
2 810 B DZ15CE-100/490 合格符合要求
3 8.10 C DZ15CE-100/490 合格符合要求
4 8.10 D DZ15CE-100/490 合格符合要求
5 8.10 E DZL25-250/4301 合格符合要求
6 8.10 F DZL25-250/4301 合格符合要求
7 8.10 G DZL25-250/4301 合格符合要求
建筑施工现场漏电保护器试跳记录
工程名称:办公楼电箱编号:总配电箱
注:漏电保护器试跳由建筑电工测试,依据JGJ 46-2005标准执行。
序号试跳日期漏电保护器编号漏电保护器型号试跳结果整改情况测试人
1 9.15 A DZ201-400/3300 合格符合要求
2 9.15 B DZ15CE-100/490 合格符合要求
3 9.15 C DZ15CE-100/490 合格符合要求
4 9.1
5 D DZ15CE-100/490 合格符合要求
5 9.15 E DZL25-250/4301 合格符合要求
6 9.15 F DZL25-250/4301 合格符合要求
7 7.10 G DZL25-250/4301 合格符合要求。