建筑施工现场漏电保护器试跳记录 表8
- 格式:doc
- 大小:44.44 KB
- 文档页数:7
施工现场临时用电漏电保护器检测记录表检测日期:年月日12.5.2 单位名称仪表型号工程名称天气情况序号用电设备漏电型号漏电动作电流(mA)漏电动作时间(S)按钮试验问题及处理意见标定值实测值标定值实测值1 2 3 4 5 6 7 8 9101112131415现场电气负责人:测试人:记录人:电气监理意见:电气监理工程师签字:施工现场临时用电漏电保护器检测记录表检测日期:2014年07月6日12.5.2单位名称仪表型号工程名称天气情况晴序号用电设备漏电型号漏电动作电流(mA)漏电动作时间(S)按钮试验问题及处理意见标定值实测值标定值实测值1 总配电箱CMIL-800M/4300800A<100mA <0.1S 正常合格2 总配电箱CMIL-800M/4300800A<100mA <0.1S 正常合格3 总配电箱CMIL-800M/4300800A<100mA <0.1S 正常合格4 大二级配电箱1号DZ20L400/4300400A<50mA <0.1S 正常合格5 大二级配电箱1号DZ20L250/4300200A<50mA <0.1S 正常合格6 大二级配电箱1号DZ20L250/4300200A<50mA <0.1S 正常合格7 大二级配电箱2号DZ20L400/4300400A<50mA <0.1S 正常合格8 大二级配电箱2号DZ20L250/4300200A<50mA <0.1S 正常合格9 大二级配电箱2号DZ20L250/4300200A<50mA <0.1S 正常合格10 大二级配电箱2号DZ20L250/4300200A<50mA <0.1S 正常合格11 大二级配电箱2号DZ20L400/4300400A<50mA <0.1S 正常合格12 大二级配电箱2号DZ20L250/4300200A<50mA <0.1S 正常合格13 大二级配电箱2号DZ20L250/4300200A<50mA <0.1S 正常合格现场电气负责人:测试人:记录人:电气监理意见:电气监理工程师签字:施工现场临时用电漏电保护器检测记录表检测日期:2012年03月26日12.5.2 单位名称中建六局第二建筑工程有限责任公司仪表型号工程名称包头市稀土开发区总部经济园天气情况晴序号用电设备漏电型号漏电动作电流(mA)漏电动作时间(S)按钮试验问题及处理意见标定值实测值标定值实测值14 二级配电箱1号DZ15L100/490000A<30mA <0.1S 正常合格15 二级配电箱1号DZ15L100/490000A<30mA <0.1S 正常合格16 二级配电箱2号DZ15L100/490000A<30mA <0.1S 正常合格17 二级配电箱2号DZ15L100/490000A<30mA <0.1S 正常合格18 二级配电箱2号DZ15L100/490000A<30mA <0.1S 正常合格19 二级配电箱3号DZ15L100/490000A<30mA <0.1S 正常合格20 二级配电箱3号DZ15L100/490000A<30mA <0.1S 正常合格21 二级配电箱3号DZ15L100/490000A<30mA <0.1S 正常合格22 二级配电箱4号DZ15L100/490000A<30mA <0.1S 正常合格23 二级配电箱4号DZ15L100/490000A<30mA <0.1S 正常合格24 二级配电箱4号DZ15L100/490000A<30mA <0.1S 正常合格25 二级配电箱5号DZ15L100/490000A<30mA <0.1S 正常合格26 二级配电箱5号DZ15L100/490000A<30mA <0.1S 正常合格现场电气负责人:测试人:记录人:电气监理意见:电气监理工程师签字:施工现场临时用电漏电保护器检测记录表检测日期:2012年03月26日12.5.2单位名称中建六局第二建筑工程有限责任公司仪表型号工程名称包头市稀土开发区总部经济园天气情况晴序号用电设备漏电型号漏电动作电流(mA)漏电动作时间(S)按钮试验问题及处理意见标定值实测值标定值实测值27 二级配电箱6号DZ15L100/490100A<30mA <0.1S 正常合格28 二级配电箱6号DZ15L100/490100A<30mA <0.1S 正常合格29 二级配电箱7号DZ15L100/490100A<30mA <0.1S 正常合格30 二级配电箱7号DZ15L100/490100A<30mA <0.1S 正常合格31 二级配电箱7号DZ15L100/490100A<30mA <0.1S 正常合格32 降水配电箱1号DZ15L100/490100A<30mA <0.1S 正常合格33 降水配电箱2号DZ15L100/490100A<30mA <0.1S 正常合格34 降水配电箱3号DZ15L100/490100A<30mA <0.1S 正常合格35 降水配电箱4号DZ15L100/490100A<30mA <0.1S 正常合格36 降水配电箱5号DZ15L100/490100A<30mA <0.1S 正常合格37 降水配电箱6号DZ15L100/490100A<30mA <0.1S 正常合格38 降水配电箱7号DZ15L100/490100A<30mA <0.1S 正常合格39 降水配电箱8号DZ15L100/490100A<30mA <0.1S 正常合格现场电气负责人:测试人:记录人:电气监理意见:电气监理工程师签字:施工现场临时用电漏电保护器检测记录表检测日期:2012年03月26日12.5.2 单位名称中建六局第二建筑工程有限责任公司仪表型号工程名称包头市稀土开发区总部经济园天气情况晴序号用电设备漏电型号漏电动作电流(mA)漏电动作时间(S)按钮试验问题及处理意见标定值实测值标定值实测值40 降水配电箱9号DZ15L100/490100A<30mA <0.1S 正常合格41 C12钢筋棚二级配电箱DZ20L400/4300400A<50mA <0.1S 正常合格42 C12钢筋棚二级配电箱DZ20L250/4300200A<50mA <0.1S 正常合格43 C12钢筋棚二级配电箱DZ20L250/4300200A<50mA <0.1S 正常合格44 C12钢筋棚二级配电箱DZ20L250/4300200A<50mA <0.1S 正常合格45 C12钢筋棚切断机DZ15L-40/390 <30mA <0.1S 正常合格46 C12钢筋棚切断机DZ15L-40/390 <30mA <0.1S 正常合格47 C12钢筋棚弯曲机DZ15L-40/390 <30mA <0.1S 正常合格48 C12钢筋棚弯曲机DZ15L-40/390 <30mA <0.1S 正常合格49 C12钢筋棚自动调直机DZ15L-40/390 <30mA <0.1S 正常合格50 C12钢筋棚开关箱DZ15L100/490100A<30mA <0.1S 正常合格51 C12钢筋棚开关箱DZ15L100/490100A<30mA <0.1S 正常合格现场电气负责人:测试人:记录人:电气监理意见:电气监理工程师签字:施工现场临时用电漏电保护器检测记录表检测日期:2012年03月26日12.5.2单位名称中建六局第二建筑工程有限责任公司仪表型号工程名称包头市稀土开发区总部经济园天气情况晴序号用电设备漏电型号漏电动作电流(mA)漏电动作时间(S)按钮试验问题及处理意见标定值实测值标定值实测值52 C12钢筋棚开关箱DZ15L40/29040A<30mA <0.1S 正常合格53 C12钢筋棚开关箱DZ15L40/29040A<30mA <0.1S 正常合格54 C13钢筋棚DZ15L-100/390<30mA <0.1S 正常合格55 C13钢筋棚切断机DZ15L-100/390100A<30mA <0.1S 正常合格56 C13钢筋棚弯曲机DZ15L-100/490100A<30mA <0.1S 正常合格57 C13钢筋棚弯曲机DZ15L-100/490100A<30mA <0.1S 正常合格58 C13钢筋棚自动调直机DZ15L-100/490100A<30mA <0.1S 正常合格59 C13钢筋棚开关箱DZ15L100/490100A<30mA <0.1S 正常合格60 C13宿舍DZ15L100/490100A<30mA <0.1S 正常合格61 C13宿舍DZ15L40/29040A<30mA <0.1S 正常合格62 C10塔吊DZ15L-100/490100A<30mA <0.1S 正常合格63 C12塔吊DZ10L-250/4300200A<30mA <0.1S 正常合格现场电气负责人:测试人:记录人:电气监理意见:电气监理工程师签字:施工现场临时用电漏电保护器检测记录表检测日期:2012年03月26日12.5.2 单位名称中建六局第二建筑工程有限责任公司仪表型号工程名称包头市稀土开发区总部经济园天气情况晴序号用电设备漏电型号漏电动作电流(mA)漏电动作时间(S)按钮试验问题及处理意见标定值实测值标定值实测值64 C13塔吊DZ15L-100/490100A<30mA <0.1S 正常合格65 C10塔吊镝灯DZ15L-40/29040A<30mA <0.1S 正常合格66 C12塔吊镝灯DZ15L-40/29040A<30mA <0.1S 正常合格67 C13塔吊镝灯DZ15L-40/29040A<30mA <0.1S 正常合格68C10移动配电箱DZ15L-100/490100A<30mA <0.1S 正常合格69 C10 DZ15L-100/490<30mA <0.1S 正常合格70C10移动配电箱DZ15L-100/490100A<30mA <0.1S 正常合格71C12移动配电箱DZ20L250/4300200A<50mA <0.1S 正常合格72C12移动配电箱DZ15L-100/490100A<30mA <0.1S 正常合格73C12移动配电箱DZ15L-100/490100A<30mA <0.1S 正常合格74C12移动配电箱DZ15L-100/490100A<30mA <0.1S 正常合格75C12移动配电箱DZ15L-4029040A<30mA <0.1S 正常合格76C13移动配电箱DZ15L-100/490100A<30mA <0.1S 正常合格现场电气负责人:测试人:记录人:电气监理意见:电气监理工程师签字:施工现场临时用电漏电保护器检测记录表检测日期:2012年03月26日12.5.2 单位名称中建六局第二建筑工程有限责任公司仪表型号工程名称包头市稀土开发区总部经济园天气情况晴序号用电设备漏电型号漏电动作电流(mA)漏电动作时间(S)按钮试验问题及处理意见标定值实测值标定值实测值77C13移动配电箱DZ15L-100/490100A<30mA <0.1S 正常合格78C13移动配电箱DZ15L-100/490100A<30mA <0.1S 正常合格79 现场仓库DZ15L-100/490100A<30mA <0.1S 正常合格80 现场仓库DZ15L-40/29040A<30mA <0.1S 正常合格81 生活区DZ15L-100/490100A<30mA <0.1S 正常合格82 生活区DZ15L-100/490100A<30mA <0.1S 正常合格83 照明DZ15L-100/490100A<30mA <0.1S 正常合格84 照明DZ15L-100/490<30mA <0.1S 正常合格85 照明DZ15L-100/490100A<30mA <0.1S 正常合格86878889现场电气负责人:测试人:记录人:电气监理意见:电气监理工程师签字:施工现场临时用电漏电保护器检测记录表检测日期:2012年03月26日12.5.2单位名称中建六局第二建筑工程有限责任公司仪表型号工程名称包头市稀土开发区总部经济园天气情况晴序号用电设备漏电型号漏电动作电流(mA)漏电动作时间(S)按钮试验问题及处理意见标定值实测值标定值实测值1 切断机DZ15L-40/390 <30mA <0.1S 正常合格2 切断机DZ15L-40/390 <30mA <0.1S 正常合格3 弯曲机DZ15L-40/390 <30mA <0.1S 正常合格4 弯曲机DZ15L-40/390 <30mA <0.1S 正常合格5自动调直机DZ15L-40/390 <30mA <0.1S 正常合格6 木工电锯DZ15L-40/390 <30mA <0.1S 正常合格7 电焊机DZ15L-40/390 <30mA <0.1S 正常合格8 电焊机DZ15L-40/390 <30mA <0.1S 正常合格9 无齿锯DZ15L-40/390 <30mA <0.1S 正常合格10 无齿锯DZ15L-40/390 <30mA <0.1S 正常合格11 C10塔吊DZ10L-200/490 <30mA <0.1S 正常合格12 C12塔吊DZ10L-200/490 <30mA <0.1S 正常合格13 C13塔吊DZ10L-200/490 <30mA <0.1S 正常合格14 水泵DZ10L-200/490 <30mA <0.1S 正常合格15 水泵DZ10L-200/490 <30mA <0.1S 正常合格现场电气负责人:测试人:记录人:电气监理意见:电气监理工程师签字:施工现场临时用电漏电保护器检测记录表检测日期:2012年03月26日12.5.2单位名称中建六局第二建筑工程有限责任公司仪表型号工程名称包头市稀土开发区总部经济园天气情况晴序号用电设备漏电型号漏电动作电流(mA)漏电动作时间(S)按钮试验问题及处理意见标定值实测值标定值实测值1 生活区DZ15L-100/490 <30mA <0.1S 正常合格2 生活区DZ15L-100/490 <30mA <0.1S 正常合格3 照明DZ15L-100490 <30mA <0.1S 正常合格4 照明DZ15L-100/490 <30mA <0.1S 正常合格5 照明DZ15L-100/490 <30mA <0.1S 正常合格6789101112131415现场电气负责人:测试人:电气监理意见:电气监理工程师签字:施工现场临时用电漏电保护器检测记录表检测日期:2010年09月23日12.5.2单位名称中建六局第二建筑工程有限责任公司仪表型号LCT—GX2工程名称包头市稀土开发区总部经济园天气情况晴序号用电设备漏电型号漏电动作电流(mA)漏电动作时间(S)按钮试验问题及处理意见标定值实测值标定值实测值1 切断机DZ15L-40/390 <30mA 28 mA <0.1S 0.08S 正常合格2 切断机DZ15L-40/390 <30mA 29mA <0.1S 0.08S 正常合格3 弯曲机DZ15L-40/390 <30mA 28mA <0.1S 0.09S 正常合格4 弯曲机DZ15L-40/390 <30mA 27mA <0.1S 0.09S 正常合格5自动调直机DZ15L-40/390 <30mA 28mA <0.1S 0.09S 正常合格6 木工电锯DZ15L-40/390 <30mA 28mA <0.1S 0.09S 正常合格7 电焊机DZ15L-40/390 <30mA 28mA <0.1S 0.09S 正常合格8 电焊机DZ15L-40/390 <30mA 25mA <0.1S 0.09S 正常合格9 无齿锯DZ15L-40/390 <30mA 28mA <0.1S 0.09S 正常合格10 无齿锯DZ15L-40/390 <30mA 26mA <0.1S 0.09S 正常合格11 塔吊DZ10L-200/490 <30mA 28mA <0.1S 0.08S 正常合格12 电梯DZ10L-200/490 <30mA 28mA <0.1S 0.07S 正常合格13 电梯DZ10L-200/490 <30mA 26mA <0.1S 0.08S 正常合格14 电梯DZ10L-200/490 <30mA 28mA <0.1S 0.08S 正常合格15 水泵DZ10L-200/490 <30mA 28mA <0.1S 0.08S 正常合格现场电气负责人:测试人:记录人:电气监理意见:电气监理工程师签字:施工现场临时用电漏电保护器检测记录表检测日期:2010年09月23日12.5.2单位名称中建六局第二建筑工程有限责任公司仪表型号LCT—GX2工程名称包头市稀土开发区总部经济园天气情况晴序号用电设备漏电型号漏电动作电流(mA)漏电动作时间(S)按钮试验问题及处理意见标定值实测值标定值实测值1 生活区DZ15L-100/490 <30mA 28 mA <0.1S 0.08S 正常合格2 生活区DZ15L-100/490 <30mA 28mA <0.1S 0.08S 正常合格3 照明DZ15L-100490 <30mA 27mA <0.1S 0.09S 正常合格4 照明DZ15L-100/490 <30mA 26mA <0.1S 0.09S 正常合格5 照明DZ15L-100/490 <30mA 28mA <0.1S 0.09S 正常合格6789101112131415现场电气负责人:测试人:记录人:电气监理意见:电气监理工程师签字:。
建筑施工现场漏电保护器试跳记录表优秀文档(可以直接使用,可编辑实用优质文档,欢迎下载)
建筑施工现场漏电保护器试跳记录工程名称:苹果贸易(上海)苏州中心广场电子产品零售店改造及装修工程电箱编号:1号
注:漏电保护器试跳由建筑电工测试,依据JGJ 46-2005标准执行。
建筑施工现场漏电保护器试跳记录工程名称:苹果贸易(上海)苏州中心广场电子产品零售店改造及装修工程电箱编号:2号
注:漏电保护器试跳由建筑电工测试,依据JGJ 46-2005标准执行。
建筑施工现场漏电保护器试跳记录工程名称:苹果贸易(上海)苏州中心广场电子产品零售店改造及装修工程电箱编号:3号
注:漏电保护器试跳由建筑电工测试,依据JGJ 46-2005标准执行。
建筑施工现场漏电保护器试跳记录工程名称:苹果贸易(上海)苏州中心广场电子产品零售店改造及装修工程电箱编号:4号
注:漏电保护器试跳由建筑电工测试,依据JGJ 46-2005标准执行。
建筑施工现场漏电保护器试跳记录工程名称:苹果贸易(上海)苏州中心广场电子产品零售店改造及装修工程电箱编号:5号
注:漏电保护器试跳由建筑电工测试,依据JGJ 46-2005标准执行。
临时用电漏电保护器运行检测记录表
临电表10
临时用电漏电保护器运行检测记录表
临电表10
漏电保护器检测记录LJA12-11。
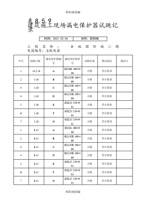
表8.5.9 建筑施工现场漏电保护器试跳记录
工程名称:金地国际城二期电箱编号:总配电箱
注:漏电保护器试跳由建筑电工测试,依据JGJ 46-2005标准执行。
表8.5.9 建筑施工现场漏电保护器试跳记录
工程名称:金地国际城二期
电箱编号:1#电箱
注:漏电保护器试跳由建筑电工测试,依据JGJ 46-2005标准执行。
表8.5.9 建筑施工现场漏电保护器试跳记录
工程名称:金地国际城二期
电箱编号:2#电箱
注:漏电保护器试跳由建筑电工测试,依据JGJ 46-2005标准执行。
表8.5.9 建筑施工现场漏电保护器试跳记录
工程名称:金地国际城二期
电箱编号:3#电箱
注:漏电保护器试跳由建筑电工测试,依据JGJ 46-2005标准执行。
表8.5.9 建筑施工现场漏电保护器试跳记录
工程名称:金地国际城二期
电箱编号:4#电箱
注:漏电保护器试跳由建筑电工测试,依据JGJ 46-2005标准执行。
表8.5.9 建筑施工现场漏电保护器试跳记录
工程名称:金地国际城二期
电箱编号:5#电箱
注:漏电保护器试跳由建筑电工测试,依据JGJ 46-2005标准执行。
表8.5.9 建筑施工现场漏电保护器试跳记录
工程名称:金地国际城二期
电箱编号:6#电箱
注:漏电保护器试跳由建筑电工测试,依据JGJ 46-2005标准执行。
表8.5.9 建筑施工现场漏电保护器试跳记录
工程名称:金地国际城二期
电箱编号:7#电箱
注:漏电保护器试跳由建筑电工测试,依据JGJ 46-2005标准。
表建筑施工现场漏电保护器试跳记录工程名称:金地国际城二期电箱编号:总配电箱
注:漏电保护器试跳由建筑电工测试,依据JGJ 46-2005标准执行。
表建筑施工现场漏电保护器试跳记录工程名称:金地国际城二期电箱编号:1#电箱
注:漏电保护器试跳由建筑电工测试,依据JGJ 46-2005标准执行。
表建筑施工现场漏电保护器试跳记录工程名称:金地国际城二期电箱编号:2#电箱
注:漏电保护器试跳由建筑电工测试,依据JGJ 46-2005标准执行。
表建筑施工现场漏电保护器试跳记录工程名称:金地国际城二期电箱编号:3#电箱
注:漏电保护器试跳由建筑电工测试,依据JGJ 46-2005标准执行。
表建筑施工现场漏电保护器试跳记录工程名称:金地国际城二期电箱编号:4#电箱
注:漏电保护器试跳由建筑电工测试,依据JGJ 46-2005标准执行。
表建筑施工现场漏电保护器试跳记录工程名称:金地国际城二期电箱编号:5#电箱
注:漏电保护器试跳由建筑电工测试,依据JGJ 46-2005标准执行。
表建筑施工现场漏电保护器试跳记录工程名称:金地国际城二期电箱编号:6#电箱
注:漏电保护器试跳由建筑电工测试,依据JGJ 46-2005标准执行。
表建筑施工现场漏电保护器试跳记录工程名称:金地国际城二期电箱编号:7#电箱
注:漏电保护器试跳由建筑电工测试,依据JGJ 46-2005标准执行。
表8.5.9 建筑施工现场漏电保护器试跳记
录
工程名称:金地国际城二期
电箱编号:总配电箱
注:漏电保护器试跳由建筑电工测试,依据JGJ 46-2005标准执行。
表8.5.9 建筑施工现场漏电保护器试跳记录
工程名称:金地国际城二期电箱编号:1#电箱
注:漏电保护器试跳由建筑电工测试,依据JGJ 46-2005标准执行。
表8.5.9 建筑施工现场漏电保护器试跳记录
工程名称:金地国际城二期电箱编号:2#电箱
注:漏电保护器试跳由建筑电工测试,依据JGJ 46-2005标准执行。
表8.5.9 建筑施工现场漏电保护器试跳记录
工程名称:金地国际城二期电箱编号:3#电箱
注:漏电保护器试跳由建筑电工测试,依据JGJ 46-2005标准执行。
表8.5.9 建筑施工现场漏电保护器试跳记录
工程名称:金地国际城二期电箱编号:4#电箱
注:漏电保护器试跳由建筑电工测试,依据JGJ 46-2005标准执行。
表8.5.9 建筑施工现场漏电保护器试跳记录
工程名称:金地国际城二期电箱编号:5#电箱
注:漏电保护器试跳由建筑电工测试,依据JGJ 46-2005标准执行。
表8.5.9 建筑施工现场漏电保护器试跳记录
工程名称:金地国际城二期电箱编号:6#电箱
注:漏电保护器试跳由建筑电工测试,依据JGJ 46-2005标准执行。
表8.5.9 建筑施工现场漏电保护器试跳记录
工程名称:金地国际城二期电箱编号:7#电箱
注:漏电保护器试跳由建筑电工测试,依据JGJ 46-2005。
表8.5.9 建筑施工现场漏电保护器试跳记录工程名称:金地国际城二期电箱编号:总配电箱序号试跳日期漏电保护器编号漏电保护器型号试跳结果整改情况测试人1 A DZ206/-400/330合格符合要求2 5.10 B DZ15CE-100/490 合格符合要求3 5.10 C DZ15CE-100/490 合格符合要求4 5.10 D DZ15CE-100/490 合格符合要求5 5.10 E DZL25-250/4301 合格符合要求6 5.10 F DZL25-250/4301 合格符合要求7 5.10 G DZL25-250/4301 合格符合要求1 6.15 A DZ201-400/3300 合格符合要求2 6.15 B DZ15CE-100/490 合格符合要求3 6.15 C DZ15CE-100/490 合格符合要求4 6.15 D DZ15CE-100/490 合格符合要求5 6.15 E DZL25-250/4301 合格符合要求6 6.15 F DZL25-250/4301 合格符合要求7 6.15 G DZL25-250/4301 合格符合要求1 7.10 A DZ201-400/3300 合格符合要求2 7.10 B DZ15CE-100/490 合格符合要求3 7.10 C DZ15CE-100/490 合格符合要求4 7.10 D DZ15CE-100/490 合格符合要求6 7.10 F DZL25-250/4301 合格符合要求7 7.10 G DZL25-250/4301 合格符合要求注:漏电保护器试跳由建筑电工测试,依据JGJ 46-2005标准执行。
表8.5.9 建筑施工现场漏电保护器试跳记录工程名称:金地国际城二期电箱编号:1#电箱序号试跳日期漏电保护器编号漏电保护器型号试跳结果整改情况测试人1 A ABC62-4013 合格符合要求2 5.10 B ABC62-4013 合格符合要求3 5.10 C ABC62-4013 合格符合要求4 5.10 A RDL18-20 不动作更换5 5.10 B RDL18-20 合格符合要求6 5.10 C RDL18-20 合格符合要求1 6.15 A ABC62-4013 合格符合要求2 6.15 B ABC62-4013 合格符合要求3 6.15 C ABC62-4013 合格符合要求4 6.15 A RDL18-20 合格符合要求5 6.15 B RDL18-20 合格符合要求6 6.15 C RDL18-20 合格符合要求1 7.10 A ABC62-4013 合格符合要求3 7.10 C ABC62-4013 合格符合要求4 7.10 A RDL18-20 不动作更换5 7.10 B RDL18-20 合格符合要求6 7.10 C RDL18-20 合格符合要求注:漏电保护器试跳由建筑电工测试,依据JGJ 46-2005标准执行。
施工现场漏电保护器功能试验记录表
表D7
施工现场漏电保护器功能试验记录表
表D7
施工现场漏电保护器功能试验记录表
表D7
施工现场漏电保护器功能试验记录表
表D7
施工现场漏电保护器功能试验记录表
表D7
施工现场漏电保护器功能试验记录表
表D7
施工现场漏电保护器功能试验记录表
表D7
施工现场漏电保护器功能试验记录表
表D7
施工现场漏电保护器功能试验记录表
表D7
施工现场漏电保护器功能试验记录表
表D7
施工现场漏电保护器功能试验记录表
表D7
施工现场漏电保护器功能试验记录表
表D7
4 5 6 7 8 9 10 11 12 13 14 15 16。
表8.5.9 建筑施工现场漏电保护器试跳记录
工程名称:金地国际城二期电箱编号:总配电箱
注:漏电保护器试跳由建筑电工测试,依据JGJ 46-2005标准执行。
表8.5.9 建筑施工现场漏电保护器试跳记录
工程名称:金地国际城二期电箱编号:1#电箱
注:漏电保护器试跳由建筑电工测试,依据JGJ 46-2005标准执行。
表8.5.9 建筑施工现场漏电保护器试跳记录
工程名称:金地国际城二期电箱编号:2#电箱
注:漏电保护器试跳由建筑电工测试,依据JGJ 46-2005标准执行。
表8.5.9 建筑施工现场漏电保护器试跳记录
工程名称:金地国际城二期电箱编号:3#电箱
注:漏电保护器试跳由建筑电工测试,依据JGJ 46-2005标准执行。
表8.5.9 建筑施工现场漏电保护器试跳记录
工程名称:金地国际城二期电箱编号:4#电箱
注:漏电保护器试跳由建筑电工测试,依据JGJ 46-2005标准执行。
表8.5.9 建筑施工现场漏电保护器试跳记录
工程名称:金地国际城二期电箱编号:5#电箱
注:漏电保护器试跳由建筑电工测试,依据JGJ 46-2005标准执行。
表8.5.9 建筑施工现场漏电保护器试跳记录
工程名称:金地国际城二期电箱编号:6#电箱
注:漏电保护器试跳由建筑电工测试,依据JGJ 46-2005标准执行。
表8.5.9 建筑施工现场漏电保护器试跳记录
工程名称:金地国际城二期电箱编号:7#电箱
注:漏电保护器试跳由建筑电工测试,依据JGJ 46-2005。
建筑施工现场漏电保护器试跳记录
工程名称:东台市中小企业孵化园大楼电箱编号:一级总配电箱
注:漏电保护器试跳由建筑电工测试,依据JGJ 46-2005标准执行。
/
建筑施工现场漏电保护器试跳记录工程名称:东台市中小企业孵化园大楼电箱编号:二级配电箱
注:漏电保护器试跳由建筑电工测试,依据JGJ 46-2005标准执行。
建筑施工现场漏电保护器试跳记录工程名称:东台市中小企业孵化园大楼电箱编号:三级配电箱
注:漏电保护器试跳由建筑电工测试,依据JGJ 46-2005标准执行。
)
建筑施工现场漏电保护器试跳记录工程名称:东台市中小企业孵化园大楼电箱编号:三级配电箱
注:漏电保护器试跳由建筑电工测试,依据JGJ 46-2005标准执行。
!
建筑施工现场漏电保护器试跳记录工程名称:东台市中小企业孵化园大楼电箱编号:三级配电箱
注:漏电保护器试跳由建筑电工测试,依据JGJ 46-2005标准执行。
建筑施工现场漏电保护器试跳记录工程名称:东台市中小企业孵化园大楼电箱编号:三级配电箱
注:漏电保护器试跳由建筑电工测试,依据JGJ 46-2005标准执行。
建筑施工现场漏电保护器试跳记录工程名称:东台市中小企业孵化园大楼电箱编号:三级配电箱
注:漏电保护器试跳由建筑电工测试,依据JGJ 46-2005标准执行。
\
建筑施工现场漏电保护器试跳记录工程名称:东台市中小企业孵化园大楼电箱编号:三级配电箱
注:漏电保护器试跳由建筑电工测试,依据JGJ 46-2005标准执行。
跳记录
建筑施工现场漏电保护器试跳记录
电箱编号:总配电箱
工程名称:金地国际城二期 注:漏电保护器试跳由建筑电工测试,依据 JGJ 46-2005标准执行。
建筑施工现场漏电保护器试跳记录
工程名称:金地国际城二期
电箱编号:1#电箱
工程名称:金地国际城二期 注:漏电保护器试跳由建筑电工测试,依据 JGJ 46-2005标准执行。
电箱编号:2#电箱
建筑施工现场漏电保护器试跳记录
电箱编号:4#电箱
工程名称:金地国际城二期
建筑施工现场漏电保护器试跳记录
电箱编号:5#电箱
工程名称:金地国际城二期
建筑施工现场漏电保护器试跳记录
电箱编号:6#电箱
工程名称:金地国际城二期
建筑施工现场漏电保护器试跳记录
电箱编号:7#电箱
工程名称:金地国际城二期
注:漏电保护器试跳由建筑电工测试,依据JGJ 46-2005标准执行。
建筑施工现场漏电保护器试跳记录背景建筑施工现场是一个相对危险的环境,电气设备的使用尤其需要特别注意安全。
随着建筑施工的不断发展,人们对现场安全的要求也不断提高。
漏电保护器作为一种保护电器,可以防止人体触电,保护人身安全。
因此,在建筑施工现场中,漏电保护器应用越来越广泛。
本文将记录一次建筑施工现场漏电保护器试跳的具体情况,用以提醒施工单位和工作人员对电气设备使用的注意事项,以防止电气事故的发生。
试跳记录试跳时间2019年7月15日,10:00AM。
试跳地点某建筑施工现场的电气控制室。
试跳对象一台10kVA变压器。
试跳人员电气维修工程师一名。
试跳步骤1.先检查漏电保护器的接线情况,确认漏电保护器处于正常状态。
2.关停变压器,并将系统所有开关关闭。
3.在漏电保护器的插座上接上试跳电源,电压为220V。
4.打开所有开关,并将漏电保护器的动作电流调整为30mA。
5.加载变压器,使其输出额定电流。
6.确认漏电保护器的指示灯亮起,表示漏电保护器工作正常。
7.通过操作漏电保护器测试按钮,人为制造漏电现象,检测漏电保护器是否能及时断开电源。
实验结果在以上试跳步骤中,漏电保护器一直处于正常工作状态,表示其可以及时检测到漏电现象,并及时跳闸保护。
试跳结果显示实验成功。
结论建筑施工现场是电气设备使用较为频繁的场所,漏电保护器的应用不仅可以防止人体触电,保护人员安全,也可以防止电气设备的损坏。
通过试跳漏电保护器,在确保其正常工作的基础上,可有效保障人员和电气设备的安全。
然而,需要注意的是,即使漏电保护器安装正确,也不是万无一失的。
在施工过程中,一定要保证电气设备的正确使用,避免对漏电保护器产生过大电流,否则漏电保护器也可能失灵。
因此,施工单位和工作人员要加强对电气设备的安全意识,做好日常的安全检查和维护工作,以确保电气安全。
施工现场姑且用电漏电呵护器检测记录表之青柳念文
创作
施工现场姑且用电漏电呵护器检测记录表
施工现场姑且用电漏电呵护器检测记录表
施工现场姑且用电漏电呵护器检测记录表
施工现场姑且用电漏电呵护器检测记录表
施工现场姑且用电漏电呵护器检测记录表
施工现场姑且用电漏电呵护器检测记录表
施工现场姑且用电漏电呵护器检测记录表
施工现场姑且用电漏电呵护器检测记录表
施工现场姑且用电漏电呵护器检测记录表
施工现场姑且用电漏电呵护器检测记录表
施工现场姑且用电漏电呵护器检测记录表。
建筑施工现场漏电保护器试跳记录表8.5.9工程名称:苹果贸易(上海)有限公司苏州中心广场电子产品零售店改造及装修工程电箱编号:1号
注:漏电保护器试跳由建筑电工测试,依据JGJ 46-2005标准执行。
建筑施工现场漏电保护器试跳记录表8.5.9工程名称:苹果贸易(上海)有限公司苏州中心广场电子产品零售店改造及装修工程电箱编号:2号
注:漏电保护器试跳由建筑电工测试,依据JGJ 46-2005标准执行。
建筑施工现场漏电保护器试跳记录表8.5.9工程名称:苹果贸易(上海)有限公司苏州中心广场电子产品零售店改造及装修工程电箱编号:3号
注:漏电保护器试跳由建筑电工测试,依据JGJ 46-2005标准执行。
建筑施工现场漏电保护器试跳记录表8.5.9工程名称:苹果贸易(上海)有限公司苏州中心广场电子产品零售店改造及装修工程电箱编号:4号
注:漏电保护器试跳由建筑电工测试,依据JGJ 46-2005标准执行。
建筑施工现场漏电保护器试跳记录表8.5.9工程名称:苹果贸易(上海)有限公司苏州中心广场电子产品零售店改造及装修工程电箱编号:5号
注:漏电保护器试跳由建筑电工测试,依据JGJ 46-2005标准执行。
1 2018.6.1 A DZ168-100 洪德生
2 6.1 B DZ47LE--6
3 C60 洪德生
3 6.1 C DZ47LE--63 C60 洪德生
4 6.1 D DZ47LE--63 C60 洪德生
5 6.1 E DZ47LE--63 C60 洪德生
6 6.1 F DZ47-60 C60 洪德生
7 6.1 G DZ47-60 C60 洪德生
8 6.1 H DZ47LE-32 C32 洪德生
9 6.1 I DZ47LE-63 C32 洪德生
10 6.1 J DZ47LE-63 C32 洪德生
11 6.1 K DZ47LE-63 C32 洪德生
12 6.1L DZ47LE-63 C32洪德生
13 6.1M DZ47LE-63 C32洪德生。