贴片封装尺寸
- 格式:wps
- 大小:30.50 KB
- 文档页数:4
贴片电容封装及其尺寸示意图Revised by BETTY on December 25,20200603封装尺寸图英制封装图尺寸:0603公制封装图尺寸:16080805封装尺寸图A-3216封装尺寸图表面贴装元件公制封装图尺寸:A-3216钽电容耐压10VB-3528封装尺寸图表面贴装元件公制封装图尺寸:B-3528 钽电容耐压16VC-6032封装尺寸图表面贴装元件英制封装图尺寸:表面贴装元件公制封装图尺寸:C-6032 钽电容耐压25VD-7343封装尺寸图表面贴装元件公制封装图尺寸:C-7343 钽电容耐压35V7343 7227(“钽贴片电解电容有黑色或灰色标志的一头是正极,另外一头是负极。
对于铝贴片电解电容就和普通直插电解电容一样,有杠杠的那端为负极。
”在网上查到这么一句话,可算是把板子上的钽电解全部平反了!之前在复位电路总是不正常,查来查去,是复位的钽电解极性接反了!以往用贴片电解大都就是对付钽电解电容,隐约在意识里知道画杠的一边是接高电位,就没有太注意其极性的表示方法。
给医疗组的一哥们问起来:“它不跟普通电解电容一样么普通电解画白道子的一端是‘负’极啊再或者它应该和贴片二极管一样吧二极管也是画白道子的那头是‘负’极诶!”——歪着头一想也是!极性的标识方法也应该有个‘统一’的原则吧于是在此后焊的板子里所有的钽电解都掉了个头……终究是以有电容的地方电平被拉得特别低这一现象,标志着我对电解电容极性的表示方法完全混乱。
真服了这种‘下贱’的表示方法,同样是电解电容,钽电解虽然昂贵一点,也不能搞特殊啊!无极性电容以0805、0603两类封装最为常见;0805具体尺寸:××1206具体尺寸:××贴片电容以钽电容为多,根据其耐压不同,又可分为A、B、C、D四个系列,具体分类如下:类型封装形式耐压A 3216 10VB 3528 16VC 6032 25VD 7343 35V贴片钽电容的封装是分为A型(3216),B型(3528), C型(6032), D型(7343),E型(7845)。
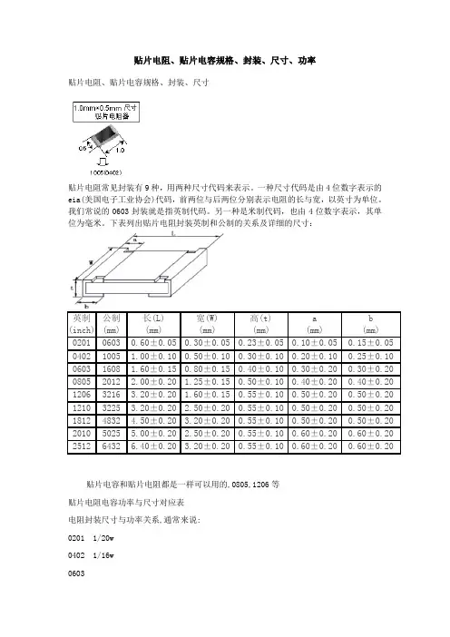
贴片电阻、贴片电容规格、封装、尺寸、功率贴片电阻、贴片电容规格、封装、尺寸贴片电阻常见封装有9种,用两种尺寸代码来表示。
一种尺寸代码是由4位数字表示的eia(美国电子工业协会)代码,前两位与后两位分别表示电阻的长与宽,以英寸为单位。
我们常说的0603封装就是指英制代码。
另一种是米制代码,也由4位数字表示,其单位为毫米。
下表列出贴片电阻封装英制和公制的关系及详细的尺寸:英制 (inch) 公制 (mm) 长(L) (mm) 宽(W) (mm) 高(t) (mm) a (mm) b (mm) 0201 0603 0.60±0.05 0.30±0.05 0.23±0.05 0.10±0.05 0.15±0.05 0402 1005 1.00±0.10 0.50±0.10 0.30±0.10 0.20±0.10 0.25±0.10 0603 1608 1.60±0.15 0.80±0.15 0.40±0.10 0.30±0.20 0.30±0.20 0805 2012 2.00±0.20 1.25±0.15 0.50±0.10 0.40±0.20 0.40±0.20 1206 3216 3.20±0.20 1.60±0.15 0.55±0.10 0.50±0.20 0.50±0.20 1210 3225 3.20±0.20 2.50±0.20 0.55±0.10 0.50±0.20 0.50±0.20 1812 4832 4.50±0.20 3.20±0.20 0.55±0.10 0.50±0.20 0.50±0.20 2010 5025 5.00±0.20 2.50±0.20 0.55±0.10 0.60±0.20 0.60±0.20 2512 64326.40±0.20 3.20±0.20 0.55±0.10 0.60±0.20 0.60±0.20贴片电容和贴片电阻都是一样可以用的,0805,1206等 贴片电阻电容功率与尺寸对应表 电阻封装尺寸与功率关系,通常来说: 0201 1/20w 0402 1/16w0603 1/10w0805 1/8w1206 1/4w电容电阻外形尺寸与封装的对应关系是: 0402=1.0x0.50603=1.6x0.80805=2.0x1.21206=3.2x1.61210=3.2x2.51812=4.5x3.22225=5.6x6.5常规贴片电阻(部分)常规的贴片电阻的标准封装及额定功率如下表:英制(mil) 公制(mm) 额定功率(w)@ 70°c 0201 0603 1/200402 1005 1/160603 1608 1/100805 2012 1/81206 3216 1/41210 3225 1/31812 4832 1/22010 5025 3/42512 6432 1国内贴片电阻的命名方法:1、5%精度的命名:RS-05K102JT2、1%精度的命名:RS-05K1002FTR -表示电阻S -表示功率0402是1/16W、0603是1/10W、0805是1/8W、1206是1/4W、1210是1/3W、1812是1/2W、2010是3/4W、2512是1W。
贴片电阻、贴片电容规格、封装、尺寸、功率贴片电阻、贴片电容规格、封装、尺寸贴片电阻常见封装有9种,用两种尺寸代码来表示。
一种尺寸代码是由4位数字表示的eia(美国电子工业协会)代码,前两位与后两位分别表示电阻的长与宽,以英寸为单位。
我们常说的0603封装就是指英制代码。
另一种是米制代码,也由4位数字表示,其单位为毫米。
下表列出贴片电阻封装英制和公制的关系及详细的尺寸:英制(inch) 公制(mm)长(L)(mm)宽(W)(mm)高(t)(mm)a(mm)b(mm)0201 0603 0.60±0.050.30±0.050.23±0.050.10±0.050.15±0.05 0402 1005 1.00±0.100.50±0.100.30±0.100.20±0.100.25±0.10 0603 1608 1.60±0.150.80±0.150.40±0.100.30±0.200.30±0.20 0805 2012 2.00±0.20 1.25±0.150.50±0.100.40±0.200.40±0.20 1206 3216 3.20±0.20 1.60±0.150.55±0.100.50±0.200.50±0.20 1210 3225 3.20±0.20 2.50±0.200.55±0.100.50±0.200.50±0.20 1812 4832 4.50±0.20 3.20±0.200.55±0.100.50±0.200.50±0.20 2010 5025 5.00±0.20 2.50±0.200.55±0.100.60±0.200.60±0.20 2512 6432 6.40±0.20 3.20±0.200.55±0.100.60±0.200.60±0.20贴片电容和贴片电阻都是一样可以用的,0805,1206等贴片电阻电容功率与尺寸对应表电阻封装尺寸与功率关系,通常来说:0201 1/20w0402 1/16w06031/10w0805 1/8w1206 1/4w电容电阻外形尺寸与封装的对应关系是:0402=1.0x0.50603=1.6x0.80805=2.0x1.21206=3.2x1.61210=3.2x2.51812=4.5x3.22225=5.6x6.5常规贴片电阻(部分)常规的贴片电阻的标准封装及额定功率如下表:英制(mil) 公制(mm) 额定功率(w)@ 70°c 0201 0603 1/200402 1005 1/160603 1608 1/100805 2012 1/81206 3216 1/41210 3225 1/31812 4832 1/22010 5025 3/42512 6432 1国内贴片电阻的命名方法:1、5%精度的命名:RS-05K102JT2、1%精度的命名:RS-05K1002FTR -表示电阻S -表示功率0402是1/16W、0603是1/10W、0805是1/8W、1206是1/4W、 1210是1/3W、1812是1/2W、2010是3/4W、2512是1W。
知识:LED封装尺⼨⼀览表
LED灯珠分为表贴式(SMD)和直插式(DIP),表贴式就是⼤家常说的贴⽚,也成为贴⽚式,本⽂主要介绍贴⽚灯珠的规格尺⼨和命名。
单颗LED封装后通常以其尺⼨命名,⽐如:3528、5050、0603、0805、3020、335、020、3535、3014等,这些简称也就成为具体的规格型号,但需要注意的是:有的是英制的,有的是公制的,单位并不完全统⼀。
常见LED封装尺⼨表
注:1 英⼨ = 2.539999918 厘⽶(公分),通常的取法是:1inch = 25.4 mm
结合上表做⼀些简单的说明,举例说明LED贴⽚常见的规格型号及其含义: 0603、0805、3528,5050是指表贴型 SMD LED的尺⼨⼤⼩,也就是对应的规格。
例如:0603指的是长度为0.06英⼨,宽度为0.03英⼨。
对应公制是1608,即表⽰LED元件的长度是1.6mm,宽度是0.8mm。
公制叫法1608,英制叫法是0603。
0805对应公制是2012,即表⽰LED元件的长度是2.0mm,宽度是1.2mm。
公制叫法2012,英制叫法是0805。
但是要注意3528和5050单位是公制。
1210:换算为公制是3528,即表⽰LED元件的长度是3.5mm,宽度是2.8mm。
⾏业简称3528,英制叫法是1210。
3528:这是公制叫法,即表封装后LED元件的长度是3.5mm,宽度是2.8mm。
⾏业简称3528。
5050:这是公制叫法,即表封装后LED元件的长度是5.0mm,宽度是5.0mm。
⾏业简称5050。
数据来⾃百度,由中国LED⽹整理。
1.0mrn>:0.5mm 尺寸贴片电咀缪1 005(0402)贴片电阻常见封装有9种,用两种尺寸代码来表示。
一种尺寸代码是由4位数字表示的EIA(美国电子工业协会)代码,前两位与后两位分别表示电阻的长与宽,以英寸为单位。
我们常说的0603封装就是指英制代码。
另一种是米制代码,也由4位数字表示,其单位为毫米。
下表列出贴片电阻封装英制和公制的关系及详细的尺寸:贴片元件的封装一、零件规格:(a)、零件规格即零件的外形尺寸,SMT发展至今,业界为方便作业,已经形成了一个标准零件系列,各家零件供货商皆是按这一标准制造。
标准零件之尺寸规格有英制与公制两种表示方法,如下表英制表示法1206 0805 0603 0402公制表示法3216 2125 1608 1005含义L:1.2inch(3.2mm)W:0.6inch(1.6mm)L:0.8inch(2.0mm)W:0.5inch(1.25mm)L:0.6inch(1.6mm)W:0.3inch(0.8mm)L:0.4inch(1.0mm)W:0.2inch(0.5mm)注:a、L (Length):长度;W (Width):宽度;inch:英寸b、1inch=25.4mm(b)、在(1)中未提及零件的厚度,在这一点上因零件不同而有所差异,在生产时应以实际量测为准。
(c)、以上所讲的主要是针对电子产品中用量最大的电阻(排阻)和电容(排容),其它如电感、二极管、晶体管等等因用量较小,且形状也多种多样,在此不作讨论。
(d)、SMT发展至今,随着电子产品集成度的不断提高,标准零件逐步向微型化发展,如今最小的标准零件已经到了0201。
二、常用元件封装1)电阻:最为常见的有0805、0603两类,不同的是,它可以以排阻的身份出现,四位、八位都有,具体封装样式可参照MD16仿真版,也可以到设计所内部PCB库查询。
注:ABCD四类型的封装形式则为其具体尺寸,标注形式为L X S X H1210具体尺寸与电解电容B类3528类型相同0805具体尺寸:2.0 X 1.25 X 0.5 (公制表示法)1206具体尺寸:3.0 X 1.5 0X 0.5 (公制表示法)2)电阻的命名方法1、5%精度的命名:RS - 05 K 102 JT2、1 % 精度的命名:RS - 05 K 1002 FTR 一表示电阻S 一表示功率0402 是1/16W、0603 是1/10W、0805 是1/8W、1206 是1/4W、1210 是1/3W、1812 是1/2W、2010 是3/4W、2512 是1W。
【SMD贴片元件的封装尺寸】公制:3216——2012——1608——1005——0603——0402英制:1206——0805——0603——0402——0201——01005注意:0603有公制,英制的区分公制0603的英制是英制0201,英制0603的公制是公制1608还要注意1005与01005的区分,1005也有公制,英制的区分英制1005的公制是公制2512公制1005的英制是英制0402像在ProtelDXP(Protel2004)及以后版本中已经有SMD贴片元件的封装库了,如CC1005-0402:用于贴片电容,公制为1005,英制为0402的封装CC1310-0504:用于贴片电容,公制为1310,英制为0504的封装CC1608-0603:用于贴片电容,公制为1608,英制为0603的封装CR1608-0603:用于贴片电阻,公制为1608,英制为0603的封装,与CC16-8-0603尺寸是一样的,只是方便识别。
【贴片电阻规格、封装、尺寸】英制(inch) 公制(mm)长(L)(mm)宽(W)(mm)高(t)(mm)a(mm)b(mm)0201 0603 0.60±0.05 0.30±0.05 0.23±0.05 0.10±0.05 0.15±0.050402 1005 1.00±0.10 0.50±0.10 0.30±0.10 0.20±0.10 0.25±0.100603 1608 1.60±0.15 0.80±0.15 0.40±0.10 0.30±0.20 0.30±0.200805 2012 2.00±0.20 1.25±0.15 0.50±0.10 0.40±0.20 0.40±0.201206 3216 3.20±0.20 1.60±0.15 0.55±0.10 0.50±0.20 0.50±0.201210 3225 3.20±0.20 2.50±0.20 0.55±0.10 0.50±0.20 0.50±0.201812 4832 4.50±0.20 3.20±0.20 0.55±0.10 0.50±0.20 0.50±0.202010 5025 5.00±0.20 2.50±0.20 0.55±0.10 0.60±0.20 0.60±0.202512 6432 6.40±0.20 3.20±0.20 0.55±0.10 0.60±0.20 0.60±0.20 国内贴片电阻的命名方法:1、5%精度的命名:RS-05K102JT2、1%精度的命名:RS-05K1002FTR -表示电阻S -表示功率0402是1/16W、0603是1/10W、0805是1/8W、1206是1/4W、1210是1/3W、1812是1/2W、2010是3/4W、2512是1W。
贴片电阻、贴片电容规格、封装、尺寸·功率2008-10-24 22:042008-10-03 03:22贴片电阻、贴片电容规格、封装、尺寸贴片电阻常见封装有9种,用两种尺寸代码来表示。
一种尺寸代码是由4位数字表示的EIA(美国电子工业协会)代码,前两位与后两位分别表示电阻的长与宽,以英寸为单位。
我们常说的0603封装就是指英制代码。
另一种是米制代码,也由4位数字表示,其单位为毫米。
下表列出贴片电阻封装英制和公制的关系及详细的尺寸:英制inch) 公制mm)长(L)(mm)宽(W)(mm)高(t)(mm)a(mm)b(mm)0201 0603 0.60±0.05 0.30±0.05 0.23±0.05 0.10±0.050.15±0.05 0402 1005 1.00±0.10 0.50±0.10 0.30±0.10 0.20±0.100.25±0.10 0603 1608 1.60±0.15 0.80±0.15 0.40±0.10 0.30±0.200.30±0.20 0805 2012 2.00±0.20 1.25±0.15 0.50±0.10 0.40±0.200.40±0.20 1206 3216 3.20±0.20 1.60±0.15 0.55±0.10 0.50±0.200.50±0.20 1210 3225 3.20±0.20 2.50±0.20 0.55±0.10 0.50±0.200.50±0.20 1812 4832 4.50±0.20 3.20±0.20 0.55±0.10 0.50±0.200.50±0.20 2010 5025 5.00±0.20 2.50±0.20 0.55±0.10 0.60±0.200.60±0.20 2512 6432 6.40±0.20 3.20±0.20 0.55±0.10 0.60±0.200.60±0.20贴片电容和贴片电阻都是一样可以用的,0805,1206等贴片电阻电容功率与尺寸对应表电阻封装尺寸与功率关系,通常来说:0201 1/20W0402 1/16W0603 1/10W0805 1/8W1206 1/4W电容电阻外形尺寸与封装的对应关系是: 0402=1.0x0.50603=1.6x0.80805=2.0x1.21206=3.2x1.61210=3.2x2.51812=4.5x3.22225=5.6x6.5常规贴片电阻(部分)常规的贴片电阻的标准封装及额定功率如下表:英制(mil) 公制(mm) 额定功率(W)@ 70°C 0201 0603 1/200402 1005 1/160603 1608 1/100805 2012 1/81206 3216 1/41210 3225 1/31812 4832 1/22010 5025 3/42512 6432 1国内贴片电阻的命名方法:1、5%精度的命名:RS-05K102JT2、1%精度的命名:RS-05K1002FTR -表示电阻S -表示功率0402是1/16W、0603是1/10W、0805是1/8W、1206是1/4W、1210是1/3W、1812是1/2W、2010是3/4W、2512是1W。
TO-268AA贴片元件封装形式图片
TO-263 D2PAK封装尺寸图
TO-252 DPAK封装尺寸图
0201封装尺寸
0402封装尺寸图片
0603封装尺寸图
0805封装尺寸图
01005封装尺寸图
1008封装尺寸图
1206封装尺寸图
1210封装尺寸图
1406封装尺寸图
1812封装尺寸图
1808封装尺寸图
1825封装尺寸图
2010封装尺寸图
2225封装尺寸图
2308封装尺寸图
2512封装尺寸图
DO-215AB封装尺寸图
DO-215AA封装尺寸图
DO-214AC封装尺寸图
DO-214AB封装尺寸图
DO-214AA封装尺寸图
DO-214封装尺寸图
DO-213AB封装尺寸图
D O-213AA封装尺寸图
SOD123H封装图
SOD723封装尺寸图
SOD523封装尺寸图
SOD323封装尺寸图
SOD-123F封装尺寸图
SOD123封装尺寸图
SOD110封装尺寸图
DO-214AC SOD106封装尺寸图
D-7343封装尺寸图
C-6032封装尺寸图
B-3528封装尺寸图
A-3216封装尺寸图
SOT883封装尺寸图
SOT753封装尺寸图
SOT666封装尺寸图
SOT663封装尺寸图
SOT552-1封装尺寸图
1SOT523封装尺寸图
SOT505-1封装尺寸图
SOT490-SC89封装尺寸图
SOT457 SC74封装尺寸图
SOT428封装尺寸图。
各种贴片封装尺寸贴片元件封装SMT(Surface Mount Technology)是电子业界一门新兴的工业技术,它的兴起及迅猛发展是电子组装业的一次革命,被誉为电子业的”明日之星”,它使电子组装变得越来越快速和简单,随之而来的是各种电子产品更新换代越来越快,集成度越来越高,价格越来越便宜。
为IT (Information Technology)产业的飞速发展作出了巨大贡献。
SMT零件SMT所涉及的零件种类繁多,样式各异,有许多已经形成了业界通用的标准,这主要是一些芯片电容电阻等等;有许多仍在经历着不断的变化,尤其是IC类零件,其封装形式的变化层出不穷,令人目不暇接,传统的引脚封装正在经受着新一代封装形式(BGA、FLIP CHIP 等等)的冲击,在本章里将分标准零件与IC类零件详细阐述。
一、标准零件标准零件是在SMT发展过程中逐步形成的,主要是针对用量比较大的零件,本节只讲述常见的标准零件。
目前主要有以下几种:电阻(R)、排阻(RA或RN)、电感(L)、陶瓷电容(C)、排容(CP)、钽质电容(C)、二极管(D)、晶体管(Q)【括号内为PCB(印刷电路板)上之零件代码】,在PCB上可根据代码来判定其零件类型,一般说来,零件代码与实际装着的零件是相对应的。
1、零件规格:(1)、零件规格即零件的外形尺寸,SMT发展至今,业界为方便作业,已经形成了一个标准零件系列,各家零件供货商皆是按这一标准制造。
标准零件之尺寸规格有英制与公制两种表示方法,如下表公制表示法 1206 0805 0603 0402英制表示法 3216 2125 1608 1005含义L:1.2inch(3.2mm)W:0.6inch(1.6mm)L:0.8inch(2.0mm)W:0.5inch(1.25mm)L:0.6inch(1.6mm)W:0.3inch(0.8mm)L:0.4inch(1.0mm)W:0.2inch(0.5mm)注:a、L(Length):长度; W(Width):宽度; inch:英寸b、1inch=25.4mm(2)、在(1)中未提及零件的厚度,在这一点上因零件不同而有所差异,在生产时应以实际量测为准。
(3)、以上所讲的主要是针对电子产品中用量最大的电阻(排阻)和电容(排容),其它如电感、二极管、晶体管等等因用量较小,且形状也多种多样,在此不作讨论。
(4)、SMT发展至今,随着电子产品集成度的不断提高,标准零件逐步向微型化发展,如今最小的标准零件已经到了0201。
2、钽质电容(Tantalum)钽质电容已经越来越多应用于各种电子产品上,属于比较贵重的零件,发展至今,也有了一个标准尺寸系列,用英文字母Y、A、X、B、C、D来代表。
其对应关系如下表型号 Y A X B C D规格L(mm) 3.2 3.8 3.5 4.7 6.0 7.3W (mm) 1.6 1.9 2.8 2.6 3.2 4.3T (mm) 1.6 1.6 1.9 2.1 2.5 2.8注意:电容值相同但规格型号不同的钽质电容不可代用。
如:10UF/16V”B”型与10UF/16V”C”型不可相互代用。
二、IC类零件IC为Integrated Circuit(集成电路块)之英文缩写,业界一般以IC的封装形式来划分其类型,传统IC有SOP、SOJ、QFP、PLCC等等,现在比较新型的IC有BGA、CSP、FLIP CHIP 等等,这些零件类型因其PIN (零件脚)的多寡大小以及PIN与PIN之间的间距不一样,而呈现出各种各样的形状,在本节我们将讲述每种IC的外形及常用称谓等。
1、基本IC类型(1)、SOP(Small outline Package):零件两面有脚,脚向外张开(一般称为鸥翼型引脚).(2)、SOJ(Small outline J-lead Package):零件两面有脚,脚向零件底部弯曲(J型引脚)。
(3)、QFP(Quad Flat Package):零件四边有脚,零件脚向外张开。
(4)、PLCC(Plastic Leadless Chip Carrier):零件四边有脚,零件脚向零件底部弯曲。
(5)、BGA(Ball Grid Array):零件表面无脚,其脚成球状矩阵排列于零件底部。
(6)、CSP(CHIP SCAL PACKAGE):零件尺寸包装。
2、IC称谓在业界对IC的称呼一般采用“类型+PIN脚数”的格式,如:SOP14PIN、SOP16PIN、SOJ20PIN、QFP100PIN、PLCC44PIN等等。
三、零件极性识别在SMT零件中,可分为有极性零件与无极性零件两大类。
无极性零件:电阻、电容、排阻、排容、电感有极性零件:二极管、钽质电容、IC其中无极性零件在生产中不需进行极性的识别,在此不赘述;但有极性零件之极性对产品有致命的影响,故下面将对有极性零件进行详尽的描述。
1、二极管(D):在实际生产中二极管又有很多种类别和形态,常见的有Glass tube diode 、Green LED、Cylinder Diode等几种。
(1)、Glass tube diode:红色玻璃管一端为正极(黑色一端为负极)(2)、Green LED:一般在零件表面用一黑点或在零件背面用一正三角形作记号,零件表面黑点一端为正极(有黑色一端为负极);若在背面作标示,则正三角形所指方向为负极。
(3)、Cylinder Diode:有白色横线一端为负极.2、钽质电容:零件表面标有白色横线一端为正极。
3、IC:IC类零件一般是在零件面的一个角标注一个向下凹的小圆点,或在一端标示一小缺口来表示其极性。
4、上面说明了常见零件之极性标示,但在生产过程中,正确的极性指的是零件之极性与PCB 上标识之极性一致,一般在PCB上装着IC的位置都有很明确的极性标示,IC零件之极性标示与PCB上相应标示吻合即可。
四、零件值换算这里主要指电阻值与电容值换算,因为在SMT上所用的电阻电容都是尺寸非常小的零件,表示其电阻值或电容值的时候不可能用常用的描述办法表述。
如今在业界的标准是电容不标示电容值,而以颜色来区分不同容值的电容,电阻则是把代码标示在零件本体上,即用少量的数字元或英文字母来表示电阻值,于是在代码与实际电阻值之间,人们制定了一定的换算规则,下面便详细讲述有关细则。
1、电阻(1)、电阻单位为欧姆,符号为”Ω”.(2)、单位换算:1MΩ= KΩ= Ω(3)、电阻又分为一般电阻与精密电阻两类,其主要区别为零件误差值及零件表面之表示码位元数不同。
一般电阻:误差值为±5%;其表示码为三码例:103精密电阻: 误差值为±1%;其表示码为四码例:1002(4)、换算规则如下:一般电阻精密电阻数值(AB)×10n= 电阻值±误差值(5%) 数值(ABC)×10n=电阻值±误差值(1%);例:103=10× =10kΩ±5%;1003=100× =100kΩ±1%(5)、阻值换算的特殊状况:a、当n=8或9时,10的次方数分别为-2或-1,即或。
b、当代码中含字母“R”时,此“R”相当于小数点“?”。
例:4R3=4.3Ω±5%; 69R9=69.9Ω±1%(6)、精密电阻除符合以上之换算规则外,另有其它代码表示方法,而又因制造厂商的不同,其代码也不一样,对于这种电阻的换算,应根据厂商提供之代码对照表进行核对换算。
2、电容换算在这里主要讲解电容常用单位之间的换算,因为电子行业中电容的单位一般都比较小,同一种电容有时因供货商不一样而表示的方法也不一样,生产时要能够快速在各种单位之间转换。
(1)、电容基本单位1F= MF= μF= NF= PF(2)、常用单位常用的单位有μF、NF、PF,在实际生产中要对这三个单位相互间的转换非常熟练.五、部分元件具体封装发光二极管:颜色有红、黄、绿、蓝之分;亮度分普亮、高亮、超亮三个等级;常用的封装形式有三类:0805、1206、1210二极管:根据所承受电流的的限度,封装形式大致分为两类,小电流型(如1N4148)封装为1206;大电流型(如IN4007)暂没有具体封装形式,只能给出具体尺寸:5.5 X 3 X 0.5贴片二极管有关的封装信息如下:SMA/ SMB / SMC / MELF / MINI-MELF / DFS / MINI-DFS /SKY / SF / HER / FR / STD / TVS / SWITCH / ZEMER / DIACES标准封装:SMA <---------------->2010SMB <---------------->2114SMC <---------------->3220SOD123 <---------------->1206SOD323 <---------------->0805SOD523 <---------------->0603还有四种封装名称:DO-214AADO-214ABDO-214ACDO-213AB<-------------->MELF电容:可分为无极性和有极性两类,无极性电容下述两类封装最为常见,即0805、0603;极性电容也就是我们平时所称的电解电容,一般我们平时用的最多的为铝电解电容,由于其电解质为铝,所以其温度稳定性以及精度都不是很高,而贴片元件由于其紧贴电路版,所以要求温度稳定性要高,所以贴片电容以钽电容为多,根据其耐压不同,贴片电容又可分为A、B、C、D四个系列,具体分类如下:类型封装形式耐压A3216 10VB 3528 16VC 6032 25VD 7343 35V拨码开关、晶振:等在市场都可以找到不同规格的贴片封装,其性能价格会根据他们的引脚镀层、标称频率以及段位相关联。
电阻:和无极性电容相仿,最为常见的有0805、0603两类,不同的是,她可以以排阻的身份出现,四位、八位都有,具体封装样式可参照MD16仿真版,也可以到设计所内部PCB库查询。
注:A\B\C\D四类型的封装形式则为其具体尺寸,标注形式为L X S X H1210具体尺寸与电解电容B类3528类型相同0805具体尺寸:2.0 X 1.25 X 0.51206具体尺寸:3.0 X 1.5 0X 0.5。