贴片电阻规格 封装 尺寸
- 格式:docx
- 大小:49.15 KB
- 文档页数:37
贴片电阻规格封装尺寸文稿归稿存档编号:[KKUY-KKIO69-OTM243-OLUI129-G00I-FDQS58-贴片电阻常见封装有9种,用两种尺寸代码来表示。
一种尺寸代码是由4位数字表示的EIA(美国电子工业协会)代码,前两位与后两位分别表示电阻的长与宽,以英寸为单位。
我们常说的0603封装就是指英制代码。
另一种是米制代码,也由4位数字表示,其单位为毫米。
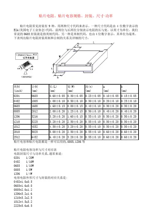
下表列出贴片电阻封装英制和公制的关系及详细的尺寸:英制(inch)公制(mm)长(L)(mm)宽(W)(mm)高(t)(mm)a(mm)b(mm)020106030.60±0.050.30±0.050.23±0.050.10±0.050.15±0.05 040210051.00±0.100.50±0.100.30±0.100.20±0.100.25±0.10 060316081.60±0.150.80±0.150.40±0.100.30±0.200.30±0.20 080520122.00±0.201.25±0.150.50±0.100.40±0.200.40±0.20 120632163.20±0.201.60±0.150.55±0.100.50±0.200.50±0.20 121032253.20±0.202.50±0.200.55±0.100.50±0.200.50±0.20 181248324.50±0.203.20±0.200.55±0.100.50±0.200.50±0.20 201050255.00±0.202.50±0.200.55±0.100.60±0.200.60±0.20 251264326.40±0.203.20±0.200.55±0.100.60±0.200.60±0.20贴片元件的封装一、零件规格:(a)、零件规格即零件的外形尺寸,SMT发展至今,业界为方便作业,已经形成了一个标准零件系列,各家零件供货商皆是按这一标准制造。
贴片电阻常见封装有9种,用两种尺寸代码来表示。
一种尺寸代码是由4位数字表示的EIA(美国电子工业协会)代码,前两位与后两位分别表示电阻的长与宽,以英寸为单位。
我们常说的0603封装就是指英制代码。
另一种是米制代码,也由4位数字表示,其单位为毫米。
下表列出贴片电阻封装英制和公制的关系及详细的尺寸:英制(inch)公制(mm)长(L)(mm)宽(W)(mm)高(t)(mm)a(mm)b(mm)020106030.60±0.050.30±0.050.23±0.050.10±0.050.15±0.05 04021005 1.00±0.100.50±0.100.30±0.100.20±0.100.25±0.10 06031608 1.60±0.150.80±0.150.40±0.100.30±0.200.30±0.20 08052012 2.00±0.201.25±0.150.50±0.100.40±0.200.40±0.20 12063216 3.20±0.201.60±0.150.55±0.100.50±0.200.50±0.20 12103225 3.20±0.202.50±0.200.55±0.100.50±0.200.50±0.20 18124832 4.50±0.203.20±0.200.55±0.100.50±0.200.50±0.20 20105025 5.00±0.202.50±0.200.55±0.100.60±0.200.60±0.20 25126432 6.40±0.203.20±0.200.55±0.100.60±0.200.60±0.20一、零件规格:(a)、零件规格即零件的外形尺寸,SMT发展至今,业界为方便作业,已经形成了一个标准零件系列,各家零件供货商皆是按这一标准制造。
贴片电阻规格、封装、尺寸ChipR Dimensions 、Footprint简述基本结构分类规格、封装、尺寸额定功率及工作电压阻值,标准阻值标识规格书、生产厂家命名方法价格、报价创建时间:2005-12-30 最后修改时间:2006-10-29贴片电阻套件为方便学生、研发人员试验和产品试制,特推出片式电阻系列套件。
简述我们常说的贴片电阻(SMD Resistor)叫"片式固定电阻器"(Chip Fixed Resistor),又叫"矩形片状电阻"(Rectangular Chip Resistors),是由ROHM公司发明并最早推出市场的。
特点是耐潮湿,耐高温,可靠度高,外观尺寸均匀,精确且温度系数与阻值公差小。
按生产工艺分厚膜(Thick Film Chip Resistors)、薄膜(Thin Film Chip Resistors )两种。
厚膜是采用丝网印刷将电阻性材料淀积在绝缘基体(例如玻璃或氧化铝陶瓷)上,然后烧结形成的。
我们通常所见的多为厚膜片式电阻,精度范围±0.5% ~ 10%,温度系数:±50PPM/℃~ ±400PPM/℃。
薄膜是在真空中采用蒸发和溅射等工艺将电阻性材料淀积在绝缘基体工艺(真空镀膜技术)制成,特点是低温度系数(±5PPM/℃),高精度(±0.01%~±1%)。
封装有:0201,0402,0603,0805,1206,1210,1812,2010,2512。
其常规系列的精度为5%,1%。
阻值范围从0.1欧姆到20M欧姆。
标准阻值有E24,E96系列。
功率有1/20W、1/16W、1/8W、1/10W、1/4W、1/2W、1W。
特性:•体积小,重量轻•适合波峰焊和回流焊•机械强度高,高频特性优越•常用规格价格比传统的引线电阻还便宜•生产成本低,配合自动贴片机,适合现代电子产品规模化生产使用状况:由于价格便宜,生产方便,能大面积减少PCB面积,减少产品外观尺寸,现在已取代绝大部分传统引线电阻。
SMT贴片电子元器件封装尺寸汇总贴片电子元器件是一种常见的表面安装技术(SMT)组装之外,广泛应用于各种电子产品中。
贴片电子元器件封装尺寸的选择对于组装和排布电路板具有重要的影响。
在这篇文章中,我们将汇总常见的贴片电子元件封装尺寸,并对其应用领域和特点进行简要介绍。
1.贴片电阻(0805、0603、0402、0201等):贴片电阻是最常见的贴片电子元件之一,尺寸包括0805(2.0mm x1.25mm)、0603(1.6mm x 0.8mm)、0402(1.0mm x 0.5mm)和0201(0.6mm x 0.3mm)等等。
较大尺寸的贴片电阻通常用于电源线路和信号线路,较小尺寸的贴片电阻适用于高密度电子产品。
2.贴片电容(0805、0603、0402、0201等):贴片电容与贴片电阻类似,尺寸也包括0805、0603、0402和0201等等。
贴片电容主要用于储存和释放电荷,广泛应用于电源滤波、信号耦合和信号处理等电路。
3.贴片二极管(SOD-323、SOD-523等):贴片二极管是一种小尺寸的电子元件,尺寸包括SOD-323(1.8mm x 1.25mm)和SOD-523(1.0mm x 0.6mm)等等。
它们通常用于电路的整流、保护和信号处理等方面。
4.贴片三极管(SOT-23、SOT-323等):贴片三极管是一种常用的功率放大器,尺寸包括SOT-23(3.0mm x1.78mm)和SOT-323(1.3mm x 1.0mm)等等。
它们通常用于音频放大、电源管理和电压调节等应用中。
5.贴片集成电路(SOT-23、SOT-363、QFN等):贴片集成电路是封装了多个功能的电子组件,尺寸和引脚布局因不同的集成电路类型而异。
常见的尺寸包括SOT-23、SOT-363和QFN等等。
它们广泛应用于数据处理、通信系统、嵌入式系统和功率管理等领域。
6.贴片场效应管(SOT-23、SOT-223、QFN等):贴片场效应管是一种广泛应用于功率开关、电源管理和放大器等应用的电子元件,尺寸包括SOT-23、SOT-223和QFN等等。
贴片电阻、贴片电容规格、封装、尺寸、功率贴片电阻、贴片电容规格、封装、尺寸贴片电阻常见封装有9种,用两种尺寸代码来表示。
一种尺寸代码是由4位数字表示的eia(美国电子工业协会)代码,前两位与后两位分别表示电阻的长与宽,以英寸为单位。
我们常说的0603封装就是指英制代码。
另一种是米制代码,也由4位数字表示,其单位为毫米。
下表列出贴片电阻封装英制和公制的关系及详细的尺寸:英制 (inch) 公制 (mm) 长(L) (mm) 宽(W) (mm) 高(t) (mm) a (mm) b (mm) 0201 0603 0.60±0.05 0.30±0.05 0.23±0.05 0.10±0.05 0.15±0.05 0402 1005 1.00±0.10 0.50±0.10 0.30±0.10 0.20±0.10 0.25±0.10 0603 1608 1.60±0.15 0.80±0.15 0.40±0.10 0.30±0.20 0.30±0.20 0805 2012 2.00±0.20 1.25±0.15 0.50±0.10 0.40±0.20 0.40±0.20 1206 3216 3.20±0.20 1.60±0.15 0.55±0.10 0.50±0.20 0.50±0.20 1210 3225 3.20±0.20 2.50±0.20 0.55±0.10 0.50±0.20 0.50±0.20 1812 4832 4.50±0.20 3.20±0.20 0.55±0.10 0.50±0.20 0.50±0.20 2010 5025 5.00±0.20 2.50±0.20 0.55±0.10 0.60±0.20 0.60±0.20 2512 64326.40±0.20 3.20±0.20 0.55±0.10 0.60±0.20 0.60±0.20贴片电容和贴片电阻都是一样可以用的,0805,1206等 贴片电阻电容功率与尺寸对应表 电阻封装尺寸与功率关系,通常来说: 0201 1/20w 0402 1/16w0603 1/10w0805 1/8w1206 1/4w电容电阻外形尺寸与封装的对应关系是: 0402=1.0x0.50603=1.6x0.80805=2.0x1.21206=3.2x1.61210=3.2x2.51812=4.5x3.22225=5.6x6.5常规贴片电阻(部分)常规的贴片电阻的标准封装及额定功率如下表:英制(mil) 公制(mm) 额定功率(w)@ 70°c 0201 0603 1/200402 1005 1/160603 1608 1/100805 2012 1/81206 3216 1/41210 3225 1/31812 4832 1/22010 5025 3/42512 6432 1国内贴片电阻的命名方法:1、5%精度的命名:RS-05K102JT2、1%精度的命名:RS-05K1002FTR -表示电阻S -表示功率0402是1/16W、0603是1/10W、0805是1/8W、1206是1/4W、1210是1/3W、1812是1/2W、2010是3/4W、2512是1W。
贴片电阻、贴片电容规格、封装、尺寸、功率贴片电阻、贴片电容规格、封装、尺寸贴片电阻常见封装有9种,用两种尺寸代码来表示。
一种尺寸代码是由4位数字表示的eia(美国电子工业协会代码,前两位与后两位分别表示电阻的长与宽,以英寸为单位。
我们常说的0603封装就是指英制代码。
另一种是米制代码,也由4位数字表示,其单位为毫米。
下表列出贴片电阻封装英制和公制的关系及详细的尺寸:英制(inch 公制(mm长(L(mm宽(W(mm高(t(mma(mmb(mm020106030.60±0.050.30±0.050.23±0.050.10±0.050.15±0.05 04021005 1.00±0.100.50±0.100.30±0.100.20±0.100.25±0.10 06031608 1.60±0.150.80±0.150.40±0.100.30±0.200.30±0.20 08052012 2.00±0.20 1.25±0.150.50±0.100.40±0.200.40±0.2012063216 3.20±0.20 1.60±0.150.55±0.100.50±0.200.50±0.20 12103225 3.20±0.20 2.50±0.200.55±0.100.50±0.200.50±0.20 18124832 4.50±0.20 3.20±0.200.55±0.100.50±0.200.50±0.20 20105025 5.00±0.20 2.50±0.200.55±0.100.60±0.200.60±0.20 25126432 6.40±0.20 3.20±0.200.55±0.100.60±0.200.60±0.20贴片电容和贴片电阻都是一样可以用的,0805,1206等贴片电阻电容功率与尺寸对应表电阻封装尺寸与功率关系,通常来说: 0201 1/20w0402 1/16w0603 1/10w0805 1/8w1206 1/4w电容电阻外形尺寸与封装的对应关系是: 0402=1.0x0.50603=1.6x0.80805=2.0x1.21206=3.2x1.61210=3.2x2.51812=4.5x3.22225=5.6x6.5常规贴片电阻(部分常规的贴片电阻的标准封装及额定功率如下表:英制(mil 公制(mm 额定功率(w@ 70°c 0201 0603 1/20 0402 1005 1/16 0603 1608 1/10 0805 2012 1/8 1206 3216 1/4 1210 3225 1/31812 4832 1/2 2010 5025 3/4 2512 6432 1 国内贴片电阻的命名方法:1、5%精度的命名:RS-05K102JT2、1%精度的命名:RS-05K1002FTR -表示电阻S -表示功率0402是1/16W、0603是1/10W、0805是1/8W、1206是1/4W、1210是1/3W、1812是1/2W、2010是3/4W、2512是1W。
贴片电阻、贴片电容规格、封装、尺寸、功率贴片电阻、贴片电容规格、封装、尺寸贴片电阻常见封装有9种,用两种尺寸代码来表示。
一种尺寸代码是由4位数字表示的EIA(美国电子工业协会)代码,前两位与后两位分别表示电阻的长与宽,以英寸为单位。
我们常说的0603封装就是指英制代码。
另一种是米制代码,也由4位数字表示,其单位为毫米。
下表列出贴片电阻封装英制和公制的关系及详细的尺寸:贴片电容和贴片电阻都是一样可以用的,0805,1206等贴片电阻电容功率与尺寸对应表电阻封装尺寸与功率关系,通常来说:0201 1/20W0402 1/16W0603 1/10W0805 1/8W1206 1/4W电容电阻外形尺寸与封装的对应关系是:0402=1.0x0.50603=1.6x0.80805=2.0x1.21206=3.2x1.61210=3.2x2.51812=4.5x3.22225=5.6x6.5常规贴片电阻(部分)常规的贴片电阻的标准封装及额定功率如下表:英制(mil) 公制(mm) 额定功率(W)@ 70°C0201 0603 1/200402 1005 1/160603 1608 1/100805 20** 1/81206 3216 1/41210 3225 1/31812 4832 1/220** 5025 3/42512 6432 1国内贴片电阻的命名方法:1、5%精度的命名:RS-05K102JT2、1%精度的命名:RS-05K1002FTR -表示电阻S -表示功率0402是1/16W、0603是1/10W、0805是1/8W、1206是1/4W、 1210是1/3W、1812是1/2W、20**是3/4W、2512是1W。
05 -表示尺寸(英寸):02表示0402、03表示0603、05表示0805、06表示1206、1210表示1210、1812表示1812、10表示1210、12表示2512。
贴片电阻常见封装有9种,用两种尺寸代码来表示。
一种尺寸代码是由4位数字表示的EIA(美国电子工业协会)代码,前两位与后两位分别表示电阻的长与宽,以英寸为单位。
我们常说的0603封装就是指英制代码。
另一种是米制代码,也由4位数字表示,其单位为毫米。
下表列出贴片电阻封装英制和公制的关系及详细的尺寸:贴片元件的封装一、零件规格:(a)、零件规格即零件的外形尺寸,SMT发展至今,业界为方便作业,已经形成了一个标准零件系列,各家零件供货商皆是按这一标准制造。
标准零件之尺寸规格有英制与公制两种表示方法,如下表英制表示法1206 0805 0603 0402公制表示法3216 2125 1608 1005含义L:1.2inch(3.2mm)W:0.6inch(1.6mm)L:0.8inch(2.0mm)W:0.5inch(1.25mm)L:0.6inch(1.6mm)W:0.3inch(0.8mm)L:0.4inch(1.0mm)W:0.2inch(0.5mm)注:a、L(Length):长度; W(Width):宽度; inch:英寸b、1inch=25.4mm(b)、在(1)中未提及零件的厚度,在这一点上因零件不同而有所差异,在生产时应以实际量测为准。
(c)、以上所讲的主要是针对电子产品中用量最大的电阻(排阻)和电容(排容),其它如电感、二极管、晶体管等等因用量较小,且形状也多种多样,在此不作讨论。
(d)、SMT发展至今,随着电子产品集成度的不断提高,标准零件逐步向微型化发展,如今最小的标准零件已经到了0201。
二、常用元件封装1)电阻:最为常见的有0805、0603两类,不同的是,它可以以排阻的身份出现,四位、八位都有,具体封装样式可参照MD16仿真版,也可以到设计所内部PCB库查询。
注:ABCD四类型的封装形式则为其具体尺寸,标注形式为L X S X H1210具体尺寸与电解电容B类3528类型相同0805具体尺寸:2.0 X 1.25 X 0.5(公制表示法)1206具体尺寸:3.0 X 1.5 0X 0.5(公制表示法)2)电阻的命名方法1、5%精度的命名: RS – 05 K 102 JT2、1%精度的命名:RS – 05 K 1002 FTR -表示电阻S -表示功率0402是1/16W、0603是1/10W、0805是1/8W、1206是1/4W、1210是1/3W、1812是1/2W、2010是3/4W、2512是1W。
贴片电阻、贴片电容规格、封装、尺寸·功率贴片电阻常见封装有9种,用两种尺寸代码来表示。
一种尺寸代码是由4位数字表示的EIA(美国电子工业协会)代码,前两位与后两位分别表示电阻的长与宽,以英寸为单位。
我们常说的0603封装就是指英制代码。
另一种是米制代码,也由4位数字表示,其单位为毫米。
下表列出贴片电阻封装英制和公制的关系及详细的尺寸:英制(inch) 公制(mm)长(L)(mm)宽(W)(mm)高(t)(mm)a(mm)b(mm)0201 0603 0.60±0.050.30±0.050.23±0.050.10±0.050.15±0.05 0402 1005 1.00±0.100.50±0.100.30±0.100.20±0.100.25±0.10 0603 1608 1.60±0.150.80±0.150.40±0.100.30±0.200.30±0.20 0805 2012 2.00±0.20 1.25±0.150.50±0.100.40±0.200.40±0.20 1206 3216 3.20±0.20 1.60±0.150.55±0.100.50±0.200.50±0.20 1210 3225 3.20±0.20 2.50±0.200.55±0.100.50±0.20 0.50±0.20 1812 4832 4.50±0.20 3.20±0.200.55±0.100.50±0.200.50±0.20 2010 5025 5.00±0.20 2.50±0.200.55±0.100.60±0.200.60±0.20 2512 6432 6.40±0.20 3.20±0.200.55±0.100.60±0.200.60±0.20贴片电阻电容功率与尺寸对应表电阻封装尺寸与功率关系,通常来说:0201 1/20W0402 1/16W0603 1/10W0805 1/8W1206 1/4W电容电阻外形尺寸与封装的对应关系是:0402=1.0x0.50603=1.6x0.80805=2.0x1.21206=3.2x1.61210=3.2x2.51812=4.5x3.22225=5.6x6.5常规贴片电阻(部分)常规的贴片电阻的标准封装及额定功率如下表:英制(mil) 公制(mm) 额定功率(W)@ 70°C0201 0603 1/200402 1005 1/160603 1608 1/100805 2012 1/81206 3216 1/41210 3225 1/31812 4832 1/22010 5025 3/42512 6432 1国内贴片电阻的命名方法:1、5%精度的命名:RS-05K102JT2、1%精度的命名:RS-05K1002FTR -表示电阻S -表示功率0402是1/16W、0603是1/10W、0805是1/8W、1206是1/4W、 1210是1/3W、1812是1/2W、2010是3/4W、2512是1W。
贴片电阻常见的规格封装和尺寸一、零件规格:英制表示法3216 2512 1210 1206 0806 0805 0603 0402 0201 。
含义L:1.2inch(3.2mm)W:0.6inch(1.6mm)L:0.8inch(2.0mm)W:0.5inch(1.25mm)L:0.6inch(1.6mm)W:0.3inch(0.8mm)L:0.4inch(1.0mm)W:0.2inch(0.5mm)L:0.2inch(0.5mm)W:0.1inch(0.25mm)注:a、L(Length):长度;W(Width):宽度;inch:英寸b、1inch=25.4mm以上所讲的主要是针对电子产品中用量最大的电阻(排阻)和电容(排容),其它如电感、二极管、晶体管等等因用量较小,且形状也多种多样,在此不作讨论。
二、常用元件封装1)电阻:最为常见的有0805、0603两类,不同的是,它可以以排阻的身份出现,四位、八位都有。
ABCD四类型的封装形式则为其具体尺寸,标注形式为L X S X H1210具体尺寸与电解电容B类3528类型相同0805具体尺寸:2.0 X 1.25 X 0.5(公制表示法)1206具体尺寸:3.0 X 1.5 0X 0.5(公制表示法)3)电容:可分为无极性和有极性两类:无极性电容下述两类封装最为常见,即0805、0603;有极性电容也就是我们平时所称的电解电容,一般我们平时用的最多的为铝电解电容,由于其电解质为铝,所以其温度稳定性以及精度都不是很高,而贴片元件由于其紧贴电路版,所以要求温度稳定性要高,所以贴片电容以钽电容为多,根据其耐压不同,贴片电容又可分为A、B、C、D四个系列,具体分类如下:类型封装形式耐压A 3216 10VB 3528 16VC 6032 25VD 7343 35V贴片钽电容的封装是分为A型(3216),B型(3528),C型(6032),D型(7343),E型(7845)。
贴片电阻规格、封装、尺寸ChipR Dimensions 、Footprint简述基本结构分类规格、封装、尺寸额定功率及工作电压阻值,标准阻值标识规格书、生产厂家命名方法价格、报价创建时间:2005-12-30 最后修改时2006我们常说的贴片电阻(SMD Resistor)叫"片式固定电阻器"(Chip Fixed Resistor),又叫"矩形片状电阻"(Rectangular Chip Resistors),是由ROHM公司发明并最早推出市场的。
特点是耐潮湿,耐高温,可靠度高,外观尺寸均匀,精确且温度系数与阻值公差小。
按生产工艺分厚膜(Thick Film Chip Resistors)、薄膜(Thin Film Chip Resistors )两种。
厚膜是采用丝网印刷将电阻性材料淀积在绝缘基体(例如玻璃或氧化铝陶瓷)上,然后烧结形成的。
我们通常所见的多为厚膜片式电阻,精度范围±0.5% ~ 10%,温度系数:±50PPM/℃~ ±400PPM/℃。
薄膜是在真空中采用蒸发和溅射等工艺将电阻性材料淀积在绝缘基体工艺(真空镀膜技术)制成,特点是低温度系数(±5PPM/℃),高精度(±0.01%~±1%)。
封装有:0201,0402,0603,0805,1206,1210,1812,2010,2512。
其常规系列的精度为5%,1%。
阻值范围从0.1欧姆到20M欧姆。
标准阻值有E24,E96系列。
功率有1/20W、1/16W、1/8W、1/10W、1/4W、1/2W、1W。
特性:•体积小,重量轻•适合波峰焊和回流焊•机械强度高,高频特性优越•常用规格价格比传统的引线电阻还便宜•生产成本低,配合自动贴片机,适合现代电子产品规模化生产使用状况:由于价格便宜,生产方便,能大面积减少PCB面积,减少产品外观尺寸,现在已取代绝大部分传统引线电阻。
贴片电阻规格封装尺寸Pleasure Group Office【T985AB-B866SYT-B182C-BS682T-STT18】贴片电阻规格、封装、尺寸ChipR Dimensions、Footprint创建时间:2005-12-30 最后修改时间:2006-10-29我们常说的贴片电阻 (SMD Resistor)叫"片式固定电阻器"(Chip Fixed Resistor),又叫"矩形片状电阻"(Rectangular Chip Resistors),阻值公差小。
按生产工艺分厚膜(Thick Film Chip Resistors)、薄膜(Thin Film Chip Resistors )两种。
厚膜是采用丝网印刷将电阻性材料淀积±% ~ 10%,温度系数:±50PPM/℃ ~ ±400PPM/℃。
薄膜是在真空中采用蒸发和溅射等工艺将电阻性材料淀积在绝缘基体工艺(真空镀膜封装有:0201,0402,0603,0805,1206,1210,1812,2010,2512。
其常规系列的精度为5%,1%。
阻值范围从欧姆到20M 特性:•体积小,重量轻•适合波峰焊和回流焊•机械强度高,高频特性优越•常用规格价格比传统的引线电阻还便宜•生产成本低,配合自动贴片机,适合现代电子产品规模化生产使用状况:由于价格便宜,生产方便,能大面积减少PCB面积,减少产品外观尺寸,现在已取代绝大部分传统引线电阻。
除一些器件为主;以手机,PDA为代表的高密度电子产品多使用0201、0402的器件;一些要求稳定和安全的电子产品,如医疗器械、汽车行市场状况:目前,在全球的市场份额中,排名依次是台湾、日本、中国、韩国,欧美几乎不再生产。
主要的生产厂商几乎都在中国高精度、高电压,具有工艺难度,利润高的系列。
台湾及国内工厂则多生产些常规系列。
零售市场多见为一些台湾厂和国产的品牌,如、贴片电阻分为以下几大类:贴片电阻的是指通过电流时由于焦耳热电阻产生的功率。
贴片电阻、贴片电容规格、封装、尺寸、功率贴片电阻、贴片电容规格、封装、尺寸贴片电阻常见封装有9种,用两种尺寸代码来表示。
一种尺寸代码是由4位数字表示的eia(美国电子工业协会)代码,前两位与后两位分别表示电阻的长与宽,以英寸为单位。
我们常说的0603封装就是指英制代码。
另一种是米制代码,也由4位数字表示,其单位为毫米。
下表列出贴片电阻封装英制和公制的关系及详细的尺寸:英制 (inch) 公制 (mm) 长(L) (mm) 宽(W) (mm) 高(t) (mm) a (mm) b (mm) 0201 0603 0.60±0.05 0.30±0.05 0.23±0.05 0.10±0.05 0.15±0.05 0402 1005 1.00±0.10 0.50±0.10 0.30±0.10 0.20±0.10 0.25±0.10 0603 1608 1.60±0.15 0.80±0.15 0.40±0.10 0.30±0.20 0.30±0.20 0805 2012 2.00±0.20 1.25±0.15 0.50±0.10 0.40±0.20 0.40±0.20 1206 3216 3.20±0.20 1.60±0.15 0.55±0.10 0.50±0.20 0.50±0.20 1210 3225 3.20±0.20 2.50±0.20 0.55±0.10 0.50±0.20 0.50±0.20 1812 4832 4.50±0.20 3.20±0.20 0.55±0.10 0.50±0.20 0.50±0.20 2010 5025 5.00±0.20 2.50±0.20 0.55±0.10 0.60±0.20 0.60±0.20 2512 64326.40±0.20 3.20±0.20 0.55±0.10 0.60±0.20 0.60±0.20贴片电容和贴片电阻都是一样可以用的,0805,1206等 贴片电阻电容功率与尺寸对应表 电阻封装尺寸与功率关系,通常来说: 0201 1/20w 0402 1/16w0603 1/10w0805 1/8w1206 1/4w电容电阻外形尺寸与封装的对应关系是: 0402=1.0x0.50603=1.6x0.80805=2.0x1.21206=3.2x1.61210=3.2x2.51812=4.5x3.22225=5.6x6.5常规贴片电阻(部分)常规的贴片电阻的标准封装及额定功率如下表:英制(mil) 公制(mm) 额定功率(w)@ 70°c 0201 0603 1/200402 1005 1/160603 1608 1/100805 2012 1/81206 3216 1/41210 3225 1/31812 4832 1/22010 5025 3/42512 6432 1国内贴片电阻的命名方法:1、5%精度的命名:RS-05K102JT2、1%精度的命名:RS-05K1002FTR -表示电阻S -表示功率0402是1/16W、0603是1/10W、0805是1/8W、1206是1/4W、1210是1/3W、1812是1/2W、2010是3/4W、2512是1W。
贴片电阻规格、封装、尺寸ChipR Dimensions 、Footprint简述基本结构分类规格、封装、尺寸额定功率及工作电压阻值,标准阻值标识规格书、生产厂家命名方法价格、报价创建时间:2005-12-30 最后修改时间:2006-10-29贴片电阻套件为方便学生、研发人员试验和产品试制,特推出片式电阻系列套件。
简述我们常说的贴片电阻(SMD Resistor)叫"片式固定电阻器"(Chip Fixed Resistor),又叫"矩形片状电阻"(Rectangular Chip Resistors),是由ROHM公司发明并最早推出市场的。
特点是耐潮湿,耐高温,可靠度高,外观尺寸均匀,精确且温度系数与阻值公差小。
按生产工艺分厚膜(Thick Film Chip Resistors)、薄膜(Thin Film Chip Resistors )两种。
厚膜是采用丝网印刷将电阻性材料淀积在绝缘基体(例如玻璃或氧化铝陶瓷)上,然后烧结形成的。
我们通常所见的多为厚膜片式电阻,精度范围±0.5% ~ 10%,温度系数:±50PPM/℃~ ±400PPM/℃。
薄膜是在真空中采用蒸发和溅射等工艺将电阻性材料淀积在绝缘基体工艺(真空镀膜技术)制成,特点是低温度系数(±5PPM/℃),高精度(±0.01%~±1%)。
封装有:0201,0402,0603,0805,1206,1210,1812,2010,2512。
其常规系列的精度为5%,1%。
阻值范围从0.1欧姆到20M欧姆。
标准阻值有E24,E96系列。
功率有1/20W、1/16W、1/8W、1/10W、1/4W、1/2W、1W。
特性:•体积小,重量轻•适合波峰焊和回流焊•机械强度高,高频特性优越•常用规格价格比传统的引线电阻还便宜•生产成本低,配合自动贴片机,适合现代电子产品规模化生产使用状况:由于价格便宜,生产方便,能大面积减少PCB面积,减少产品外观尺寸,现在已取代绝大部分传统引线电阻。
贴片电阻封装尺寸大全
芯片电阻的封装形式起本质作用,而贴片电阻的封装尺寸也同样
重要。
贴片电阻是将电阻贴片到电路板上,常见形式有0603、0805、1206、1210和2512等多种尺寸。
0603贴片电阻尺寸为:0.06”(1.50mm)×0.03”(0.80mm),其交流阻抗约为0.07—100Ω;0805贴片电阻尺寸为:0.08”
(2.00mm)×0.05”(1.27mm),其交流阻抗约为0.1—100Ω;1206
贴片电阻尺寸为:0.12”(3.00mm)×0.06”(1.50mm),其交流阻
抗约为0.1—1MΩ;1210贴片电阻尺寸为:0.12”(3.00mm)×0.10”(2.50mm),其交流阻抗约为0.05—100KΩ;2512贴片电阻尺寸为:0.25”(6.35mm)×0.12”(3.00mm),其交流阻抗约为0.1—1MΩ。
因此,对于贴片电阻,首先要选择正确的尺寸,并确定交流阻抗
范围,以满足设计需要。
此外,也要注意电阻的限压和温度特性等参数,尤其是高频抗谐波频率,以提高电路设计的性能。
贴片电阻规格、封装、尺寸ChipR Dimensions 、Footprint创建时间:2005-12-30 最后修改时间:2006-10-29我们常说的贴片电阻(SMD Resistor)叫"片式固定电阻器"(Chip Fixed Resistor),又叫"矩形片状电阻"(Rectangular Chip Resistors),是由公司发明并最早推出市场的。
特点是耐潮湿,耐高温,可靠度高,外观尺寸均匀,精确且温度系数与阻值公差小。
按生产工艺分厚膜(Thick Film Chip Resistors)、薄膜(Thin Film Chip Resistors )两种。
厚膜是采用丝网印刷将电阻性材料淀积在绝缘基体(例如玻璃或氧化铝陶瓷)上,然后烧结形成的。
我们通常所见的多为厚膜片式电阻,精度范围±% ~ 10%,温度系数:±50PPM/℃~ ±400PPM/℃。
薄膜是在真空中采用蒸发和溅射等工艺将电阻性材料淀积在绝缘基体工艺(真空镀膜技术)制成,特点是低温度系数(±5PPM/℃),高精度(±%~±1%)。
封装有:0201,0402,0603,0805,1206,1210,1812,2010,2512。
其常规系列的精度为5%,1%。
阻值范围从欧姆到20M欧姆。
标准阻值有E24,E96系列。
功率有1/20W、1/16W、1/8W、1/10W、1/4W、1/2W、1W。
特性:•体积小,重量轻•适合波峰焊和回流焊•机械强度高,高频特性优越•常用规格价格比传统的引线电阻还便宜•生产成本低,配合自动贴片机,适合现代电子产品规模化生产使用状况:由于价格便宜,生产方便,能大面积减少PCB面积,减少产品外观尺寸,现在已取代绝大部分传统引线电阻。
除一些小厂或不得不使用引线电阻的设计,各种电器上几乎都在使用。
目前绝大部分电子产品,以0603、0805器件为主;以手机,PDA为代表的高密度电子产品多使用0201、0402的器件;一些要求稳定和安全的电子产品,如医疗器械、汽车行驶记录仪、税控机则多采用1206、1210等尺寸偏大的电阻。
贴片电阻、贴片电容规格、封装、尺寸、功率贴片电阻、贴片电容规格、封装、尺寸贴片电阻常见封装有9种,用两种尺寸代码来表示。
一种尺寸代码是由4位数字表示的eia(美国电子工业协会代码,前两位与后两位分别表示电阻的长与宽,以英寸为单位。
我们常说的0603封装就是指英制代码。
另一种是米制代码,也由4位数字表示,其单位为毫米。
下表列出贴片电阻封装英制和公制的关系及详细的尺寸:英制(inch公制(mm长(L(mm宽(W(mm高(t(mma(mmb(mm 020106030.60±0.050.30±0.050.23±0.050.10±0.050.15±0.05 04021005 1.00±0.100.50±0.100.30±0.100.20±0.100.25±0.10 06031608 1.60±0.150.80±0.150.40±0.100.30±0.200.30±0.20 08052012 2.00±0.20 1.25±0.150.50±0.100.40±0.200.40±0.2012063216 3.20±0.20 1.60±0.150.55±0.100.50±0.200.50±0.20 12103225 3.20±0.20 2.50±0.200.55±0.100.50±0.200.50±0.20 18124832 4.50±0.20 3.20±0.200.55±0.100.50±0.200.50±0.20 20105025 5.00±0.20 2.50±0.200.55±0.100.60±0.200.60±0.20 25126432 6.40±0.20 3.20±0.200.55±0.100.60±0.200.60±0.20贴片电容和贴片电阻都是一样可以用的,0805,1206等贴片电阻电容功率与尺寸对应表电阻封装尺寸与功率关系,通常来说: 0201 1/20w0402 1/16w0603 1/10w0805 1/8w1206 1/4w电容电阻外形尺寸与封装的对应关系是: 0402=1.0x0.50603=1.6x0.80805=2.0x1.21206=3.2x1.61210=3.2x2.51812=4.5x3.22225=5.6x6.5常规贴片电阻(部分常规的贴片电阻的标准封装及额定功率如下表:英制(mil 公制(mm 额定功率(w@ 70°c 0201 0603 1/20 0402 1005 1/16 0603 1608 1/10 0805 2012 1/8 1206 3216 1/4 1210 3225 1/31812 4832 1/2 2010 5025 3/4 2512 6432 1 国内贴片电阻的命名方法:1、5%精度的命名:RS-05K102JT2、1%精度的命名:RS-05K1002FTR -表示电阻S -表示功率0402是1/16W、0603是1/10W、0805是1/8W、1206是1/4W、1210是1/3W、1812是1/2W、2010是3/4W、2512是1W。
贴片电阻规格、封装、尺寸ChipR Dimensions 、Footprint 简述基本结构分类规格、封装、尺寸额定功率及工作电压阻值,标准阻值标识规格书、生产厂家命名方法价格、报价创建时间:2005-12-30 最后修改时间:2006-10-29贴片电阻套件为方便学生、研发人员试验和产品试制,特推出片式电阻系列套件。
我们常说的贴片电阻 (SMD Resistor)叫"片式固定电阻器"(Chip Fixed Resistor),又叫"矩形片状电阻"(Rectangular Chip Resistors),是由ROHM 公司发明并最早推出市场的。
特点是耐潮湿,耐高温,可靠度高,外观尺寸均匀,精确且温度系数与阻值公差小。
按生产工艺分厚膜(Thick Film Chip Resistors)、薄膜(Thin Film Chip Resistors )两种。
厚膜是采用丝网印刷将电阻性材料淀积在绝缘基体(例如玻璃或氧化铝陶瓷)上,然后烧结形成的。
我们通常所见的多为厚膜片式电阻,精度范围±0.5% ~ 10%,温度系数:±50PPM/℃~ ±400PPM/℃。
薄膜是在真空中采用蒸发和溅射等工艺将电阻性材料淀积在绝缘基体工艺(真空镀膜技术)制成,特点是低温度系数(±5PPM/℃),高精度(±0.01%~±1%)。
封装有:0201,0402,0603,0805,1206,1210,1812,2010,2512。
其常规系列的精度为5%,1%。
阻值范围从0.1欧姆到20M欧姆。
标准阻值有E24,E96系列。
功率有1/20W、1/16W、1/8W、1/10W、1/4W、1/2W、1W。
特性:体积小,重量轻适合波峰焊和回流焊机械强度高,高频特性优越常用规格价格比传统的引线电阻还便宜生产成本低,配合自动贴片机,适合现代电子产品规模化生产使用状况:由于价格便宜,生产方便,能大面积减少PCB面积,减少产品外观尺寸,现在已取代绝大部分传统引线电阻。
除一些小厂或不得不使用引线电阻的设计,各种电器上几乎都在使用。
目前绝大部分电子产品,以0603、0805器件为主;以手机,PDA为代表的高密度电子产品多使用0201、0402的器件;一些要求稳定和安全的电子产品,如医疗器械、汽车行驶记录仪、税控机则多采用1206、1210等尺寸偏大的电阻。
市场状况:目前,在全球的市场份额中,排名依次是台湾、日本、中国、韩国,欧美几乎不再生产。
主要的生产厂商几乎都在中国建立生产基地。
台湾国巨(Yageo)公司为世界上第一大生产商。
日本企业则生产一些如0201、0402、高精度、高电压,具有工艺难度,利润高的系列。
台湾及国内工厂则多生产些常规系列。
零售市场多见为一些台湾厂和国产的品牌,如国巨(Yageo)、风华(FH)、三星机电、厚生、丽智、美隆。
贴片电阻分为以下几大类:贴片电阻的功率是指通过电流时由于焦耳热电阻产生的功率。
可根据焦耳定律算出:P=I2 R。
额定功率:是指在某个温度下最大允许使用的功率,通常指环境温度为70°C时的额定功率。
额定电压:可以根据以下公式求出额定电压。
额定电压(V)=√额定功率(W)× 标称阻值(Ω)最高工作电压:允许加载在贴片电阻两端的最高电压。
贴片电阻的封装与功率、电压关系如下表:图1 (-55 ~+125)功率及环境温度降额曲线图图2 (-55 ~+155)功率及环境温度降额曲线图注意事项:设计和使用贴片电阻时,最大功率不能超过其额定功率,否则会降低其可靠性。
一般按额定功率的70%降额设计使用。
也不能超过其最大工作电压,否则有击穿的危险。
一般按最高工作电压的75%降额设计使用。
当环境温度超过70°C,必须按照降额曲线图(图1,图2)降额使用。
我们俗称的封装是指英制。
常规的贴片电阻阻值采用E24,E96系列。
1948年IEC第12技术委员会(无线电通讯)在斯德哥尔摩会议讨论过程中,一致同意国际标准化最紧迫的课题之一就是电阻器和0.1uF以下电容器的优先数系列。
尽管想使这些系列按照10√10数系标准化,但在若干国家内由于上述元件针对5√10、10√10和20√10允许偏差进行标准化已经采用了12√10数系,而在采用了12√10数系的这些国家中要改变商业惯例是不切合实际的。
虽然采用10√10数系更符合ISO的惯例,但考虑到现实情况委员会只能对不得不推荐12√10数系表示遗憾。
优先数E6、E12和E24系列提案是1950年在巴黎会议上被接受的,随后发布了IEC 63号标准(第一版)。
电阻器和电容器优先数系数系GB/T2471-1995E系列是一种由几何级数构成的数列。
E系列首先在英国的电工工业中应用,故采用Electricity的第一个字母E标志这一系列,它是以6√10(10开6次方) 、12√10 、24√10、48√10、96√10 、192√10为公比的几何级数,分别称为E6系列、E12系列、E24系列、E48系列、E96系列、E192系列。
即:--E6系列的公比为6√10≈1.47????数列:1.470=1;1.471≈1.5;1.472≈2.2;1.473≈3.2;1.474≈4.7;1.475≈6.8--E12系列的公比12√10≈1.21--E24系列的公比为24√10≈1.10--E48系列的公比为48√10≈1.049--E96系列的公比为96√10≈1.024--E192系列的公比为192√10≈1.012E系列由国际电工委员会(IEC)于1952年发布为国际标准,该系列适用于电子元件方面。
如:--E6系列适用于允差±20%(M)的电阻、电容和电感数值--E12系列适用于允差±10%(K)的电阻、电容和电感数值--E24系列适用于允差±5%(J)的电阻、电容和电感数值(注:现也用于1%的电阻)--E48系列适用于允差±2%(G)的电阻数值--E96系列适用于允差±1%(F)的电阻数值--E192系列适用于允差±0.5%(D)的电阻和电容器数值从以上可以看出,以上电阻的偏差极限是相重叠的,所以无论生产的电阻值是多少,都可把它规为某一标称值,即可做到零废品生产。
国际电工委员会曾希望改用R系列制度,但因E 系列已在一些国家采用,改变起来困难较大,所以至今在电子元件行业(主要是电阻、电容、电感)仍以E系列为主。
4.224.274.324.374.424.484.534.594.644.704.754. 4. 4. 4.5. 5. 5.5.625.695.765.835.905.976.046.126.196.266.346. 6. 6. 6. 6. 6. 6.7.507.597.697.777.877.968.068.168.258.358.458.8.8.8.8.9.9.E24常规阻值速查表E96系列:常用于精度1%的贴片电阻标准值范围(单位:Ω)1R~10R10~100R100R~1k1k~10k10k~100k100k~1M1M~10M1.00 1.00R10.0R100R 1.00k10.0k100k 1.00M 1.02 1.02R10.2R102R 1.02k10.2k102k 1.02M优先数及优先数系由于各种产品的特征互不相同,不可能都按一个公比形成系列,客观上需要这样一种数列,即项数较少的数列包含在项数较多的数列中,并且按照十进的规律能向两端无限延伸,这就是优先数列。
优先数和优先数系是一种科学的数值制度,它是一种无量纲的分级数系,适用于各种量值的分级。
它又是十进几何级数,它对于标准化对象的简化和协调起着重要作用。
因此,又是国际上一项统一的重要基础标准。
一、什么是优先数系和优先数优先数是由公比分别为5√10、10√10、20√10、40√10和80√10,且项值中含有10的整数幂的理论等比数列导出的一组近似等比的数列。
各数列分别用符号R5,R10,R20,R40和R80表示。
称为R5数系、R10数系、R20数系、R40数系和R80数系。
即:R5数系:以5√10≈1.60为公比形成的数系;R10数系:以10√10≈1.25为公比形成的数系;R20数系:以20√10≈1.12为公比形成的数系;R40数系:以40√10≈1.06为公比形成的数系;以上称为基本系列。
R80数系:以80√10≈1.03为公比形成的数系;它称为补充系列。
仅在参数分级很细,基本系列不能适应实际情况时,才可靠考虑采用。
优先数系中有任一个项值均称为优先数。
根据GB321的规定,优先数和优先数系适用于各种量值的分级,特别是在确定产品的参数或参数系列时,必须按该标准的规定最大限度地采用,这就是“优先”的含义。
二、优先数系标准的由来十九世纪末,法国的雷诺(C·Renard)为了对气球上使用的绳索规格进行简化,做出这样的规定,简化后形成的尺寸规格系列,每进5项值增大10倍(十进几何级数)。
设a为起始项q为公比,由上述规定可得关系式:a*q5 = 10a,即可求得公比q=5√10由此得出下系数a*(5√10)0、a*(5√10)1、a*(5√10)2、a*(5√10)3、a*(5√10)4、10a加以圆整,用以对绳索尺寸系列进行分级,结果把425中规格简化成17种。
这个数值系列相当于现今优先数中的R10、R20和R40等系列。
为了纪念雷诺,故把优先数又取名R数系。
1920年德国制订了第一个优先数系标准,1935年国际标准化协会公布了ISA 11号通告,把优先数规定为国际标准建议,(ISO/R 497)1973年转为国际标准(ISO 497-1937)。
我国首先由机械行业于1960年发布了部标准JB109-60《优先数和优先数系》,1964年有制定为国家标准GB321-64《优先数和优先数系》,1980年又进行了一次修订。
三、优先数的优点优先数是各种量值(特别是产品参数)分级时应优先采用的数。
其目的是把实际应用的“数”(如产品的尺寸、规格)限制在必须的最小范围内,并为在不同场合都能优先选用相同的数创造一个先决条件,以达到简化、统一。
优先数系的主要优点为:1、经济合理的数值分级制度产品的参数从最小到最大有很宽的数值范围,经验和统计表明,数值按等比数列分级,能在较宽的范围内以较少的规格,经济合理地满足社会需要。
这就要求用“相对差”反映同样“质”的差别,而不能象等差数列那样只考虑“绝对差”。
等比数列是一种相对差不变的数列,不会造成分级疏的过疏,密的过密的不合理现象,优先数系正是按等比数列制订的。